|
Изображение |
Описание |
|
Тормозной диск
A.B.S. 17636
Наружный диаметр [мм] : 278
Толщина тормозного диска (мм) : 25
Минимальная толщина [мм] : 23
Высота [мм] : 48,7
Число отверстий в диске колеса : 5
Тип тормозного диска : вентилируемый
Диаметр центрирования [мм] : 72
Ø фаски [мм] : 114,3
Поверхность : с покрытием
Диаметр ступицы [мм] : 149
|
|
Тормозной диск
A.B.S. 17638
Наружный диаметр [мм] : 265
Толщина тормозного диска (мм) : 11
Минимальная толщина [мм] : 9
Высота [мм] : 41
Число отверстий в диске колеса : 5
Тип тормозного диска : цельный
Диаметр центрирования [мм] : 72
Ø фаски [мм] : 114,3
Поверхность : с покрытием
Диаметр ступицы [мм] : 163
|
|
Тормозной диск
ABAKUS 231-03-170
Тип тормозного диска : вентилируемый
Наружный диаметр [мм] : 278
Толщина тормозного диска (мм) : 25
необходимое количество : 2
заменяется только попарно :
Высота [мм] : 48,5
Ø фаски [мм] : 114,3
Диаметр центрирования [мм] : 72
Количество отверстий : 5
проверочное значение : ECE R90
Требуется монтаж / демонтаж специалистами! :
|
|
Тормозной диск
ABAKUS 231-03-170-2
Тип тормозного диска : вентилируемый
Наружный диаметр [мм] : 278
Толщина тормозного диска (мм) : 25
необходимое количество : 2
заменяется только попарно :
Высота [мм] : 48,5
Ø фаски [мм] : 114,3
Диаметр центрирования [мм] : 72
Количество отверстий : 5
проверочное значение : ECE R90
Требуется монтаж / демонтаж специалистами! :
|
|
Тормозной диск
ABAKUS 231-04-093
Тип тормозного диска : цельный
Наружный диаметр [мм] : 265
Толщина тормозного диска (мм) : 11
необходимое количество : 2
заменяется только попарно :
Высота [мм] : 40,7
Ø фаски [мм] : 114,3
Диаметр центрирования [мм] : 72
Количество отверстий : 5
проверочное значение : ECE R90
Требуется монтаж / демонтаж специалистами! :
|
|
Тормозной диск
ABAKUS 231-04-093-2
Тип тормозного диска : цельный
Наружный диаметр [мм] : 265
Толщина тормозного диска (мм) : 11
необходимое количество : 2
заменяется только попарно :
Высота [мм] : 40,7
Ø фаски [мм] : 114,3
Диаметр центрирования [мм] : 72
Количество отверстий : 5
проверочное значение : ECE R90
Требуется монтаж / демонтаж специалистами! :
|
|
Тормозной диск
ABE C33084ABE
Толщина тормозного диска (мм) : 25
Минимальная толщина [мм] : 23
Тип тормозного диска : вентилируемый
Обработка : Высокоуглеродистый
Поверхность : с покрытием
Количество отверстий : 5
Ø фаски [мм] : 114,3
Высота [мм] : 48,5
Диаметр центрирования [мм] : 72
Внутренний диаметр : 140
Диаметр отверстия [мм] : 14
Сторона установки : передний мост
Наружный диаметр [мм] : 278
|
|
Тормозной диск
ABE C43026ABE
Толщина тормозного диска (мм) : 11
Минимальная толщина [мм] : 9
Тип тормозного диска : цельный
Количество отверстий : 5
Ø фаски [мм] : 114,3
Высота [мм] : 40,7
Диаметр центрирования [мм] : 72
Внутренний диаметр : 152
Диаметр отверстия [мм] : 14
Сторона установки : Задний мост
Наружный диаметр [мм] : 265
|
|
Тормозной диск
ACKOJA A32-40006
Тип тормозного диска : цельный
Толщина тормозного диска (мм) : 11
Наружный диаметр [мм] : 265
Сторона установки : Задний мост
Высота ступицы тормозного диска [мм] : 29,7
Число отверстий в диске колеса : 5
Высота [мм] : 40,7
Минимальная толщина [мм] : 9
Диаметр центрирования [мм] : 72
Ø фаски [мм] : 114,3
|
|
Тормозной диск
ACKOJA A32-80007
Высота ступицы тормозного диска [мм] : 23,5
Число отверстий в диске колеса : 5
Высота [мм] : 48,5
Тип тормозного диска : вентилируемый
Толщина тормозного диска (мм) : 25
Минимальная толщина [мм] : 23
Наружный диаметр [мм] : 278
Диаметр центрирования [мм] : 72
Ø фаски [мм] : 114,3
|
|
Тормозной диск
ADVICS E6R073B
Сторона установки : Задний мост
Тип тормозного диска : цельный
Толщина тормозного диска (мм) : 11
Минимальная толщина [мм] : 9,5
Количество отверстий : 5
Высота [мм] : 40,8
Диаметр центрирования [мм] : 72
Наружный диаметр [мм] : 265
|
|
Тормозной диск
AISIN E6F531S
Тип тормозного диска : вентилируемый
Поверхность : с покрытием
Наружный диаметр [мм] : 278
Толщина тормозного диска (мм) : 25
Высота [мм] : 48,5
Диаметр центрирования [мм] : 72
Минимальная толщина [мм] : 23
Вес [кг] : 7,06
Количество отверстий : 5
Ø фаски [мм] : 114,3
|
|
Тормозной диск
AP 24957 E
Обработка : Высокоуглеродистый
Наружный диаметр [мм] : 278
Диаметр центрирования [мм] : 72
Толщина тормозного диска (мм) : 25
Количество отверстий : 5
Минимальная толщина [мм] : 23
Момент затяжки [Нм] : 103
Высота [мм] : 49
Тип тормозного диска : вентилируемый
|
|
Тормозной диск
AP 24957 V
Наружный диаметр [мм] : 278
Диаметр центрирования [мм] : 72
Толщина тормозного диска (мм) : 25
Количество отверстий : 5
Минимальная толщина [мм] : 23
Момент затяжки [Нм] : 103
Высота [мм] : 49
Поверхность : с покрытием
Тип тормозного диска : вентилируемый
Обработка : Высокоуглеродистый
|
|
Тормозной диск
AP 24957 X
Тип тормозного диска : перфорированный / вентилируемый
Обработка : Высокоуглеродистый
Наружный диаметр [мм] : 278
Диаметр центрирования [мм] : 72
Толщина тормозного диска (мм) : 25
Количество отверстий : 5
Минимальная толщина [мм] : 23,5
Поверхность : с покрытием
Высота [мм] : 49
|
|
Тормозной диск
AP 14884
Количество отверстий : 5
Минимальная толщина [мм] : 9
Момент затяжки [Нм] : 103
Тип тормозного диска : цельный
Высота [мм] : 41
Наружный диаметр [мм] : 265
Диаметр центрирования [мм] : 72
Толщина тормозного диска (мм) : 11
|
|
Тормозной диск
AP 14884 V
Толщина тормозного диска (мм) : 11
Момент затяжки [Нм] : 103
Минимальная толщина [мм] : 9
Поверхность : с покрытием
Высота [мм] : 41
Тип тормозного диска : цельный
Диаметр центрирования [мм] : 72
Наружный диаметр [мм] : 265
Количество отверстий : 5
|
|
Тормозной диск
AP 14884 X
Количество отверстий : 5
Толщина тормозного диска (мм) : 11
Поверхность : с покрытием
Минимальная толщина [мм] : 9,5
Тип тормозного диска : цельный
Высота [мм] : 40,7
Тип тормозного диска : перфорированный
Диаметр центрирования [мм] : 72
Наружный диаметр [мм] : 265
|
|
Тормозной диск
ASHIKA 60-03-311C
Сторона установки : передний мост
Ø фаски [мм] : 72
Высота [мм] : 49
Наружный диаметр [мм] : 277,8
Толщина тормозного диска (мм) : 25
Минимальная толщина [мм] : 23
Число отверстий : 5
Тип тормозного диска : вентилируемый
проверочное значение : ECE R90 APPROVED
Поверхность : лакированный
Момент затяжки [Нм] : 103
для оригинального номера : C24Y3325XC9A
|
|
Тормозной диск
ASHIKA 61-03-321C
Сторона установки : Задний мост
Ø фаски [мм] : 72
Высота [мм] : 41,3
Наружный диаметр [мм] : 264,5
Толщина тормозного диска (мм) : 11
Минимальная толщина [мм] : 9
Число отверстий : 5
Тип тормозного диска : цельный
проверочное значение : ECE R90 APPROVED
Поверхность : лакированный
Момент затяжки [Нм] : 103
для оригинального номера : C24Y26251C9A
|
|
Тормозной диск
ATE 24.0111-0164.1
Наружный диаметр [мм] : 265
Толщина тормозного диска (мм) : 11
Минимальная толщина [мм] : 9
Тип тормозного диска : цельный
Поверхность : с покрытием
Количество отверстий : 5
Ø фаски [мм] : 114,3
Высота [мм] : 40,7
Диаметр центрирования [мм] : 72
Внутренний диаметр : 152
Диаметр отверстия [мм] : 14
Код MAPP в наличии :
проверочное значение : E1 90R-02C0165/0740
|
|
Тормозной диск
ATE 24.0125-0165.1
Наружный диаметр [мм] : 278
Толщина тормозного диска (мм) : 25
Минимальная толщина [мм] : 23
Тип тормозного диска : вентилируемый
Обработка : Высокоуглеродистый
Поверхность : с покрытием
Количество отверстий : 5
Код MAPP в наличии :
Ø фаски [мм] : 114,3
Высота [мм] : 48,5
Диаметр центрирования [мм] : 72
Внутренний диаметр : 140
Диаметр отверстия [мм] : 14
проверочное значение : E1 90R-02C0118/0368
|
|
Тормозной диск
BLUE PRINT ADM543115
Толщина тормозного диска (мм) : 11
Число отверстий в диске колеса : 5
Толщина [мм] : 41
Наружный диаметр [мм] : 265
Ø фаски [мм] : 114
Поверхность : с покрытием
Тип тормозного диска : цельный
Сторона установки : Задний мост
Минимальная толщина [мм] : 9
Диаметр центрирования [мм] : 72
Соблюдать сервисную информацию :
|
|
Тормозной диск
BLUE PRINT ADM54381
Толщина тормозного диска (мм) : 25
Число отверстий в диске колеса : 5
Толщина [мм] : 48
Наружный диаметр [мм] : 278
Ø фаски [мм] : 114
Поверхность : с покрытием
Тип тормозного диска : вентилируемый
Сторона установки : передний мост
Минимальная толщина [мм] : 23
Диаметр центрирования [мм] : 72
Соблюдать сервисную информацию :
|
|
Тормозной диск
BOGAP V8211159
Сторона установки : Задний мост
Тип тормозного диска : цельный
Толщина тормозного диска (мм) : 11
Наружный диаметр [мм] : 265
|
|
Тормозной диск
BORG & BECK BBD4447
Тип тормозного диска : вентилируемый
Наружный диаметр [мм] : 278
Толщина тормозного диска (мм) : 25
Высота [мм] : 48,5
Диаметр центрирования [мм] : 72
Количество крепежных отверстий : 0
Количество отверстий : 5
Количественная единица : комплект
Поверхность : с покрытием
проверочное значение : ECE R90 Homologated
Минимальная толщина [мм] : 23
|
|
Тормозной диск
BORG & BECK BBD4448
Тип тормозного диска : цельный
Наружный диаметр [мм] : 265
Толщина тормозного диска (мм) : 11
Высота [мм] : 41
Диаметр центрирования [мм] : 72
Количество крепежных отверстий : 0
Количество отверстий : 5
Количественная единица : комплект
Поверхность : с покрытием
проверочное значение : ECE R90 Homologated
Минимальная толщина [мм] : 9
|
|
Тормозной диск
BOSCH 0 986 479 178
Наружный диаметр [мм] : 265
Толщина тормозного диска (мм) : 11
Минимальная толщина [мм] : 9
Высота [мм] : 40,8
Ø фаски [мм] : 114,3
Тип тормозного диска : цельный
Диаметр центрирования [мм] : 72,01
Количество отверстий : 5
Поверхность : промасленный
выполняет нормы ЕЭК : ECE-R90
Диаметр отверстия до [мм] : 13,8
|
|
Тормозной диск
BOSCH 0 986 479 179
Наружный диаметр [мм] : 278
Толщина тормозного диска (мм) : 25
Минимальная толщина [мм] : 23
Высота [мм] : 48,5
Ø фаски [мм] : 114,3
Тип тормозного диска : вентилируемый
Диаметр центрирования [мм] : 72,02
Количество отверстий : 5
Поверхность : промасленный
Обработка : Высокоуглеродистый
Диаметр отверстия до [мм] : 13,8
|
|
Тормозной диск
BRECO BS 8576
Диаметр центрирования [мм] : 72
Толщина тормозного диска (мм) : 25
Количество отверстий : 5
Минимальная толщина [мм] : 23
Момент затяжки [Нм] : 103
Высота [мм] : 49
Тип тормозного диска : вентилируемый
Обработка : Высокоуглеродистый
Наружный диаметр [мм] : 278
|
|
Тормозной диск
BRECO BV 8576
Толщина тормозного диска (мм) : 25
Количество отверстий : 5
Минимальная толщина [мм] : 23
Момент затяжки [Нм] : 103
Высота [мм] : 49
Поверхность : с покрытием
Тип тормозного диска : вентилируемый
Обработка : Высокоуглеродистый
Наружный диаметр [мм] : 278
Диаметр центрирования [мм] : 72
|
|
Тормозной диск
BRECO BS 7681
Наружный диаметр [мм] : 265
Количество отверстий : 5
Толщина тормозного диска (мм) : 11
Момент затяжки [Нм] : 103
Минимальная толщина [мм] : 9
Высота [мм] : 41
Тип тормозного диска : цельный
Диаметр центрирования [мм] : 72
|
|
Тормозной диск
BRECO BV 7681
Количество отверстий : 5
Толщина тормозного диска (мм) : 11
Момент затяжки [Нм] : 103
Минимальная толщина [мм] : 9
Поверхность : с покрытием
Высота [мм] : 41
Тип тормозного диска : цельный
Диаметр центрирования [мм] : 72
Наружный диаметр [мм] : 265
|
|
Тормозной диск
BREMBO 09.9464.21
Тип тормозного диска : вентилируемый
Толщина тормозного диска (мм) : 25
Количество отверстий : 5
Высота [мм] : 49
Диаметр центрирования [мм] : 72
Наружный диаметр [мм] : 278
Обработка : Высокоуглеродистый
Поверхность : с покрытием
Минимальная толщина [мм] : 23
Момент затяжки [Нм] : 103
|
|
Тормозной диск
BREMBO 09.9464.24
Тип тормозного диска : вентилируемый
Толщина тормозного диска (мм) : 25
Количество отверстий : 5
Высота [мм] : 49
Диаметр центрирования [мм] : 72
Наружный диаметр [мм] : 278
Обработка : Высокоуглеродистый
Минимальная толщина [мм] : 23
Момент затяжки [Нм] : 103
|
|
Тормозной диск
BREMBO 09.9464.2X
Тип тормозного диска : перфорированный / вентилируемый
Толщина тормозного диска (мм) : 25
Количество отверстий : 5
Высота [мм] : 49
Диаметр центрирования [мм] : 72
Наружный диаметр [мм] : 278
Обработка : Высокоуглеродистый
Поверхность : с покрытием
Минимальная толщина [мм] : 23,5
|
|
Тормозной диск
BREMBO 08.A029.10
Тип тормозного диска : цельный
Толщина тормозного диска (мм) : 11
Количество отверстий : 5
Высота [мм] : 41
Диаметр центрирования [мм] : 72
Наружный диаметр [мм] : 265
Минимальная толщина [мм] : 9
Момент затяжки [Нм] : 103
|
|
Тормозной диск
BREMBO 08.A029.11
Тип тормозного диска : цельный
Толщина тормозного диска (мм) : 11
Количество отверстий : 5
Высота [мм] : 41
Диаметр центрирования [мм] : 72
Наружный диаметр [мм] : 265
Поверхность : с покрытием
Минимальная толщина [мм] : 9
Момент затяжки [Нм] : 103
|
|
Тормозной диск
BREMBO 08.A029.1X
Тип тормозного диска : цельный
Тип тормозного диска : перфорированный
Толщина тормозного диска (мм) : 11
Количество отверстий : 5
Высота [мм] : 40,7
Диаметр центрирования [мм] : 72
Наружный диаметр [мм] : 265
Поверхность : с покрытием
Минимальная толщина [мм] : 9,5
|
|
Тормозной диск
BREMSI CD7311V
Сторона установки : передний мост
Наружный диаметр [мм] : 278
Тип тормозного диска : вентилируемый
Толщина тормозного диска (мм) : 25
Минимальная толщина [мм] : 23
Количество отверстий : 5
Момент затяжки [Нм] : 10,3
|
|
Тормозной диск
BREMSI CD7420S
Сторона установки : Задний мост
Наружный диаметр [мм] : 265
Тип тормозного диска : цельный
Толщина тормозного диска (мм) : 11
Минимальная толщина [мм] : 9
Количество отверстий : 5
Цвет : чёрный
Поверхность : лакированный
Момент затяжки [Нм] : 10,3
|
|
Тормозной диск
BSG BSG 55-210-004
Минимальная толщина [мм] : 23
Тип тормозного диска : вентилируемый
Наружный диаметр [мм] : 278
Толщина тормозного диска (мм) : 25
Диаметр центрирования [мм] : 72
Высота [мм] : 48
Размер резьбы : 14
Количество отверстий : 5
Ø фаски [мм] : 114
Цвет : чёрный
Поверхность : лакированный
проверочное значение : E190R 0202C0176/0065
Сторона установки : передний мост
|
|
Тормозной диск
CAR HPD 1119
Сторона установки : 1-й передний мост
Тип тормозного диска : цельный
Наружный диаметр [мм] : 278
Толщина тормозного диска (мм) : 25
Высота [мм] : 48,7
Диаметр центрирования [мм] : 72
Количество отверстий : 5
Минимальная толщина [мм] : 23
Вес [кг] : 7,05
|
|
Тормозной диск
CAR X.IC.142.1119
Сторона установки : 1-й передний мост
Тип тормозного диска : цельный
Наружный диаметр [мм] : 278
Толщина тормозного диска (мм) : 25
Высота [мм] : 48,7
Диаметр центрирования [мм] : 72
Количество отверстий : 5
Минимальная толщина [мм] : 23
Вес [кг] : 7,27
|
|
Тормозной диск
CHAMPION 562560CH
Тип тормозного диска : цельный
Наружный диаметр [мм] : 265
Толщина тормозного диска (мм) : 11
Дополнительный артикул / дополнительная информация 2 : без винтов
Высота [мм] : 40,8
Ø фаски [мм] : 114,3
Диаметр центрирования [мм] : 69
Количество отверстий : 5
Количественная единица : комплект
Вес [кг] : 8,27
Минимальная толщина [мм] : 9
Момент затяжки [Нм] : 103
Тип контейнера : Коробка
Длина упаковки [см] : 26,6
Ширина упаковки [см] : 26,6
Высота упаковки [см] : 8,5
|
|
Тормозной диск
CHAMPION 563028CH
Тип тормозного диска : вентилируемый
Наружный диаметр [мм] : 278
Толщина тормозного диска (мм) : 25
Дополнительный артикул / дополнительная информация 2 : без винтов
Высота [мм] : 48,5
Ø фаски [мм] : 114,3
Диаметр центрирования [мм] : 72
Количество отверстий : 5
Количественная единица : комплект
Вес [кг] : 14,24
Минимальная толщина [мм] : 23
Момент затяжки [Нм] : 103
Тип контейнера : Коробка
Длина упаковки [см] : 27,9
Ширина упаковки [см] : 27,9
Высота упаковки [см] : 10,1
|
|
Тормозной диск
CIFAM 800-729C
проверочное значение : ECE-R90
Высота [мм] : 48,5
Тип тормозного диска : вентилируемый
Толщина тормозного диска (мм) : 25
Наружный диаметр [мм] : 278
Количество отверстий : 5
Диаметр центрирования [мм] : 72
Поверхность : лакированный
|
|
Тормозной диск
CIFAM 800-738C
проверочное значение : ECE-R90
Высота [мм] : 40,8
Тип тормозного диска : цельный
Толщина тормозного диска (мм) : 11
Наружный диаметр [мм] : 265
Количество отверстий : 5
Диаметр центрирования [мм] : 72
Поверхность : лакированный
|
|
Тормозной диск
COMLINE ADC0446V
Тип тормозного диска : вентилируемый
Наружный диаметр [мм] : 278
Толщина тормозного диска (мм) : 25
Высота [мм] : 48,5
Ø фаски [мм] : 114,3
Диаметр центрирования [мм] : 72
Количество отверстий : 5
Поверхность : с покрытием
Минимальная толщина [мм] : 23
|
|
Тормозной диск
COMLINE ADC0448
Тип тормозного диска : цельный
Наружный диаметр [мм] : 265
Толщина тормозного диска (мм) : 10,9
Высота [мм] : 40,7
Ø фаски [мм] : 114,3
Диаметр центрирования [мм] : 72
Количество отверстий : 5
Поверхность : с покрытием
Минимальная толщина [мм] : 9
|
|
Тормозной диск
DACO 602207
Высота [мм] : 41
Тип тормозного диска : цельный
Толщина тормозного диска (мм) : 11
Размер резьбы : 13,8
Минимальная толщина [мм] : 9
Наружный диаметр [мм] : 265
Количество отверстий : 5
Диаметр центрирования [мм] : 72
|
|
Тормозной диск
DACO 603207
Высота [мм] : 48,5
Тип тормозного диска : вентилируемый
Толщина тормозного диска (мм) : 25
Размер резьбы : 14
Минимальная толщина [мм] : 23
Наружный диаметр [мм] : 278
Количество отверстий : 5
Диаметр центрирования [мм] : 72
|
|
Тормозной диск
DANAHER DR10271
Сторона установки : Задний мост
Тип тормозного диска : цельный
Толщина тормозного диска (мм) : 9,3
Наружный диаметр [мм] : 269
Высота [мм] : 55,7
Количество отверстий : 4
Диаметр центрирования [мм] : 55,1
|
|
Тормозной диск
DANAHER DR10583
Сторона установки : Задний мост
Тип тормозного диска : цельный
Толщина тормозного диска (мм) : 11
Наружный диаметр [мм] : 265
Высота [мм] : 40,8
Количество отверстий : 5
Диаметр центрирования [мм] : 72
|
|
Тормозной диск
DANAHER DR11389
Сторона установки : передний мост
Тип тормозного диска : вентилируемый
Толщина тормозного диска (мм) : 25
Наружный диаметр [мм] : 278
Высота [мм] : 48,5
Количество отверстий : 5
Диаметр центрирования [мм] : 72
|
|
Тормозной диск
DELPHI BG3896
Тип тормозного диска : цельный
Количество отверстий : 5
проверочное значение : E1 90R-02C0967/2529
Поверхность : промасленный
Наружный диаметр [мм] : 265
Толщина тормозного диска (мм) : 11
Минимальная толщина [мм] : 9
Диаметр центрирования [мм] : 63,5
Высота [мм] : 40,8
|
|
Тормозной диск
DELPHI BG3927
Тип тормозного диска : вентилируемый
Количество отверстий : 5
проверочное значение : E1 90R-02C0957/2551
Поверхность : промасленный
Наружный диаметр [мм] : 278
Толщина тормозного диска (мм) : 25
Минимальная толщина [мм] : 23
Диаметр центрирования [мм] : 72
Высота [мм] : 48,5
|
|
Тормозной диск
DELPHI BG4025C
Тип тормозного диска : цельный
Количество отверстий : 5
проверочное значение : E1 90R-02C0100/1551
Поверхность : с покрытием
Наружный диаметр [мм] : 265
Толщина тормозного диска (мм) : 11
Минимальная толщина [мм] : 9
Диаметр центрирования [мм] : 72
Высота [мм] : 41
|
|
Тормозной диск
DENCKERMANN B130344
Минимальная толщина [мм] : 9
Тип тормозного диска : цельный
Диаметр отверстия [мм] : 14
Толщина тормозного диска (мм) : 11
Ø фаски [мм] : 114,3
Количество отверстий : 5
Внутренний диаметр : 152
Высота [мм] : 40,7
Диаметр центрирования [мм] : 72
Наружный диаметр [мм] : 265
|
|
Тормозной диск
DENCKERMANN B130549
Минимальная толщина [мм] : 23
Тип тормозного диска : вентилируемый
Диаметр отверстия [мм] : 14
Толщина тормозного диска (мм) : 25
Ø фаски [мм] : 114,3
Количество отверстий : 5
Внутренний диаметр : 140
Высота [мм] : 48,5
Диаметр центрирования [мм] : 72
Наружный диаметр [мм] : 278
|
|
Тормозной диск
DON PCD11152
Тип тормозного диска : вентилируемый
Наружный диаметр [мм] : 278
Толщина тормозного диска (мм) : 25
Высота [мм] : 48,5
Минимальная толщина [мм] : 23
Поверхность : с частичным покрытием
Внутренний диаметр : 140
Ø фаски [мм] : 114,3
Диаметр центрирования [мм] : 72
Расположение/число отверстий : 05/05
Диаметр отверстия под шпильку колеса [мм] : 13,8
Дополнительный артикул / дополнительная информация 2 : без ступицы
Дополнительный артикул / дополнительная информация 2 : без колесного подшипника
Дополнительный артикул / дополнительная информация 2 : без колесной крепящей оси
Длина упаковки [см] : 31,5
Ширина упаковки [см] : 31,5
Высота упаковки [см] : 12,2
Вес [кг] : 7,1
|
|
Тормозной диск
DON PCD18982
Тип тормозного диска : цельный
Наружный диаметр [мм] : 265
Толщина тормозного диска (мм) : 11
Высота [мм] : 40,8
Минимальная толщина [мм] : 9
Поверхность : с частичным покрытием
Внутренний диаметр : 152
Ø фаски [мм] : 114,3
Диаметр центрирования [мм] : 72
Расположение/число отверстий : 05/05
Диаметр отверстия под шпильку колеса [мм] : 13,8
Дополнительный артикул / дополнительная информация 2 : без ступицы
Дополнительный артикул / дополнительная информация 2 : без колесного подшипника
Дополнительный артикул / дополнительная информация 2 : без колесной крепящей оси
Длина упаковки [см] : 28,4
Ширина упаковки [см] : 28,4
Высота упаковки [см] : 10,4
Вес [кг] : 4,1
|
|
Тормозной диск
DR!VE+ DBD0172C
Сторона установки : Задний мост
проверочное значение : E1 90R-02C0100/0442
Высота [мм] : 40,8
Вес [кг] : 4
Тип тормозного диска : цельный
Толщина тормозного диска (мм) : 11
Размер резьбы : 13,8
Минимальная толщина [мм] : 9
Наружный диаметр [мм] : 265
Диаметр центрирования [мм] : 72
Ø фаски [мм] : 114,3
Поверхность : с покрытием
|
|
Тормозной диск
DR!VE+ DP1010.11.0172
Число отверстий в диске колеса : 5
Сторона установки : Задний мост
Высота [мм] : 40,8
Тип тормозного диска : цельный
Толщина тормозного диска (мм) : 11
Минимальная толщина [мм] : 9
Наружный диаметр [мм] : 265
Диаметр центрирования [мм] : 72
|
|
Тормозной диск
DR!VE+ DP1010.11.0823
Число отверстий в диске колеса : 5
Сторона установки : передний мост
Высота [мм] : 48,5
Тип тормозного диска : вентилируемый
Толщина тормозного диска (мм) : 25
Минимальная толщина [мм] : 23
Наружный диаметр [мм] : 278
Диаметр центрирования [мм] : 72
|
|
Тормозной диск
EBC Brakes D1312
Тип тормозного диска : вентилируемый
Толщина тормозного диска (мм) : 23
Толщина тормозного диска (мм) : 25
Количество отверстий : 5
Высота [мм] : 49
Наружный диаметр [мм] : 278
Материал : Серый чугун
|
|
Тормозной диск
EBC Brakes D1314
Тип тормозного диска : цельный
Толщина тормозного диска (мм) : 9
Толщина тормозного диска (мм) : 11
Количество отверстий : 5
Высота [мм] : 41
Наружный диаметр [мм] : 265
Материал : Серый чугун
|
|
Тормозной диск
EBC Brakes GD1312
Тип тормозного диска : вентилируемый
Толщина тормозного диска (мм) : 23
Толщина тормозного диска (мм) : 25
Количество отверстий : 5
Высота [мм] : 49
Наружный диаметр [мм] : 278
Материал : Серый чугун
|
|
Тормозной диск
EBC Brakes GD1314
Тип тормозного диска : цельный
Толщина тормозного диска (мм) : 9
Толщина тормозного диска (мм) : 11
Количество отверстий : 5
Высота [мм] : 41
Наружный диаметр [мм] : 265
Материал : Серый чугун
|
|
Тормозной диск
EBC Brakes USR1312
Тип тормозного диска : вентилируемый
Толщина тормозного диска (мм) : 23
Толщина тормозного диска (мм) : 25
Количество отверстий : 5
Высота [мм] : 49
Наружный диаметр [мм] : 278
Материал : Серый чугун
|
|
Тормозной диск
EBC Brakes USR1314
Тип тормозного диска : цельный
Толщина тормозного диска (мм) : 9
Толщина тормозного диска (мм) : 11
Количество отверстий : 5
Высота [мм] : 41
Наружный диаметр [мм] : 265
Материал : Серый чугун
|
|
Тормозной диск
EGT 410263EGT
Число отверстий в диске колеса : 5
Высота [мм] : 41
Тип тормозного диска : цельный
Толщина тормозного диска (мм) : 11
Минимальная толщина [мм] : 9
Наружный диаметр [мм] : 265
Поверхность : с покрытием
Диаметр ступицы [мм] : 72
Диаметр отверстия под шпильку колеса [мм] : 114,3
|
|
Тормозной диск
EGT 410263cEGT
Число отверстий в диске колеса : 5
Высота [мм] : 41
Тип тормозного диска : цельный
Толщина тормозного диска (мм) : 11
Минимальная толщина [мм] : 9
Наружный диаметр [мм] : 265
Поверхность : с покрытием
Диаметр ступицы [мм] : 72
Диаметр отверстия под шпильку колеса [мм] : 114,3
|
|
Тормозной диск
EGT 410523EGT
Число отверстий в диске колеса : 5
Высота [мм] : 48,7
Тип тормозного диска : вентилируемый
Толщина тормозного диска (мм) : 25
Минимальная толщина [мм] : 23
Наружный диаметр [мм] : 278
Поверхность : с покрытием
Диаметр ступицы [мм] : 72
|
|
Тормозной диск
EGT 410523cEGT
Число отверстий в диске колеса : 5
Высота [мм] : 48,7
Тип тормозного диска : вентилируемый
Толщина тормозного диска (мм) : 25
Минимальная толщина [мм] : 23
Наружный диаметр [мм] : 278
Поверхность : с покрытием
Диаметр ступицы [мм] : 72
|
|
Тормозной диск
Eurobrake 5815203251
Наружный диаметр [мм] : 278
Толщина тормозного диска (мм) : 25
Минимальная толщина [мм] : 23
Высота [мм] : 49
Число отверстий в диске колеса : 5
Тип тормозного диска : вентилируемый
Диаметр центрирования [мм] : 72
Поверхность : промасленный
Вес нетто [кг] : 7,06
|
|
Тормозной диск
Eurobrake 5815313251
Наружный диаметр [мм] : 278
Толщина тормозного диска (мм) : 25
Минимальная толщина [мм] : 23
Высота [мм] : 49
Число отверстий в диске колеса : 5
Тип тормозного диска : вентилируемый
Диаметр центрирования [мм] : 72
Поверхность : с покрытием
Вес нетто [кг] : 7,06
|
|
Тормозной диск
Eurobrake 5815203250
Наружный диаметр [мм] : 265
Толщина тормозного диска (мм) : 11
Минимальная толщина [мм] : 9
Высота [мм] : 41
Число отверстий в диске колеса : 5
Тип тормозного диска : цельный
Диаметр центрирования [мм] : 72
Поверхность : промасленный
Вес нетто [кг] : 4,02
|
|
Тормозной диск
Eurobrake 5815313250
Наружный диаметр [мм] : 265
Толщина тормозного диска (мм) : 11
Минимальная толщина [мм] : 9
Высота [мм] : 41
Число отверстий в диске колеса : 5
Тип тормозного диска : цельный
Диаметр центрирования [мм] : 72
Поверхность : с покрытием
Вес нетто [кг] : 4,02
|
|
Тормозной диск
EUROREPAR 1642752080
Тип тормозного диска : вентилируемый
Дополнительный артикул / дополнительная информация 2 : без кольца сенсора ABS
Наружный диаметр [мм] : 277,9
Толщина тормозного диска (мм) : 25
Высота [мм] : 48,5
Диаметр центрирования [мм] : 72
Ø фаски [мм] : 114,3
Количество отверстий : 5
Минимальная толщина [мм] : 23
|
|
Тормозной диск
EUROREPAR 1690946880
Тип тормозного диска : вентилируемый
Дополнительный артикул / дополнительная информация 2 : без кольца сенсора ABS
Наружный диаметр [мм] : 278
Толщина тормозного диска (мм) : 25
Высота [мм] : 48,5
Диаметр центрирования [мм] : 72
Ø фаски [мм] : 114,3
Количество отверстий : 5
Минимальная толщина [мм] : 23
|
|
Тормозной диск
EUROREPAR 1642768880
Тип тормозного диска : цельный
Дополнительный артикул / дополнительная информация 2 : без кольца сенсора ABS
Наружный диаметр [мм] : 265
Толщина тормозного диска (мм) : 11
Высота [мм] : 40,8
Диаметр центрирования [мм] : 72
Количество отверстий : 5
Минимальная толщина [мм] : 9
|
|
Тормозной диск
FAI AutoParts BD227
Тип тормозного диска : цельный
Наружный диаметр [мм] : 265
Толщина тормозного диска (мм) : 11
необходимое количество : 2
Высота [мм] : 41
Диаметр центрирования [мм] : 72
Количество отверстий : 5
Поверхность : с покрытием
Минимальная толщина [мм] : 9
|
|
Тормозной диск
FAI AutoParts BD425
Тип тормозного диска : вентилируемый
Наружный диаметр [мм] : 278
Толщина тормозного диска (мм) : 25
необходимое количество : 2
Высота [мм] : 48,5
Диаметр центрирования [мм] : 72
Количество отверстий : 5
Поверхность : с покрытием
Минимальная толщина [мм] : 23
|
|
Тормозной диск
FAI AutoParts FPBD1079
Тип тормозного диска : цельный
Наружный диаметр [мм] : 265
Толщина тормозного диска (мм) : 11
Высота [мм] : 41
Диаметр центрирования [мм] : 72
Количество отверстий : 5
Поверхность : с покрытием
Минимальная толщина [мм] : 9
|
|
Тормозной диск
FAI AutoParts FPBD1314
Тип тормозного диска : вентилируемый
Наружный диаметр [мм] : 278
Толщина тормозного диска (мм) : 25
Высота [мм] : 48,5
Диаметр центрирования [мм] : 72
Количество отверстий : 5
Поверхность : с покрытием
Минимальная толщина [мм] : 23
|
|
Тормозной диск
FEBI BILSTEIN 175209
Толщина тормозного диска (мм) : 11
Число отверстий в диске колеса : 5
Толщина [мм] : 40,7
Наружный диаметр [мм] : 265
Ø фаски [мм] : 114,3
Поверхность : с покрытием
Тип тормозного диска : цельный
Сторона установки : Задний мост
Минимальная толщина [мм] : 9
Диаметр центрирования [мм] : 72
Соблюдать сервисную информацию :
|
|
Тормозной диск
FEBI BILSTEIN 32765
Толщина тормозного диска (мм) : 25
Число отверстий в диске колеса : 5
Толщина [мм] : 48,4
Наружный диаметр [мм] : 278
Ø фаски [мм] : 114,3
Поверхность : с покрытием
Тип тормозного диска : вентилируемый
Сторона установки : передний мост
Минимальная толщина [мм] : 23
Диаметр центрирования [мм] : 72
Соблюдать сервисную информацию :
|
|
Тормозной диск
FENOX TB218053
Сторона установки : Задний мост
Тип тормозного диска : цельный
Толщина тормозного диска (мм) : 11
Ø фаски [мм] : 114,3
Количество отверстий : 5
Высота [мм] : 40,8
Диаметр центрирования [мм] : 72
Наружный диаметр [мм] : 265
|
|
Тормозной диск
FENOX TB219120
Сторона установки : передний мост
Тип тормозного диска : вентилируемый
Толщина тормозного диска (мм) : 25
Ø фаски [мм] : 114,3
Количество отверстий : 5
Высота [мм] : 48,5
Диаметр центрирования [мм] : 72
Наружный диаметр [мм] : 278
|
|
Тормозной диск
FERODO DDF1311
Тип тормозного диска : вентилируемый
Наружный диаметр [мм] : 278
Толщина тормозного диска (мм) : 25
Дополнительный артикул / дополнительная информация 2 : без винтов
Высота [мм] : 48,5
Ø фаски [мм] : 114,3
Диаметр центрирования [мм] : 72
Количество отверстий : 5
Количественная единица : комплект
Поверхность : промасленный
проверочное значение : R90 homologated
Вес [кг] : 14,24
Минимальная толщина [мм] : 23
Момент затяжки [Нм] : 103
Тип контейнера : Коробка
Длина упаковки [см] : 28,5
Ширина упаковки [см] : 28,5
Высота упаковки [см] : 10
|
|
Тормозной диск
FERODO DDF1311C
Тип тормозного диска : вентилируемый
Наружный диаметр [мм] : 278
Толщина тормозного диска (мм) : 25
Дополнительный артикул / дополнительная информация 2 : без винтов
Высота [мм] : 48,5
Диаметр центрирования [мм] : 72
Количество отверстий : 5
Количественная единица : комплект
Поверхность : с покрытием
проверочное значение : R90 Homologated
Вес [кг] : 7,12
Минимальная толщина [мм] : 23
Момент затяжки [Нм] : 103
Длина упаковки [см] : 28,5
Ширина упаковки [см] : 28,5
Высота упаковки [см] : 12,2
|
|
Тормозной диск
FERODO DDF1420C
Тип тормозного диска : цельный
Наружный диаметр [мм] : 265
Толщина тормозного диска (мм) : 11
Дополнительный артикул / дополнительная информация 2 : без винтов
Высота [мм] : 40,8
Диаметр центрирования [мм] : 69
Количество отверстий : 5
Количественная единица : комплект
Поверхность : с покрытием
Вес [кг] : 4,14
Минимальная толщина [мм] : 9
Момент затяжки [Нм] : 103
Длина упаковки [см] : 27
Ширина упаковки [см] : 27
Высота упаковки [см] : 10,7
|
|
Тормозной диск
FI.BA FBD225
Сторона установки : передний мост
Вес [кг] : 6,98
Толщина [мм] : 48
Тип тормозного диска : вентилируемый
Толщина тормозного диска (мм) : 25
Минимальная толщина [мм] : 23
Ø фаски [мм] : 114,3
Число отверстий в диске колеса : 5
Диаметр центрирования [мм] : 72
Поверхность : с покрытием
Наружный диаметр [мм] : 278
|
|
Тормозной диск
FI.BA FBD400
Сторона установки : Задний мост
Вес [кг] : 4,24
Толщина [мм] : 41
Тип тормозного диска : цельный
Толщина тормозного диска (мм) : 11
Минимальная толщина [мм] : 9
Ø фаски [мм] : 114,3
Число отверстий в диске колеса : 5
Диаметр центрирования [мм] : 72
Поверхность : с покрытием
Наружный диаметр [мм] : 265
|
|
Тормозной диск
FREMAX BD-3272
Тип тормозного диска : вентилируемый
Наружный диаметр [мм] : 278
Толщина тормозного диска (мм) : 25
Высота [мм] : 49
Диаметр центрирования [мм] : 72
Количество крепежных отверстий : 5
Поверхность : с покрытием
Вес [кг] : 6,98
Минимальная толщина [мм] : 23
|
|
Тормозной диск
FREMAX BD-3275
Тип тормозного диска : цельный
Наружный диаметр [мм] : 265
Толщина тормозного диска (мм) : 11
Высота [мм] : 41
Диаметр центрирования [мм] : 72
Количество крепежных отверстий : 5
Поверхность : с покрытием
Вес [кг] : 4,02
Минимальная толщина [мм] : 9
|
|
Тормозной диск
fri.tech. BD0227
проверочное значение : ECE-R90
Высота [мм] : 48,5
Тип тормозного диска : вентилируемый
Толщина тормозного диска (мм) : 25
Наружный диаметр [мм] : 278
Количество отверстий : 5
Диаметр центрирования [мм] : 72
Поверхность : лакированный
|
|
Тормозной диск
fri.tech. BD0947
проверочное значение : ECE-R90
Высота [мм] : 40,8
Тип тормозного диска : цельный
Толщина тормозного диска (мм) : 11
Наружный диаметр [мм] : 265
Количество отверстий : 5
Диаметр центрирования [мм] : 72
Поверхность : лакированный
|
|
Тормозной диск
GALFER B1.G225-0165.1
Наружный диаметр [мм] : 278
Толщина тормозного диска (мм) : 25
Минимальная толщина [мм] : 23
Тип тормозного диска : вентилируемый
Обработка : Высокоуглеродистый
Поверхность : с покрытием
Количество отверстий : 5
Ø фаски [мм] : 114,3
Высота [мм] : 48,5
Диаметр центрирования [мм] : 72
Внутренний диаметр : 140
Диаметр отверстия [мм] : 14
проверочное значение : E1 90R-02C0118/1228
|
|
Тормозной диск
GALFER B1.G211-0164.1
Наружный диаметр [мм] : 265
Толщина тормозного диска (мм) : 11
Минимальная толщина [мм] : 9
Тип тормозного диска : цельный
Поверхность : с покрытием
Количество отверстий : 5
Ø фаски [мм] : 114,3
Высота [мм] : 40,7
Диаметр центрирования [мм] : 72
Внутренний диаметр : 152
Диаметр отверстия [мм] : 14
проверочное значение : E1 90R-02C0165/1154
|
|
Тормозной диск
GH GH-403204
Сторона установки : передний мост
Сторона установки : передний мост справа
Сторона установки : передний мост слева
Толщина тормозного диска (мм) : 25
Количество отверстий : 5
Ø фаски [мм] : 114,3
Диаметр центрирования [мм] : 72
Наружный диаметр [мм] : 278
Тип тормозного диска : вентилируемый
Размер резьбы : 14
Высота [мм] : 48,5
|
|
Тормозной диск
GH GH-423203
Сторона установки : Задний мост
Сторона установки : Задний мост справа
Сторона установки : Задний мост слева
Толщина тормозного диска (мм) : 11
Количество отверстий : 5
Ø фаски [мм] : 114,3
Диаметр центрирования [мм] : 72
Наружный диаметр [мм] : 265
Тип тормозного диска : цельный
Размер резьбы : 13,8
Высота [мм] : 41
|
|
Тормозной диск
GIRLING 6043841
Цвет : чёрный
Минимальная толщина [мм] : 23
Тип тормозного диска : вентилируемый
Наружный диаметр [мм] : 278
Толщина тормозного диска (мм) : 25
Диаметр центрирования [мм] : 72
Высота [мм] : 48,5
Размер резьбы : 14
Количество отверстий : 5
Ø фаски [мм] : 114,3
Поверхность : лакированный
|
|
Тормозной диск
GIRLING 6044194
Поверхность : лакированный
Размер резьбы : 13,8
Минимальная толщина [мм] : 9
Высота [мм] : 41
Диаметр центрирования [мм] : 72
Тип тормозного диска : цельный
Толщина тормозного диска (мм) : 11
Наружный диаметр [мм] : 265
Ø фаски [мм] : 114,3
Количество отверстий : 5
Цвет : чёрный
проверочное значение : E190R-02C0190/0537
|
|
Тормозной диск
HART 221 445
Высота [мм] : 41
Тип тормозного диска : цельный
Толщина тормозного диска (мм) : 11
Наружный диаметр [мм] : 265
Количество отверстий : 5
|
|
Тормозной диск
HART 221 446
Высота [мм] : 48,5
Тип тормозного диска : вентилируемый
Толщина тормозного диска (мм) : 25
Наружный диаметр [мм] : 278
Количество отверстий : 5
|
|
Тормозной диск
HART 258 001
Высота [мм] : 41
Тип тормозного диска : цельный
Толщина тормозного диска (мм) : 11
Наружный диаметр [мм] : 265
Количество отверстий : 5
|
|
Тормозной диск
Hi-Q SD4419
Вес [кг] : 4,02
Толщина [мм] : 11
Тип тормозного диска : цельный
Толщина тормозного диска (мм) : 9
Ø фаски [мм] : 114,3
Количество отверстий : 5
Диаметр центрирования [мм] : 72
Наружный диаметр [мм] : 265
|
|
Тормозной диск
ICER 78BD3272-2
Толщина тормозного диска (мм) : 23
Наружный диаметр [мм] : 278
Тип тормозного диска : вентилируемый
Высота [мм] : 48,8
Диаметр центрирования [мм] : 72
Ø фаски [мм] : 114,3
Исполнение оси : Front
Номер технической информации : 78BD3272-2
проверочное значение : E1 90R-02C0074/0229
проверочное значение : E1 90R-02C0370/0033
проверочное значение : E1 90R-02C0452/0118
Диаметр [мм] : 72
Толщина [мм] : 25
Минимальная толщина [мм] : 23
Расположение/число отверстий : 5
|
|
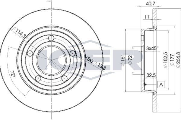
Тормозной диск
ICER 78BD3275-2
Толщина тормозного диска (мм) : 9
Наружный диаметр [мм] : 265
Тип тормозного диска : цельный
Высота [мм] : 41
Диаметр центрирования [мм] : 72
Ø фаски [мм] : 114,3
Исполнение оси : Rear
Номер технической информации : 78BD3275-2
проверочное значение : E1 90R-02C0100/0442
проверочное значение : E1 90R-02C0415/0009
проверочное значение : E4 90R-02C0722/2597
Диаметр [мм] : 72
Толщина [мм] : 11
Минимальная толщина [мм] : 9
Расположение/число отверстий : 5
Вес [кг] : 8 576
|
|
Тормозной диск
JAPANPARTS DI-311C
Сторона установки : передний мост
Ø фаски [мм] : 72
Высота [мм] : 49
Наружный диаметр [мм] : 277,8
Толщина тормозного диска (мм) : 25
Минимальная толщина [мм] : 23
Число отверстий : 5
Тип тормозного диска : вентилируемый
проверочное значение : ECE R90 APPROVED
Поверхность : лакированный
Момент затяжки [Нм] : 103
для оригинального номера : C24Y3325XC9A
|
|
Тормозной диск
JAPANPARTS DP-321C
Сторона установки : Задний мост
Ø фаски [мм] : 72
Высота [мм] : 41,3
Наружный диаметр [мм] : 264,5
Толщина тормозного диска (мм) : 11
Минимальная толщина [мм] : 9
Число отверстий : 5
Тип тормозного диска : цельный
проверочное значение : ECE R90 APPROVED
Поверхность : лакированный
Момент затяжки [Нм] : 103
для оригинального номера : C24Y26251C9A
|
|
Тормозной диск
JAPKO 60311C
Сторона установки : передний мост
Ø фаски [мм] : 72
Высота [мм] : 49
Наружный диаметр [мм] : 277,8
Толщина тормозного диска (мм) : 25
Минимальная толщина [мм] : 23
Число отверстий : 5
Тип тормозного диска : вентилируемый
проверочное значение : ECE R90 APPROVED
Поверхность : лакированный
Момент затяжки [Нм] : 103
для оригинального номера : C24Y3325XC9A
|
|
Тормозной диск
JAPKO 61321C
Сторона установки : Задний мост
Ø фаски [мм] : 72
Высота [мм] : 41,3
Наружный диаметр [мм] : 264,5
Толщина тормозного диска (мм) : 11
Минимальная толщина [мм] : 9
Число отверстий : 5
Тип тормозного диска : цельный
проверочное значение : ECE R90 APPROVED
Поверхность : лакированный
Момент затяжки [Нм] : 103
для оригинального номера : C24Y26251C9A
|
|
Тормозной диск
JP GROUP 3863101300
Тип тормозного диска : вентилируемый
Толщина тормозного диска (мм) : 25
Поверхность : с покрытием
Сторона установки : передний мост
Количество отверстий : 5
Наружный диаметр [мм] : 278
|
|
Тормозной диск
JP GROUP 3863200400
Тип тормозного диска : цельный
Толщина тормозного диска (мм) : 11
Поверхность : с покрытием
Сторона установки : Задний мост
Количество отверстий : 5
Наружный диаметр [мм] : 265
|
|
Тормозной диск
JPN 30H3048-JPN
Тип тормозного диска : вентилируемый
Высота [мм] : 48,5
Толщина тормозного диска (мм) : 25
Размер резьбы : 14
Наружный диаметр [мм] : 278
Количество отверстий : 5
Диаметр центрирования [мм] : 72
Ø фаски [мм] : 114,3
|
|
Тормозной диск
JPN 40H3022-JPN
Тип тормозного диска : цельный
Высота [мм] : 41
Толщина тормозного диска (мм) : 11
Размер резьбы : 13,8
Наружный диаметр [мм] : 265
Количество отверстий : 5
Диаметр центрирования [мм] : 72
Ø фаски [мм] : 114,3
|
|
Тормозной диск
JURATEK MAZ124
Тип тормозного диска : вентилируемый
Наружный диаметр [мм] : 278
Толщина тормозного диска (мм) : 25
Высота [мм] : 49
Ø фаски [мм] : 114
Диаметр центрирования [мм] : 72
Количество крепежных отверстий : 5
парные номера артикулов : JCA1041L
парные номера артикулов : JCA1041R
парные номера артикулов : JCP1594
парные номера артикулов : NKF8444
парные номера артикулов : NKR0163
Поверхность : с покрытием
Вес [кг] : 7,5
Диаметр отверстия [мм] : 13,8
Минимальная толщина [мм] : 23
|
|
Тормозной диск
JURATEK MAZ125
Тип тормозного диска : цельный
Наружный диаметр [мм] : 265
Толщина тормозного диска (мм) : 11
Высота [мм] : 41
Ø фаски [мм] : 114
Диаметр центрирования [мм] : 72
Количество крепежных отверстий : 5
парные номера артикулов : JCA1046L
парные номера артикулов : JCA1046R
парные номера артикулов : JCA1169L
парные номера артикулов : JCA1169R
парные номера артикулов : JCP1766
парные номера артикулов : NKF8445
Поверхность : с покрытием
Вес [кг] : 4,4
Диаметр отверстия [мм] : 13,8
Минимальная толщина [мм] : 9
|
|
Тормозной диск
JURID 562560JC
Тип тормозного диска : цельный
Наружный диаметр [мм] : 265
Толщина тормозного диска (мм) : 11
Дополнительный артикул / дополнительная информация 2 : без винтов
Версия : JC
Высота [мм] : 40,8
Ø фаски [мм] : 114,3
Диаметр центрирования [мм] : 69
Количество отверстий : 5
Количественная единица : комплект
Поверхность : с покрытием
Вес [кг] : 8,27
Минимальная толщина [мм] : 9
Момент затяжки [Нм] : 103
Тип контейнера : Коробка
Длина упаковки [см] : 29,5
Ширина упаковки [см] : 29,5
Высота упаковки [см] : 10
|
|
Тормозной диск
JURID 563028JC
Тип тормозного диска : вентилируемый
Наружный диаметр [мм] : 278
Толщина тормозного диска (мм) : 25
Дополнительный артикул / дополнительная информация 2 : без винтов
Версия : JC
Высота [мм] : 48,5
Ø фаски [мм] : 114,3
Диаметр центрирования [мм] : 72
Количество отверстий : 5
Количественная единица : комплект
Поверхность : с покрытием
проверочное значение : R90 Homologated
Вес [кг] : 14,24
Минимальная толщина [мм] : 23
Момент затяжки [Нм] : 103
Тип контейнера : Коробка
Длина упаковки [см] : 28,5
Ширина упаковки [см] : 28,5
Высота упаковки [см] : 11
|
|
Тормозной диск
KAMOKA 103179
Сторона установки : Задний мост
Тип тормозного диска : цельный
Толщина тормозного диска (мм) : 11
Ø фаски [мм] : 114
Количество отверстий : 5
Высота [мм] : 41
Диаметр центрирования [мм] : 72
Поверхность : с покрытием
Наружный диаметр [мм] : 265
|
|
Тормозной диск
Kavo Parts BR-4762-C
проверочное значение : R90
Высота [мм] : 48,5
Тип тормозного диска : вентилируемый
Толщина тормозного диска (мм) : 25
Наружный диаметр [мм] : 278
Количество отверстий : 5
Диаметр центрирования [мм] : 72
Ø фаски [мм] : 114,3
Поверхность : с покрытием
|
|
Тормозной диск
Kavo Parts BR-4763-C
проверочное значение : R90
Высота [мм] : 41
Тип тормозного диска : цельный
Толщина тормозного диска (мм) : 11
Наружный диаметр [мм] : 265
Количество отверстий : 5
Диаметр центрирования [мм] : 72
Ø фаски [мм] : 114
Поверхность : с покрытием
|
|
Тормозной диск
KAWE 6671 10
Диаметр [мм] : 277,9
Сторона установки : передний мост
Вес [кг] : 7,06
Тип тормозного диска : вентилируемый
Минимальная толщина [мм] : 23
Толщина тормозного диска (мм) : 25
Количество отверстий : 5
проверочное значение : K.B.A.: 61209
Высота [мм] : 48,5
Диаметр центрирования [мм] : 72
Наружный диаметр [мм] : 278
|
|
Тормозной диск
KAWE 6906 00
Диаметр [мм] : 264,8
Сторона установки : Задний мост
Вес [кг] : 4,02
Тип тормозного диска : цельный
Минимальная толщина [мм] : 9
Толщина тормозного диска (мм) : 11
Количество отверстий : 5
проверочное значение : K.B.A.: 61210
Высота [мм] : 40,8
Диаметр центрирования [мм] : 72
Наружный диаметр [мм] : 265
|
|
Тормозной диск
KEY PARTS KBD4448
Тип тормозного диска : цельный
Наружный диаметр [мм] : 265
Толщина тормозного диска (мм) : 11
Высота [мм] : 41
Диаметр центрирования [мм] : 72
Количество отверстий : 5
Количественная единица : комплект
Поверхность : без покрытия
проверочное значение : ECE R90 Homologated
Минимальная толщина [мм] : 9
|
|
Тормозной диск
KRAFT Automotive 6043690
Тип тормозного диска : вентилируемый
Сторона установки : передний мост
Толщина тормозного диска (мм) : 25
Наружный диаметр [мм] : 278
Диаметр [мм] : 277,9
Количество отверстий : 5
Номер продукции : K6043690
|
|
Тормозной диск
KRAFT Automotive 6053600
Тип тормозного диска : цельный
Сторона установки : Задний мост
Толщина тормозного диска (мм) : 11
Наружный диаметр [мм] : 265
Диаметр [мм] : 264,8
Количество отверстий : 5
Номер продукции : K6053600
|
|
Тормозной диск
LPR M5003V
Диаметр центрирования [мм] : 72
Высота [мм] : 48,7
Тип тормозного диска : вентилируемый
Толщина тормозного диска (мм) : 25
Минимальная толщина [мм] : 23
Наружный диаметр [мм] : 278
Количество отверстий : 5
|
|
Тормозной диск
LPR M5003VR
Высота [мм] : 48,7
Тип тормозного диска : вентилируемый
Толщина тормозного диска (мм) : 25
Наружный диаметр [мм] : 278
Диаметр центрирования [мм] : 72
Минимальная толщина [мм] : 23
Количество отверстий : 5
Поверхность : с покрытием
|
|
Тормозной диск
LPR M5004P
Наружный диаметр [мм] : 265
Количество отверстий : 5
Диаметр центрирования [мм] : 72
Толщина тормозного диска (мм) : 11
Высота [мм] : 40,8
Тип тормозного диска : цельный
Минимальная толщина [мм] : 9
|
|
Тормозной диск
LPR M5004PR
Диаметр центрирования [мм] : 72
Минимальная толщина [мм] : 9
Наружный диаметр [мм] : 265
Высота [мм] : 40,8
Поверхность : с покрытием
Тип тормозного диска : цельный
Количество отверстий : 5
Толщина тормозного диска (мм) : 11
|
|
Тормозной диск
LYNXAUTO BN-1065
Сторона установки : Задний мост
Наружный диаметр [мм] : 265
Толщина тормозного диска (мм) : 11
Минимальная толщина [мм] : 9
Диаметр центрирования [мм] : 72
Высота [мм] : 41
Внутренний диаметр : 152
Количество отверстий : 5
Ø фаски [мм] : 114,3
Тип тормозного диска : цельный
|
|
Тормозной диск
LYNXAUTO BN-1071
Сторона установки : передний мост
Наружный диаметр [мм] : 278
Толщина тормозного диска (мм) : 25
Минимальная толщина [мм] : 23
Диаметр центрирования [мм] : 72
Высота [мм] : 48,5
Внутренний диаметр : 140
Количество отверстий : 5
Ø фаски [мм] : 114,3
Тип тормозного диска : вентилируемый
|
|
Тормозной диск
MAGNETI MARELLI 360406056700
Обработка : Высокоуглеродистый
Тип тормозного диска : вентилируемый
Диаметр [мм] : 278
Высота [мм] : 48,5
Минимальная толщина [мм] : 23
Количество отверстий : 5
Ø фаски [мм] : 72
Момент затяжки [Нм] : 103
Толщина тормозного диска (мм) : 25
Наружный диаметр [мм] : 278
|
|
Тормозной диск
MAGNETI MARELLI 360406060100
Тип тормозного диска : цельный
Диаметр [мм] : 265
Высота [мм] : 40,7
Минимальная толщина [мм] : 9
Количество отверстий : 5
Ø фаски [мм] : 72
Момент затяжки [Нм] : 103
Толщина тормозного диска (мм) : 11
Наружный диаметр [мм] : 265
|
|
Тормозной диск
MANDO MBC035096
Сторона установки : передний мост
Тип тормозного диска : вентилируемый
Толщина тормозного диска (мм) : 25
Количество отверстий : 5
Высота [мм] : 48,5
Диаметр центрирования [мм] : 72
Наружный диаметр [мм] : 278
|
|
Тормозной диск
MANDO MBC035565
Сторона установки : Задний мост
Тип тормозного диска : цельный
Толщина тормозного диска (мм) : 11
Минимальная толщина [мм] : 9
Количество отверстий : 5
проверочное значение : E1 90R-02C0100/0442
Высота [мм] : 40,8
Диаметр центрирования [мм] : 72
Наружный диаметр [мм] : 265
|
|
Тормозной диск
MAPCO 25577
Наружный диаметр [мм] : 264,6
Тип тормозного диска : цельный
Количество отверстий : 5
Толщина тормозного диска (мм) : 10,9
Высота [мм] : 41,5
Внутренний диаметр : 152,3
Ø фаски [мм] : 114,3
Диаметр ступицы [мм] : 72
|
|
Тормозной диск
MAXGEAR 19-1011
Сторона установки : Задний мост
Тип тормозного диска : цельный
Наружный диаметр [мм] : 265
Толщина тормозного диска (мм) : 11
Высота [мм] : 41
Ø фаски [мм] : 114
Диаметр центрирования [мм] : 72
Количество отверстий : 5
Минимальная толщина [мм] : 9
|
|
Тормозной диск
MAXGEAR 19-1011MAX
Тип тормозного диска : цельный
Наружный диаметр [мм] : 265
Толщина тормозного диска (мм) : 11
Высота [мм] : 41
Ø фаски [мм] : 114
Диаметр центрирования [мм] : 72
Количество отверстий : 5
Поверхность : лакированный
Минимальная толщина [мм] : 9
|
|
Тормозной диск
MAXGEAR 19-1011SPORT
Тип тормозного диска : цельный
Тип тормозного диска : с прорезями / перфорированный
Наружный диаметр [мм] : 265
Толщина тормозного диска (мм) : 11
Высота [мм] : 41
Ø фаски [мм] : 114
Диаметр центрирования [мм] : 72
Количество отверстий : 5
Поверхность : лакированный
Минимальная толщина [мм] : 9
|
|
Тормозной диск
MAXGEAR 19-1012
Сторона установки : передний мост
Тип тормозного диска : вентилируемый
Наружный диаметр [мм] : 278
Толщина тормозного диска (мм) : 25
Высота [мм] : 48,5
Ø фаски [мм] : 114
Диаметр центрирования [мм] : 72
Количество отверстий : 5
Минимальная толщина [мм] : 23
|
|
Тормозной диск
MAXGEAR 19-1012MAX
Тип тормозного диска : вентилируемый
Наружный диаметр [мм] : 278
Толщина тормозного диска (мм) : 25
Высота [мм] : 48,5
Ø фаски [мм] : 114
Диаметр центрирования [мм] : 72
Количество отверстий : 5
Поверхность : лакированный
Минимальная толщина [мм] : 23
|
|
Тормозной диск
MAXGEAR 19-1012SPORT
Тип тормозного диска : вентилируемый
Тип тормозного диска : с прорезями / перфорированный
Наружный диаметр [мм] : 278
Толщина тормозного диска (мм) : 25
Высота [мм] : 48,5
Ø фаски [мм] : 114
Диаметр центрирования [мм] : 72
Количество отверстий : 5
Поверхность : лакированный
Минимальная толщина [мм] : 23
|
|
Тормозной диск
METELLI 23-0729C
проверочное значение : ECE-R90
Высота [мм] : 48,5
Тип тормозного диска : вентилируемый
Толщина тормозного диска (мм) : 25
Наружный диаметр [мм] : 278
Количество отверстий : 5
Диаметр центрирования [мм] : 72
Поверхность : лакированный
|
|
Тормозной диск
METELLI 23-0738C
проверочное значение : ECE-R90
Высота [мм] : 40,8
Тип тормозного диска : цельный
Толщина тормозного диска (мм) : 11
Наружный диаметр [мм] : 265
Количество отверстий : 5
Диаметр центрирования [мм] : 72
Поверхность : лакированный
|
|
Тормозной диск
MILES K010162
Сторона установки : сзади
Количество отверстий : 5
Тип тормозного диска : цельный
Наружный диаметр [мм] : 264,8
Высота [мм] : 40,8
Диаметр центрирования [мм] : 72
Ø фаски [мм] : 114,3
Диаметр отверстия под шпильку колеса [мм] : 13,8
Толщина тормозного диска (мм) : 11
Минимальная толщина [мм] : 9
|
|
Тормозной диск
MILES K210162
Сторона установки : сзади
Количество отверстий : 5
Тип тормозного диска : цельный
Наружный диаметр [мм] : 264,8
Высота [мм] : 40,8
Диаметр центрирования [мм] : 72
Ø фаски [мм] : 114,3
Диаметр отверстия под шпильку колеса [мм] : 13,8
Толщина тормозного диска (мм) : 11
Минимальная толщина [мм] : 9
Поверхность : с покрытием
|
|
Тормозной диск
MILES K000163
Сторона установки : спереди
Количество отверстий : 5
Тип тормозного диска : вентилируемый
Наружный диаметр [мм] : 277,9
Высота [мм] : 48,5
Диаметр центрирования [мм] : 72
Ø фаски [мм] : 114,3
Диаметр отверстия под шпильку колеса [мм] : 13,8
Толщина тормозного диска (мм) : 25
Минимальная толщина [мм] : 23
|
|
Тормозной диск
MILES K200163
Сторона установки : спереди
Количество отверстий : 5
Тип тормозного диска : вентилируемый
Наружный диаметр [мм] : 277,9
Высота [мм] : 48,5
Диаметр центрирования [мм] : 72
Ø фаски [мм] : 114,3
Диаметр отверстия под шпильку колеса [мм] : 13,8
Толщина тормозного диска (мм) : 25
Минимальная толщина [мм] : 23
Поверхность : с покрытием
|
|
Тормозной диск
MINTEX MDC1691
Тип тормозного диска : вентилируемый
Наружный диаметр [мм] : 278
Толщина тормозного диска (мм) : 25
Высота [мм] : 48,5
Минимальная толщина [мм] : 23
Внутренний диаметр : 140
Ø фаски [мм] : 114,3
Диаметр центрирования [мм] : 72
Расположение/число отверстий : 05/05
Диаметр отверстия под шпильку колеса [мм] : 13,8
Дополнительный артикул / дополнительная информация 2 : без ступицы
Дополнительный артикул / дополнительная информация 2 : без колесного подшипника
Дополнительный артикул / дополнительная информация 2 : без колесной крепящей оси
Длина упаковки [см] : 30,8
Ширина упаковки [см] : 30,8
Высота упаковки [см] : 12,7
Вес [кг] : 7,1
|
|
Тормозной диск
MINTEX MDC1908
Тип тормозного диска : цельный
Наружный диаметр [мм] : 265
Толщина тормозного диска (мм) : 11
Высота [мм] : 40,8
Минимальная толщина [мм] : 9
Внутренний диаметр : 152
Ø фаски [мм] : 114,3
Диаметр центрирования [мм] : 72
Расположение/число отверстий : 05/05
Диаметр отверстия под шпильку колеса [мм] : 13,8
Дополнительный артикул / дополнительная информация 2 : без ступицы
Дополнительный артикул / дополнительная информация 2 : без колесного подшипника
Дополнительный артикул / дополнительная информация 2 : без колесной крепящей оси
Длина упаковки [см] : 27,8
Ширина упаковки [см] : 27,8
Высота упаковки [см] : 10,5
Вес [кг] : 4,1
|
|
Тормозной диск
MOTAQUIP LVBE373Z
Тип тормозного диска : вентилируемый
Наружный диаметр [мм] : 278
Толщина тормозного диска (мм) : 25
Высота [мм] : 48,5
Диаметр центрирования [мм] : 72
Количество отверстий : 5
Поверхность : с покрытием
Вес [кг] : 7,25
Минимальная толщина [мм] : 23
|
|
Тормозной диск
MOTAQUIP LVBE374Z
Тип тормозного диска : цельный
Наружный диаметр [мм] : 265
Толщина тормозного диска (мм) : 10,9
Высота [мм] : 40,7
Ø фаски [мм] : 114,3
Диаметр центрирования [мм] : 72
Количество отверстий : 5
Поверхность : с покрытием
Вес [кг] : 4,35
Минимальная толщина [мм] : 9
|
|
Тормозной диск
National NBD1320
Тип тормозного диска : вентилируемый
Наружный диаметр [мм] : 278
Толщина тормозного диска (мм) : 25
Высота [мм] : 48
Ø фаски [мм] : 114
Диаметр центрирования [мм] : 72
Количество отверстий : 5
|
|
Тормозной диск
National NBD1512
Тип тормозного диска : цельный
Наружный диаметр [мм] : 265
Толщина тормозного диска (мм) : 11
Высота [мм] : 41
Ø фаски [мм] : 114
Диаметр центрирования [мм] : 72
Количество отверстий : 5
|
|
Тормозной диск
NiBK RN1193
Сторона установки : передний мост
Тип тормозного диска : вентилируемый
Наружный диаметр [мм] : 278
Толщина тормозного диска (мм) : 25
Минимальная толщина [мм] : 23,4
Количество отверстий : 5
Ø фаски [мм] : 114,3
Высота [мм] : 49
Диаметр центрирования [мм] : 72
Внутренний диаметр : 140
|
|
Тормозной диск
NiBK RN1369
Сторона установки : Задний мост
Тип тормозного диска : цельный
Наружный диаметр [мм] : 265
Толщина тормозного диска (мм) : 11
Минимальная толщина [мм] : 9,5
Количество отверстий : 5
Ø фаски [мм] : 114,3
Высота [мм] : 41
Диаметр центрирования [мм] : 72
Внутренний диаметр : 152
|
|
Тормозной диск
NIPPARTS J3303083
Сторона установки : передний мост
Тип тормозного диска : вентилируемый
Толщина тормозного диска (мм) : 25
Наружный диаметр [мм] : 278
Высота [мм] : 48,5
Количество отверстий : 5
Диаметр центрирования [мм] : 72
Ø фаски [мм] : 114,3
Диаметр ступицы колеса [мм] : 149
Минимальная толщина [мм] : 23
|
|
Тормозной диск
NIPPARTS J3303083HC
Тип тормозного диска : вентилируемый
Толщина тормозного диска (мм) : 25
Наружный диаметр [мм] : 278
Высота [мм] : 48
Обработка : Высокоуглеродистый
Количество отверстий : 5
Диаметр центрирования [мм] : 72
Ø фаски [мм] : 114,3
Диаметр ступицы колеса [мм] : 149
Минимальная толщина [мм] : 23
|
|
Тормозной диск
NIPPARTS J3313031
Сторона установки : Задний мост
Тип тормозного диска : цельный
Толщина тормозного диска (мм) : 11
Наружный диаметр [мм] : 265
Высота [мм] : 40,8
Количество отверстий : 5
Диаметр центрирования [мм] : 72
Ø фаски [мм] : 114,3
Диаметр ступицы колеса [мм] : 163,4
Минимальная толщина [мм] : 9
|
|
Тормозной диск
NK 203251
Наружный диаметр [мм] : 278
Толщина тормозного диска (мм) : 25
Минимальная толщина [мм] : 23
Высота [мм] : 49
Число отверстий в диске колеса : 5
Тип тормозного диска : вентилируемый
Диаметр центрирования [мм] : 72
Поверхность : промасленный
Вес нетто [кг] : 7,06
|
|
Тормозной диск
NK 313251
Наружный диаметр [мм] : 278
Толщина тормозного диска (мм) : 25
Минимальная толщина [мм] : 23
Высота [мм] : 49
Число отверстий в диске колеса : 5
Тип тормозного диска : вентилируемый
Диаметр центрирования [мм] : 72
Поверхность : с покрытием
Вес нетто [кг] : 7,06
|
|
Тормозной диск
NK 203250
Наружный диаметр [мм] : 265
Толщина тормозного диска (мм) : 11
Минимальная толщина [мм] : 9
Высота [мм] : 41
Число отверстий в диске колеса : 5
Тип тормозного диска : цельный
Диаметр центрирования [мм] : 72
Поверхность : промасленный
Вес нетто [кг] : 4,02
|
|
Тормозной диск
NK 313250
Наружный диаметр [мм] : 265
Толщина тормозного диска (мм) : 11
Минимальная толщина [мм] : 9
Высота [мм] : 41
Число отверстий в диске колеса : 5
Тип тормозного диска : цельный
Диаметр центрирования [мм] : 72
Поверхность : с покрытием
Вес нетто [кг] : 4,02
|
|
Тормозной диск
NPS M330A18
Спецификация : Qte packaging: 1
Сторона установки : передний мост
проверочное значение : E1 90R-02C0074/0229
Количество частей [част.] : 1
Наружный диаметр [мм] : 277
Количество отверстий : 5
Тип тормозного диска : вентилируемый
Высота [мм] : 48,7
Толщина тормозного диска (мм) : 25
Минимальная толщина [мм] : 23
Ø фаски [мм] : 72
Диаметр центрирования [мм] : 72
|
|
Тормозной диск
NPS M331A25
Спецификация : Qte packaging: 1
Сторона установки : Задний мост
проверочное значение : E1 90R-02C0100/0442
Количество частей [част.] : 1
Внутренний диаметр : 72
Толщина тормозного диска (мм) : 11
Количество крепежных отверстий : 5
Количество отверстий : 5
Тип тормозного диска : цельный
Высота [мм] : 41
Наружный диаметр [мм] : 265
Минимальная толщина [мм] : 9
Ø фаски [мм] : 72
Диаметр центрирования [мм] : 72
|
|
Тормозной диск
Omnicraft 2134467
Высота [мм] : 49
Тип тормозного диска : вентилируемый
Толщина тормозного диска (мм) : 25
Минимальная толщина [мм] : 23
Обработка : Высокоуглеродистый
Наружный диаметр [мм] : 278
Количество отверстий : 5
Диаметр центрирования [мм] : 72
Момент затяжки [Нм] : 103
Поверхность : с покрытием
|
|
Тормозной диск
Open Parts BDA2024.10
Тип тормозного диска : цельный
Наружный диаметр [мм] : 265
Высота [мм] : 41
Толщина тормозного диска (мм) : 11
Диаметр центрирования [мм] : 72
Количество отверстий : 5
Минимальная толщина [мм] : 9
|
|
Тормозной диск
Open Parts BDA2142.20
Тип тормозного диска : вентилируемый
Наружный диаметр [мм] : 278
Высота [мм] : 49
Толщина тормозного диска (мм) : 25
Диаметр центрирования [мм] : 72
Количество отверстий : 5
Минимальная толщина [мм] : 23
|
|
Тормозной диск
Open Parts BDR2024.10
Тип тормозного диска : цельный
Поверхность : лакированный
Наружный диаметр [мм] : 265
Высота [мм] : 41
Толщина тормозного диска (мм) : 11
Диаметр центрирования [мм] : 72
Количество отверстий : 5
Минимальная толщина [мм] : 9
|
|
Тормозной диск
Open Parts BDR2142.20
Тип тормозного диска : вентилируемый
Поверхность : лакированный
Наружный диаметр [мм] : 278
Высота [мм] : 49
Толщина тормозного диска (мм) : 25
Диаметр центрирования [мм] : 72
Количество отверстий : 5
Минимальная толщина [мм] : 23
|
|
Тормозной диск
Open Parts BDRS2142.25
Поверхность : лакированный
Тип тормозного диска : перфорированный / вентилируемый
Наружный диаметр [мм] : 278
Высота [мм] : 49
Толщина тормозного диска (мм) : 25
Диаметр центрирования [мм] : 72
Количество отверстий : 5
Минимальная толщина [мм] : 23
|
|
Тормозной диск
OPTIMAL BS-7746
Сторона установки : передний мост
Тип тормозного диска : вентилируемый
Толщина тормозного диска (мм) : 25
Наружный диаметр [мм] : 278
Высота [мм] : 48,5
Диаметр центрирования [мм] : 72
Минимальная толщина [мм] : 23
Расположение/число отверстий : 5/5
|
|
Тормозной диск
OPTIMAL BS-7746C
Сторона установки : передний мост
Тип тормозного диска : вентилируемый
Толщина тормозного диска (мм) : 25
Наружный диаметр [мм] : 278
Высота [мм] : 48,5
Диаметр центрирования [мм] : 72
Поверхность : с покрытием
Минимальная толщина [мм] : 23
Расположение/число отверстий : 5/5
|
|
Тормозной диск
OPTIMAL BS-7760C
Сторона установки : Задний мост
Тип тормозного диска : цельный
Толщина тормозного диска (мм) : 11
Наружный диаметр [мм] : 265
Высота [мм] : 41
Диаметр центрирования [мм] : 72
Поверхность : с покрытием
Минимальная толщина [мм] : 9
Расположение/число отверстий : 5/5
|
|
Тормозной диск
OSSCA 28992
Сторона установки : Задний мост
Тип тормозного диска : вентилируемый
Толщина тормозного диска (мм) : 11
Высота [мм] : 41
Наружный диаметр [мм] : 265
|
|
Тормозной диск
OSSCA 70677
Сторона установки : спереди
Тип тормозного диска : цельный
Толщина тормозного диска (мм) : 25
Высота [мм] : 49
Наружный диаметр [мм] : 278
|
|
Тормозной диск
OSSCA 70680
Сторона установки : сзади
Тип тормозного диска : цельный
Толщина тормозного диска (мм) : 11
Высота [мм] : 41
Наружный диаметр [мм] : 265
|
|
Тормозной диск
Oyodo 30H3065-OYO
Сторона установки : передний мост
Тип тормозного диска : вентилируемый
Высота [мм] : 48,4
Толщина тормозного диска (мм) : 25
Наружный диаметр [мм] : 278
Количество отверстий : 5
|
|
Тормозной диск
PAGID 54303NC
Тип тормозного диска : вентилируемый
Наружный диаметр [мм] : 278
Толщина тормозного диска (мм) : 25
Высота [мм] : 48,5
Минимальная толщина [мм] : 23
Поверхность : с покрытием
Внутренний диаметр : 140
Ø фаски [мм] : 114,3
Диаметр центрирования [мм] : 72
Расположение/число отверстий : 05/05
Диаметр отверстия под шпильку колеса [мм] : 13,8
Дополнительный артикул / дополнительная информация 2 : без ступицы
Дополнительный артикул / дополнительная информация 2 : без колесного подшипника
Дополнительный артикул / дополнительная информация 2 : без колесной крепящей оси
Длина упаковки [см] : 29,3
Ширина упаковки [см] : 29,3
Высота упаковки [см] : 6,5
Вес [кг] : 7,1
|
|
Тормозной диск
PAGID 54305N
Тип тормозного диска : цельный
Наружный диаметр [мм] : 265
Толщина тормозного диска (мм) : 11
Высота [мм] : 40,8
Минимальная толщина [мм] : 9
Внутренний диаметр : 152
Ø фаски [мм] : 114,3
Диаметр центрирования [мм] : 72
Расположение/число отверстий : 05/05
Диаметр отверстия под шпильку колеса [мм] : 13,8
Дополнительный артикул / дополнительная информация 2 : без ступицы
Дополнительный артикул / дополнительная информация 2 : без колесного подшипника
Дополнительный артикул / дополнительная информация 2 : без колесной крепящей оси
Длина упаковки [см] : 27,8
Ширина упаковки [см] : 27,8
Высота упаковки [см] : 8,4
Вес [кг] : 4,1
|
|
Тормозной диск
PILENGA V522
Сторона установки : передний мост
Тип тормозного диска : вентилируемый
Минимальная толщина [мм] : 23
Толщина тормозного диска (мм) : 25
Количество отверстий 1 : 5
Внутренний диаметр : 140
Высота [мм] : 48,5
Обработка : Высокоуглеродистый
Диаметр центрирования [мм] : 72
Наружный диаметр [мм] : 278
|
|
Тормозной диск
ProfiPower 3B1062
Тип тормозного диска : вентилируемый
Высота [мм] : 48,5
Толщина тормозного диска (мм) : 25
Размер резьбы : 14
Минимальная толщина [мм] : 23
Наружный диаметр [мм] : 278
Количество отверстий : 5
Диаметр центрирования [мм] : 72
Ø фаски [мм] : 114,3
|
|
Тормозной диск
ProfiPower 3B2049
Тип тормозного диска : цельный
Высота [мм] : 41
Толщина тормозного диска (мм) : 11
Размер резьбы : 13,8
Минимальная толщина [мм] : 9
Наружный диаметр [мм] : 265
Количество отверстий : 5
Диаметр центрирования [мм] : 72
Ø фаски [мм] : 114,3
|
|
Тормозной диск
PROFIT 5010-1311
Сторона установки : передний мост
Диаметр [мм] : 278
Тип тормозного диска : вентилируемый
Толщина тормозного диска (мм) : 25
Минимальная толщина [мм] : 23
Количество отверстий : 5
Высота [мм] : 48,5
Диаметр центрирования [мм] : 72
Наружный диаметр [мм] : 278
|
|
Тормозной диск
PROFIT 5010-1420
Сторона установки : Задний мост
Диаметр [мм] : 265
Тип тормозного диска : цельный
Толщина тормозного диска (мм) : 11
Минимальная толщина [мм] : 9
Количество отверстий : 5
Высота [мм] : 40,8
Диаметр центрирования [мм] : 69
Наружный диаметр [мм] : 265
|
|
Тормозной диск
QUARO QD3795
Тип тормозного диска : цельный
Наружный диаметр [мм] : 265
Толщина тормозного диска (мм) : 11
Дополнительный артикул / дополнительная информация 2 : без ступицы
Дополнительный артикул / дополнительная информация 2 : без колесной крепящей оси
Высота [мм] : 40,8
Ø фаски [мм] : 114
Диаметр центрирования [мм] : 72
Количество отверстий : 5
Минимальная толщина [мм] : 9
|
|
Тормозной диск
QUARO QD4348
Тип тормозного диска : вентилируемый
Наружный диаметр [мм] : 278
Толщина тормозного диска (мм) : 25
Дополнительный артикул / дополнительная информация 2 : без ступицы
Дополнительный артикул / дополнительная информация 2 : без колесной крепящей оси
Высота [мм] : 48,5
Ø фаски [мм] : 114
Диаметр центрирования [мм] : 72
Количество отверстий : 5
Поверхность : лакированный
Минимальная толщина [мм] : 23
|
|
Тормозной диск
QUARO QD4348HC
Тип тормозного диска : вентилируемый
Наружный диаметр [мм] : 278
Толщина тормозного диска (мм) : 25
Дополнительный артикул / дополнительная информация 2 : без ступицы
Дополнительный артикул / дополнительная информация 2 : без колесной крепящей оси
Высота [мм] : 48,5
Ø фаски [мм] : 114
Диаметр центрирования [мм] : 72
Количество отверстий : 5
Обработка : Высокоуглеродистый
Поверхность : лакированный
Минимальная толщина [мм] : 23
|
|
Тормозной диск
QUINTON HAZELL BDC5490
Тип тормозного диска : вентилируемый
Наружный диаметр [мм] : 278
Толщина тормозного диска (мм) : 25
Минимальная толщина [мм] : 23
Высота [мм] : 48,5
Диаметр центрирования [мм] : 72
Ø фаски [мм] : 114
Количество отверстий : 5
|
|
Тормозной диск
QUINTON HAZELL BDC5491
Тип тормозного диска : цельный
Наружный диаметр [мм] : 265
Толщина тормозного диска (мм) : 11
Минимальная толщина [мм] : 9
Высота [мм] : 40,8
Диаметр центрирования [мм] : 72
Ø фаски [мм] : 114
Количество отверстий : 5
|
|
Тормозной диск
R BRAKE 78RBD23272
Толщина тормозного диска (мм) : 23
Наружный диаметр [мм] : 278
Тип тормозного диска : вентилируемый
Высота [мм] : 48,8
Диаметр центрирования [мм] : 72
Ø фаски [мм] : 114,3
Исполнение оси : Front
Номер технической информации : 78BD3272-2
проверочное значение : E1 90R-02C0074/0229
проверочное значение : E1 90R-02C0370/0033
проверочное значение : E1 90R-02C0452/0118
Диаметр [мм] : 72
Толщина [мм] : 25
Минимальная толщина [мм] : 23
Расположение/число отверстий : 5
|
|
Тормозной диск
R BRAKE 78RBD23275
Толщина тормозного диска (мм) : 9
Наружный диаметр [мм] : 265
Тип тормозного диска : цельный
Высота [мм] : 41
Диаметр центрирования [мм] : 72
Ø фаски [мм] : 114,3
Исполнение оси : Rear
Номер технической информации : 78BD3275-2
проверочное значение : E1 90R-02C0100/0442
проверочное значение : E1 90R-02C0415/0009
проверочное значение : E4 90R-02C0722/2597
Диаметр [мм] : 72
Толщина [мм] : 11
Минимальная толщина [мм] : 9
Расположение/число отверстий : 5
Вес [кг] : 8 576
|
|
Тормозной диск
RAICAM RD00408
Высота [мм] : 41
Наружный диаметр [мм] : 265
Вес [кг] : 4,1
Диаметр центрирования [мм] : 69
Тип тормозного диска : цельный
выполняет нормы ЕЭК : E1
Число отверстий в диске колеса : 5
Толщина тормозного диска (мм) : 11
Сторона установки : Задний мост
Минимальная толщина [мм] : 9
|
|
Тормозной диск
RAICAM RD00409
Сторона установки : передний мост
Минимальная толщина [мм] : 23
Высота [мм] : 49
Наружный диаметр [мм] : 276
Вес [кг] : 7,1
Диаметр центрирования [мм] : 69
Тип тормозного диска : вентилируемый
выполняет нормы ЕЭК : E1
Число отверстий в диске колеса : 5
Толщина тормозного диска (мм) : 25
|
|
Тормозной диск
REMSA 6671.10
проверочное значение : K.B.A.: 61209
Сторона установки : передний мост
Диаметр [мм] : 277,9
Высота [мм] : 48,5
Тип тормозного диска : вентилируемый
Толщина тормозного диска (мм) : 25
Минимальная толщина [мм] : 23
Количество отверстий : 5
Диаметр центрирования [мм] : 72
Вес [кг] : 7,06
Наружный диаметр [мм] : 278
|
|
Тормозной диск
REMSA 6906.00
проверочное значение : K.B.A.: 61210
Сторона установки : Задний мост
Диаметр [мм] : 264,8
Высота [мм] : 40,8
Тип тормозного диска : цельный
Толщина тормозного диска (мм) : 11
Минимальная толщина [мм] : 9
Количество отверстий : 5
Диаметр центрирования [мм] : 72
Вес [кг] : 4,02
Наружный диаметр [мм] : 265
|
|
Тормозной диск
RIDEX 82B0088
Толщина тормозного диска (мм) : 11
Тип тормозного диска : цельный
Наружный диаметр [мм] : 265
Высота [мм] : 40,8
Расположение/число отверстий : 05/05
Ø фаски [мм] : 114,3
Диаметр центрирования [мм] : 72
Дополнительный артикул / дополнительная информация 2 : без ступицы
Дополнительный артикул / дополнительная информация 2 : без колесной крепящей оси
Внутренний диаметр : 152
Тип тормоза : Дисковой тормозной механизм
Поверхность : без покрытия
|
|
Тормозной диск
RIDEX 82B0108
Толщина тормозного диска (мм) : 25
Наружный диаметр [мм] : 278
Минимальная толщина [мм] : 23
Высота [мм] : 48,5
Расположение/число отверстий : 05/05
Ø фаски [мм] : 114,3
Диаметр центрирования [мм] : 72
Дополнительный артикул / дополнительная информация 2 : без ступицы
Дополнительный артикул / дополнительная информация 2 : без колесной крепящей оси
Внутренний диаметр : 140
Диаметр отверстия под шпильку колеса [мм] : 14
Поверхность : без покрытия
Тип тормозного диска : вентилируемый
|
|
Тормозной диск
ROADHOUSE 6671.10
проверочное значение : K.B.A.: 61209
Вес [кг] : 7,06
Сторона установки : передний мост
Диаметр [мм] : 277,9
Толщина тормозного диска (мм) : 25
Минимальная толщина [мм] : 23
Высота [мм] : 48,5
Диаметр центрирования [мм] : 72
Количество отверстий : 5
Тип тормозного диска : вентилируемый
Наружный диаметр [мм] : 278
|
|
Тормозной диск
ROADHOUSE 6906.00
проверочное значение : K.B.A.: 61210
Вес [кг] : 4,02
Сторона установки : Задний мост
Диаметр [мм] : 264,8
Толщина тормозного диска (мм) : 11
Минимальная толщина [мм] : 9
Высота [мм] : 40,8
Диаметр центрирования [мм] : 72
Количество отверстий : 5
Тип тормозного диска : цельный
Наружный диаметр [мм] : 265
|
|
Тормозной диск
ROTINGER RT 1437
Тип тормозного диска : цельный
Сторона установки : Задний мост
Наружный диаметр [мм] : 264,8
Внутренний диаметр : 152
Диаметр центрирования [мм] : 72
Высота [мм] : 40,8
Толщина тормозного диска (мм) : 11
Минимальная толщина [мм] : 9
Количество отверстий : 5
Размер резьбы : 14
Вес [кг] : 4
Ø фаски [мм] : 114,3
|
|
Тормозной диск
ROTINGER RT 1437-GL
Тип тормозного диска : цельный
Поверхность : с гальваническим покрытием
Сторона установки : Задний мост
Наружный диаметр [мм] : 264,8
Внутренний диаметр : 152
Диаметр центрирования [мм] : 72
Высота [мм] : 40,8
Толщина тормозного диска (мм) : 11
Минимальная толщина [мм] : 9
Количество отверстий : 5
Размер резьбы : 14
Вес [кг] : 4
Ø фаски [мм] : 114,3
|
|
Тормозной диск
ROTINGER RT 1437-GL T3
Тип тормозного диска : цельный
Тип тормозного диска : перфорированный
Поверхность : с гальваническим покрытием
Сторона установки : Задний мост
Наружный диаметр [мм] : 264,8
Внутренний диаметр : 152
Диаметр центрирования [мм] : 72
Высота [мм] : 40,8
Толщина тормозного диска (мм) : 11
Минимальная толщина [мм] : 9
Количество отверстий : 5
Размер резьбы : 14
Вес [кг] : 4
Ø фаски [мм] : 114,3
|
|
Тормозной диск
ROTINGER RT 1437-GL T5
Тип тормозного диска : цельный
Тип тормозного диска : перфорированный
Поверхность : с гальваническим покрытием
Сторона установки : Задний мост
Наружный диаметр [мм] : 264,8
Внутренний диаметр : 152
Диаметр центрирования [мм] : 72
Высота [мм] : 40,8
Толщина тормозного диска (мм) : 11
Минимальная толщина [мм] : 9
Количество отверстий : 5
Размер резьбы : 14
Вес [кг] : 4
Ø фаски [мм] : 114,3
|
|
Тормозной диск
ROTINGER RT 1437-GL T6
Тип тормозного диска : цельный
Поверхность : с гальваническим покрытием
Сторона установки : Задний мост
Наружный диаметр [мм] : 264,8
Внутренний диаметр : 152
Диаметр центрирования [мм] : 72
Высота [мм] : 40,8
Толщина тормозного диска (мм) : 11
Минимальная толщина [мм] : 9
Количество отверстий : 5
Размер резьбы : 14
Вес [кг] : 4
Ø фаски [мм] : 114,3
|
|
Тормозной диск
ROTINGER RT 1437-GL T9
Тип тормозного диска : цельный
Поверхность : с гальваническим покрытием
Сторона установки : Задний мост
Наружный диаметр [мм] : 264,8
Внутренний диаметр : 152
Диаметр центрирования [мм] : 72
Высота [мм] : 40,8
Толщина тормозного диска (мм) : 11
Минимальная толщина [мм] : 9
Количество отверстий : 5
Размер резьбы : 14
Вес [кг] : 4
Ø фаски [мм] : 114,3
|
|
Тормозной диск
ROTINGER RT 2877
Тип тормозного диска : вентилируемый
Сторона установки : передний мост
Наружный диаметр [мм] : 278
Внутренний диаметр : 139,9
Диаметр центрирования [мм] : 72
Высота [мм] : 48,5
Толщина тормозного диска (мм) : 25
Минимальная толщина [мм] : 23
Количество отверстий : 5
Размер резьбы : 13,7
Вес [кг] : 7,1
Ø фаски [мм] : 114,3
|
|
Тормозной диск
ROTINGER RT 2877-GL
Тип тормозного диска : вентилируемый
Поверхность : с гальваническим покрытием
Сторона установки : передний мост
Наружный диаметр [мм] : 278
Внутренний диаметр : 139,9
Диаметр центрирования [мм] : 72
Высота [мм] : 48,5
Толщина тормозного диска (мм) : 25
Минимальная толщина [мм] : 23
Количество отверстий : 5
Размер резьбы : 13,7
Вес [кг] : 7,1
Ø фаски [мм] : 114,3
|
|
Тормозной диск
ROTINGER RT 2877-GL T3
Тип тормозного диска : перфорированный
Тип тормозного диска : вентилируемый
Поверхность : с гальваническим покрытием
Сторона установки : передний мост
Наружный диаметр [мм] : 278
Внутренний диаметр : 139,9
Диаметр центрирования [мм] : 72
Высота [мм] : 48,5
Толщина тормозного диска (мм) : 25
Минимальная толщина [мм] : 23
Количество отверстий : 5
Размер резьбы : 13,7
Вес [кг] : 7,1
Ø фаски [мм] : 114,3
|
|
Тормозной диск
ROTINGER RT 2877-GL T5
Тип тормозного диска : перфорированный
Тип тормозного диска : вентилируемый
Поверхность : с гальваническим покрытием
Сторона установки : передний мост
Наружный диаметр [мм] : 278
Внутренний диаметр : 139,9
Диаметр центрирования [мм] : 72
Высота [мм] : 48,5
Толщина тормозного диска (мм) : 25
Минимальная толщина [мм] : 23
Количество отверстий : 5
Размер резьбы : 13,7
Вес [кг] : 7,1
Ø фаски [мм] : 114,3
|
|
Тормозной диск
ROTINGER RT 2877-GL T6
Тип тормозного диска : вентилируемый
Поверхность : с гальваническим покрытием
Сторона установки : передний мост
Наружный диаметр [мм] : 278
Внутренний диаметр : 139,9
Диаметр центрирования [мм] : 72
Высота [мм] : 48,5
Толщина тормозного диска (мм) : 25
Минимальная толщина [мм] : 23
Количество отверстий : 5
Размер резьбы : 13,7
Вес [кг] : 7,1
Ø фаски [мм] : 114,3
|
|
Тормозной диск
ROTINGER RT 2877-GL T9
Тип тормозного диска : вентилируемый
Поверхность : с гальваническим покрытием
Сторона установки : передний мост
Наружный диаметр [мм] : 278
Внутренний диаметр : 139,9
Диаметр центрирования [мм] : 72
Высота [мм] : 48,5
Толщина тормозного диска (мм) : 25
Минимальная толщина [мм] : 23
Количество отверстий : 5
Размер резьбы : 13,7
Вес [кг] : 7,1
Ø фаски [мм] : 114,3
|
|
Тормозной диск
SAKURA 605-30-3600
Сторона установки : Задний мост
Толщина тормозного диска (мм) : 11
Высота [мм] : 40,7
Диаметр центрирования [мм] : 72
Номер продукции : S6053600
Наружный диаметр [мм] : 265
Тип тормозного диска : цельный
|
|
Тормозной диск
SAKURA 604-30-3690
Сторона установки : передний мост
Толщина тормозного диска (мм) : 25
Высота [мм] : 48,5
Диаметр центрирования [мм] : 72
Номер продукции : S6043690
Наружный диаметр [мм] : 278
Тип тормозного диска : вентилируемый
|
|
Тормозной диск
SAMKO M5003V
Высота [мм] : 48,7
Тип тормозного диска : вентилируемый
Толщина тормозного диска (мм) : 25
Минимальная толщина [мм] : 23
Наружный диаметр [мм] : 278
Количество отверстий : 5
Диаметр центрирования [мм] : 72
|
|
Тормозной диск
SAMKO M5003VR
Толщина тормозного диска (мм) : 25
Количество отверстий : 5
Тип тормозного диска : вентилируемый
Диаметр центрирования [мм] : 72
Поверхность : с покрытием
Минимальная толщина [мм] : 23
Высота [мм] : 48,7
Наружный диаметр [мм] : 278
|
|
Тормозной диск
SAMKO M5004P
Минимальная толщина [мм] : 9
Диаметр центрирования [мм] : 72
Наружный диаметр [мм] : 265
Толщина тормозного диска (мм) : 11
Тип тормозного диска : цельный
Высота [мм] : 40,8
Количество отверстий : 5
|
|
Тормозной диск
SAMKO M5004PR
Толщина тормозного диска (мм) : 11
Минимальная толщина [мм] : 9
Наружный диаметр [мм] : 265
Тип тормозного диска : цельный
Поверхность : с покрытием
Количество отверстий : 5
Диаметр центрирования [мм] : 72
Высота [мм] : 40,8
|
|
Тормозной диск
SASIC 6106353
Сторона установки : передний мост
Тип тормозного диска : вентилируемый
Наружный диаметр [мм] : 278
Толщина тормозного диска (мм) : 25
Высота [мм] : 48,5
Ø фаски [мм] : 72
Количество отверстий : 5
для оригинального номера : BP4Y3325XD
Дополнительный артикул / дополнительная информация 2 : без колесного подшипника
заменяется только попарно :
|
|
Тормозной диск
SASIC 6106354
Сторона установки : Задний мост
Тип тормозного диска : цельный
Наружный диаметр [мм] : 265
Толщина тормозного диска (мм) : 11
Высота [мм] : 40,8
Ø фаски [мм] : 72
Количество отверстий : 5
для оригинального номера : C24Y26251C9A
Дополнительный артикул / дополнительная информация 2 : без колесного подшипника
заменяется только попарно :
|
|
Тормозной диск
SKF VKBD 80314 V2
Тип тормозного диска : вентилируемый
Наружный диаметр [мм] : 278
Толщина тормозного диска (мм) : 25
Высота [мм] : 48,5
Ø фаски [мм] : 114,3
Диаметр центрирования [мм] : 72
Количество отверстий : 5
Поверхность : с покрытием
Минимальная толщина [мм] : 23
|
|
Тормозной диск
SKF VKBD 90740 S2
Тип тормозного диска : цельный
Наружный диаметр [мм] : 265
Толщина тормозного диска (мм) : 10,9
Высота [мм] : 40,7
Ø фаски [мм] : 114,3
Диаметр центрирования [мм] : 72
Количество отверстий : 5
Поверхность : с покрытием
Минимальная толщина [мм] : 9
|
|
Тормозной диск
STARK SKBD-0020090
Толщина тормозного диска (мм) : 11
Тип тормозного диска : цельный
Наружный диаметр [мм] : 265
Высота [мм] : 40,8
Расположение/число отверстий : 05/05
Ø фаски [мм] : 114,3
Диаметр центрирования [мм] : 72
Дополнительный артикул / дополнительная информация 2 : без ступицы
Дополнительный артикул / дополнительная информация 2 : без колесной крепящей оси
Внутренний диаметр : 152
Тип тормоза : Дисковой тормозной механизм
Поверхность : без покрытия
|
|
Тормозной диск
STARK SKBD-0020110
Толщина тормозного диска (мм) : 25
Наружный диаметр [мм] : 278
Минимальная толщина [мм] : 23
Высота [мм] : 48,5
Расположение/число отверстий : 05/05
Ø фаски [мм] : 114,3
Диаметр центрирования [мм] : 72
Дополнительный артикул / дополнительная информация 2 : без ступицы
Дополнительный артикул / дополнительная информация 2 : без колесной крепящей оси
Внутренний диаметр : 140
Диаметр отверстия под шпильку колеса [мм] : 14
Поверхность : без покрытия
Тип тормозного диска : вентилируемый
|
|
Тормозной диск
STELLOX 6020-1075-SX
Наружный диаметр [мм] : 265
Толщина тормозного диска (мм) : 11
Диаметр центрирования [мм] : 63,5
Количество отверстий : 5
Ø фаски [мм] : 13,7
Минимальная толщина [мм] : 9
Тип тормозного диска : цельный
Внутренний диаметр : 152
Сторона установки : Задний мост
|
|
Тормозной диск
STELLOX 6020-1075K-SX
Наружный диаметр [мм] : 265
Толщина тормозного диска (мм) : 11
Тип тормозного диска : цельный
Сторона установки : Задний мост
|
|
Тормозной диск
STELLOX 6020-1106-SX
Наружный диаметр [мм] : 265
Толщина тормозного диска (мм) : 11
Диаметр центрирования [мм] : 72
Количество отверстий : 5
Ø фаски [мм] : 14
Минимальная толщина [мм] : 9
Тип тормозного диска : цельный
Внутренний диаметр : 152
Сторона установки : Задний мост
|
|
Тормозной диск
STELLOX 6020-1106K-SX
Наружный диаметр [мм] : 265
Толщина тормозного диска (мм) : 11
Тип тормозного диска : цельный
Сторона установки : Задний мост
|
|
Тормозной диск
STELLOX 6020-3251V-SX
Наружный диаметр [мм] : 278
Толщина тормозного диска (мм) : 25
Количество отверстий : 5
Ø фаски [мм] : 14
Тип тормозного диска : вентилируемый
Сторона установки : передний мост
|
|
Тормозной диск
STELLOX 6020-3251VK-SX
Наружный диаметр [мм] : 278
Толщина тормозного диска (мм) : 24,9
Тип тормозного диска : вентилируемый
Сторона установки : передний мост
|
|
Тормозной диск
SWAG 33 10 5595
Толщина тормозного диска (мм) : 11
Число отверстий в диске колеса : 5
Толщина [мм] : 40,7
Наружный диаметр [мм] : 265
Ø фаски [мм] : 114,3
Поверхность : с покрытием
Тип тормозного диска : цельный
Сторона установки : Задний мост
Минимальная толщина [мм] : 9
Диаметр центрирования [мм] : 72
|
|
Тормозной диск
SWAG 83 93 2765
Толщина тормозного диска (мм) : 25
Число отверстий в диске колеса : 5
Толщина [мм] : 48,4
Наружный диаметр [мм] : 278
Ø фаски [мм] : 114,3
Поверхность : с покрытием
Тип тормозного диска : вентилируемый
Сторона установки : передний мост
Минимальная толщина [мм] : 23
Диаметр центрирования [мм] : 72
|
|
Тормозной диск
TEXTAR 92130303
Тип тормозного диска : вентилируемый
Наружный диаметр [мм] : 278
Толщина тормозного диска (мм) : 25
Высота [мм] : 48,5
Минимальная толщина [мм] : 23
Поверхность : с покрытием
Внутренний диаметр : 140
Ø фаски [мм] : 114,3
Диаметр центрирования [мм] : 72
Расположение/число отверстий : 05/05
Диаметр отверстия под шпильку колеса [мм] : 13,8
Дополнительный артикул / дополнительная информация 2 : без ступицы
Дополнительный артикул / дополнительная информация 2 : без колесного подшипника
Дополнительный артикул / дополнительная информация 2 : без колесной крепящей оси
Длина упаковки [см] : 30,8
Ширина упаковки [см] : 30,8
Высота упаковки [см] : 12,7
Вес [кг] : 7,1
|
|
Тормозной диск
TEXTAR 92130500
Тип тормозного диска : цельный
Наружный диаметр [мм] : 265
Толщина тормозного диска (мм) : 11
Высота [мм] : 40,8
Минимальная толщина [мм] : 9
Внутренний диаметр : 152
Ø фаски [мм] : 114,3
Диаметр центрирования [мм] : 72
Расположение/число отверстий : 05/05
Диаметр отверстия под шпильку колеса [мм] : 13,8
Дополнительный артикул / дополнительная информация 2 : без ступицы
Дополнительный артикул / дополнительная информация 2 : без колесного подшипника
Дополнительный артикул / дополнительная информация 2 : без колесной крепящей оси
Длина упаковки [см] : 27,8
Ширина упаковки [см] : 27,8
Высота упаковки [см] : 10,5
Вес [кг] : 4,1
|
|
Тормозной диск
TOMEX Brakes TX 73-18
Сторона установки : передний мост
Тип тормозного диска : вентилируемый
Толщина тормозного диска (мм) : 25
Наружный диаметр [мм] : 278
Высота [мм] : 48,5
Количество отверстий : 5
Диаметр центрирования [мм] : 72
Ø фаски [мм] : 114,3
Поверхность : лакированный
Вес [кг] : 14,2
Размер резьбы : 14
Минимальная толщина [мм] : 23
|
|
Тормозной диск
TOMEX Brakes TX 73-20
Сторона установки : Задний мост
Тип тормозного диска : цельный
Толщина тормозного диска (мм) : 11
Наружный диаметр [мм] : 265
Высота [мм] : 41
Цвет : чёрный
Количество отверстий : 5
Диаметр центрирования [мм] : 72
Ø фаски [мм] : 114,3
Поверхность : лакированный
Вес [кг] : 8,5
Размер резьбы : 13,8
Минимальная толщина [мм] : 9
|
|
Тормозной диск
TRIALLI DF 190137
Тип тормозного диска : цельный
Сторона установки : Задний мост
Наружный диаметр [мм] : 265
Высота [мм] : 41
Толщина тормозного диска (мм) : 11
Минимальная толщина [мм] : 9
Диаметр центрирования [мм] : 72
Количество крепежных отверстий : 5
Ø фаски [мм] : 114,3
|
|
Тормозной диск
TRIALLI DF 250101
Сторона установки : передний мост
Тип тормозного диска : вентилируемый
Толщина тормозного диска (мм) : 25
Наружный диаметр [мм] : 278
Ø фаски [мм] : 114,3
Количество отверстий : 5
ненаправленные тормозные колодки :
Высота [мм] : 48,5
Диаметр отверстия [мм] : 13,8
Диаметр центрирования [мм] : 72
Минимальная толщина [мм] : 23
Количество : 2
|
|
Тормозной диск
TRISCAN 8120 50140C
Наружный диаметр [мм] : 278
Диаметр центрирования [мм] : 72
Тип тормозного диска : вентилируемый
Высота [мм] : 48,5
Количество отверстий : 5
Поверхность : с покрытием
Толщина тормозного диска (мм) : 25
Минимальная толщина [мм] : 23
|
|
Тормозной диск
TRISCAN 8120 50139C
Наружный диаметр [мм] : 265
Тип тормозного диска : цельный
Количество отверстий : 5
Толщина тормозного диска (мм) : 11
Минимальная толщина [мм] : 9
|
|
Тормозной диск
TRUSTING DF227
проверочное значение : ECE-R90
Высота [мм] : 48,5
Тип тормозного диска : вентилируемый
Толщина тормозного диска (мм) : 25
Наружный диаметр [мм] : 278
Количество отверстий : 5
Диаметр центрирования [мм] : 72
Поверхность : лакированный
|
|
Тормозной диск
TRUSTING DF947
проверочное значение : ECE-R90
Высота [мм] : 40,8
Тип тормозного диска : цельный
Толщина тормозного диска (мм) : 11
Наружный диаметр [мм] : 265
Количество отверстий : 5
Диаметр центрирования [мм] : 72
Поверхность : лакированный
|
|
Тормозной диск
TRW DF4384
Минимальная толщина [мм] : 23
Тип тормозного диска : вентилируемый
Наружный диаметр [мм] : 278
Толщина тормозного диска (мм) : 25
Диаметр центрирования [мм] : 72
Высота [мм] : 48,5
Размер резьбы : 14
Количество отверстий : 5
Ø фаски [мм] : 114,3
Цвет : чёрный
Поверхность : лакированный
проверочное значение : E190R-02C0176/0065
SVHC : Нет информации, обратитесь, пожалуйста, к производителю!
|
|
Тормозной диск
TRW DF4419
Размер резьбы : 13,8
Минимальная толщина [мм] : 9
Высота [мм] : 41
Диаметр центрирования [мм] : 72
Тип тормозного диска : цельный
Толщина тормозного диска (мм) : 11
Наружный диаметр [мм] : 265
Ø фаски [мм] : 114,3
Количество отверстий : 5
Цвет : чёрный
Поверхность : лакированный
проверочное значение : E190R-02C0190/0537
SVHC : Нет информации, обратитесь, пожалуйста, к производителю!
|
|
Тормозной диск
WOKING D6671.10
проверочное значение : K.B.A.: 61209
Сторона установки : передний мост
Диаметр [мм] : 277,9
Толщина тормозного диска (мм) : 25
Минимальная толщина [мм] : 23
Высота [мм] : 48,5
Диаметр центрирования [мм] : 72
Количество отверстий : 5
Тип тормозного диска : вентилируемый
Вес [кг] : 7,06
Наружный диаметр [мм] : 278
|
|
Тормозной диск
WOKING D6906.00
проверочное значение : K.B.A.: 61210
Сторона установки : Задний мост
Диаметр [мм] : 264,8
Толщина тормозного диска (мм) : 11
Минимальная толщина [мм] : 9
Высота [мм] : 40,8
Диаметр центрирования [мм] : 72
Количество отверстий : 5
Тип тормозного диска : цельный
Вес [кг] : 4,02
Наружный диаметр [мм] : 265
|
|
Тормозной диск
ZEKKERT BS-5252
Тип тормозного диска : вентилируемый
Наружный диаметр [мм] : 278
Высота [мм] : 49
Толщина тормозного диска (мм) : 25
Минимальная толщина [мм] : 23
Количество отверстий : 5
Диаметр центрирования [мм] : 72
Диаметр расположения крепёжных отверстий ступицы [мм] : 114,3
Номера артикулов рекомендуемых комплектующих : CP-1105
Номера артикулов рекомендуемых комплектующих : CP-1205
Номера артикулов рекомендуемых комплектующих : CP-1305
Номера артикулов рекомендуемых комплектующих : CP-1965
Номера артикулов рекомендуемых комплектующих : FK-2005
Номера артикулов рекомендуемых комплектующих : FK-2010
Вес [кг] : 7,32
|
|
Тормозной диск
ZEKKERT BS-5252B
Тип тормозного диска : вентилируемый
Наружный диаметр [мм] : 278
Высота [мм] : 48,5
Толщина тормозного диска (мм) : 25
Минимальная толщина [мм] : 23
Количество отверстий : 5
Диаметр центрирования [мм] : 72
Диаметр расположения крепёжных отверстий ступицы [мм] : 149
Номера артикулов рекомендуемых комплектующих : CP-1105
Номера артикулов рекомендуемых комплектующих : CP-1205
Номера артикулов рекомендуемых комплектующих : CP-1305
Номера артикулов рекомендуемых комплектующих : CP-1965
Номера артикулов рекомендуемых комплектующих : FK-2005
Номера артикулов рекомендуемых комплектующих : FK-2010
Вес [кг] : 7,58
|
|
Тормозной диск
ZEKKERT BS-5267
Тип тормозного диска : цельный
Наружный диаметр [мм] : 265
Высота [мм] : 41
Толщина тормозного диска (мм) : 11
Минимальная толщина [мм] : 8
Количество отверстий : 5
Диаметр центрирования [мм] : 72,1
Диаметр расположения крепёжных отверстий ступицы [мм] : 114,3
Номера артикулов рекомендуемых комплектующих : CP-1105
Номера артикулов рекомендуемых комплектующих : CP-1205
Номера артикулов рекомендуемых комплектующих : CP-1305
Номера артикулов рекомендуемых комплектующих : CP-1965
Номера артикулов рекомендуемых комплектующих : FK-2005
Номера артикулов рекомендуемых комплектующих : FK-2010
Вес [кг] : 4,65
|