|
Изображение |
Описание |
|
Тормозной диск
A.B.S. 18406
Наружный диаметр [мм] : 280
Толщина тормозного диска (мм) : 22
Минимальная толщина [мм] : 20
Высота [мм] : 47
Число отверстий в диске колеса : 5
Тип тормозного диска : вентилируемый
Диаметр центрирования [мм] : 62
Ø фаски [мм] : 114,3
Поверхность : с покрытием
Диаметр ступицы [мм] : 157
|
|
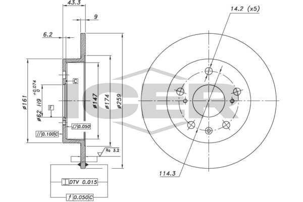
Тормозной диск
A.B.S. 18399
Наружный диаметр [мм] : 259
Толщина тормозного диска (мм) : 9
Минимальная толщина [мм] : 8
Высота [мм] : 43,2
Число отверстий в диске колеса : 5
Тип тормозного диска : цельный
Диаметр центрирования [мм] : 62
Ø фаски [мм] : 114,3
Поверхность : с покрытием
Диаметр ступицы [мм] : 161
|
|
Тормозной диск
ABAKUS 231-03-190
Тип тормозного диска : вентилируемый
Наружный диаметр [мм] : 280
Толщина тормозного диска (мм) : 22
необходимое количество : 2
заменяется только попарно :
Высота [мм] : 47
Ø фаски [мм] : 114,3
Диаметр центрирования [мм] : 62
Количество отверстий : 5
проверочное значение : ECE R90
Требуется монтаж / демонтаж специалистами! :
|
|
Тормозной диск
ABAKUS 231-03-190-2
Тип тормозного диска : вентилируемый
Наружный диаметр [мм] : 280
Толщина тормозного диска (мм) : 22
необходимое количество : 2
заменяется только попарно :
Высота [мм] : 47
Ø фаски [мм] : 114,3
Диаметр центрирования [мм] : 62
Количество отверстий : 5
проверочное значение : ECE R90
Требуется монтаж / демонтаж специалистами! :
|
|
Тормозной диск
ABAKUS 231-04-183
Тип тормозного диска : цельный
Наружный диаметр [мм] : 259
Толщина тормозного диска (мм) : 9
необходимое количество : 2
заменяется только попарно :
Высота [мм] : 43
Ø фаски [мм] : 114
Диаметр центрирования [мм] : 62
Количество отверстий : 5
проверочное значение : ECE R90
Требуется монтаж / демонтаж специалистами! :
|
|
Тормозной диск
ABE C38034ABE
Толщина тормозного диска (мм) : 22
Наружный диаметр [мм] : 280
Тип тормозного диска : вентилируемый
Сторона установки : 1-й передний мост слева
Сторона установки : 1-й передний мост справа
Поверхность : с покрытием
Высота [мм] : 47
Минимальная толщина [мм] : 20
Внутренний диаметр : 146,3
Количество отверстий : 5
Диаметр центрирования [мм] : 12,7
Ø фаски [мм] : 12,7
Ø фаски [мм] : 114,3
|
|
Тормозной диск
ABE C38034ABE-P
Сторона установки : передний мост
Сторона установки : передний мост слева
Сторона установки : передний мост справа
Тип тормозного диска : вентилируемый
Поверхность : с покрытием
Высота [мм] : 47
Толщина тормозного диска (мм) : 22
Минимальная толщина [мм] : 20
Внутренний диаметр : 146,3
Наружный диаметр [мм] : 280
Количество отверстий : 5
Диаметр центрирования [мм] : 12,7
Ø фаски [мм] : 12,7
Ø фаски [мм] : 114,3
|
|
Тормозной диск
ABE C38042ABE
Толщина тормозного диска (мм) : 22
Наружный диаметр [мм] : 280
Тип тормозного диска : вентилируемый
Обработка : Высокоуглеродистый
Поверхность : с покрытием
выполняет нормы ЕЭК : ECE-R90
Высота [мм] : 47
Минимальная толщина [мм] : 20
Количество отверстий : 5
Диаметр центрирования [мм] : 62
Ø фаски [мм] : 114,3
Сторона установки : передний мост
|
|
Тормозной диск
ABE C38042ABE-P
Тип тормозного диска : вентилируемый
Обработка : Высокоуглеродистый
Поверхность : с покрытием
выполняет нормы ЕЭК : ECE-R90
Высота [мм] : 47
Толщина тормозного диска (мм) : 22
Минимальная толщина [мм] : 20
Наружный диаметр [мм] : 280
Количество отверстий : 5
Диаметр центрирования [мм] : 62
Ø фаски [мм] : 114,3
Сторона установки : передний мост
|
|
Тормозной диск
ABE C48018ABE
Толщина тормозного диска (мм) : 9
Наружный диаметр [мм] : 259,4
Тип тормозного диска : цельный
Сторона установки : 1-й задний мост слева
Сторона установки : 1-й задний мост справа
Поверхность : с покрытием
Высота [мм] : 43,2
Минимальная толщина [мм] : 8
Внутренний диаметр : 146,6
Количество отверстий : 5
Диаметр центрирования [мм] : 14
Ø фаски [мм] : 14
Ø фаски [мм] : 114,3
|
|
Тормозной диск
ABE C48018ABE-P
Сторона установки : Задний мост
Сторона установки : передний мост слева
Сторона установки : передний мост справа
Тип тормозного диска : цельный
Поверхность : с покрытием
Высота [мм] : 43,2
Толщина тормозного диска (мм) : 9
Минимальная толщина [мм] : 8
Внутренний диаметр : 146,6
Наружный диаметр [мм] : 259,4
Количество отверстий : 5
Диаметр центрирования [мм] : 14
Ø фаски [мм] : 14
Ø фаски [мм] : 114,3
|
|
Тормозной диск
ADVICS H6F233B
Сторона установки : передний мост
Тип тормозного диска : вентилируемый
Толщина тормозного диска (мм) : 22
Минимальная толщина [мм] : 20
Количество отверстий : 5
Высота [мм] : 47
Диаметр центрирования [мм] : 62
Наружный диаметр [мм] : 280
|
|
Тормозной диск
ADVICS H6R216B
Сторона установки : Задний мост
Тип тормозного диска : цельный
Толщина тормозного диска (мм) : 9
Минимальная толщина [мм] : 8
Количество отверстий : 5
Высота [мм] : 43,4
Диаметр центрирования [мм] : 62
Наружный диаметр [мм] : 259
|
|
Тормозной диск
AP 25624 V
Высота [мм] : 47
Тип тормозного диска : вентилируемый
Диаметр центрирования [мм] : 62
Наружный диаметр [мм] : 280
Количество отверстий : 5
Толщина тормозного диска (мм) : 22
Поверхность : с покрытием
Минимальная толщина [мм] : 20
Дополнительный артикул / дополнительная информация 2 : с винтами
|
|
Тормозной диск
AP 15113 V
Высота [мм] : 43
Тип тормозного диска : цельный
Диаметр центрирования [мм] : 62
Наружный диаметр [мм] : 259
Количество отверстий : 5
Толщина тормозного диска (мм) : 9
Поверхность : с покрытием
Минимальная толщина [мм] : 8
Дополнительный артикул / дополнительная информация 2 : с винтами
|
|
Тормозной диск
ASHIKA 60-08-820C
Сторона установки : передний мост
Ø фаски [мм] : 62,1
Высота [мм] : 47
Наружный диаметр [мм] : 279
Толщина тормозного диска (мм) : 22
Минимальная толщина [мм] : 20
Число отверстий : 5
Тип тормозного диска : вентилируемый
проверочное значение : ECE R90 APPROVED
Поверхность : лакированный
Момент затяжки [Нм] : 86
для оригинального номера : 5531180J03
|
|
Тормозной диск
ASHIKA 60-08-827C
Сторона установки : передний мост
Ø фаски [мм] : 62
Высота [мм] : 48
Наружный диаметр [мм] : 280
Толщина тормозного диска (мм) : 22
Минимальная толщина [мм] : 20
Число отверстий : 5
Тип тормозного диска : вентилируемый
Поверхность : лакированный
для оригинального номера : 5531161M00
|
|
Тормозной диск
ASHIKA 61-08-804C
Сторона установки : Задний мост
Ø фаски [мм] : 62
Высота [мм] : 44
Наружный диаметр [мм] : 259
Толщина тормозного диска (мм) : 9
Минимальная толщина [мм] : 7
Число отверстий : 5
Тип тормозного диска : цельный
проверочное значение : ECE R90 APPROVED
Поверхность : лакированный
для оригинального номера : 5561172L00
|
|
Тормозной диск
ATE 24.0109-0182.1
Наружный диаметр [мм] : 259,4
Толщина тормозного диска (мм) : 9
Минимальная толщина [мм] : 8
Тип тормозного диска : цельный
Поверхность : с покрытием
Количество отверстий : 5
Ø фаски [мм] : 114,3
Высота [мм] : 43,2
Диаметр центрирования [мм] : 62
Внутренний диаметр : 146,6
Диаметр отверстия [мм] : 14
Код MAPP в наличии :
проверочное значение : E1 90R-02C0165/0836
|
|
Тормозной диск
ATE 24.0122-0290.1
Наружный диаметр [мм] : 280
Толщина тормозного диска (мм) : 22
Минимальная толщина [мм] : 20
Тип тормозного диска : вентилируемый
Поверхность : с покрытием
Количество отверстий : 5
Код MAPP в наличии :
Ø фаски [мм] : 114,3
Высота [мм] : 47
Диаметр центрирования [мм] : 62
Внутренний диаметр : 146,3
Диаметр отверстия [мм] : 12,7
проверочное значение : E1 90R-02C0115/1106
|
|
Тормозной диск
BLUE PRINT ADK84345
Толщина тормозного диска (мм) : 9
Число отверстий в диске колеса : 5
Количество крепежных отверстий : 3
Толщина [мм] : 43
Наружный диаметр [мм] : 259
Ø фаски [мм] : 114
Поверхность : с покрытием
Тип тормозного диска : цельный
Сторона установки : Задний мост
Минимальная толщина [мм] : 8
Диаметр центрирования [мм] : 62
Соблюдать сервисную информацию :
|
|
Тормозной диск
BLUE PRINT ADK84346
Толщина тормозного диска (мм) : 22
Число отверстий в диске колеса : 5
Количество крепежных отверстий : 4
Толщина [мм] : 47
Наружный диаметр [мм] : 280
Ø фаски [мм] : 114
Поверхность : с покрытием
Тип тормозного диска : вентилируемый
Сторона установки : передний мост
Минимальная толщина [мм] : 20
Диаметр центрирования [мм] : 62
Соблюдать сервисную информацию :
|
|
Тормозной диск
BORG & BECK BBD5400
Тип тормозного диска : вентилируемый
Наружный диаметр [мм] : 280
Толщина тормозного диска (мм) : 22
Высота [мм] : 45,8
Диаметр центрирования [мм] : 62
Количество крепежных отверстий : 4
Количество отверстий : 5
Количественная единица : комплект
Поверхность : с покрытием
проверочное значение : ECE R90 Homologated
Минимальная толщина [мм] : 20
|
|
Тормозной диск
BORG & BECK BBD5401
Тип тормозного диска : цельный
Наружный диаметр [мм] : 259
Толщина тормозного диска (мм) : 9
Высота [мм] : 37,5
Диаметр центрирования [мм] : 61,8
Количество крепежных отверстий : 3
Количество отверстий : 5
Количественная единица : комплект
Поверхность : с покрытием
проверочное значение : ECE R90 Homologated
Минимальная толщина [мм] : 8
|
|
Тормозной диск
BOSCH 0 986 479 C40
Наружный диаметр [мм] : 280
Толщина тормозного диска (мм) : 22
Минимальная толщина [мм] : 20
Высота [мм] : 47
Ø фаски [мм] : 114,3
Тип тормозного диска : вентилируемый
Диаметр центрирования [мм] : 62
Количество отверстий : 5
Поверхность : с покрытием
Обработка : Высокоуглеродистый
выполняет нормы ЕЭК : ECE-R90
Диаметр отверстия до [мм] : 12,7
|
|
Тормозной диск
BOSCH 0 986 479 C44
Наружный диаметр [мм] : 259
Толщина тормозного диска (мм) : 9
Минимальная толщина [мм] : 8
Высота [мм] : 43,2
Ø фаски [мм] : 114,3
Тип тормозного диска : цельный
Диаметр центрирования [мм] : 62
Количество отверстий : 5
Поверхность : с покрытием
Обработка : Высокоуглеродистый
выполняет нормы ЕЭК : ECE-R90
Диаметр отверстия до [мм] : 14,2
|
|
Тормозной диск
BRECO BV 9234
Толщина тормозного диска (мм) : 22
Поверхность : с покрытием
Минимальная толщина [мм] : 20
Дополнительный артикул / дополнительная информация 2 : с винтами
Высота [мм] : 47
Тип тормозного диска : вентилируемый
Диаметр центрирования [мм] : 62
Наружный диаметр [мм] : 280
Количество отверстий : 5
|
|
Тормозной диск
BRECO BV 6105
Диаметр центрирования [мм] : 62
Наружный диаметр [мм] : 259
Количество отверстий : 5
Толщина тормозного диска (мм) : 9
Поверхность : с покрытием
Минимальная толщина [мм] : 8
Дополнительный артикул / дополнительная информация 2 : с винтами
Высота [мм] : 43
Тип тормозного диска : цельный
|
|
Тормозной диск
BREMBO 09.C047.11
Тип тормозного диска : вентилируемый
Толщина тормозного диска (мм) : 22
Количество отверстий : 5
Дополнительный артикул / дополнительная информация 2 : с винтами
Высота [мм] : 47
Диаметр центрирования [мм] : 62
Наружный диаметр [мм] : 280
Поверхность : с покрытием
Минимальная толщина [мм] : 20
|
|
Тормозной диск
BREMBO 08.C046.11
Тип тормозного диска : цельный
Толщина тормозного диска (мм) : 9
Количество отверстий : 5
Дополнительный артикул / дополнительная информация 2 : с винтами
Высота [мм] : 43
Диаметр центрирования [мм] : 62
Наружный диаметр [мм] : 259
Поверхность : с покрытием
Минимальная толщина [мм] : 8
|
|
Тормозной диск
BREMSI CD7218V
Сторона установки : передний мост
Наружный диаметр [мм] : 288
Толщина тормозного диска (мм) : 25
Минимальная толщина [мм] : 22
Тип тормозного диска : вентилируемый
Количество отверстий : 5
Момент затяжки [Нм] : 12
Цвет : чёрный
Поверхность : лакированный
|
|
Тормозной диск
BREMSI CD8493S
Сторона установки : Задний мост
Наружный диаметр [мм] : 259
Высота [мм] : 43,2
Тип тормозного диска : цельный
Толщина тормозного диска (мм) : 9
Количество отверстий : 5
Диаметр центрирования [мм] : 62
Количество крепежных отверстий : 3
Минимальная толщина [мм] : 8
Ø фаски [мм] : 114,3
|
|
Тормозной диск
BREMSI CD8791V
Высота [мм] : 47
Диаметр отверстия [мм] : 62
Тип тормозного диска : вентилируемый
Толщина тормозного диска (мм) : 22
Минимальная толщина [мм] : 20
Наружный диаметр [мм] : 280
Количество отверстий : 5
Ø фаски [мм] : 114,3
Поверхность : с покрытием
Дополнительный артикул / дополнительная информация 2 : без винтов
Сторона установки : передний мост
|
|
Тормозной диск
BSG BSG 83-210-007
Тип тормозного диска : вентилируемый
Количество отверстий : 5
Наружный диаметр [мм] : 279
Диаметр центрирования [мм] : 62
Высота [мм] : 47
Толщина тормозного диска (мм) : 22
Минимальная толщина [мм] : 20
Ø фаски [мм] : 114
Размер резьбы : 12,7
Цвет : чёрный
Поверхность : лакированный
Сторона установки : передний мост
|
|
Тормозной диск
CAR 142.1847
Сторона установки : 1-й передний мост
Тип тормозного диска : цельный
Наружный диаметр [мм] : 280
Толщина тормозного диска (мм) : 22
Высота [мм] : 47
Диаметр центрирования [мм] : 62
Количество отверстий : 5
проверочное значение : ECE R90 APPROVED
Минимальная толщина [мм] : 20
Вес [кг] : 5,4
|
|
Тормозной диск
CAR 142.1884
Сторона установки : 1-й задний мост
Тип тормозного диска : цельный
Наружный диаметр [мм] : 259
Толщина тормозного диска (мм) : 9
Высота [мм] : 43,4
Диаметр центрирования [мм] : 62
Количество отверстий : 5
Минимальная толщина [мм] : 8
Вес [кг] : 3,55
|
|
Тормозной диск
CAR X.IC.HPD 1884
Сторона установки : 1-й задний мост
Тип тормозного диска : цельный
Наружный диаметр [мм] : 259
Толщина тормозного диска (мм) : 9
Высота [мм] : 43,4
Диаметр центрирования [мм] : 62
Количество отверстий : 5
Минимальная толщина [мм] : 8
Вес [кг] : 3,2
|
|
Тормозной диск
CHAMPION 562534CH
Тип тормозного диска : вентилируемый
Наружный диаметр [мм] : 280
Толщина тормозного диска (мм) : 22
Дополнительный артикул / дополнительная информация 2 : без винтов
Высота [мм] : 47
Ø фаски [мм] : 114,3
Диаметр центрирования [мм] : 62
Количество отверстий : 5
Количественная единица : комплект
Вес [кг] : 12,26
Минимальная толщина [мм] : 20
Момент затяжки [Нм] : 86
Тип контейнера : Коробка
Длина упаковки [см] : 28,1
Ширина упаковки [см] : 28,1
Высота упаковки [см] : 9,8
|
|
Тормозной диск
CIFAM 800-1530C
проверочное значение : ECE-R90
Высота [мм] : 47
Тип тормозного диска : вентилируемый
Толщина тормозного диска (мм) : 22
Наружный диаметр [мм] : 280
Количество отверстий : 5
Диаметр центрирования [мм] : 62
Поверхность : лакированный
|
|
Тормозной диск
CIFAM 800-1531C
проверочное значение : ECE-R90
Высота [мм] : 43,2
Тип тормозного диска : цельный
Толщина тормозного диска (мм) : 9
Наружный диаметр [мм] : 259
Количество отверстий : 5
Диаметр центрирования [мм] : 62
Поверхность : лакированный
|
|
Тормозной диск
COMLINE ADC0939V
Тип тормозного диска : вентилируемый
Наружный диаметр [мм] : 280
Толщина тормозного диска (мм) : 22
Высота [мм] : 47
Ø фаски [мм] : 114,3
Диаметр центрирования [мм] : 62
Количество отверстий : 4
Поверхность : с покрытием
Минимальная толщина [мм] : 20
Число отверстий : 5
|
|
Тормозной диск
COMLINE ADC0940
Тип тормозного диска : цельный
Наружный диаметр [мм] : 259
Толщина тормозного диска (мм) : 9
Высота [мм] : 43,2
Ø фаски [мм] : 114,3
Диаметр центрирования [мм] : 62
Количество отверстий : 5
Поверхность : с покрытием
Минимальная толщина [мм] : 8
Число отверстий : 3
|
|
Тормозной диск
CWORKS C210R2121
Сторона установки : передний мост
Тип тормозного диска : вентилируемый
Толщина тормозного диска (мм) : 22
Количество отверстий : 5
Высота [мм] : 47
Диаметр центрирования [мм] : 62
Наружный диаметр [мм] : 280
|
|
Тормозной диск
CWORKS C220R0638
Сторона установки : Задний мост
Тип тормозного диска : цельный
Толщина тормозного диска (мм) : 9
Количество отверстий : 5
Высота [мм] : 43,2
Диаметр центрирования [мм] : 62
Наружный диаметр [мм] : 259
|
|
Тормозной диск
DACO 603712
Высота [мм] : 43,2
Тип тормозного диска : цельный
Толщина тормозного диска (мм) : 9
Минимальная толщина [мм] : 8
Внутренний диаметр : 146,6
Наружный диаметр [мм] : 259,4
Количество отверстий : 5
Диаметр центрирования [мм] : 62
|
|
Тормозной диск
DACO 603713
Высота [мм] : 47
Тип тормозного диска : вентилируемый
Толщина тормозного диска (мм) : 22
Минимальная толщина [мм] : 20
Внутренний диаметр : 146,3
Наружный диаметр [мм] : 280
Количество отверстий : 5
Диаметр центрирования [мм] : 62
|
|
Тормозной диск
DANAHER DR10699
Сторона установки : Задний мост
Тип тормозного диска : цельный
Толщина тормозного диска (мм) : 9
Наружный диаметр [мм] : 259
Высота [мм] : 43,2
Количество отверстий : 5
Диаметр центрирования [мм] : 62
|
|
Тормозной диск
DANAHER DR11448
Сторона установки : передний мост
Тип тормозного диска : вентилируемый
Толщина тормозного диска (мм) : 24,9
Наружный диаметр [мм] : 288
Высота [мм] : 49,7
Количество отверстий : 9
Диаметр центрирования [мм] : 65
|
|
Тормозной диск
DANAHER DR11716
Сторона установки : передний мост
Тип тормозного диска : вентилируемый
Толщина тормозного диска (мм) : 22
Наружный диаметр [мм] : 280
Высота [мм] : 46,9
Количество отверстий : 5
Диаметр центрирования [мм] : 62
|
|
Тормозной диск
DANAHER DR13011
Сторона установки : передний мост
Тип тормозного диска : вентилируемый
Толщина тормозного диска (мм) : 22
Наружный диаметр [мм] : 280
Высота [мм] : 47
Количество отверстий : 5
Диаметр центрирования [мм] : 62
|
|
Тормозной диск
DANAHER DR13618
Сторона установки : передний мост
Тип тормозного диска : вентилируемый
Толщина тормозного диска (мм) : 22
Наружный диаметр [мм] : 280
Высота [мм] : 47
Количество отверстий : 5
Диаметр центрирования [мм] : 62
|
|
Тормозной диск
DELPHI BG4709C
Тип тормозного диска : цельный
Количество отверстий : 5
проверочное значение : E1 90R-02C0250/1204
Поверхность : с покрытием
Наружный диаметр [мм] : 259
Толщина тормозного диска (мм) : 9
Минимальная толщина [мм] : 8
Диаметр центрирования [мм] : 62
Высота [мм] : 43,2
|
|
Тормозной диск
DELPHI BG5283C
Тип тормозного диска : вентилируемый
Количество отверстий : 5
проверочное значение : E1 90R-02C0343/1788
Поверхность : с покрытием
Обработка : Высокоуглеродистый
Наружный диаметр [мм] : 280
Толщина тормозного диска (мм) : 22
Минимальная толщина [мм] : 20
Диаметр центрирования [мм] : 62
Высота [мм] : 47
|
|
Тормозной диск
DENCKERMANN B130676
Минимальная толщина [мм] : 20
Тип тормозного диска : вентилируемый
Диаметр отверстия [мм] : 12,7
Толщина тормозного диска (мм) : 22
Ø фаски [мм] : 114,3
Количество отверстий : 5
Внутренний диаметр : 146,3
Высота [мм] : 47
Диаметр центрирования [мм] : 62
Наружный диаметр [мм] : 280
|
|
Тормозной диск
DON PCD19772
Тип тормозного диска : вентилируемый
Наружный диаметр [мм] : 280
Толщина тормозного диска (мм) : 22
Высота [мм] : 47
Минимальная толщина [мм] : 20
Поверхность : с частичным покрытием
Внутренний диаметр : 146
Ø фаски [мм] : 114,3
Диаметр центрирования [мм] : 62
Расположение/число отверстий : 05/09
Диаметр отверстия под шпильку колеса [мм] : 12,7
Дополнительный артикул / дополнительная информация 2 : без ступицы
Дополнительный артикул / дополнительная информация 2 : без колесного подшипника
Дополнительный артикул / дополнительная информация 2 : без колесной крепящей оси
Длина упаковки [см] : 31,5
Ширина упаковки [см] : 31,5
Высота упаковки [см] : 12,2
Вес [кг] : 5,3
|
|
Тормозной диск
DON PCD21712
Тип тормозного диска : цельный
Наружный диаметр [мм] : 259
Толщина тормозного диска (мм) : 9
Высота [мм] : 43,2
Минимальная толщина [мм] : 8
Поверхность : с частичным покрытием
Внутренний диаметр : 149,7
Ø фаски [мм] : 114,3
Диаметр центрирования [мм] : 62
Расположение/число отверстий : 05/08
Диаметр отверстия под шпильку колеса [мм] : 14,2
Дополнительный артикул / дополнительная информация 2 : без ступицы
Дополнительный артикул / дополнительная информация 2 : без колесного подшипника
Дополнительный артикул / дополнительная информация 2 : без колесной крепящей оси
Длина упаковки [см] : 28,4
Ширина упаковки [см] : 28,4
Высота упаковки [см] : 10,4
Вес [кг] : 3,5
|
|
Тормозной диск
DR!VE+ DP1010.11.1686
Число отверстий в диске колеса : 5
Высота [мм] : 43,2
Тип тормозного диска : цельный
Толщина тормозного диска (мм) : 9
Размер резьбы : 14.2
Минимальная толщина [мм] : 8
Наружный диаметр [мм] : 259
Количество отверстий : 2
Диаметр центрирования [мм] : 62
Ø фаски [мм] : 114,3
Количество отверстий 1 : 1
|
|
Тормозной диск
EBC Brakes D1910
Тип тормозного диска : цельный
Толщина тормозного диска (мм) : 8
Толщина тормозного диска (мм) : 9
Количество отверстий : 5
Высота [мм] : 43
Наружный диаметр [мм] : 259
Материал : Серый чугун
|
|
Тормозной диск
EBC Brakes D1973
Тип тормозного диска : вентилируемый
Толщина тормозного диска (мм) : 20
Толщина тормозного диска (мм) : 22
Количество отверстий : 5
Высота [мм] : 47
Наружный диаметр [мм] : 280
Материал : Серый чугун
|
|
Тормозной диск
Eurobrake 5815205231
Наружный диаметр [мм] : 280
Толщина тормозного диска (мм) : 22
Минимальная толщина [мм] : 20
Высота [мм] : 45,8
Число отверстий в диске колеса : 5
Тип тормозного диска : вентилируемый
Диаметр центрирования [мм] : 62
Поверхность : промасленный
Вес нетто [кг] : 5,34
|
|
Тормозной диск
Eurobrake 5815315231
Наружный диаметр [мм] : 280
Толщина тормозного диска (мм) : 22
Минимальная толщина [мм] : 20
Высота [мм] : 45,8
Число отверстий в диске колеса : 5
Тип тормозного диска : вентилируемый
Диаметр центрирования [мм] : 62
Поверхность : с покрытием
Вес нетто [кг] : 5,34
|
|
Тормозной диск
Eurobrake 5815205232
Наружный диаметр [мм] : 259
Толщина тормозного диска (мм) : 9
Минимальная толщина [мм] : 8
Высота [мм] : 43,2
Число отверстий в диске колеса : 5
Тип тормозного диска : цельный
Диаметр центрирования [мм] : 61,8
Поверхность : промасленный
Вес нетто [кг] : 3,54
|
|
Тормозной диск
Eurobrake 5815315232
Наружный диаметр [мм] : 259
Толщина тормозного диска (мм) : 9
Минимальная толщина [мм] : 8
Высота [мм] : 43,2
Число отверстий в диске колеса : 5
Тип тормозного диска : цельный
Диаметр центрирования [мм] : 61,8
Поверхность : с покрытием
Вес нетто [кг] : 3,54
|
|
Тормозной диск
EUROREPAR 1686730180
Тип тормозного диска : вентилируемый
Дополнительный артикул / дополнительная информация 2 : без кольца сенсора ABS
Наружный диаметр [мм] : 280
Толщина тормозного диска (мм) : 22
Высота [мм] : 47
Диаметр центрирования [мм] : 62
Количество отверстий : 5
Минимальная толщина [мм] : 20
|
|
Тормозной диск
EUROREPAR 1667864780
Тип тормозного диска : вентилируемый
Дополнительный артикул / дополнительная информация 2 : без кольца сенсора ABS
Наружный диаметр [мм] : 280
Толщина тормозного диска (мм) : 22
Высота [мм] : 47
Диаметр центрирования [мм] : 62
Ø фаски [мм] : 114,3
Количество отверстий : 5
Минимальная толщина [мм] : 20
|
|
Тормозной диск
EUROREPAR 1676008980
Тип тормозного диска : цельный
Дополнительный артикул / дополнительная информация 2 : без кольца сенсора ABS
Наружный диаметр [мм] : 259
Толщина тормозного диска (мм) : 9
Высота [мм] : 43,2
Диаметр центрирования [мм] : 62
Ø фаски [мм] : 110
Количество отверстий : 5
Минимальная толщина [мм] : 8
|
|
Тормозной диск
EUROREPAR 1687786780
Тип тормозного диска : цельный
Наружный диаметр [мм] : 259
Толщина тормозного диска (мм) : 9
Высота [мм] : 43,2
Диаметр центрирования [мм] : 62
Количество отверстий : 5
Минимальная толщина [мм] : 8
|
|
Тормозной диск
FAI AutoParts BD311
Тип тормозного диска : цельный
Наружный диаметр [мм] : 259
Толщина тормозного диска (мм) : 9
необходимое количество : 2
Высота [мм] : 37,5
Диаметр центрирования [мм] : 61,8
Количество отверстий : 5
Поверхность : с покрытием
Минимальная толщина [мм] : 8
|
|
Тормозной диск
FAI AutoParts BD539
Тип тормозного диска : вентилируемый
Наружный диаметр [мм] : 280
Толщина тормозного диска (мм) : 22
необходимое количество : 2
Высота [мм] : 45,8
Диаметр центрирования [мм] : 62
Количество отверстий : 5
Поверхность : с покрытием
Минимальная толщина [мм] : 20
|
|
Тормозной диск
FAI AutoParts FPBD1174
Тип тормозного диска : цельный
Наружный диаметр [мм] : 259
Толщина тормозного диска (мм) : 9
Высота [мм] : 37,5
Диаметр центрирования [мм] : 61,8
Количество отверстий : 5
Поверхность : с покрытием
Минимальная толщина [мм] : 8
|
|
Тормозной диск
FAI AutoParts FPBD1437
Тип тормозного диска : вентилируемый
Наружный диаметр [мм] : 280
Толщина тормозного диска (мм) : 22
Высота [мм] : 45,8
Диаметр центрирования [мм] : 62
Количество отверстий : 5
Поверхность : с покрытием
Минимальная толщина [мм] : 20
|
|
Тормозной диск
FEBI BILSTEIN 108472
Толщина тормозного диска (мм) : 22
Число отверстий в диске колеса : 5
Количество крепежных отверстий : 4
Толщина [мм] : 47
Наружный диаметр [мм] : 280
Ø фаски [мм] : 114,3
Поверхность : с покрытием
Тип тормозного диска : вентилируемый
Сторона установки : передний мост
Минимальная толщина [мм] : 20
Диаметр центрирования [мм] : 62
Соблюдать сервисную информацию :
|
|
Тормозной диск
FEBI BILSTEIN 108494
Толщина тормозного диска (мм) : 9
Число отверстий в диске колеса : 5
Количество крепежных отверстий : 3
Толщина [мм] : 43,2
Наружный диаметр [мм] : 259
Ø фаски [мм] : 114,3
Поверхность : с покрытием
Тип тормозного диска : цельный
Сторона установки : Задний мост
Минимальная толщина [мм] : 8
Диаметр центрирования [мм] : 62
Соблюдать сервисную информацию :
|
|
Тормозной диск
FERODO DDF1620
Тип тормозного диска : вентилируемый
Наружный диаметр [мм] : 280
Толщина тормозного диска (мм) : 22
Дополнительный артикул / дополнительная информация 2 : с винтами
Высота [мм] : 47
Ø фаски [мм] : 114,3
Диаметр центрирования [мм] : 62
Количество отверстий : 5
Количественная единица : комплект
Поверхность : промасленный
проверочное значение : R90 Homologated
Вес [кг] : 12,26
Минимальная толщина [мм] : 20
Момент затяжки [Нм] : 86
Тип контейнера : Коробка
Длина упаковки [см] : 28,5
Ширина упаковки [см] : 28,5
Высота упаковки [см] : 9,3
|
|
Тормозной диск
FERODO DDF1620C
Тип тормозного диска : вентилируемый
Наружный диаметр [мм] : 280
Толщина тормозного диска (мм) : 22
Дополнительный артикул / дополнительная информация 2 : с винтами
Высота [мм] : 47
Ø фаски [мм] : 114,3
Диаметр центрирования [мм] : 62
Количество отверстий : 5
Количественная единица : комплект
Поверхность : с покрытием
проверочное значение : R90 Homologated
Вес [кг] : 12,26
Минимальная толщина [мм] : 20
Момент затяжки [Нм] : 86
Длина упаковки [см] : 28,5
Ширина упаковки [см] : 28,5
Высота упаковки [см] : 9,3
|
|
Тормозной диск
FERODO DDF2791C
Тип тормозного диска : вентилируемый
Наружный диаметр [мм] : 280
Толщина тормозного диска (мм) : 22
Дополнительный артикул / дополнительная информация 2 : без винтов
Высота [мм] : 47
Ø фаски [мм] : 114,3
Диаметр центрирования [мм] : 62
Количество отверстий : 5
Поверхность : с покрытием
проверочное значение : R90 homologated
Минимальная толщина [мм] : 20
Тип контейнера : Коробка
Длина упаковки [см] : 29
Ширина упаковки [см] : 29
Высота упаковки [см] : 11,5
|
|
Тормозной диск
FERODO DDF2493C
Тип тормозного диска : цельный
Наружный диаметр [мм] : 259
Толщина тормозного диска (мм) : 9
Дополнительный артикул / дополнительная информация 2 : без винтов
Высота [мм] : 43,2
Ø фаски [мм] : 114,3
Диаметр центрирования [мм] : 62
Количество крепежных отверстий : 3
Количество отверстий : 5
Количественная единица : комплект
Поверхность : с покрытием
проверочное значение : R90 Homologated
Минимальная толщина [мм] : 8
Тип контейнера : Коробка
Длина упаковки [см] : 26
Ширина упаковки [см] : 26
Высота упаковки [см] : 9,1
|
|
Тормозной диск
FREMAX BD-6041
Тип тормозного диска : вентилируемый
Наружный диаметр [мм] : 280
Толщина тормозного диска (мм) : 22
Высота [мм] : 47
Ø фаски [мм] : 2
Диаметр центрирования [мм] : 62
Количество крепежных отверстий : 5
Поверхность : с покрытием
Вес [кг] : 5,97
Минимальная толщина [мм] : 20
|
|
Тормозной диск
FREMAX BD-6097
Тип тормозного диска : цельный
Наружный диаметр [мм] : 259
Толщина тормозного диска (мм) : 9
Высота [мм] : 43,5
Ø фаски [мм] : 114,3
Диаметр центрирования [мм] : 62
Количество крепежных отверстий : 5
Поверхность : с покрытием
Вес [кг] : 3,6
Минимальная толщина [мм] : 8
|
|
Тормозной диск
fri.tech. BD1712
проверочное значение : ECE-R90
Высота [мм] : 47
Тип тормозного диска : вентилируемый
Толщина тормозного диска (мм) : 22
Наружный диаметр [мм] : 280
Количество отверстий : 5
Диаметр центрирования [мм] : 62
Поверхность : лакированный
|
|
Тормозной диск
fri.tech. BD1713
проверочное значение : ECE-R90
Высота [мм] : 43,2
Тип тормозного диска : цельный
Толщина тормозного диска (мм) : 9
Наружный диаметр [мм] : 259
Количество отверстий : 5
Диаметр центрирования [мм] : 62
Поверхность : лакированный
|
|
Тормозной диск
HART 250 391
Высота [мм] : 47
Тип тормозного диска : вентилируемый
Толщина тормозного диска (мм) : 22
Наружный диаметр [мм] : 280
|
|
Тормозной диск
HART 260 522
Высота [мм] : 43,2
Тип тормозного диска : цельный
Толщина тормозного диска (мм) : 9
Наружный диаметр [мм] : 259
|
|
Тормозной диск
HART 262 118
Высота [мм] : 47
Тип тормозного диска : вентилируемый
Толщина тормозного диска (мм) : 22
Наружный диаметр [мм] : 280
|
|
Тормозной диск
HERTH+BUSS JAKOPARTS J3308033
Тип тормозного диска : вентилируемый
Наружный диаметр [мм] : 280
Толщина тормозного диска (мм) : 22
Минимальная толщина [мм] : 20
Количество отверстий : 5
Ø фаски [мм] : 114,3
Высота [мм] : 47
Диаметр ступицы колеса [мм] : 62
Сторона установки : передний мост
SVHC : Не содержит особо опасных веществ!
|
|
Тормозной диск
HERTH+BUSS JAKOPARTS J3318008
Тип тормозного диска : цельный
Наружный диаметр [мм] : 259
Толщина тормозного диска (мм) : 9
Минимальная толщина [мм] : 8
Количество отверстий : 5
Количество отверстий 1 : 2
Ø фаски [мм] : 114,3
Внутренний диаметр : 146
Высота [мм] : 43,3
Диаметр ступицы [мм] : 62
Количество отверстий 2 : 1
Сторона установки : Задний мост
SVHC : Не содержит особо опасных веществ!
|
|
Тормозной диск
Hi-Q SD4810
Вес [кг] : 5,34
Толщина [мм] : 22
Тип тормозного диска : вентилируемый
Толщина тормозного диска (мм) : 20
Ø фаски [мм] : 114,3
Количество отверстий : 9
Высота [мм] : 47
Диаметр центрирования [мм] : 62
Наружный диаметр [мм] : 280
|
|
Тормозной диск
ICER 78BD6097-2
Толщина тормозного диска (мм) : 8
Наружный диаметр [мм] : 259
Тип тормозного диска : цельный
Высота [мм] : 43,2
Диаметр центрирования [мм] : 62
Ø фаски [мм] : 114,3
Исполнение оси : Rear
Номер технической информации : 78BD6097-2
Диаметр [мм] : 62
Толщина [мм] : 9
Минимальная толщина [мм] : 8
Расположение/число отверстий : 5
Вес [кг] : 7 000
|
|
Тормозной диск
JAPANPARTS DI-820C
Сторона установки : передний мост
Ø фаски [мм] : 62,1
Высота [мм] : 47
Наружный диаметр [мм] : 279
Толщина тормозного диска (мм) : 22
Минимальная толщина [мм] : 20
Число отверстий : 5
Тип тормозного диска : вентилируемый
проверочное значение : ECE R90 APPROVED
Поверхность : лакированный
Момент затяжки [Нм] : 86
для оригинального номера : 5531180J03
|
|
Тормозной диск
JAPANPARTS DI-827C
Сторона установки : передний мост
Ø фаски [мм] : 62
Высота [мм] : 48
Наружный диаметр [мм] : 280
Толщина тормозного диска (мм) : 22
Минимальная толщина [мм] : 20
Число отверстий : 5
Тип тормозного диска : вентилируемый
Поверхность : лакированный
для оригинального номера : 5531161M00
|
|
Тормозной диск
JAPANPARTS DP-804C
Сторона установки : Задний мост
Ø фаски [мм] : 62
Высота [мм] : 44
Наружный диаметр [мм] : 259
Толщина тормозного диска (мм) : 9
Минимальная толщина [мм] : 7
Число отверстий : 5
Тип тормозного диска : цельный
проверочное значение : ECE R90 APPROVED
Поверхность : лакированный
для оригинального номера : 5561172L00
|
|
Тормозной диск
JAPKO 60820C
Сторона установки : передний мост
Ø фаски [мм] : 62,1
Высота [мм] : 47
Наружный диаметр [мм] : 279
Толщина тормозного диска (мм) : 22
Минимальная толщина [мм] : 20
Число отверстий : 5
Тип тормозного диска : вентилируемый
проверочное значение : ECE R90 APPROVED
Поверхность : лакированный
Момент затяжки [Нм] : 86
для оригинального номера : 5531180J03
|
|
Тормозной диск
JAPKO 60827C
Сторона установки : передний мост
Ø фаски [мм] : 62
Высота [мм] : 48
Наружный диаметр [мм] : 280
Толщина тормозного диска (мм) : 22
Минимальная толщина [мм] : 20
Число отверстий : 5
Тип тормозного диска : вентилируемый
Поверхность : лакированный
для оригинального номера : 5531161M00
|
|
Тормозной диск
JAPKO 61804C
Сторона установки : Задний мост
Ø фаски [мм] : 62
Высота [мм] : 44
Наружный диаметр [мм] : 259
Толщина тормозного диска (мм) : 9
Минимальная толщина [мм] : 7
Число отверстий : 5
Тип тормозного диска : цельный
проверочное значение : ECE R90 APPROVED
Поверхность : лакированный
для оригинального номера : 5561172L00
|
|
Тормозной диск
JP GROUP 4763101400
Тип тормозного диска : вентилируемый
Толщина тормозного диска (мм) : 22
Поверхность : с покрытием
Сторона установки : передний мост
Количество отверстий : 5
Наружный диаметр [мм] : 280
|
|
Тормозной диск
JP GROUP 4763200100
Тип тормозного диска : цельный
Толщина тормозного диска (мм) : 9
Поверхность : с покрытием
Сторона установки : Задний мост
Количество отверстий : 5
Наружный диаметр [мм] : 259
|
|
Тормозной диск
JPN 40H8006-JPN
Сторона установки : Задний мост
Тип тормозного диска : цельный
Высота [мм] : 43,3
Толщина тормозного диска (мм) : 9
Наружный диаметр [мм] : 259
Количество отверстий : 5
Диаметр центрирования [мм] : 62
|
|
Тормозной диск
JPN 40H9090-JPN
Тип тормозного диска : цельный
Число отверстий в диске колеса : 5
Высота [мм] : 43,4
Толщина тормозного диска (мм) : 9
Наружный диаметр [мм] : 259
Диаметр ступицы [мм] : 62
|
|
Тормозной диск
JURATEK SUZ128
Тип тормозного диска : вентилируемый
Наружный диаметр [мм] : 280
Толщина тормозного диска (мм) : 22
Высота [мм] : 47
Ø фаски [мм] : 114
Диаметр центрирования [мм] : 62
Количество крепежных отверстий : 5
парные номера артикулов : JCA1364L
парные номера артикулов : JCA1364R
парные номера артикулов : JCP090
парные номера артикулов : JCP8172
парные номера артикулов : NKR0178
Поверхность : с покрытием
Вес [кг] : 5,5
Диаметр отверстия [мм] : 12,7
Тип тормоза : Дисковой тормозной механизм
Минимальная толщина [мм] : 20
|
|
Тормозной диск
JURATEK SUZ138
Тип тормозного диска : цельный
Наружный диаметр [мм] : 259
Толщина тормозного диска (мм) : 9
Высота [мм] : 43
Ø фаски [мм] : 114
Диаметр центрирования [мм] : 62
Количество крепежных отверстий : 5
парные номера артикулов : JCA1283L
парные номера артикулов : JCA1283R
парные номера артикулов : JCP8053
парные номера артикулов : NKF8487
парные номера артикулов : NKF8488
парные номера артикулов : NKF8641
Поверхность : с покрытием
Вес [кг] : 3,8
Диаметр отверстия [мм] : 14,2
Тип тормоза : Дисковой тормозной механизм
Минимальная толщина [мм] : 8
Внутренний диаметр : 150
|
|
Тормозной диск
JURID 562534JC
Тип тормозного диска : вентилируемый
Наружный диаметр [мм] : 280
Толщина тормозного диска (мм) : 22
Дополнительный артикул / дополнительная информация 2 : с винтами
Версия : JC
Высота [мм] : 47
Ø фаски [мм] : 114,3
Диаметр центрирования [мм] : 62
Количество отверстий : 5
Количественная единица : комплект
Поверхность : с покрытием
Вес [кг] : 12,26
Минимальная толщина [мм] : 20
Момент затяжки [Нм] : 86
Тип контейнера : Коробка
Длина упаковки [см] : 28,5
Ширина упаковки [см] : 28,5
Высота упаковки [см] : 11
|
|
Тормозной диск
JURID 563279JC
Тип тормозного диска : вентилируемый
Наружный диаметр [мм] : 280
Толщина тормозного диска (мм) : 22
Дополнительный артикул / дополнительная информация 2 : без винтов
Версия : JC
Высота [мм] : 47
Количество отверстий : 5
Поверхность : с покрытием
Диаметр отверстия [мм] : 62
Минимальная толщина [мм] : 20
Тип контейнера : Коробка
|
|
Тормозной диск
JURID 563141JC
Тип тормозного диска : цельный
Наружный диаметр [мм] : 259
Толщина тормозного диска (мм) : 9
Дополнительный артикул / дополнительная информация 2 : с винтами
Версия : JC
Высота [мм] : 43,2
Ø фаски [мм] : 114,3
Диаметр центрирования [мм] : 62
Количество крепежных отверстий : 3
Количество отверстий : 5
Количественная единица : комплект
Поверхность : с покрытием
Минимальная толщина [мм] : 8
Тип контейнера : Коробка
Длина упаковки [см] : 26
Ширина упаковки [см] : 26
Высота упаковки [см] : 9,1
|
|
Тормозной диск
KAISHIN CBR316
для оригинального номера : 5531180J03
Сторона установки : передний мост
проверочное значение : ECE R90 APPROVED
Высота [мм] : 47
Тип тормозного диска : вентилируемый
Толщина тормозного диска (мм) : 22
Минимальная толщина [мм] : 20
Число отверстий : 5
Наружный диаметр [мм] : 279
Количество отверстий : 5
Момент затяжки [Нм] : 86
Ø фаски [мм] : 62,1
Поверхность : лакированный
|
|
Тормозной диск
KAISHIN CBR581
для оригинального номера : 5531161M00
Сторона установки : передний мост
Высота [мм] : 48
Тип тормозного диска : вентилируемый
Толщина тормозного диска (мм) : 22
Минимальная толщина [мм] : 20
Число отверстий : 5
Наружный диаметр [мм] : 280
Диаметр центрирования [мм] : 62
Ø фаски [мм] : 62
Поверхность : лакированный
|
|
Тормозной диск
KAMOKA 103466
Сторона установки : Задний мост
Тип тормозного диска : цельный
Толщина тормозного диска (мм) : 9
Наружный диаметр [мм] : 260
|
|
Тормозной диск
KAMOKA 103506
Сторона установки : Задний мост
Тип тормозного диска : цельный
Толщина тормозного диска (мм) : 9
Ø фаски [мм] : 114
Количество отверстий : 5
Высота [мм] : 43
Диаметр центрирования [мм] : 62
Поверхность : с покрытием
Наружный диаметр [мм] : 259
|
|
Тормозной диск
KAMOKA 103568
Сторона установки : передний мост
Тип тормозного диска : вентилируемый
Толщина тормозного диска (мм) : 22
Ø фаски [мм] : 114
Количество отверстий : 5
Высота [мм] : 47
Диаметр центрирования [мм] : 62
Поверхность : с покрытием
Наружный диаметр [мм] : 280
|
|
Тормозной диск
Kavo Parts BR-8741-C
проверочное значение : R90
Высота [мм] : 43
Тип тормозного диска : цельный
Толщина тормозного диска (мм) : 9
Минимальная толщина [мм] : 8
Наружный диаметр [мм] : 259
Количество отверстий : 5
Диаметр центрирования [мм] : 62
Ø фаски [мм] : 114,3
Поверхность : с покрытием
|
|
Тормозной диск
Kavo Parts BR-8742-C
проверочное значение : R90
Высота [мм] : 47
Тип тормозного диска : вентилируемый
Толщина тормозного диска (мм) : 22
Минимальная толщина [мм] : 20
Наружный диаметр [мм] : 280
Количество отверстий : 5
Диаметр центрирования [мм] : 62
Ø фаски [мм] : 114,3
Поверхность : с покрытием
|
|
Тормозной диск
KAWE 61665 10
Диаметр [мм] : 280
Сторона установки : передний мост
Тип тормозного диска : вентилируемый
Минимальная толщина [мм] : 20
Толщина тормозного диска (мм) : 22
Ø фаски [мм] : 114,3
Количество отверстий : 5
Высота [мм] : 47
Диаметр центрирования [мм] : 62
Наружный диаметр [мм] : 280
|
|
Тормозной диск
KAWE 61666 00
Диаметр [мм] : 259
Сторона установки : Задний мост
Тип тормозного диска : цельный
Минимальная толщина [мм] : 8
Толщина тормозного диска (мм) : 9
Ø фаски [мм] : 114,3
Количество отверстий : 5
Высота [мм] : 43,2
Диаметр центрирования [мм] : 62
Наружный диаметр [мм] : 259
|
|
Тормозной диск
KAWE 6648 10
Диаметр [мм] : 287,8
Сторона установки : передний мост
Вес [кг] : 7,32
Тип тормозного диска : вентилируемый
Минимальная толщина [мм] : 22
Толщина тормозного диска (мм) : 24,9
Количество отверстий : 9
проверочное значение : K.B.A.: 61209
Высота [мм] : 49,7
Диаметр центрирования [мм] : 65
Наружный диаметр [мм] : 288
|
|
Тормозной диск
LPR S5020P
Минимальная толщина [мм] : 8
Наружный диаметр [мм] : 259
Количество отверстий : 5
Диаметр центрирования [мм] : 62
Толщина тормозного диска (мм) : 9
Высота [мм] : 43,2
Тип тормозного диска : цельный
|
|
Тормозной диск
LPR S5020PR
Количество отверстий : 5
Высота [мм] : 43,2
Тип тормозного диска : цельный
Толщина тормозного диска (мм) : 9
Наружный диаметр [мм] : 259
Диаметр центрирования [мм] : 62
Минимальная толщина [мм] : 8
Поверхность : с покрытием
|
|
Тормозной диск
LPR S5022V
Тип тормозного диска : вентилируемый
Наружный диаметр [мм] : 280
Минимальная толщина [мм] : 20
Толщина тормозного диска (мм) : 22
Диаметр центрирования [мм] : 62
Высота [мм] : 47
Количество отверстий : 5
|
|
Тормозной диск
LPR S5022VR
Поверхность : с покрытием
Высота [мм] : 47
Тип тормозного диска : вентилируемый
Толщина тормозного диска (мм) : 22
Минимальная толщина [мм] : 20
Наружный диаметр [мм] : 280
Количество отверстий : 5
Диаметр центрирования [мм] : 62
|
|
Тормозной диск
LYNXAUTO BN-1941
Сторона установки : передний мост
Наружный диаметр [мм] : 280
Толщина тормозного диска (мм) : 22
Минимальная толщина [мм] : 20
Диаметр центрирования [мм] : 62
Высота [мм] : 47
Количество отверстий : 5
Ø фаски [мм] : 114,3
Тип тормозного диска : вентилируемый
|
|
Тормозной диск
LYNXAUTO BN-1942
Сторона установки : Задний мост
Наружный диаметр [мм] : 259
Толщина тормозного диска (мм) : 9
Минимальная толщина [мм] : 8
Диаметр центрирования [мм] : 62
Высота [мм] : 43
Количество отверстий : 5
Ø фаски [мм] : 114,3
Тип тормозного диска : цельный
|
|
Тормозной диск
MAGNETI MARELLI 360406216701
Поверхность : покрытый УФ-лаком
Тип тормозного диска : цельный
Диаметр [мм] : 259
Высота [мм] : 43
Минимальная толщина [мм] : 8
Толщина тормозного диска (мм) : 9
Наружный диаметр [мм] : 259
|
|
Тормозной диск
MAGNETI MARELLI 361302040837
Тип тормозного диска : вентилируемый
Высота [мм] : 47
Минимальная толщина [мм] : 20
Количество отверстий : 5
Толщина тормозного диска (мм) : 22
Наружный диаметр [мм] : 280
|
|
Тормозной диск
MANDO MBC035263
Сторона установки : передний мост
Тип тормозного диска : вентилируемый
Толщина тормозного диска (мм) : 22
Количество отверстий : 5
Высота [мм] : 47
Диаметр центрирования [мм] : 62
Наружный диаметр [мм] : 280
|
|
Тормозной диск
METELLI 23-1530C
проверочное значение : ECE-R90
Высота [мм] : 47
Тип тормозного диска : вентилируемый
Толщина тормозного диска (мм) : 22
Наружный диаметр [мм] : 280
Количество отверстий : 5
Диаметр центрирования [мм] : 62
Поверхность : лакированный
|
|
Тормозной диск
METELLI 23-1531C
проверочное значение : ECE-R90
Высота [мм] : 43,2
Тип тормозного диска : цельный
Толщина тормозного диска (мм) : 9
Наружный диаметр [мм] : 259
Количество отверстий : 5
Диаметр центрирования [мм] : 62
Поверхность : лакированный
|
|
Тормозной диск
MEYLE 33-15 521 0019/PD
Сторона установки : передний мост
Наружный диаметр [мм] : 279,5
Высота [мм] : 47
Толщина тормозного диска (мм) : 22
Минимальная толщина [мм] : 20
Диаметр центрирования [мм] : 62
Ø фаски [мм] : 114,3
Диаметр отверстия под шпильку колеса [мм] : 12,7
Количество отверстий : 5
Тип тормозного диска : вентилируемый
Поверхность : оцинкованная
Дополнительный артикул / дополнительная информация 2 : с винтами
Качество : PREMIUM
необходимое количество : 2
|
|
Тормозной диск
MEYLE 33-15 523 0006/PD
Сторона установки : Задний мост
Наружный диаметр [мм] : 259
Высота [мм] : 43,2
Толщина тормозного диска (мм) : 9
Минимальная толщина [мм] : 8
Диаметр центрирования [мм] : 62
Ø фаски [мм] : 114,3
Диаметр отверстия под шпильку колеса [мм] : 14,2
Количество отверстий : 5
Тип тормозного диска : цельный
Поверхность : оцинкованная
Качество : PREMIUM
необходимое количество : 2
|
|
Тормозной диск
MILES K001846
Наружный диаметр [мм] : 280
Толщина тормозного диска (мм) : 22
Минимальная толщина [мм] : 20
Высота [мм] : 45,8
Число отверстий в диске колеса : 5
Тип тормозного диска : вентилируемый
Диаметр центрирования [мм] : 62
Поверхность : промасленный
Вес нетто [кг] : 5,3
|
|
Тормозной диск
MILES K201846
Наружный диаметр [мм] : 280
Толщина тормозного диска (мм) : 22
Минимальная толщина [мм] : 20
Высота [мм] : 45,8
Число отверстий в диске колеса : 5
Тип тормозного диска : вентилируемый
Диаметр центрирования [мм] : 62
Поверхность : промасленный
Вес нетто [кг] : 5,3
Сторона установки : спереди
Поверхность : с покрытием
|
|
Тормозной диск
MINTEX MDC2611
Тип тормозного диска : вентилируемый
Наружный диаметр [мм] : 280
Толщина тормозного диска (мм) : 22
Высота [мм] : 47
Минимальная толщина [мм] : 20
Внутренний диаметр : 146
Ø фаски [мм] : 114,3
Диаметр центрирования [мм] : 62
Расположение/число отверстий : 05/09
Диаметр отверстия под шпильку колеса [мм] : 12,7
Дополнительный артикул / дополнительная информация 2 : без ступицы
Дополнительный артикул / дополнительная информация 2 : без колесного подшипника
Дополнительный артикул / дополнительная информация 2 : без колесной крепящей оси
Длина упаковки [см] : 30,8
Ширина упаковки [см] : 30,8
Высота упаковки [см] : 12,7
Вес [кг] : 5,3
|
|
Тормозной диск
MINTEX MDC2612
Тип тормозного диска : цельный
Наружный диаметр [мм] : 259
Толщина тормозного диска (мм) : 9
Высота [мм] : 43,2
Минимальная толщина [мм] : 8
Внутренний диаметр : 149,7
Ø фаски [мм] : 114,3
Диаметр центрирования [мм] : 62
Расположение/число отверстий : 05/08
Диаметр отверстия под шпильку колеса [мм] : 14,2
Дополнительный артикул / дополнительная информация 2 : без ступицы
Дополнительный артикул / дополнительная информация 2 : без колесного подшипника
Дополнительный артикул / дополнительная информация 2 : без колесной крепящей оси
Длина упаковки [см] : 27,8
Ширина упаковки [см] : 27,8
Высота упаковки [см] : 10,5
Вес [кг] : 3,5
|
|
Тормозной диск
MOTAQUIP LVBD1734
Тип тормозного диска : вентилируемый
Наружный диаметр [мм] : 280
Толщина тормозного диска (мм) : 22
Высота [мм] : 46
Диаметр центрирования [мм] : 62
Количество отверстий : 5
Поверхность : с покрытием
Вес [кг] : 5,67
Минимальная толщина [мм] : 20
Число отверстий : 4
|
|
Тормозной диск
MOTAQUIP LVBD1735
Тип тормозного диска : цельный
Наружный диаметр [мм] : 259
Толщина тормозного диска (мм) : 9
Высота [мм] : 43
Диаметр центрирования [мм] : 62
Количество отверстий : 5
Поверхность : с покрытием
Вес [кг] : 3,78
Минимальная толщина [мм] : 8
Число отверстий : 3
|
|
Тормозной диск
National NBD2017
Тип тормозного диска : вентилируемый
Наружный диаметр [мм] : 280
Толщина тормозного диска (мм) : 22
Высота [мм] : 47
Ø фаски [мм] : 114
Диаметр центрирования [мм] : 62
Количество отверстий : 5
|
|
Тормозной диск
National NBD2018
Тип тормозного диска : цельный
Наружный диаметр [мм] : 259
Толщина тормозного диска (мм) : 9
Высота [мм] : 43
Ø фаски [мм] : 114
Диаметр центрирования [мм] : 62
Количество отверстий : 5
|
|
Тормозной диск
NiBK RN1692
Сторона установки : передний мост
Тип тормозного диска : вентилируемый
Наружный диаметр [мм] : 280
Толщина тормозного диска (мм) : 22
Минимальная толщина [мм] : 20
Количество отверстий : 5
Ø фаски [мм] : 114,3
Высота [мм] : 47
Диаметр центрирования [мм] : 62
Внутренний диаметр : 146,6
|
|
Тормозной диск
NiBK RN1693
Сторона установки : Задний мост
Тип тормозного диска : цельный
Наружный диаметр [мм] : 259
Толщина тормозного диска (мм) : 9
Минимальная толщина [мм] : 8
Количество отверстий : 5
Ø фаски [мм] : 114,3
Высота [мм] : 43,4
Диаметр центрирования [мм] : 62
Внутренний диаметр : 147
|
|
Тормозной диск
NIPPARTS N3308030
Сторона установки : передний мост
Тип тормозного диска : вентилируемый
Толщина тормозного диска (мм) : 22
Наружный диаметр [мм] : 280
Высота [мм] : 47
Количество отверстий : 5
Диаметр центрирования [мм] : 62
Ø фаски [мм] : 114,3
Поверхность : лакированный
Диаметр ступицы колеса [мм] : 157
Минимальная толщина [мм] : 20
|
|
Тормозной диск
NIPPARTS N3318010
Сторона установки : Задний мост
Тип тормозного диска : цельный
Толщина тормозного диска (мм) : 9
Наружный диаметр [мм] : 258
Высота [мм] : 43,4
Количество отверстий : 5
Диаметр центрирования [мм] : 62
Ø фаски [мм] : 114,3
Диаметр ступицы колеса [мм] : 160
Минимальная толщина [мм] : 7
|
|
Тормозной диск
NK 205231
Наружный диаметр [мм] : 280
Толщина тормозного диска (мм) : 22
Минимальная толщина [мм] : 20
Высота [мм] : 45,8
Число отверстий в диске колеса : 5
Тип тормозного диска : вентилируемый
Диаметр центрирования [мм] : 62
Поверхность : промасленный
Вес нетто [кг] : 5,34
|
|
Тормозной диск
NK 315231
Наружный диаметр [мм] : 280
Толщина тормозного диска (мм) : 22
Минимальная толщина [мм] : 20
Высота [мм] : 45,8
Число отверстий в диске колеса : 5
Тип тормозного диска : вентилируемый
Диаметр центрирования [мм] : 62
Поверхность : с покрытием
Вес нетто [кг] : 5,34
|
|
Тормозной диск
NK 205232
Наружный диаметр [мм] : 259
Толщина тормозного диска (мм) : 9
Минимальная толщина [мм] : 8
Высота [мм] : 43,2
Число отверстий в диске колеса : 5
Тип тормозного диска : цельный
Диаметр центрирования [мм] : 61,8
Поверхность : промасленный
Вес нетто [кг] : 3,54
|
|
Тормозной диск
NK 315232
Наружный диаметр [мм] : 259
Толщина тормозного диска (мм) : 9
Минимальная толщина [мм] : 8
Высота [мм] : 43,2
Число отверстий в диске колеса : 5
Тип тормозного диска : цельный
Диаметр центрирования [мм] : 61,8
Поверхность : с покрытием
Вес нетто [кг] : 3,54
|
|
Тормозной диск
NPS S331I06
Спецификация : Qte packaging: 1
Сторона установки : Задний мост
проверочное значение : E1 90R-02C0100/1205
Количество частей [част.] : 1
Тип тормозного диска : цельный
Наружный диаметр [мм] : 259
Диаметр [мм] : 259
Количество отверстий : 5
Диаметр центрирования [мм] : 62
Количество крепежных отверстий : 3
Толщина тормозного диска (мм) : 9
|
|
Тормозной диск
Open Parts BDA2773.10
Тип тормозного диска : цельный
Наружный диаметр [мм] : 259
Высота [мм] : 43,2
Толщина тормозного диска (мм) : 9
Диаметр центрирования [мм] : 62
Количество отверстий : 5
Дополнительный артикул / дополнительная информация 2 : с винтами
Минимальная толщина [мм] : 8
|
|
Тормозной диск
Open Parts BDA2774.20
Тип тормозного диска : вентилируемый
Наружный диаметр [мм] : 280
Высота [мм] : 47
Толщина тормозного диска (мм) : 22
Диаметр центрирования [мм] : 62
Количество отверстий : 5
Дополнительный артикул / дополнительная информация 2 : с винтами
Минимальная толщина [мм] : 20
|
|
Тормозной диск
OPTIMAL BS-9426C
Сторона установки : передний мост
Тип тормозного диска : вентилируемый
Толщина тормозного диска (мм) : 22
Наружный диаметр [мм] : 280
Высота [мм] : 47
Диаметр центрирования [мм] : 62
Поверхность : с покрытием
Минимальная толщина [мм] : 20
Расположение/число отверстий : 5/9
|
|
Тормозной диск
OPTIMAL BS-9428C
Сторона установки : Задний мост
Тип тормозного диска : цельный
Толщина тормозного диска (мм) : 9
Наружный диаметр [мм] : 259
Высота [мм] : 43,2
Диаметр центрирования [мм] : 62
Поверхность : с покрытием
Минимальная толщина [мм] : 8
Расположение/число отверстий : 5/8
|
|
Тормозной диск
OSSCA 65546
Сторона установки : передний мост
Тип тормозного диска : вентилируемый
Толщина тормозного диска (мм) : 22
Высота [мм] : 47
Наружный диаметр [мм] : 280
|
|
Тормозной диск
OSSCA 80448
Сторона установки : Задний мост
Тип тормозного диска : цельный
Толщина тормозного диска (мм) : 9
Высота [мм] : 43,2
Наружный диаметр [мм] : 259
|
|
Тормозной диск
Oyodo 30H8027-OYO
Тип тормозного диска : вентилируемый
Высота [мм] : 47
Толщина тормозного диска (мм) : 22
Наружный диаметр [мм] : 279
Количество отверстий : 5
|
|
Тормозной диск
Oyodo 40H8006-OYO
Тип тормозного диска : цельный
Толщина тормозного диска (мм) : 9
Наружный диаметр [мм] : 259
Количество отверстий : 5
|
|
Тормозной диск
PAGID 55683NC
Тип тормозного диска : вентилируемый
Наружный диаметр [мм] : 280
Толщина тормозного диска (мм) : 22
Высота [мм] : 47
Минимальная толщина [мм] : 20
Поверхность : с покрытием
Внутренний диаметр : 146
Ø фаски [мм] : 114,3
Диаметр центрирования [мм] : 62
Расположение/число отверстий : 05/09
Диаметр отверстия под шпильку колеса [мм] : 12,7
Дополнительный артикул / дополнительная информация 2 : без ступицы
Дополнительный артикул / дополнительная информация 2 : без колесного подшипника
Дополнительный артикул / дополнительная информация 2 : без колесной крепящей оси
Длина упаковки [см] : 29,3
Ширина упаковки [см] : 29,3
Высота упаковки [см] : 6,5
Вес [кг] : 5,3
|
|
Тормозной диск
PAGID 55684NC
Тип тормозного диска : цельный
Наружный диаметр [мм] : 259
Толщина тормозного диска (мм) : 9
Высота [мм] : 43,2
Минимальная толщина [мм] : 8
Поверхность : с покрытием
Внутренний диаметр : 149,7
Ø фаски [мм] : 114,3
Диаметр центрирования [мм] : 62
Расположение/число отверстий : 05/08
Диаметр отверстия под шпильку колеса [мм] : 14,2
Дополнительный артикул / дополнительная информация 2 : без ступицы
Дополнительный артикул / дополнительная информация 2 : без колесного подшипника
Дополнительный артикул / дополнительная информация 2 : без колесной крепящей оси
Длина упаковки [см] : 27,8
Ширина упаковки [см] : 27,8
Высота упаковки [см] : 8,4
Вес [кг] : 3,5
|
|
Тормозной диск
PILENGA V1904
Сторона установки : передний мост
Тип тормозного диска : вентилируемый
Минимальная толщина [мм] : 20
Толщина тормозного диска (мм) : 22
Количество отверстий 1 : 5
Количество отверстий 2 : 2
Внутренний диаметр : 146,5
Высота [мм] : 47
Диаметр центрирования [мм] : 62
Наружный диаметр [мм] : 280
|
|
Тормозной диск
ProfiPower 3B1249
Поверхность головки кусачек : с покрытием
Наружная поверхность перчатки : с покрытием
Поверхность вершины лезвия : с покрытием
Покрытие контакта : с покрытием
Поверхность : с покрытием
Поверхность корпуса : с покрытием
Внутренняя поверхность перчатки : с покрытием
Поверхность бойка молотка : с покрытием
Поверхность рукоятка инструмента : с покрытием
Поверхность бойка молотка (квадратная сторона) : с покрытием
Поверхность лезвий : с покрытием
Поверхность острия бойка молотка : с покрытием
Поверхность лезвий : с покрытием
Поверхность сверла : с покрытием
Поверхность стержня : с покрытием
Поверхность губок : с покрытием
Поверхность рабочих концов : с покрытием
Поверхность бойка молотка (круглая сторона) : с покрытием
Поверхность рамы : с покрытием
Поверхность головки молотка : с покрытием
Тип тормозного диска : вентилируемый
Число отверстий в диске колеса : 5
Высота [мм] : 47
Толщина тормозного диска (мм) : 22
Минимальная толщина [мм] : 20
Наружный диаметр [мм] : 280
Диаметр центрирования [мм] : 62
|
|
Тормозной диск
ProfiPower 3B2204
Поверхность бойка молотка : с покрытием
Поверхность губок : с покрытием
Покрытие контакта : с покрытием
Поверхность лезвий : с покрытием
Поверхность бойка молотка (квадратная сторона) : с покрытием
Поверхность : с покрытием
Наружная поверхность перчатки : с покрытием
Внутренняя поверхность перчатки : с покрытием
Поверхность сверла : с покрытием
Поверхность головки молотка : с покрытием
Поверхность корпуса : с покрытием
Поверхность вершины лезвия : с покрытием
Поверхность острия бойка молотка : с покрытием
Поверхность головки кусачек : с покрытием
Поверхность бойка молотка (круглая сторона) : с покрытием
Поверхность лезвий : с покрытием
Поверхность стержня : с покрытием
Поверхность рукоятка инструмента : с покрытием
Поверхность рамы : с покрытием
Поверхность рабочих концов : с покрытием
Тип тормозного диска : цельный
Число отверстий в диске колеса : 5
Высота [мм] : 43,4
Толщина тормозного диска (мм) : 9
Минимальная толщина [мм] : 7
Наружный диаметр [мм] : 259
Диаметр центрирования [мм] : 62
|
|
Тормозной диск
QUARO QD6913
Тип тормозного диска : вентилируемый
Наружный диаметр [мм] : 280
Толщина тормозного диска (мм) : 22
Дополнительный артикул / дополнительная информация 2 : без ступицы
Дополнительный артикул / дополнительная информация 2 : без колесной крепящей оси
Высота [мм] : 47
Ø фаски [мм] : 114
Диаметр центрирования [мм] : 62
Количество отверстий : 5
Поверхность : лакированный
Минимальная толщина [мм] : 20
|
|
Тормозной диск
QUARO QD7940
Тип тормозного диска : цельный
Наружный диаметр [мм] : 259
Толщина тормозного диска (мм) : 9,1
Высота [мм] : 43,3
Ø фаски [мм] : 114
Диаметр центрирования [мм] : 62
Количество отверстий : 5
Поверхность : лакированный
Минимальная толщина [мм] : 8
|
|
Тормозной диск
QUINTON HAZELL BDC6148
Поверхность : с покрытием
Тип тормозного диска : вентилируемый
Наружный диаметр [мм] : 280
Толщина тормозного диска (мм) : 22
Минимальная толщина [мм] : 20
Высота [мм] : 47
Диаметр центрирования [мм] : 62
Ø фаски [мм] : 114
Количество отверстий : 5
|
|
Тормозной диск
QUINTON HAZELL BDC6243
Поверхность : с покрытием
Тип тормозного диска : цельный
Наружный диаметр [мм] : 259
Толщина тормозного диска (мм) : 9
Минимальная толщина [мм] : 8
Высота [мм] : 43,2
Диаметр центрирования [мм] : 62
Ø фаски [мм] : 114
Количество отверстий : 5
|
|
Тормозной диск
RAICAM RD01288
Сторона установки : передний мост
Минимальная толщина [мм] : 20
Высота [мм] : 45,8
Наружный диаметр [мм] : 280
Вес [кг] : 5,4
Диаметр центрирования [мм] : 62
Тип тормозного диска : вентилируемый
выполняет нормы ЕЭК : E1
Число отверстий в диске колеса : 5
Толщина тормозного диска (мм) : 22
|
|
Тормозной диск
RIDEX 82B1149
Тип тормозного диска : вентилируемый
Толщина тормозного диска (мм) : 22
Минимальная толщина [мм] : 20
Высота [мм] : 47
Расположение/число отверстий : 05/09
Ø фаски [мм] : 114,3
Диаметр центрирования [мм] : 62
Дополнительный артикул / дополнительная информация 2 : без колесной крепящей оси
Диаметр отверстия [мм] : 12,7
Внутренний диаметр : 146,3
Сторона установки : передний мост
Наружный диаметр [мм] : 280
|
|
Тормозной диск
RIDEX 82B1436
Толщина тормозного диска (мм) : 9
Минимальная толщина [мм] : 8
Высота [мм] : 43,2
Расположение/число отверстий : 5/8
Ø фаски [мм] : 114,3
Диаметр центрирования [мм] : 62
Дополнительный артикул / дополнительная информация 2 : без ступицы
Дополнительный артикул / дополнительная информация 2 : без колесной крепящей оси
Наружный диаметр [мм] : 259
Сторона установки : Задний мост
Тип тормозного диска : цельный
|
|
Тормозной диск
ROTINGER RT 12057
Тип тормозного диска : цельный
Сторона установки : Задний мост
Наружный диаметр [мм] : 259
Внутренний диаметр : 147
Диаметр центрирования [мм] : 62
Высота [мм] : 43,2
Толщина тормозного диска (мм) : 9
Минимальная толщина [мм] : 8
Количество отверстий : 5
Размер резьбы : 14,2
Количество отверстий 1 : 1
Расстояние между отверст. 1 [мм] : 114,3
Вес [кг] : 3,5
Ø фаски [мм] : 114,3
|
|
Тормозной диск
ROTINGER RT 12057-GL
Тип тормозного диска : цельный
Поверхность : с гальваническим покрытием
Сторона установки : Задний мост
Наружный диаметр [мм] : 259
Внутренний диаметр : 147
Диаметр центрирования [мм] : 62
Высота [мм] : 43,2
Толщина тормозного диска (мм) : 9
Минимальная толщина [мм] : 8
Количество отверстий : 5
Размер резьбы : 14,2
Количество отверстий 1 : 1
Расстояние между отверст. 1 [мм] : 114,3
Вес [кг] : 3,5
Ø фаски [мм] : 114,3
|
|
Тормозной диск
ROTINGER RT 12057-GL T3
Тип тормозного диска : цельный
Тип тормозного диска : перфорированный
Поверхность : с гальваническим покрытием
Сторона установки : Задний мост
Наружный диаметр [мм] : 259
Внутренний диаметр : 147
Диаметр центрирования [мм] : 62
Высота [мм] : 43,2
Толщина тормозного диска (мм) : 9
Минимальная толщина [мм] : 8
Количество отверстий : 5
Размер резьбы : 14,2
Количество отверстий 1 : 1
Расстояние между отверст. 1 [мм] : 114,3
Вес [кг] : 3,5
Ø фаски [мм] : 114,3
|
|
Тормозной диск
ROTINGER RT 12057-GL T5
Тип тормозного диска : перфорированный
Тип тормозного диска : цельный
Поверхность : с гальваническим покрытием
Сторона установки : Задний мост
Наружный диаметр [мм] : 259
Внутренний диаметр : 147
Диаметр центрирования [мм] : 62
Высота [мм] : 43,2
Толщина тормозного диска (мм) : 9
Минимальная толщина [мм] : 8
Количество отверстий : 5
Размер резьбы : 14,2
Количество отверстий 1 : 1
Расстояние между отверст. 1 [мм] : 114,3
Вес [кг] : 3,5
Ø фаски [мм] : 114,3
|
|
Тормозной диск
ROTINGER RT 12057-GL T6
Тип тормозного диска : цельный
Поверхность : с гальваническим покрытием
Сторона установки : Задний мост
Наружный диаметр [мм] : 259
Внутренний диаметр : 147
Диаметр центрирования [мм] : 62
Высота [мм] : 43,2
Толщина тормозного диска (мм) : 9
Минимальная толщина [мм] : 8
Количество отверстий : 5
Размер резьбы : 14,2
Количество отверстий 1 : 1
Расстояние между отверст. 1 [мм] : 114,3
Вес [кг] : 3,5
Ø фаски [мм] : 114,3
|
|
Тормозной диск
ROTINGER RT 12057-GL T9
Тип тормозного диска : цельный
Поверхность : с гальваническим покрытием
Сторона установки : Задний мост
Наружный диаметр [мм] : 259
Внутренний диаметр : 147
Диаметр центрирования [мм] : 62
Высота [мм] : 43,2
Толщина тормозного диска (мм) : 9
Минимальная толщина [мм] : 8
Количество отверстий : 5
Размер резьбы : 14,2
Количество отверстий 1 : 1
Расстояние между отверст. 1 [мм] : 114,3
Вес [кг] : 3,5
Ø фаски [мм] : 114,3
|
|
Тормозной диск
SAMKO S5020P
Толщина тормозного диска (мм) : 9
Минимальная толщина [мм] : 8
Высота [мм] : 43,2
Диаметр центрирования [мм] : 62
Количество отверстий : 5
Наружный диаметр [мм] : 259
Тип тормозного диска : цельный
|
|
Тормозной диск
SAMKO S5020PR
Минимальная толщина [мм] : 8
Поверхность : с покрытием
Диаметр центрирования [мм] : 62
Наружный диаметр [мм] : 259
Толщина тормозного диска (мм) : 9
Тип тормозного диска : цельный
Высота [мм] : 43,2
Количество отверстий : 5
|
|
Тормозной диск
SAMKO S5022V
Диаметр центрирования [мм] : 62
Тип тормозного диска : вентилируемый
Минимальная толщина [мм] : 20
Количество отверстий : 5
Наружный диаметр [мм] : 280
Высота [мм] : 47
Толщина тормозного диска (мм) : 22
|
|
Тормозной диск
SAMKO S5022VR
Минимальная толщина [мм] : 20
Поверхность : с покрытием
Диаметр центрирования [мм] : 62
Наружный диаметр [мм] : 280
Толщина тормозного диска (мм) : 22
Тип тормозного диска : вентилируемый
Высота [мм] : 47
Количество отверстий : 5
|
|
Тормозной диск
SKF VKBD 81141 V2
Тип тормозного диска : вентилируемый
Наружный диаметр [мм] : 280
Толщина тормозного диска (мм) : 22
Высота [мм] : 47
Ø фаски [мм] : 114,3
Диаметр центрирования [мм] : 62
Количество отверстий : 4
Поверхность : с покрытием
Минимальная толщина [мм] : 20
Число отверстий : 5
|
|
Тормозной диск
STARK SKBD-0023299
Тип тормозного диска : вентилируемый
Толщина тормозного диска (мм) : 22
Минимальная толщина [мм] : 20
Высота [мм] : 47
Расположение/число отверстий : 05/09
Ø фаски [мм] : 114,3
Диаметр центрирования [мм] : 62
Дополнительный артикул / дополнительная информация 2 : без колесной крепящей оси
Диаметр отверстия [мм] : 12,7
Внутренний диаметр : 146,3
Сторона установки : передний мост
Наружный диаметр [мм] : 280
|
|
Тормозной диск
STARK SKBD-0023579
Толщина тормозного диска (мм) : 9
Минимальная толщина [мм] : 8
Высота [мм] : 43,2
Расположение/число отверстий : 5/8
Ø фаски [мм] : 114,3
Диаметр центрирования [мм] : 62
Дополнительный артикул / дополнительная информация 2 : без ступицы
Дополнительный артикул / дополнительная информация 2 : без колесной крепящей оси
Наружный диаметр [мм] : 259
Сторона установки : Задний мост
Тип тормозного диска : цельный
|
|
Тормозной диск
STELLOX 6020-4788V-SX
Наружный диаметр [мм] : 288
Толщина тормозного диска (мм) : 24,9
Высота [мм] : 49,9
Количество отверстий : 5
Ø фаски [мм] : 15,3
Минимальная толщина [мм] : 22
Тип тормозного диска : вентилируемый
Внутренний диаметр : 144
Сторона установки : передний мост
|
|
Тормозной диск
STELLOX 6021-0064V-SX
Наружный диаметр [мм] : 280
Толщина тормозного диска (мм) : 22
Тип тормозного диска : вентилируемый
Вес [кг] : 5,3
Сторона установки : передний мост
Число отверстий в диске колеса : 5
|
|
Тормозной диск
STELLOX 6021-0120-SX
Наружный диаметр [мм] : 259
Толщина тормозного диска (мм) : 9
Тип тормозного диска : цельный
Вес [кг] : 3,55
Сторона установки : Задний мост
Число отверстий в диске колеса : 5
|
|
Тормозной диск
SWAG 33 10 7026
Толщина тормозного диска (мм) : 22
Число отверстий в диске колеса : 5
Количество крепежных отверстий : 4
Толщина [мм] : 47
Наружный диаметр [мм] : 279,5
Ø фаски [мм] : 114,3
Поверхность : с покрытием
Тип тормозного диска : вентилируемый
Сторона установки : передний мост
Минимальная толщина [мм] : 20
Диаметр центрирования [мм] : 62
|
|
Тормозной диск
SWAG 33 10 7086
Толщина тормозного диска (мм) : 9
Число отверстий в диске колеса : 5
Количество крепежных отверстий : 3
Толщина [мм] : 43,2
Наружный диаметр [мм] : 259
Ø фаски [мм] : 114,3
Поверхность : с покрытием
Тип тормозного диска : цельный
Сторона установки : Задний мост
Минимальная толщина [мм] : 8
Диаметр центрирования [мм] : 62
|
|
Тормозной диск
TEXTAR 92268303
Тип тормозного диска : вентилируемый
Наружный диаметр [мм] : 280
Толщина тормозного диска (мм) : 22
Высота [мм] : 47
Минимальная толщина [мм] : 20
Поверхность : с покрытием
Внутренний диаметр : 146
Ø фаски [мм] : 114,3
Диаметр центрирования [мм] : 62
Расположение/число отверстий : 05/09
Диаметр отверстия под шпильку колеса [мм] : 12,7
Дополнительный артикул / дополнительная информация 2 : без ступицы
Дополнительный артикул / дополнительная информация 2 : без колесного подшипника
Дополнительный артикул / дополнительная информация 2 : без колесной крепящей оси
Длина упаковки [см] : 30,8
Ширина упаковки [см] : 30,8
Высота упаковки [см] : 12,7
Вес [кг] : 5,3
|
|
Тормозной диск
TEXTAR 92268403
Тип тормозного диска : цельный
Наружный диаметр [мм] : 259
Толщина тормозного диска (мм) : 9
Высота [мм] : 43,2
Минимальная толщина [мм] : 8
Поверхность : с покрытием
Внутренний диаметр : 149,7
Ø фаски [мм] : 114,3
Диаметр центрирования [мм] : 62
Расположение/число отверстий : 05/08
Диаметр отверстия под шпильку колеса [мм] : 14,2
Дополнительный артикул / дополнительная информация 2 : без ступицы
Дополнительный артикул / дополнительная информация 2 : без колесного подшипника
Дополнительный артикул / дополнительная информация 2 : без колесной крепящей оси
Длина упаковки [см] : 27,8
Ширина упаковки [см] : 27,8
Высота упаковки [см] : 10,5
Вес [кг] : 3,5
|
|
Тормозной диск
TRISCAN 8120 69141C
Наружный диаметр [мм] : 280
Диаметр центрирования [мм] : 62
Тип тормозного диска : вентилируемый
Высота [мм] : 47
Количество отверстий : 5
Поверхность : с покрытием
Толщина тормозного диска (мм) : 22
Минимальная толщина [мм] : 20
Расположение/число отверстий : 9/5
|
|
Тормозной диск
TRISCAN 8120 69139C
Наружный диаметр [мм] : 259
Диаметр центрирования [мм] : 62
Тип тормозного диска : цельный
Высота [мм] : 43,2
Количество отверстий : 5
Поверхность : с покрытием
Толщина тормозного диска (мм) : 9
Минимальная толщина [мм] : 8
Расположение/число отверстий : 8/5
|
|
Тормозной диск
TRUSTING DF1712
проверочное значение : ECE-R90
Высота [мм] : 47
Тип тормозного диска : вентилируемый
Толщина тормозного диска (мм) : 22
Наружный диаметр [мм] : 280
Количество отверстий : 5
Диаметр центрирования [мм] : 62
Поверхность : лакированный
|
|
Тормозной диск
TRUSTING DF1713
проверочное значение : ECE-R90
Высота [мм] : 43,2
Тип тормозного диска : цельный
Толщина тормозного диска (мм) : 9
Наружный диаметр [мм] : 259
Количество отверстий : 5
Диаметр центрирования [мм] : 62
Поверхность : лакированный
|
|
Тормозной диск
ZEKKERT BS-6175
Тип тормозного диска : вентилируемый
Наружный диаметр [мм] : 280
Высота [мм] : 47
Толщина тормозного диска (мм) : 22
Минимальная толщина [мм] : 20
Количество отверстий : 9
Диаметр центрирования [мм] : 62
Сторона установки : передний мост
Диаметр расположения крепёжных отверстий ступицы [мм] : 114,3
Номера артикулов рекомендуемых комплектующих : CP-1105
Номера артикулов рекомендуемых комплектующих : CP-1205
Номера артикулов рекомендуемых комплектующих : CP-1305
Номера артикулов рекомендуемых комплектующих : CP-1965
Номера артикулов рекомендуемых комплектующих : FK-2005
Номера артикулов рекомендуемых комплектующих : FK-2010
Вес [кг] : 6,06
|
|
Тормозной диск
ZEKKERT BS-6243
Тип тормозного диска : цельный
Наружный диаметр [мм] : 259
Высота [мм] : 43
Толщина тормозного диска (мм) : 9
Минимальная толщина [мм] : 8
Количество отверстий : 8
Диаметр центрирования [мм] : 62
Диаметр расположения крепёжных отверстий ступицы [мм] : 114,3
Номера артикулов рекомендуемых комплектующих : CP-1105
Номера артикулов рекомендуемых комплектующих : CP-1205
Номера артикулов рекомендуемых комплектующих : CP-1305
Номера артикулов рекомендуемых комплектующих : CP-1965
Номера артикулов рекомендуемых комплектующих : FK-2005
Номера артикулов рекомендуемых комплектующих : FK-2010
Вес [кг] : 4,12
|
|
Тормозной диск
ZIMMERMANN 540.5310.20
Сторона установки : передний мост
Тип тормозного диска : вентилируемый
Поверхность : с покрытием
Наружный диаметр [мм] : 280
Толщина тормозного диска (мм) : 22
Высота [мм] : 47
Число отверстий в диске колеса : 5
Ø фаски [мм] : 114
Диаметр центрирования [мм] : 62
проверочное значение : ECE R90 APPROVED
Минимальная толщина [мм] : 20
Расположение/число отверстий : 9/5
Вес [кг] : 5,4
|
|
Тормозной диск
ZIMMERMANN 540.5310.52
Сторона установки : передний мост
Тип тормозного диска : вентилируемый
Тип тормозного диска : перфорированный
Поверхность : с покрытием
Наружный диаметр [мм] : 280
Толщина тормозного диска (мм) : 22
Высота [мм] : 47
Число отверстий в диске колеса : 5
Ø фаски [мм] : 114
Диаметр центрирования [мм] : 62
проверочное значение : KBA 60872
Минимальная толщина [мм] : 20
Расположение/число отверстий : 9/5
Вес [кг] : 5,4
|
|
Тормозной диск
ZIMMERMANN 540.5306.20
Сторона установки : Задний мост
Тип тормозного диска : цельный
Поверхность : с покрытием
Наружный диаметр [мм] : 259
Толщина тормозного диска (мм) : 9
Высота [мм] : 43
Число отверстий в диске колеса : 5
Ø фаски [мм] : 114
Диаметр центрирования [мм] : 62
проверочное значение : ECE R90 APPROVED
Минимальная толщина [мм] : 8
Расположение/число отверстий : 8/5
Вес [кг] : 3,5
|
|
Тормозной диск
ZIMMERMANN 540.5306.52
Сторона установки : Задний мост
Тип тормозного диска : цельный
Тип тормозного диска : перфорированный
Поверхность : с покрытием
Наружный диаметр [мм] : 259
Толщина тормозного диска (мм) : 9
Высота [мм] : 43
Число отверстий в диске колеса : 5
Ø фаски [мм] : 114
Диаметр центрирования [мм] : 62
проверочное значение : ECE R90 APPROVED
Минимальная толщина [мм] : 8
Расположение/число отверстий : 8/5
Вес [кг] : 3,5
|