|
Изображение |
Описание |
|
Тормозной диск
A.B.S. 17035
Наружный диаметр [мм] : 254
Толщина тормозного диска (мм) : 24
Минимальная толщина [мм] : 22,4
Высота [мм] : 40
Число отверстий в диске колеса : 5
Тип тормозного диска : вентилируемый
Диаметр центрирования [мм] : 87
Ø фаски [мм] : 108
Поверхность : с покрытием
Диаметр ступицы [мм] : 129
|
|
Тормозной диск
ABE C30507ABE
Тип тормозного диска : вентилируемый
Толщина тормозного диска (мм) : 24
Минимальная толщина [мм] : 22,4
Диаметр центрирования [мм] : 87,6
Высота [мм] : 40
Количество отверстий : 5
Размер резьбы : 10,5
Ø фаски [мм] : 108
Сторона установки : передний мост
Наружный диаметр [мм] : 254
|
|
Тормозной диск
ABE C30519ABE
Сторона установки : передний мост
Тип тормозного диска : вентилируемый
Толщина тормозного диска (мм) : 26
Минимальная толщина [мм] : 24
Высота [мм] : 44,5
Диаметр центрирования [мм] : 87
Количество отверстий : 5
Наружный диаметр [мм] : 274
Момент затяжки [Нм] : 100
Ø фаски [мм] : 87
Ø фаски [мм] : 108
|
|
Тормозной диск
ABE C30536ABE
Толщина тормозного диска (мм) : 24
Минимальная толщина [мм] : 22,4
Высота [мм] : 45,4
Диаметр ступицы колеса [мм] : 93
Количество отверстий : 6
Сторона установки : передний мост
Тип тормозного диска : вентилируемый
Наружный диаметр [мм] : 275,3
Диаметр центрирования [мм] : 93
|
|
Тормозной диск
AP 25026
Тип тормозного диска : вентилируемый
Диаметр центрирования [мм] : 87
Наружный диаметр [мм] : 254
Количество отверстий : 5
Толщина тормозного диска (мм) : 24
Момент затяжки [Нм] : 100
Минимальная толщина [мм] : 22,4
Высота [мм] : 40
|
|
Тормозной диск
ASHIKA 60-0H-003C
Сторона установки : передний мост
Ø фаски [мм] : 87
Высота [мм] : 40,4
Наружный диаметр [мм] : 254
Толщина тормозного диска (мм) : 24
Минимальная толщина [мм] : 22
Число отверстий : 5
Тип тормозного диска : вентилируемый
проверочное значение : ECE R90 APPROVED
Поверхность : лакированный
для оригинального номера : 581294A000
|
|
Тормозной диск
ATE 24.0124-0220.1
Наружный диаметр [мм] : 254
Толщина тормозного диска (мм) : 24
Минимальная толщина [мм] : 22,4
Тип тормозного диска : вентилируемый
Количество отверстий : 5
Код MAPP в наличии :
Ø фаски [мм] : 108
Высота [мм] : 40
Диаметр центрирования [мм] : 87
Внутренний диаметр : 153,5
Диаметр отверстия [мм] : 10,6
проверочное значение : E1 90R-02C0115/1081
|
|
Тормозной диск
ATE 24.0124-0243.1
Наружный диаметр [мм] : 254,5
Толщина тормозного диска (мм) : 24
Минимальная толщина [мм] : 22,4
Тип тормозного диска : вентилируемый
Обработка : легированный/высокоуглеродистый
Поверхность : с покрытием
Количество отверстий : 5
Код MAPP в наличии :
Ø фаски [мм] : 108
Высота [мм] : 40
Диаметр центрирования [мм] : 87
Внутренний диаметр : 152,5
Диаметр отверстия [мм] : 10,6
проверочное значение : E1 90R-02C0115/0386
|
|
Тормозной диск
BLUE PRINT ADG04361
Толщина тормозного диска (мм) : 24,6
Число отверстий в диске колеса : 5
Толщина [мм] : 41
Наружный диаметр [мм] : 254
Ø фаски [мм] : 108
Поверхность : с покрытием
Тип тормозного диска : вентилируемый
Сторона установки : передний мост
Минимальная толщина [мм] : 22,4
Диаметр центрирования [мм] : 87
Соблюдать сервисную информацию :
|
|
Тормозной диск
BLUE PRINT ADG04378
Толщина тормозного диска (мм) : 24
Число отверстий в диске колеса : 5
Толщина [мм] : 41
Наружный диаметр [мм] : 254
Ø фаски [мм] : 108
Поверхность : с покрытием
Тип тормозного диска : вентилируемый
Сторона установки : передний мост
Минимальная толщина [мм] : 22,4
Диаметр центрирования [мм] : 87
Соблюдать сервисную информацию :
|
|
Тормозной диск
BLUE PRINT ADG04380
Толщина тормозного диска (мм) : 26
Число отверстий в диске колеса : 5
Толщина [мм] : 44
Наружный диаметр [мм] : 274
Ø фаски [мм] : 108
Поверхность : с покрытием
Тип тормозного диска : вентилируемый
Сторона установки : передний мост
Минимальная толщина [мм] : 24
Диаметр центрирования [мм] : 87
Соблюдать сервисную информацию :
|
|
Тормозной диск
BORG & BECK BBD5254
Тип тормозного диска : вентилируемый
Наружный диаметр [мм] : 254
Толщина тормозного диска (мм) : 24
Высота [мм] : 40
Диаметр центрирования [мм] : 87
Количество крепежных отверстий : 0
Количество отверстий : 5
Количественная единица : комплект
Поверхность : с покрытием
проверочное значение : ECE R90 Homologated
Минимальная толщина [мм] : 22
|
|
Тормозной диск
BORG & BECK BBD6348
Тип тормозного диска : вентилируемый
Наружный диаметр [мм] : 274
Толщина тормозного диска (мм) : 26
Высота [мм] : 44,3
Диаметр центрирования [мм] : 87
Количество отверстий : 5
проверочное значение : ECE R90 Homologated
|
|
Тормозной диск
BOSCH 0 986 478 663
Наружный диаметр [мм] : 254
Толщина тормозного диска (мм) : 24
Минимальная толщина [мм] : 22,4
Высота [мм] : 40
Ø фаски [мм] : 108
Тип тормозного диска : вентилируемый
Диаметр центрирования [мм] : 87
Количество отверстий : 5
Поверхность : промасленный
выполняет нормы ЕЭК : ECE-R90
Диаметр отверстия до [мм] : 10,5
|
|
Тормозной диск
BOSCH 0 986 479 R40
Наружный диаметр [мм] : 275,3
Толщина тормозного диска (мм) : 24
Минимальная толщина [мм] : 22,4
Высота [мм] : 45,4
Ø фаски [мм] : 114,3
Тип тормозного диска : вентилируемый
Диаметр центрирования [мм] : 93
Количество отверстий : 6
Поверхность : промасленный
выполняет нормы ЕЭК : ECE-R90
Диаметр отверстия до [мм] : 10,6
|
|
Тормозной диск
BOSCH 0 986 479 T41
Наружный диаметр [мм] : 277
Толщина тормозного диска (мм) : 26
Минимальная толщина [мм] : 24,4
Высота [мм] : 46,6
Ø фаски [мм] : 114
Тип тормозного диска : вентилируемый
Диаметр центрирования [мм] : 93
Количество отверстий : 6
Поверхность : промасленный
Диаметр отверстия до [мм] : 10,6
|
|
Тормозной диск
BOSCH 0 986 479 V26
Наружный диаметр [мм] : 303
Толщина тормозного диска (мм) : 20
Минимальная толщина [мм] : 18,4
Высота [мм] : 92,6
Ø фаски [мм] : 120
Тип тормозного диска : вентилируемый
Диаметр центрирования [мм] : 75
Количество отверстий : 5
Поверхность : промасленный
выполняет нормы ЕЭК : ECE-R90
Диаметр отверстия до [мм] : 14,3
|
|
Тормозной диск
BOSCH 0 986 479 596
Наружный диаметр [мм] : 254
Толщина тормозного диска (мм) : 24
Минимальная толщина [мм] : 22,4
Высота [мм] : 40,1
Ø фаски [мм] : 108
Тип тормозного диска : вентилируемый
Диаметр центрирования [мм] : 87
Количество отверстий : 5
Поверхность : промасленный
Обработка : Высокоуглеродистый
Дополнительный артикул / дополнительная информация 2 : без винтов
выполняет нормы ЕЭК : ECE-R90
Диаметр отверстия до [мм] : 10,5
|
|
Тормозной диск
BRECO BS 8620
Минимальная толщина [мм] : 22,4
Высота [мм] : 40
Тип тормозного диска : вентилируемый
Диаметр центрирования [мм] : 87
Наружный диаметр [мм] : 254
Количество отверстий : 5
Толщина тормозного диска (мм) : 24
Момент затяжки [Нм] : 100
|
|
Тормозной диск
BREMBO 09.A145.10
Тип тормозного диска : вентилируемый
Толщина тормозного диска (мм) : 24
Количество отверстий : 5
Высота [мм] : 40
Диаметр центрирования [мм] : 87
Наружный диаметр [мм] : 254
Минимальная толщина [мм] : 22,4
Момент затяжки [Нм] : 100
|
|
Тормозной диск
BREMSI CD7404V
Сторона установки : передний мост
Наружный диаметр [мм] : 254
Высота [мм] : 40
Тип тормозного диска : вентилируемый
Толщина тормозного диска (мм) : 24
Минимальная толщина [мм] : 22,4
Количество отверстий : 5
Диаметр центрирования [мм] : 87
Поверхность : лакированный
Цвет : чёрный
|
|
Тормозной диск
BREMSI CD8170V
Сторона установки : Задний мост
Наружный диаметр [мм] : 303
Высота [мм] : 92,6
Диаметр отверстия [мм] : 75
Тип тормозного диска : вентилируемый
Толщина тормозного диска (мм) : 20
Минимальная толщина [мм] : 18,4
Количество отверстий : 5
Диаметр центрирования [мм] : 75
|
|
Тормозной диск
BSG BSG 40-210-035
Толщина тормозного диска (мм) : 25
Число отверстий в диске колеса : 5
Толщина [мм] : 40
Наружный диаметр [мм] : 254
Ø фаски [мм] : 108
Тип тормозного диска : вентилируемый
Сторона установки : передний мост
Минимальная толщина [мм] : 22
Вес [кг] : 5
Диаметр центрирования [мм] : 87
номер компонента : BSG 40-210-035
|
|
Тормозной диск
BSG BSG 40-210-036
Толщина тормозного диска (мм) : 26
Число отверстий в диске колеса : 5
Толщина [мм] : 44
Наружный диаметр [мм] : 274
Ø фаски [мм] : 108
Тип тормозного диска : вентилируемый
Сторона установки : передний мост
Минимальная толщина [мм] : 24
Вес [кг] : 7
Диаметр центрирования [мм] : 87
номер компонента : BSG 40-210-036
|
|
Тормозной диск
CHAMPION 562800CH
Тип тормозного диска : вентилируемый
Наружный диаметр [мм] : 254
Толщина тормозного диска (мм) : 24
Дополнительный артикул / дополнительная информация 2 : без винтов
Высота [мм] : 40
Ø фаски [мм] : 108
Диаметр центрирования [мм] : 87
Количество отверстий : 5
Количественная единица : комплект
Вес [кг] : 10
Минимальная толщина [мм] : 22,4
Тип контейнера : Коробка
Длина упаковки [см] : 25,5
Ширина упаковки [см] : 25,5
Высота упаковки [см] : 8,2
|
|
Тормозной диск
CIFAM 800-1079C
проверочное значение : ECE-R90
Высота [мм] : 44,3
Тип тормозного диска : вентилируемый
Толщина тормозного диска (мм) : 26
Наружный диаметр [мм] : 274,1
Количество отверстий : 5
Диаметр центрирования [мм] : 87
Поверхность : лакированный
|
|
Тормозной диск
CIFAM 800-596
проверочное значение : ECE-R90
Высота [мм] : 40
Тип тормозного диска : вентилируемый
Толщина тормозного диска (мм) : 24
Наружный диаметр [мм] : 254
Количество отверстий : 5
Диаметр центрирования [мм] : 87
|
|
Тормозной диск
COMLINE ADC1040V
Тип тормозного диска : вентилируемый
Наружный диаметр [мм] : 254
Толщина тормозного диска (мм) : 24
Высота [мм] : 40
Ø фаски [мм] : 108
Диаметр центрирования [мм] : 87
Количество отверстий : 5
Поверхность : с покрытием
Минимальная толщина [мм] : 22,4
|
|
Тормозной диск
COMLINE ADC1062V
Тип тормозного диска : вентилируемый
Наружный диаметр [мм] : 274
Толщина тормозного диска (мм) : 26
Высота [мм] : 44,5
Ø фаски [мм] : 108
Диаметр центрирования [мм] : 87
Количество отверстий : 5
Поверхность : с покрытием
Минимальная толщина [мм] : 24
|
|
Тормозной диск
DANAHER DR11387
Сторона установки : передний мост
Тип тормозного диска : вентилируемый
Толщина тормозного диска (мм) : 24
Наружный диаметр [мм] : 254
Высота [мм] : 40,1
Количество отверстий : 5
Диаметр центрирования [мм] : 87
|
|
Тормозной диск
DANAHER DR11393
Сторона установки : передний мост
Тип тормозного диска : вентилируемый
Толщина тормозного диска (мм) : 24,1
Наружный диаметр [мм] : 254
Высота [мм] : 38,8
Количество отверстий : 5
Диаметр центрирования [мм] : 87
|
|
Тормозной диск
DANAHER DR12026
Сторона установки : передний мост
Тип тормозного диска : вентилируемый
Толщина тормозного диска (мм) : 24
Наружный диаметр [мм] : 275
Высота [мм] : 45,4
Количество отверстий : 6
Диаметр центрирования [мм] : 93
|
|
Тормозной диск
DANAHER DR12590
Сторона установки : передний мост
Тип тормозного диска : вентилируемый
Толщина тормозного диска (мм) : 26
Наружный диаметр [мм] : 277
Высота [мм] : 46,6
Количество отверстий : 6
Диаметр центрирования [мм] : 93
|
|
Тормозной диск
DANAHER DR12946
Сторона установки : Задний мост
Тип тормозного диска : вентилируемый
Толщина тормозного диска (мм) : 20
Наружный диаметр [мм] : 303
Высота [мм] : 92,6
Количество отверстий : 5
Диаметр центрирования [мм] : 75
|
|
Тормозной диск
DANAHER DR13236
Сторона установки : передний мост
Тип тормозного диска : вентилируемый
Толщина тормозного диска (мм) : 26
Наружный диаметр [мм] : 274
Высота [мм] : 44,3
Количество отверстий : 5
Диаметр центрирования [мм] : 87
|
|
Тормозной диск
DELPHI BG4098
Тип тормозного диска : вентилируемый
Количество отверстий : 5
проверочное значение : E1 90R-02C0074/1561
Поверхность : промасленный
Наружный диаметр [мм] : 254
Толщина тормозного диска (мм) : 24
Минимальная толщина [мм] : 22,4
Диаметр центрирования [мм] : 87
Высота [мм] : 40
|
|
Тормозной диск
EUROREPAR 1676008180
Тип тормозного диска : вентилируемый
Дополнительный артикул / дополнительная информация 2 : без кольца сенсора ABS
Наружный диаметр [мм] : 254
Толщина тормозного диска (мм) : 24
Высота [мм] : 40
Диаметр центрирования [мм] : 87
Ø фаски [мм] : 104
Количество отверстий : 5
Минимальная толщина [мм] : 22,4
|
|
Тормозной диск
FEBI BILSTEIN 108502
Толщина тормозного диска (мм) : 24,6
Число отверстий в диске колеса : 5
Толщина [мм] : 40,5
Наружный диаметр [мм] : 254
Ø фаски [мм] : 108
Поверхность : с покрытием
Тип тормозного диска : вентилируемый
Сторона установки : передний мост
Минимальная толщина [мм] : 22,4
Диаметр центрирования [мм] : 87
Соблюдать сервисную информацию :
|
|
Тормозной диск
FEBI BILSTEIN 108554
Толщина тормозного диска (мм) : 26
Число отверстий в диске колеса : 5
Толщина [мм] : 44,3
Наружный диаметр [мм] : 274
Ø фаски [мм] : 108
Поверхность : с покрытием
Тип тормозного диска : вентилируемый
Сторона установки : передний мост
Минимальная толщина [мм] : 24
Диаметр центрирования [мм] : 87
Соблюдать сервисную информацию :
|
|
Тормозной диск
FEBI BILSTEIN 108592
Толщина тормозного диска (мм) : 24
Число отверстий в диске колеса : 5
Толщина [мм] : 41
Наружный диаметр [мм] : 254
Ø фаски [мм] : 108
Поверхность : с покрытием
Тип тормозного диска : вентилируемый
Сторона установки : передний мост
Минимальная толщина [мм] : 22,4
Диаметр центрирования [мм] : 87
Соблюдать сервисную информацию :
|
|
Тормозной диск
FENOX TB217621
Сторона установки : передний мост
Тип тормозного диска : вентилируемый
Толщина тормозного диска (мм) : 24
Ø фаски [мм] : 10,6
Высота [мм] : 39
Диаметр центрирования [мм] : 87,1
Наружный диаметр [мм] : 254
|
|
Тормозной диск
FERODO DDF1404C
Тип тормозного диска : вентилируемый
Наружный диаметр [мм] : 254
Толщина тормозного диска (мм) : 24
Дополнительный артикул / дополнительная информация 2 : без винтов
Высота [мм] : 40
Диаметр центрирования [мм] : 87
Количество отверстий : 5
Количественная единица : Штука
Поверхность : с покрытием
проверочное значение : R90 Homologated
Вес [кг] : 5
Минимальная толщина [мм] : 22,4
Длина упаковки [см] : 26,5
Ширина упаковки [см] : 26,5
Высота упаковки [см] : 9,5
|
|
Тормозной диск
FI.BA FBD399
Сторона установки : передний мост
Вес [кг] : 4,92
Толщина [мм] : 41
Тип тормозного диска : вентилируемый
Толщина тормозного диска (мм) : 25
Минимальная толщина [мм] : 22,4
Ø фаски [мм] : 108
Число отверстий в диске колеса : 5
Диаметр центрирования [мм] : 87
Поверхность : с покрытием
Наружный диаметр [мм] : 254
|
|
Тормозной диск
FI.BA FBD411
Сторона установки : передний мост
Вес [кг] : 6,69
Толщина [мм] : 44
Тип тормозного диска : вентилируемый
Толщина тормозного диска (мм) : 26
Минимальная толщина [мм] : 24
Ø фаски [мм] : 108
Число отверстий в диске колеса : 5
Диаметр центрирования [мм] : 87
Поверхность : с покрытием
Наружный диаметр [мм] : 274
|
|
Тормозной диск
fri.tech. BD0724
проверочное значение : ECE-R90
Высота [мм] : 40
Тип тормозного диска : вентилируемый
Толщина тормозного диска (мм) : 24
Наружный диаметр [мм] : 254
Количество отверстий : 5
Диаметр центрирования [мм] : 87
|
|
Тормозной диск
fri.tech. BD1016
проверочное значение : ECE-R90
Высота [мм] : 44,3
Тип тормозного диска : вентилируемый
Толщина тормозного диска (мм) : 26
Наружный диаметр [мм] : 274,1
Количество отверстий : 5
Диаметр центрирования [мм] : 87
Поверхность : лакированный
|
|
Тормозной диск
GIRLING 6041021
Поверхность : лакированный
Тип тормозного диска : вентилируемый
Наружный диаметр [мм] : 254
Толщина тормозного диска (мм) : 24
Минимальная толщина [мм] : 22,4
Диаметр центрирования [мм] : 87,6
Высота [мм] : 40
Количество отверстий : 5
Размер резьбы : 10,5
Ø фаски [мм] : 108
Цвет : чёрный
проверочное значение : E1 90R-02 C0176/0704
|
|
Тормозной диск
GIRLING 6049865
Тип тормозного диска : вентилируемый
Наружный диаметр [мм] : 303
Толщина тормозного диска (мм) : 20
Минимальная толщина [мм] : 18,4
Количество отверстий : 5
Высота [мм] : 92,6
Диаметр барабана [мм] : 190
Диаметр центрирования [мм] : 75
Ø фаски [мм] : 120
Размер резьбы : 14,3
Цвет : чёрный
Поверхность : лакированный
SVHC : Нет информации, обратитесь, пожалуйста, к производителю!
|
|
Тормозной диск
HART 215 413
Высота [мм] : 40
Тип тормозного диска : вентилируемый
Толщина тормозного диска (мм) : 24
Наружный диаметр [мм] : 254
Количество отверстий : 5
|
|
Тормозной диск
HERTH+BUSS JAKOPARTS J3300514
Тип тормозного диска : вентилируемый
Наружный диаметр [мм] : 254
Толщина тормозного диска (мм) : 24
Минимальная толщина [мм] : 22,4
Количество отверстий : 5
Ø фаски [мм] : 108
Внутренний диаметр : 132
Высота [мм] : 40
Диаметр ступицы [мм] : 87
Поверхность : с покрытием
выполняет нормы ЕЭК : E1 90R-02C0064/0013
Сторона установки : передний мост
SVHC : Не содержит особо опасных веществ!
|
|
Тормозной диск
Hi-Q SD1029
Вес [кг] : 4,77
Толщина [мм] : 24
Тип тормозного диска : вентилируемый
Толщина тормозного диска (мм) : 22,4
Ø фаски [мм] : 108
Количество отверстий : 5
Высота [мм] : 40
Диаметр центрирования [мм] : 87,1
Наружный диаметр [мм] : 254
|
|
Тормозной диск
Hi-Q SD1030
Вес [кг] : 6,55
Толщина [мм] : 26
Тип тормозного диска : вентилируемый
Толщина тормозного диска (мм) : 24,4
Ø фаски [мм] : 108
Количество отверстий : 5
Высота [мм] : 44,3
Диаметр центрирования [мм] : 87
Наружный диаметр [мм] : 274
|
|
Тормозной диск
Hi-Q SD1030B
Вес [кг] : 6,55
Толщина [мм] : 26
Тип тормозного диска : вентилируемый
Толщина тормозного диска (мм) : 24,4
Ø фаски [мм] : 108
Количество отверстий : 5
Высота [мм] : 44,3
Диаметр центрирования [мм] : 87
Наружный диаметр [мм] : 274
|
|
Тормозной диск
Hi-Q SD1061
Вес [кг] : 6,56
Толщина [мм] : 26
Тип тормозного диска : вентилируемый
Толщина тормозного диска (мм) : 24,4
Ø фаски [мм] : 114
Количество отверстий : 8
Высота [мм] : 46,6
Диаметр центрирования [мм] : 93
Наружный диаметр [мм] : 277
|
|
Тормозной диск
Hi-Q SD1129
Вес [кг] : 7,9
Толщина [мм] : 20
Тип тормозного диска : вентилируемый
Толщина тормозного диска (мм) : 18,4
Ø фаски [мм] : 120
Количество отверстий : 7
Высота [мм] : 92,6
Диаметр центрирования [мм] : 75
Наружный диаметр [мм] : 303
|
|
Тормозной диск
Hi-Q SD1137
Вес [кг] : 5,6
Толщина [мм] : 24
Тип тормозного диска : вентилируемый
Толщина тормозного диска (мм) : 22,4
Ø фаски [мм] : 114,3
Количество отверстий : 8
Высота [мм] : 45,4
Диаметр центрирования [мм] : 93
Наружный диаметр [мм] : 276
|
|
Тормозной диск
ICER 78BD0200-2
Толщина тормозного диска (мм) : 22,4
Наружный диаметр [мм] : 254
Тип тормозного диска : вентилируемый
Высота [мм] : 40
Диаметр центрирования [мм] : 87
Ø фаски [мм] : 108
Исполнение оси : Front
Номер технической информации : 78BD0200-2
проверочное значение : E1 90R-02C0074/0511
проверочное значение : E1190R02C01049/52493
Диаметр [мм] : 87
Толщина [мм] : 24
Минимальная толщина [мм] : 22,4
Расположение/число отверстий : 5
Вес [кг] : 9 656
|
|
Тормозной диск
JAPANPARTS DI-H03C
Сторона установки : передний мост
Ø фаски [мм] : 87
Высота [мм] : 40,4
Наружный диаметр [мм] : 254
Толщина тормозного диска (мм) : 24
Минимальная толщина [мм] : 22
Число отверстий : 5
Тип тормозного диска : вентилируемый
проверочное значение : ECE R90 APPROVED
Поверхность : лакированный
для оригинального номера : 581294A000
|
|
Тормозной диск
JAPKO 60H03C
Сторона установки : передний мост
Ø фаски [мм] : 87
Высота [мм] : 40,4
Наружный диаметр [мм] : 254
Толщина тормозного диска (мм) : 24
Минимальная толщина [мм] : 22
Число отверстий : 5
Тип тормозного диска : вентилируемый
проверочное значение : ECE R90 APPROVED
Поверхность : лакированный
для оригинального номера : 581294A000
|
|
Тормозной диск
JPN 30H0508-JPN
Тип тормозного диска : вентилируемый
Высота [мм] : 40
Толщина тормозного диска (мм) : 24
Размер резьбы : 10,5
Наружный диаметр [мм] : 254
Количество отверстий : 5
Диаметр центрирования [мм] : 87,6
Ø фаски [мм] : 108
|
|
Тормозной диск
JURID 562800JC
Тип тормозного диска : вентилируемый
Наружный диаметр [мм] : 254
Толщина тормозного диска (мм) : 24
Дополнительный артикул / дополнительная информация 2 : без винтов
Версия : JC
Высота [мм] : 40
Ø фаски [мм] : 108
Диаметр центрирования [мм] : 87
Количество отверстий : 5
Количественная единица : комплект
Поверхность : с покрытием
Вес [кг] : 10
Минимальная толщина [мм] : 22,4
Тип контейнера : Коробка
Длина упаковки [см] : 26,5
Ширина упаковки [см] : 26,5
Высота упаковки [см] : 11
|
|
Тормозной диск
KAISHIN CBR017
для оригинального номера : 581294A000
Сторона установки : передний мост
проверочное значение : ECE R90 APPROVED
Высота [мм] : 40,4
Тип тормозного диска : вентилируемый
Толщина тормозного диска (мм) : 24
Минимальная толщина [мм] : 22
Число отверстий : 5
Наружный диаметр [мм] : 254
Количество отверстий : 5
Ø фаски [мм] : 87
Поверхность : лакированный
|
|
Тормозной диск
KAISHIN CBR123
Сторона установки : передний мост
проверочное значение : ECE R90 APPROVED
Высота [мм] : 40
необходимое количество : 2
Тип тормозного диска : вентилируемый
Толщина тормозного диска (мм) : 24
Внутренний диаметр : 87
Наружный диаметр [мм] : 254
Количество отверстий : 5
Ø фаски [мм] : 87
|
|
Тормозной диск
KAMOKA 103079
Сторона установки : передний мост
Тип тормозного диска : вентилируемый
Толщина тормозного диска (мм) : 24
Ø фаски [мм] : 108
Количество отверстий : 5
Число отверстий в диске колеса : 5
Высота [мм] : 40
Диаметр центрирования [мм] : 87
Поверхность : с покрытием
Наружный диаметр [мм] : 254
|
|
Тормозной диск
KAMOKA 103080
Сторона установки : передний мост
Тип тормозного диска : вентилируемый
Толщина тормозного диска (мм) : 24
Ø фаски [мм] : 108
Количество отверстий : 5
Высота [мм] : 40
Диаметр центрирования [мм] : 87
Поверхность : с покрытием
Наружный диаметр [мм] : 254
|
|
Тормозной диск
KAVO PARTS BR-3212-C
проверочное значение : R90
Высота [мм] : 40
Тип тормозного диска : вентилируемый
Толщина тормозного диска (мм) : 24
Наружный диаметр [мм] : 254
Количество отверстий : 5
Диаметр центрирования [мм] : 87
Ø фаски [мм] : 108
Поверхность : с покрытием
|
|
Тормозной диск
KAWE 61398 10
Диаметр [мм] : 303
Сторона установки : Задний мост
Вес [кг] : 7,9
Тип тормозного диска : вентилируемый
Минимальная толщина [мм] : 18,4
Толщина тормозного диска (мм) : 20
Количество отверстий : 5
Высота [мм] : 92,6
Диаметр центрирования [мм] : 75
Наружный диаметр [мм] : 303
|
|
Тормозной диск
KAWE 6636 10
Диаметр [мм] : 254
Сторона установки : передний мост
Вес [кг] : 4,82
Тип тормозного диска : вентилируемый
Минимальная толщина [мм] : 22,4
Толщина тормозного диска (мм) : 24
Количество отверстий : 5
проверочное значение : K.B.A.: 61209
Высота [мм] : 40
Диаметр центрирования [мм] : 87
Наружный диаметр [мм] : 254
|
|
Тормозной диск
KAWE 6794 10
Диаметр [мм] : 254
Сторона установки : передний мост
Вес [кг] : 4,55
Тип тормозного диска : вентилируемый
Минимальная толщина [мм] : 22,4
Толщина тормозного диска (мм) : 24
Количество отверстий : 5
проверочное значение : K.B.A.: 61209
Высота [мм] : 39
Диаметр центрирования [мм] : 87
Наружный диаметр [мм] : 254
|
|
Тормозной диск
LPR H2124V
Минимальная толщина [мм] : 22,4
Количество отверстий : 5
Диаметр центрирования [мм] : 87
Наружный диаметр [мм] : 254
Толщина тормозного диска (мм) : 24
Тип тормозного диска : вентилируемый
Высота [мм] : 40
|
|
Тормозной диск
LYNXAUTO BN-1546
Сторона установки : передний мост
Наружный диаметр [мм] : 254
Толщина тормозного диска (мм) : 24
Минимальная толщина [мм] : 22,4
Диаметр центрирования [мм] : 87,5
Высота [мм] : 40
Количество отверстий : 5
Ø фаски [мм] : 108
Тип тормозного диска : вентилируемый
|
|
Тормозной диск
LYNXAUTO BN-1547
Сторона установки : Задний мост
Наружный диаметр [мм] : 303
Толщина тормозного диска (мм) : 20
Минимальная толщина [мм] : 18,4
Диаметр центрирования [мм] : 75
Высота [мм] : 92,5
Количество отверстий : 5
Ø фаски [мм] : 120
Тип тормозного диска : вентилируемый
|
|
Тормозной диск
LYNXAUTO BN-1548
Сторона установки : передний мост
Наружный диаметр [мм] : 274
Толщина тормозного диска (мм) : 26
Минимальная толщина [мм] : 24,4
Диаметр центрирования [мм] : 87
Высота [мм] : 44
Количество отверстий : 5
Ø фаски [мм] : 108
Тип тормозного диска : вентилируемый
|
|
Тормозной диск
MAGNETI MARELLI 360406126400
Поверхность : без покрытия
Тип тормозного диска : вентилируемый
Диаметр [мм] : 254
Высота [мм] : 40
Минимальная толщина [мм] : 22,4
Количество отверстий : 5
Ø фаски [мм] : 87
Момент затяжки [Нм] : 100
Толщина тормозного диска (мм) : 24
Наружный диаметр [мм] : 254
|
|
Тормозной диск
MANDO MBC030136
Сторона установки : передний мост
Тип тормозного диска : вентилируемый
Толщина тормозного диска (мм) : 24
Количество отверстий : 5
Высота [мм] : 40
Диаметр центрирования [мм] : 87,1
Наружный диаметр [мм] : 254
|
|
Тормозной диск
MANDO MBC030194
Сторона установки : передний мост
Тип тормозного диска : вентилируемый
Толщина тормозного диска (мм) : 26
Количество отверстий : 6
Высота [мм] : 46,6
Диаметр центрирования [мм] : 93
Наружный диаметр [мм] : 277
|
|
Тормозной диск
MANDO MBC030258
Сторона установки : Задний мост
Тип тормозного диска : вентилируемый
Толщина тормозного диска (мм) : 20
Количество отверстий : 5
Высота [мм] : 92,6
Диаметр центрирования [мм] : 75
Наружный диаметр [мм] : 303
|
|
Тормозной диск
MAXGEAR 19-2757
Сторона установки : передний мост
Тип тормозного диска : вентилируемый
Наружный диаметр [мм] : 254
Толщина тормозного диска (мм) : 24
необходимое количество : 2
Высота [мм] : 40
Ø фаски [мм] : 108
Диаметр отверстия под шпильку колеса [мм] : 11
Диаметр центрирования [мм] : 87
Количество отверстий : 5
Минимальная толщина [мм] : 22,4
|
|
Тормозной диск
MAXGEAR 19-2757SPORT
Сторона установки : передний мост
Тип тормозного диска : вентилируемый
Тип тормозного диска : с прорезями / перфорированный
Наружный диаметр [мм] : 254
Толщина тормозного диска (мм) : 24
необходимое количество : 2
Высота [мм] : 40
Ø фаски [мм] : 108
Диаметр отверстия под шпильку колеса [мм] : 11
Диаметр центрирования [мм] : 87
Количество отверстий : 5
Минимальная толщина [мм] : 22,4
|
|
Тормозной диск
MAXTECH 865214
Сторона установки : передний мост
Тип тормозного диска : вентилируемый
Минимальная толщина [мм] : 18,4
Вес [кг] : 5,2
Толщина тормозного диска (мм) : 20
Количество отверстий : 5
проверочное значение : 90R-02C01327/31802
Высота [мм] : 29
Диаметр ступицы колеса [мм] : 113,3
Наружный диаметр [мм] : 276
|
|
Тормозной диск
MAXTECH 865216
Сторона установки : передний мост
Тип тормозного диска : вентилируемый
Минимальная толщина [мм] : 22,4
Вес [кг] : 4,9
Толщина тормозного диска (мм) : 24
Ø фаски [мм] : 108
Количество отверстий : 5
Диаметр отверстия [мм] : 10,6
Внутренний диаметр : 153,5
проверочное значение : 90R-02C01327/31788
Высота [мм] : 40
Диаметр центрирования [мм] : 87
Наружный диаметр [мм] : 254
|
|
Тормозной диск
MAXTECH 865234
Сторона установки : передний мост
Тип тормозного диска : вентилируемый
Минимальная толщина [мм] : 24,4
Вес [кг] : 6,5
Толщина тормозного диска (мм) : 26
Ø фаски [мм] : 108
Количество отверстий : 5
Диаметр отверстия [мм] : 10,5
Внутренний диаметр : 132
проверочное значение : 90R-02C01327/31803
Высота [мм] : 44
Диаметр центрирования [мм] : 87
Наружный диаметр [мм] : 274
|
|
Тормозной диск
METELLI 23-0596
проверочное значение : ECE-R90
Высота [мм] : 40
Тип тормозного диска : вентилируемый
Толщина тормозного диска (мм) : 24
Наружный диаметр [мм] : 254
Количество отверстий : 5
Диаметр центрирования [мм] : 87
|
|
Тормозной диск
METELLI 23-1079C
проверочное значение : ECE-R90
Высота [мм] : 44,3
Тип тормозного диска : вентилируемый
Толщина тормозного диска (мм) : 26
Наружный диаметр [мм] : 274,1
Количество отверстий : 5
Диаметр центрирования [мм] : 87
Поверхность : лакированный
|
|
Тормозной диск
MEYLE 37-15 521 0024
Сторона установки : передний мост
Наружный диаметр [мм] : 254
Высота [мм] : 40
Толщина тормозного диска (мм) : 24
Минимальная толщина [мм] : 22,4
Диаметр центрирования [мм] : 87
Ø фаски [мм] : 108
Диаметр отверстия под шпильку колеса [мм] : 10,6
Количество отверстий : 5
Тип тормозного диска : вентилируемый
необходимое количество : 2
|
|
Тормозной диск
MILES K201079
Сторона установки : спереди
Количество отверстий : 5
Тип тормозного диска : вентилируемый
Наружный диаметр [мм] : 274,1
Высота [мм] : 44,3
Диаметр центрирования [мм] : 87
Ø фаски [мм] : 108
Диаметр отверстия под шпильку колеса [мм] : 10,5
Толщина тормозного диска (мм) : 26
Минимальная толщина [мм] : 24,4
Поверхность : с покрытием
|
|
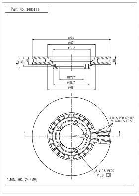
Тормозной диск
MINTEX MDC2176
Тип тормозного диска : вентилируемый
Наружный диаметр [мм] : 274
Толщина тормозного диска (мм) : 26
Высота [мм] : 44,3
Минимальная толщина [мм] : 24,4
Внутренний диаметр : 131,8
Ø фаски [мм] : 108
Диаметр центрирования [мм] : 87
Расположение/число отверстий : 05/05
Диаметр отверстия под шпильку колеса [мм] : 10,5
Дополнительный артикул / дополнительная информация 2 : без ступицы
Дополнительный артикул / дополнительная информация 2 : без колесного подшипника
Дополнительный артикул / дополнительная информация 2 : без колесной крепящей оси
Длина упаковки [см] : 29,3
Ширина упаковки [см] : 29,3
Высота упаковки [см] : 10,5
Вес [кг] : 6,5
|
|
Тормозной диск
MINTEX MDC2308
Тип тормозного диска : вентилируемый
Наружный диаметр [мм] : 254
Толщина тормозного диска (мм) : 24
Высота [мм] : 40,1
Минимальная толщина [мм] : 22,4
Внутренний диаметр : 132
Ø фаски [мм] : 108
Диаметр центрирования [мм] : 87
Расположение/число отверстий : 05/05
Диаметр отверстия под шпильку колеса [мм] : 10,5
Дополнительный артикул / дополнительная информация 2 : без ступицы
Дополнительный артикул / дополнительная информация 2 : без колесной крепящей оси
Длина упаковки [см] : 27,8
Ширина упаковки [см] : 27,8
Высота упаковки [см] : 10,5
Вес [кг] : 4,8
|
|
Тормозной диск
NiBK RN1121
Сторона установки : передний мост
Тип тормозного диска : вентилируемый
Наружный диаметр [мм] : 254
Толщина тормозного диска (мм) : 24
Минимальная толщина [мм] : 22,4
Количество отверстий : 5
Ø фаски [мм] : 108
Высота [мм] : 40
Диаметр центрирования [мм] : 87
Внутренний диаметр : 132
|
|
Тормозной диск
NIPPARTS J3300514
Сторона установки : передний мост
Тип тормозного диска : вентилируемый
Толщина тормозного диска (мм) : 24
Наружный диаметр [мм] : 254
Высота [мм] : 40
Количество отверстий : 5
Диаметр центрирования [мм] : 87
Ø фаски [мм] : 108
Диаметр ступицы колеса [мм] : 129
Минимальная толщина [мм] : 22,4
|
|
Тормозной диск
NIPPARTS N3300534
Сторона установки : передний мост
Тип тормозного диска : вентилируемый
Толщина тормозного диска (мм) : 26
Наружный диаметр [мм] : 274
Высота [мм] : 44,3
Количество отверстий : 5
Диаметр центрирования [мм] : 87
Ø фаски [мм] : 108
Диаметр ступицы колеса [мм] : 128,7
Минимальная толщина [мм] : 24,4
|
|
Тормозной диск
NIPPARTS N3300551
Сторона установки : передний мост
Тип тормозного диска : вентилируемый
Толщина тормозного диска (мм) : 20
Наружный диаметр [мм] : 276
Высота [мм] : 28,7
Диаметр центрирования [мм] : 113
Ø фаски [мм] : 132
Диаметр ступицы колеса [мм] : 174
Минимальная толщина [мм] : 18,4
|
|
Тормозной диск
NIPPARTS N3310525
Сторона установки : Задний мост
Тип тормозного диска : цельный
Толщина тормозного диска (мм) : 18
Наружный диаметр [мм] : 324
Высота [мм] : 82,5
Количество отверстий : 6
Диаметр центрирования [мм] : 96,3
Ø фаски [мм] : 139,7
Диаметр ступицы колеса [мм] : 191
Минимальная толщина [мм] : 16,4
|
|
Тормозной диск
NPS H330I11
Спецификация : Qte packaging: 1
Сторона установки : передний мост
проверочное значение : E1 90R-02C0074/0511
Количество частей [част.] : 1
Внутренний диаметр : 87,1
Толщина тормозного диска (мм) : 24
Количество отверстий : 5
Тип тормозного диска : вентилируемый
Высота [мм] : 39
Наружный диаметр [мм] : 254
Минимальная толщина [мм] : 22,4
Ø фаски [мм] : 87
Диаметр центрирования [мм] : 87
|
|
Тормозной диск
NPS H330I22
Спецификация : Qte packaging: 1
проверочное значение : E1 90R-02C0339/0971
Количество частей [част.] : 1
Сторона установки : передний мост
Высота [мм] : 44
Внутренний диаметр : 87
Наружный диаметр [мм] : 274
Толщина тормозного диска (мм) : 26
Количество отверстий : 5
Тип тормозного диска : вентилируемый
Минимальная толщина [мм] : 24
Ø фаски [мм] : 87
|
|
Тормозной диск
OPTIMAL BS-6460
Сторона установки : передний мост
Тип тормозного диска : вентилируемый
Толщина тормозного диска (мм) : 24
Наружный диаметр [мм] : 254
Высота [мм] : 40
Диаметр центрирования [мм] : 87,1
Минимальная толщина [мм] : 22,4
Расположение/число отверстий : 5/5
|
|
Тормозной диск
OPTIMAL BS-6460C
Сторона установки : передний мост
Тип тормозного диска : вентилируемый
Толщина тормозного диска (мм) : 24
Наружный диаметр [мм] : 254
Высота [мм] : 40
Диаметр центрирования [мм] : 87,1
Поверхность : с покрытием
Минимальная толщина [мм] : 22,4
Расположение/число отверстий : 5/5
|
|
Тормозной диск
OPTIMAL BS-8360
Сторона установки : передний мост
Тип тормозного диска : вентилируемый
Толщина тормозного диска (мм) : 26
Наружный диаметр [мм] : 274
Высота [мм] : 44,3
Диаметр центрирования [мм] : 87
Минимальная толщина [мм] : 24
Расположение/число отверстий : 5/5
|
|
Тормозной диск
OPTIMAL BS-8360C
Сторона установки : передний мост
Тип тормозного диска : вентилируемый
Толщина тормозного диска (мм) : 26
Наружный диаметр [мм] : 274
Высота [мм] : 44,3
Диаметр центрирования [мм] : 87
Поверхность : с покрытием
Минимальная толщина [мм] : 24
Расположение/число отверстий : 5/5
|
|
Тормозной диск
OPTIMAL BS-9502C
Сторона установки : передний мост
Тип тормозного диска : вентилируемый
Толщина тормозного диска (мм) : 24
Наружный диаметр [мм] : 276
Высота [мм] : 45,4
Диаметр центрирования [мм] : 93
Ø фаски [мм] : 114,3
Вес [кг] : 5,6
Диаметр отверстия [мм] : 10,6
Минимальная толщина [мм] : 22,4
Расположение/число отверстий : 6/8
Внутренний диаметр : 175
|
|
Тормозной диск
OSSCA 08075
Сторона установки : передний мост
Тип тормозного диска : вентилируемый
Размеры радиатора : 273,9×26
Толщина тормозного диска (мм) : 0
Высота [мм] : 44,3
Наружный диаметр [мм] : 0
|
|
Тормозной диск
PILENGA V539
Сторона установки : передний мост
Тип тормозного диска : вентилируемый
Минимальная толщина [мм] : 22,4
Толщина тормозного диска (мм) : 24
Количество отверстий 1 : 5
Внутренний диаметр : 132
Высота [мм] : 40
Обработка : Высокоуглеродистый
Диаметр центрирования [мм] : 87
Наружный диаметр [мм] : 255
|
|
Тормозной диск
PROFIT 5010-1404
Сторона установки : передний мост
Диаметр [мм] : 254
Тип тормозного диска : вентилируемый
Толщина тормозного диска (мм) : 24
Минимальная толщина [мм] : 22,4
Количество отверстий : 5
Высота [мм] : 40
Диаметр центрирования [мм] : 87
Наружный диаметр [мм] : 254
|
|
Тормозной диск
R BRAKE 78RBD20200
Толщина тормозного диска (мм) : 22,4
Наружный диаметр [мм] : 254
Тип тормозного диска : вентилируемый
Высота [мм] : 40
Диаметр центрирования [мм] : 87
Ø фаски [мм] : 108
Исполнение оси : Front
Номер технической информации : 78BD0200-2
проверочное значение : E1 90R-02C0074/0511
проверочное значение : E1190R02C01049/52493
Диаметр [мм] : 87
Толщина [мм] : 24
Минимальная толщина [мм] : 22,4
Расположение/число отверстий : 5
Вес [кг] : 9 656
|
|
Тормозной диск
RAICAM RD00510
Высота [мм] : 40
Наружный диаметр [мм] : 254
Вес [кг] : 4,9
Диаметр центрирования [мм] : 87
Тип тормозного диска : вентилируемый
выполняет нормы ЕЭК : E1
Число отверстий в диске колеса : 5
Толщина тормозного диска (мм) : 24
Сторона установки : передний мост
Минимальная толщина [мм] : 22
|
|
Тормозной диск
REMSA 6636.10
проверочное значение : K.B.A.: 61209
Сторона установки : передний мост
Диаметр [мм] : 254
Высота [мм] : 40
Тип тормозного диска : вентилируемый
Толщина тормозного диска (мм) : 24
Минимальная толщина [мм] : 22,4
Количество отверстий : 5
Диаметр центрирования [мм] : 87
Вес [кг] : 4,82
Наружный диаметр [мм] : 254
|
|
Тормозной диск
RIDEX 82B0613
Толщина тормозного диска (мм) : 24
Тип тормозного диска : вентилируемый
Наружный диаметр [мм] : 254
Сторона установки : передний мост
Минимальная толщина [мм] : 22,4
Высота [мм] : 40,1
Расположение/число отверстий : 05/05
Ø фаски [мм] : 108
Диаметр центрирования [мм] : 87
Вес [кг] : 4,8
Дополнительный артикул / дополнительная информация 2 : без ступицы
Дополнительный артикул / дополнительная информация 2 : без колесной крепящей оси
Внутренний диаметр : 132
Поверхность : без покрытия
|
|
Тормозной диск
ROADHOUSE 6636.10
проверочное значение : K.B.A.: 61209
Вес [кг] : 4,82
Сторона установки : передний мост
Диаметр [мм] : 254
Толщина тормозного диска (мм) : 24
Минимальная толщина [мм] : 22,4
Высота [мм] : 40
Диаметр центрирования [мм] : 87
Количество отверстий : 5
Тип тормозного диска : вентилируемый
Наружный диаметр [мм] : 254
|
|
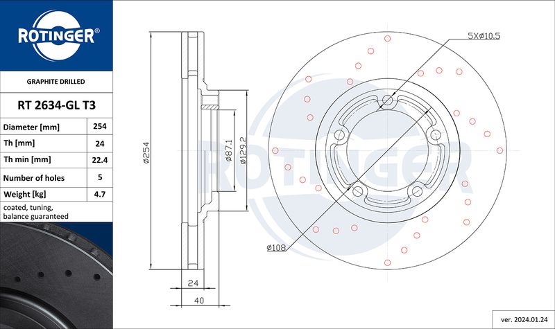
Тормозной диск
ROTINGER RT 2634
Тип тормозного диска : вентилируемый
Сторона установки : передний мост
Наружный диаметр [мм] : 254
Диаметр центрирования [мм] : 87
Высота [мм] : 40
Толщина тормозного диска (мм) : 24
Минимальная толщина [мм] : 22,4
Количество отверстий : 5
Размер резьбы : 10,5
Вес [кг] : 4,7
Ø фаски [мм] : 108
|
|
Тормозной диск
ROTINGER RT 2634-GL
Тип тормозного диска : вентилируемый
Поверхность : с гальваническим покрытием
Сторона установки : передний мост
Наружный диаметр [мм] : 254
Диаметр центрирования [мм] : 87
Высота [мм] : 40
Толщина тормозного диска (мм) : 24
Минимальная толщина [мм] : 22,4
Количество отверстий : 5
Размер резьбы : 10,5
Вес [кг] : 4,7
Ø фаски [мм] : 108
|
|
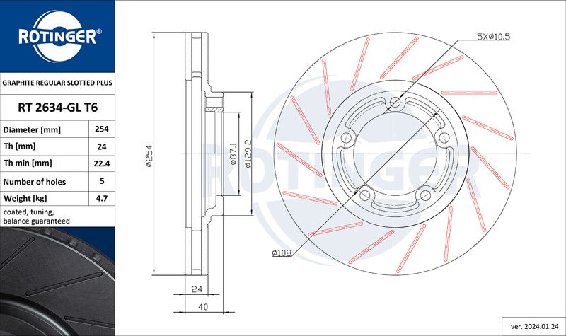
Тормозной диск
ROTINGER RT 2634-GL T3
Тип тормозного диска : вентилируемый
Тип тормозного диска : перфорированный
Поверхность : с гальваническим покрытием
Сторона установки : передний мост
Наружный диаметр [мм] : 254
Диаметр центрирования [мм] : 87
Высота [мм] : 40
Толщина тормозного диска (мм) : 24
Минимальная толщина [мм] : 22,4
Количество отверстий : 5
Размер резьбы : 10,5
Вес [кг] : 4,7
Ø фаски [мм] : 108
|
|
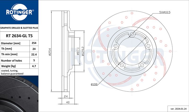
Тормозной диск
ROTINGER RT 2634-GL T5
Тип тормозного диска : перфорированный
Тип тормозного диска : вентилируемый
Поверхность : с гальваническим покрытием
Сторона установки : передний мост
Наружный диаметр [мм] : 254
Диаметр центрирования [мм] : 87
Высота [мм] : 40
Толщина тормозного диска (мм) : 24
Минимальная толщина [мм] : 22,4
Количество отверстий : 5
Размер резьбы : 10,5
Вес [кг] : 4,7
Ø фаски [мм] : 108
|
|
Тормозной диск
ROTINGER RT 2634-GL T6
Тип тормозного диска : вентилируемый
Поверхность : с гальваническим покрытием
Сторона установки : передний мост
Наружный диаметр [мм] : 254
Диаметр центрирования [мм] : 87
Высота [мм] : 40
Толщина тормозного диска (мм) : 24
Минимальная толщина [мм] : 22,4
Количество отверстий : 5
Размер резьбы : 10,5
Вес [кг] : 4,7
Ø фаски [мм] : 108
|
|
Тормозной диск
ROTINGER RT 2634-GL T9
Тип тормозного диска : вентилируемый
Поверхность : с гальваническим покрытием
Сторона установки : передний мост
Наружный диаметр [мм] : 254
Диаметр центрирования [мм] : 87
Высота [мм] : 40
Толщина тормозного диска (мм) : 24
Минимальная толщина [мм] : 22,4
Количество отверстий : 5
Размер резьбы : 10,5
Вес [кг] : 4,7
Ø фаски [мм] : 108
|
|
Тормозной диск
SAMKO H2124V
Высота [мм] : 40
Минимальная толщина [мм] : 22,4
Тип тормозного диска : вентилируемый
Наружный диаметр [мм] : 254
Диаметр центрирования [мм] : 87
Количество отверстий : 5
Толщина тормозного диска (мм) : 24
|
|
Тормозной диск
Stark SKBD-0022451
Толщина тормозного диска (мм) : 24
Тип тормозного диска : вентилируемый
Наружный диаметр [мм] : 254
Сторона установки : передний мост
Минимальная толщина [мм] : 22,4
Высота [мм] : 40,1
Расположение/число отверстий : 05/05
Ø фаски [мм] : 108
Диаметр центрирования [мм] : 87
Вес [кг] : 4,8
Дополнительный артикул / дополнительная информация 2 : без ступицы
Дополнительный артикул / дополнительная информация 2 : без колесной крепящей оси
Внутренний диаметр : 132
Поверхность : без покрытия
|
|
Тормозной диск
STELLOX 6020-1315-SX
Наружный диаметр [мм] : 254
Толщина тормозного диска (мм) : 24
Высота [мм] : 40
Диаметр центрирования [мм] : 87
Количество отверстий : 5
Минимальная толщина [мм] : 22,4
Тип тормозного диска : вентилируемый
Сторона установки : передний мост
|
|
Тормозной диск
STELLOX 6020-1315K-SX
Наружный диаметр [мм] : 254
Толщина тормозного диска (мм) : 24
Тип тормозного диска : вентилируемый
Сторона установки : передний мост
|
|
Тормозной диск
STELLOX 6020-1981-SX
Наружный диаметр [мм] : 274
Толщина тормозного диска (мм) : 26
Количество отверстий : 5
Ø фаски [мм] : 108
Тип тормозного диска : вентилируемый
Сторона установки : передний мост
|
|
Тормозной диск
TEXTAR 92221800
Тип тормозного диска : вентилируемый
Наружный диаметр [мм] : 274
Толщина тормозного диска (мм) : 26
Высота [мм] : 44,3
Минимальная толщина [мм] : 24,4
Внутренний диаметр : 131,8
Ø фаски [мм] : 108
Диаметр центрирования [мм] : 87
Расположение/число отверстий : 05/05
Диаметр отверстия под шпильку колеса [мм] : 10,5
Дополнительный артикул / дополнительная информация 2 : без ступицы
Дополнительный артикул / дополнительная информация 2 : без колесного подшипника
Дополнительный артикул / дополнительная информация 2 : без колесной крепящей оси
Длина упаковки [см] : 29,3
Ширина упаковки [см] : 29,3
Высота упаковки [см] : 10,5
Вес [кг] : 6,5
|
|
Тормозной диск
TEXTAR 92234500
Тип тормозного диска : вентилируемый
Наружный диаметр [мм] : 254
Толщина тормозного диска (мм) : 24
Высота [мм] : 40,1
Минимальная толщина [мм] : 22,4
Внутренний диаметр : 132
Ø фаски [мм] : 108
Диаметр центрирования [мм] : 87
Расположение/число отверстий : 05/05
Диаметр отверстия под шпильку колеса [мм] : 10,5
Дополнительный артикул / дополнительная информация 2 : без ступицы
Дополнительный артикул / дополнительная информация 2 : без колесной крепящей оси
Длина упаковки [см] : 27,8
Ширина упаковки [см] : 27,8
Высота упаковки [см] : 10,5
Вес [кг] : 4,8
|
|
Тормозной диск
TOPRAN 821 218
Сторона установки : Задний мост
Тип тормозного диска : вентилируемый
Поверхность : с покрытием
Наружный диаметр [мм] : 303
Диаметр ступицы [мм] : 190
Диаметр центрирования [мм] : 75
Высота [мм] : 92,6
Толщина тормозного диска (мм) : 20
Число отверстий в диске колеса : 5
Ø фаски [мм] : 120
заменяется только попарно :
|
|
Тормозной диск
TRUSTING DF1016
проверочное значение : ECE-R90
Высота [мм] : 44,3
Тип тормозного диска : вентилируемый
Толщина тормозного диска (мм) : 26
Наружный диаметр [мм] : 274,1
Количество отверстий : 5
Диаметр центрирования [мм] : 87
Поверхность : лакированный
|
|
Тормозной диск
TRUSTING DF724
проверочное значение : ECE-R90
Высота [мм] : 40
Тип тормозного диска : вентилируемый
Толщина тормозного диска (мм) : 24
Наружный диаметр [мм] : 254
Количество отверстий : 5
Диаметр центрирования [мм] : 87
|
|
Тормозной диск
TRW DF4076
Тип тормозного диска : вентилируемый
Наружный диаметр [мм] : 254
Толщина тормозного диска (мм) : 24
Минимальная толщина [мм] : 22,4
Диаметр центрирования [мм] : 87
Высота [мм] : 39
Количество отверстий : 5
Размер резьбы : 10,6
Ø фаски [мм] : 108
SVHC : Нет информации, обратитесь, пожалуйста, к производителю!
|
|
Тормозной диск
TRW DF4102
Поверхность : лакированный
Тип тормозного диска : вентилируемый
Наружный диаметр [мм] : 254
Толщина тормозного диска (мм) : 24
Минимальная толщина [мм] : 22,4
Диаметр центрирования [мм] : 87,6
Высота [мм] : 40
Количество отверстий : 5
Размер резьбы : 10,5
Ø фаски [мм] : 108
Цвет : чёрный
проверочное значение : E1 90R-02 C0176/0704
SVHC : Нет информации, обратитесь, пожалуйста, к производителю!
|
|
Тормозной диск
TRW DF4986S
Тип тормозного диска : вентилируемый
Наружный диаметр [мм] : 303
Толщина тормозного диска (мм) : 20
Минимальная толщина [мм] : 18,4
Количество отверстий : 5
Высота [мм] : 92,6
Диаметр барабана [мм] : 190
Диаметр центрирования [мм] : 75
Ø фаски [мм] : 120
Размер резьбы : 14,3
Цвет : чёрный
Поверхность : лакированный
SVHC : Нет информации, обратитесь, пожалуйста, к производителю!
|
|
Тормозной диск
WOKING D6636.10
проверочное значение : K.B.A.: 61209
Сторона установки : передний мост
Диаметр [мм] : 254
Толщина тормозного диска (мм) : 24
Минимальная толщина [мм] : 22,4
Высота [мм] : 40
Диаметр центрирования [мм] : 87
Количество отверстий : 5
Тип тормозного диска : вентилируемый
Вес [кг] : 4,82
Наружный диаметр [мм] : 254
|
|
Тормозной диск
WXQP 720363
Сторона установки : передний мост
Тип тормозного диска : вентилируемый
Толщина тормозного диска (мм) : 26
Наружный диаметр [мм] : 274
|
|
Тормозной диск
WXQP 720365
Сторона установки : передний мост
Тип тормозного диска : вентилируемый
Толщина тормозного диска (мм) : 24
Наружный диаметр [мм] : 254
|
|
Тормозной диск
ZEKKERT BS-5281
Тип тормозного диска : вентилируемый
Наружный диаметр [мм] : 254
Высота [мм] : 40
Толщина тормозного диска (мм) : 24
Минимальная толщина [мм] : 22,4
Количество отверстий : 5
Диаметр центрирования [мм] : 87
Диаметр расположения крепёжных отверстий ступицы [мм] : 108
Номера артикулов рекомендуемых комплектующих : CP-1105
Номера артикулов рекомендуемых комплектующих : CP-1205
Номера артикулов рекомендуемых комплектующих : CP-1305
Номера артикулов рекомендуемых комплектующих : CP-1965
Номера артикулов рекомендуемых комплектующих : FK-2005
Номера артикулов рекомендуемых комплектующих : FK-2010
Вес [кг] : 5,07
|
|
Тормозной диск
ZEKKERT BS-5409
Тип тормозного диска : вентилируемый
Наружный диаметр [мм] : 303
Высота [мм] : 93
Толщина тормозного диска (мм) : 20
Минимальная толщина [мм] : 18,4
Количество отверстий : 7
Диаметр центрирования [мм] : 75
Диаметр расположения крепёжных отверстий ступицы [мм] : 128
Номера артикулов рекомендуемых комплектующих : CP-1105
Номера артикулов рекомендуемых комплектующих : CP-1205
Номера артикулов рекомендуемых комплектующих : CP-1305
Номера артикулов рекомендуемых комплектующих : CP-1965
Номера артикулов рекомендуемых комплектующих : FK-2005
Номера артикулов рекомендуемых комплектующих : FK-2010
Вес [кг] : 8,5
|