ПОДДЕРЖКА САЙТА


Написать сообщение
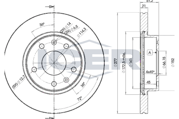
MODELS LAND ROVER FREELANDER (L314) 2.0 Td4 4x4 Тормозной диск

Выберите группу

Выберите запчасти

Изображение Описание
Тормозной диск
A.B.S. 17389

Наружный диаметр [мм] : 277
Толщина тормозного диска (мм) : 21
Минимальная толщина [мм] : 18
Высота [мм] : 51
Число отверстий в диске колеса : 5
Тип тормозного диска : вентилируемый
Диаметр центрирования [мм] : 66
Ø фаски [мм] : 114,3
Поверхность : с покрытием
Диаметр ступицы [мм] : 152

Тормозной диск
A.B.S. 17011

Наружный диаметр [мм] : 262
Толщина тормозного диска (мм) : 14
Минимальная толщина [мм] : 11
Высота [мм] : 51
Число отверстий в диске колеса : 5
Тип тормозного диска : цельный
Диаметр центрирования [мм] : 66
Ø фаски [мм] : 114,3
Поверхность : с покрытием
Диаметр ступицы [мм] : 152

Тормозной диск
ABE C3I002ABE

Толщина [мм] : 14
Высота [мм] : 51,2
Тип тормозного диска : цельный
Толщина тормозного диска (мм) : 14
Минимальная толщина [мм] : 11
Количество отверстий : 5
Диаметр центрирования [мм] : 66,2
Дополнительный артикул / дополнительная информация 2 : с винтами
Сторона установки : передний мост
Наружный диаметр [мм] : 262

Тормозной диск
ABE C3I004ABE

Толщина тормозного диска (мм) : 20,9
Количество отверстий : 5
Минимальная толщина [мм] : 18
Размер резьбы : 12,6
Высота [мм] : 51
Диаметр центрирования [мм] : 66,1
Ø фаски [мм] : 120
Сторона установки : передний мост
Тип тормозного диска : вентилируемый
Наружный диаметр [мм] : 277

Тормозной диск
AP 24786

Высота [мм] : 51
Тип тормозного диска : вентилируемый
Диаметр центрирования [мм] : 66
Наружный диаметр [мм] : 277
Количество отверстий : 5
Толщина тормозного диска (мм) : 21
Момент затяжки [Нм] : 130
Минимальная толщина [мм] : 18
Дополнительный артикул / дополнительная информация 2 : с винтами

Тормозной диск
AP 24786 V

Высота [мм] : 51
Дополнительный артикул / дополнительная информация 2 : с винтами
Тип тормозного диска : вентилируемый
Диаметр центрирования [мм] : 66
Наружный диаметр [мм] : 277
Количество отверстий : 5
Толщина тормозного диска (мм) : 21
Момент затяжки [Нм] : 130
Минимальная толщина [мм] : 18
Поверхность : с покрытием

Тормозной диск
AP 15384

Наружный диаметр [мм] : 262
Количество отверстий : 5
Толщина тормозного диска (мм) : 14
Момент затяжки [Нм] : 130
Минимальная толщина [мм] : 11
Дополнительный артикул / дополнительная информация 2 : с винтами
Высота [мм] : 51
Тип тормозного диска : цельный
Диаметр центрирования [мм] : 66

Тормозной диск
AP 15384 V

Наружный диаметр [мм] : 262
Количество отверстий : 5
Толщина тормозного диска (мм) : 14
Момент затяжки [Нм] : 130
Минимальная толщина [мм] : 11
Поверхность : с покрытием
Высота [мм] : 51
Дополнительный артикул / дополнительная информация 2 : с винтами
Тип тормозного диска : цельный
Диаметр центрирования [мм] : 66

Тормозной диск
ASHIKA 60-0L-L00C

Сторона установки : передний мост
Ø фаски [мм] : 66
Высота [мм] : 52
Наружный диаметр [мм] : 277
Толщина тормозного диска (мм) : 21
Минимальная толщина [мм] : 19
Число отверстий : 5
Тип тормозного диска : вентилируемый
проверочное значение : ECE R90 APPROVED
Поверхность : лакированный
Момент затяжки [Нм] : 130
для оригинального номера : SDB101070

Тормозной диск
ATE 24.0114-0113.1

Наружный диаметр [мм] : 262
Толщина тормозного диска (мм) : 14
Минимальная толщина [мм] : 11
Тип тормозного диска : цельный
Количество отверстий : 5
Поверхность : с покрытием
Ø фаски [мм] : 114,3
Высота [мм] : 51
Диаметр центрирования [мм] : 66,1
Внутренний диаметр : 140,8
Диаметр отверстия [мм] : 12,6
проверочное значение : E1 90R-02C0165/0948
Код MAPP в наличии :

Тормозной диск
ATE 24.0121-0114.1

Наружный диаметр [мм] : 277
Толщина тормозного диска (мм) : 21
Минимальная толщина [мм] : 18
Тип тормозного диска : вентилируемый
Поверхность : с покрытием
Количество отверстий : 5
Ø фаски [мм] : 114,3
Высота [мм] : 51
Диаметр центрирования [мм] : 66,1
Внутренний диаметр : 141
Диаметр отверстия [мм] : 12,5
Код MAPP в наличии :
проверочное значение : E1 90R-02C0115/0163

Тормозной диск
BLUE PRINT ADJ134329

Толщина тормозного диска (мм) : 14
Число отверстий в диске колеса : 5
Количество крепежных отверстий : 2
Толщина [мм] : 51
Наружный диаметр [мм] : 262
Ø фаски [мм] : 114
Поверхность : с покрытием
Тип тормозного диска : цельный
Сторона установки : передний мост
Минимальная толщина [мм] : 11
Диаметр центрирования [мм] : 66,2
Соблюдать сервисную информацию :

Тормозной диск
BLUE PRINT ADJ134330

Толщина тормозного диска (мм) : 21
Число отверстий в диске колеса : 5
Количество крепежных отверстий : 2
Толщина [мм] : 51
Наружный диаметр [мм] : 277
Ø фаски [мм] : 114
Поверхность : с покрытием
Тип тормозного диска : вентилируемый
Сторона установки : передний мост
Минимальная толщина [мм] : 18
Диаметр центрирования [мм] : 66,2
Соблюдать сервисную информацию :

Тормозной диск
BORG & BECK BBD4285

Тип тормозного диска : вентилируемый
Наружный диаметр [мм] : 277
Толщина тормозного диска (мм) : 21
Высота [мм] : 51,2
Диаметр центрирования [мм] : 66
Количество крепежных отверстий : 2
Количество отверстий : 5
Количественная единица : комплект
Поверхность : с покрытием
проверочное значение : ECE R90 Homologated
Минимальная толщина [мм] : 18

Тормозной диск
BOSCH F 026 A05 709

Наружный диаметр [мм] : 277
Толщина тормозного диска (мм) : 21
Минимальная толщина [мм] : 18
Высота [мм] : 64
Тип тормозного диска : вентилируемый
Диаметр центрирования [мм] : 66
Количество отверстий : 5

Тормозной диск
BOSCH 0 986 478 991

Наружный диаметр [мм] : 262
Толщина тормозного диска (мм) : 14
Минимальная толщина [мм] : 11
Высота [мм] : 50,8
Ø фаски [мм] : 114,3
Тип тормозного диска : цельный
Диаметр центрирования [мм] : 66,2
Количество отверстий : 5
Поверхность : промасленный
Дополнительный артикул / дополнительная информация 2 : с винтами
выполняет нормы ЕЭК : ECE-R90
Диаметр отверстия до [мм] : 12,7

Тормозной диск
BOSCH 0 986 478 992

Наружный диаметр [мм] : 277
Толщина тормозного диска (мм) : 21
Минимальная толщина [мм] : 18
Высота [мм] : 51,3
Ø фаски [мм] : 114,3
Тип тормозного диска : вентилируемый
Диаметр центрирования [мм] : 66,1
Количество отверстий : 5
Поверхность : промасленный
выполняет нормы ЕЭК : ECE-R90
Диаметр отверстия до [мм] : 12,6
Тип тормозного диска : вентилируемый

Тормозной диск
BRECO BS 8413

Высота [мм] : 51
Тип тормозного диска : вентилируемый
Диаметр центрирования [мм] : 66
Наружный диаметр [мм] : 277
Количество отверстий : 5
Толщина тормозного диска (мм) : 21
Момент затяжки [Нм] : 130
Минимальная толщина [мм] : 18
Дополнительный артикул / дополнительная информация 2 : с винтами

Тормозной диск
BRECO BV 8413

Диаметр центрирования [мм] : 66
Наружный диаметр [мм] : 277
Количество отверстий : 5
Толщина тормозного диска (мм) : 21
Момент затяжки [Нм] : 130
Минимальная толщина [мм] : 18
Поверхность : с покрытием
Высота [мм] : 51
Дополнительный артикул / дополнительная информация 2 : с винтами
Тип тормозного диска : вентилируемый

Тормозной диск
BRECO BS 7586

Высота [мм] : 51
Тип тормозного диска : цельный
Диаметр центрирования [мм] : 66
Наружный диаметр [мм] : 262
Количество отверстий : 5
Толщина тормозного диска (мм) : 14
Момент затяжки [Нм] : 130
Минимальная толщина [мм] : 11
Дополнительный артикул / дополнительная информация 2 : с винтами

Тормозной диск
BRECO BV 7586

Дополнительный артикул / дополнительная информация 2 : с винтами
Тип тормозного диска : цельный
Диаметр центрирования [мм] : 66
Наружный диаметр [мм] : 262
Количество отверстий : 5
Толщина тормозного диска (мм) : 14
Момент затяжки [Нм] : 130
Минимальная толщина [мм] : 11
Поверхность : с покрытием
Высота [мм] : 51

Тормозной диск
BREMBO 09.8609.10

Тип тормозного диска : вентилируемый
Толщина тормозного диска (мм) : 21
Количество отверстий : 5
Дополнительный артикул / дополнительная информация 2 : с винтами
Высота [мм] : 51
Диаметр центрирования [мм] : 66
Наружный диаметр [мм] : 277
Минимальная толщина [мм] : 18
Момент затяжки [Нм] : 130

Тормозной диск
BREMBO 09.8609.11

Тип тормозного диска : вентилируемый
Толщина тормозного диска (мм) : 21
Количество отверстий : 5
Дополнительный артикул / дополнительная информация 2 : с винтами
Высота [мм] : 51
Диаметр центрирования [мм] : 66
Наружный диаметр [мм] : 277
Поверхность : с покрытием
Минимальная толщина [мм] : 18
Момент затяжки [Нм] : 130

Тормозной диск
BREMBO 08.7814.10

Тип тормозного диска : цельный
Толщина тормозного диска (мм) : 14
Количество отверстий : 5
Дополнительный артикул / дополнительная информация 2 : с винтами
Высота [мм] : 51
Диаметр центрирования [мм] : 66
Наружный диаметр [мм] : 262
Минимальная толщина [мм] : 11
Момент затяжки [Нм] : 130

Тормозной диск
BREMBO 08.7814.11

Тип тормозного диска : цельный
Толщина тормозного диска (мм) : 14
Количество отверстий : 5
Дополнительный артикул / дополнительная информация 2 : с винтами
Высота [мм] : 51
Диаметр центрирования [мм] : 66
Наружный диаметр [мм] : 262
Поверхность : с покрытием
Минимальная толщина [мм] : 11
Момент затяжки [Нм] : 130

Тормозной диск
BREMSI CD7100S

Сторона установки : передний мост
Наружный диаметр [мм] : 262
Тип тормозного диска : цельный
Толщина тормозного диска (мм) : 14
Минимальная толщина [мм] : 11
Количество отверстий : 5
Момент затяжки [Нм] : 13

Тормозной диск
BREMSI CD7151V

Сторона установки : передний мост
Наружный диаметр [мм] : 277
Толщина тормозного диска (мм) : 21
Минимальная толщина [мм] : 18
Тип тормозного диска : вентилируемый
Количество отверстий : 5
Момент затяжки [Нм] : 9,5
Поверхность : лакированный
Цвет : чёрный

Тормозной диск
BSG BSG 15-210-034

Диаметр [мм] : 277
Высота [мм] : 51
Вес [кг] : 12
Тип тормозного диска : вентилируемый
Толщина тормозного диска (мм) : 21
Минимальная толщина [мм] : 18
Количество отверстий : 5
Диаметр центрирования [мм] : 66
Момент затяжки [Нм] : 130
Ø фаски [мм] : 114
Количественная единица : комплект
Дополнительный артикул / дополнительная информация 2 : с винтами
Сторона установки : передний мост
Наружный диаметр [мм] : 1

Тормозной диск
CAR 142.298

Сторона установки : 1-й передний мост
Тип тормозного диска : цельный
Наружный диаметр [мм] : 277
Толщина тормозного диска (мм) : 21
Высота [мм] : 51,2
Диаметр центрирования [мм] : 66
Количество отверстий : 5
проверочное значение : ECE R90 APPROVED
Минимальная толщина [мм] : 18
Вес [кг] : 6

Тормозной диск
CAR X.IC.142.326

Сторона установки : 1-й передний мост
Тип тормозного диска : цельный
Наружный диаметр [мм] : 262
Толщина тормозного диска (мм) : 14
Высота [мм] : 51
Диаметр центрирования [мм] : 66,2
Количество отверстий : 5
Минимальная толщина [мм] : 11
Вес [кг] : 4,9

Тормозной диск
CAR X.IC.HPD 298

Сторона установки : 1-й передний мост
Тип тормозного диска : цельный
Наружный диаметр [мм] : 277
Толщина тормозного диска (мм) : 21
Высота [мм] : 51,2
Диаметр центрирования [мм] : 66
Количество отверстий : 5
проверочное значение : ECE R90 APPROVED
Минимальная толщина [мм] : 18
Вес [кг] : 5,82

Тормозной диск
CAR X.IC.HPD 326

Сторона установки : 1-й передний мост
Тип тормозного диска : цельный
Наружный диаметр [мм] : 262
Толщина тормозного диска (мм) : 14
Высота [мм] : 51
Диаметр центрирования [мм] : 66,2
Количество отверстий : 5
Минимальная толщина [мм] : 11
Вес [кг] : 4,75

Тормозной диск
CHAMPION 562225CH

Тип тормозного диска : вентилируемый
Наружный диаметр [мм] : 277
Толщина тормозного диска (мм) : 21
Дополнительный артикул / дополнительная информация 2 : без винтов
Высота [мм] : 51,2
Ø фаски [мм] : 114,3
Диаметр центрирования [мм] : 66,2
Количество отверстий : 5
Количественная единица : комплект
Вес [кг] : 11,83
Минимальная толщина [мм] : 18
Момент затяжки [Нм] : 130
Тип контейнера : Коробка
Длина упаковки [см] : 29
Ширина упаковки [см] : 29
Высота упаковки [см] : 12,5

Тормозной диск
CIFAM 800-544C

проверочное значение : ECE-R90
Высота [мм] : 51
Тип тормозного диска : цельный
Толщина тормозного диска (мм) : 14
Наружный диаметр [мм] : 262
Количество отверстий : 5
Диаметр центрирования [мм] : 66
Поверхность : лакированный

Тормозной диск
CIFAM 800-574C

проверочное значение : ECE-R90
Высота [мм] : 51,2
Тип тормозного диска : вентилируемый
Толщина тормозного диска (мм) : 21
Наружный диаметр [мм] : 277
Количество отверстий : 7
Диаметр центрирования [мм] : 66,1
Поверхность : лакированный

Тормозной диск
COMLINE ADC1308

Тип тормозного диска : цельный
Наружный диаметр [мм] : 262
Толщина тормозного диска (мм) : 14
Высота [мм] : 50,8
Ø фаски [мм] : 114,3
Диаметр центрирования [мм] : 66,2
Количество отверстий : 5
Поверхность : с покрытием
Минимальная толщина [мм] : 11
Число отверстий : 2

Тормозной диск
COMLINE ADC1309V

Тип тормозного диска : вентилируемый
Наружный диаметр [мм] : 277
Толщина тормозного диска (мм) : 21
Высота [мм] : 51
Ø фаски [мм] : 114,3
Диаметр центрирования [мм] : 66,1
Количество отверстий : 5
Поверхность : с покрытием
Минимальная толщина [мм] : 18
Число отверстий : 2

Тормозной диск
DANAHER DR10210

Сторона установки : передний мост
Тип тормозного диска : цельный
Толщина тормозного диска (мм) : 14
Наружный диаметр [мм] : 262
Высота [мм] : 50,8
Количество отверстий : 5
Диаметр центрирования [мм] : 66,2

Тормозной диск
DANAHER DR11279

Сторона установки : передний мост
Тип тормозного диска : вентилируемый
Толщина тормозного диска (мм) : 21
Наружный диаметр [мм] : 277
Высота [мм] : 51
Количество отверстий : 5
Диаметр центрирования [мм] : 66,1

Тормозной диск
DELPHI BG3426

Тип тормозного диска : цельный
Количество отверстий : 5
проверочное значение : E1 90R-02C0100/1627
Поверхность : промасленный
Наружный диаметр [мм] : 261
Толщина тормозного диска (мм) : 14
Минимальная толщина [мм] : 11
Диаметр центрирования [мм] : 66,2
Высота [мм] : 51,3

Тормозной диск
DELPHI BG3702

Тип тормозного диска : вентилируемый
Количество отверстий : 5
Наружный диаметр [мм] : 277
Толщина тормозного диска (мм) : 21
Минимальная толщина [мм] : 18
Диаметр центрирования [мм] : 66
Высота [мм] : 51

Тормозной диск
DELPHI BG3702C

Тип тормозного диска : вентилируемый
Количество отверстий : 5
проверочное значение : E1 90R-02C0957/2551
Поверхность : с покрытием
Наружный диаметр [мм] : 277
Толщина тормозного диска (мм) : 21
Минимальная толщина [мм] : 18
Диаметр центрирования [мм] : 66
Высота [мм] : 51

Тормозной диск
DR!VE+ DP1010.11.0790

Сторона установки : передний мост
Высота [мм] : 51,3
Тип тормозного диска : вентилируемый
Толщина тормозного диска (мм) : 21
Минимальная толщина [мм] : 18
Число отверстий : 5
Наружный диаметр [мм] : 277
Диаметр центрирования [мм] : 66,2

Тормозной диск
EBC Brakes D1060

Тип тормозного диска : вентилируемый
Толщина тормозного диска (мм) : 18
Толщина тормозного диска (мм) : 21
Количество отверстий : 5
Высота [мм] : 51
Наружный диаметр [мм] : 277
Материал : Серый чугун

Тормозной диск
EBC Brakes D955

Тип тормозного диска : цельный
Толщина тормозного диска (мм) : 12
Толщина тормозного диска (мм) : 14
Количество отверстий : 5
Высота [мм] : 51
Наружный диаметр [мм] : 262
Материал : Серый чугун

Тормозной диск
EBC Brakes GD1060

Тип тормозного диска : вентилируемый
Толщина тормозного диска (мм) : 18
Толщина тормозного диска (мм) : 21
Количество отверстий : 5
Высота [мм] : 51
Наружный диаметр [мм] : 277
Материал : Серый чугун

Тормозной диск
EBC Brakes GD955

Тип тормозного диска : цельный
Толщина тормозного диска (мм) : 12
Толщина тормозного диска (мм) : 14
Количество отверстий : 5
Высота [мм] : 51
Наружный диаметр [мм] : 262
Материал : Серый чугун

Тормозной диск
EUROBRAKE 5815204014

Наружный диаметр [мм] : 262
Толщина тормозного диска (мм) : 14
Минимальная толщина [мм] : 11
Высота [мм] : 51
Число отверстий в диске колеса : 5
Тип тормозного диска : цельный
Диаметр центрирования [мм] : 66,1
Поверхность : промасленный
Вес нетто [кг] : 4,9

Тормозной диск
EUROBRAKE 5815204020

Наружный диаметр [мм] : 277
Толщина тормозного диска (мм) : 21
Минимальная толщина [мм] : 18
Высота [мм] : 51,2
Число отверстий в диске колеса : 5
Тип тормозного диска : вентилируемый
Диаметр центрирования [мм] : 66,1
Поверхность : промасленный
Вес нетто [кг] : 5,8

Тормозной диск
EUROREPAR 1642757780

Тип тормозного диска : вентилируемый
Дополнительный артикул / дополнительная информация 2 : без кольца сенсора ABS
Наружный диаметр [мм] : 276,8
Толщина тормозного диска (мм) : 21
Высота [мм] : 51,3
Диаметр центрирования [мм] : 66,2
Ø фаски [мм] : 114,3
Количество отверстий : 5
Минимальная толщина [мм] : 18

Тормозной диск
EUROREPAR 1642756480

Тип тормозного диска : цельный
Дополнительный артикул / дополнительная информация 2 : без кольца сенсора ABS
Наружный диаметр [мм] : 262
Толщина тормозного диска (мм) : 14
Высота [мм] : 51
Диаметр центрирования [мм] : 66
Количество отверстий : 5
Минимальная толщина [мм] : 11

Тормозной диск
FAI AutoParts BD386

Тип тормозного диска : вентилируемый
Наружный диаметр [мм] : 277
Толщина тормозного диска (мм) : 21
необходимое количество : 2
Высота [мм] : 51,2
Диаметр центрирования [мм] : 66
Количество отверстий : 5
Поверхность : с покрытием
Минимальная толщина [мм] : 18

Тормозной диск
FAI AutoParts FPBD1268

Тип тормозного диска : вентилируемый
Наружный диаметр [мм] : 277
Толщина тормозного диска (мм) : 21
Высота [мм] : 51,2
Диаметр центрирования [мм] : 66
Количество отверстий : 5
Поверхность : с покрытием
Минимальная толщина [мм] : 18

Тормозной диск
FEBI BILSTEIN 43814

Толщина тормозного диска (мм) : 14
Число отверстий в диске колеса : 5
Количество крепежных отверстий : 2
Толщина [мм] : 51
Наружный диаметр [мм] : 262
Ø фаски [мм] : 114,3
Поверхность : с покрытием
Тип тормозного диска : цельный
Сторона установки : передний мост
Минимальная толщина [мм] : 11
Диаметр центрирования [мм] : 66,2
Соблюдать сервисную информацию :

Тормозной диск
FEBI BILSTEIN 43829

Толщина тормозного диска (мм) : 21
Число отверстий в диске колеса : 5
Количество крепежных отверстий : 2
Толщина [мм] : 51,3
Наружный диаметр [мм] : 277
Ø фаски [мм] : 114,3
Поверхность : с покрытием
Тип тормозного диска : вентилируемый
Сторона установки : передний мост
Минимальная толщина [мм] : 18
Диаметр центрирования [мм] : 66,2
Соблюдать сервисную информацию :

Тормозной диск
FERODO DDF1151

Тип тормозного диска : вентилируемый
Наружный диаметр [мм] : 277
Толщина тормозного диска (мм) : 21
Дополнительный артикул / дополнительная информация 2 : с винтами
Высота [мм] : 51,2
Ø фаски [мм] : 114,3
Диаметр центрирования [мм] : 66,2
Количество отверстий : 5
Количественная единица : комплект
Поверхность : промасленный
проверочное значение : R90 Homologated
Вес [кг] : 11,83
Минимальная толщина [мм] : 18
Момент затяжки [Нм] : 130
Тип контейнера : Коробка
Длина упаковки [см] : 27
Ширина упаковки [см] : 27
Высота упаковки [см] : 10,7

Тормозной диск
FERODO DDF1151C

Тип тормозного диска : вентилируемый
Наружный диаметр [мм] : 277
Толщина тормозного диска (мм) : 21
Дополнительный артикул / дополнительная информация 2 : с винтами
Высота [мм] : 51,2
Диаметр центрирования [мм] : 66,2
Количество отверстий : 5
Количественная единица : Штука
Поверхность : с покрытием
проверочное значение : R90 Homologated
Вес [кг] : 5,92
Минимальная толщина [мм] : 18
Момент затяжки [Нм] : 130
Длина упаковки [см] : 28,5
Ширина упаковки [см] : 28,5
Высота упаковки [см] : 12,5

Тормозной диск
FREMAX BD-0903

Тип тормозного диска : цельный
Наружный диаметр [мм] : 262
Толщина тормозного диска (мм) : 14
Высота [мм] : 51,5
Ø фаски [мм] : 114,3
Диаметр центрирования [мм] : 66
Количество крепежных отверстий : 5
Поверхность : с покрытием
Вес [кг] : 4,9
Минимальная толщина [мм] : 11

Тормозной диск
FREMAX BD-1010

Тип тормозного диска : вентилируемый
Наружный диаметр [мм] : 277
Толщина тормозного диска (мм) : 21
Высота [мм] : 51
Диаметр центрирования [мм] : 66
Количество крепежных отверстий : 5
Поверхность : с покрытием
Вес [кг] : 5,95
Минимальная толщина [мм] : 18

Тормозной диск
FREY 345204501

Сторона установки : спереди
Тип тормозного диска : вентилируемый
Толщина тормозного диска (мм) : 0
Наружный диаметр [мм] : 0

Тормозной диск
fri.tech. BD0824

проверочное значение : ECE-R90
Высота [мм] : 51,2
Тип тормозного диска : вентилируемый
Толщина тормозного диска (мм) : 21
Наружный диаметр [мм] : 277
Количество отверстий : 7
Диаметр центрирования [мм] : 66,1
Поверхность : лакированный

Тормозной диск
fri.tech. BD0856

проверочное значение : ECE-R90
Высота [мм] : 51
Тип тормозного диска : цельный
Толщина тормозного диска (мм) : 14
Наружный диаметр [мм] : 262
Количество отверстий : 5
Диаметр центрирования [мм] : 66
Поверхность : лакированный

Тормозной диск
GALFER B1.G214-0113.1

Наружный диаметр [мм] : 262
Толщина тормозного диска (мм) : 14
Минимальная толщина [мм] : 11
Тип тормозного диска : цельный
Количество отверстий : 5
Поверхность : с покрытием
Ø фаски [мм] : 114,3
Высота [мм] : 51
Диаметр центрирования [мм] : 66,1
Внутренний диаметр : 140,8
Диаметр отверстия [мм] : 12,6
Код MAPP в наличии :
проверочное значение : E1 90R-02C0165/1229

Тормозной диск
GALFER B1.G221-0114.1

Наружный диаметр [мм] : 277
Толщина тормозного диска (мм) : 21
Минимальная толщина [мм] : 18
Тип тормозного диска : вентилируемый
Поверхность : с покрытием
Количество отверстий : 5
Ø фаски [мм] : 114,3
Высота [мм] : 51
Диаметр центрирования [мм] : 66,1
Внутренний диаметр : 141
Диаметр отверстия [мм] : 12,5
Код MAPP в наличии :

Тормозной диск
GIRLING 6041033

Тип тормозного диска : цельный
Наружный диаметр [мм] : 262
Толщина тормозного диска (мм) : 14
Минимальная толщина [мм] : 11
Диаметр центрирования [мм] : 66
Высота [мм] : 51
Количество отверстий : 5
Размер резьбы : 12,6
Ø фаски [мм] : 114
Цвет : чёрный
Поверхность : лакированный
проверочное значение : E1 90R-02 C0190/0679

Тормозной диск
GIRLING 6042211

Поверхность : лакированный
Тип тормозного диска : вентилируемый
Наружный диаметр [мм] : 277
Толщина тормозного диска (мм) : 20,9
Минимальная толщина [мм] : 18
Диаметр центрирования [мм] : 66,1
Высота [мм] : 51
Количество отверстий : 5
Размер резьбы : 12,6
Ø фаски [мм] : 120
Цвет : чёрный
проверочное значение : E1 90R-02 C0176/0003

Тормозной диск
HART 224 206

Высота [мм] : 51
Тип тормозного диска : вентилируемый
Толщина тормозного диска (мм) : 20,9
Наружный диаметр [мм] : 277
Количество отверстий : 5

Тормозной диск
HART 262 023

Высота [мм] : 50,8
Тип тормозного диска : цельный
Толщина тормозного диска (мм) : 14
Наружный диаметр [мм] : 262

Тормозной диск
ICER 78BD1010-2

Толщина тормозного диска (мм) : 18
Наружный диаметр [мм] : 277
Тип тормозного диска : вентилируемый
Высота [мм] : 51
Диаметр центрирования [мм] : 66
Ø фаски [мм] : 114,3
Исполнение оси : Front
Номер технической информации : 78BD1010-2
проверочное значение : E1 90R-02C0074/0803
проверочное значение : E1 90R-02C0452/0118
Диаметр [мм] : 66
Толщина [мм] : 21
Минимальная толщина [мм] : 18
Расположение/число отверстий : 5

Тормозной диск
JAPANPARTS DI-L00C

Сторона установки : передний мост
Ø фаски [мм] : 66
Высота [мм] : 52
Наружный диаметр [мм] : 277
Толщина тормозного диска (мм) : 21
Минимальная толщина [мм] : 19
Число отверстий : 5
Тип тормозного диска : вентилируемый
проверочное значение : ECE R90 APPROVED
Поверхность : лакированный
Момент затяжки [Нм] : 130
для оригинального номера : SDB101070

Тормозной диск
JAPKO 60L00C

Сторона установки : передний мост
Ø фаски [мм] : 66
Высота [мм] : 52
Наружный диаметр [мм] : 277
Толщина тормозного диска (мм) : 21
Минимальная толщина [мм] : 19
Число отверстий : 5
Тип тормозного диска : вентилируемый
проверочное значение : ECE R90 APPROVED
Поверхность : лакированный
Момент затяжки [Нм] : 130
для оригинального номера : SDB101070

Тормозной диск
JURATEK LAN100

Тип тормозного диска : вентилируемый
Наружный диаметр [мм] : 277
Толщина тормозного диска (мм) : 21
Высота [мм] : 51
Ø фаски [мм] : 114
Диаметр центрирования [мм] : 66
Количество крепежных отверстий : 5
парные номера артикулов : JCA1030L
парные номера артикулов : JCA1030R
парные номера артикулов : JCP134
парные номера артикулов : NKR0054
Поверхность : с покрытием
Вес [кг] : 5,85
Диаметр отверстия [мм] : 12,6
Минимальная толщина [мм] : 18

Тормозной диск
JURID 562225JC

Тип тормозного диска : вентилируемый
Наружный диаметр [мм] : 277
Толщина тормозного диска (мм) : 21
Дополнительный артикул / дополнительная информация 2 : с винтами
Версия : JC
Высота [мм] : 51,2
Ø фаски [мм] : 114,3
Диаметр центрирования [мм] : 66,1
Количество отверстий : 5
Количественная единица : комплект
Поверхность : с покрытием
Вес [кг] : 11,83
Минимальная толщина [мм] : 18
Момент затяжки [Нм] : 130
Тип контейнера : Коробка
Длина упаковки [см] : 29,5
Ширина упаковки [см] : 29,5
Высота упаковки [см] : 11,5

Тормозной диск
KAISHIN CBR067

для оригинального номера : SDB101070
Сторона установки : передний мост
проверочное значение : ECE R90 APPROVED
Высота [мм] : 52
Тип тормозного диска : вентилируемый
Толщина тормозного диска (мм) : 21
Минимальная толщина [мм] : 19
Число отверстий : 5
Наружный диаметр [мм] : 277
Количество отверстий : 5
Момент затяжки [Нм] : 130
Ø фаски [мм] : 66
Поверхность : лакированный

Тормозной диск
KAMOKA 103068

Сторона установки : передний мост
Тип тормозного диска : цельный
Толщина тормозного диска (мм) : 14
Ø фаски [мм] : 114
Количество отверстий : 5
Число отверстий в диске колеса : 5
Высота [мм] : 51
Диаметр центрирования [мм] : 66
Поверхность : с покрытием
Наружный диаметр [мм] : 262
Количество крепежных отверстий : 2

Тормозной диск
KAMOKA 103071

Сторона установки : передний мост
Тип тормозного диска : вентилируемый
Толщина тормозного диска (мм) : 21
Ø фаски [мм] : 114
Количество отверстий : 5
Высота [мм] : 51
Диаметр центрирования [мм] : 66
Поверхность : с покрытием
Наружный диаметр [мм] : 277

Тормозной диск
KAWE 6670 10

Диаметр [мм] : 276,8
Сторона установки : передний мост
Вес [кг] : 5,8
Тип тормозного диска : вентилируемый
Минимальная толщина [мм] : 18
Толщина тормозного диска (мм) : 21
Количество отверстий : 5
проверочное значение : K.B.A.: 61209
Высота [мм] : 51,3
Диаметр центрирования [мм] : 66,2
Наружный диаметр [мм] : 277

Тормозной диск
KAWE 6721 00

Диаметр [мм] : 262
Сторона установки : передний мост
Вес [кг] : 4,9
Тип тормозного диска : цельный
Минимальная толщина [мм] : 11
Толщина тормозного диска (мм) : 14
Количество отверстий : 5
Высота [мм] : 51
Диаметр центрирования [мм] : 66,2
Наружный диаметр [мм] : 262

Тормозной диск
KEY PARTS KBD4285

Тип тормозного диска : вентилируемый
Наружный диаметр [мм] : 277
Толщина тормозного диска (мм) : 21
Высота [мм] : 51,2
Диаметр центрирования [мм] : 66
Количество отверстий : 5
Количественная единица : комплект
Поверхность : без покрытия
проверочное значение : ECE R90 Homologated
Минимальная толщина [мм] : 18

Тормозной диск
KRAFT AUTOMOTIVE 6048080

Сторона установки : передний мост
Толщина тормозного диска (мм) : 14
Высота [мм] : 51
Диаметр центрирования [мм] : 66,1
Номер продукции : K6048080
Тип тормозного диска : цельный
Наружный диаметр [мм] : 262

Тормозной диск
LPR A4000V

Тип тормозного диска : вентилируемый
Количество отверстий : 5
Диаметр центрирования [мм] : 66,1
Наружный диаметр [мм] : 277
Высота [мм] : 51,2
Минимальная толщина [мм] : 18
Толщина тормозного диска (мм) : 21

Тормозной диск
LPR A4000VR

Наружный диаметр [мм] : 277
Минимальная толщина [мм] : 18
Высота [мм] : 51,2
Тип тормозного диска : вентилируемый
Поверхность : с покрытием
Количество отверстий : 5
Диаметр центрирования [мм] : 66,1
Толщина тормозного диска (мм) : 21

Тормозной диск
LPR A4331P

Толщина тормозного диска (мм) : 14
Количество отверстий : 5
Минимальная толщина [мм] : 11
Высота [мм] : 51
Диаметр центрирования [мм] : 66
Наружный диаметр [мм] : 262
Тип тормозного диска : цельный

Тормозной диск
LPR A4331PR

Поверхность : с покрытием
Тип тормозного диска : цельный
Высота [мм] : 51
Толщина тормозного диска (мм) : 14
Минимальная толщина [мм] : 11
Наружный диаметр [мм] : 262
Количество отверстий : 5
Диаметр центрирования [мм] : 66

Тормозной диск
LYNXAUTO BN-1612

Сторона установки : передний мост
Наружный диаметр [мм] : 262
Толщина тормозного диска (мм) : 14
Минимальная толщина [мм] : 11
Диаметр центрирования [мм] : 66
Высота [мм] : 51
Количество отверстий : 5
Ø фаски [мм] : 114
Тип тормозного диска : цельный

Тормозной диск
LYNXAUTO BN-1613

Сторона установки : передний мост
Наружный диаметр [мм] : 277
Толщина тормозного диска (мм) : 21
Минимальная толщина [мм] : 18
Диаметр центрирования [мм] : 66
Высота [мм] : 51
Количество отверстий : 5
Ø фаски [мм] : 120
Тип тормозного диска : вентилируемый

Тормозной диск
MAGNETI MARELLI 360406002501

Тип тормозного диска : вентилируемый
Диаметр [мм] : 277
Высота [мм] : 51,2
Минимальная толщина [мм] : 18
Количество отверстий : 5
Ø фаски [мм] : 66,2
Момент затяжки [Нм] : 130
Дополнительный артикул / дополнительная информация 2 : с винтами
Толщина тормозного диска (мм) : 21
Наружный диаметр [мм] : 277

Тормозной диск
MAGNETI MARELLI 361302040188

Тип тормозного диска : вентилируемый
Диаметр [мм] : 277
Высота [мм] : 51,2
Минимальная толщина [мм] : 18
Количество отверстий : 5
Ø фаски [мм] : 66,2
Момент затяжки [Нм] : 130
Толщина тормозного диска (мм) : 21
Наружный диаметр [мм] : 277

Тормозной диск
MANDO MBC035395

Сторона установки : передний мост
Тип тормозного диска : цельный
Толщина тормозного диска (мм) : 14
Количество отверстий : 5
Высота [мм] : 50,8
Диаметр центрирования [мм] : 66,2
Наружный диаметр [мм] : 262

Тормозной диск
MANDO MBC035396

Сторона установки : передний мост
Тип тормозного диска : вентилируемый
Толщина тормозного диска (мм) : 21
Количество отверстий : 5
Высота [мм] : 51,3
Диаметр центрирования [мм] : 66,2
Наружный диаметр [мм] : 277

Тормозной диск
MAPCO 15685C

Сторона установки : передний мост
Поверхность : с покрытием
Тип тормозного диска : вентилируемый
Толщина тормозного диска (мм) : 20,9
Минимальная толщина [мм] : 18
Наружный диаметр [мм] : 277
Ø фаски [мм] : 120
Количество отверстий : 5

Тормозной диск
MAPCO 15598

Сторона установки : передний мост
Тип тормозного диска : цельный
Толщина тормозного диска (мм) : 14
Минимальная толщина [мм] : 11
Ø фаски [мм] : 114,3
Наружный диаметр [мм] : 262
Количество отверстий : 5

Тормозной диск
MAXGEAR 19-1830

Тип тормозного диска : вентилируемый
Наружный диаметр [мм] : 277
Толщина тормозного диска (мм) : 21
Дополнительный артикул / дополнительная информация 2 : без ступицы
Дополнительный артикул / дополнительная информация 2 : без колесной крепящей оси
Высота [мм] : 51,3
Ø фаски [мм] : 114
Диаметр центрирования [мм] : 66,1
Количество отверстий : 5
Минимальная толщина [мм] : 18

Тормозной диск
MAXGEAR 19-1830SPORT

Тип тормозного диска : вентилируемый
Тип тормозного диска : с прорезями / перфорированный
Наружный диаметр [мм] : 277
Толщина тормозного диска (мм) : 21
Дополнительный артикул / дополнительная информация 2 : без ступицы
Дополнительный артикул / дополнительная информация 2 : без колесной крепящей оси
Высота [мм] : 51,3
Ø фаски [мм] : 114
Диаметр центрирования [мм] : 66,1
Количество отверстий : 5
Поверхность : лакированный
Минимальная толщина [мм] : 18

Тормозной диск
MAXGEAR 19-2361

Сторона установки : передний мост
Тип тормозного диска : цельный
Наружный диаметр [мм] : 262
Толщина тормозного диска (мм) : 14
Дополнительный артикул / дополнительная информация 2 : с винтами
Высота [мм] : 51
Ø фаски [мм] : 114
Диаметр центрирования [мм] : 66
Количество отверстий : 5
Минимальная толщина [мм] : 11

Тормозной диск
MAXGEAR 19-2361SPORT

Сторона установки : передний мост
Тип тормозного диска : цельный
Тип тормозного диска : с прорезями / перфорированный
Наружный диаметр [мм] : 262
Толщина тормозного диска (мм) : 14
Дополнительный артикул / дополнительная информация 2 : с винтами
Высота [мм] : 51
Ø фаски [мм] : 114
Диаметр центрирования [мм] : 66
Количество отверстий : 5
Поверхность : лакированный
Минимальная толщина [мм] : 11

Тормозной диск
MAXTECH 881216

Сторона установки : передний мост
Тип тормозного диска : цельный
Минимальная толщина [мм] : 11
Вес [кг] : 4,8
Толщина тормозного диска (мм) : 14
проверочное значение : 90R-02C01327/31791
Высота [мм] : 53
Наружный диаметр [мм] : 261

Тормозной диск
MAXTECH 881218

Сторона установки : передний мост
Тип тормозного диска : вентилируемый
Минимальная толщина [мм] : 18
Вес [кг] : 6
Толщина тормозного диска (мм) : 21
Ø фаски [мм] : 114,3
Количество отверстий : 5
Диаметр отверстия [мм] : 12,5
Внутренний диаметр : 141
проверочное значение : 90R-02C01327/31809
Высота [мм] : 52
Диаметр центрирования [мм] : 66,1
Наружный диаметр [мм] : 277

Тормозной диск
METELLI 23-0544C

проверочное значение : ECE-R90
Высота [мм] : 51
Тип тормозного диска : цельный
Толщина тормозного диска (мм) : 14
Наружный диаметр [мм] : 262
Количество отверстий : 5
Диаметр центрирования [мм] : 66
Поверхность : лакированный

Тормозной диск
METELLI 23-0574C

проверочное значение : ECE-R90
Высота [мм] : 51,2
Тип тормозного диска : вентилируемый
Толщина тормозного диска (мм) : 21
Наружный диаметр [мм] : 277
Количество отверстий : 7
Диаметр центрирования [мм] : 66,1
Поверхность : лакированный

Тормозной диск
MEYLE 53-15 521 0008/PD

Сторона установки : передний мост
Наружный диаметр [мм] : 277
Высота [мм] : 51
Толщина тормозного диска (мм) : 21
Минимальная толщина [мм] : 18
Диаметр центрирования [мм] : 66,1
Ø фаски [мм] : 114,3
Количество отверстий : 5
Тип тормозного диска : вентилируемый
Поверхность : оцинкованная
Качество : PREMIUM
необходимое количество : 2

Тормозной диск
MEYLE 53-15 521 0014/PD

Сторона установки : передний мост
Наружный диаметр [мм] : 262
Высота [мм] : 51
Толщина тормозного диска (мм) : 14
Минимальная толщина [мм] : 11
Диаметр центрирования [мм] : 66
Ø фаски [мм] : 114
Диаметр отверстия под шпильку колеса [мм] : 12,6
Количество отверстий : 5
Тип тормозного диска : цельный
Поверхность : оцинкованная
Качество : PREMIUM
необходимое количество : 2

Тормозной диск
MILES K200602

Сторона установки : спереди
Количество отверстий : 5
Тип тормозного диска : вентилируемый
Наружный диаметр [мм] : 276,8
Высота [мм] : 51,3
Диаметр центрирования [мм] : 66,2
Ø фаски [мм] : 114,3
Диаметр отверстия под шпильку колеса [мм] : 12,6
Толщина тормозного диска (мм) : 21
Минимальная толщина [мм] : 18
Поверхность : с покрытием

Тормозной диск
MILES K000602

Сторона установки : спереди
Количество отверстий : 5
Тип тормозного диска : вентилируемый
Наружный диаметр [мм] : 276,8
Высота [мм] : 51,3
Диаметр центрирования [мм] : 66,2
Ø фаски [мм] : 114,3
Диаметр отверстия под шпильку колеса [мм] : 12,6
Толщина тормозного диска (мм) : 21
Минимальная толщина [мм] : 18

Тормозной диск
MINTEX MDC1502C

Тип тормозного диска : вентилируемый
Наружный диаметр [мм] : 277
Толщина тормозного диска (мм) : 21
Высота [мм] : 51,3
Минимальная толщина [мм] : 18
Поверхность : с покрытием
Внутренний диаметр : 141
Ø фаски [мм] : 114,3
Диаметр центрирования [мм] : 66,1
Расположение/число отверстий : 05/07
Диаметр отверстия под шпильку колеса [мм] : 12,6
Дополнительный артикул / дополнительная информация 2 : без ступицы
Дополнительный артикул / дополнительная информация 2 : без колесного подшипника
Дополнительный артикул / дополнительная информация 2 : без колесной крепящей оси
Длина упаковки [см] : 30,8
Ширина упаковки [см] : 30,8
Высота упаковки [см] : 12,7
Вес [кг] : 6

Тормозной диск
MINTEX MDC1531

Тип тормозного диска : цельный
Наружный диаметр [мм] : 262
Толщина тормозного диска (мм) : 14
Высота [мм] : 50,8
Минимальная толщина [мм] : 11
Внутренний диаметр : 141
Ø фаски [мм] : 114,3
Диаметр центрирования [мм] : 66,2
Расположение/число отверстий : 05/07
Диаметр отверстия под шпильку колеса [мм] : 12,7
Дополнительный артикул / дополнительная информация 2 : без ступицы
Дополнительный артикул / дополнительная информация 2 : без колесного подшипника
Дополнительный артикул / дополнительная информация 2 : без колесной крепящей оси
Длина упаковки [см] : 27,8
Ширина упаковки [см] : 27,8
Высота упаковки [см] : 12,2
Вес [кг] : 5

Тормозной диск
MOTAQUIP LVBD998Z

Тип тормозного диска : цельный
Наружный диаметр [мм] : 262
Толщина тормозного диска (мм) : 14
Высота [мм] : 50,8
Ø фаски [мм] : 114,3
Диаметр центрирования [мм] : 66,2
Количество отверстий : 5
Поверхность : с покрытием
Вес [кг] : 5,09
Минимальная толщина [мм] : 11
Число отверстий : 2

Тормозной диск
MOTAQUIP LVBE317Z

Тип тормозного диска : вентилируемый
Наружный диаметр [мм] : 277
Толщина тормозного диска (мм) : 21
Высота [мм] : 51
Ø фаски [мм] : 114,3
Диаметр центрирования [мм] : 66,1
Количество отверстий : 5
Поверхность : с покрытием
Вес [кг] : 4,82
Минимальная толщина [мм] : 18
Число отверстий : 2

Тормозной диск
National NBD1129

Тип тормозного диска : вентилируемый
Наружный диаметр [мм] : 277
Толщина тормозного диска (мм) : 21
Высота [мм] : 51
Ø фаски [мм] : 114
Диаметр центрирования [мм] : 66
Количество отверстий : 5

Тормозной диск
NK 204014

Наружный диаметр [мм] : 262
Толщина тормозного диска (мм) : 14
Минимальная толщина [мм] : 11
Высота [мм] : 51
Число отверстий в диске колеса : 5
Тип тормозного диска : цельный
Диаметр центрирования [мм] : 66,1
Поверхность : промасленный
Вес нетто [кг] : 4,9

Тормозной диск
NK 204020

Наружный диаметр [мм] : 277
Толщина тормозного диска (мм) : 21
Минимальная толщина [мм] : 18
Высота [мм] : 51,2
Число отверстий в диске колеса : 5
Тип тормозного диска : вентилируемый
Диаметр центрирования [мм] : 66,1
Поверхность : промасленный
Вес нетто [кг] : 5,8

Тормозной диск
Omnicraft 2134498

Высота [мм] : 51
Тип тормозного диска : вентилируемый
Толщина тормозного диска (мм) : 21
Минимальная толщина [мм] : 18
Наружный диаметр [мм] : 277
Количество отверстий : 5
Диаметр центрирования [мм] : 66
Момент затяжки [Нм] : 130
Дополнительный артикул / дополнительная информация 2 : с винтами

Тормозной диск
OPEN PARTS BDR1853.10

Тип тормозного диска : цельный
Поверхность : лакированный
Наружный диаметр [мм] : 262
Высота [мм] : 51
Толщина тормозного диска (мм) : 14
Диаметр центрирования [мм] : 66,1
Количество отверстий : 5
Дополнительный артикул / дополнительная информация 2 : с винтами
Минимальная толщина [мм] : 11

Тормозной диск
OPEN PARTS BDR1968.20

Тип тормозного диска : вентилируемый
Поверхность : лакированный
Наружный диаметр [мм] : 277
Высота [мм] : 51
Толщина тормозного диска (мм) : 21
Диаметр центрирования [мм] : 66
Количество отверстий : 5
Дополнительный артикул / дополнительная информация 2 : с винтами
Минимальная толщина [мм] : 18

Тормозной диск
OPTIMAL BS-7050C

Сторона установки : передний мост
Тип тормозного диска : цельный
Толщина тормозного диска (мм) : 14
Наружный диаметр [мм] : 262
Высота [мм] : 51
Диаметр центрирования [мм] : 66
Поверхность : с покрытием
Дополнительный артикул / дополнительная информация 2 : с винтами
Минимальная толщина [мм] : 11
Расположение/число отверстий : 5/7

Тормозной диск
OPTIMAL BS-7730

Сторона установки : передний мост
Тип тормозного диска : вентилируемый
Толщина тормозного диска (мм) : 21
Наружный диаметр [мм] : 277
Высота [мм] : 51,3
Диаметр центрирования [мм] : 66,2
Минимальная толщина [мм] : 18
Расположение/число отверстий : 5/7

Тормозной диск
OPTIMAL BS-7730C

Сторона установки : передний мост
Тип тормозного диска : вентилируемый
Толщина тормозного диска (мм) : 21
Наружный диаметр [мм] : 277
Высота [мм] : 51,3
Диаметр центрирования [мм] : 66,2
Поверхность : с покрытием
Дополнительный артикул / дополнительная информация 2 : с винтами
Минимальная толщина [мм] : 18
Расположение/число отверстий : 5/7

Тормозной диск
PAGID 50294N

Тип тормозного диска : цельный
Наружный диаметр [мм] : 262
Толщина тормозного диска (мм) : 14
Высота [мм] : 50,8
Минимальная толщина [мм] : 11
Внутренний диаметр : 141
Ø фаски [мм] : 114,3
Диаметр центрирования [мм] : 66,2
Расположение/число отверстий : 05/07
Диаметр отверстия под шпильку колеса [мм] : 12,7
Дополнительный артикул / дополнительная информация 2 : без ступицы
Дополнительный артикул / дополнительная информация 2 : без колесного подшипника
Дополнительный артикул / дополнительная информация 2 : без колесной крепящей оси
Длина упаковки [см] : 27,8
Ширина упаковки [см] : 27,8
Высота упаковки [см] : 8,4
Вес [кг] : 5

Тормозной диск
PAGID 54157NC

Тип тормозного диска : вентилируемый
Наружный диаметр [мм] : 277
Толщина тормозного диска (мм) : 21
Высота [мм] : 51,3
Минимальная толщина [мм] : 18
Поверхность : с покрытием
Внутренний диаметр : 141
Ø фаски [мм] : 114,3
Диаметр центрирования [мм] : 66,1
Расположение/число отверстий : 05/07
Диаметр отверстия под шпильку колеса [мм] : 12,6
Дополнительный артикул / дополнительная информация 2 : без ступицы
Дополнительный артикул / дополнительная информация 2 : без колесного подшипника
Дополнительный артикул / дополнительная информация 2 : без колесной крепящей оси
Длина упаковки [см] : 29,3
Ширина упаковки [см] : 29,3
Высота упаковки [см] : 10,5
Вес [кг] : 6

Тормозной диск
PILENGA 5435

Сторона установки : передний мост
Тип тормозного диска : цельный
Минимальная толщина [мм] : 11
Толщина тормозного диска (мм) : 14
Количество отверстий 1 : 5
Количество отверстий 2 : 2
Высота [мм] : 51
Диаметр центрирования [мм] : 66,1
Наружный диаметр [мм] : 262

Тормозной диск
PILENGA V439

Сторона установки : передний мост
Тип тормозного диска : вентилируемый
Минимальная толщина [мм] : 18
Толщина тормозного диска (мм) : 20,9
Количество отверстий 1 : 5
Количество отверстий 2 : 2
Внутренний диаметр : 141
Высота [мм] : 51
Диаметр центрирования [мм] : 66,1
Наружный диаметр [мм] : 277

Тормозной диск
QUARO QD0128

Сторона установки : передний мост
Тип тормозного диска : вентилируемый
Наружный диаметр [мм] : 277
Толщина тормозного диска (мм) : 21
Дополнительный артикул / дополнительная информация 2 : без ступицы
Дополнительный артикул / дополнительная информация 2 : без колесной крепящей оси
Высота [мм] : 51,3
Ø фаски [мм] : 114
Диаметр центрирования [мм] : 66,1
Количество отверстий : 5
Поверхность : лакированный
Минимальная толщина [мм] : 18

Тормозной диск
QUINTON HAZELL BDC5040

Тип тормозного диска : цельный
Наружный диаметр [мм] : 262
Толщина тормозного диска (мм) : 14
Минимальная толщина [мм] : 11
Высота [мм] : 51,3
Диаметр центрирования [мм] : 66
Ø фаски [мм] : 114
Количество отверстий : 5

Тормозной диск
QUINTON HAZELL BDC5368

Тип тормозного диска : вентилируемый
Наружный диаметр [мм] : 277
Толщина тормозного диска (мм) : 21
Минимальная толщина [мм] : 18
Высота [мм] : 51,2
Диаметр центрирования [мм] : 66
Ø фаски [мм] : 114
Количество отверстий : 5

Тормозной диск
R BRAKE 78RBD21010

Толщина тормозного диска (мм) : 18
Наружный диаметр [мм] : 277
Тип тормозного диска : вентилируемый
Высота [мм] : 51
Диаметр центрирования [мм] : 66
Ø фаски [мм] : 114,3
Исполнение оси : Front
Номер технической информации : 78BD1010-2
проверочное значение : E1 90R-02C0074/0803
проверочное значение : E1 90R-02C0452/0118
Диаметр [мм] : 66
Толщина [мм] : 21
Минимальная толщина [мм] : 18
Расположение/число отверстий : 5

Тормозной диск
RAICAM RD00716

Вес [кг] : 5
Диаметр центрирования [мм] : 66,1
Тип тормозного диска : цельный
выполняет нормы ЕЭК : E1
Число отверстий в диске колеса : 5
Толщина тормозного диска (мм) : 14
Сторона установки : передний мост
Минимальная толщина [мм] : 11
Высота [мм] : 51
Наружный диаметр [мм] : 261,8

Тормозной диск
RAICAM RD00722

Наружный диаметр [мм] : 277
Вес [кг] : 5,8
Диаметр центрирования [мм] : 66,1
Тип тормозного диска : вентилируемый
выполняет нормы ЕЭК : E1
Число отверстий в диске колеса : 5
Толщина тормозного диска (мм) : 20,9
Сторона установки : передний мост
Минимальная толщина [мм] : 18
Высота [мм] : 51

Тормозной диск
REMSA 6670.10

проверочное значение : K.B.A.: 61209
Сторона установки : передний мост
Диаметр [мм] : 276,8
Высота [мм] : 51,3
Тип тормозного диска : вентилируемый
Толщина тормозного диска (мм) : 21
Минимальная толщина [мм] : 18
Количество отверстий : 5
Диаметр центрирования [мм] : 66,2
Вес [кг] : 5,8
Наружный диаметр [мм] : 277

Тормозной диск
REMSA 6721.00

Сторона установки : передний мост
Диаметр [мм] : 262
Высота [мм] : 51
Тип тормозного диска : цельный
Толщина тормозного диска (мм) : 14
Минимальная толщина [мм] : 11
Количество отверстий : 5
Диаметр центрирования [мм] : 66,2
Вес [кг] : 4,9
Наружный диаметр [мм] : 262

Тормозной диск
RIDEX 82B0510

Толщина тормозного диска (мм) : 21
Тип тормозного диска : вентилируемый
Минимальная толщина [мм] : 18
Высота [мм] : 51,3
Расположение/число отверстий : 05/07
Ø фаски [мм] : 114,3
Диаметр центрирования [мм] : 66,1
Вес [кг] : 6
Дополнительный артикул / дополнительная информация 2 : без ступицы
Дополнительный артикул / дополнительная информация 2 : без колесной крепящей оси
Внутренний диаметр : 141
Размер резьбы : 12,6
Наружный диаметр [мм] : 277
Поверхность : без покрытия

Тормозной диск
RIDEX 82B0790

Толщина тормозного диска (мм) : 14
Тип тормозного диска : цельный
Минимальная толщина [мм] : 11
Диаметр центрирования [мм] : 66,2
Дополнительный артикул / дополнительная информация 2 : без ступицы
Дополнительный артикул / дополнительная информация 2 : без колесной крепящей оси
Ø фаски [мм] : 114,3
Расположение/число отверстий : 5/7
Внутренний диаметр : 140,8
Диаметр отверстия [мм] : 12,6
Сторона установки : передний мост
Наружный диаметр [мм] : 262

Тормозной диск
ROADHOUSE 6670.10

проверочное значение : K.B.A.: 61209
Вес [кг] : 5,8
Сторона установки : передний мост
Диаметр [мм] : 276,8
Толщина тормозного диска (мм) : 21
Минимальная толщина [мм] : 18
Высота [мм] : 51,3
Диаметр центрирования [мм] : 66,2
Количество отверстий : 5
Тип тормозного диска : вентилируемый
Наружный диаметр [мм] : 277

Тормозной диск
ROADHOUSE 6721.00

Сторона установки : передний мост
Диаметр [мм] : 262
Толщина тормозного диска (мм) : 14
Минимальная толщина [мм] : 11
Высота [мм] : 51
Диаметр центрирования [мм] : 66,2
Количество отверстий : 5
Тип тормозного диска : цельный
Вес [кг] : 4,9
Наружный диаметр [мм] : 262

Тормозной диск
ROTINGER RT 1414

Тип тормозного диска : цельный
Сторона установки : передний мост
Наружный диаметр [мм] : 262,1
Внутренний диаметр : 140
Диаметр центрирования [мм] : 66,2
Высота [мм] : 50,8
Толщина тормозного диска (мм) : 14
Минимальная толщина [мм] : 11
Количество отверстий : 5
Размер резьбы : 12,7
Количество отверстий 1 : 2
Расстояние между отверст. 1 [мм] : 114,3
Вес [кг] : 4,8
Ø фаски [мм] : 114,3

Тормозной диск
ROTINGER RT 1414-GL

Тип тормозного диска : цельный
Поверхность : с гальваническим покрытием
Сторона установки : передний мост
Наружный диаметр [мм] : 262,1
Внутренний диаметр : 140
Диаметр центрирования [мм] : 66,2
Высота [мм] : 50,8
Толщина тормозного диска (мм) : 14
Минимальная толщина [мм] : 11
Количество отверстий : 5
Размер резьбы : 12,7
Количество отверстий 1 : 2
Расстояние между отверст. 1 [мм] : 114,3
Вес [кг] : 4,8
Ø фаски [мм] : 114,3

Тормозной диск
ROTINGER RT 1414-GL T3

Тип тормозного диска : перфорированный
Тип тормозного диска : цельный
Поверхность : с гальваническим покрытием
Сторона установки : передний мост
Наружный диаметр [мм] : 262,1
Внутренний диаметр : 140
Диаметр центрирования [мм] : 66,2
Высота [мм] : 50,8
Толщина тормозного диска (мм) : 14
Минимальная толщина [мм] : 11
Количество отверстий : 5
Размер резьбы : 12,7
Количество отверстий 1 : 2
Расстояние между отверст. 1 [мм] : 114,3
Вес [кг] : 4,8
Ø фаски [мм] : 114,3

Тормозной диск
ROTINGER RT 1414-GL T5

Тип тормозного диска : цельный
Тип тормозного диска : перфорированный
Поверхность : с гальваническим покрытием
Сторона установки : передний мост
Наружный диаметр [мм] : 262,1
Внутренний диаметр : 140
Диаметр центрирования [мм] : 66,2
Высота [мм] : 50,8
Толщина тормозного диска (мм) : 14
Минимальная толщина [мм] : 11
Количество отверстий : 5
Размер резьбы : 12,7
Количество отверстий 1 : 2
Расстояние между отверст. 1 [мм] : 114,3
Вес [кг] : 4,8
Ø фаски [мм] : 114,3

Тормозной диск
ROTINGER RT 1414-GL T6

Тип тормозного диска : цельный
Поверхность : с гальваническим покрытием
Сторона установки : передний мост
Наружный диаметр [мм] : 262,1
Внутренний диаметр : 140
Диаметр центрирования [мм] : 66,2
Высота [мм] : 50,8
Толщина тормозного диска (мм) : 14
Минимальная толщина [мм] : 11
Количество отверстий : 5
Размер резьбы : 12,7
Количество отверстий 1 : 2
Расстояние между отверст. 1 [мм] : 114,3
Вес [кг] : 4,8
Ø фаски [мм] : 114,3

Тормозной диск
ROTINGER RT 1414-GL T9

Тип тормозного диска : цельный
Поверхность : с гальваническим покрытием
Сторона установки : передний мост
Наружный диаметр [мм] : 262,1
Внутренний диаметр : 140
Диаметр центрирования [мм] : 66,2
Высота [мм] : 50,8
Толщина тормозного диска (мм) : 14
Минимальная толщина [мм] : 11
Количество отверстий : 5
Размер резьбы : 12,7
Количество отверстий 1 : 2
Расстояние между отверст. 1 [мм] : 114,3
Вес [кг] : 4,8
Ø фаски [мм] : 114,3

Тормозной диск
ROTINGER RT 2818

Тип тормозного диска : вентилируемый
Сторона установки : передний мост
Наружный диаметр [мм] : 276,8
Внутренний диаметр : 141
Диаметр центрирования [мм] : 66,2
Высота [мм] : 51,3
Толщина тормозного диска (мм) : 21
Минимальная толщина [мм] : 18
Количество отверстий : 5
Размер резьбы : 12,6
Количество отверстий 1 : 2
Расстояние между отверст. 1 [мм] : 114,3
Вес [кг] : 5,8
Ø фаски [мм] : 114,3

Тормозной диск
ROTINGER RT 2818-GL

Тип тормозного диска : вентилируемый
Поверхность : с гальваническим покрытием
Сторона установки : передний мост
Наружный диаметр [мм] : 276,8
Внутренний диаметр : 141
Диаметр центрирования [мм] : 66,2
Высота [мм] : 51,3
Толщина тормозного диска (мм) : 21
Минимальная толщина [мм] : 18
Количество отверстий : 5
Размер резьбы : 12,6
Количество отверстий 1 : 2
Расстояние между отверст. 1 [мм] : 114,3
Вес [кг] : 5,8
Ø фаски [мм] : 114,3

Тормозной диск
ROTINGER RT 2818-GL T3

Тип тормозного диска : перфорированный
Тип тормозного диска : вентилируемый
Поверхность : с гальваническим покрытием
Сторона установки : передний мост
Наружный диаметр [мм] : 276,8
Внутренний диаметр : 141
Диаметр центрирования [мм] : 66,2
Высота [мм] : 51,3
Толщина тормозного диска (мм) : 21
Минимальная толщина [мм] : 18
Количество отверстий : 5
Размер резьбы : 12,6
Количество отверстий 1 : 2
Расстояние между отверст. 1 [мм] : 114,3
Вес [кг] : 5,8
Ø фаски [мм] : 114,3

Тормозной диск
ROTINGER RT 2818-GL T5

Тип тормозного диска : вентилируемый
Тип тормозного диска : перфорированный
Поверхность : с гальваническим покрытием
Сторона установки : передний мост
Наружный диаметр [мм] : 276,8
Внутренний диаметр : 141
Диаметр центрирования [мм] : 66,2
Высота [мм] : 51,3
Толщина тормозного диска (мм) : 21
Минимальная толщина [мм] : 18
Количество отверстий : 5
Размер резьбы : 12,6
Количество отверстий 1 : 2
Расстояние между отверст. 1 [мм] : 114,3
Вес [кг] : 5,8
Ø фаски [мм] : 114,3

Тормозной диск
ROTINGER RT 2818-GL T6

Тип тормозного диска : вентилируемый
Поверхность : с гальваническим покрытием
Сторона установки : передний мост
Наружный диаметр [мм] : 276,8
Внутренний диаметр : 141
Диаметр центрирования [мм] : 66,2
Высота [мм] : 51,3
Толщина тормозного диска (мм) : 21
Минимальная толщина [мм] : 18
Количество отверстий : 5
Размер резьбы : 12,6
Количество отверстий 1 : 2
Расстояние между отверст. 1 [мм] : 114,3
Вес [кг] : 5,8
Ø фаски [мм] : 114,3

Тормозной диск
ROTINGER RT 2818-GL T9

Тип тормозного диска : вентилируемый
Поверхность : с гальваническим покрытием
Сторона установки : передний мост
Наружный диаметр [мм] : 276,8
Внутренний диаметр : 141
Диаметр центрирования [мм] : 66,2
Высота [мм] : 51,3
Толщина тормозного диска (мм) : 21
Минимальная толщина [мм] : 18
Количество отверстий : 5
Размер резьбы : 12,6
Количество отверстий 1 : 2
Расстояние между отверст. 1 [мм] : 114,3
Вес [кг] : 5,8
Ø фаски [мм] : 114,3

Тормозной диск
SAMKO A4000V

Минимальная толщина [мм] : 18
Количество отверстий : 5
Диаметр центрирования [мм] : 66,1
Наружный диаметр [мм] : 277
Тип тормозного диска : вентилируемый
Высота [мм] : 51,2
Толщина тормозного диска (мм) : 21

Тормозной диск
SAMKO A4000VR

Поверхность : с покрытием
Диаметр центрирования [мм] : 66,1
Количество отверстий : 5
Минимальная толщина [мм] : 18
Тип тормозного диска : вентилируемый
Высота [мм] : 51,2
Наружный диаметр [мм] : 277
Толщина тормозного диска (мм) : 21

Тормозной диск
SAMKO A4331P

Количество отверстий : 5
Наружный диаметр [мм] : 262
Минимальная толщина [мм] : 11
Толщина тормозного диска (мм) : 14
Высота [мм] : 51
Диаметр центрирования [мм] : 66
Тип тормозного диска : цельный

Тормозной диск
SAMKO A4331PR

Поверхность : с покрытием
Высота [мм] : 51
Толщина тормозного диска (мм) : 14
Тип тормозного диска : цельный
Диаметр центрирования [мм] : 66
Наружный диаметр [мм] : 262
Количество отверстий : 5
Минимальная толщина [мм] : 11

Тормозной диск
SKF VKBD 80440 S2

Тип тормозного диска : цельный
Наружный диаметр [мм] : 262
Толщина тормозного диска (мм) : 14
Высота [мм] : 50,8
Ø фаски [мм] : 114,3
Диаметр центрирования [мм] : 66,2
Количество отверстий : 5
Поверхность : с покрытием
Минимальная толщина [мм] : 11
Число отверстий : 2

Тормозной диск
SKF VKBD 80450 V2

Тип тормозного диска : вентилируемый
Наружный диаметр [мм] : 277
Толщина тормозного диска (мм) : 21
Высота [мм] : 51
Ø фаски [мм] : 114,3
Диаметр центрирования [мм] : 66,1
Количество отверстий : 5
Поверхность : с покрытием
Минимальная толщина [мм] : 18
Число отверстий : 2

Тормозной диск
Stark SKBD-0022239

Толщина тормозного диска (мм) : 21
Тип тормозного диска : вентилируемый
Минимальная толщина [мм] : 18
Высота [мм] : 51,3
Расположение/число отверстий : 05/07
Ø фаски [мм] : 114,3
Диаметр центрирования [мм] : 66,1
Вес [кг] : 6
Дополнительный артикул / дополнительная информация 2 : без ступицы
Дополнительный артикул / дополнительная информация 2 : без колесной крепящей оси
Внутренний диаметр : 141
Размер резьбы : 12,6
Наружный диаметр [мм] : 277
Поверхность : без покрытия

Тормозной диск
Stark SKBD-0022940

Толщина тормозного диска (мм) : 14
Тип тормозного диска : цельный
Минимальная толщина [мм] : 11
Диаметр центрирования [мм] : 66,2
Дополнительный артикул / дополнительная информация 2 : без ступицы
Дополнительный артикул / дополнительная информация 2 : без колесной крепящей оси
Ø фаски [мм] : 114,3
Расположение/число отверстий : 5/7
Внутренний диаметр : 140,8
Диаметр отверстия [мм] : 12,6
Сторона установки : передний мост
Наружный диаметр [мм] : 262

Тормозной диск
STELLOX 6020-4020V-SX

Наружный диаметр [мм] : 277
Толщина тормозного диска (мм) : 21
Тип тормозного диска : вентилируемый
Сторона установки : передний мост

Тормозной диск
STELLOX 6020-4020VK-SX

Наружный диаметр [мм] : 277
Толщина тормозного диска (мм) : 21
Тип тормозного диска : вентилируемый
Сторона установки : передний мост

Тормозной диск
SWAG 22 94 3814

Толщина тормозного диска (мм) : 14
Число отверстий в диске колеса : 5
Количество крепежных отверстий : 2
Толщина [мм] : 51
Наружный диаметр [мм] : 262
Ø фаски [мм] : 114,3
Поверхность : с покрытием
Тип тормозного диска : цельный
Сторона установки : передний мост
Минимальная толщина [мм] : 11
Диаметр центрирования [мм] : 66,2

Тормозной диск
SWAG 22 94 3829

Толщина тормозного диска (мм) : 21
Число отверстий в диске колеса : 5
Количество крепежных отверстий : 2
Толщина [мм] : 51,3
Наружный диаметр [мм] : 276,8
Ø фаски [мм] : 114,3
Поверхность : с покрытием
Тип тормозного диска : вентилируемый
Сторона установки : передний мост
Минимальная толщина [мм] : 18
Диаметр центрирования [мм] : 66,2

Тормозной диск
TEXTAR 92102900

Тип тормозного диска : цельный
Наружный диаметр [мм] : 262
Толщина тормозного диска (мм) : 14
Высота [мм] : 50,8
Минимальная толщина [мм] : 11
Внутренний диаметр : 141
Ø фаски [мм] : 114,3
Диаметр центрирования [мм] : 66,2
Расположение/число отверстий : 05/07
Диаметр отверстия под шпильку колеса [мм] : 12,7
Дополнительный артикул / дополнительная информация 2 : без ступицы
Дополнительный артикул / дополнительная информация 2 : без колесного подшипника
Дополнительный артикул / дополнительная информация 2 : без колесной крепящей оси
Длина упаковки [см] : 27,8
Ширина упаковки [см] : 27,8
Высота упаковки [см] : 12,2
Вес [кг] : 5

Тормозной диск
TEXTAR 92115700

Тип тормозного диска : вентилируемый
Наружный диаметр [мм] : 277
Толщина тормозного диска (мм) : 21
Высота [мм] : 51,3
Минимальная толщина [мм] : 18
Внутренний диаметр : 141
Ø фаски [мм] : 114,3
Диаметр центрирования [мм] : 66,1
Расположение/число отверстий : 05/07
Диаметр отверстия под шпильку колеса [мм] : 12,6
Дополнительный артикул / дополнительная информация 2 : без ступицы
Дополнительный артикул / дополнительная информация 2 : без колесного подшипника
Дополнительный артикул / дополнительная информация 2 : без колесной крепящей оси
Длина упаковки [см] : 30,8
Ширина упаковки [см] : 30,8
Высота упаковки [см] : 12,7
Вес [кг] : 6

Тормозной диск
TEXTAR 92115703

Тип тормозного диска : вентилируемый
Наружный диаметр [мм] : 277
Толщина тормозного диска (мм) : 21
Высота [мм] : 51,3
Минимальная толщина [мм] : 18
Поверхность : с покрытием
Внутренний диаметр : 141
Ø фаски [мм] : 114,3
Диаметр центрирования [мм] : 66,1
Расположение/число отверстий : 05/07
Диаметр отверстия под шпильку колеса [мм] : 12,6
Дополнительный артикул / дополнительная информация 2 : без ступицы
Дополнительный артикул / дополнительная информация 2 : без колесного подшипника
Дополнительный артикул / дополнительная информация 2 : без колесной крепящей оси
Длина упаковки [см] : 30,8
Ширина упаковки [см] : 30,8
Высота упаковки [см] : 12,7
Вес [кг] : 6

Тормозной диск
TRUSTING DF824

проверочное значение : ECE-R90
Высота [мм] : 51,2
Тип тормозного диска : вентилируемый
Толщина тормозного диска (мм) : 21
Наружный диаметр [мм] : 277
Количество отверстий : 7
Диаметр центрирования [мм] : 66,1
Поверхность : лакированный

Тормозной диск
TRUSTING DF856

проверочное значение : ECE-R90
Высота [мм] : 51
Тип тормозного диска : цельный
Толщина тормозного диска (мм) : 14
Наружный диаметр [мм] : 262
Количество отверстий : 5
Диаметр центрирования [мм] : 66
Поверхность : лакированный

Тормозной диск
TRW DF4103

Тип тормозного диска : цельный
Наружный диаметр [мм] : 262
Толщина тормозного диска (мм) : 14
Минимальная толщина [мм] : 11
Диаметр центрирования [мм] : 66
Высота [мм] : 51
Количество отверстий : 5
Размер резьбы : 12,6
Ø фаски [мм] : 114
Цвет : чёрный
Поверхность : лакированный
проверочное значение : E1 90R-02 C0190/0679
SVHC : Нет информации, обратитесь, пожалуйста, к производителю!

Тормозной диск
TRW DF4221

Поверхность : лакированный
Тип тормозного диска : вентилируемый
Наружный диаметр [мм] : 277
Толщина тормозного диска (мм) : 20,9
Минимальная толщина [мм] : 18
Диаметр центрирования [мм] : 66,1
Высота [мм] : 51
Количество отверстий : 5
Размер резьбы : 12,6
Ø фаски [мм] : 120
Цвет : чёрный
проверочное значение : E1 90R-02 C0176/0003
SVHC : Нет информации, обратитесь, пожалуйста, к производителю!

Тормозной диск
VAICO V48-40002

Высота ступицы тормозного диска [мм] : 37,2
Сторона установки : передний мост
Число отверстий в диске колеса : 5
Высота [мм] : 51
Тип тормозного диска : цельный
Толщина тормозного диска (мм) : 14
Минимальная толщина [мм] : 11
Наружный диаметр [мм] : 262
Диаметр центрирования [мм] : 66,1
Ø фаски [мм] : 114,3

Тормозной диск
VAICO V48-80001

Сторона установки : передний мост
Высота ступицы тормозного диска [мм] : 30,2
Число отверстий в диске колеса : 5
Высота [мм] : 51
Тип тормозного диска : вентилируемый
Толщина тормозного диска (мм) : 21
Минимальная толщина [мм] : 18
Наружный диаметр [мм] : 277
Диаметр центрирования [мм] : 66,1
Ø фаски [мм] : 114,3

Тормозной диск
WOKING D6670.10

проверочное значение : K.B.A.: 61209
Сторона установки : передний мост
Диаметр [мм] : 276,8
Толщина тормозного диска (мм) : 21
Минимальная толщина [мм] : 18
Высота [мм] : 51,3
Диаметр центрирования [мм] : 66,2
Количество отверстий : 5
Тип тормозного диска : вентилируемый
Вес [кг] : 5,8
Наружный диаметр [мм] : 277

Тормозной диск
WOKING D6721.00

Сторона установки : передний мост
Диаметр [мм] : 262
Толщина тормозного диска (мм) : 14
Минимальная толщина [мм] : 11
Высота [мм] : 51
Диаметр центрирования [мм] : 66,2
Количество отверстий : 5
Тип тормозного диска : цельный
Вес [кг] : 4,9
Наружный диаметр [мм] : 262

Тормозной диск
ZEKKERT BS-5621

Тип тормозного диска : вентилируемый
Наружный диаметр [мм] : 277
Высота [мм] : 51
Толщина тормозного диска (мм) : 21
Минимальная толщина [мм] : 18
Количество отверстий : 7
Диаметр центрирования [мм] : 66,2
Диаметр расположения крепёжных отверстий ступицы [мм] : 114,3
Номера артикулов рекомендуемых комплектующих : CP-1105
Номера артикулов рекомендуемых комплектующих : CP-1205
Номера артикулов рекомендуемых комплектующих : CP-1305
Номера артикулов рекомендуемых комплектующих : CP-1965
Номера артикулов рекомендуемых комплектующих : FK-2005
Номера артикулов рекомендуемых комплектующих : FK-2010
Вес [кг] : 6,51

Тормозной диск
ZEKKERT BS-5959

Тип тормозного диска : цельный
Наружный диаметр [мм] : 262
Высота [мм] : 51
Толщина тормозного диска (мм) : 14
Минимальная толщина [мм] : 11
Количество отверстий : 7
Диаметр центрирования [мм] : 66,2
Диаметр расположения крепёжных отверстий ступицы [мм] : 114,3
Номера артикулов рекомендуемых комплектующих : CP-1105
Номера артикулов рекомендуемых комплектующих : CP-1205
Номера артикулов рекомендуемых комплектующих : CP-1305
Номера артикулов рекомендуемых комплектующих : CP-1965
Номера артикулов рекомендуемых комплектующих : FK-2005
Номера артикулов рекомендуемых комплектующих : FK-2010
Вес [кг] : 5,48