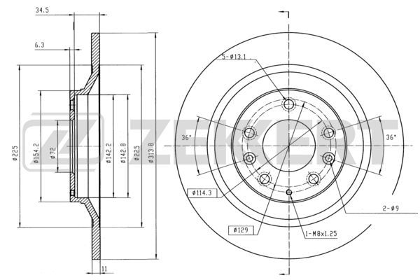
|
Изображение |
Описание |
|
Тормозной диск
A.B.S. 17428
Наружный диаметр [мм] : 283
Толщина тормозного диска (мм) : 25
Минимальная толщина [мм] : 23
Высота [мм] : 48,5
Число отверстий в диске колеса : 5
Тип тормозного диска : вентилируемый
Диаметр центрирования [мм] : 72
Ø фаски [мм] : 114,3
Поверхность : с покрытием
Диаметр ступицы [мм] : 154
|
|
Тормозной диск
A.B.S. 17094
Наружный диаметр [мм] : 280
Толщина тормозного диска (мм) : 10
Минимальная толщина [мм] : 8
Высота [мм] : 40
Число отверстий в диске колеса : 5
Тип тормозного диска : цельный
Диаметр центрирования [мм] : 72
Ø фаски [мм] : 114,3
Поверхность : с покрытием
Диаметр ступицы [мм] : 154
|
|
Тормозной диск
ABAKUS 231-03-073
Тип тормозного диска : вентилируемый
Наружный диаметр [мм] : 283
Толщина тормозного диска (мм) : 25
необходимое количество : 2
заменяется только попарно :
Высота [мм] : 48,5
Ø фаски [мм] : 114,3
Диаметр центрирования [мм] : 72
Количество отверстий : 5
проверочное значение : ECE R90
Требуется монтаж / демонтаж специалистами! :
|
|
Тормозной диск
ABAKUS 231-03-073-2
Тип тормозного диска : вентилируемый
Наружный диаметр [мм] : 283
Толщина тормозного диска (мм) : 25
необходимое количество : 2
заменяется только попарно :
Высота [мм] : 48,5
Ø фаски [мм] : 114,3
Диаметр центрирования [мм] : 72
Количество отверстий : 5
проверочное значение : ECE R90
Требуется монтаж / демонтаж специалистами! :
|
|
Тормозной диск
ABAKUS 231-04-030
Тип тормозного диска : цельный
Наружный диаметр [мм] : 280
Толщина тормозного диска (мм) : 10
необходимое количество : 2
заменяется только попарно :
Высота [мм] : 40,2
Ø фаски [мм] : 114,3
Диаметр центрирования [мм] : 72
Количество отверстий : 5
Номера артикулов рекомендуемых комплектующих : 131-07-709
Номера артикулов рекомендуемых комплектующих : 131-07-710
проверочное значение : ECE R90
Требуется монтаж / демонтаж специалистами! :
|
|
Тормозной диск
ABAKUS 231-04-030-2
Тип тормозного диска : цельный
Наружный диаметр [мм] : 280
Толщина тормозного диска (мм) : 10
необходимое количество : 2
заменяется только попарно :
Высота [мм] : 40,2
Ø фаски [мм] : 114,3
Диаметр центрирования [мм] : 72
Количество отверстий : 5
Номера артикулов рекомендуемых комплектующих : 131-07-709
Номера артикулов рекомендуемых комплектующих : 131-07-710
проверочное значение : ECE R90
Требуется монтаж / демонтаж специалистами! :
|
|
Тормозной диск
ABE C33068ABE
Толщина тормозного диска (мм) : 25
Минимальная толщина [мм] : 23
Тип тормозного диска : вентилируемый
Количество отверстий : 5
Ø фаски [мм] : 114,3
Высота [мм] : 48,5
Диаметр центрирования [мм] : 72
Внутренний диаметр : 142
Диаметр отверстия [мм] : 13
Наружный диаметр [мм] : 282,5
Сторона установки : передний мост
|
|
Тормозной диск
ABE C43029ABE
Толщина тормозного диска (мм) : 10
Минимальная толщина [мм] : 8
Тип тормозного диска : цельный
Количество отверстий : 5
Ø фаски [мм] : 114,3
Высота [мм] : 40,2
Диаметр центрирования [мм] : 72
Внутренний диаметр : 142
Диаметр отверстия [мм] : 13
Наружный диаметр [мм] : 280
Сторона установки : Задний мост
|
|
Тормозной диск
ACKOJA A32-40005
Высота ступицы тормозного диска [мм] : 30,2
Сторона установки : Задний мост
Число отверстий в диске колеса : 5
Высота [мм] : 40,2
Тип тормозного диска : цельный
Толщина тормозного диска (мм) : 10
Минимальная толщина [мм] : 8
Наружный диаметр [мм] : 280
Диаметр центрирования [мм] : 72
Ø фаски [мм] : 114,3
|
|
Тормозной диск
ACKOJA A32-80016
Высота ступицы тормозного диска [мм] : 23,5
Число отверстий в диске колеса : 5
Высота [мм] : 48,5
Тип тормозного диска : вентилируемый
Толщина тормозного диска (мм) : 25
Минимальная толщина [мм] : 23
Наружный диаметр [мм] : 282
Диаметр центрирования [мм] : 72
Ø фаски [мм] : 114,3
|
|
Тормозной диск
ADVICS E6R189B
Сторона установки : Задний мост
Тип тормозного диска : цельный
Наружный диаметр [мм] : 280
Высота [мм] : 40
Диаметр центрирования [мм] : 72
Количество отверстий : 5
Толщина тормозного диска (мм) : 10
Минимальная толщина [мм] : 8
|
|
Тормозной диск
AISIN E6R999S
Тип тормозного диска : цельный
Поверхность : с покрытием
Наружный диаметр [мм] : 280
Толщина тормозного диска (мм) : 10
Высота [мм] : 39,8
Диаметр центрирования [мм] : 72,1
Минимальная толщина [мм] : 8
Вес [кг] : 4,1
Количество отверстий : 5
Ø фаски [мм] : 114,3
|
|
Тормозной диск
AP 25463 V
Поверхность : с покрытием
Высота [мм] : 49
Дополнительный артикул / дополнительная информация 2 : с винтами
Тип тормозного диска : вентилируемый
Диаметр центрирования [мм] : 72
Наружный диаметр [мм] : 283
Количество отверстий : 5
Толщина тормозного диска (мм) : 25
Момент затяжки [Нм] : 103
Минимальная толщина [мм] : 23
|
|
Тормозной диск
AP 14888
Момент затяжки [Нм] : 103
Минимальная толщина [мм] : 8
Высота [мм] : 40
Тип тормозного диска : цельный
Диаметр центрирования [мм] : 72
Наружный диаметр [мм] : 280
Количество отверстий : 5
Толщина тормозного диска (мм) : 10
|
|
Тормозной диск
AP 14888 V
Поверхность : с покрытием
Высота [мм] : 40
Тип тормозного диска : цельный
Диаметр центрирования [мм] : 72
Наружный диаметр [мм] : 280
Количество отверстий : 5
Толщина тормозного диска (мм) : 10
Момент затяжки [Нм] : 103
Минимальная толщина [мм] : 8
|
|
Тормозной диск
ASHIKA 60-03-305C
Сторона установки : передний мост
Ø фаски [мм] : 72
Высота [мм] : 48,8
Наружный диаметр [мм] : 282,3
Толщина тормозного диска (мм) : 25
Минимальная толщина [мм] : 23
Число отверстий : 5
Тип тормозного диска : вентилируемый
проверочное значение : ECE R90 APPROVED
Поверхность : лакированный
Момент затяжки [Нм] : 103
для оригинального номера : G26Y3325XA
|
|
Тормозной диск
ASHIKA 60-03-351C
Сторона установки : передний мост
Ø фаски [мм] : 72
Высота [мм] : 48
Наружный диаметр [мм] : 320
Толщина тормозного диска (мм) : 25
Минимальная толщина [мм] : 23
Число отверстий : 5
Тип тормозного диска : вентилируемый
Поверхность : лакированный
для оригинального номера : GP9Y3325X
|
|
Тормозной диск
ASHIKA 61-03-316C
Сторона установки : Задний мост
Ø фаски [мм] : 72
Высота [мм] : 40,3
Наружный диаметр [мм] : 279,3
Толщина тормозного диска (мм) : 10
Минимальная толщина [мм] : 9
Число отверстий : 5
Тип тормозного диска : цельный
Поверхность : лакированный
Момент затяжки [Нм] : 103
для оригинального номера : N12326251B
|
|
Тормозной диск
ATE 24.0110-0302.1
Наружный диаметр [мм] : 280
Толщина тормозного диска (мм) : 10
Минимальная толщина [мм] : 8
Тип тормозного диска : цельный
Количество отверстий : 5
Поверхность : с покрытием
Ø фаски [мм] : 114,3
Высота [мм] : 40,2
Диаметр центрирования [мм] : 72
Внутренний диаметр : 142
Диаметр отверстия [мм] : 13
Код MAPP в наличии :
проверочное значение : E1 90R-02C0165/0512
|
|
Тормозной диск
ATE 24.0125-0147.1
Наружный диаметр [мм] : 282,5
Толщина тормозного диска (мм) : 25
Минимальная толщина [мм] : 23
Тип тормозного диска : вентилируемый
Поверхность : с покрытием
Количество отверстий : 5
Код MAPP в наличии :
Ø фаски [мм] : 114,3
Высота [мм] : 48,5
Диаметр центрирования [мм] : 72
Внутренний диаметр : 142
Диаметр отверстия [мм] : 13
проверочное значение : E1 90R-02C0115/0322
|
|
Тормозной диск
BARUM BAR10302
Наружный диаметр [мм] : 280
Толщина тормозного диска (мм) : 10
Минимальная толщина [мм] : 8
Тип тормозного диска : цельный
Количество отверстий : 5
Ø фаски [мм] : 114,3
Высота [мм] : 40,2
Диаметр центрирования [мм] : 72
Внутренний диаметр : 142
Диаметр отверстия [мм] : 13
|
|
Тормозной диск
BLUE PRINT ADM54359
Толщина тормозного диска (мм) : 24
Число отверстий в диске колеса : 5
Количество крепежных отверстий : 3
Толщина [мм] : 48
Наружный диаметр [мм] : 274
Ø фаски [мм] : 114
Поверхность : с покрытием
Тип тормозного диска : вентилируемый
Сторона установки : передний мост
Минимальная толщина [мм] : 22
Диаметр центрирования [мм] : 72
Соблюдать сервисную информацию :
|
|
Тормозной диск
BLUE PRINT ADM54360
Толщина тормозного диска (мм) : 10
Число отверстий в диске колеса : 5
Количество крепежных отверстий : 3
Толщина [мм] : 40
Наружный диаметр [мм] : 280
Ø фаски [мм] : 114
Поверхность : с покрытием
Тип тормозного диска : цельный
Сторона установки : Задний мост
Минимальная толщина [мм] : 8
Диаметр центрирования [мм] : 72
Соблюдать сервисную информацию :
|
|
Тормозной диск
BLUE PRINT ADM54375
Толщина тормозного диска (мм) : 25
Число отверстий в диске колеса : 5
Количество крепежных отверстий : 2
Толщина [мм] : 49
Наружный диаметр [мм] : 282
Ø фаски [мм] : 114
Поверхность : с покрытием
Тип тормозного диска : вентилируемый
Сторона установки : передний мост
Минимальная толщина [мм] : 23
Диаметр центрирования [мм] : 72
Соблюдать сервисную информацию :
|
|
Тормозной диск
BOGAP F8211440
Сторона установки : Задний мост
Тип тормозного диска : цельный
Толщина тормозного диска (мм) : 10
Наружный диаметр [мм] : 280
Количество частей [част.] : 2
|
|
Тормозной диск
BOGAP F8211473
Сторона установки : Задний мост
Тип тормозного диска : цельный
Толщина тормозного диска (мм) : 10
Наружный диаметр [мм] : 280
Количество частей [част.] : 2
|
|
Тормозной диск
BORG & BECK BBD4334
Тип тормозного диска : вентилируемый
Наружный диаметр [мм] : 283
Толщина тормозного диска (мм) : 25
Высота [мм] : 48,6
Диаметр центрирования [мм] : 72
Количество крепежных отверстий : 3
Количество отверстий : 5
Количественная единица : комплект
Поверхность : с покрытием
проверочное значение : ECE R90 Homologated
Минимальная толщина [мм] : 23
|
|
Тормозной диск
BORG & BECK BBD4335
Тип тормозного диска : цельный
Наружный диаметр [мм] : 280
Толщина тормозного диска (мм) : 10
Высота [мм] : 40
Диаметр центрирования [мм] : 72
Количество крепежных отверстий : 3
Количество отверстий : 5
Количественная единица : комплект
Поверхность : с покрытием
проверочное значение : ECE R90 Homologated
Минимальная толщина [мм] : 8
|
|
Тормозной диск
BOSCH 0 986 479 131
Наружный диаметр [мм] : 280
Толщина тормозного диска (мм) : 10
Минимальная толщина [мм] : 8
Высота [мм] : 39,8
Ø фаски [мм] : 114,3
Тип тормозного диска : цельный
Диаметр центрирования [мм] : 72
Количество отверстий : 5
Поверхность : промасленный
выполняет нормы ЕЭК : ECE-R90
Диаметр отверстия до [мм] : 13,2
|
|
Тормозной диск
BRECK BR 403 VA100
Тип тормозного диска : вентилируемый
Материал : Серый чугун
Дополнительный артикул / дополнительная информация 2 : с колесной крепящей осью
Поверхность : с покрытием
Цвет : серый
Дополнительный артикул / дополнительная информация 2 : без колесного подшипника
Наружный диаметр [мм] : 283
Толщина тормозного диска (мм) : 25
Высота [мм] : 48,5
Диаметр центрирования [мм] : 72
Ø фаски [мм] : 114,3
Минимальная толщина [мм] : 23
Количество отверстий : 5
|
|
Тормозной диск
BRECK BR 049 SA100
Тип тормозного диска : цельный
Материал : Серый чугун
Поверхность : с покрытием
Цвет : серый
Дополнительный артикул / дополнительная информация 2 : без колесного подшипника
Наружный диаметр [мм] : 280
Толщина тормозного диска (мм) : 10
Высота [мм] : 40
Диаметр центрирования [мм] : 72
Ø фаски [мм] : 114,3
Минимальная толщина [мм] : 8
Количество отверстий : 7
|
|
Тормозной диск
BRECO BV 9073
Минимальная толщина [мм] : 23
Поверхность : с покрытием
Высота [мм] : 49
Дополнительный артикул / дополнительная информация 2 : с винтами
Тип тормозного диска : вентилируемый
Диаметр центрирования [мм] : 72
Наружный диаметр [мм] : 283
Количество отверстий : 5
Толщина тормозного диска (мм) : 25
Момент затяжки [Нм] : 103
|
|
Тормозной диск
BRECO BS 7703
Высота [мм] : 40
Тип тормозного диска : цельный
Диаметр центрирования [мм] : 72
Наружный диаметр [мм] : 280
Количество отверстий : 5
Толщина тормозного диска (мм) : 10
Момент затяжки [Нм] : 103
Минимальная толщина [мм] : 8
|
|
Тормозной диск
BRECO BV 7703
Количество отверстий : 5
Толщина тормозного диска (мм) : 10
Момент затяжки [Нм] : 103
Минимальная толщина [мм] : 8
Поверхность : с покрытием
Высота [мм] : 40
Тип тормозного диска : цельный
Диаметр центрирования [мм] : 72
Наружный диаметр [мм] : 280
|
|
Тормозной диск
BREMBO 09.C179.11
Тип тормозного диска : вентилируемый
Толщина тормозного диска (мм) : 25
Количество отверстий : 5
Дополнительный артикул / дополнительная информация 2 : с винтами
Высота [мм] : 49
Диаметр центрирования [мм] : 72
Наружный диаметр [мм] : 283
Поверхность : с покрытием
Минимальная толщина [мм] : 23
Момент затяжки [Нм] : 103
|
|
Тормозной диск
BREMBO 08.A112.10
Тип тормозного диска : цельный
Толщина тормозного диска (мм) : 10
Количество отверстий : 5
Высота [мм] : 40
Диаметр центрирования [мм] : 72
Наружный диаметр [мм] : 280
Минимальная толщина [мм] : 8
Момент затяжки [Нм] : 103
|
|
Тормозной диск
BREMBO 08.A112.11
Тип тормозного диска : цельный
Толщина тормозного диска (мм) : 10
Количество отверстий : 5
Высота [мм] : 40
Диаметр центрирования [мм] : 72
Наружный диаметр [мм] : 280
Поверхность : с покрытием
Минимальная толщина [мм] : 8
Момент затяжки [Нм] : 103
|
|
Тормозной диск
BREMSI CD7210V
Сторона установки : передний мост
Наружный диаметр [мм] : 282,5
Высота [мм] : 48,6
Тип тормозного диска : вентилируемый
Толщина тормозного диска (мм) : 25
Минимальная толщина [мм] : 23
Количество отверстий : 5
Диаметр центрирования [мм] : 72
Момент затяжки [Нм] : 10,3
|
|
Тормозной диск
BREMSI CD7500S
Сторона установки : Задний мост
Наружный диаметр [мм] : 280
Высота [мм] : 40,4
Тип тормозного диска : цельный
Толщина тормозного диска (мм) : 10
Минимальная толщина [мм] : 8,4
Количество отверстий : 5
Диаметр центрирования [мм] : 72
Момент затяжки [Нм] : 10,3
|
|
Тормозной диск
BSG BSG 55-210-009
Минимальная толщина [мм] : 23
Тип тормозного диска : вентилируемый
Наружный диаметр [мм] : 283
Толщина тормозного диска (мм) : 25
Диаметр центрирования [мм] : 72
Высота [мм] : 48
Размер резьбы : 13
Количество отверстий : 5
Ø фаски [мм] : 114
Цвет : чёрный
Поверхность : лакированный
проверочное значение : E190R 0202C0176/0064
Сторона установки : передний мост
|
|
Тормозной диск
CAR 142.1095
Сторона установки : 1-й передний мост
Тип тормозного диска : цельный
Наружный диаметр [мм] : 283
Толщина тормозного диска (мм) : 25
Высота [мм] : 48,7
Диаметр центрирования [мм] : 72
Количество отверстий : 5
Минимальная толщина [мм] : 23
Вес [кг] : 7,87
|
|
Тормозной диск
CAR HPD 1095
Сторона установки : 1-й передний мост
Тип тормозного диска : цельный
Наружный диаметр [мм] : 283
Толщина тормозного диска (мм) : 25
Высота [мм] : 48,7
Диаметр центрирования [мм] : 72
Количество отверстий : 5
Минимальная толщина [мм] : 23
Вес [кг] : 7,63
|
|
Тормозной диск
CAR X.IC.142.1096
Сторона установки : 1-й задний мост
Тип тормозного диска : цельный
Наружный диаметр [мм] : 280
Толщина тормозного диска (мм) : 10
Высота [мм] : 40,5
Диаметр центрирования [мм] : 72
Количество отверстий : 5
проверочное значение : ECE R90 APPROVED
Минимальная толщина [мм] : 8
Вес [кг] : 4,05
|
|
Тормозной диск
CAR X.IC.HPD 1096
Сторона установки : 1-й задний мост
Тип тормозного диска : цельный
Наружный диаметр [мм] : 280
Толщина тормозного диска (мм) : 10
Высота [мм] : 40,5
Диаметр центрирования [мм] : 72
Количество отверстий : 5
проверочное значение : ECE R90 APPROVED
Минимальная толщина [мм] : 8
Вес [кг] : 3,93
|
|
Тормозной диск
CHAMPION 562416CH
Тип тормозного диска : цельный
Наружный диаметр [мм] : 280
Толщина тормозного диска (мм) : 10
Дополнительный артикул / дополнительная информация 2 : без винтов
Высота [мм] : 40,4
Ø фаски [мм] : 114,3
Диаметр центрирования [мм] : 72
Количество отверстий : 5
Количественная единица : комплект
Вес [кг] : 8,24
Минимальная толщина [мм] : 8,4
Момент затяжки [Нм] : 103
Тип контейнера : Коробка
Длина упаковки [см] : 28,1
Ширина упаковки [см] : 28,1
Высота упаковки [см] : 8,6
|
|
Тормозной диск
CIFAM 800-622C
проверочное значение : ECE-R90
Высота [мм] : 40
Тип тормозного диска : цельный
Толщина тормозного диска (мм) : 10
Наружный диаметр [мм] : 280
Количество отверстий : 6
Диаметр центрирования [мм] : 70
Поверхность : лакированный
|
|
Тормозной диск
CIFAM 800-901C
проверочное значение : ECE-R90
Высота [мм] : 47,5
Тип тормозного диска : вентилируемый
Толщина тормозного диска (мм) : 24
Наружный диаметр [мм] : 274
Количество отверстий : 5
Диаметр центрирования [мм] : 72
Поверхность : лакированный
|
|
Тормозной диск
COMLINE ADC0443V
Тип тормозного диска : вентилируемый
Наружный диаметр [мм] : 274
Толщина тормозного диска (мм) : 24
Высота [мм] : 47,4
Ø фаски [мм] : 114,3
Диаметр центрирования [мм] : 72
Количество отверстий : 5
Поверхность : с покрытием
Минимальная толщина [мм] : 22
Число отверстий : 3
|
|
Тормозной диск
COMLINE ADC0445V
Тип тормозного диска : вентилируемый
Наружный диаметр [мм] : 283
Толщина тормозного диска (мм) : 25
Высота [мм] : 48,5
Ø фаски [мм] : 114,3
Диаметр центрирования [мм] : 72
Количество отверстий : 5
Поверхность : с покрытием
Минимальная толщина [мм] : 23
Число отверстий : 3
|
|
Тормозной диск
COMLINE ADC0450
Тип тормозного диска : цельный
Наружный диаметр [мм] : 280
Толщина тормозного диска (мм) : 10
Высота [мм] : 40
Ø фаски [мм] : 114,3
Диаметр центрирования [мм] : 72
Количество отверстий : 5
Поверхность : с покрытием
Минимальная толщина [мм] : 8
Число отверстий : 3
|
|
Тормозной диск
CWORKS C220R0646
Сторона установки : Задний мост
Тип тормозного диска : цельный
Толщина тормозного диска (мм) : 10
Количество отверстий : 5
Диаметр центрирования [мм] : 72
Наружный диаметр [мм] : 280
|
|
Тормозной диск
DACO 603265
Высота [мм] : 48,5
Тип тормозного диска : вентилируемый
Толщина тормозного диска (мм) : 25
Размер резьбы : 13
Минимальная толщина [мм] : 23
Наружный диаметр [мм] : 283
Количество отверстий : 5
Диаметр центрирования [мм] : 72
|
|
Тормозной диск
DACO 603275
Высота [мм] : 40,2
Тип тормозного диска : цельный
Толщина тормозного диска (мм) : 10
Размер резьбы : 13,1
Минимальная толщина [мм] : 8
Наружный диаметр [мм] : 280
Количество отверстий : 5
Диаметр центрирования [мм] : 72
|
|
Тормозной диск
DANAHER DR10280
Сторона установки : Задний мост
Тип тормозного диска : цельный
Толщина тормозного диска (мм) : 10
Наружный диаметр [мм] : 280
Высота [мм] : 40
Количество отверстий : 5
Диаметр центрирования [мм] : 72
|
|
Тормозной диск
DANAHER DR10449
Сторона установки : Задний мост
Тип тормозного диска : цельный
Толщина тормозного диска (мм) : 11
Наружный диаметр [мм] : 314
Высота [мм] : 40,8
Количество отверстий : 5
Диаметр центрирования [мм] : 72
|
|
Тормозной диск
DANAHER DR10758
Сторона установки : Задний мост
Тип тормозного диска : цельный
Толщина тормозного диска (мм) : 10
Наружный диаметр [мм] : 280
Высота [мм] : 40,5
Количество отверстий : 5
Диаметр центрирования [мм] : 72
|
|
Тормозной диск
DANAHER DR10759
Сторона установки : Задний мост
Тип тормозного диска : цельный
Толщина тормозного диска (мм) : 11
Наружный диаметр [мм] : 280
Высота [мм] : 40,9
Количество отверстий : 5
Диаметр центрирования [мм] : 72
|
|
Тормозной диск
DANAHER DR11391
Сторона установки : передний мост
Тип тормозного диска : вентилируемый
Толщина тормозного диска (мм) : 25
Наружный диаметр [мм] : 283
Высота [мм] : 48,5
Количество отверстий : 5
Диаметр центрирования [мм] : 72
|
|
Тормозной диск
DANAHER DR12920
Сторона установки : передний мост
Тип тормозного диска : вентилируемый
Толщина тормозного диска (мм) : 25
Наружный диаметр [мм] : 320
Высота [мм] : 46,1
Количество отверстий : 5
Диаметр центрирования [мм] : 72,1
|
|
Тормозной диск
DANAHER DR13199
Сторона установки : передний мост
Тип тормозного диска : вентилируемый
Толщина тормозного диска (мм) : 25
Наружный диаметр [мм] : 283
Высота [мм] : 48,4
Количество отверстий : 5
Диаметр центрирования [мм] : 72
|
|
Тормозной диск
DANAHER DR13254
Сторона установки : передний мост
Тип тормозного диска : вентилируемый
Толщина тормозного диска (мм) : 24
Наружный диаметр [мм] : 274
Высота [мм] : 47,4
Количество отверстий : 5
Диаметр центрирования [мм] : 72
|
|
Тормозной диск
DANAHER DR14491
Сторона установки : Задний мост
Тип тормозного диска : цельный
Толщина тормозного диска (мм) : 10
Наружный диаметр [мм] : 280
Высота [мм] : 40,4
Количество отверстий : 5
Диаметр центрирования [мм] : 72
|
|
Тормозной диск
DELPHI BG3724
Тип тормозного диска : вентилируемый
Количество отверстий : 5
проверочное значение : E1 90R-02C0074/1029
Поверхность : промасленный
Наружный диаметр [мм] : 273
Толщина тормозного диска (мм) : 24
Минимальная толщина [мм] : 22
Диаметр центрирования [мм] : 72
Высота [мм] : 47,7
|
|
Тормозной диск
DELPHI BG3874
Тип тормозного диска : вентилируемый
Количество отверстий : 5
проверочное значение : E1 90R-02C0074/1597
Поверхность : промасленный
Наружный диаметр [мм] : 283
Толщина тормозного диска (мм) : 25
Минимальная толщина [мм] : 23
Диаметр центрирования [мм] : 72
Высота [мм] : 48,7
|
|
Тормозной диск
DELPHI BG3874C
Тип тормозного диска : вентилируемый
Количество отверстий : 5
Наружный диаметр [мм] : 283
Толщина тормозного диска (мм) : 25
Минимальная толщина [мм] : 23
Диаметр центрирования [мм] : 72
Высота [мм] : 48,7
|
|
Тормозной диск
DELPHI BG3875
Тип тормозного диска : цельный
Количество отверстий : 5
проверочное значение : E1 90R-02C0250/1562
Наружный диаметр [мм] : 280
Толщина тормозного диска (мм) : 10
Минимальная толщина [мм] : 8
Диаметр центрирования [мм] : 72
Высота [мм] : 40,4
|
|
Тормозной диск
DELPHI BG3875C
Тип тормозного диска : цельный
Количество отверстий : 5
проверочное значение : E1 90R-02C0250/1562
Поверхность : с покрытием
Наружный диаметр [мм] : 280
Толщина тормозного диска (мм) : 10
Минимальная толщина [мм] : 8
Диаметр центрирования [мм] : 72
Высота [мм] : 40,5
|
|
Тормозной диск
DENCKERMANN B130347
Минимальная толщина [мм] : 8
Тип тормозного диска : цельный
Диаметр отверстия [мм] : 13
Толщина тормозного диска (мм) : 10
Ø фаски [мм] : 114,3
Количество отверстий : 5
Внутренний диаметр : 142
Высота [мм] : 40,2
Диаметр центрирования [мм] : 72
Наружный диаметр [мм] : 280
|
|
Тормозной диск
DENCKERMANN B130348
Минимальная толщина [мм] : 23
Тип тормозного диска : вентилируемый
Диаметр отверстия [мм] : 13
Толщина тормозного диска (мм) : 25
Ø фаски [мм] : 114,3
Количество отверстий : 5
Внутренний диаметр : 142
Высота [мм] : 48,5
Диаметр центрирования [мм] : 72
Наружный диаметр [мм] : 283
|
|
Тормозной диск
DON PCD20762
Тип тормозного диска : вентилируемый
Наружный диаметр [мм] : 283
Толщина тормозного диска (мм) : 25
Высота [мм] : 48,5
Минимальная толщина [мм] : 23
Поверхность : с частичным покрытием
Внутренний диаметр : 142,7
Ø фаски [мм] : 114,3
Диаметр центрирования [мм] : 72
Расположение/число отверстий : 05/08
Диаметр отверстия под шпильку колеса [мм] : 13
Дополнительный артикул / дополнительная информация 2 : без ступицы
Дополнительный артикул / дополнительная информация 2 : без колесного подшипника
Дополнительный артикул / дополнительная информация 2 : без колесной крепящей оси
Длина упаковки [см] : 31,5
Ширина упаковки [см] : 31,5
Высота упаковки [см] : 12,2
Вес [кг] : 7,7
|
|
Тормозной диск
DON PCD21252
Тип тормозного диска : вентилируемый
Наружный диаметр [мм] : 320
Толщина тормозного диска (мм) : 25
Высота [мм] : 46
Минимальная толщина [мм] : 23
Поверхность : с частичным покрытием
Внутренний диаметр : 142,9
Ø фаски [мм] : 114,3
Диаметр центрирования [мм] : 72
Расположение/число отверстий : 05/08
Диаметр отверстия под шпильку колеса [мм] : 13
Дополнительный артикул / дополнительная информация 2 : без ступицы
Дополнительный артикул / дополнительная информация 2 : без колесного подшипника
Дополнительный артикул / дополнительная информация 2 : без колесной крепящей оси
Длина упаковки [см] : 33,5
Ширина упаковки [см] : 33,5
Высота упаковки [см] : 12,3
Вес [кг] : 9,4
|
|
Тормозной диск
DON PCD10622
Тип тормозного диска : цельный
Наружный диаметр [мм] : 280
Толщина тормозного диска (мм) : 10
Высота [мм] : 40
Минимальная толщина [мм] : 8
Поверхность : с частичным покрытием
Внутренний диаметр : 142,7
Ø фаски [мм] : 114,3
Диаметр центрирования [мм] : 72
Расположение/число отверстий : 05/08
Диаметр отверстия под шпильку колеса [мм] : 13
Дополнительный артикул / дополнительная информация 2 : без ступицы
Дополнительный артикул / дополнительная информация 2 : без колесного подшипника
Дополнительный артикул / дополнительная информация 2 : без колесной крепящей оси
Длина упаковки [см] : 29,9
Ширина упаковки [см] : 29,9
Высота упаковки [см] : 10,2
Вес [кг] : 4,1
|
|
Тормозной диск
DR!VE+ DP1010.11.0165
Число отверстий в диске колеса : 5
Сторона установки : Задний мост
Высота [мм] : 40
Тип тормозного диска : цельный
Толщина тормозного диска (мм) : 10
Минимальная толщина [мм] : 8
Наружный диаметр [мм] : 280
Количество отверстий : 2
Диаметр центрирования [мм] : 72
Количество отверстий 1 : 1
|
|
Тормозной диск
DR!VE+ DP1010.11.0810
Сторона установки : передний мост
Высота [мм] : 48,5
Тип тормозного диска : вентилируемый
Толщина тормозного диска (мм) : 25
Минимальная толщина [мм] : 23
Число отверстий : 5
Наружный диаметр [мм] : 283
Диаметр центрирования [мм] : 72
|
|
Тормозной диск
EBC Brakes D1196
Тип тормозного диска : вентилируемый
Толщина тормозного диска (мм) : 23
Толщина тормозного диска (мм) : 25
Количество отверстий : 5
Высота [мм] : 49
Наружный диаметр [мм] : 283
Материал : Серый чугун
|
|
Тормозной диск
EBC Brakes D1197
Тип тормозного диска : цельный
Толщина тормозного диска (мм) : 9
Толщина тормозного диска (мм) : 10
Количество отверстий : 5
Высота [мм] : 40
Наружный диаметр [мм] : 280
Материал : Серый чугун
|
|
Тормозной диск
EBC Brakes D7310
Тип тормозного диска : вентилируемый
Толщина тормозного диска (мм) : 23
Толщина тормозного диска (мм) : 25
Количество отверстий : 5
Высота [мм] : 49
Наружный диаметр [мм] : 299
Материал : Серый чугун
|
|
Тормозной диск
EBC Brakes GD1196
Тип тормозного диска : вентилируемый
Толщина тормозного диска (мм) : 23
Толщина тормозного диска (мм) : 25
Количество отверстий : 5
Высота [мм] : 49
Наружный диаметр [мм] : 283
Материал : Серый чугун
|
|
Тормозной диск
EBC Brakes GD1197
Тип тормозного диска : цельный
Толщина тормозного диска (мм) : 9
Толщина тормозного диска (мм) : 10
Количество отверстий : 5
Высота [мм] : 40
Наружный диаметр [мм] : 280
Материал : Серый чугун
|
|
Тормозной диск
EBC Brakes GD7310
Тип тормозного диска : вентилируемый
Толщина тормозного диска (мм) : 23
Толщина тормозного диска (мм) : 25
Количество отверстий : 5
Высота [мм] : 49
Наружный диаметр [мм] : 299
Материал : Серый чугун
|
|
Тормозной диск
EBC Brakes USR1196
Тип тормозного диска : вентилируемый
Толщина тормозного диска (мм) : 23
Толщина тормозного диска (мм) : 25
Количество отверстий : 5
Высота [мм] : 49
Наружный диаметр [мм] : 283
Материал : Серый чугун
|
|
Тормозной диск
EBC Brakes USR1197
Тип тормозного диска : цельный
Толщина тормозного диска (мм) : 9
Толщина тормозного диска (мм) : 10
Количество отверстий : 5
Высота [мм] : 40
Наружный диаметр [мм] : 280
Материал : Серый чугун
|
|
Тормозной диск
EBC Brakes USR7310
Тип тормозного диска : вентилируемый
Толщина тормозного диска (мм) : 23
Толщина тормозного диска (мм) : 25
Количество отверстий : 5
Высота [мм] : 49
Наружный диаметр [мм] : 299
Материал : Серый чугун
|
|
Тормозной диск
EGT 410259EGT
Число отверстий в диске колеса : 5
Высота [мм] : 48,4
Тип тормозного диска : вентилируемый
Толщина тормозного диска (мм) : 25
Минимальная толщина [мм] : 23
Наружный диаметр [мм] : 283
Поверхность : с покрытием
Диаметр ступицы [мм] : 72
Диаметр отверстия под шпильку колеса [мм] : 114,3
|
|
Тормозной диск
EGT 410259cEGT
Число отверстий в диске колеса : 5
Высота [мм] : 48,4
Тип тормозного диска : вентилируемый
Толщина тормозного диска (мм) : 25
Минимальная толщина [мм] : 23
Наружный диаметр [мм] : 283
Поверхность : с покрытием
Диаметр ступицы [мм] : 72
Диаметр отверстия под шпильку колеса [мм] : 114,3
|
|
Тормозной диск
EGT 410468EGT
Число отверстий в диске колеса : 5
Высота [мм] : 40
Тип тормозного диска : цельный
Толщина тормозного диска (мм) : 10
Минимальная толщина [мм] : 8
Наружный диаметр [мм] : 280
Поверхность : с покрытием
Диаметр ступицы [мм] : 72
|
|
Тормозной диск
EGT 410468cEGT
Число отверстий в диске колеса : 5
Высота [мм] : 40
Тип тормозного диска : цельный
Толщина тормозного диска (мм) : 10
Минимальная толщина [мм] : 8
Наружный диаметр [мм] : 280
Поверхность : с покрытием
Диаметр ступицы [мм] : 72
|
|
Тормозной диск
Eurobrake 5815203245
Наружный диаметр [мм] : 283
Толщина тормозного диска (мм) : 25
Минимальная толщина [мм] : 23
Высота [мм] : 48,5
Число отверстий в диске колеса : 5
Тип тормозного диска : вентилируемый
Диаметр центрирования [мм] : 72
Поверхность : промасленный
Вес нетто [кг] : 7,65
|
|
Тормозной диск
Eurobrake 5815313245
Наружный диаметр [мм] : 283
Толщина тормозного диска (мм) : 25
Минимальная толщина [мм] : 23
Высота [мм] : 48,5
Число отверстий в диске колеса : 5
Тип тормозного диска : вентилируемый
Диаметр центрирования [мм] : 72
Поверхность : с покрытием
Вес нетто [кг] : 7,65
|
|
Тормозной диск
Eurobrake 5815203246
Наружный диаметр [мм] : 280
Толщина тормозного диска (мм) : 10
Минимальная толщина [мм] : 8
Высота [мм] : 40,5
Число отверстий в диске колеса : 5
Тип тормозного диска : цельный
Диаметр центрирования [мм] : 72
Поверхность : промасленный
Вес нетто [кг] : 4,12
|
|
Тормозной диск
Eurobrake 5815313246
Наружный диаметр [мм] : 280
Толщина тормозного диска (мм) : 10
Минимальная толщина [мм] : 8
Высота [мм] : 40,5
Число отверстий в диске колеса : 5
Тип тормозного диска : цельный
Диаметр центрирования [мм] : 72
Поверхность : с покрытием
Вес нетто [кг] : 4
|
|
Тормозной диск
EUROREPAR 1642757580
Тип тормозного диска : вентилируемый
Дополнительный артикул / дополнительная информация 2 : без кольца сенсора ABS
Наружный диаметр [мм] : 282,8
Толщина тормозного диска (мм) : 25
Высота [мм] : 48,5
Диаметр центрирования [мм] : 72
Ø фаски [мм] : 114,3
Количество отверстий : 5
Минимальная толщина [мм] : 23
|
|
Тормозной диск
EUROREPAR 1618889180
Тип тормозного диска : цельный
Дополнительный артикул / дополнительная информация 2 : без кольца сенсора ABS
Наружный диаметр [мм] : 279,7
Толщина тормозного диска (мм) : 10
Высота [мм] : 40
Диаметр центрирования [мм] : 72
Ø фаски [мм] : 114,3
Количество отверстий : 5
Минимальная толщина [мм] : 8
|
|
Тормозной диск
EUROREPAR 1687783380
Тип тормозного диска : цельный
Наружный диаметр [мм] : 279,7
Толщина тормозного диска (мм) : 10
Высота [мм] : 40
Диаметр центрирования [мм] : 72
Количество отверстий : 5
Минимальная толщина [мм] : 8
|
|
Тормозной диск
FAI AutoParts BD188
Тип тормозного диска : цельный
Наружный диаметр [мм] : 280
Толщина тормозного диска (мм) : 10
необходимое количество : 2
Высота [мм] : 40
Диаметр центрирования [мм] : 72
Количество отверстий : 5
Поверхность : с покрытием
Минимальная толщина [мм] : 8
|
|
Тормозной диск
FAI AutoParts BD426
Тип тормозного диска : вентилируемый
Наружный диаметр [мм] : 283
Толщина тормозного диска (мм) : 25
необходимое количество : 2
Высота [мм] : 48,6
Диаметр центрирования [мм] : 72
Количество отверстий : 5
Поверхность : с покрытием
Минимальная толщина [мм] : 23
|
|
Тормозной диск
FAI AutoParts FPBD1027
Тип тормозного диска : цельный
Наружный диаметр [мм] : 280
Толщина тормозного диска (мм) : 10
Высота [мм] : 40
Диаметр центрирования [мм] : 72
Количество отверстий : 5
Поверхность : с покрытием
Минимальная толщина [мм] : 8
|
|
Тормозной диск
FAI AutoParts FPBD1315
Тип тормозного диска : вентилируемый
Наружный диаметр [мм] : 283
Толщина тормозного диска (мм) : 25
Высота [мм] : 48,6
Диаметр центрирования [мм] : 72
Количество отверстий : 5
Поверхность : с покрытием
Минимальная толщина [мм] : 23
|
|
Тормозной диск
FEBI BILSTEIN 108379
Толщина тормозного диска (мм) : 10
Число отверстий в диске колеса : 5
Количество крепежных отверстий : 3
Толщина [мм] : 40,2
Наружный диаметр [мм] : 280
Ø фаски [мм] : 114,3
Поверхность : с покрытием
Тип тормозного диска : цельный
Сторона установки : Задний мост
Минимальная толщина [мм] : 8
Диаметр центрирования [мм] : 72
Соблюдать сервисную информацию :
|
|
Тормозной диск
FEBI BILSTEIN 108434
Толщина тормозного диска (мм) : 25
Число отверстий в диске колеса : 5
Количество крепежных отверстий : 2
Толщина [мм] : 48,5
Наружный диаметр [мм] : 282
Ø фаски [мм] : 114,3
Поверхность : с покрытием
Тип тормозного диска : вентилируемый
Сторона установки : передний мост
Минимальная толщина [мм] : 23
Диаметр центрирования [мм] : 72
Соблюдать сервисную информацию :
|
|
Тормозной диск
FEBI BILSTEIN 108454
Толщина тормозного диска (мм) : 24
Число отверстий в диске колеса : 5
Количество крепежных отверстий : 3
Толщина [мм] : 47,5
Наружный диаметр [мм] : 274
Ø фаски [мм] : 114,3
Поверхность : с покрытием
Тип тормозного диска : вентилируемый
Сторона установки : передний мост
Минимальная толщина [мм] : 22
Диаметр центрирования [мм] : 72
Соблюдать сервисную информацию :
|
|
Тормозной диск
FENOX TB218111
Сторона установки : Задний мост
Тип тормозного диска : цельный
Толщина тормозного диска (мм) : 10
Ø фаски [мм] : 114,3
Количество отверстий : 5
Высота [мм] : 40
Диаметр центрирования [мм] : 72
Наружный диаметр [мм] : 280
|
|
Тормозной диск
FENOX TB219125
Сторона установки : передний мост
Тип тормозного диска : вентилируемый
Толщина тормозного диска (мм) : 25
Ø фаски [мм] : 114,3
Количество отверстий : 5
Высота [мм] : 48,5
Диаметр центрирования [мм] : 72
Наружный диаметр [мм] : 283
|
|
Тормозной диск
FERODO DDF1210C
Тип тормозного диска : вентилируемый
Наружный диаметр [мм] : 283
Толщина тормозного диска (мм) : 25
Дополнительный артикул / дополнительная информация 2 : с винтами
Высота [мм] : 48,6
Диаметр центрирования [мм] : 72
Количество отверстий : 5
Количественная единица : комплект
Поверхность : с покрытием
проверочное значение : R90 Homologated
Вес [кг] : 7,72
Минимальная толщина [мм] : 23
Момент затяжки [Нм] : 103
Длина упаковки [см] : 28,5
Ширина упаковки [см] : 28,5
Высота упаковки [см] : 9,3
|
|
Тормозной диск
FERODO DDF1500
Тип тормозного диска : цельный
Наружный диаметр [мм] : 280
Толщина тормозного диска (мм) : 10
Дополнительный артикул / дополнительная информация 2 : с винтами
Высота [мм] : 40,4
Ø фаски [мм] : 114,3
Диаметр центрирования [мм] : 72
Количество отверстий : 5
Количественная единица : комплект
Поверхность : промасленный
проверочное значение : R90 Homologated
Вес [кг] : 8,24
Минимальная толщина [мм] : 8,4
Момент затяжки [Нм] : 103
Тип контейнера : Коробка
Длина упаковки [см] : 28,5
Ширина упаковки [см] : 28,5
Высота упаковки [см] : 9,3
|
|
Тормозной диск
FERODO DDF1500C
Тип тормозного диска : цельный
Наружный диаметр [мм] : 280
Толщина тормозного диска (мм) : 10
Дополнительный артикул / дополнительная информация 2 : с винтами
Высота [мм] : 40,4
Диаметр центрирования [мм] : 72
Количество отверстий : 5
Количественная единица : Штука
Поверхность : с покрытием
проверочное значение : R90 Homologated
Вес [кг] : 4,12
Минимальная толщина [мм] : 8,4
Момент затяжки [Нм] : 103
Длина упаковки [см] : 28,5
Ширина упаковки [см] : 28,5
Высота упаковки [см] : 9,3
|
|
Тормозной диск
FREMAX BD-3268
Тип тормозного диска : цельный
Наружный диаметр [мм] : 280
Толщина тормозного диска (мм) : 10
Высота [мм] : 40
Диаметр центрирования [мм] : 72
Количество крепежных отверстий : 5
Поверхность : с покрытием
Вес [кг] : 4,07
Минимальная толщина [мм] : 8
|
|
Тормозной диск
FREMAX BD-3269
Тип тормозного диска : вентилируемый
Наружный диаметр [мм] : 283
Толщина тормозного диска (мм) : 25
Высота [мм] : 48,5
Диаметр центрирования [мм] : 72
Количество крепежных отверстий : 5
Поверхность : с покрытием
Вес [кг] : 7,47
Минимальная толщина [мм] : 23
|
|
Тормозной диск
fri.tech. BD0859
проверочное значение : ECE-R90
Высота [мм] : 40
Тип тормозного диска : цельный
Толщина тормозного диска (мм) : 10
Наружный диаметр [мм] : 280
Количество отверстий : 6
Диаметр центрирования [мм] : 70
Поверхность : лакированный
|
|
Тормозной диск
fri.tech. BD1037
проверочное значение : ECE-R90
Высота [мм] : 47,5
Тип тормозного диска : вентилируемый
Толщина тормозного диска (мм) : 24
Наружный диаметр [мм] : 274
Количество отверстий : 5
Диаметр центрирования [мм] : 72
Поверхность : лакированный
|
|
Тормозной диск
GALFER B1.G210-0302.1
Наружный диаметр [мм] : 280
Толщина тормозного диска (мм) : 10
Минимальная толщина [мм] : 8
Тип тормозного диска : цельный
Количество отверстий : 5
Поверхность : с покрытием
Ø фаски [мм] : 114,3
Высота [мм] : 40,2
Диаметр центрирования [мм] : 72
Внутренний диаметр : 142
Диаметр отверстия [мм] : 13
проверочное значение : E1 90R-02C0165/1119
|
|
Тормозной диск
GH GH-403266
Сторона установки : передний мост
Сторона установки : передний мост справа
Сторона установки : передний мост слева
Толщина тормозного диска (мм) : 25
Количество отверстий : 5
Ø фаски [мм] : 114,3
Диаметр центрирования [мм] : 72
Наружный диаметр [мм] : 283
Тип тормозного диска : вентилируемый
Размер резьбы : 13
Высота [мм] : 48,5
|
|
Тормозной диск
GH GH-423206
Сторона установки : Задний мост
Сторона установки : Задний мост справа
Сторона установки : Задний мост слева
Толщина тормозного диска (мм) : 10
Количество отверстий : 5
Ø фаски [мм] : 114,3
Диаметр центрирования [мм] : 72
Наружный диаметр [мм] : 280
Тип тормозного диска : цельный
Размер резьбы : 13,1
Высота [мм] : 40,2
|
|
Тормозной диск
GIRLING 6043861
Поверхность : лакированный
Минимальная толщина [мм] : 23
Тип тормозного диска : вентилируемый
Наружный диаметр [мм] : 283
Толщина тормозного диска (мм) : 25
Диаметр центрирования [мм] : 72
Высота [мм] : 48,5
Размер резьбы : 13
Количество отверстий : 5
Ø фаски [мм] : 114,3
Цвет : чёрный
|
|
Тормозной диск
GIRLING 6044424
Тип тормозного диска : цельный
Наружный диаметр [мм] : 280
Толщина тормозного диска (мм) : 10
Минимальная толщина [мм] : 8
Количество отверстий : 5
Высота [мм] : 40,2
Диаметр центрирования [мм] : 72
Размер резьбы : 13,1
Ø фаски [мм] : 114,3
Цвет : чёрный
Поверхность : лакированный
проверочное значение : E190R-02C0190/0525
|
|
Тормозной диск
HART 223 950
Высота [мм] : 48,5
Тип тормозного диска : вентилируемый
Толщина тормозного диска (мм) : 25
Наружный диаметр [мм] : 283
Количество отверстий : 5
|
|
Тормозной диск
HART 228 867
Высота [мм] : 40,2
Тип тормозного диска : цельный
Толщина тормозного диска (мм) : 10
Наружный диаметр [мм] : 280
Количество отверстий : 5
|
|
Тормозной диск
HART 241 145
Высота [мм] : 48,5
Тип тормозного диска : вентилируемый
Толщина тормозного диска (мм) : 25
Наружный диаметр [мм] : 283
Количество отверстий : 5
|
|
Тормозной диск
HART 241 173
Высота [мм] : 40,2
Тип тормозного диска : цельный
Толщина тормозного диска (мм) : 10
Наружный диаметр [мм] : 280
Количество отверстий : 5
|
|
Тормозной диск
HERTH+BUSS JAKOPARTS J3303076
Тип тормозного диска : вентилируемый
Наружный диаметр [мм] : 283
Толщина тормозного диска (мм) : 25
Минимальная толщина [мм] : 23
Количество отверстий : 5
Количество отверстий 1 : 2
Ø фаски [мм] : 114,3
Внутренний диаметр : 143
Высота [мм] : 48,4
Диаметр ступицы [мм] : 72
Поверхность : с покрытием
Количество отверстий 2 : 1
Сторона установки : передний мост
SVHC : Не содержит особо опасных веществ!
|
|
Тормозной диск
HERTH+BUSS JAKOPARTS J3313029
Тип тормозного диска : цельный
Наружный диаметр [мм] : 280
Толщина тормозного диска (мм) : 10
Минимальная толщина [мм] : 8
Количество отверстий : 5
Количество отверстий 1 : 2
Ø фаски [мм] : 114,3
Внутренний диаметр : 142,9
Высота [мм] : 40
Диаметр ступицы [мм] : 72
Поверхность : с покрытием
выполняет нормы ЕЭК : E1 90R-02C0121/0336
Количество отверстий 2 : 1
Сторона установки : Задний мост
SVHC : Не содержит особо опасных веществ!
|
|
Тормозной диск
Hi-Q SD4406
Вес [кг] : 7,65
Толщина [мм] : 25
Тип тормозного диска : вентилируемый
Толщина тормозного диска (мм) : 23
Ø фаски [мм] : 114,3
Количество отверстий : 8
Высота [мм] : 48,5
Диаметр центрирования [мм] : 72
Наружный диаметр [мм] : 283
|
|
Тормозной диск
Hi-Q SD4412
Вес [кг] : 3
Толщина [мм] : 10
Тип тормозного диска : цельный
Толщина тормозного диска (мм) : 8
Ø фаски [мм] : 114,3
Количество отверстий : 8
Высота [мм] : 40
Диаметр центрирования [мм] : 72
Наружный диаметр [мм] : 280
|
|
Тормозной диск
ICER 78BD3268-2
Толщина тормозного диска (мм) : 8
Наружный диаметр [мм] : 280
Тип тормозного диска : цельный
Высота [мм] : 40
Диаметр центрирования [мм] : 72
Ø фаски [мм] : 114,3
Исполнение оси : Rear
Номер технической информации : 78BD3268-2
проверочное значение : E1 90R-02C0100/0691
проверочное значение : E1 90R-02C0415/0088
проверочное значение : E4 90R-02C0722/2585
Диаметр [мм] : 72
Толщина [мм] : 10
Минимальная толщина [мм] : 8
Расположение/число отверстий : 5
Вес [кг] : 8 544
|
|
Тормозной диск
ICER 78BD3269-2
Толщина тормозного диска (мм) : 23
Наружный диаметр [мм] : 283
Тип тормозного диска : вентилируемый
Высота [мм] : 48,5
Диаметр центрирования [мм] : 72
Ø фаски [мм] : 114,3
Исполнение оси : Front
Номер технической информации : 78BD3269-2
проверочное значение : E1 90R-02C0074/0901
проверочное значение : E1 90R-02C0370/0034
проверочное значение : E1 90R-02C0452/0118
Диаметр [мм] : 72
Толщина [мм] : 25
Минимальная толщина [мм] : 23
Расположение/число отверстий : 5
|
|
Тормозной диск
JAPANPARTS DI-305C
Сторона установки : передний мост
Ø фаски [мм] : 72
Высота [мм] : 48,8
Наружный диаметр [мм] : 282,3
Толщина тормозного диска (мм) : 25
Минимальная толщина [мм] : 23
Число отверстий : 5
Тип тормозного диска : вентилируемый
проверочное значение : ECE R90 APPROVED
Поверхность : лакированный
Момент затяжки [Нм] : 103
для оригинального номера : G26Y3325XA
|
|
Тормозной диск
JAPANPARTS DI-351C
Сторона установки : передний мост
Ø фаски [мм] : 72
Высота [мм] : 48
Наружный диаметр [мм] : 320
Толщина тормозного диска (мм) : 25
Минимальная толщина [мм] : 23
Число отверстий : 5
Тип тормозного диска : вентилируемый
Поверхность : лакированный
для оригинального номера : GP9Y3325X
|
|
Тормозной диск
JAPANPARTS DP-316C
Сторона установки : Задний мост
Ø фаски [мм] : 72
Высота [мм] : 40,3
Наружный диаметр [мм] : 279,3
Толщина тормозного диска (мм) : 10
Минимальная толщина [мм] : 9
Число отверстий : 5
Тип тормозного диска : цельный
Поверхность : лакированный
Момент затяжки [Нм] : 103
для оригинального номера : N12326251B
|
|
Тормозной диск
JAPKO 60305C
Сторона установки : передний мост
Ø фаски [мм] : 72
Высота [мм] : 48,8
Наружный диаметр [мм] : 282,3
Толщина тормозного диска (мм) : 25
Минимальная толщина [мм] : 23
Число отверстий : 5
Тип тормозного диска : вентилируемый
проверочное значение : ECE R90 APPROVED
Поверхность : лакированный
Момент затяжки [Нм] : 103
для оригинального номера : G26Y3325XA
|
|
Тормозной диск
JAPKO 60351C
Сторона установки : передний мост
Ø фаски [мм] : 72
Высота [мм] : 48
Наружный диаметр [мм] : 320
Толщина тормозного диска (мм) : 25
Минимальная толщина [мм] : 23
Число отверстий : 5
Тип тормозного диска : вентилируемый
Поверхность : лакированный
для оригинального номера : GP9Y3325X
|
|
Тормозной диск
JAPKO 61316C
Сторона установки : Задний мост
Ø фаски [мм] : 72
Высота [мм] : 40,3
Наружный диаметр [мм] : 279,3
Толщина тормозного диска (мм) : 10
Минимальная толщина [мм] : 9
Число отверстий : 5
Тип тормозного диска : цельный
Поверхность : лакированный
Момент затяжки [Нм] : 103
для оригинального номера : N12326251B
|
|
Тормозной диск
JC PREMIUM C3MZ1095
Толщина тормозного диска (мм) : 25
Минимальная толщина [мм] : 23
Тип тормозного диска : вентилируемый
Количество отверстий : 5
Ø фаски [мм] : 114,3
Высота [мм] : 48,5
Диаметр центрирования [мм] : 72
Внутренний диаметр : 142
Диаметр отверстия [мм] : 13
Сторона установки : передний мост
Наружный диаметр [мм] : 283
|
|
Тормозной диск
JP GROUP 3863101200
Тип тормозного диска : вентилируемый
Толщина тормозного диска (мм) : 25
Поверхность : с покрытием
Сторона установки : передний мост
Количество отверстий : 5
Наружный диаметр [мм] : 283
|
|
Тормозной диск
JP GROUP 3863200300
Тип тормозного диска : цельный
Толщина тормозного диска (мм) : 10
Поверхность : с покрытием
Сторона установки : Задний мост
Количество отверстий : 5
Наружный диаметр [мм] : 280
|
|
Тормозной диск
JPN 30H3045-JPN
Тип тормозного диска : вентилируемый
Высота [мм] : 48,5
Толщина тормозного диска (мм) : 25
Размер резьбы : 13
Наружный диаметр [мм] : 283
Количество отверстий : 5
Диаметр центрирования [мм] : 72
Ø фаски [мм] : 114,3
|
|
Тормозной диск
JPN 40H3024-JPN
Тип тормозного диска : цельный
Высота [мм] : 40,2
Толщина тормозного диска (мм) : 10
Размер резьбы : 13,1
Наружный диаметр [мм] : 280
Количество отверстий : 5
Диаметр центрирования [мм] : 72
Ø фаски [мм] : 114,3
|
|
Тормозной диск
JURATEK MAZ111
Тип тормозного диска : цельный
Наружный диаметр [мм] : 280
Толщина тормозного диска (мм) : 10
Высота [мм] : 40
Ø фаски [мм] : 114
Диаметр центрирования [мм] : 72
Количество крепежных отверстий : 5
парные номера артикулов : JCA1047L
парные номера артикулов : JCA1047R
парные номера артикулов : JCP1721
парные номера артикулов : NKF8134
парные номера артикулов : NKF8499
парные номера артикулов : NKR0087
Поверхность : с покрытием
Вес [кг] : 4,6
Диаметр отверстия [мм] : 13
Минимальная толщина [мм] : 8
|
|
Тормозной диск
JURID 562416JC
Тип тормозного диска : цельный
Наружный диаметр [мм] : 280
Толщина тормозного диска (мм) : 10
Дополнительный артикул / дополнительная информация 2 : с винтами
Версия : JC
Высота [мм] : 40,4
Ø фаски [мм] : 114,3
Диаметр центрирования [мм] : 72
Количество отверстий : 5
Количественная единица : комплект
Поверхность : с покрытием
Вес [кг] : 8,24
Минимальная толщина [мм] : 8,4
Момент затяжки [Нм] : 103
Тип контейнера : Коробка
Длина упаковки [см] : 29
Ширина упаковки [см] : 29
Высота упаковки [см] : 10,5
|
|
Тормозной диск
JURID 562449JC
Тип тормозного диска : вентилируемый
Наружный диаметр [мм] : 283
Толщина тормозного диска (мм) : 25
Дополнительный артикул / дополнительная информация 2 : с винтами
Версия : JC
Высота [мм] : 48,6
Ø фаски [мм] : 114,3
Диаметр центрирования [мм] : 72
Количество отверстий : 5
Количественная единица : комплект
Поверхность : с покрытием
проверочное значение : R90 Homologated
Вес [кг] : 15,44
Минимальная толщина [мм] : 23
Момент затяжки [Нм] : 103
Тип контейнера : Коробка
Длина упаковки [см] : 29,5
Ширина упаковки [см] : 29,5
Высота упаковки [см] : 11,5
|
|
Тормозной диск
KAISHIN CBR218
для оригинального номера : G26Y3325XA
Сторона установки : передний мост
проверочное значение : ECE R90 APPROVED
Высота [мм] : 48,8
Тип тормозного диска : вентилируемый
Толщина тормозного диска (мм) : 25
Минимальная толщина [мм] : 23
Число отверстий : 5
Наружный диаметр [мм] : 282,3
Количество отверстий : 5
Момент затяжки [Нм] : 103
Ø фаски [мм] : 72
Поверхность : лакированный
|
|
Тормозной диск
KAISHIN CBR291
для оригинального номера : N12326251B
Сторона установки : Задний мост
Высота [мм] : 40,3
Тип тормозного диска : цельный
Толщина тормозного диска (мм) : 10
Минимальная толщина [мм] : 9
Число отверстий : 5
Наружный диаметр [мм] : 279,3
Количество отверстий : 5
Момент затяжки [Нм] : 103
Ø фаски [мм] : 72
Поверхность : лакированный
|
|
Тормозной диск
KAMOKA 1032420
Сторона установки : передний мост
Тип тормозного диска : вентилируемый
Толщина тормозного диска (мм) : 25
Ø фаски [мм] : 114
Количество отверстий : 5
Высота [мм] : 49
Диаметр центрирования [мм] : 72
Поверхность : с покрытием
Наружный диаметр [мм] : 282
|
|
Тормозной диск
KAMOKA 1033000
Сторона установки : Задний мост
Тип тормозного диска : цельный
Толщина тормозного диска (мм) : 10
Ø фаски [мм] : 114
Количество отверстий : 5
Высота [мм] : 40
Диаметр центрирования [мм] : 72
Поверхность : с покрытием
Наружный диаметр [мм] : 280
|
|
Тормозной диск
Kavo Parts BR-4755-C
проверочное значение : R90
Высота [мм] : 49
Тип тормозного диска : вентилируемый
Толщина тормозного диска (мм) : 25
Минимальная толщина [мм] : 23
Наружный диаметр [мм] : 283
Количество отверстий : 5
Диаметр центрирования [мм] : 72
Ø фаски [мм] : 114,3
Поверхность : с покрытием
|
|
Тормозной диск
Kavo Parts BR-4756-C
проверочное значение : R90
Высота [мм] : 40
Тип тормозного диска : цельный
Толщина тормозного диска (мм) : 10
Минимальная толщина [мм] : 8
Наружный диаметр [мм] : 280
Количество отверстий : 5
Диаметр центрирования [мм] : 72
Ø фаски [мм] : 114
Поверхность : с покрытием
|
|
Тормозной диск
KAWE 6673 10
Диаметр [мм] : 282,8
Сторона установки : передний мост
Вес [кг] : 7,7
Тип тормозного диска : вентилируемый
Минимальная толщина [мм] : 23
Толщина тормозного диска (мм) : 25
Количество отверстий : 5
проверочное значение : K.B.A.: 61209
Высота [мм] : 48,5
Диаметр центрирования [мм] : 72
Наружный диаметр [мм] : 283
|
|
Тормозной диск
KAWE 6881 00
Диаметр [мм] : 279,7
Сторона установки : Задний мост
Вес [кг] : 4
Тип тормозного диска : цельный
Минимальная толщина [мм] : 8
Толщина тормозного диска (мм) : 10
Количество отверстий : 5
проверочное значение : K.B.A.: 61210
Высота [мм] : 40
Диаметр центрирования [мм] : 72
Наружный диаметр [мм] : 280
|
|
Тормозной диск
KEY PARTS KBD4334
Тип тормозного диска : вентилируемый
Наружный диаметр [мм] : 283
Толщина тормозного диска (мм) : 25
Высота [мм] : 48,6
Диаметр центрирования [мм] : 72
Количество отверстий : 5
Количественная единица : комплект
Поверхность : без покрытия
проверочное значение : ECE R90 Homologated
Минимальная толщина [мм] : 23
|
|
Тормозной диск
KEY PARTS KBD4335
Тип тормозного диска : цельный
Наружный диаметр [мм] : 280
Толщина тормозного диска (мм) : 10
Высота [мм] : 40
Диаметр центрирования [мм] : 72
Количество отверстий : 5
Количественная единица : комплект
Поверхность : без покрытия
проверочное значение : ECE R90 Homologated
Минимальная толщина [мм] : 8
|
|
Тормозной диск
KRAFT Automotive 6053590
Тип тормозного диска : цельный
Сторона установки : Задний мост
Толщина тормозного диска (мм) : 10
Наружный диаметр [мм] : 280
Диаметр [мм] : 279,7
Количество отверстий : 5
Номер продукции : K6053590
|
|
Тормозной диск
LPR M5001V
Диаметр центрирования [мм] : 72
Тип тормозного диска : вентилируемый
Толщина тормозного диска (мм) : 25
Минимальная толщина [мм] : 23
Наружный диаметр [мм] : 283
Количество отверстий : 5
Высота [мм] : 48,5
|
|
Тормозной диск
LPR M5001VR
Толщина тормозного диска (мм) : 25
Минимальная толщина [мм] : 23
Тип тормозного диска : вентилируемый
Высота [мм] : 48,5
Поверхность : с покрытием
Диаметр центрирования [мм] : 72
Наружный диаметр [мм] : 283
Количество отверстий : 5
|
|
Тормозной диск
LPR M5005P
Толщина тормозного диска (мм) : 10
Высота [мм] : 40
Количество отверстий : 5
Тип тормозного диска : цельный
Диаметр центрирования [мм] : 72
Минимальная толщина [мм] : 8
Тормозная установка : BENDIX - BOSCH
Наружный диаметр [мм] : 279,7
|
|
Тормозной диск
LPR M5005PR
Количество отверстий : 5
Минимальная толщина [мм] : 8
Наружный диаметр [мм] : 279,7
Тип тормозного диска : цельный
Толщина тормозного диска (мм) : 10
Высота [мм] : 40
Поверхность : с покрытием
Тормозная установка : BENDIX - BOSCH
Диаметр центрирования [мм] : 72
|
|
Тормозной диск
LYNXAUTO BN-1072
Сторона установки : передний мост
Наружный диаметр [мм] : 283
Толщина тормозного диска (мм) : 25
Минимальная толщина [мм] : 23
Диаметр центрирования [мм] : 72
Высота [мм] : 48,5
Внутренний диаметр : 142
Количество отверстий : 5
Ø фаски [мм] : 114,3
Тип тормозного диска : вентилируемый
|
|
Тормозной диск
LYNXAUTO BN-1651
Сторона установки : Задний мост
Наружный диаметр [мм] : 280
Толщина тормозного диска (мм) : 10
Минимальная толщина [мм] : 8
Диаметр центрирования [мм] : 72
Высота [мм] : 40
Количество отверстий : 5
Ø фаски [мм] : 114,3
Тип тормозного диска : цельный
|
|
Тормозной диск
LYNXAUTO BN-1654
Сторона установки : Задний мост
Наружный диаметр [мм] : 314
Толщина тормозного диска (мм) : 11
Минимальная толщина [мм] : 9
Диаметр центрирования [мм] : 72
Высота [мм] : 41
Количество отверстий : 5
Ø фаски [мм] : 114,3
Тип тормозного диска : цельный
|
|
Тормозной диск
MAGNETI MARELLI 360406030400
Тип тормозного диска : вентилируемый
Диаметр [мм] : 283
Высота [мм] : 49
Минимальная толщина [мм] : 23
Количество отверстий : 5
Ø фаски [мм] : 72
Момент затяжки [Нм] : 103
Толщина тормозного диска (мм) : 25
Наружный диаметр [мм] : 283
|
|
Тормозной диск
MAGNETI MARELLI 360406060401
Поверхность : покрытый УФ-лаком
Тип тормозного диска : цельный
Диаметр [мм] : 280
Высота [мм] : 40
Минимальная толщина [мм] : 8
Количество отверстий : 5
Ø фаски [мм] : 72
Момент затяжки [Нм] : 103
Толщина тормозного диска (мм) : 10
Наружный диаметр [мм] : 280
|
|
Тормозной диск
MAGNETI MARELLI 360406153101
Поверхность : покрытый УФ-лаком
Тип тормозного диска : вентилируемый
Диаметр [мм] : 283
Высота [мм] : 49
Минимальная толщина [мм] : 23
Количество отверстий : 5
Ø фаски [мм] : 72
Момент затяжки [Нм] : 103
Толщина тормозного диска (мм) : 25
Наружный диаметр [мм] : 283
|
|
Тормозной диск
MAGNETI MARELLI 361302040440
Тип тормозного диска : вентилируемый
Диаметр [мм] : 283
Высота [мм] : 48,5
Минимальная толщина [мм] : 23
Количество отверстий : 5
Ø фаски [мм] : 75
Момент затяжки [Нм] : 103
Толщина тормозного диска (мм) : 25
Наружный диаметр [мм] : 283
|
|
Тормозной диск
MAGNETI MARELLI 361302040718
Тип тормозного диска : цельный
Диаметр [мм] : 280
Минимальная толщина [мм] : 8
Толщина тормозного диска (мм) : 10
Наружный диаметр [мм] : 280
|
|
Тормозной диск
MANDO MBC035443
Сторона установки : передний мост
Тип тормозного диска : вентилируемый
Толщина тормозного диска (мм) : 25
Количество отверстий : 5
Высота [мм] : 48,5
Диаметр центрирования [мм] : 72
Наружный диаметр [мм] : 283
|
|
Тормозной диск
MANDO MBC035444
Сторона установки : Задний мост
Тип тормозного диска : цельный
Толщина тормозного диска (мм) : 10
Количество отверстий : 5
Высота [мм] : 40
Диаметр центрирования [мм] : 72
Наружный диаметр [мм] : 280
|
|
Тормозной диск
MAPCO 25528
Сторона установки : передний мост
Тип тормозного диска : вентилируемый
Толщина тормозного диска (мм) : 25
Наружный диаметр [мм] : 283
Количество отверстий : 5
|
|
Тормозной диск
MAPCO 25527
Сторона установки : Задний мост
Тип тормозного диска : цельный
Наружный диаметр [мм] : 280
Толщина тормозного диска (мм) : 10
Количество отверстий : 5
|
|
Тормозной диск
MAXGEAR 19-0943
Сторона установки : Задний мост
Тип тормозного диска : цельный
Наружный диаметр [мм] : 280
Толщина тормозного диска (мм) : 10
Высота [мм] : 40,2
Ø фаски [мм] : 114
Диаметр центрирования [мм] : 72
Количество отверстий : 5
Минимальная толщина [мм] : 8
|
|
Тормозной диск
MAXGEAR 19-0943MAX
Тип тормозного диска : цельный
Наружный диаметр [мм] : 280
Толщина тормозного диска (мм) : 10
Высота [мм] : 40,2
Ø фаски [мм] : 114
Диаметр центрирования [мм] : 72
Количество отверстий : 5
Поверхность : лакированный
Минимальная толщина [мм] : 8
|
|
Тормозной диск
MAXGEAR 19-0943SPORT
Тип тормозного диска : цельный
Тип тормозного диска : с прорезями / перфорированный
Наружный диаметр [мм] : 280
Толщина тормозного диска (мм) : 10
Высота [мм] : 40,2
Ø фаски [мм] : 114
Диаметр центрирования [мм] : 72
Количество отверстий : 5
Поверхность : лакированный
Минимальная толщина [мм] : 8
|
|
Тормозной диск
MAXGEAR 19-0945
Сторона установки : передний мост
Тип тормозного диска : вентилируемый
Наружный диаметр [мм] : 283
Толщина тормозного диска (мм) : 25
Высота [мм] : 48,5
Ø фаски [мм] : 114
Диаметр центрирования [мм] : 72
Количество отверстий : 5
Минимальная толщина [мм] : 23
|
|
Тормозной диск
MAXGEAR 19-0945MAX
Тип тормозного диска : вентилируемый
Наружный диаметр [мм] : 283
Толщина тормозного диска (мм) : 25
Высота [мм] : 48,5
Ø фаски [мм] : 114
Диаметр центрирования [мм] : 72
Количество отверстий : 5
Поверхность : лакированный
Минимальная толщина [мм] : 23
|
|
Тормозной диск
MAXGEAR 19-0945SPORT
Тип тормозного диска : вентилируемый
Тип тормозного диска : с прорезями / перфорированный
Наружный диаметр [мм] : 283
Толщина тормозного диска (мм) : 25
Высота [мм] : 48,5
Ø фаски [мм] : 114
Диаметр центрирования [мм] : 72
Количество отверстий : 5
Поверхность : лакированный
Минимальная толщина [мм] : 23
|
|
Тормозной диск
MAXGEAR 19-2386
Сторона установки : передний мост
Тип тормозного диска : вентилируемый
Наружный диаметр [мм] : 320
Толщина тормозного диска (мм) : 25
Дополнительный артикул / дополнительная информация 2 : без ступицы
Дополнительный артикул / дополнительная информация 2 : без колесной крепящей оси
Высота [мм] : 46
Ø фаски [мм] : 114
Диаметр центрирования [мм] : 72
Количество отверстий : 5
Минимальная толщина [мм] : 23
|
|
Тормозной диск
MAXGEAR 19-2386SPORT
Сторона установки : передний мост
Тип тормозного диска : вентилируемый
Тип тормозного диска : с прорезями / перфорированный
Наружный диаметр [мм] : 320
Толщина тормозного диска (мм) : 25
Дополнительный артикул / дополнительная информация 2 : без ступицы
Дополнительный артикул / дополнительная информация 2 : без колесной крепящей оси
Высота [мм] : 46
Ø фаски [мм] : 114
Диаметр центрирования [мм] : 72
Количество отверстий : 5
Минимальная толщина [мм] : 23
|
|
Тормозной диск
MAXTECH 853073
Сторона установки : передний мост
Тип тормозного диска : вентилируемый
Минимальная толщина [мм] : 23
Вес [кг] : 7,7
Толщина тормозного диска (мм) : 25
Ø фаски [мм] : 114,3
Количество отверстий : 5
Диаметр отверстия [мм] : 13
Внутренний диаметр : 142
проверочное значение : 90R-02C01327/31810
Высота [мм] : 49
Диаметр центрирования [мм] : 72
Наружный диаметр [мм] : 283
|
|
Тормозной диск
MAXTECH 853084
Сторона установки : передний мост
Тип тормозного диска : вентилируемый
Минимальная толщина [мм] : 22
Вес [кг] : 6,6
Толщина тормозного диска (мм) : 24
Ø фаски [мм] : 114,3
Количество отверстий : 5
Диаметр отверстия [мм] : 13
Внутренний диаметр : 143
проверочное значение : 90R-02C01327/31803
Высота [мм] : 48
Диаметр центрирования [мм] : 72
Наружный диаметр [мм] : 274
|
|
Тормозной диск
METELLI 23-0622C
проверочное значение : ECE-R90
Высота [мм] : 40
Тип тормозного диска : цельный
Толщина тормозного диска (мм) : 10
Наружный диаметр [мм] : 280
Количество отверстий : 6
Диаметр центрирования [мм] : 70
Поверхность : лакированный
|
|
Тормозной диск
METELLI 23-0901C
проверочное значение : ECE-R90
Высота [мм] : 47,5
Тип тормозного диска : вентилируемый
Толщина тормозного диска (мм) : 24
Наружный диаметр [мм] : 274
Количество отверстий : 5
Диаметр центрирования [мм] : 72
Поверхность : лакированный
|
|
Тормозной диск
MEYLE 35-15 521 0027
Сторона установки : передний мост
Наружный диаметр [мм] : 282,5
Высота [мм] : 48,5
Толщина тормозного диска (мм) : 25
Минимальная толщина [мм] : 23
Диаметр центрирования [мм] : 72
Ø фаски [мм] : 114,3
Диаметр отверстия под шпильку колеса [мм] : 13
Количество отверстий : 5
Тип тормозного диска : вентилируемый
необходимое количество : 2
|
|
Тормозной диск
MEYLE 35-15 523 0020
Сторона установки : Задний мост
Наружный диаметр [мм] : 280
Высота [мм] : 40,2
Толщина тормозного диска (мм) : 10
Минимальная толщина [мм] : 8
Диаметр центрирования [мм] : 72
Ø фаски [мм] : 114,3
Диаметр отверстия под шпильку колеса [мм] : 13
Количество отверстий : 5
Тип тормозного диска : цельный
необходимое количество : 2
|
|
Тормозной диск
MEYLE 35-15 523 0020/PD
Сторона установки : Задний мост
Наружный диаметр [мм] : 280
Высота [мм] : 40,2
Толщина тормозного диска (мм) : 10
Минимальная толщина [мм] : 8
Диаметр центрирования [мм] : 72
Ø фаски [мм] : 114,3
Диаметр отверстия под шпильку колеса [мм] : 13
Количество отверстий : 5
Тип тормозного диска : цельный
Поверхность : оцинкованная
Качество : PREMIUM
необходимое количество : 2
|
|
Тормозной диск
MILES K000158
Сторона установки : спереди
Количество отверстий : 5
Тип тормозного диска : вентилируемый
Наружный диаметр [мм] : 282,8
Высота [мм] : 48,5
Диаметр центрирования [мм] : 72
Ø фаски [мм] : 114,3
Диаметр отверстия под шпильку колеса [мм] : 13
Толщина тормозного диска (мм) : 25
Минимальная толщина [мм] : 23
|
|
Тормозной диск
MILES K200158
Сторона установки : спереди
Количество отверстий : 5
Тип тормозного диска : вентилируемый
Наружный диаметр [мм] : 282,8
Высота [мм] : 48,5
Диаметр центрирования [мм] : 72
Ø фаски [мм] : 114,3
Диаметр отверстия под шпильку колеса [мм] : 13
Толщина тормозного диска (мм) : 25
Минимальная толщина [мм] : 23
Поверхность : с покрытием
|
|
Тормозной диск
MILES K010159
Сторона установки : сзади
Количество отверстий : 5
Тип тормозного диска : цельный
Наружный диаметр [мм] : 279,7
Высота [мм] : 40
Диаметр центрирования [мм] : 72
Ø фаски [мм] : 114,3
Диаметр отверстия под шпильку колеса [мм] : 13
Толщина тормозного диска (мм) : 10
Минимальная толщина [мм] : 8
|
|
Тормозной диск
MILES K210159
Сторона установки : сзади
Количество отверстий : 5
Тип тормозного диска : цельный
Наружный диаметр [мм] : 279,7
Высота [мм] : 40
Диаметр центрирования [мм] : 72
Ø фаски [мм] : 114,3
Диаметр отверстия под шпильку колеса [мм] : 13
Толщина тормозного диска (мм) : 10
Минимальная толщина [мм] : 8
Поверхность : с покрытием
|
|
Тормозной диск
MINTEX MDC1664
Тип тормозного диска : вентилируемый
Наружный диаметр [мм] : 283
Толщина тормозного диска (мм) : 25
Высота [мм] : 48,5
Минимальная толщина [мм] : 23
Внутренний диаметр : 142,7
Ø фаски [мм] : 114,3
Диаметр центрирования [мм] : 72
Расположение/число отверстий : 05/08
Диаметр отверстия под шпильку колеса [мм] : 13
Дополнительный артикул / дополнительная информация 2 : без ступицы
Дополнительный артикул / дополнительная информация 2 : без колесного подшипника
Дополнительный артикул / дополнительная информация 2 : без колесной крепящей оси
Длина упаковки [см] : 30,8
Ширина упаковки [см] : 30,8
Высота упаковки [см] : 12,7
Вес [кг] : 7,7
|
|
Тормозной диск
MINTEX MDC2044
Тип тормозного диска : вентилируемый
Наружный диаметр [мм] : 320
Толщина тормозного диска (мм) : 25
Высота [мм] : 46
Минимальная толщина [мм] : 23
Внутренний диаметр : 142,9
Ø фаски [мм] : 114,3
Диаметр центрирования [мм] : 72
Расположение/число отверстий : 05/08
Диаметр отверстия под шпильку колеса [мм] : 13
Дополнительный артикул / дополнительная информация 2 : без ступицы
Дополнительный артикул / дополнительная информация 2 : без колесного подшипника
Дополнительный артикул / дополнительная информация 2 : без колесной крепящей оси
Длина упаковки [см] : 32,8
Ширина упаковки [см] : 32,8
Высота упаковки [см] : 12,5
Вес [кг] : 9,4
|
|
Тормозной диск
MINTEX MDC1665
Тип тормозного диска : цельный
Наружный диаметр [мм] : 280
Толщина тормозного диска (мм) : 10
Высота [мм] : 40
Минимальная толщина [мм] : 8
Внутренний диаметр : 142,7
Ø фаски [мм] : 114,3
Диаметр центрирования [мм] : 72
Расположение/число отверстий : 05/08
Диаметр отверстия под шпильку колеса [мм] : 13
Дополнительный артикул / дополнительная информация 2 : без ступицы
Дополнительный артикул / дополнительная информация 2 : без колесного подшипника
Дополнительный артикул / дополнительная информация 2 : без колесной крепящей оси
Длина упаковки [см] : 29,3
Ширина упаковки [см] : 29,3
Высота упаковки [см] : 10,5
Вес [кг] : 4,1
|
|
Тормозной диск
MINTEX MDC1665C
Тип тормозного диска : цельный
Наружный диаметр [мм] : 280
Толщина тормозного диска (мм) : 10
Высота [мм] : 40
Минимальная толщина [мм] : 8
Поверхность : с покрытием
Внутренний диаметр : 142,7
Ø фаски [мм] : 114,3
Диаметр центрирования [мм] : 72
Расположение/число отверстий : 05/08
Диаметр отверстия под шпильку колеса [мм] : 13
Дополнительный артикул / дополнительная информация 2 : без ступицы
Дополнительный артикул / дополнительная информация 2 : без колесного подшипника
Дополнительный артикул / дополнительная информация 2 : без колесной крепящей оси
Длина упаковки [см] : 29,3
Ширина упаковки [см] : 29,3
Высота упаковки [см] : 10,5
Вес [кг] : 4,1
|
|
Тормозной диск
MOTAQUIP LVBE318Z
Тип тормозного диска : вентилируемый
Наружный диаметр [мм] : 274
Толщина тормозного диска (мм) : 24
Высота [мм] : 47,4
Ø фаски [мм] : 114,3
Диаметр центрирования [мм] : 72
Количество отверстий : 5
Поверхность : с покрытием
Вес [кг] : 6,5
Минимальная толщина [мм] : 22
Число отверстий : 1
|
|
Тормозной диск
MOTAQUIP LVBE371Z
Тип тормозного диска : вентилируемый
Наружный диаметр [мм] : 283
Толщина тормозного диска (мм) : 25
Высота [мм] : 48,5
Ø фаски [мм] : 114,3
Диаметр центрирования [мм] : 72
Количество отверстий : 5
Поверхность : с покрытием
Вес [кг] : 7,7
Минимальная толщина [мм] : 23
Число отверстий : 3
|
|
Тормозной диск
MOTAQUIP LVBE372Z
Тип тормозного диска : цельный
Наружный диаметр [мм] : 280
Толщина тормозного диска (мм) : 10
Высота [мм] : 40
Ø фаски [мм] : 114,3
Диаметр центрирования [мм] : 72
Количество отверстий : 5
Поверхность : с покрытием
Вес [кг] : 4
Минимальная толщина [мм] : 8
Число отверстий : 3
|
|
Тормозной диск
National NBD1268
Тип тормозного диска : вентилируемый
Наружный диаметр [мм] : 283
Толщина тормозного диска (мм) : 25
Высота [мм] : 49
Ø фаски [мм] : 114
Диаметр центрирования [мм] : 72
Количество отверстий : 5
|
|
Тормозной диск
National NBD1269
Тип тормозного диска : цельный
Наружный диаметр [мм] : 280
Толщина тормозного диска (мм) : 10
Высота [мм] : 40
Ø фаски [мм] : 114
Диаметр центрирования [мм] : 72
Количество отверстий : 5
|
|
Тормозной диск
NiBK RN1195
Сторона установки : передний мост
Тип тормозного диска : вентилируемый
Наружный диаметр [мм] : 283
Толщина тормозного диска (мм) : 25
Минимальная толщина [мм] : 23
Количество отверстий : 5
Ø фаски [мм] : 114,3
Высота [мм] : 48,5
Диаметр центрирования [мм] : 72
Внутренний диаметр : 142,7
|
|
Тормозной диск
NiBK RN1208
Сторона установки : Задний мост
Тип тормозного диска : цельный
Наружный диаметр [мм] : 280
Толщина тормозного диска (мм) : 10
Количество отверстий : 5
Ø фаски [мм] : 114,3
Высота [мм] : 40
Диаметр центрирования [мм] : 72
Внутренний диаметр : 142,7
|
|
Тормозной диск
NIPPARTS J3303076
Тип тормозного диска : вентилируемый
Толщина тормозного диска (мм) : 25
Наружный диаметр [мм] : 283
Высота [мм] : 48,5
Количество отверстий : 5
Диаметр центрирования [мм] : 72
Ø фаски [мм] : 114,3
Диаметр ступицы колеса [мм] : 154,1
Минимальная толщина [мм] : 23
|
|
Тормозной диск
NIPPARTS J3303076P
Тип тормозного диска : вентилируемый
Толщина тормозного диска (мм) : 25
Наружный диаметр [мм] : 283
Высота [мм] : 48,4
Количество отверстий : 5
Диаметр центрирования [мм] : 72
Ø фаски [мм] : 114,3
Поверхность : с покрытием
Диаметр ступицы колеса [мм] : 143
Минимальная толщина [мм] : 23
|
|
Тормозной диск
NIPPARTS J3313026
Сторона установки : Задний мост
Тип тормозного диска : цельный
Толщина тормозного диска (мм) : 10
Наружный диаметр [мм] : 280
Высота [мм] : 40
Количество отверстий : 5
Диаметр центрирования [мм] : 72
Ø фаски [мм] : 114,3
Диаметр ступицы колеса [мм] : 154
Минимальная толщина [мм] : 8
|
|
Тормозной диск
NIPPARTS J3313026P
Сторона установки : Задний мост
Тип тормозного диска : цельный
Толщина тормозного диска (мм) : 10
Наружный диаметр [мм] : 280
Высота [мм] : 40
Количество отверстий : 5
Диаметр центрирования [мм] : 72
Ø фаски [мм] : 114,3
Поверхность : с покрытием
Диаметр ступицы колеса [мм] : 154
Минимальная толщина [мм] : 8
|
|
Тормозной диск
NIPPARTS N3313037
Сторона установки : Задний мост
Тип тормозного диска : цельный
Толщина тормозного диска (мм) : 11
Наружный диаметр [мм] : 314
Высота [мм] : 41
Количество отверстий : 5
Диаметр центрирования [мм] : 72
Ø фаски [мм] : 114,3
Диаметр ступицы колеса [мм] : 154
|
|
Тормозной диск
NK 203245
Наружный диаметр [мм] : 283
Толщина тормозного диска (мм) : 25
Минимальная толщина [мм] : 23
Высота [мм] : 48,5
Число отверстий в диске колеса : 5
Тип тормозного диска : вентилируемый
Диаметр центрирования [мм] : 72
Поверхность : промасленный
Вес нетто [кг] : 7,65
|
|
Тормозной диск
NK 313245
Наружный диаметр [мм] : 283
Толщина тормозного диска (мм) : 25
Минимальная толщина [мм] : 23
Высота [мм] : 48,5
Число отверстий в диске колеса : 5
Тип тормозного диска : вентилируемый
Диаметр центрирования [мм] : 72
Поверхность : с покрытием
Вес нетто [кг] : 7,65
|
|
Тормозной диск
NK 203246
Наружный диаметр [мм] : 280
Толщина тормозного диска (мм) : 10
Минимальная толщина [мм] : 8
Высота [мм] : 40,5
Число отверстий в диске колеса : 5
Тип тормозного диска : цельный
Диаметр центрирования [мм] : 72
Поверхность : промасленный
Вес нетто [кг] : 4,12
|
|
Тормозной диск
NK 313246
Наружный диаметр [мм] : 280
Толщина тормозного диска (мм) : 10
Минимальная толщина [мм] : 8
Высота [мм] : 40,5
Число отверстий в диске колеса : 5
Тип тормозного диска : цельный
Диаметр центрирования [мм] : 72
Поверхность : с покрытием
Вес нетто [кг] : 4
|
|
Тормозной диск
NPS M330A17
Спецификация : Qte packaging: 1
Сторона установки : передний мост
проверочное значение : E1 90R-02C0074/0901
Количество частей [част.] : 1
Наружный диаметр [мм] : 284
Диаметр [мм] : 284
Внутренний диаметр : 72
Толщина тормозного диска (мм) : 25
Количество крепежных отверстий : 2
Количество отверстий : 5
Тип тормозного диска : вентилируемый
Высота [мм] : 50
Минимальная толщина [мм] : 23
Ø фаски [мм] : 72
Диаметр центрирования [мм] : 72
|
|
Тормозной диск
NPS M331A15
Спецификация : Qte packaging: 1
Сторона установки : Задний мост
проверочное значение : E1 90R-02C0100/0691
Количество частей [част.] : 1
Длина [мм] : 280
Внутренний диаметр : 72,1
Толщина тормозного диска (мм) : 10
Количество крепежных отверстий : 2
Количество отверстий : 5
Тип тормозного диска : цельный
Высота [мм] : 41
Наружный диаметр [мм] : 280
Минимальная толщина [мм] : 8
Ø фаски [мм] : 72
Диаметр центрирования [мм] : 72
|
|
Тормозной диск
Omnicraft 2134469
Минимальная толщина [мм] : 23
Наружный диаметр [мм] : 283
Количество отверстий : 5
Диаметр центрирования [мм] : 75
Момент затяжки [Нм] : 103
Поверхность : с покрытием
Дополнительный артикул / дополнительная информация 2 : с винтами
Высота [мм] : 49
Тип тормозного диска : вентилируемый
Толщина тормозного диска (мм) : 25
|
|
Тормозной диск
Omnicraft 2134666
Толщина тормозного диска (мм) : 10
Минимальная толщина [мм] : 8
Наружный диаметр [мм] : 280
Количество отверстий : 5
Диаметр центрирования [мм] : 72
Момент затяжки [Нм] : 103
Высота [мм] : 40
Тип тормозного диска : цельный
|
|
Тормозной диск
Open Parts BDA2023.10
Тип тормозного диска : цельный
Наружный диаметр [мм] : 280
Высота [мм] : 40
Толщина тормозного диска (мм) : 10
Диаметр центрирования [мм] : 72
Количество отверстий : 5
Минимальная толщина [мм] : 8
|
|
Тормозной диск
Open Parts BDR2023.10
Тип тормозного диска : цельный
Поверхность : лакированный
Наружный диаметр [мм] : 280
Высота [мм] : 40
Толщина тормозного диска (мм) : 10
Диаметр центрирования [мм] : 72
Количество отверстий : 5
Минимальная толщина [мм] : 8
|
|
Тормозной диск
Open Parts BDR2135.20
Тип тормозного диска : вентилируемый
Поверхность : лакированный
Наружный диаметр [мм] : 282
Высота [мм] : 49
Толщина тормозного диска (мм) : 25
Диаметр центрирования [мм] : 72
Количество отверстий : 5
Минимальная толщина [мм] : 23
|
|
Тормозной диск
Open Parts BDRS2135.25
Поверхность : лакированный
Тип тормозного диска : перфорированный / вентилируемый
Наружный диаметр [мм] : 282
Высота [мм] : 49
Толщина тормозного диска (мм) : 25
Диаметр центрирования [мм] : 72
Количество отверстий : 5
Минимальная толщина [мм] : 23
|
|
Тормозной диск
OPTIMAL BS-7740
Сторона установки : передний мост
Тип тормозного диска : вентилируемый
Толщина тормозного диска (мм) : 25
Наружный диаметр [мм] : 283
Высота [мм] : 48,5
Диаметр центрирования [мм] : 72
Минимальная толщина [мм] : 23
Расположение/число отверстий : 5/8
|
|
Тормозной диск
OPTIMAL BS-7740C
Сторона установки : передний мост
Тип тормозного диска : вентилируемый
Толщина тормозного диска (мм) : 25
Наружный диаметр [мм] : 283
Высота [мм] : 48,5
Диаметр центрирования [мм] : 72
Поверхность : с покрытием
Минимальная толщина [мм] : 23
Расположение/число отверстий : 5/8
|
|
Тормозной диск
OPTIMAL BS-7744
Сторона установки : Задний мост
Тип тормозного диска : цельный
Толщина тормозного диска (мм) : 10
Наружный диаметр [мм] : 280
Высота [мм] : 40
Диаметр центрирования [мм] : 72
Минимальная толщина [мм] : 8
Расположение/число отверстий : 5/8
|
|
Тормозной диск
OPTIMAL BS-7744C
Сторона установки : Задний мост
Тип тормозного диска : цельный
Толщина тормозного диска (мм) : 10
Наружный диаметр [мм] : 280
Высота [мм] : 40
Диаметр центрирования [мм] : 72
Поверхность : с покрытием
Дополнительный артикул / дополнительная информация 2 : с винтами
Минимальная толщина [мм] : 8
Расположение/число отверстий : 5/8
|
|
Тормозной диск
OPTIMAL BS-7748
Сторона установки : Задний мост
Тип тормозного диска : цельный
Толщина тормозного диска (мм) : 10
Наружный диаметр [мм] : 280
Высота [мм] : 40,5
Диаметр центрирования [мм] : 72
Минимальная толщина [мм] : 8
Расположение/число отверстий : 5/8
|
|
Тормозной диск
OSSCA 70656
Сторона установки : сзади
Тип тормозного диска : цельный
Толщина тормозного диска (мм) : 10
Высота [мм] : 40,5
Наружный диаметр [мм] : 280
|
|
Тормозной диск
Oyodo 30H3045-OYO
Тип тормозного диска : вентилируемый
Высота [мм] : 48,5
Толщина тормозного диска (мм) : 25
Размер резьбы : 13
Наружный диаметр [мм] : 283
Количество отверстий : 5
Диаметр центрирования [мм] : 72
Ø фаски [мм] : 114,3
|
|
Тормозной диск
Oyodo 40H3024-OYO
Тип тормозного диска : цельный
Высота [мм] : 40,2
Толщина тормозного диска (мм) : 10
Размер резьбы : 13,1
Наружный диаметр [мм] : 280
Количество отверстий : 5
Диаметр центрирования [мм] : 72
Ø фаски [мм] : 114,3
|
|
Тормозной диск
PAGID 54255NC
Тип тормозного диска : вентилируемый
Наружный диаметр [мм] : 283
Толщина тормозного диска (мм) : 25
Высота [мм] : 48,5
Минимальная толщина [мм] : 23
Поверхность : с покрытием
Внутренний диаметр : 142,7
Ø фаски [мм] : 114,3
Диаметр центрирования [мм] : 72
Расположение/число отверстий : 05/08
Диаметр отверстия под шпильку колеса [мм] : 13
Дополнительный артикул / дополнительная информация 2 : без ступицы
Дополнительный артикул / дополнительная информация 2 : без колесного подшипника
Дополнительный артикул / дополнительная информация 2 : без колесной крепящей оси
Длина упаковки [см] : 29,3
Ширина упаковки [см] : 29,3
Высота упаковки [см] : 6,5
Вес [кг] : 7,7
|
|
Тормозной диск
PAGID 54256NC
Тип тормозного диска : цельный
Наружный диаметр [мм] : 280
Толщина тормозного диска (мм) : 10
Высота [мм] : 40
Минимальная толщина [мм] : 8
Поверхность : с покрытием
Внутренний диаметр : 142,7
Ø фаски [мм] : 114,3
Диаметр центрирования [мм] : 72
Расположение/число отверстий : 05/08
Диаметр отверстия под шпильку колеса [мм] : 13
Дополнительный артикул / дополнительная информация 2 : без ступицы
Дополнительный артикул / дополнительная информация 2 : без колесного подшипника
Дополнительный артикул / дополнительная информация 2 : без колесной крепящей оси
Длина упаковки [см] : 29,3
Ширина упаковки [см] : 29,3
Высота упаковки [см] : 6,5
Вес [кг] : 4,1
|
|
Тормозной диск
PILENGA 5520
Сторона установки : Задний мост
Тип тормозного диска : цельный
Минимальная толщина [мм] : 8
Толщина тормозного диска (мм) : 10
Количество отверстий 1 : 5
Количество отверстий 2 : 3
Внутренний диаметр : 143
проверочное значение : E1 90R-02C0602/0079
Высота [мм] : 40,2
Диаметр центрирования [мм] : 72
Наружный диаметр [мм] : 280
|
|
Тормозной диск
PILENGA V524
Сторона установки : передний мост
Тип тормозного диска : вентилируемый
Минимальная толщина [мм] : 23
Толщина тормозного диска (мм) : 25
Количество отверстий 1 : 5
Количество отверстий 2 : 3
Внутренний диаметр : 142,5
Высота [мм] : 48,5
Диаметр центрирования [мм] : 72
Наружный диаметр [мм] : 283
|
|
Тормозной диск
ProfiPower 3B1052
Тип тормозного диска : вентилируемый
Высота [мм] : 48,5
Толщина тормозного диска (мм) : 25
Размер резьбы : 13
Минимальная толщина [мм] : 23
Наружный диаметр [мм] : 283
Количество отверстий : 5
Диаметр центрирования [мм] : 72
Ø фаски [мм] : 114,3
|
|
Тормозной диск
ProfiPower 3B2020
Тип тормозного диска : цельный
Высота [мм] : 40,2
Толщина тормозного диска (мм) : 10
Размер резьбы : 13,1
Минимальная толщина [мм] : 8
Наружный диаметр [мм] : 280
Количество отверстий : 5
Диаметр центрирования [мм] : 72
Ø фаски [мм] : 114,3
|
|
Тормозной диск
PROFIT 5010-1210
Сторона установки : передний мост
Диаметр [мм] : 282,5
Тип тормозного диска : вентилируемый
Толщина тормозного диска (мм) : 25
Минимальная толщина [мм] : 23
Количество отверстий : 5
Высота [мм] : 48,6
Диаметр центрирования [мм] : 72
Наружный диаметр [мм] : 283
|
|
Тормозной диск
PROFIT 5010-1500
Сторона установки : Задний мост
Диаметр [мм] : 280
Тип тормозного диска : цельный
Толщина тормозного диска (мм) : 10
Минимальная толщина [мм] : 8,4
Количество отверстий : 5
Высота [мм] : 40,4
Диаметр центрирования [мм] : 72
Наружный диаметр [мм] : 280
|
|
Тормозной диск
QUARO QD2323
Тип тормозного диска : вентилируемый
Наружный диаметр [мм] : 283
Толщина тормозного диска (мм) : 25
Дополнительный артикул / дополнительная информация 2 : без ступицы
Дополнительный артикул / дополнительная информация 2 : без колесной крепящей оси
Высота [мм] : 48,5
Ø фаски [мм] : 114
Диаметр центрирования [мм] : 72
Количество отверстий : 5
Поверхность : лакированный
Минимальная толщина [мм] : 23
|
|
Тормозной диск
QUARO QD2323HC
Тип тормозного диска : вентилируемый
Наружный диаметр [мм] : 283
Толщина тормозного диска (мм) : 25
Дополнительный артикул / дополнительная информация 2 : без ступицы
Дополнительный артикул / дополнительная информация 2 : без колесной крепящей оси
Высота [мм] : 48,5
Ø фаски [мм] : 114
Диаметр центрирования [мм] : 72
Количество отверстий : 5
Обработка : Высокоуглеродистый
Поверхность : лакированный
Минимальная толщина [мм] : 23
|
|
Тормозной диск
QUARO QD8130
Тип тормозного диска : цельный
Наружный диаметр [мм] : 280
Толщина тормозного диска (мм) : 10
Дополнительный артикул / дополнительная информация 2 : без ступицы
Дополнительный артикул / дополнительная информация 2 : без колесной крепящей оси
Высота [мм] : 40
Ø фаски [мм] : 114
Диаметр центрирования [мм] : 72
Количество отверстий : 5
Поверхность : лакированный
Минимальная толщина [мм] : 8
|
|
Тормозной диск
QUARO QD8130HC
Сторона установки : Задний мост
Тип тормозного диска : цельный
Наружный диаметр [мм] : 280
Толщина тормозного диска (мм) : 10
Число отверстий в диске колеса : 5
Высота [мм] : 40,2
Ø фаски [мм] : 114
Диаметр центрирования [мм] : 72
|
|
Тормозной диск
QUINTON HAZELL BDC5396
Тип тормозного диска : вентилируемый
Наружный диаметр [мм] : 283
Толщина тормозного диска (мм) : 25
Минимальная толщина [мм] : 23
Высота [мм] : 48
Диаметр центрирования [мм] : 72
Ø фаски [мм] : 114
Количество отверстий : 5
|
|
Тормозной диск
QUINTON HAZELL BDC5397
Тип тормозного диска : цельный
Наружный диаметр [мм] : 280
Толщина тормозного диска (мм) : 10
Минимальная толщина [мм] : 8
Высота [мм] : 40
Диаметр центрирования [мм] : 72
Ø фаски [мм] : 114
Количество отверстий : 5
|
|
Тормозной диск
R BRAKE 78RBD23268
Толщина тормозного диска (мм) : 8
Наружный диаметр [мм] : 280
Тип тормозного диска : цельный
Высота [мм] : 40
Диаметр центрирования [мм] : 72
Ø фаски [мм] : 114,3
Исполнение оси : Rear
Номер технической информации : 78BD3268-2
проверочное значение : E1 90R-02C0100/0691
проверочное значение : E1 90R-02C0415/0088
проверочное значение : E4 90R-02C0722/2585
Диаметр [мм] : 72
Толщина [мм] : 10
Минимальная толщина [мм] : 8
Расположение/число отверстий : 5
Вес [кг] : 8 544
|
|
Тормозной диск
R BRAKE 78RBD23269
Толщина тормозного диска (мм) : 23
Наружный диаметр [мм] : 283
Тип тормозного диска : вентилируемый
Высота [мм] : 48,5
Диаметр центрирования [мм] : 72
Ø фаски [мм] : 114,3
Исполнение оси : Front
Номер технической информации : 78BD3269-2
проверочное значение : E1 90R-02C0074/0901
проверочное значение : E1 90R-02C0370/0034
проверочное значение : E1 90R-02C0452/0118
Диаметр [мм] : 72
Толщина [мм] : 25
Минимальная толщина [мм] : 23
Расположение/число отверстий : 5
|
|
Тормозной диск
RAICAM RD00404
Сторона установки : передний мост
Минимальная толщина [мм] : 23
Высота [мм] : 49
Наружный диаметр [мм] : 283
Вес [кг] : 7,7
Диаметр центрирования [мм] : 72
Тип тормозного диска : вентилируемый
выполняет нормы ЕЭК : E1
Число отверстий в диске колеса : 5
Толщина тормозного диска (мм) : 25
|
|
Тормозной диск
RAICAM RD00405
выполняет нормы ЕЭК : E1
Число отверстий в диске колеса : 5
Толщина тормозного диска (мм) : 10
Сторона установки : Задний мост
Минимальная толщина [мм] : 8
Высота [мм] : 40
Наружный диаметр [мм] : 280
Вес [кг] : 4
Диаметр центрирования [мм] : 69
Тип тормозного диска : цельный
|
|
Тормозной диск
REMSA 6673.10
проверочное значение : K.B.A.: 61209
Сторона установки : передний мост
Диаметр [мм] : 282,8
Высота [мм] : 48,5
Тип тормозного диска : вентилируемый
Толщина тормозного диска (мм) : 25
Минимальная толщина [мм] : 23
Количество отверстий : 5
Диаметр центрирования [мм] : 72
Вес [кг] : 7,7
Наружный диаметр [мм] : 283
|
|
Тормозной диск
REMSA 6881.00
проверочное значение : K.B.A.: 61210
Сторона установки : Задний мост
Диаметр [мм] : 279,7
Высота [мм] : 40
Тип тормозного диска : цельный
Толщина тормозного диска (мм) : 10
Минимальная толщина [мм] : 8
Количество отверстий : 5
Диаметр центрирования [мм] : 72
Вес [кг] : 4
Наружный диаметр [мм] : 280
|
|
Тормозной диск
RIDEX 82B0129
Толщина тормозного диска (мм) : 25
Тип тормозного диска : вентилируемый
Наружный диаметр [мм] : 282,5
Сторона установки : передний мост
Минимальная толщина [мм] : 23
Высота [мм] : 48,5
Расположение/число отверстий : 05/08
Ø фаски [мм] : 114,3
Диаметр центрирования [мм] : 72
Дополнительный артикул / дополнительная информация 2 : без ступицы
Дополнительный артикул / дополнительная информация 2 : без колесной крепящей оси
Поверхность : без покрытия
|
|
Тормозной диск
RIDEX 82B0213
Толщина тормозного диска (мм) : 10
Тип тормозного диска : цельный
Минимальная толщина [мм] : 8
Высота [мм] : 40
Диаметр центрирования [мм] : 72
Вес [кг] : 4,1
Дополнительный артикул / дополнительная информация 2 : без ступицы
Дополнительный артикул / дополнительная информация 2 : без колесной крепящей оси
Ø фаски [мм] : 114
Внутренний диаметр : 142,5
Расположение/число отверстий : 5/8
Диаметр отверстия [мм] : 13,2
Наружный диаметр [мм] : 279,7
|
|
Тормозной диск
ROADHOUSE 6673.10
проверочное значение : K.B.A.: 61209
Вес [кг] : 7,7
Сторона установки : передний мост
Диаметр [мм] : 282,8
Толщина тормозного диска (мм) : 25
Минимальная толщина [мм] : 23
Высота [мм] : 48,5
Диаметр центрирования [мм] : 72
Количество отверстий : 5
Тип тормозного диска : вентилируемый
Наружный диаметр [мм] : 283
|
|
Тормозной диск
ROADHOUSE 6881.00
проверочное значение : K.B.A.: 61210
Вес [кг] : 4
Сторона установки : Задний мост
Диаметр [мм] : 279,7
Толщина тормозного диска (мм) : 10
Минимальная толщина [мм] : 8
Высота [мм] : 40
Диаметр центрирования [мм] : 72
Количество отверстий : 5
Тип тормозного диска : цельный
Наружный диаметр [мм] : 280
|
|
Тормозной диск
ROTINGER RT 2853
Тип тормозного диска : вентилируемый
Сторона установки : передний мост
Наружный диаметр [мм] : 282,7
Внутренний диаметр : 142,5
Диаметр центрирования [мм] : 72
Высота [мм] : 48,5
Толщина тормозного диска (мм) : 25
Минимальная толщина [мм] : 23
Количество отверстий : 5
Размер резьбы : 13
Количество отверстий 1 : 2
Расстояние между отверст. 1 [мм] : 114,3
Вес [кг] : 7,7
Ø фаски [мм] : 114,3
|
|
Тормозной диск
ROTINGER RT 2853-GL
Тип тормозного диска : вентилируемый
Поверхность : с гальваническим покрытием
Сторона установки : передний мост
Наружный диаметр [мм] : 282,7
Внутренний диаметр : 142,5
Диаметр центрирования [мм] : 72
Высота [мм] : 48,5
Толщина тормозного диска (мм) : 25
Минимальная толщина [мм] : 23
Количество отверстий : 5
Размер резьбы : 13
Количество отверстий 1 : 2
Расстояние между отверст. 1 [мм] : 114,3
Вес [кг] : 7,7
Ø фаски [мм] : 114,3
|
|
Тормозной диск
ROTINGER RT 2853-GL T3
Тип тормозного диска : перфорированный
Тип тормозного диска : вентилируемый
Поверхность : с гальваническим покрытием
Сторона установки : передний мост
Наружный диаметр [мм] : 282,7
Внутренний диаметр : 142,5
Диаметр центрирования [мм] : 72
Высота [мм] : 48,5
Толщина тормозного диска (мм) : 25
Минимальная толщина [мм] : 23
Количество отверстий : 5
Размер резьбы : 13
Количество отверстий 1 : 2
Расстояние между отверст. 1 [мм] : 114,3
Вес [кг] : 7,7
Ø фаски [мм] : 114,3
|
|
Тормозной диск
ROTINGER RT 2853-GL T5
Тип тормозного диска : вентилируемый
Тип тормозного диска : перфорированный
Поверхность : с гальваническим покрытием
Сторона установки : передний мост
Наружный диаметр [мм] : 282,7
Внутренний диаметр : 142,5
Диаметр центрирования [мм] : 72
Высота [мм] : 48,5
Толщина тормозного диска (мм) : 25
Минимальная толщина [мм] : 23
Количество отверстий : 5
Размер резьбы : 13
Количество отверстий 1 : 2
Расстояние между отверст. 1 [мм] : 114,3
Вес [кг] : 7,7
Ø фаски [мм] : 114,3
|
|
Тормозной диск
ROTINGER RT 2853-GL T6
Тип тормозного диска : вентилируемый
Поверхность : с гальваническим покрытием
Сторона установки : передний мост
Наружный диаметр [мм] : 282,7
Внутренний диаметр : 142,5
Диаметр центрирования [мм] : 72
Высота [мм] : 48,5
Толщина тормозного диска (мм) : 25
Минимальная толщина [мм] : 23
Количество отверстий : 5
Размер резьбы : 13
Количество отверстий 1 : 2
Расстояние между отверст. 1 [мм] : 114,3
Вес [кг] : 7,7
Ø фаски [мм] : 114,3
|
|
Тормозной диск
ROTINGER RT 2853-GL T9
Тип тормозного диска : вентилируемый
Поверхность : с гальваническим покрытием
Сторона установки : передний мост
Наружный диаметр [мм] : 282,7
Внутренний диаметр : 142,5
Диаметр центрирования [мм] : 72
Высота [мм] : 48,5
Толщина тормозного диска (мм) : 25
Минимальная толщина [мм] : 23
Количество отверстий : 5
Размер резьбы : 13
Количество отверстий 1 : 2
Расстояние между отверст. 1 [мм] : 114,3
Вес [кг] : 7,7
Ø фаски [мм] : 114,3
|
|
Тормозной диск
ROTINGER RT 4502
Тип тормозного диска : цельный
Сторона установки : Задний мост
Наружный диаметр [мм] : 280
Внутренний диаметр : 143
Диаметр центрирования [мм] : 72
Высота [мм] : 40
Толщина тормозного диска (мм) : 10
Минимальная толщина [мм] : 8
Количество отверстий : 5
Размер резьбы : 13
Количество отверстий 1 : 2
Расстояние между отверст. 1 [мм] : 114,3
Вес [кг] : 4
Ø фаски [мм] : 114,3
|
|
Тормозной диск
ROTINGER RT 4502-GL
Тип тормозного диска : цельный
Поверхность : с гальваническим покрытием
Сторона установки : Задний мост
Наружный диаметр [мм] : 280
Внутренний диаметр : 143
Диаметр центрирования [мм] : 72
Высота [мм] : 40
Толщина тормозного диска (мм) : 10
Минимальная толщина [мм] : 8
Количество отверстий : 5
Размер резьбы : 13
Количество отверстий 1 : 2
Расстояние между отверст. 1 [мм] : 114,3
Вес [кг] : 4
Ø фаски [мм] : 114,3
|
|
Тормозной диск
ROTINGER RT 4502-GL T3
Тип тормозного диска : перфорированный
Тип тормозного диска : цельный
Поверхность : с гальваническим покрытием
Сторона установки : Задний мост
Наружный диаметр [мм] : 280
Внутренний диаметр : 143
Диаметр центрирования [мм] : 72
Высота [мм] : 40
Толщина тормозного диска (мм) : 10
Минимальная толщина [мм] : 8
Количество отверстий : 5
Размер резьбы : 13
Количество отверстий 1 : 2
Расстояние между отверст. 1 [мм] : 114,3
Вес [кг] : 4
Ø фаски [мм] : 114,3
|
|
Тормозной диск
ROTINGER RT 4502-GL T5
Тип тормозного диска : перфорированный
Тип тормозного диска : цельный
Поверхность : с гальваническим покрытием
Сторона установки : Задний мост
Наружный диаметр [мм] : 280
Внутренний диаметр : 143
Диаметр центрирования [мм] : 72
Высота [мм] : 40
Толщина тормозного диска (мм) : 10
Минимальная толщина [мм] : 8
Количество отверстий : 5
Размер резьбы : 13
Количество отверстий 1 : 2
Расстояние между отверст. 1 [мм] : 114,3
Вес [кг] : 4
Ø фаски [мм] : 114,3
|
|
Тормозной диск
ROTINGER RT 4502-GL T6
Тип тормозного диска : цельный
Поверхность : с гальваническим покрытием
Сторона установки : Задний мост
Наружный диаметр [мм] : 280
Внутренний диаметр : 143
Диаметр центрирования [мм] : 72
Высота [мм] : 40
Толщина тормозного диска (мм) : 10
Минимальная толщина [мм] : 8
Количество отверстий : 5
Размер резьбы : 13
Количество отверстий 1 : 2
Расстояние между отверст. 1 [мм] : 114,3
Вес [кг] : 4
Ø фаски [мм] : 114,3
|
|
Тормозной диск
ROTINGER RT 4502-GL T9
Тип тормозного диска : цельный
Поверхность : с гальваническим покрытием
Сторона установки : Задний мост
Наружный диаметр [мм] : 280
Внутренний диаметр : 143
Диаметр центрирования [мм] : 72
Высота [мм] : 40
Толщина тормозного диска (мм) : 10
Минимальная толщина [мм] : 8
Количество отверстий : 5
Размер резьбы : 13
Количество отверстий 1 : 2
Расстояние между отверст. 1 [мм] : 114,3
Вес [кг] : 4
Ø фаски [мм] : 114,3
|
|
Тормозной диск
SAKURA 605-30-3590
Сторона установки : Задний мост
Толщина тормозного диска (мм) : 10
Высота [мм] : 40,2
Диаметр центрирования [мм] : 72
Номер продукции : S6053590
Наружный диаметр [мм] : 280
Тип тормозного диска : цельный
|
|
Тормозной диск
SAKURA 604-30-3650
Сторона установки : передний мост
Толщина тормозного диска (мм) : 25
Высота [мм] : 48,5
Диаметр центрирования [мм] : 72
Номер продукции : S6043650
Наружный диаметр [мм] : 283
Тип тормозного диска : вентилируемый
|
|
Тормозной диск
SAMKO M5001V
Высота [мм] : 48,5
Тип тормозного диска : вентилируемый
Толщина тормозного диска (мм) : 25
Минимальная толщина [мм] : 23
Наружный диаметр [мм] : 283
Количество отверстий : 5
Диаметр центрирования [мм] : 72
|
|
Тормозной диск
SAMKO M5001VR
Высота [мм] : 48,5
Наружный диаметр [мм] : 283
Минимальная толщина [мм] : 23
Тип тормозного диска : вентилируемый
Количество отверстий : 5
Диаметр центрирования [мм] : 72
Поверхность : с покрытием
Толщина тормозного диска (мм) : 25
|
|
Тормозной диск
SAMKO M5005P
Толщина тормозного диска (мм) : 10
Количество отверстий : 5
Тип тормозного диска : цельный
Наружный диаметр [мм] : 279,7
Диаметр центрирования [мм] : 72
Тормозная установка : BENDIX - BOSCH
Минимальная толщина [мм] : 8
Высота [мм] : 40
|
|
Тормозной диск
SAMKO M5005PR
Поверхность : с покрытием
Наружный диаметр [мм] : 279,7
Количество отверстий : 5
Тип тормозного диска : цельный
Высота [мм] : 40
Тормозная установка : BENDIX - BOSCH
Диаметр центрирования [мм] : 72
Минимальная толщина [мм] : 8
Толщина тормозного диска (мм) : 10
|
|
Тормозной диск
SKF VKBD 80275 V2
Тип тормозного диска : вентилируемый
Наружный диаметр [мм] : 283
Толщина тормозного диска (мм) : 25
Высота [мм] : 48,5
Ø фаски [мм] : 114,3
Диаметр центрирования [мм] : 72
Количество отверстий : 5
Поверхность : с покрытием
Минимальная толщина [мм] : 23
Число отверстий : 3
|
|
Тормозной диск
SKF VKBD 80527 V2
Тип тормозного диска : вентилируемый
Наружный диаметр [мм] : 274
Толщина тормозного диска (мм) : 24
Высота [мм] : 47,4
Ø фаски [мм] : 114,3
Диаметр центрирования [мм] : 72
Количество отверстий : 5
Поверхность : с покрытием
Минимальная толщина [мм] : 22
Число отверстий : 3
|
|
Тормозной диск
SKF VKBD 90235 S2
Тип тормозного диска : цельный
Наружный диаметр [мм] : 280
Толщина тормозного диска (мм) : 10
Высота [мм] : 40
Ø фаски [мм] : 114,3
Диаметр центрирования [мм] : 72
Количество отверстий : 5
Поверхность : с покрытием
Минимальная толщина [мм] : 8
Число отверстий : 3
|
|
Тормозной диск
STARK SKBD-0020132
Толщина тормозного диска (мм) : 25
Тип тормозного диска : вентилируемый
Наружный диаметр [мм] : 282,5
Тип тормозного диска : цельный
Тип тормозного диска : вентилируемый
Толщина тормозного диска (мм) : 10
Сторона установки : передний мост
Минимальная толщина [мм] : 23
Высота [мм] : 48,5
Расположение/число отверстий : 05/08
Ø фаски [мм] : 114,3
Диаметр центрирования [мм] : 72
Дополнительный артикул / дополнительная информация 2 : без ступицы
Дополнительный артикул / дополнительная информация 2 : без колесной крепящей оси
Поверхность : без покрытия
Датчик износа : вкл. датчик износа
Датчик износа : без датчика износа
Ширина [мм] : 132
Ширина [мм] : 107,8
Толщина [мм] : 18
Толщина 1 [мм] : 13,1
Диаметр [мм] : 279,7
Диаметр [мм] : 282,5
Количество отверстий : 5
Минимальная толщина [мм] : 8
|
|
Тормозной диск
STARK SKBD-0020217
Толщина тормозного диска (мм) : 10
Тип тормозного диска : цельный
Минимальная толщина [мм] : 8
Высота [мм] : 40
Диаметр центрирования [мм] : 72
Вес [кг] : 4,1
Дополнительный артикул / дополнительная информация 2 : без ступицы
Дополнительный артикул / дополнительная информация 2 : без колесной крепящей оси
Ø фаски [мм] : 114
Внутренний диаметр : 142,5
Расположение/число отверстий : 5/8
Диаметр отверстия [мм] : 13,2
Наружный диаметр [мм] : 279,7
Диаметр [мм] : 279,7
Количество отверстий : 5
Датчик износа : без датчика износа
Ширина [мм] : 107,8
Толщина 1 [мм] : 13,1
|
|
Тормозной диск
STELLOX 6020-1980-SX
Наружный диаметр [мм] : 320
Толщина тормозного диска (мм) : 25
Диаметр центрирования [мм] : 72
Количество отверстий : 5
Тип тормозного диска : вентилируемый
Сторона установки : передний мост
|
|
Тормозной диск
STELLOX 6020-3241V-SX
Наружный диаметр [мм] : 274
Толщина тормозного диска (мм) : 24
Высота [мм] : 47,7
Диаметр центрирования [мм] : 72
Количество отверстий : 5
Ø фаски [мм] : 114
Диаметр отверстия [мм] : 13
Минимальная толщина [мм] : 22
Тип тормозного диска : вентилируемый
Сторона установки : передний мост
|
|
Тормозной диск
STELLOX 6020-3241VK-SX
Наружный диаметр [мм] : 273
Толщина тормозного диска (мм) : 24
Тип тормозного диска : вентилируемый
Сторона установки : передний мост
|
|
Тормозной диск
STELLOX 6020-3245V-SX
Наружный диаметр [мм] : 283
Толщина тормозного диска (мм) : 25
Высота [мм] : 48,5
Диаметр центрирования [мм] : 72
Количество отверстий : 5
Ø фаски [мм] : 114,3
Диаметр отверстия [мм] : 13
Минимальная толщина [мм] : 23
Тип тормозного диска : вентилируемый
Сторона установки : передний мост
|
|
Тормозной диск
STELLOX 6020-3245VK-SX
Наружный диаметр [мм] : 282
Толщина тормозного диска (мм) : 25
Тип тормозного диска : вентилируемый
Сторона установки : передний мост
|
|
Тормозной диск
STELLOX 6020-3246-SX
Наружный диаметр [мм] : 280
Толщина тормозного диска (мм) : 10
Высота [мм] : 40,2
Диаметр центрирования [мм] : 72
Количество отверстий : 5
Ø фаски [мм] : 14,3
Диаметр отверстия [мм] : 13
Минимальная толщина [мм] : 8
Тип тормозного диска : цельный
Сторона установки : Задний мост
|
|
Тормозной диск
STELLOX 6020-3246K-SX
Наружный диаметр [мм] : 280
Толщина тормозного диска (мм) : 10
Тип тормозного диска : цельный
Сторона установки : Задний мост
|
|
Тормозной диск
SWAG 33 10 7248
Толщина тормозного диска (мм) : 10
Число отверстий в диске колеса : 5
Количество крепежных отверстий : 3
Толщина [мм] : 40,2
Наружный диаметр [мм] : 280
Ø фаски [мм] : 114,3
Поверхность : с покрытием
Тип тормозного диска : цельный
Сторона установки : Задний мост
Минимальная толщина [мм] : 8
Диаметр центрирования [мм] : 72
|
|
Тормозной диск
TEXTAR 92125503
Тип тормозного диска : вентилируемый
Наружный диаметр [мм] : 283
Толщина тормозного диска (мм) : 25
Высота [мм] : 48,5
Минимальная толщина [мм] : 23
Поверхность : с покрытием
Внутренний диаметр : 142,7
Ø фаски [мм] : 114,3
Диаметр центрирования [мм] : 72
Расположение/число отверстий : 05/08
Диаметр отверстия под шпильку колеса [мм] : 13
Дополнительный артикул / дополнительная информация 2 : без ступицы
Дополнительный артикул / дополнительная информация 2 : без колесного подшипника
Дополнительный артикул / дополнительная информация 2 : без колесной крепящей оси
Длина упаковки [см] : 30,8
Ширина упаковки [см] : 30,8
Высота упаковки [см] : 12,7
Вес [кг] : 7,7
|
|
Тормозной диск
TEXTAR 92166300
Тип тормозного диска : вентилируемый
Наружный диаметр [мм] : 320
Толщина тормозного диска (мм) : 25
Высота [мм] : 46
Минимальная толщина [мм] : 23
Внутренний диаметр : 142,9
Ø фаски [мм] : 114,3
Диаметр центрирования [мм] : 72
Расположение/число отверстий : 05/08
Диаметр отверстия под шпильку колеса [мм] : 13
Дополнительный артикул / дополнительная информация 2 : без ступицы
Дополнительный артикул / дополнительная информация 2 : без колесного подшипника
Дополнительный артикул / дополнительная информация 2 : без колесной крепящей оси
Длина упаковки [см] : 32,8
Ширина упаковки [см] : 32,8
Высота упаковки [см] : 12,5
Вес [кг] : 9,4
|
|
Тормозной диск
TEXTAR 92125603
Тип тормозного диска : цельный
Наружный диаметр [мм] : 280
Толщина тормозного диска (мм) : 10
Высота [мм] : 40
Минимальная толщина [мм] : 8
Поверхность : с покрытием
Внутренний диаметр : 142,7
Ø фаски [мм] : 114,3
Диаметр центрирования [мм] : 72
Расположение/число отверстий : 05/08
Диаметр отверстия под шпильку колеса [мм] : 13
Дополнительный артикул / дополнительная информация 2 : без ступицы
Дополнительный артикул / дополнительная информация 2 : без колесного подшипника
Дополнительный артикул / дополнительная информация 2 : без колесной крепящей оси
Длина упаковки [см] : 29,3
Ширина упаковки [см] : 29,3
Высота упаковки [см] : 10,5
Вес [кг] : 4,1
|
|
Тормозной диск
TOMEX Brakes TX 70-66
Сторона установки : Задний мост
Тип тормозного диска : цельный
Толщина тормозного диска (мм) : 10
Наружный диаметр [мм] : 280
Высота [мм] : 40,2
Количество отверстий : 5
Диаметр центрирования [мм] : 72
Ø фаски [мм] : 114,3
Поверхность : лакированный
Вес [кг] : 8,9
Минимальная толщина [мм] : 8
|
|
Тормозной диск
TOMEX Brakes TX 71-41
Сторона установки : передний мост
Тип тормозного диска : вентилируемый
Толщина тормозного диска (мм) : 25
Наружный диаметр [мм] : 283
Высота [мм] : 48,5
Количество отверстий : 5
Диаметр центрирования [мм] : 72
Ø фаски [мм] : 114,3
Поверхность : лакированный
Вес [кг] : 15,95
Минимальная толщина [мм] : 23
|
|
Тормозной диск
TRIALLI DF 250105
Сторона установки : передний мост
Тип тормозного диска : вентилируемый
Толщина тормозного диска (мм) : 25
Наружный диаметр [мм] : 283
Ø фаски [мм] : 114,3
Количество отверстий : 5
ненаправленные тормозные колодки :
Высота [мм] : 48,6
Диаметр отверстия [мм] : 13
Диаметр центрирования [мм] : 72
Минимальная толщина [мм] : 23
Количество : 2
|
|
Тормозной диск
TRIALLI DF 250106
Сторона установки : Задний мост
Тип тормозного диска : цельный
Толщина тормозного диска (мм) : 10
Наружный диаметр [мм] : 280
Ø фаски [мм] : 114,3
Количество отверстий : 5
ненаправленные тормозные колодки :
Высота [мм] : 40,3
Диаметр отверстия [мм] : 13,1
Диаметр центрирования [мм] : 72
Минимальная толщина [мм] : 8
Количество : 2
|
|
Тормозной диск
TRISCAN 8120 50137C
Наружный диаметр [мм] : 283
Диаметр центрирования [мм] : 72
Тип тормозного диска : вентилируемый
Высота [мм] : 48,5
Количество отверстий : 5
Поверхность : с покрытием
Толщина тормозного диска (мм) : 25
Минимальная толщина [мм] : 23
|
|
Тормозной диск
TRISCAN 8120 50138C
Наружный диаметр [мм] : 280
Диаметр центрирования [мм] : 72
Тип тормозного диска : цельный
Высота [мм] : 40
Количество отверстий : 5
Поверхность : с покрытием
Толщина тормозного диска (мм) : 10
Минимальная толщина [мм] : 8
Расположение/число отверстий : 5/2/1
|
|
Тормозной диск
TRUSTING DF1037
проверочное значение : ECE-R90
Высота [мм] : 47,5
Тип тормозного диска : вентилируемый
Толщина тормозного диска (мм) : 24
Наружный диаметр [мм] : 274
Количество отверстий : 5
Диаметр центрирования [мм] : 72
Поверхность : лакированный
|
|
Тормозной диск
TRUSTING DF859
проверочное значение : ECE-R90
Высота [мм] : 40
Тип тормозного диска : цельный
Толщина тормозного диска (мм) : 10
Наружный диаметр [мм] : 280
Количество отверстий : 6
Диаметр центрирования [мм] : 70
Поверхность : лакированный
|
|
Тормозной диск
TRW DF4386
Минимальная толщина [мм] : 23
Тип тормозного диска : вентилируемый
Наружный диаметр [мм] : 283
Толщина тормозного диска (мм) : 25
Диаметр центрирования [мм] : 72
Высота [мм] : 48,5
Размер резьбы : 13
Количество отверстий : 5
Ø фаски [мм] : 114,3
Цвет : чёрный
Поверхность : лакированный
проверочное значение : E190R-02C0176/0064
SVHC : Нет информации, обратитесь, пожалуйста, к производителю!
|
|
Тормозной диск
TRW DF4442
Тип тормозного диска : цельный
Наружный диаметр [мм] : 280
Толщина тормозного диска (мм) : 10
Минимальная толщина [мм] : 8
Количество отверстий : 5
Высота [мм] : 40,2
Диаметр центрирования [мм] : 72
Размер резьбы : 13,1
Ø фаски [мм] : 114,3
Цвет : чёрный
Поверхность : лакированный
проверочное значение : E1 90R-02 C0190/0525
SVHC : Нет информации, обратитесь, пожалуйста, к производителю!
|
|
Тормозной диск
WOKING D6673.10
проверочное значение : K.B.A.: 61209
Сторона установки : передний мост
Диаметр [мм] : 282,8
Толщина тормозного диска (мм) : 25
Минимальная толщина [мм] : 23
Высота [мм] : 48,5
Диаметр центрирования [мм] : 72
Количество отверстий : 5
Тип тормозного диска : вентилируемый
Вес [кг] : 7,7
Наружный диаметр [мм] : 283
|
|
Тормозной диск
WOKING D6881.00
проверочное значение : K.B.A.: 61210
Сторона установки : Задний мост
Диаметр [мм] : 279,7
Толщина тормозного диска (мм) : 10
Минимальная толщина [мм] : 8
Высота [мм] : 40
Диаметр центрирования [мм] : 72
Количество отверстий : 5
Тип тормозного диска : цельный
Вес [кг] : 4
Наружный диаметр [мм] : 280
|
|
Тормозной диск
WXQP 43394
Сторона установки : передний мост
Тип тормозного диска : вентилируемый
Толщина тормозного диска (мм) : 0
Наружный диаметр [мм] : 274
|
|
Тормозной диск
WXQP 43422
Сторона установки : Задний мост
Тип тормозного диска : цельный
Толщина тормозного диска (мм) : 0
Наружный диаметр [мм] : 280
|
|
Тормозной диск
WXQP 43968
Сторона установки : передний мост
Тип тормозного диска : вентилируемый
Толщина тормозного диска (мм) : 0
Наружный диаметр [мм] : 283
|
|
Тормозной диск
ZEKKERT BS-5161
Тип тормозного диска : цельный
Наружный диаметр [мм] : 280
Высота [мм] : 41
Толщина тормозного диска (мм) : 10
Минимальная толщина [мм] : 8
Количество отверстий : 8
Диаметр центрирования [мм] : 72,2
Диаметр расположения крепёжных отверстий ступицы [мм] : 128,8
Номера артикулов рекомендуемых комплектующих : CP-1105
Номера артикулов рекомендуемых комплектующих : CP-1205
Номера артикулов рекомендуемых комплектующих : CP-1305
Номера артикулов рекомендуемых комплектующих : CP-1965
Номера артикулов рекомендуемых комплектующих : FK-2005
Номера артикулов рекомендуемых комплектующих : FK-2010
Вес [кг] : 4,36
|
|
Тормозной диск
ZEKKERT BS-5161B
Тип тормозного диска : цельный
Наружный диаметр [мм] : 280
Высота [мм] : 41
Толщина тормозного диска (мм) : 10
Минимальная толщина [мм] : 8
Количество отверстий : 8
Диаметр центрирования [мм] : 72,2
Поверхность : лакированный
Диаметр расположения крепёжных отверстий ступицы [мм] : 128,8
Номера артикулов рекомендуемых комплектующих : CP-1105
Номера артикулов рекомендуемых комплектующих : CP-1205
Номера артикулов рекомендуемых комплектующих : CP-1305
Номера артикулов рекомендуемых комплектующих : CP-1965
Номера артикулов рекомендуемых комплектующих : FK-2005
Номера артикулов рекомендуемых комплектующих : FK-2010
Вес [кг] : 4,15
|
|
Тормозной диск
ZEKKERT BS-5389
Тип тормозного диска : вентилируемый
Наружный диаметр [мм] : 283
Высота [мм] : 49
Толщина тормозного диска (мм) : 25
Минимальная толщина [мм] : 23
Количество отверстий : 7
Диаметр центрирования [мм] : 72,1
Диаметр расположения крепёжных отверстий ступицы [мм] : 128,8
Номера артикулов рекомендуемых комплектующих : CP-1105
Номера артикулов рекомендуемых комплектующих : CP-1205
Номера артикулов рекомендуемых комплектующих : CP-1305
Номера артикулов рекомендуемых комплектующих : CP-1965
Номера артикулов рекомендуемых комплектующих : FK-2005
Номера артикулов рекомендуемых комплектующих : FK-2010
Вес [кг] : 7,98
|
|
Тормозной диск
ZEKKERT BS-5389B
Тип тормозного диска : вентилируемый
Наружный диаметр [мм] : 283
Высота [мм] : 49
Толщина тормозного диска (мм) : 25
Минимальная толщина [мм] : 23
Количество отверстий : 7
Диаметр центрирования [мм] : 72,1
Поверхность : лакированный
Диаметр расположения крепёжных отверстий ступицы [мм] : 128,8
Номера артикулов рекомендуемых комплектующих : CP-1105
Номера артикулов рекомендуемых комплектующих : CP-1205
Номера артикулов рекомендуемых комплектующих : CP-1305
Номера артикулов рекомендуемых комплектующих : CP-1965
Номера артикулов рекомендуемых комплектующих : FK-2005
Номера артикулов рекомендуемых комплектующих : FK-2010
Вес [кг] : 8,02
|
|
Тормозной диск
ZEKKERT BS-6053
Тип тормозного диска : цельный
Наружный диаметр [мм] : 314
Высота [мм] : 43
Толщина тормозного диска (мм) : 11
Минимальная толщина [мм] : 9
Количество отверстий : 5
Диаметр центрирования [мм] : 72
Сторона установки : Задний мост
Диаметр расположения крепёжных отверстий ступицы [мм] : 129
Номера артикулов рекомендуемых комплектующих : CP-1105
Номера артикулов рекомендуемых комплектующих : CP-1205
Номера артикулов рекомендуемых комплектующих : CP-1305
Номера артикулов рекомендуемых комплектующих : CP-1965
Номера артикулов рекомендуемых комплектующих : FK-2005
Номера артикулов рекомендуемых комплектующих : FK-2010
Вес [кг] : 5,55
|
|
Тормозной диск
ZEKKERT BS-6230
Тип тормозного диска : вентилируемый
Наружный диаметр [мм] : 320
Высота [мм] : 45,9
Толщина тормозного диска (мм) : 25
Минимальная толщина [мм] : 23
Диаметр расположения крепёжных отверстий ступицы [мм] : 114,3
Номера артикулов рекомендуемых комплектующих : CP-1105
Номера артикулов рекомендуемых комплектующих : CP-1205
Номера артикулов рекомендуемых комплектующих : CP-1305
Номера артикулов рекомендуемых комплектующих : CP-1965
Номера артикулов рекомендуемых комплектующих : FK-2005
Номера артикулов рекомендуемых комплектующих : FK-2010
Вес [кг] : 9,5
|
|
Тормозной диск
ZIMMERMANN 370.3074.20
Сторона установки : передний мост
Тип тормозного диска : вентилируемый
Поверхность : с покрытием
Наружный диаметр [мм] : 283
Толщина тормозного диска (мм) : 25
Высота [мм] : 49
Число отверстий в диске колеса : 5
Ø фаски [мм] : 114
Диаметр центрирования [мм] : 72
проверочное значение : ECE R90 APPROVED
Минимальная толщина [мм] : 23
Расположение/число отверстий : 8/5
Вес [кг] : 7,68
|
|
Тормозной диск
ZIMMERMANN 370.3074.52
Сторона установки : передний мост
Тип тормозного диска : вентилируемый
Тип тормозного диска : перфорированный
Поверхность : с покрытием
Наружный диаметр [мм] : 283
Толщина тормозного диска (мм) : 25
Высота [мм] : 49
Число отверстий в диске колеса : 5
Ø фаски [мм] : 114
Диаметр центрирования [мм] : 72
проверочное значение : KBA 60872
Минимальная толщина [мм] : 23
Расположение/число отверстий : 8/5
Вес [кг] : 7,68
|
|
Тормозной диск
ZIMMERMANN 370.3075.20
Сторона установки : Задний мост
Тип тормозного диска : цельный
Поверхность : с покрытием
Наружный диаметр [мм] : 280
Толщина тормозного диска (мм) : 10
Высота [мм] : 40
Число отверстий в диске колеса : 5
Ø фаски [мм] : 114
Диаметр центрирования [мм] : 72
проверочное значение : ECE R90 APPROVED
Минимальная толщина [мм] : 8
Расположение/число отверстий : 8/5
Вес [кг] : 4,06
|