|
Изображение |
Описание |
|
Тормозной диск
A.B.S. 17591
Наружный диаметр [мм] : 247
Толщина тормозного диска (мм) : 20
Минимальная толщина [мм] : 18
Высота [мм] : 35,5
Число отверстий в диске колеса : 4
Тип тормозного диска : вентилируемый
Диаметр центрирования [мм] : 55
Ø фаски [мм] : 100
Поверхность : с покрытием
Диаметр ступицы [мм] : 139
|
|
Тормозной диск
ABAKUS 231-03-056
Тип тормозного диска : вентилируемый
Наружный диаметр [мм] : 247
Толщина тормозного диска (мм) : 20
необходимое количество : 2
заменяется только попарно :
Высота [мм] : 35,3
Ø фаски [мм] : 100
Диаметр центрирования [мм] : 55
Количество отверстий : 4
проверочное значение : ECE R90
Требуется монтаж / демонтаж специалистами! :
|
|
Тормозной диск
ABAKUS 231-03-056-2
Тип тормозного диска : вентилируемый
Наружный диаметр [мм] : 247
Толщина тормозного диска (мм) : 20
необходимое количество : 2
заменяется только попарно :
Высота [мм] : 35,3
Ø фаски [мм] : 100
Диаметр центрирования [мм] : 55
Количество отверстий : 4
проверочное значение : ECE R90
Требуется монтаж / демонтаж специалистами! :
|
|
Тормозной диск
ABE C32153ABE
Толщина тормозного диска (мм) : 20
Минимальная толщина [мм] : 18
Тип тормозного диска : вентилируемый
Количество отверстий : 4
Ø фаски [мм] : 100
Высота [мм] : 35,3
Диаметр центрирования [мм] : 55
Внутренний диаметр : 129
Диаметр отверстия [мм] : 13,2
Сторона установки : передний мост
Наружный диаметр [мм] : 247
|
|
Тормозной диск
AP 25030 E
Момент затяжки [Нм] : 100
Минимальная толщина [мм] : 18
Высота [мм] : 35
Тип тормозного диска : вентилируемый
Диаметр центрирования [мм] : 55
Наружный диаметр [мм] : 247
Количество отверстий : 4
Толщина тормозного диска (мм) : 20
|
|
Тормозной диск
AP 25030 V
Поверхность : с покрытием
Высота [мм] : 35
Тип тормозного диска : вентилируемый
Диаметр центрирования [мм] : 55
Наружный диаметр [мм] : 247
Количество отверстий : 4
Толщина тормозного диска (мм) : 20
Момент затяжки [Нм] : 100
Минимальная толщина [мм] : 18
|
|
Тормозной диск
ASHIKA 60-02-269C
Сторона установки : передний мост
Ø фаски [мм] : 55
Высота [мм] : 35,5
Наружный диаметр [мм] : 246,9
Толщина тормозного диска (мм) : 20
Минимальная толщина [мм] : 18
Число отверстий : 4
Тип тормозного диска : вентилируемый
проверочное значение : ECE R90 APPROVED
Поверхность : лакированный
Момент затяжки [Нм] : 100
для оригинального номера : 1613819880
|
|
Тормозной диск
ATE 24.0120-0180.1
Наружный диаметр [мм] : 247
Толщина тормозного диска (мм) : 20
Минимальная толщина [мм] : 18
Тип тормозного диска : вентилируемый
Поверхность : с покрытием
Количество отверстий : 4
Ø фаски [мм] : 100
Высота [мм] : 35,3
Диаметр центрирования [мм] : 55
Внутренний диаметр : 129
Диаметр отверстия [мм] : 13,2
Дополнительный артикул / дополнительная информация 2 : с винтами
Код MAPP в наличии :
проверочное значение : E1 90R-02C0118/1270
|
|
Тормозной диск
BARUM BAR20180
Наружный диаметр [мм] : 247
Толщина тормозного диска (мм) : 20
Минимальная толщина [мм] : 18
Тип тормозного диска : вентилируемый
Количество отверстий : 4
Ø фаски [мм] : 100
Высота [мм] : 35,3
Диаметр центрирования [мм] : 55
Внутренний диаметр : 129
Диаметр отверстия [мм] : 13,1
|
|
Тормозной диск
BLUE PRINT ADT343198
Толщина тормозного диска (мм) : 20
Число отверстий в диске колеса : 4
Количество крепежных отверстий : 1
Толщина [мм] : 35
Наружный диаметр [мм] : 247
Ø фаски [мм] : 100
Поверхность : с покрытием
Тип тормозного диска : вентилируемый
Сторона установки : передний мост
Минимальная толщина [мм] : 18
Диаметр центрирования [мм] : 55
Соблюдать сервисную информацию :
|
|
Тормозной диск
BORG & BECK BBD4534
Тип тормозного диска : вентилируемый
Наружный диаметр [мм] : 247
Толщина тормозного диска (мм) : 20
Высота [мм] : 35,5
Диаметр центрирования [мм] : 55
Количество крепежных отверстий : 3
Количество отверстий : 4
Количественная единица : комплект
Поверхность : с покрытием
проверочное значение : ECE R90 Homologated
Минимальная толщина [мм] : 18
|
|
Тормозной диск
BOSCH 0 986 479 239
Наружный диаметр [мм] : 247
Толщина тормозного диска (мм) : 20
Минимальная толщина [мм] : 18
Высота [мм] : 35,3
Ø фаски [мм] : 100
Тип тормозного диска : вентилируемый
Диаметр центрирования [мм] : 55
Количество отверстий : 4
Поверхность : промасленный
выполняет нормы ЕЭК : ECE-R90
Диаметр отверстия до [мм] : 13,2
Тип тормозного диска : вентилируемый
|
|
Тормозной диск
BRECK BR 463 VA100
Тип тормозного диска : вентилируемый
Материал : Серый чугун
Поверхность : с покрытием
Цвет : серый
Дополнительный артикул / дополнительная информация 2 : без колесного подшипника
Наружный диаметр [мм] : 247
Толщина тормозного диска (мм) : 20
Высота [мм] : 35,3
Диаметр центрирования [мм] : 55
Ø фаски [мм] : 100
Минимальная толщина [мм] : 18
Количество отверстий : 4
|
|
Тормозной диск
BRECO BS 8626
Толщина тормозного диска (мм) : 20
Момент затяжки [Нм] : 100
Минимальная толщина [мм] : 18
Высота [мм] : 35
Тип тормозного диска : вентилируемый
Диаметр центрирования [мм] : 55
Наружный диаметр [мм] : 247
Количество отверстий : 4
|
|
Тормозной диск
BRECO BV 8626
Поверхность : с покрытием
Высота [мм] : 35
Тип тормозного диска : вентилируемый
Диаметр центрирования [мм] : 55
Наружный диаметр [мм] : 247
Количество отверстий : 4
Толщина тормозного диска (мм) : 20
Момент затяжки [Нм] : 100
Минимальная толщина [мм] : 18
|
|
Тормозной диск
BREMBO 09.9928.11
Тип тормозного диска : вентилируемый
Толщина тормозного диска (мм) : 20
Количество отверстий : 4
Высота [мм] : 35
Диаметр центрирования [мм] : 55
Наружный диаметр [мм] : 247
Поверхность : с покрытием
Минимальная толщина [мм] : 18
Момент затяжки [Нм] : 100
|
|
Тормозной диск
BREMBO 09.9928.14
Тип тормозного диска : вентилируемый
Толщина тормозного диска (мм) : 20
Количество отверстий : 4
Высота [мм] : 35
Диаметр центрирования [мм] : 55
Наружный диаметр [мм] : 247
Минимальная толщина [мм] : 18
Момент затяжки [Нм] : 100
|
|
Тормозной диск
BREMSI CD7527V
Сторона установки : передний мост
Наружный диаметр [мм] : 247
Толщина тормозного диска (мм) : 20
Минимальная толщина [мм] : 18
Тип тормозного диска : вентилируемый
Количество отверстий : 4
Момент затяжки [Нм] : 9
Цвет : чёрный
Поверхность : лакированный
|
|
Тормозной диск
BSG BSG 70-210-022
Толщина тормозного диска (мм) : 20
Диаметр [мм] : 247
Количество отверстий : 4
Тип тормозного диска : вентилируемый
Минимальная толщина [мм] : 18
Высота [мм] : 35
Размер резьбы : 13
Ø фаски [мм] : 100
Диаметр центрирования [мм] : 55
Цвет : чёрный
проверочное значение : E1 90R 02 C0185/0581
Сторона установки : передний мост
номер компонента : BSG 70-210-022
Наружный диаметр [мм] : 240
|
|
Тормозной диск
CAR X.IC.142.1123
Сторона установки : 1-й передний мост
Тип тормозного диска : цельный
Наружный диаметр [мм] : 247
Толщина тормозного диска (мм) : 20
Высота [мм] : 35,4
Диаметр центрирования [мм] : 55
Количество отверстий : 4
Минимальная толщина [мм] : 18
Вес [кг] : 4,55
|
|
Тормозной диск
CAR X.IC.HPD 1123
Сторона установки : 1-й передний мост
Тип тормозного диска : цельный
Наружный диаметр [мм] : 247
Толщина тормозного диска (мм) : 20
Высота [мм] : 35,4
Диаметр центрирования [мм] : 55
Количество отверстий : 4
Минимальная толщина [мм] : 18
Вес [кг] : 4,28
|
|
Тормозной диск
CHAMPION 562311CH
Тип тормозного диска : вентилируемый
Наружный диаметр [мм] : 247
Толщина тормозного диска (мм) : 20
Дополнительный артикул / дополнительная информация 2 : без винтов
Высота [мм] : 35,3
Ø фаски [мм] : 100
Диаметр центрирования [мм] : 55
Количество отверстий : 4
Количественная единица : комплект
Вес [кг] : 8,98
Минимальная толщина [мм] : 18
Момент затяжки [Нм] : 100
Тип контейнера : Коробка
Длина упаковки [см] : 24,8
Ширина упаковки [см] : 24,8
Высота упаковки [см] : 7,4
|
|
Тормозной диск
CIFAM 800-834C
проверочное значение : ECE-R90
Высота [мм] : 35,2
Тип тормозного диска : вентилируемый
Толщина тормозного диска (мм) : 20
Наружный диаметр [мм] : 247
Количество отверстий : 4
Диаметр центрирования [мм] : 55
Поверхность : лакированный
|
|
Тормозной диск
COMLINE ADC1561V
Тип тормозного диска : вентилируемый
Наружный диаметр [мм] : 247
Толщина тормозного диска (мм) : 20
Высота [мм] : 35,2
Ø фаски [мм] : 100
Диаметр центрирования [мм] : 55
Количество отверстий : 4
Поверхность : с покрытием
Минимальная толщина [мм] : 18
Число отверстий : 3
|
|
Тормозной диск
DANAHER DR11052
Сторона установки : передний мост
Тип тормозного диска : вентилируемый
Толщина тормозного диска (мм) : 20,4
Наружный диаметр [мм] : 266
Высота [мм] : 27,5
Количество отверстий : 4
Диаметр центрирования [мм] : 66,1
|
|
Тормозной диск
DANAHER DR11073
Сторона установки : передний мост
Тип тормозного диска : вентилируемый
Толщина тормозного диска (мм) : 20,5
Наружный диаметр [мм] : 247
Высота [мм] : 34,2
Количество отверстий : 4
Диаметр центрирования [мм] : 66,1
|
|
Тормозной диск
DANAHER DR11636
Сторона установки : передний мост
Тип тормозного диска : вентилируемый
Толщина тормозного диска (мм) : 20
Наружный диаметр [мм] : 247
Высота [мм] : 35,2
Количество отверстий : 4
Диаметр центрирования [мм] : 55
|
|
Тормозной диск
DELPHI BG3976
Тип тормозного диска : вентилируемый
Количество отверстий : 4
проверочное значение : E1 90R-02C0300/1423
Поверхность : промасленный
Наружный диаметр [мм] : 247
Толщина тормозного диска (мм) : 20
Минимальная толщина [мм] : 18
Диаметр центрирования [мм] : 55
Высота [мм] : 35,3
|
|
Тормозной диск
DENCKERMANN B130419
Минимальная толщина [мм] : 18
Тип тормозного диска : вентилируемый
Диаметр отверстия [мм] : 13,2
Толщина тормозного диска (мм) : 20
Ø фаски [мм] : 100
Количество отверстий : 4
Внутренний диаметр : 129
Высота [мм] : 35,3
Диаметр центрирования [мм] : 55
Наружный диаметр [мм] : 247
|
|
Тормозной диск
DON PCD18312
Тип тормозного диска : с внешней вентиляцией
Наружный диаметр [мм] : 247
Толщина тормозного диска (мм) : 20
Высота [мм] : 35,2
Минимальная толщина [мм] : 18
Поверхность : с частичным покрытием
Внутренний диаметр : 129
Ø фаски [мм] : 106
Диаметр центрирования [мм] : 55
Расположение/число отверстий : 04/07
Диаметр отверстия под шпильку колеса [мм] : 13,2
Дополнительный артикул / дополнительная информация 2 : без ступицы
Дополнительный артикул / дополнительная информация 2 : без колесного подшипника
Дополнительный артикул / дополнительная информация 2 : без колесной крепящей оси
Длина упаковки [см] : 28,4
Ширина упаковки [см] : 28,4
Высота упаковки [см] : 10,4
Вес [кг] : 4,6
|
|
Тормозной диск
DR!VE+ DP1010.11.0465
Число отверстий в диске колеса : 4
Сторона установки : передний мост
Высота [мм] : 35,3
Тип тормозного диска : вентилируемый
Толщина тормозного диска (мм) : 20
Минимальная толщина [мм] : 18
Наружный диаметр [мм] : 247
Количество отверстий : 2
Диаметр центрирования [мм] : 55
Количество отверстий 1 : 1
|
|
Тормозной диск
EBC Brakes D1397
Тип тормозного диска : вентилируемый
Толщина тормозного диска (мм) : 18
Толщина тормозного диска (мм) : 20
Количество отверстий : 4
Высота [мм] : 35
Наружный диаметр [мм] : 247
Материал : Серый чугун
|
|
Тормозной диск
EBC Brakes GD1397
Тип тормозного диска : вентилируемый
Толщина тормозного диска (мм) : 18
Толщина тормозного диска (мм) : 20
Количество отверстий : 4
Высота [мм] : 35
Наружный диаметр [мм] : 247
Материал : Серый чугун
|
|
Тормозной диск
EGT 410571EGT
Число отверстий в диске колеса : 4
Высота [мм] : 35,5
Тип тормозного диска : вентилируемый
Толщина тормозного диска (мм) : 20
Минимальная толщина [мм] : 18
Наружный диаметр [мм] : 247
Поверхность : с покрытием
Диаметр ступицы [мм] : 55
Диаметр отверстия под шпильку колеса [мм] : 100
|
|
Тормозной диск
EGT 410571cEGT
Число отверстий в диске колеса : 4
Высота [мм] : 35,5
Тип тормозного диска : вентилируемый
Толщина тормозного диска (мм) : 20
Минимальная толщина [мм] : 18
Наружный диаметр [мм] : 247
Поверхность : с покрытием
Диаметр ступицы [мм] : 55
Диаметр отверстия под шпильку колеса [мм] : 100
|
|
Тормозной диск
EUROBRAKE 58152045102
Наружный диаметр [мм] : 247
Толщина тормозного диска (мм) : 20
Минимальная толщина [мм] : 18
Высота [мм] : 35,5
Число отверстий в диске колеса : 4
Тип тормозного диска : вентилируемый
Диаметр центрирования [мм] : 54,9
Поверхность : промасленный
Вес нетто [кг] : 4,47
|
|
Тормозной диск
EUROBRAKE 58153145102
Наружный диаметр [мм] : 247
Толщина тормозного диска (мм) : 20
Минимальная толщина [мм] : 18
Высота [мм] : 35,5
Число отверстий в диске колеса : 4
Тип тормозного диска : вентилируемый
Диаметр центрирования [мм] : 54,9
Поверхность : с покрытием
Вес нетто [кг] : 4,47
|
|
Тормозной диск
EUROREPAR 1618862380
Тип тормозного диска : вентилируемый
Дополнительный артикул / дополнительная информация 2 : без кольца сенсора ABS
Наружный диаметр [мм] : 247
Толщина тормозного диска (мм) : 20
Высота [мм] : 35,3
Диаметр центрирования [мм] : 55
Ø фаски [мм] : 100
Количество отверстий : 4
Минимальная толщина [мм] : 18
|
|
Тормозной диск
EUROREPAR 1687772180
Тип тормозного диска : вентилируемый
Наружный диаметр [мм] : 247
Толщина тормозного диска (мм) : 20
Высота [мм] : 35,5
Диаметр центрирования [мм] : 55
Количество отверстий : 4
Минимальная толщина [мм] : 18
|
|
Тормозной диск
FAI AutoParts BD104
Тип тормозного диска : вентилируемый
Наружный диаметр [мм] : 247
Толщина тормозного диска (мм) : 20
необходимое количество : 2
Высота [мм] : 35,5
Диаметр центрирования [мм] : 55
Количество отверстий : 4
Поверхность : с покрытием
Минимальная толщина [мм] : 18
|
|
Тормозной диск
FAI AutoParts FPBD1263
Тип тормозного диска : вентилируемый
Наружный диаметр [мм] : 247
Толщина тормозного диска (мм) : 20
Высота [мм] : 35,5
Диаметр центрирования [мм] : 55
Количество отверстий : 4
Поверхность : с покрытием
Минимальная толщина [мм] : 18
|
|
Тормозной диск
FEBI BILSTEIN 30636
Толщина тормозного диска (мм) : 20
Число отверстий в диске колеса : 4
Количество крепежных отверстий : 1
Толщина [мм] : 35
Наружный диаметр [мм] : 247
Ø фаски [мм] : 100
Поверхность : с покрытием
Тип тормозного диска : вентилируемый
Сторона установки : передний мост
Минимальная толщина [мм] : 18
Диаметр центрирования [мм] : 55
Соблюдать сервисную информацию :
|
|
Тормозной диск
FERODO DDF1527
Тип тормозного диска : вентилируемый
Наружный диаметр [мм] : 247
Толщина тормозного диска (мм) : 20
Дополнительный артикул / дополнительная информация 2 : с винтами
Высота [мм] : 35,3
Ø фаски [мм] : 100
Диаметр центрирования [мм] : 55
Количество отверстий : 4
Количественная единица : комплект
Поверхность : промасленный
проверочное значение : R90 homologated
Вес [кг] : 8,98
Минимальная толщина [мм] : 18
Момент затяжки [Нм] : 100
Тип контейнера : Коробка
Длина упаковки [см] : 24
Ширина упаковки [см] : 24
Высота упаковки [см] : 7,5
|
|
Тормозной диск
FERODO DDF1527C
Тип тормозного диска : вентилируемый
Наружный диаметр [мм] : 247
Толщина тормозного диска (мм) : 20
Дополнительный артикул / дополнительная информация 2 : с винтами
Высота [мм] : 35,3
Диаметр центрирования [мм] : 55
Количество отверстий : 4
Количественная единица : Штука
Поверхность : с покрытием
проверочное значение : R90 Homologated
Вес [кг] : 4,49
Минимальная толщина [мм] : 18
Момент затяжки [Нм] : 100
Длина упаковки [см] : 24
Ширина упаковки [см] : 24
Высота упаковки [см] : 7,5
|
|
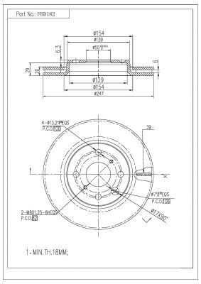
Тормозной диск
FI.BA FBD182
Сторона установки : передний мост
Вес [кг] : 4,4
Толщина [мм] : 35
Тип тормозного диска : вентилируемый
Толщина тормозного диска (мм) : 20
Минимальная толщина [мм] : 18
Ø фаски [мм] : 100
Число отверстий в диске колеса : 4
Диаметр центрирования [мм] : 55
Поверхность : с покрытием
Наружный диаметр [мм] : 247
Количество крепежных отверстий : 1
|
|
Тормозной диск
FREMAX BD-4700
Тип тормозного диска : вентилируемый
Наружный диаметр [мм] : 247
Толщина тормозного диска (мм) : 20
Высота [мм] : 35,5
Диаметр центрирования [мм] : 55
Количество крепежных отверстий : 4
Поверхность : с покрытием
Вес [кг] : 4,42
Минимальная толщина [мм] : 18
|
|
Тормозной диск
fri.tech. BD0999
проверочное значение : ECE-R90
Высота [мм] : 35,2
Тип тормозного диска : вентилируемый
Толщина тормозного диска (мм) : 20
Наружный диаметр [мм] : 247
Количество отверстий : 4
Диаметр центрирования [мм] : 55
Поверхность : лакированный
|
|
Тормозной диск
FRIGAIR DC03.103
Тип тормозного диска : вентилируемый
Диаметр [мм] : 247
Ø фаски [мм] : 55
Толщина тормозного диска (мм) : 20
Толщина [мм] : 35,5
Сторона установки : передний мост
Наружный диаметр [мм] : 247
|
|
Тормозной диск
GALFER B1.G220-0180.1
Наружный диаметр [мм] : 247
Толщина тормозного диска (мм) : 20
Минимальная толщина [мм] : 18
Тип тормозного диска : вентилируемый
Количество отверстий : 4
Поверхность : с покрытием
Ø фаски [мм] : 100
Высота [мм] : 35,3
Диаметр центрирования [мм] : 55
Внутренний диаметр : 129
Диаметр отверстия [мм] : 13,2
проверочное значение : E1 90R-02C0118/1271
|
|
Тормозной диск
GH GH-404590
Сторона установки : передний мост
Сторона установки : передний мост справа
Сторона установки : передний мост слева
Толщина тормозного диска (мм) : 20
Количество отверстий : 4
Ø фаски [мм] : 100
Диаметр центрирования [мм] : 55
Наружный диаметр [мм] : 247
Тип тормозного диска : вентилируемый
Размер резьбы : 13
Высота [мм] : 35,3
|
|
Тормозной диск
GIRLING 6044691
Поверхность : лакированный
Толщина тормозного диска (мм) : 20
Наружный диаметр [мм] : 247
Количество отверстий : 4
Тип тормозного диска : вентилируемый
Минимальная толщина [мм] : 18
Высота [мм] : 35,3
Размер резьбы : 13
Ø фаски [мм] : 100
Диаметр центрирования [мм] : 55
Цвет : чёрный
проверочное значение : E190R-02C0185/0581
SVHC : Нет информации, обратитесь, пожалуйста, к производителю!
|
|
Тормозной диск
HART 224 353
Высота [мм] : 35,3
Тип тормозного диска : вентилируемый
Толщина тормозного диска (мм) : 20
Наружный диаметр [мм] : 247
Количество отверстий : 4
|
|
Тормозной диск
HART 257 991
Высота [мм] : 35,3
Тип тормозного диска : вентилируемый
Толщина тормозного диска (мм) : 20
Наружный диаметр [мм] : 247
Количество отверстий : 4
|
|
Тормозной диск
HERTH+BUSS JAKOPARTS J3302167
Тип тормозного диска : с внешней вентиляцией
Наружный диаметр [мм] : 247
Толщина тормозного диска (мм) : 20
Минимальная толщина [мм] : 18
Количество отверстий : 4
Количество отверстий 1 : 2
Количество отверстий 2 : 1
Ø фаски [мм] : 100
Внутренний диаметр : 128
Высота [мм] : 35,3
Диаметр ступицы [мм] : 55,01
Поверхность : с покрытием
Сторона установки : передний мост
SVHC : Не содержит особо опасных веществ!
|
|
Тормозной диск
Hi-Q SD4630
Вес [кг] : 4,47
Толщина [мм] : 20
Тип тормозного диска : вентилируемый
Толщина тормозного диска (мм) : 18
Ø фаски [мм] : 100
Количество отверстий : 7
Высота [мм] : 35,3
Диаметр центрирования [мм] : 55
Наружный диаметр [мм] : 247
|
|
Тормозной диск
ICER 78BD4700-2
Толщина тормозного диска (мм) : 18
Наружный диаметр [мм] : 247
Тип тормозного диска : вентилируемый
Высота [мм] : 35,5
Диаметр центрирования [мм] : 55
Ø фаски [мм] : 100
Исполнение оси : Front
Номер технической информации : 78BD4700-2
проверочное значение : E1 90R-02C0289/1455
проверочное значение : E4 90R-02C0722/2586
Диаметр [мм] : 55
Толщина [мм] : 20
Минимальная толщина [мм] : 18
Расположение/число отверстий : 4
Вес [кг] : 8 988
|
|
Тормозной диск
JAPANPARTS DI-269C
Сторона установки : передний мост
Ø фаски [мм] : 55
Высота [мм] : 35,5
Наружный диаметр [мм] : 246,9
Толщина тормозного диска (мм) : 20
Минимальная толщина [мм] : 18
Число отверстий : 4
Тип тормозного диска : вентилируемый
проверочное значение : ECE R90 APPROVED
Поверхность : лакированный
Момент затяжки [Нм] : 100
для оригинального номера : 1613819880
|
|
Тормозной диск
JAPKO 60269C
Сторона установки : передний мост
Ø фаски [мм] : 55
Высота [мм] : 35,5
Наружный диаметр [мм] : 246,9
Толщина тормозного диска (мм) : 20
Минимальная толщина [мм] : 18
Число отверстий : 4
Тип тормозного диска : вентилируемый
проверочное значение : ECE R90 APPROVED
Поверхность : лакированный
Момент затяжки [Нм] : 100
для оригинального номера : 1613819880
|
|
Тормозной диск
JP GROUP 4163101500
Тип тормозного диска : вентилируемый
Толщина тормозного диска (мм) : 20
Поверхность : с покрытием
Сторона установки : передний мост
Количество отверстий : 4
Наружный диаметр [мм] : 247
|
|
Тормозной диск
JPN 30H2110-JPN
Тип тормозного диска : вентилируемый
Высота [мм] : 35,3
Толщина тормозного диска (мм) : 20
Размер резьбы : 13
Наружный диаметр [мм] : 247
Количество отверстий : 4
Диаметр центрирования [мм] : 55
Ø фаски [мм] : 100
|
|
Тормозной диск
JURATEK CIT127
Тип тормозного диска : вентилируемый
Наружный диаметр [мм] : 247
Толщина тормозного диска (мм) : 20
Высота [мм] : 35
Ø фаски [мм] : 100
Диаметр центрирования [мм] : 55
Количество крепежных отверстий : 4
парные номера артикулов : JCA1124L
парные номера артикулов : JCA1124R
парные номера артикулов : JCK1002
парные номера артикулов : JCP1790
парные номера артикулов : NKR0019
Поверхность : с покрытием
Вес [кг] : 5
Диаметр отверстия [мм] : 13
Минимальная толщина [мм] : 18
|
|
Тормозной диск
JURID 562311JC
Тип тормозного диска : вентилируемый
Наружный диаметр [мм] : 247
Толщина тормозного диска (мм) : 20
Тормозная установка : BOSCH
Дополнительный артикул / дополнительная информация 2 : с винтами
Версия : JC
Высота [мм] : 35,3
Ø фаски [мм] : 100
Диаметр центрирования [мм] : 55
Количество отверстий : 4
Количественная единица : комплект
Поверхность : с покрытием
проверочное значение : R90 Homologated
Вес [кг] : 8,98
Минимальная толщина [мм] : 18
Момент затяжки [Нм] : 100
Тип контейнера : Коробка
Длина упаковки [см] : 26
Ширина упаковки [см] : 26
Высота упаковки [см] : 10
|
|
Тормозной диск
KAISHIN CBR351
для оригинального номера : 1613819880
Сторона установки : передний мост
проверочное значение : ECE R90 APPROVED
Высота [мм] : 35,5
Тип тормозного диска : вентилируемый
Толщина тормозного диска (мм) : 20
Минимальная толщина [мм] : 18
Число отверстий : 4
Наружный диаметр [мм] : 246,9
Количество отверстий : 4
Момент затяжки [Нм] : 100
Ø фаски [мм] : 55
Поверхность : лакированный
|
|
Тормозной диск
KAMOKA 1033054
Сторона установки : передний мост
Тип тормозного диска : вентилируемый
Толщина тормозного диска (мм) : 20
Ø фаски [мм] : 100
Количество отверстий : 4
Высота [мм] : 35
Диаметр центрирования [мм] : 55
Поверхность : с покрытием
Наружный диаметр [мм] : 247
|
|
Тормозной диск
KAVO PARTS BR-9450-C
проверочное значение : R90
Высота [мм] : 35,2
Тип тормозного диска : вентилируемый
Толщина тормозного диска (мм) : 20
Наружный диаметр [мм] : 247
Количество отверстий : 4
Диаметр центрирования [мм] : 55
Ø фаски [мм] : 100
Поверхность : с покрытием
|
|
Тормозной диск
KAWE 61003 10
Диаметр [мм] : 247
Сторона установки : передний мост
Вес [кг] : 4,47
Тип тормозного диска : вентилируемый
Минимальная толщина [мм] : 18
Толщина тормозного диска (мм) : 20
Количество отверстий : 4
проверочное значение : K.B.A.: 61209
Высота [мм] : 35,3
Диаметр центрирования [мм] : 55
Наружный диаметр [мм] : 247
|
|
Тормозной диск
KEY PARTS KBD4534
Тип тормозного диска : вентилируемый
Наружный диаметр [мм] : 247
Толщина тормозного диска (мм) : 20
Высота [мм] : 35,5
Диаметр центрирования [мм] : 55
Количество отверстий : 4
Количественная единица : комплект
Поверхность : без покрытия
проверочное значение : ECE R90 Homologated
Минимальная толщина [мм] : 18
|
|
Тормозной диск
KRAFT AUTOMOTIVE 6045985
Тип тормозного диска : вентилируемый
Количество отверстий : 4
Диаметр [мм] : 247
Толщина тормозного диска (мм) : 20
Высота [мм] : 35,3
Диаметр центрирования [мм] : 55
Номер продукции : 6045985
Наружный диаметр [мм] : 247
|
|
Тормозной диск
LPR C1004V
Высота [мм] : 35,3
Тип тормозного диска : вентилируемый
Толщина тормозного диска (мм) : 20
Минимальная толщина [мм] : 18
Наружный диаметр [мм] : 247
Количество отверстий : 4
Диаметр центрирования [мм] : 55
|
|
Тормозной диск
LPR C1004VR
Толщина тормозного диска (мм) : 20
Тип тормозного диска : вентилируемый
Высота [мм] : 35,3
Количество отверстий : 4
Минимальная толщина [мм] : 18
Поверхность : с покрытием
Диаметр центрирования [мм] : 55
Наружный диаметр [мм] : 247
|
|
Тормозной диск
LYNXAUTO BN-1378
Сторона установки : передний мост
Наружный диаметр [мм] : 247
Толщина тормозного диска (мм) : 20
Минимальная толщина [мм] : 18
Диаметр центрирования [мм] : 55
Высота [мм] : 35
Количество отверстий : 4
Ø фаски [мм] : 100
Тип тормозного диска : вентилируемый
|
|
Тормозной диск
MAGNETI MARELLI 360406019200
Тип тормозного диска : вентилируемый
Диаметр [мм] : 247
Высота [мм] : 35,3
Минимальная толщина [мм] : 18
Количество отверстий : 4
Ø фаски [мм] : 55
Момент затяжки [Нм] : 100
Толщина тормозного диска (мм) : 20
Наружный диаметр [мм] : 247
|
|
Тормозной диск
MAGNETI MARELLI 361302040124
Тип тормозного диска : вентилируемый
Диаметр [мм] : 247
Высота [мм] : 35,3
Минимальная толщина [мм] : 18
Количество отверстий : 4
Ø фаски [мм] : 55
Момент затяжки [Нм] : 100
Толщина тормозного диска (мм) : 20
Наружный диаметр [мм] : 247
|
|
Тормозной диск
MAPCO 15432
Сторона установки : передний мост
Тип тормозного диска : вентилируемый
Толщина тормозного диска (мм) : 20
Наружный диаметр [мм] : 247
Ø фаски [мм] : 100
Количество отверстий : 4
Высота [мм] : 35,3
|
|
Тормозной диск
MAPCO 15432C
Сторона установки : передний мост
Наружный диаметр [мм] : 247
Толщина тормозного диска (мм) : 20
Минимальная толщина [мм] : 18
Тип тормозного диска : вентилируемый
Количество отверстий : 4
Ø фаски [мм] : 100
Высота [мм] : 35
Диаметр центрирования [мм] : 55
Внутренний диаметр : 129
Диаметр отверстия [мм] : 13
Поверхность : с покрытием
|
|
Тормозной диск
MAXGEAR 19-1844
Тип тормозного диска : вентилируемый
Наружный диаметр [мм] : 247
Толщина тормозного диска (мм) : 20
Высота [мм] : 35,3
Ø фаски [мм] : 100
Диаметр центрирования [мм] : 55
Количество отверстий : 4
Минимальная толщина [мм] : 18
|
|
Тормозной диск
MAXGEAR 19-1844MAX
Тип тормозного диска : вентилируемый
Наружный диаметр [мм] : 247
Толщина тормозного диска (мм) : 20
Высота [мм] : 35,3
Ø фаски [мм] : 100
Диаметр центрирования [мм] : 55
Количество отверстий : 4
Поверхность : лакированный
Минимальная толщина [мм] : 18
|
|
Тормозной диск
MAXGEAR 19-1844SPORT
Тип тормозного диска : вентилируемый
Тип тормозного диска : с прорезями / перфорированный
Наружный диаметр [мм] : 247
Толщина тормозного диска (мм) : 20
Высота [мм] : 35,3
Ø фаски [мм] : 100
Диаметр центрирования [мм] : 55
Количество отверстий : 4
Поверхность : лакированный
Минимальная толщина [мм] : 18
|
|
Тормозной диск
MAXTECH 875635
Сторона установки : передний мост
Тип тормозного диска : вентилируемый
Минимальная толщина [мм] : 18
Вес [кг] : 4,4
Толщина тормозного диска (мм) : 20
Ø фаски [мм] : 100
Количество отверстий : 4
Диаметр отверстия [мм] : 13,2
Внутренний диаметр : 129
Высота [мм] : 36
Диаметр центрирования [мм] : 55
Наружный диаметр [мм] : 247
|
|
Тормозной диск
METELLI 23-0834C
проверочное значение : ECE-R90
Высота [мм] : 35,2
Тип тормозного диска : вентилируемый
Толщина тормозного диска (мм) : 20
Наружный диаметр [мм] : 247
Количество отверстий : 4
Диаметр центрирования [мм] : 55
Поверхность : лакированный
|
|
Тормозной диск
MEYLE 11-15 521 0037
Сторона установки : передний мост
Наружный диаметр [мм] : 247
Высота [мм] : 35
Толщина тормозного диска (мм) : 20
Минимальная толщина [мм] : 18
Диаметр центрирования [мм] : 55
Ø фаски [мм] : 100
Диаметр отверстия под шпильку колеса [мм] : 13,2
Количество отверстий : 4
Тип тормозного диска : вентилируемый
необходимое количество : 2
|
|
Тормозной диск
MEYLE 11-15 521 0037/PD
Сторона установки : передний мост
Наружный диаметр [мм] : 247
Высота [мм] : 35
Толщина тормозного диска (мм) : 20
Минимальная толщина [мм] : 18
Диаметр центрирования [мм] : 55
Ø фаски [мм] : 100
Диаметр отверстия под шпильку колеса [мм] : 13,2
Количество отверстий : 4
Тип тормозного диска : вентилируемый
Поверхность : оцинкованная
Качество : PREMIUM
необходимое количество : 2
|
|
Тормозной диск
MILES K000323
Сторона установки : спереди
Количество отверстий : 4
Тип тормозного диска : вентилируемый
Наружный диаметр [мм] : 247
Высота [мм] : 35,3
Диаметр центрирования [мм] : 55
Ø фаски [мм] : 100
Диаметр отверстия под шпильку колеса [мм] : 13,2
Толщина тормозного диска (мм) : 20
Минимальная толщина [мм] : 18
|
|
Тормозной диск
MILES K200323
Сторона установки : спереди
Количество отверстий : 4
Тип тормозного диска : вентилируемый
Наружный диаметр [мм] : 247
Высота [мм] : 35,3
Диаметр центрирования [мм] : 55
Ø фаски [мм] : 100
Диаметр отверстия под шпильку колеса [мм] : 13,2
Толщина тормозного диска (мм) : 20
Минимальная толщина [мм] : 18
Поверхность : с покрытием
|
|
Тормозной диск
MINTEX MDC1733C
Тип тормозного диска : с внешней вентиляцией
Наружный диаметр [мм] : 247
Толщина тормозного диска (мм) : 20
Высота [мм] : 35,2
Минимальная толщина [мм] : 18
Поверхность : с покрытием
Внутренний диаметр : 129
Ø фаски [мм] : 106
Диаметр центрирования [мм] : 55
Расположение/число отверстий : 04/07
Диаметр отверстия под шпильку колеса [мм] : 13,2
Дополнительный артикул / дополнительная информация 2 : без ступицы
Дополнительный артикул / дополнительная информация 2 : без колесного подшипника
Дополнительный артикул / дополнительная информация 2 : без колесной крепящей оси
Длина упаковки [см] : 27,8
Ширина упаковки [см] : 27,8
Высота упаковки [см] : 10,5
Вес [кг] : 4,6
|
|
Тормозной диск
MOTAQUIP LVBD1170
Тип тормозного диска : вентилируемый
Наружный диаметр [мм] : 247
Толщина тормозного диска (мм) : 20
Высота [мм] : 35,2
Ø фаски [мм] : 100
Диаметр центрирования [мм] : 55
Количество отверстий : 4
Поверхность : с покрытием
Вес [кг] : 4,66
Минимальная толщина [мм] : 18
Число отверстий : 3
|
|
Тормозной диск
National NBD1366
Тип тормозного диска : вентилируемый
Наружный диаметр [мм] : 247
Толщина тормозного диска (мм) : 20
Высота [мм] : 35
Ø фаски [мм] : 100
Диаметр центрирования [мм] : 55
Количество отверстий : 4
|
|
Тормозной диск
NiBK RN1214
Сторона установки : передний мост
Тип тормозного диска : вентилируемый
Наружный диаметр [мм] : 247
Толщина тормозного диска (мм) : 20
Минимальная толщина [мм] : 18
Количество отверстий : 4
Ø фаски [мм] : 100
Высота [мм] : 35,15
Диаметр центрирования [мм] : 55
Внутренний диаметр : 129
|
|
Тормозной диск
NIPPARTS N3302162
Сторона установки : передний мост
Тип тормозного диска : вентилируемый
Толщина тормозного диска (мм) : 20
Наружный диаметр [мм] : 247
Высота [мм] : 35,2
Количество отверстий : 4
Диаметр центрирования [мм] : 55
Ø фаски [мм] : 100
Диаметр ступицы колеса [мм] : 139
Минимальная толщина [мм] : 18
|
|
Тормозной диск
NK 2045102
Наружный диаметр [мм] : 247
Толщина тормозного диска (мм) : 20
Минимальная толщина [мм] : 18
Высота [мм] : 35,5
Число отверстий в диске колеса : 4
Тип тормозного диска : вентилируемый
Диаметр центрирования [мм] : 54,9
Поверхность : промасленный
Вес нетто [кг] : 4,47
|
|
Тормозной диск
NK 3145102
Наружный диаметр [мм] : 247
Толщина тормозного диска (мм) : 20
Минимальная толщина [мм] : 18
Высота [мм] : 35,5
Число отверстий в диске колеса : 4
Тип тормозного диска : вентилируемый
Диаметр центрирования [мм] : 54,9
Поверхность : с покрытием
Вес нетто [кг] : 4,47
|
|
Тормозной диск
NPS T330A140
Спецификация : Qte packaging: 1
Сторона установки : передний мост
проверочное значение : E1 90R-02C0289/1455
Количество частей [част.] : 1
Внутренний диаметр : 55
Толщина тормозного диска (мм) : 20
Количество крепежных отверстий : 2
Количество отверстий : 4
Тип тормозного диска : вентилируемый
Высота [мм] : 35,5
Наружный диаметр [мм] : 246
Ø фаски [мм] : 55
|
|
Тормозной диск
Omnicraft 2133912
Диаметр центрирования [мм] : 55
Момент затяжки [Нм] : 100
Высота [мм] : 35
Тип тормозного диска : вентилируемый
Толщина тормозного диска (мм) : 20
Минимальная толщина [мм] : 18
Наружный диаметр [мм] : 247
Количество отверстий : 4
|
|
Тормозной диск
OPEN PARTS BDA2228.20
Тип тормозного диска : вентилируемый
Наружный диаметр [мм] : 247
Высота [мм] : 35,3
Толщина тормозного диска (мм) : 20
Диаметр центрирования [мм] : 55
Количество отверстий : 4
Дополнительный артикул / дополнительная информация 2 : с винтами
Минимальная толщина [мм] : 18
|
|
Тормозной диск
OPEN PARTS BDR2228.20
Тип тормозного диска : вентилируемый
Поверхность : лакированный
Наружный диаметр [мм] : 247
Высота [мм] : 35,3
Толщина тормозного диска (мм) : 20
Диаметр центрирования [мм] : 55
Количество отверстий : 4
Дополнительный артикул / дополнительная информация 2 : с винтами
Минимальная толщина [мм] : 18
|
|
Тормозной диск
OPTIMAL BS-7652
Сторона установки : передний мост
Тип тормозного диска : вентилируемый
Толщина тормозного диска (мм) : 20
Наружный диаметр [мм] : 247
Высота [мм] : 35,5
Диаметр центрирования [мм] : 55
Минимальная толщина [мм] : 18
Расположение/число отверстий : 4/7
|
|
Тормозной диск
OPTIMAL BS-7652C
Сторона установки : передний мост
Тип тормозного диска : с внешней вентиляцией
Толщина тормозного диска (мм) : 20
Наружный диаметр [мм] : 247
Высота [мм] : 35,5
Диаметр центрирования [мм] : 55
Поверхность : с покрытием
Дополнительный артикул / дополнительная информация 2 : с винтами
Минимальная толщина [мм] : 18
Расположение/число отверстий : 4/7
|
|
Тормозной диск
PAGID 54419NC
Тип тормозного диска : с внешней вентиляцией
Наружный диаметр [мм] : 247
Толщина тормозного диска (мм) : 20
Высота [мм] : 35,2
Минимальная толщина [мм] : 18
Поверхность : с покрытием
Внутренний диаметр : 129
Ø фаски [мм] : 106
Диаметр центрирования [мм] : 55
Расположение/число отверстий : 04/07
Диаметр отверстия под шпильку колеса [мм] : 13,2
Дополнительный артикул / дополнительная информация 2 : без ступицы
Дополнительный артикул / дополнительная информация 2 : без колесного подшипника
Дополнительный артикул / дополнительная информация 2 : без колесной крепящей оси
Длина упаковки [см] : 26,3
Ширина упаковки [см] : 26,3
Высота упаковки [см] : 6,6
Вес [кг] : 4,6
|
|
Тормозной диск
PILENGA V097
Сторона установки : передний мост
Тип тормозного диска : вентилируемый
Минимальная толщина [мм] : 18
Толщина тормозного диска (мм) : 20
Количество отверстий 1 : 4
Количество отверстий 2 : 3
Внутренний диаметр : 129
Высота [мм] : 35,3
Диаметр центрирования [мм] : 55
Наружный диаметр [мм] : 247
|
|
Тормозной диск
ProfiPower 3B1067
Тип тормозного диска : вентилируемый
Высота [мм] : 35,3
Толщина тормозного диска (мм) : 20
Размер резьбы : 13
Минимальная толщина [мм] : 18
Наружный диаметр [мм] : 247
Количество отверстий : 4
Диаметр центрирования [мм] : 55
Ø фаски [мм] : 100
|
|
Тормозной диск
PROFIT 5010-1527
Сторона установки : передний мост
Диаметр [мм] : 247
Тип тормозного диска : вентилируемый
Толщина тормозного диска (мм) : 20
Минимальная толщина [мм] : 18
Количество отверстий : 4
Высота [мм] : 35,3
Диаметр центрирования [мм] : 55
Наружный диаметр [мм] : 247
|
|
Тормозной диск
QUARO QD6420
Тип тормозного диска : с внешней вентиляцией
Наружный диаметр [мм] : 247
Толщина тормозного диска (мм) : 20
Дополнительный артикул / дополнительная информация 2 : без ступицы
Дополнительный артикул / дополнительная информация 2 : без колесной крепящей оси
Высота [мм] : 35,2
Ø фаски [мм] : 100
Диаметр центрирования [мм] : 55
Количество отверстий : 4
Поверхность : лакированный
Минимальная толщина [мм] : 18
|
|
Тормозной диск
QUARO QD6420HC
Тип тормозного диска : с внешней вентиляцией
Наружный диаметр [мм] : 247
Толщина тормозного диска (мм) : 20
Дополнительный артикул / дополнительная информация 2 : без ступицы
Дополнительный артикул / дополнительная информация 2 : без колесной крепящей оси
Высота [мм] : 35,2
Ø фаски [мм] : 100
Диаметр центрирования [мм] : 55
Количество отверстий : 4
Обработка : Высокоуглеродистый
Поверхность : лакированный
Минимальная толщина [мм] : 18
|
|
Тормозной диск
QUINTON HAZELL BDC5518
Тип тормозного диска : вентилируемый
Наружный диаметр [мм] : 247
Толщина тормозного диска (мм) : 20
Минимальная толщина [мм] : 18
Высота [мм] : 35,5
Диаметр центрирования [мм] : 55
Ø фаски [мм] : 100
Количество отверстий : 4
|
|
Тормозной диск
R BRAKE 78RBD24700
Толщина тормозного диска (мм) : 18
Наружный диаметр [мм] : 247
Тип тормозного диска : вентилируемый
Высота [мм] : 35,5
Диаметр центрирования [мм] : 55
Ø фаски [мм] : 100
Исполнение оси : Front
Номер технической информации : 78BD4700-2
проверочное значение : E1 90R-02C0289/1455
проверочное значение : E4 90R-02C0722/2586
Диаметр [мм] : 55
Толщина [мм] : 20
Минимальная толщина [мм] : 18
Расположение/число отверстий : 4
Вес [кг] : 8 988
|
|
Тормозной диск
RAICAM RD01083
Вес [кг] : 4,5
Диаметр центрирования [мм] : 55
Тип тормозного диска : вентилируемый
выполняет нормы ЕЭК : E1
Число отверстий в диске колеса : 4
Толщина тормозного диска (мм) : 20
Сторона установки : передний мост
Минимальная толщина [мм] : 18
Высота [мм] : 35,5
Наружный диаметр [мм] : 247
|
|
Тормозной диск
REMSA 61003.10
проверочное значение : K.B.A.: 61209
Сторона установки : передний мост
Диаметр [мм] : 247
Высота [мм] : 35,3
Тип тормозного диска : вентилируемый
Толщина тормозного диска (мм) : 20
Минимальная толщина [мм] : 18
Количество отверстий : 4
Диаметр центрирования [мм] : 55
Вес [кг] : 4,47
Наружный диаметр [мм] : 247
|
|
Тормозной диск
RIDEX 82B0050
Диаметр центрирования [мм] : 55
Толщина тормозного диска (мм) : 20
Момент затяжки [Нм] : 100
Минимальная толщина [мм] : 18
Наружный диаметр [мм] : 247
Высота [мм] : 35
Тип тормозного диска : вентилируемый
Внутренний диаметр : 129
Расположение/число отверстий : 4/7
Сторона установки : передний мост
Тип тормозного диска : с внешней вентиляцией
Тип тормозного диска : вентилируемый
|
|
Тормозной диск
ROADHOUSE 61003.10
проверочное значение : K.B.A.: 61209
Вес [кг] : 4,47
Сторона установки : передний мост
Диаметр [мм] : 247
Толщина тормозного диска (мм) : 20
Минимальная толщина [мм] : 18
Высота [мм] : 35,3
Диаметр центрирования [мм] : 55
Количество отверстий : 4
Тип тормозного диска : вентилируемый
Наружный диаметр [мм] : 247
|
|
Тормозной диск
ROTINGER RT 20381
Тип тормозного диска : вентилируемый
Сторона установки : передний мост
Наружный диаметр [мм] : 247
Внутренний диаметр : 128,5
Диаметр центрирования [мм] : 55
Высота [мм] : 35,3
Толщина тормозного диска (мм) : 20
Минимальная толщина [мм] : 17
Количество отверстий : 4
Размер резьбы : 13,2
Количество отверстий 1 : 1
Расстояние между отверст. 1 [мм] : 106
Вес [кг] : 4,5
Ø фаски [мм] : 100
|
|
Тормозной диск
ROTINGER RT 20381-GL
Тип тормозного диска : вентилируемый
Поверхность : с гальваническим покрытием
Сторона установки : передний мост
Наружный диаметр [мм] : 247
Внутренний диаметр : 128,5
Диаметр центрирования [мм] : 55
Высота [мм] : 35,3
Толщина тормозного диска (мм) : 20
Минимальная толщина [мм] : 17
Количество отверстий : 4
Размер резьбы : 13,2
Количество отверстий 1 : 1
Расстояние между отверст. 1 [мм] : 106
Вес [кг] : 4,5
Ø фаски [мм] : 100
|
|
Тормозной диск
ROTINGER RT 20381-GL T3
Тип тормозного диска : перфорированный
Тип тормозного диска : вентилируемый
Поверхность : с гальваническим покрытием
Сторона установки : передний мост
Наружный диаметр [мм] : 247
Внутренний диаметр : 128,5
Диаметр центрирования [мм] : 55
Высота [мм] : 35,3
Толщина тормозного диска (мм) : 20
Минимальная толщина [мм] : 17
Количество отверстий : 4
Размер резьбы : 13,2
Количество отверстий 1 : 1
Расстояние между отверст. 1 [мм] : 106
Вес [кг] : 4,5
Ø фаски [мм] : 100
|
|
Тормозной диск
ROTINGER RT 20381-GL T5
Тип тормозного диска : вентилируемый
Тип тормозного диска : перфорированный
Поверхность : с гальваническим покрытием
Сторона установки : передний мост
Наружный диаметр [мм] : 247
Внутренний диаметр : 128,5
Диаметр центрирования [мм] : 55
Высота [мм] : 35,3
Толщина тормозного диска (мм) : 20
Минимальная толщина [мм] : 17
Количество отверстий : 4
Размер резьбы : 13,2
Количество отверстий 1 : 1
Расстояние между отверст. 1 [мм] : 106
Вес [кг] : 4,5
Ø фаски [мм] : 100
|
|
Тормозной диск
ROTINGER RT 20381-GL T6
Тип тормозного диска : вентилируемый
Поверхность : с гальваническим покрытием
Сторона установки : передний мост
Наружный диаметр [мм] : 247
Внутренний диаметр : 128,5
Диаметр центрирования [мм] : 55
Высота [мм] : 35,3
Толщина тормозного диска (мм) : 20
Минимальная толщина [мм] : 17
Количество отверстий : 4
Размер резьбы : 13,2
Количество отверстий 1 : 1
Расстояние между отверст. 1 [мм] : 106
Вес [кг] : 4,5
Ø фаски [мм] : 100
|
|
Тормозной диск
ROTINGER RT 20381-GL T9
Тип тормозного диска : вентилируемый
Поверхность : с гальваническим покрытием
Сторона установки : передний мост
Наружный диаметр [мм] : 247
Внутренний диаметр : 128,5
Диаметр центрирования [мм] : 55
Высота [мм] : 35,3
Толщина тормозного диска (мм) : 20
Минимальная толщина [мм] : 17
Количество отверстий : 4
Размер резьбы : 13,2
Количество отверстий 1 : 1
Расстояние между отверст. 1 [мм] : 106
Вес [кг] : 4,5
Ø фаски [мм] : 100
|
|
Тормозной диск
SAMKO C1004V
Тип тормозного диска : вентилируемый
Диаметр центрирования [мм] : 55
Количество отверстий : 4
Наружный диаметр [мм] : 247
Толщина тормозного диска (мм) : 20
Высота [мм] : 35,3
Минимальная толщина [мм] : 18
|
|
Тормозной диск
SAMKO C1004VR
Поверхность : с покрытием
Высота [мм] : 35,3
Тип тормозного диска : вентилируемый
Минимальная толщина [мм] : 18
Толщина тормозного диска (мм) : 20
Количество отверстий : 4
Диаметр центрирования [мм] : 55
Наружный диаметр [мм] : 247
|
|
Тормозной диск
SASIC 6100003
Сторона установки : передний мост
Тип тормозного диска : вентилируемый
Наружный диаметр [мм] : 247
Толщина тормозного диска (мм) : 20
Высота [мм] : 35,3
Ø фаски [мм] : 55
Количество отверстий : 4
для оригинального номера : 1630633180
Дополнительный артикул / дополнительная информация 2 : без колесного подшипника
заменяется только попарно :
|
|
Тормозной диск
SKF VKBD 80043 V2
Тип тормозного диска : вентилируемый
Наружный диаметр [мм] : 247
Толщина тормозного диска (мм) : 20
Высота [мм] : 35,2
Ø фаски [мм] : 100
Диаметр центрирования [мм] : 55
Количество отверстий : 4
Поверхность : с покрытием
Минимальная толщина [мм] : 18
Число отверстий : 3
|
|
Тормозной диск
Stark SKBD-0020051
Диаметр центрирования [мм] : 55
Толщина тормозного диска (мм) : 20
Момент затяжки [Нм] : 100
Минимальная толщина [мм] : 18
Наружный диаметр [мм] : 247
Высота [мм] : 35
Тип тормозного диска : вентилируемый
Внутренний диаметр : 129
Расположение/число отверстий : 4/7
Сторона установки : передний мост
Тип тормозного диска : с внешней вентиляцией
Тип тормозного диска : вентилируемый
|
|
Тормозной диск
STELLOX 6020-1104V-SX
Наружный диаметр [мм] : 247
Толщина тормозного диска (мм) : 20
Диаметр центрирования [мм] : 55
Количество отверстий : 4
Ø фаски [мм] : 13,2
Минимальная толщина [мм] : 18
Тип тормозного диска : вентилируемый
Внутренний диаметр : 129
Сторона установки : передний мост
|
|
Тормозной диск
STELLOX 6020-1104VK-SX
Наружный диаметр [мм] : 247
Толщина тормозного диска (мм) : 20
Тип тормозного диска : вентилируемый
Сторона установки : передний мост
|
|
Тормозной диск
SWAG 81 93 0636
Толщина тормозного диска (мм) : 20
Число отверстий в диске колеса : 4
Количество крепежных отверстий : 1
Толщина [мм] : 35
Наружный диаметр [мм] : 247
Ø фаски [мм] : 100
Поверхность : с покрытием
Тип тормозного диска : вентилируемый
Сторона установки : передний мост
Минимальная толщина [мм] : 18
Диаметр центрирования [мм] : 55
|
|
Тормозной диск
TEXTAR 92141903
Тип тормозного диска : с внешней вентиляцией
Наружный диаметр [мм] : 247
Толщина тормозного диска (мм) : 20
Высота [мм] : 35,2
Минимальная толщина [мм] : 18
Поверхность : с покрытием
Внутренний диаметр : 129
Ø фаски [мм] : 106
Диаметр центрирования [мм] : 55
Расположение/число отверстий : 04/07
Диаметр отверстия под шпильку колеса [мм] : 13,2
Дополнительный артикул / дополнительная информация 2 : без ступицы
Дополнительный артикул / дополнительная информация 2 : без колесного подшипника
Дополнительный артикул / дополнительная информация 2 : без колесной крепящей оси
Длина упаковки [см] : 27,8
Ширина упаковки [см] : 27,8
Высота упаковки [см] : 10,5
Вес [кг] : 4,6
|
|
Тормозной диск
TOMEX Brakes TX 71-55
Сторона установки : передний мост
Тип тормозного диска : вентилируемый
Толщина тормозного диска (мм) : 20
Наружный диаметр [мм] : 247
Высота [мм] : 35,3
Количество отверстий : 4
Диаметр центрирования [мм] : 55
Ø фаски [мм] : 100
Поверхность : лакированный
Вес [кг] : 9,05
Минимальная толщина [мм] : 18
|
|
Тормозной диск
TOPRAN 722 457
Сторона установки : передний мост
Тип тормозного диска : вентилируемый
Наружный диаметр [мм] : 247
Диаметр ступицы [мм] : 139
Диаметр центрирования [мм] : 55
Толщина тормозного диска (мм) : 20
Высота [мм] : 35
Число отверстий в диске колеса : 4
Ø фаски [мм] : 100
заменяется только попарно :
|
|
Тормозной диск
TRIALLI DF 095122
Тип тормозного диска : вентилируемый
Сторона установки : передний мост
Наружный диаметр [мм] : 247
Высота [мм] : 35
Толщина тормозного диска (мм) : 20
Минимальная толщина [мм] : 18
Диаметр центрирования [мм] : 55
Количество крепежных отверстий : 4
Ø фаски [мм] : 100
|
|
Тормозной диск
TRISCAN 8120 10190C
Наружный диаметр [мм] : 247
Тип тормозного диска : вентилируемый
Количество отверстий : 4
Поверхность : с покрытием
Толщина тормозного диска (мм) : 20
Минимальная толщина [мм] : 18
|
|
Тормозной диск
TRUSTING DF999
проверочное значение : ECE-R90
Высота [мм] : 35,2
Тип тормозного диска : вентилируемый
Толщина тормозного диска (мм) : 20
Наружный диаметр [мм] : 247
Количество отверстий : 4
Диаметр центрирования [мм] : 55
Поверхность : лакированный
|
|
Тормозной диск
TRW DF4469
Толщина тормозного диска (мм) : 20
Наружный диаметр [мм] : 247
Количество отверстий : 4
Тип тормозного диска : вентилируемый
Минимальная толщина [мм] : 18
Высота [мм] : 35,3
Размер резьбы : 13
Ø фаски [мм] : 100
Диаметр центрирования [мм] : 55
Цвет : чёрный
Поверхность : лакированный
проверочное значение : E190R-02C0185/0581
SVHC : Нет информации, обратитесь, пожалуйста, к производителю!
|
|
Тормозной диск
VAICO V42-80019
Сторона установки : передний мост
Высота ступицы тормозного диска [мм] : 15,4
Число отверстий в диске колеса : 4
Высота [мм] : 35,3
Тип тормозного диска : вентилируемый
Толщина тормозного диска (мм) : 20
Минимальная толщина [мм] : 18
Наружный диаметр [мм] : 247
Диаметр центрирования [мм] : 55
Ø фаски [мм] : 100
|
|
Тормозной диск
WOKING D61003.10
проверочное значение : K.B.A.: 61209
Сторона установки : передний мост
Диаметр [мм] : 247
Толщина тормозного диска (мм) : 20
Минимальная толщина [мм] : 18
Высота [мм] : 35,3
Диаметр центрирования [мм] : 55
Количество отверстий : 4
Тип тормозного диска : вентилируемый
Вес [кг] : 4,47
Наружный диаметр [мм] : 247
|
|
Тормозной диск
ZEKKERT BS-5415
Тип тормозного диска : вентилируемый
Наружный диаметр [мм] : 247
Высота [мм] : 35
Толщина тормозного диска (мм) : 20
Минимальная толщина [мм] : 18
Количество отверстий : 7
Диаметр центрирования [мм] : 55
Диаметр расположения крепёжных отверстий ступицы [мм] : 100
Номера артикулов рекомендуемых комплектующих : CP-1105
Номера артикулов рекомендуемых комплектующих : CP-1205
Номера артикулов рекомендуемых комплектующих : CP-1305
Номера артикулов рекомендуемых комплектующих : CP-1965
Номера артикулов рекомендуемых комплектующих : FK-2005
Номера артикулов рекомендуемых комплектующих : FK-2010
Вес [кг] : 5,03
|
|
Тормозной диск
ZIMMERMANN 180.3021.20
Сторона установки : передний мост
Тип тормозного диска : с внешней вентиляцией
Поверхность : с покрытием
Наружный диаметр [мм] : 247
Толщина тормозного диска (мм) : 20
Высота [мм] : 35
Число отверстий в диске колеса : 4
Ø фаски [мм] : 100
Диаметр центрирования [мм] : 55
проверочное значение : ECE R90 APPROVED
Минимальная толщина [мм] : 18
Расположение/число отверстий : 7/4
Вес [кг] : 4,42
|
|
Тормозной диск
ZIMMERMANN 180.3021.52
Сторона установки : передний мост
Тип тормозного диска : с внешней вентиляцией
Тип тормозного диска : перфорированный
Поверхность : с покрытием
Наружный диаметр [мм] : 247
Толщина тормозного диска (мм) : 20
Высота [мм] : 35
Число отверстий в диске колеса : 4
Ø фаски [мм] : 100
Диаметр центрирования [мм] : 55
проверочное значение : ECE R90 APPROVED
Минимальная толщина [мм] : 18
Расположение/число отверстий : 7/4
Вес [кг] : 4,42
|