ПОДДЕРЖКА САЙТА


Написать сообщение
MODELS RENAULT 21 (B48_) 2.1 Turbo-D (B486, B488, B48V) Тормозной диск / принадлежности

Выберите группу

Выберите запчасти

Изображение Описание
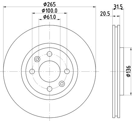
Тормозной диск
A.B.S. 15864

Наружный диаметр [мм] : 244
Толщина тормозного диска (мм) : 20,5
Минимальная толщина [мм] : 17,7
Высота [мм] : 31,5
Число отверстий в диске колеса : 4
Тип тормозного диска : вентилируемый
Диаметр центрирования [мм] : 61
Ø фаски [мм] : 100
Диаметр ступицы [мм] : 136

Тормозной диск
A.B.S. 16238

Наружный диаметр [мм] : 255
Толщина тормозного диска (мм) : 10,5
Минимальная толщина [мм] : 9,5
Высота [мм] : 30,5
Число отверстий в диске колеса : 4
Тип тормозного диска : цельный
Диаметр центрирования [мм] : 66
Ø фаски [мм] : 100
Диаметр ступицы [мм] : 142

Тормозной диск
AP 24187 E

Высота [мм] : 32
Тип тормозного диска : вентилируемый
Диаметр центрирования [мм] : 61
Наружный диаметр [мм] : 244
Количество отверстий : 4
Толщина тормозного диска (мм) : 20,5
Момент затяжки [Нм] : 85
Минимальная толщина [мм] : 17,7
Дополнительный артикул / дополнительная информация 2 : с винтами

Тормозной диск
AP 14375

Высота [мм] : 31
Тип тормозного диска : цельный
Диаметр центрирования [мм] : 66
Наружный диаметр [мм] : 255
Количество отверстий : 4
Толщина тормозного диска (мм) : 10,5
Момент затяжки [Нм] : 85
Минимальная толщина [мм] : 9,5

Тормозной диск
ATE 24.0111-0122.1

Наружный диаметр [мм] : 255
Толщина тормозного диска (мм) : 10,5
Минимальная толщина [мм] : 9,5
Тип тормозного диска : цельный
Количество отверстий : 4
Ø фаски [мм] : 100
Высота [мм] : 30,6
Диаметр центрирования [мм] : 66
Внутренний диаметр : 134
Диаметр отверстия [мм] : 12,6
Код MAPP в наличии :
проверочное значение : E1 90R-02C0165/0820

Тормозной диск
ATE 24.0120-0135.1

Наружный диаметр [мм] : 244
Толщина тормозного диска (мм) : 20,5
Минимальная толщина [мм] : 17,7
Тип тормозного диска : вентилируемый
Поверхность : с покрытием
Количество отверстий : 4
Код MAPP в наличии :
Ø фаски [мм] : 100
Высота [мм] : 31,6
Диаметр центрирования [мм] : 61
Внутренний диаметр : 127
Диаметр отверстия [мм] : 12,5
проверочное значение : E1 90R-02C0118/0112

Тормозной диск
BORG & BECK BBD4928

Тип тормозного диска : вентилируемый
Наружный диаметр [мм] : 244
Толщина тормозного диска (мм) : 20,5
Высота [мм] : 31,5
Диаметр центрирования [мм] : 61
Количество отверстий : 4
Количественная единица : комплект
Поверхность : с покрытием
проверочное значение : ECE R90 Homologated
Минимальная толщина [мм] : 17,7

Тормозной диск
BOSCH 0 986 478 278

Наружный диаметр [мм] : 244
Толщина тормозного диска (мм) : 20,5
Минимальная толщина [мм] : 17,7
Высота [мм] : 31,5
Ø фаски [мм] : 100
Тип тормозного диска : вентилируемый
Диаметр центрирования [мм] : 61
Количество отверстий : 4
Поверхность : промасленный
выполняет нормы ЕЭК : ECE-R90
Диаметр отверстия до [мм] : 12,6

Тормозной диск
BRECO BS 7924

Момент затяжки [Нм] : 85
Минимальная толщина [мм] : 17,7
Дополнительный артикул / дополнительная информация 2 : с винтами
Высота [мм] : 32
Тип тормозного диска : вентилируемый
Диаметр центрирования [мм] : 61
Наружный диаметр [мм] : 244
Количество отверстий : 4
Толщина тормозного диска (мм) : 20,5

Тормозной диск
BRECO BS 7442

Момент затяжки [Нм] : 85
Минимальная толщина [мм] : 9,5
Высота [мм] : 31
Тип тормозного диска : цельный
Диаметр центрирования [мм] : 66
Наружный диаметр [мм] : 255
Количество отверстий : 4
Толщина тормозного диска (мм) : 10,5

Тормозной диск
BREMBO 09.4930.14

Тип тормозного диска : вентилируемый
Толщина тормозного диска (мм) : 20,5
Количество отверстий : 4
Дополнительный артикул / дополнительная информация 2 : с винтами
Высота [мм] : 32
Диаметр центрирования [мм] : 61
Наружный диаметр [мм] : 244
Минимальная толщина [мм] : 17,7
Момент затяжки [Нм] : 85

Тормозной диск
BREMBO 08.5651.10

Тип тормозного диска : цельный
Толщина тормозного диска (мм) : 10,5
Количество отверстий : 4
Высота [мм] : 31
Диаметр центрирования [мм] : 66
Наружный диаметр [мм] : 255
Минимальная толщина [мм] : 9,5
Момент затяжки [Нм] : 85

Тормозной диск
BREMSI CD6186V

Сторона установки : передний мост
Наружный диаметр [мм] : 244
Тип тормозного диска : вентилируемый
Толщина тормозного диска (мм) : 20,5
Минимальная толщина [мм] : 17,7
Количество отверстий : 4
Момент затяжки [Нм] : 8

Тормозной диск
BREMSI CD6199V

Сторона установки : передний мост
Наружный диаметр [мм] : 265
Тип тормозного диска : вентилируемый
Толщина тормозного диска (мм) : 20,5
Минимальная толщина [мм] : 17,7
Количество отверстий : 4
Момент затяжки [Нм] : 8

Тормозной диск
BREMSI CD6361S

Сторона установки : Задний мост
Наружный диаметр [мм] : 255
Высота [мм] : 30,6
Тип тормозного диска : цельный
Толщина тормозного диска (мм) : 10,5
Минимальная толщина [мм] : 9,5
Количество отверстий : 4
Диаметр центрирования [мм] : 66
Момент затяжки [Нм] : 8

Тормозной диск
CAR 142.574

Сторона установки : 1-й передний мост
Тип тормозного диска : цельный
Наружный диаметр [мм] : 244
Толщина тормозного диска (мм) : 20,5
Высота [мм] : 31,6
Диаметр центрирования [мм] : 61
Количество отверстий : 4
для артикула № : CAR: 142.574
для артикула № : IB: RN 21 1V
для артикула № : RD: 280
Минимальная толщина [мм] : 17,7
Вес [кг] : 4,26

Тормозной диск
CAR 142.594

Сторона установки : 1-й задний мост
Тип тормозного диска : цельный
Наружный диаметр [мм] : 255
Толщина тормозного диска (мм) : 10,5
Высота [мм] : 30,5
Диаметр центрирования [мм] : 66
Количество отверстий : 4
для артикула № : CAR: 142.594
для артикула № : IB: RN 50 1P
для артикула № : RD: 3938
Минимальная толщина [мм] : 9,5
Вес [кг] : 3,3

Тормозной диск
CAR HPD 574

Сторона установки : 1-й передний мост
Тип тормозного диска : цельный
Наружный диаметр [мм] : 244
Толщина тормозного диска (мм) : 20,5
Высота [мм] : 31,6
Диаметр центрирования [мм] : 61
Количество отверстий : 4
для артикула № : CAR: HPD 574
для артикула № : IB: HRN 21 1V
для артикула № : RD: RR 280
Минимальная толщина [мм] : 17,7
Вес [кг] : 4,13

Тормозной диск
CIFAM 800-151

проверочное значение : ECE-R90
Высота [мм] : 31,5
Тип тормозного диска : вентилируемый
Толщина тормозного диска (мм) : 20,5
Наружный диаметр [мм] : 244
Количество отверстий : 4
Диаметр центрирования [мм] : 61

Тормозной диск
DANAHER DR11060

Сторона установки : передний мост
Тип тормозного диска : вентилируемый
Толщина тормозного диска (мм) : 20,5
Наружный диаметр [мм] : 244
Высота [мм] : 31,5
Количество отверстий : 4
Диаметр центрирования [мм] : 61

Тормозной диск
DANAHER DR11074

Сторона установки : передний мост
Тип тормозного диска : вентилируемый
Толщина тормозного диска (мм) : 20,5
Наружный диаметр [мм] : 265
Высота [мм] : 31,5
Количество отверстий : 4
Диаметр центрирования [мм] : 61

Тормозной диск
DELPHI BG2403

Тип тормозного диска : вентилируемый
Количество отверстий : 4
проверочное значение : E1 90R-02C0289/1455
Поверхность : промасленный
Наружный диаметр [мм] : 244
Толщина тормозного диска (мм) : 20,5
Минимальная толщина [мм] : 17,7
Диаметр центрирования [мм] : 61
Высота [мм] : 31,4

Тормозной диск
DELPHI BG2456

Тип тормозного диска : вентилируемый
Количество отверстий : 5
Наружный диаметр [мм] : 285
Толщина тормозного диска (мм) : 21
Минимальная толщина [мм] : 19
Диаметр центрирования [мм] : 61
Высота [мм] : 31,7

Тормозной диск
DELPHI BG3147

Тип тормозного диска : цельный
Количество отверстий : 4
Наружный диаметр [мм] : 255
Толщина тормозного диска (мм) : 10,5
Минимальная толщина [мм] : 9,5
Диаметр центрирования [мм] : 66
Высота [мм] : 30,5

Тормозной диск
EUROBRAKE 5815203925

Наружный диаметр [мм] : 244
Толщина тормозного диска (мм) : 20,7
Минимальная толщина [мм] : 17,7
Высота [мм] : 31,6
Число отверстий в диске колеса : 4
Тип тормозного диска : вентилируемый
Диаметр центрирования [мм] : 61
Поверхность : промасленный
Вес нетто [кг] : 4,5

Тормозной диск
EUROREPAR 1618885180

Тип тормозного диска : вентилируемый
Дополнительный артикул / дополнительная информация 2 : без кольца сенсора ABS
Наружный диаметр [мм] : 243,7
Толщина тормозного диска (мм) : 20,7
Высота [мм] : 31,6
Диаметр центрирования [мм] : 61
Ø фаски [мм] : 100
Количество отверстий : 4
Минимальная толщина [мм] : 17,7

Тормозной диск
FERODO DDF186

Тип тормозного диска : вентилируемый
Наружный диаметр [мм] : 244
Толщина тормозного диска (мм) : 20,5
Дополнительный артикул / дополнительная информация 2 : с винтами
Высота [мм] : 31,6
Ø фаски [мм] : 100
Диаметр центрирования [мм] : 61
Количество отверстий : 4
Количественная единица : комплект
Поверхность : промасленный
проверочное значение : R90 homologated
Вес [кг] : 9,16
Минимальная толщина [мм] : 17,7
Момент затяжки [Нм] : 85
Тип контейнера : Коробка
Длина упаковки [см] : 24
Ширина упаковки [см] : 24
Высота упаковки [см] : 7,5

Тормозной диск
FREMAX BD-4192

Тип тормозного диска : цельный
Наружный диаметр [мм] : 255
Толщина тормозного диска (мм) : 10,5
Высота [мм] : 31
Диаметр центрирования [мм] : 66
Количество крепежных отверстий : 4
Поверхность : с покрытием
Вес [кг] : 3,35
Минимальная толщина [мм] : 9,5

Тормозной диск
FREMAX BD-8901

Тип тормозного диска : вентилируемый
Наружный диаметр [мм] : 244
Толщина тормозного диска (мм) : 20,5
Высота [мм] : 32
Диаметр центрирования [мм] : 61
Количество крепежных отверстий : 4
Поверхность : с покрытием
Вес [кг] : 4,31
Минимальная толщина [мм] : 17,7

Тормозной диск
fri.tech. BD0779

проверочное значение : ECE-R90
Высота [мм] : 31,5
Тип тормозного диска : вентилируемый
Толщина тормозного диска (мм) : 20,5
Наружный диаметр [мм] : 244
Количество отверстий : 4
Диаметр центрирования [мм] : 61

Тормозной диск
GIRLING 6010191

Тип тормозного диска : вентилируемый
Наружный диаметр [мм] : 244
Толщина тормозного диска (мм) : 20,5
Минимальная толщина [мм] : 17,7
Диаметр центрирования [мм] : 61
Высота [мм] : 32
Количество отверстий : 4
Размер резьбы : 13
Ø фаски [мм] : 100
Поверхность : лакированный
Цвет : чёрный
Дополнительный артикул / дополнительная информация 2 : с винтами

Тормозной диск
ICER 78BD8901-2

Толщина тормозного диска (мм) : 17,7
Наружный диаметр [мм] : 244
Тип тормозного диска : вентилируемый
Высота [мм] : 31,6
Диаметр центрирования [мм] : 61
Ø фаски [мм] : 100
Исполнение оси : Front
Номер технической информации : 78BD8901-2
проверочное значение : E1 90R-02C0289/1455
Диаметр [мм] : 61
Толщина [мм] : 20,5
Минимальная толщина [мм] : 17,7
Расположение/число отверстий : 4
Вес [кг] : 9 210

Тормозной диск
JURID 561346J

Тип тормозного диска : вентилируемый
Наружный диаметр [мм] : 244
Толщина тормозного диска (мм) : 20,5
Дополнительный артикул / дополнительная информация 2 : с винтами
Версия : J
Высота [мм] : 31,6
Ø фаски [мм] : 100
Диаметр центрирования [мм] : 61
Количество отверстий : 4
Количественная единица : комплект
Поверхность : промасленный
проверочное значение : R90 Homologated
Датчик износа : подготовлено для индикатора износа
Вес [кг] : 9,16
Минимальная толщина [мм] : 17,7
Момент затяжки [Нм] : 85
Тип контейнера : Коробка
Длина упаковки [см] : 26
Ширина упаковки [см] : 26
Высота упаковки [см] : 8,5

Тормозной диск
KAWE 6117 10

Диаметр [мм] : 244
Сторона установки : передний мост
Вес [кг] : 4,5
Тип тормозного диска : вентилируемый
Минимальная толщина [мм] : 17,7
Толщина тормозного диска (мм) : 20,5
Количество отверстий : 4
Высота [мм] : 31,6
Диаметр центрирования [мм] : 61
Наружный диаметр [мм] : 244

Тормозной диск
KAWE 6236 10

Диаметр [мм] : 265
Сторона установки : передний мост
Вес [кг] : 5,35
Тип тормозного диска : вентилируемый
Минимальная толщина [мм] : 17,7
Толщина тормозного диска (мм) : 20,5
Количество отверстий : 4
проверочное значение : K.B.A.: 61209
Высота [мм] : 31,6
Диаметр центрирования [мм] : 61
Наружный диаметр [мм] : 265

Тормозной диск
LPR R1211V

Диаметр центрирования [мм] : 61
Количество отверстий : 4
Толщина тормозного диска (мм) : 20,5
Высота [мм] : 32
Тип тормозного диска : вентилируемый
Минимальная толщина [мм] : 17,7
Наружный диаметр [мм] : 244

Тормозной диск
LPR R1211VR

Толщина тормозного диска (мм) : 20,5
Количество отверстий : 4
Тип тормозного диска : вентилируемый
Диаметр центрирования [мм] : 61
Поверхность : с покрытием
Минимальная толщина [мм] : 17,7
Высота [мм] : 32
Наружный диаметр [мм] : 244

Тормозной диск
MAXGEAR 19-2603

Тип тормозного диска : вентилируемый
Наружный диаметр [мм] : 265
Толщина тормозного диска (мм) : 20,5
Высота [мм] : 32
Ø фаски [мм] : 100
Диаметр центрирования [мм] : 61
Количество отверстий : 4
Минимальная толщина [мм] : 17,7

Тормозной диск
MAXGEAR 19-2604

Сторона установки : передний мост
Тип тормозного диска : вентилируемый
Наружный диаметр [мм] : 244
Толщина тормозного диска (мм) : 20,5
Дополнительный артикул / дополнительная информация 2 : с винтами
Высота [мм] : 32
Ø фаски [мм] : 100
Диаметр центрирования [мм] : 61
Количество отверстий : 4
Минимальная толщина [мм] : 17,7

Тормозной диск
MAXGEAR 19-2604SPORT

Сторона установки : передний мост
Тип тормозного диска : вентилируемый
Тип тормозного диска : с прорезями / перфорированный
Наружный диаметр [мм] : 244
Толщина тормозного диска (мм) : 20,5
Дополнительный артикул / дополнительная информация 2 : с винтами
Высота [мм] : 32
Ø фаски [мм] : 100
Диаметр центрирования [мм] : 61
Количество отверстий : 4
Поверхность : лакированный
Минимальная толщина [мм] : 17,7

Тормозной диск
MAXTECH 875315

Сторона установки : передний мост
Тип тормозного диска : вентилируемый
Минимальная толщина [мм] : 17,7
Вес [кг] : 4,5
Толщина тормозного диска (мм) : 20,5
Ø фаски [мм] : 100
Количество отверстий : 4
Диаметр отверстия [мм] : 12,5
Внутренний диаметр : 127
Высота [мм] : 32
Диаметр центрирования [мм] : 61
Наружный диаметр [мм] : 244

Тормозной диск
METELLI 23-0151

проверочное значение : ECE-R90
Высота [мм] : 31,5
Тип тормозного диска : вентилируемый
Толщина тормозного диска (мм) : 20,5
Наружный диаметр [мм] : 244
Количество отверстий : 4
Диаметр центрирования [мм] : 61

Тормозной диск
MINTEX MDC421

Тип тормозного диска : с внешней вентиляцией
Наружный диаметр [мм] : 244
Толщина тормозного диска (мм) : 20,7
Высота [мм] : 31,6
Минимальная толщина [мм] : 17,7
Внутренний диаметр : 127,2
Ø фаски [мм] : 100
Диаметр центрирования [мм] : 61
Расположение/число отверстий : 04/06
Диаметр отверстия под шпильку колеса [мм] : 12,7
Дополнительный артикул / дополнительная информация 2 : без ступицы
Дополнительный артикул / дополнительная информация 2 : без колесного подшипника
Дополнительный артикул / дополнительная информация 2 : без колесной крепящей оси
Длина упаковки [см] : 27,8
Ширина упаковки [см] : 27,8
Высота упаковки [см] : 8,4
Вес [кг] : 4,5

Тормозной диск
MINTEX MDC705

Тип тормозного диска : с внешней вентиляцией
Наружный диаметр [мм] : 265
Толщина тормозного диска (мм) : 20,5
Высота [мм] : 31,5
Минимальная толщина [мм] : 17,7
Внутренний диаметр : 127,8
Ø фаски [мм] : 100
Диаметр центрирования [мм] : 61
Расположение/число отверстий : 04/06
Диаметр отверстия под шпильку колеса [мм] : 12,5
Дополнительный артикул / дополнительная информация 2 : без ступицы
Дополнительный артикул / дополнительная информация 2 : без колесного подшипника
Дополнительный артикул / дополнительная информация 2 : без колесной крепящей оси
Длина упаковки [см] : 27,8
Ширина упаковки [см] : 27,8
Высота упаковки [см] : 8,4
Вес [кг] : 5,2

Тормозной диск
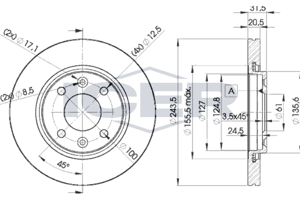
MINTEX MDC1058

Тип тормозного диска : цельный
Наружный диаметр [мм] : 255
Толщина тормозного диска (мм) : 10,5
Высота [мм] : 30,5
Минимальная толщина [мм] : 9,5
Внутренний диаметр : 134,1
Ø фаски [мм] : 100
Диаметр центрирования [мм] : 66
Расположение/число отверстий : 04/06
Диаметр отверстия под шпильку колеса [мм] : 13
Дополнительный артикул / дополнительная информация 2 : без ступицы
Дополнительный артикул / дополнительная информация 2 : без колесного подшипника
Дополнительный артикул / дополнительная информация 2 : без колесной крепящей оси
Длина упаковки [см] : 27,8
Ширина упаковки [см] : 27,8
Высота упаковки [см] : 8,4
Вес [кг] : 3,3

Тормозной диск
National NBD083

Тип тормозного диска : вентилируемый
Наружный диаметр [мм] : 238
Толщина тормозного диска (мм) : 20
Высота [мм] : 41
Ø фаски [мм] : 100
Диаметр центрирования [мм] : 61
Количество отверстий : 4

Тормозной диск
National NBD115

Тип тормозного диска : вентилируемый
Наружный диаметр [мм] : 244
Толщина тормозного диска (мм) : 20,5
Высота [мм] : 31
Ø фаски [мм] : 100
Диаметр центрирования [мм] : 61
Количество отверстий : 4

Тормозной диск
NK 203925

Наружный диаметр [мм] : 244
Толщина тормозного диска (мм) : 20,7
Минимальная толщина [мм] : 17,7
Высота [мм] : 31,6
Число отверстий в диске колеса : 4
Тип тормозного диска : вентилируемый
Диаметр центрирования [мм] : 61
Поверхность : промасленный
Вес нетто [кг] : 4,5

Тормозной диск
OPTIMAL BS-1170

Сторона установки : передний мост
Тип тормозного диска : вентилируемый
Толщина тормозного диска (мм) : 20,7
Наружный диаметр [мм] : 244
Высота [мм] : 31,6
Диаметр центрирования [мм] : 61
Минимальная толщина [мм] : 17,7
Расположение/число отверстий : 4/6

Тормозной диск
OPTIMAL BS-1170C

Сторона установки : передний мост
Тип тормозного диска : вентилируемый
Толщина тормозного диска (мм) : 20,7
Наружный диаметр [мм] : 244
Высота [мм] : 31,6
Диаметр центрирования [мм] : 61
Поверхность : с покрытием
Дополнительный артикул / дополнительная информация 2 : с винтами
Минимальная толщина [мм] : 17,7
Расположение/число отверстий : 4/6

Тормозной диск
OPTIMAL BS-2360

Сторона установки : передний мост
Тип тормозного диска : вентилируемый
Толщина тормозного диска (мм) : 20,5
Наружный диаметр [мм] : 265
Высота [мм] : 31,6
Диаметр центрирования [мм] : 61
Минимальная толщина [мм] : 17,7
Расположение/число отверстий : 4/6

Тормозной диск
OPTIMAL BS-2360C

Сторона установки : передний мост
Тип тормозного диска : вентилируемый
Толщина тормозного диска (мм) : 20,5
Наружный диаметр [мм] : 265
Высота [мм] : 31,6
Диаметр центрирования [мм] : 61
Поверхность : с покрытием
Минимальная толщина [мм] : 17,7
Расположение/число отверстий : 4/6

Тормозной диск
PILENGA 5751

Сторона установки : Задний мост
Тип тормозного диска : цельный
Минимальная толщина [мм] : 9,5
Толщина тормозного диска (мм) : 10,5
Количество отверстий 1 : 4
Количество отверстий 2 : 2
Внутренний диаметр : 134
Высота [мм] : 30,6
Диаметр центрирования [мм] : 66
Наружный диаметр [мм] : 255

Тормозной диск
PILENGA V148

Сторона установки : передний мост
Тип тормозного диска : вентилируемый
Минимальная толщина [мм] : 17,7
Толщина тормозного диска (мм) : 20,5
Количество отверстий 1 : 4
Количество отверстий 2 : 2
Внутренний диаметр : 127
Высота [мм] : 31,6
Диаметр центрирования [мм] : 61
Наружный диаметр [мм] : 244

Тормозной диск
R BRAKE 78RBD28901

Толщина тормозного диска (мм) : 17,7
Наружный диаметр [мм] : 244
Тип тормозного диска : вентилируемый
Высота [мм] : 31,6
Диаметр центрирования [мм] : 61
Ø фаски [мм] : 100
Исполнение оси : Front
Номер технической информации : 78BD8901-2
проверочное значение : E1 90R-02C0289/1455
Диаметр [мм] : 61
Толщина [мм] : 20,5
Минимальная толщина [мм] : 17,7
Расположение/число отверстий : 4
Вес [кг] : 9 210

Тормозной диск
RAICAM RD00674

Вес [кг] : 4,5
Диаметр центрирования [мм] : 61
Тип тормозного диска : вентилируемый
выполняет нормы ЕЭК : E1
Число отверстий в диске колеса : 4
Толщина тормозного диска (мм) : 20,5
Сторона установки : передний мост
Минимальная толщина [мм] : 17,7
Высота [мм] : 31,5
Наружный диаметр [мм] : 244

Тормозной диск
REMSA 6117.10

Сторона установки : передний мост
Диаметр [мм] : 244
Высота [мм] : 31,6
Тип тормозного диска : вентилируемый
Толщина тормозного диска (мм) : 20,5
Минимальная толщина [мм] : 17,7
Количество отверстий : 4
Диаметр центрирования [мм] : 61
Вес [кг] : 4,5
Наружный диаметр [мм] : 244

Тормозной диск
REMSA 6236.10

проверочное значение : K.B.A.: 61209
Сторона установки : передний мост
Диаметр [мм] : 265
Высота [мм] : 31,6
Тип тормозного диска : вентилируемый
Толщина тормозного диска (мм) : 20,5
Минимальная толщина [мм] : 17,7
Количество отверстий : 4
Диаметр центрирования [мм] : 61
Вес [кг] : 5,35
Наружный диаметр [мм] : 265

Тормозной диск
RIDEX 82B1191

Высота [мм] : 32
Тип тормозного диска : вентилируемый
Диаметр центрирования [мм] : 61
Толщина тормозного диска (мм) : 20,5
Момент затяжки [Нм] : 85
Минимальная толщина [мм] : 17,7
Наружный диаметр [мм] : 244
Расположение/число отверстий : 4/6
Сторона установки : передний мост

Тормозной диск
ROADHOUSE 6117.10

Сторона установки : передний мост
Диаметр [мм] : 244
Толщина тормозного диска (мм) : 20,5
Минимальная толщина [мм] : 17,7
Высота [мм] : 31,6
Диаметр центрирования [мм] : 61
Количество отверстий : 4
Тип тормозного диска : вентилируемый
Вес [кг] : 4,5
Наружный диаметр [мм] : 244

Тормозной диск
ROADHOUSE 6165.00

Сторона установки : Задний мост
Диаметр [мм] : 255
Толщина тормозного диска (мм) : 10,5
Минимальная толщина [мм] : 9,5
Высота [мм] : 30,6
Диаметр центрирования [мм] : 66
Количество отверстий : 4
Тип тормозного диска : цельный
Наружный диаметр [мм] : 255

Тормозной диск
ROADHOUSE 6236.10

проверочное значение : K.B.A.: 61209
Вес [кг] : 5,35
Сторона установки : передний мост
Диаметр [мм] : 265
Толщина тормозного диска (мм) : 20,5
Минимальная толщина [мм] : 17,7
Высота [мм] : 31,6
Диаметр центрирования [мм] : 61
Количество отверстий : 4
Тип тормозного диска : вентилируемый
Наружный диаметр [мм] : 265

Тормозной диск
ROTINGER RT 20016

Тип тормозного диска : вентилируемый
Сторона установки : передний мост
Наружный диаметр [мм] : 244
Толщина тормозного диска (мм) : 20,5
Минимальная толщина [мм] : 17,7
Вес [кг] : 4,6

Тормозной диск
ROTINGER RT 20016-GL

Тип тормозного диска : вентилируемый
Поверхность : с гальваническим покрытием
Сторона установки : передний мост
Наружный диаметр [мм] : 244
Толщина тормозного диска (мм) : 20,5
Минимальная толщина [мм] : 17,7
Вес [кг] : 4,6

Тормозной диск
ROTINGER RT 20016-GL T3

Тип тормозного диска : вентилируемый
Тип тормозного диска : перфорированный
Поверхность : с гальваническим покрытием
Сторона установки : передний мост
Наружный диаметр [мм] : 244
Толщина тормозного диска (мм) : 20,5
Минимальная толщина [мм] : 17,7
Вес [кг] : 4,6

Тормозной диск
ROTINGER RT 20016-GL T5

Тип тормозного диска : перфорированный
Тип тормозного диска : вентилируемый
Поверхность : с гальваническим покрытием
Сторона установки : передний мост
Наружный диаметр [мм] : 244
Толщина тормозного диска (мм) : 20,5
Минимальная толщина [мм] : 17,7
Вес [кг] : 4,6

Тормозной диск
ROTINGER RT 20016-GL T6

Тип тормозного диска : вентилируемый
Поверхность : с гальваническим покрытием
Сторона установки : передний мост
Наружный диаметр [мм] : 244
Толщина тормозного диска (мм) : 20,5
Минимальная толщина [мм] : 17,7
Вес [кг] : 4,6

Тормозной диск
ROTINGER RT 20016-GL T9

Тип тормозного диска : вентилируемый
Поверхность : с гальваническим покрытием
Сторона установки : передний мост
Наружный диаметр [мм] : 244
Толщина тормозного диска (мм) : 20,5
Минимальная толщина [мм] : 17,7
Вес [кг] : 4,6

Тормозной диск
SAMKO R1211V

Наружный диаметр [мм] : 244
Диаметр центрирования [мм] : 61
Количество отверстий : 4
Толщина тормозного диска (мм) : 20,5
Высота [мм] : 32
Тип тормозного диска : вентилируемый
Минимальная толщина [мм] : 17,7

Тормозной диск
SAMKO R1211VR

Толщина тормозного диска (мм) : 20,5
Количество отверстий : 4
Высота [мм] : 32
Тип тормозного диска : вентилируемый
Диаметр центрирования [мм] : 61
Поверхность : с покрытием
Минимальная толщина [мм] : 17,7
Наружный диаметр [мм] : 244

Тормозной диск
SASIC 4004263J

Сторона установки : передний мост
Тип тормозного диска : вентилируемый
Наружный диаметр [мм] : 244
Толщина тормозного диска (мм) : 20,7
Высота [мм] : 31,5
Ø фаски [мм] : 61
Количество отверстий : 4
для оригинального номера : 7701467954
Дополнительный артикул / дополнительная информация 2 : без колесного подшипника
заменяется только попарно :

Тормозной диск
Stark SKBD-0023333

Высота [мм] : 32
Тип тормозного диска : вентилируемый
Диаметр центрирования [мм] : 61
Толщина тормозного диска (мм) : 20,5
Момент затяжки [Нм] : 85
Минимальная толщина [мм] : 17,7
Наружный диаметр [мм] : 244
Расположение/число отверстий : 4/6
Сторона установки : передний мост

Тормозной диск
TEXTAR 92049400

Тип тормозного диска : с внешней вентиляцией
Наружный диаметр [мм] : 265
Толщина тормозного диска (мм) : 20,5
Высота [мм] : 31,5
Минимальная толщина [мм] : 17,7
Внутренний диаметр : 127,8
Ø фаски [мм] : 100
Диаметр центрирования [мм] : 61
Расположение/число отверстий : 04/06
Диаметр отверстия под шпильку колеса [мм] : 12,5
Дополнительный артикул / дополнительная информация 2 : без ступицы
Дополнительный артикул / дополнительная информация 2 : без колесного подшипника
Дополнительный артикул / дополнительная информация 2 : без колесной крепящей оси
Длина упаковки [см] : 27,8
Ширина упаковки [см] : 27,8
Высота упаковки [см] : 8,4
Вес [кг] : 5,2

Тормозной диск
TEXTAR 92049500

Тип тормозного диска : с внешней вентиляцией
Наружный диаметр [мм] : 244
Толщина тормозного диска (мм) : 20,7
Высота [мм] : 31,6
Минимальная толщина [мм] : 17,7
Внутренний диаметр : 127,2
Ø фаски [мм] : 100
Диаметр центрирования [мм] : 61
Расположение/число отверстий : 04/06
Диаметр отверстия под шпильку колеса [мм] : 12,7
Дополнительный артикул / дополнительная информация 2 : без ступицы
Дополнительный артикул / дополнительная информация 2 : без колесного подшипника
Дополнительный артикул / дополнительная информация 2 : без колесной крепящей оси
Длина упаковки [см] : 27,8
Ширина упаковки [см] : 27,8
Высота упаковки [см] : 8,4
Вес [кг] : 4,5

Тормозной диск
TEXTAR 92068700

Тип тормозного диска : цельный
Наружный диаметр [мм] : 255
Толщина тормозного диска (мм) : 10,5
Высота [мм] : 30,5
Минимальная толщина [мм] : 9,5
Внутренний диаметр : 134,1
Ø фаски [мм] : 100
Диаметр центрирования [мм] : 66
Расположение/число отверстий : 04/06
Диаметр отверстия под шпильку колеса [мм] : 13
Дополнительный артикул / дополнительная информация 2 : без ступицы
Дополнительный артикул / дополнительная информация 2 : без колесного подшипника
Дополнительный артикул / дополнительная информация 2 : без колесной крепящей оси
Длина упаковки [см] : 27,8
Ширина упаковки [см] : 27,8
Высота упаковки [см] : 8,4
Вес [кг] : 3,3

Тормозной диск
TRUSTING DF779

проверочное значение : ECE-R90
Высота [мм] : 31,5
Тип тормозного диска : вентилируемый
Толщина тормозного диска (мм) : 20,5
Наружный диаметр [мм] : 244
Количество отверстий : 4
Диаметр центрирования [мм] : 61

Тормозной диск
TRW DF1019

Тип тормозного диска : вентилируемый
Наружный диаметр [мм] : 244
Толщина тормозного диска (мм) : 20,5
Минимальная толщина [мм] : 17,7
Диаметр центрирования [мм] : 61
Высота [мм] : 32
Количество отверстий : 4
Размер резьбы : 13
Ø фаски [мм] : 100
Цвет : чёрный
Поверхность : лакированный
Дополнительный артикул / дополнительная информация 2 : с винтами
SVHC : Нет информации, обратитесь, пожалуйста, к производителю!

Тормозной диск
WOKING D6117.10

Сторона установки : передний мост
Диаметр [мм] : 244
Толщина тормозного диска (мм) : 20,5
Минимальная толщина [мм] : 17,7
Высота [мм] : 31,6
Диаметр центрирования [мм] : 61
Количество отверстий : 4
Тип тормозного диска : вентилируемый
Вес [кг] : 4,5
Наружный диаметр [мм] : 244

Тормозной диск
WOKING D6236.10

проверочное значение : K.B.A.: 61209
Сторона установки : передний мост
Диаметр [мм] : 265
Толщина тормозного диска (мм) : 20,5
Минимальная толщина [мм] : 17,7
Высота [мм] : 31,6
Диаметр центрирования [мм] : 61
Количество отверстий : 4
Тип тормозного диска : вентилируемый
Вес [кг] : 5,35
Наружный диаметр [мм] : 265