|
Изображение |
Описание |
|
Тормозной барабан
A.B.S. 5527-S
Внутренний диаметр тормозного барабана [мм] : 180
Внутренняя высота тормозного барабана [мм] : 54
Общая высота тормозного барабана [мм] : 80
Число отверстий в диске колеса : 4
Диаметр ступицы колеса [мм] : 52
Наружный диаметр тормозного барабана [мм] : 212
Ø фаски [мм] : 108
Диаметр ступицы 2 [мм] : 56
|
|
Тормозной барабан
A.B.S. 2400-S
Внутренний диаметр тормозного барабана [мм] : 180
Внутренняя высота тормозного барабана [мм] : 45
Общая высота тормозного барабана [мм] : 82
Число отверстий в диске колеса : 4
Диаметр ступицы колеса [мм] : 55
Наружный диаметр тормозного барабана [мм] : 212
Ø фаски [мм] : 108
Диаметр ступицы 2 [мм] : 49
|
|
Тормозной барабан
ABE C6P005ABE
Сторона установки : Задний мост
Толщина [мм] : 181
Диаметр [мм] : 180
Высота [мм] : 81
Диаметр барабана [мм] : 180
Минимальная толщина [мм] : 44,5
макс. размер расточки тормозного барабана [мм] : 181
Внутренняя высота тормозного барабана [мм] : 44,5
Количество отверстий : 4
Диаметр центрирования [мм] : 81
Ø фаски [мм] : 52
Дополнительный артикул / дополнительная информация 2 : без комплекта подшипника колеса
Ширина [мм] : 181
Общая высота тормозного барабана [мм] : 81
Внутренний диаметр тормозного барабана [мм] : 180
Наружный диаметр тормозного барабана [мм] : 180
|
|
Тормозной барабан
ASHIKA 56-00-0612C
Наружный диаметр тормозного барабана [мм] : 211,9
макс. размер расточки тормозного барабана [мм] : 181
Внутренняя высота тормозного барабана [мм] : 44,6
Общая высота тормозного барабана [мм] : 81,6
Количество отверстий : 4
Ø фаски [мм] : 108
Диаметр отверстия фланца [мм] : 52
Поверхность : лакированный
Сторона установки : Задний мост
Внутренний диаметр тормозного барабана [мм] : 180
Диаметр центрирования [мм] : 52
|
|
Тормозной барабан
ATE 24.0218-0016.1
Дополнительный артикул / дополнительная информация 2 : без колесного подшипника
Дополнительный артикул / дополнительная информация 2 : без кольца сенсора ABS
Внутренний диаметр тормозного барабана [мм] : 180
макс. размер расточки тормозного барабана [мм] : 181
Внутренняя высота тормозного барабана [мм] : 44,5
Количество отверстий : 4
Ø фаски [мм] : 108
Размер резьбы : M12x1,25
Общая высота тормозного барабана [мм] : 81
Наружный диаметр тормозного барабана [мм] : 212
Диаметр крепления [мм] : 52
Код MAPP в наличии :
|
|
Тормозной барабан
ATE 24.0218-0716.2
Дополнительный артикул / дополнительная информация 2 : с колесным подшипником
Дополнительный артикул / дополнительная информация 2 : без кольца сенсора ABS
Внутренний диаметр тормозного барабана [мм] : 180
макс. размер расточки тормозного барабана [мм] : 181
Внутренняя высота тормозного барабана [мм] : 44,5
Количество отверстий : 4
Ø фаски [мм] : 108
Размер резьбы : M12x1,25
Общая высота тормозного барабана [мм] : 81
Наружный диаметр тормозного барабана [мм] : 212
Диаметр крепления [мм] : 52
проверочное значение : E1 90R-02D0955/0093
Код MAPP в наличии :
|
|
Тормозной барабан
BORG & BECK BBR7024
Внутренняя высота тормозного барабана [мм] : 43
Внутренний диаметр тормозного барабана [мм] : 180
Наружный диаметр тормозного барабана [мм] : 212
Количество отверстий : 4
проверочное значение : ECE R90 Homologated
Общая высота [мм] : 73
|
|
Тормозной барабан
BORG & BECK BBR7065
Внутренний диаметр тормозного барабана [мм] : 180
Количество отверстий : 4
проверочное значение : ECE R90 Homologated
Ширина поверхности трения [мм] : 53,8
|
|
Тормозной барабан
BOSCH 0 986 477 070
Сторона установки : Задний мост
Внутренний диаметр тормозного барабана [мм] : 180
Наружный диаметр тормозного барабана [мм] : 212
Внутренняя высота тормозного барабана [мм] : 44
Общая высота тормозного барабана [мм] : 81
Ø фаски [мм] : 108
Количество отверстий : 4
Диаметр центрирования [мм] : 51,92
Дополнительный артикул / дополнительная информация 2 : без колесного подшипника
|
|
Тормозной барабан
BOSCH 0 986 477 113
Сторона установки : Задний мост
Внутренний диаметр тормозного барабана [мм] : 180
Наружный диаметр тормозного барабана [мм] : 212
Внутренняя высота тормозного барабана [мм] : 44
Общая высота тормозного барабана [мм] : 81
Ø фаски [мм] : 108
Количество отверстий : 4
Диаметр центрирования [мм] : 52
Дополнительный артикул / дополнительная информация 2 : с колесным подшипником
|
|
Тормозной барабан
BOSCH 0 986 477 153
Сторона установки : Задний мост
Внутренний диаметр тормозного барабана [мм] : 180
Наружный диаметр тормозного барабана [мм] : 212
Внутренняя высота тормозного барабана [мм] : 50
Общая высота тормозного барабана [мм] : 79,5
Ø фаски [мм] : 108
Количество отверстий : 4
Диаметр центрирования [мм] : 52
Дополнительный артикул / дополнительная информация 2 : с колесным подшипником
|
|
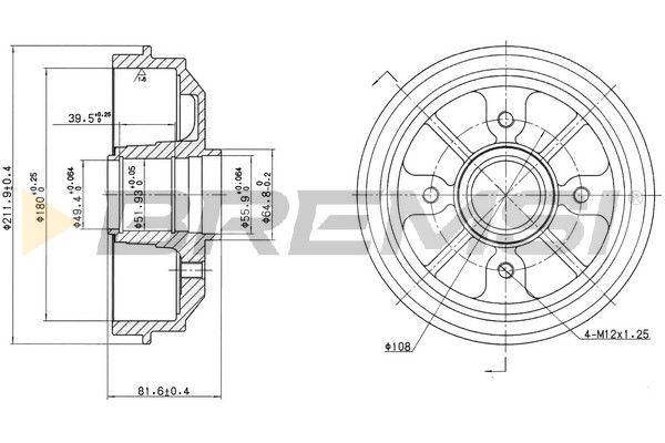
Тормозной барабан
BREMSI CR5467
Диаметр барабана [мм] : 180
макс. размер расточки тормозного барабана [мм] : 181
Внутренняя высота тормозного барабана [мм] : 44,5
Количество отверстий : 4
Ø фаски [мм] : 108
Сторона установки : Задний мост
Дополнительный артикул / дополнительная информация 2 : без встроенного колёсного подшипника
|
|
Тормозной барабан
DELPHI BF282
Внутренний диаметр тормозного барабана [мм] : 180
Внутренняя высота тормозного барабана [мм] : 45
Ø фаски [мм] : 108
Общая высота тормозного барабана [мм] : 81
Наружный диаметр тормозного барабана [мм] : 212
Количество отверстий : 4
Диаметр центрирования [мм] : 52
|
|
Тормозной барабан
DELPHI BFR282
Тип тормоза : Тормозной барабан с подшипником
Дополнительный артикул / дополнительная информация 2 : с колесным подшипником
Внутренний диаметр тормозного барабана [мм] : 180
Внутренняя высота тормозного барабана [мм] : 45
Ø фаски [мм] : 108
Общая высота тормозного барабана [мм] : 81
Наружный диаметр тормозного барабана [мм] : 212
Количество отверстий : 4
Диаметр центрирования [мм] : 25
|
|
Тормозной барабан
DENCKERMANN B140026
Сторона установки : Задний мост
Диаметр барабана [мм] : 180
Размер резьбы : M12x1,25
макс. размер расточки тормозного барабана [мм] : 181
Внутренняя высота тормозного барабана [мм] : 44
Диаметр крепления [мм] : 52
Количество отверстий : 4
Ø фаски [мм] : 108
Наружный диаметр тормозного барабана [мм] : 212
Общая высота тормозного барабана [мм] : 81
|
|
Тормозной барабан
DYNAMATRIX DDR329155
Диаметр [мм] : 180
Сторона установки : Задний мост
Внутренняя высота тормозного барабана [мм] : 44,5
Количество отверстий 1 : 4
Ø фаски 2 [мм] : 52
Общая высота тормозного барабана [мм] : 81
|
|
Тормозной барабан
EUROBRAKE 5825253705
Внутренний диаметр тормозного барабана [мм] : 180
Внутренняя высота тормозного барабана [мм] : 44,5
Общая высота тормозного барабана [мм] : 81
Количество отверстий : 4
макс. размер расточки тормозного барабана [мм] : 181
Наружный диаметр тормозного барабана [мм] : 212
Дополнительный артикул / дополнительная информация 2 : без колесного подшипника
|
|
Тормозной барабан
EUROBRAKE 5825253711
Внутренний диаметр тормозного барабана [мм] : 180
Внутренняя высота тормозного барабана [мм] : 44,5
Общая высота тормозного барабана [мм] : 81
Количество отверстий : 4
макс. размер расточки тормозного барабана [мм] : 181
Наружный диаметр тормозного барабана [мм] : 212
Дополнительный артикул / дополнительная информация 2 : с колесным подшипником
|
|
Тормозной барабан
FEBI BILSTEIN 10534
Число отверстий в диске колеса : 4
Ширина [мм] : 44,4
Толщина [мм] : 80,7
Внутренний диаметр : 180
Наружный диаметр [мм] : 211,8
Ø фаски [мм] : 108
макс. размер расточки тормозного барабана [мм] : 181,25
Сторона установки : Задний мост
Диаметр центрирования [мм] : 51,9
Дополнительный артикул / дополнительная информация 2 : без колесного подшипника
|
|
Тормозной барабан
FENOX TO216023
Сторона установки : Задний мост
Внутренняя высота тормозного барабана [мм] : 44,5
Количество отверстий : 4
Ø фаски [мм] : 52
Внутренний диаметр тормозного барабана [мм] : 180
|
|
Тормозной барабан
FERODO FDR329151
Дополнительный артикул / дополнительная информация 2 : без кольца сенсора ABS
Дополнительный артикул / дополнительная информация 2 : без колесного подшипника
Общая высота тормозного барабана [мм] : 71
Внутренняя высота тормозного барабана [мм] : 44
Наружный диаметр тормозного барабана [мм] : 212
Количество отверстий : 4
Вес [кг] : 4,86
Диаметр отверстия [мм] : 51,884
Диаметр барабана [мм] : 180
макс. размер расточки тормозного барабана [мм] : 181
Диаметр отверстия фланца [мм] : 52
Длина упаковки [см] : 22
Ширина упаковки [см] : 22
Высота упаковки [см] : 8
|
|
Тормозной барабан
FERODO FDR329122
Дополнительный артикул / дополнительная информация 2 : без кольца сенсора ABS
Дополнительный артикул / дополнительная информация 2 : без колесного подшипника
Ø фаски [мм] : 108
Общая высота тормозного барабана [мм] : 82
Внутренняя высота тормозного барабана [мм] : 45
Наружный диаметр тормозного барабана [мм] : 212
Количество отверстий : 4
Вес [кг] : 5,42
Диаметр отверстия [мм] : 51,93
Диаметр барабана [мм] : 180
макс. размер расточки тормозного барабана [мм] : 181
Диаметр отверстия фланца [мм] : 52
Длина упаковки [см] : 22
Ширина упаковки [см] : 22
Высота упаковки [см] : 9
|
|
Тормозной барабан
JAPANPARTS TA-0612C
Наружный диаметр тормозного барабана [мм] : 211,9
макс. размер расточки тормозного барабана [мм] : 181
Внутренняя высота тормозного барабана [мм] : 44,6
Общая высота тормозного барабана [мм] : 81,6
Количество отверстий : 4
Ø фаски [мм] : 108
Диаметр отверстия фланца [мм] : 52
Поверхность : лакированный
Сторона установки : Задний мост
Внутренний диаметр тормозного барабана [мм] : 180
Диаметр центрирования [мм] : 52
|
|
Тормозной барабан
JAPKO 560612C
Наружный диаметр тормозного барабана [мм] : 211,9
макс. размер расточки тормозного барабана [мм] : 181
Внутренняя высота тормозного барабана [мм] : 44,6
Общая высота тормозного барабана [мм] : 81,6
Количество отверстий : 4
Ø фаски [мм] : 108
Диаметр отверстия фланца [мм] : 52
Поверхность : лакированный
Сторона установки : Задний мост
Внутренний диаметр тормозного барабана [мм] : 180
Диаметр центрирования [мм] : 52
|
|
Тормозной барабан
KAMOKA 104044
Сторона установки : Задний мост
Внутренняя высота тормозного барабана [мм] : 44
Количество отверстий : 4
Ø фаски [мм] : 108
Дополнительный артикул / дополнительная информация 2 : без колесного подшипника
Дополнительный артикул / дополнительная информация 2 : без кольца сенсора ABS
Наружный диаметр тормозного барабана [мм] : 212
Общая высота тормозного барабана [мм] : 81
|
|
Тормозной барабан
KAWE 7D0467
макс. размер расточки тормозного барабана [мм] : 181,25
Диаметр [мм] : 180
Количество отверстий 1 : 4
Внутренняя высота тормозного барабана [мм] : 44,5
Ø фаски [мм] : 52
Общая высота тормозного барабана [мм] : 81
|
|
Тормозной барабан
KAWE 7D0467C
макс. размер расточки тормозного барабана [мм] : 181,25
Диаметр [мм] : 180
Количество отверстий 1 : 4
Внутренняя высота тормозного барабана [мм] : 44,5
Ø фаски [мм] : 52
Тип тормоза : Тормозной барабан с подшипником
Общая высота тормозного барабана [мм] : 81
|
|
Тормозной барабан
KRAFT AUTOMOTIVE 6065560
Количество отверстий : 4
Диаметр барабана [мм] : 180
Высота [мм] : 81
Номер продукции : 6065560
|
|
Тормозной барабан
LPR 7D0467
Внутренний диаметр тормозного барабана [мм] : 180
Внутренняя высота тормозного барабана [мм] : 44,5
Число отверстий в диске колеса : 4
Общая высота тормозного барабана [мм] : 81
Диаметр центрирования [мм] : 52
макс. размер расточки тормозного барабана [мм] : 181,25
|
|
Тормозной барабан
LPR 7D0467C
Диаметр центрирования [мм] : 52
Число отверстий в диске колеса : 4
Внутренний диаметр тормозного барабана [мм] : 180
Общая высота тормозного барабана [мм] : 81
Внутренняя высота тормозного барабана [мм] : 44,5
макс. размер расточки тормозного барабана [мм] : 181,25
Тип тормоза : Тормозной барабан с подшипником
|
|
Тормозной барабан
MAXGEAR 19-0829
Сторона установки : Задний мост
Дополнительный артикул / дополнительная информация 2 : без кольца сенсора ABS
Дополнительный артикул / дополнительная информация 2 : без колесного подшипника
Ø фаски [мм] : 108
Диаметр центрирования [мм] : 52
Общая высота тормозного барабана [мм] : 81
Внутренняя высота тормозного барабана [мм] : 45
Внутренний диаметр тормозного барабана [мм] : 180
Наружный диаметр тормозного барабана [мм] : 212
Количество отверстий : 4
макс. размер расточки тормозного барабана [мм] : 181
|
|
Тормозной барабан
MAXTECH 876606
Сторона установки : Задний мост
Вес [кг] : 4,6
Внутренняя высота тормозного барабана [мм] : 43
Количество отверстий : 4
Ø фаски [мм] : 108
Дополнительный артикул / дополнительная информация 2 : cо ступицей
макс. размер расточки тормозного барабана [мм] : 181
Размер резьбы : M12x1,25
Диаметр крепления [мм] : 52
Наружный диаметр тормозного барабана [мм] : 212
Общая высота тормозного барабана [мм] : 74
|
|
Тормозной барабан
MAXTECH 876607
Сторона установки : Задний мост
Вес [кг] : 5,1
Внутренняя высота тормозного барабана [мм] : 44,5
Количество отверстий : 4
Ø фаски [мм] : 108
Дополнительный артикул / дополнительная информация 2 : cо ступицей
макс. размер расточки тормозного барабана [мм] : 181
Размер резьбы : M12x1,25
Диаметр крепления [мм] : 52
Наружный диаметр тормозного барабана [мм] : 212
Общая высота тормозного барабана [мм] : 82
|
|
Тормозной барабан
MINTEX MBD032
Наружный диаметр тормозного барабана [мм] : 212
Общая высота тормозного барабана [мм] : 80
Внутренний диаметр тормозного барабана [мм] : 180
Внутренняя высота тормозного барабана [мм] : 54
макс. размер расточки тормозного барабана [мм] : 181
Расположение/число отверстий : 04/04
Ø фаски [мм] : 108
Дополнительный артикул / дополнительная информация 2 : cо ступицей
Дополнительный артикул / дополнительная информация 2 : без колесного подшипника
Дополнительный артикул / дополнительная информация 2 : без колесной крепящей оси
Вес [кг] : 4,2
|
|
Тормозной барабан
MINTEX MBD028
Наружный диаметр тормозного барабана [мм] : 212
Общая высота тормозного барабана [мм] : 73
Внутренний диаметр тормозного барабана [мм] : 180
Внутренняя высота тормозного барабана [мм] : 43
макс. размер расточки тормозного барабана [мм] : 181
Расположение/число отверстий : 04/04
Ø фаски [мм] : 108
Диаметр центрирования [мм] : 52
Диаметр осевой цапфы [мм] : 25
Диаметр отверстия под шпильку колеса [мм] : 12
Дополнительный артикул / дополнительная информация 2 : cо ступицей
Дополнительный артикул / дополнительная информация 2 : с колесным подшипником
Дополнительный артикул / дополнительная информация 2 : без колесной крепящей оси
Длина упаковки [см] : 23,3
Ширина упаковки [см] : 22,9
Высота упаковки [см] : 8,6
Вес [кг] : 5,2
|
|
Тормозной барабан
National NDR035
Дополнительный артикул / дополнительная информация 2 : без кольца сенсора ABS
Дополнительный артикул / дополнительная информация 2 : без колесного подшипника
Ø фаски [мм] : 108
Диаметр центрирования [мм] : 52
Внутренняя высота тормозного барабана [мм] : 44
Внутренний диаметр тормозного барабана [мм] : 180
Количество отверстий : 4
|
|
Тормозной барабан
NK 253705
Внутренний диаметр тормозного барабана [мм] : 180
Внутренняя высота тормозного барабана [мм] : 44,5
Общая высота тормозного барабана [мм] : 81
Количество отверстий : 4
макс. размер расточки тормозного барабана [мм] : 181
Наружный диаметр тормозного барабана [мм] : 212
Дополнительный артикул / дополнительная информация 2 : без колесного подшипника
Вес нетто [кг] : 5,27
|
|
Тормозной барабан
NK 253711
Внутренний диаметр тормозного барабана [мм] : 180
Внутренняя высота тормозного барабана [мм] : 44,5
Общая высота тормозного барабана [мм] : 81
Количество отверстий : 4
макс. размер расточки тормозного барабана [мм] : 181
Наружный диаметр тормозного барабана [мм] : 212
Дополнительный артикул / дополнительная информация 2 : с колесным подшипником
|
|
Тормозной барабан
OPEN PARTS BAD9009.30
Внутренний диаметр тормозного барабана [мм] : 180
Общая высота тормозного барабана [мм] : 81
Внутренняя высота тормозного барабана [мм] : 44
Диаметр ступицы колеса [мм] : 52
Количество отверстий : 4
|
|
Тормозной барабан
OPTIMAL BT-0670
Сторона установки : Задний мост
Наружный диаметр тормозного барабана [мм] : 212
Внутренняя высота тормозного барабана [мм] : 45
Ø фаски [мм] : 108
Высота [мм] : 81,6
Диаметр барабана [мм] : 180
Размер резьбы : M12x1,25
макс. размер расточки тормозного барабана [мм] : 181
Расположение/число отверстий : 4/4
|
|
Тормозной барабан
QUINTON HAZELL BDR209
Наружный диаметр тормозного барабана [мм] : 180
Внутренний диаметр тормозного барабана [мм] : 45
Общая высота тормозного барабана [мм] : 81
Ø фаски [мм] : 108
Количество отверстий : 4
|
|
Тормозной барабан
REMSA 7067.00
Сторона установки : Задний мост
Диаметр барабана [мм] : 180
Внутренняя высота тормозного барабана [мм] : 44
Количество отверстий : 4
Ø фаски [мм] : 108
макс. размер расточки тормозного барабана [мм] : 181
|
|
Тормозной барабан
RIDEX 123B0013
Диаметр барабана [мм] : 180
макс. размер расточки тормозного барабана [мм] : 181,25
Внутренняя высота тормозного барабана [мм] : 44,5
Общая высота тормозного барабана [мм] : 81
Количество отверстий : 4
Дополнительный артикул / дополнительная информация 2 : без комплекта подшипника колеса
Монтажный диаметр [мм] : 52
Наружный диаметр тормозного барабана [мм] : 211,9
Ø фаски [мм] : 108
Сторона установки : Задний мост
Размер резьбы : M12x1,25
|
|
Тормозной барабан
RIDEX 123B0070
Вес [кг] : 4,86
Диаметр отверстия [мм] : 51,884
Диаметр барабана [мм] : 180
Наружный диаметр тормозного барабана [мм] : 212
макс. размер расточки тормозного барабана [мм] : 181
Внутренняя высота тормозного барабана [мм] : 44,2
Общая высота тормозного барабана [мм] : 70,7
Количество отверстий : 4
Диаметр отверстия фланца [мм] : 52
Дополнительный артикул / дополнительная информация 2 : без кольца сенсора ABS
Дополнительный артикул / дополнительная информация 2 : без колесного подшипника
Ø фаски [мм] : 108
Сторона установки : Задний мост
|
|
Тормозной барабан
RIDEX 123B0276
Диаметр барабана [мм] : 180
макс. размер расточки тормозного барабана [мм] : 181
Внутренняя высота тормозного барабана [мм] : 44,5
Общая высота тормозного барабана [мм] : 81
Количество отверстий : 4
Дополнительный артикул / дополнительная информация 2 : с комплектом колесного подшипника
Монтажный диаметр [мм] : 52
Размер резьбы : M12x1,25
Ø фаски [мм] : 108
Диаметр крепления [мм] : 52
Наружный диаметр тормозного барабана [мм] : 212
Дополнительный артикул / дополнительная информация 2 : без кольца сенсора ABS
Сторона установки : Задний мост
|
|
Тормозной барабан
ROADHOUSE 7067.00
Сторона установки : Задний мост
Диаметр барабана [мм] : 180
Внутренняя высота тормозного барабана [мм] : 44
Количество отверстий : 4
Ø фаски [мм] : 108
макс. размер расточки тормозного барабана [мм] : 181
|
|
Тормозной барабан
ROTINGER RT 6140
Сторона установки : Задний мост
Внутренний диаметр : 179,8
Наружный диаметр тормозного барабана [мм] : 212
Наружный диаметр [мм] : 212
Диаметр центрирования [мм] : 55,9
Высота [мм] : 81,6
Вес [кг] : 5,2
|
|
Тормозной барабан
ROTINGER RT 6140-GL
Поверхность : с гальваническим покрытием
Сторона установки : Задний мост
Внутренний диаметр : 179,8
Наружный диаметр тормозного барабана [мм] : 212
Наружный диаметр [мм] : 212
Диаметр центрирования [мм] : 55,9
Высота [мм] : 81,6
Вес [кг] : 5,2
|
|
Тормозной барабан
SAMKO S70467
Общая высота тормозного барабана [мм] : 81
Внутренняя высота тормозного барабана [мм] : 44,5
Диаметр центрирования [мм] : 52
Внутренний диаметр тормозного барабана [мм] : 180
Число отверстий в диске колеса : 4
макс. размер расточки тормозного барабана [мм] : 181,25
|
|
Тормозной барабан
SAMKO S70467C
Тип тормоза : Тормозной барабан с подшипником
Диаметр центрирования [мм] : 52
Число отверстий в диске колеса : 4
Внутренний диаметр тормозного барабана [мм] : 180
Общая высота тормозного барабана [мм] : 81
Внутренняя высота тормозного барабана [мм] : 44,5
макс. размер расточки тормозного барабана [мм] : 181,25
|
|
Тормозной барабан
Stark SKBDM-0800012
Диаметр барабана [мм] : 180
макс. размер расточки тормозного барабана [мм] : 181,25
Внутренняя высота тормозного барабана [мм] : 44,5
Общая высота тормозного барабана [мм] : 81
Количество отверстий : 4
Дополнительный артикул / дополнительная информация 2 : без комплекта подшипника колеса
Монтажный диаметр [мм] : 52
Наружный диаметр тормозного барабана [мм] : 211,9
Ø фаски [мм] : 108
Сторона установки : Задний мост
Размер резьбы : M12x1,25
|
|
Тормозной барабан
Stark SKBDM-0800069
Вес [кг] : 4,86
Диаметр отверстия [мм] : 51,884
Диаметр барабана [мм] : 180
Наружный диаметр тормозного барабана [мм] : 212
макс. размер расточки тормозного барабана [мм] : 181
Внутренняя высота тормозного барабана [мм] : 44,2
Общая высота тормозного барабана [мм] : 70,7
Количество отверстий : 4
Диаметр отверстия фланца [мм] : 52
Дополнительный артикул / дополнительная информация 2 : без кольца сенсора ABS
Дополнительный артикул / дополнительная информация 2 : без колесного подшипника
Ø фаски [мм] : 108
Сторона установки : Задний мост
|
|
Тормозной барабан
Stark SKBDM-0800275
Диаметр барабана [мм] : 180
макс. размер расточки тормозного барабана [мм] : 181
Внутренняя высота тормозного барабана [мм] : 44,5
Общая высота тормозного барабана [мм] : 81
Количество отверстий : 4
Дополнительный артикул / дополнительная информация 2 : с комплектом колесного подшипника
Монтажный диаметр [мм] : 52
Размер резьбы : M12x1,25
Ø фаски [мм] : 108
Диаметр крепления [мм] : 52
Наружный диаметр тормозного барабана [мм] : 212
Дополнительный артикул / дополнительная информация 2 : без кольца сенсора ABS
Сторона установки : Задний мост
|
|
Тормозной барабан
STELLOX 6025-3705-SX
Количество отверстий : 4
Ø фаски [мм] : 108
Внутренняя высота тормозного барабана [мм] : 45
Диаметр барабана [мм] : 180
макс. размер расточки тормозного барабана [мм] : 181
Сторона установки : Задний мост
|
|
Тормозной барабан
SWAG 62 91 0534
Число отверстий в диске колеса : 4
Ширина [мм] : 44,4
Толщина [мм] : 80,7
Внутренний диаметр : 180
Наружный диаметр [мм] : 211,8
Ø фаски [мм] : 108
макс. размер расточки тормозного барабана [мм] : 181,25
Сторона установки : Задний мост
Диаметр центрирования [мм] : 51,9
Дополнительный артикул / дополнительная информация 2 : без колесного подшипника
|
|
Тормозной барабан
TEXTAR 94011800
Наружный диаметр тормозного барабана [мм] : 212
Общая высота тормозного барабана [мм] : 74
Внутренний диаметр тормозного барабана [мм] : 180
Внутренняя высота тормозного барабана [мм] : 44
макс. размер расточки тормозного барабана [мм] : 181
Расположение/число отверстий : 04/04
Ø фаски [мм] : 108
Диаметр центрирования [мм] : 51,9
Диаметр отверстия под шпильку колеса [мм] : 12
Дополнительный артикул / дополнительная информация 2 : cо ступицей
Дополнительный артикул / дополнительная информация 2 : без колесного подшипника
Дополнительный артикул / дополнительная информация 2 : без колесной крепящей оси
Длина упаковки [см] : 23,3
Ширина упаковки [см] : 22,9
Высота упаковки [см] : 8,6
Вес [кг] : 4,6
|
|
Тормозной барабан
TEXTAR 94011900
Наружный диаметр тормозного барабана [мм] : 212
Общая высота тормозного барабана [мм] : 80
Внутренний диаметр тормозного барабана [мм] : 180
Внутренняя высота тормозного барабана [мм] : 54
макс. размер расточки тормозного барабана [мм] : 181
Расположение/число отверстий : 04/04
Ø фаски [мм] : 108
Дополнительный артикул / дополнительная информация 2 : cо ступицей
Дополнительный артикул / дополнительная информация 2 : без колесного подшипника
Дополнительный артикул / дополнительная информация 2 : без колесной крепящей оси
Длина упаковки [см] : 29,1
Ширина упаковки [см] : 29,1
Высота упаковки [см] : 19
Вес [кг] : 4,2
|
|
Тормозной барабан
TRICLO 841071
Сторона установки : Задний мост
Дополнительный артикул / дополнительная информация 2 : без колесного подшипника
Внутренний диаметр тормозного барабана [мм] : 180
Количество отверстий : 4
Ширина [мм] : 30
необходимое количество : 2
|
|
Тормозной барабан
TRW DB4128
Внутренний диаметр тормозного барабана [мм] : 180
макс. размер расточки тормозного барабана [мм] : 181
Внутренняя высота тормозного барабана [мм] : 45
Количество отверстий : 4
Ø фаски [мм] : 108
SVHC : Нет информации, обратитесь, пожалуйста, к производителю!
|
|
Тормозной барабан
TRW DB4128B
Внутренний диаметр тормозного барабана [мм] : 180
макс. размер расточки тормозного барабана [мм] : 181
Внутренняя высота тормозного барабана [мм] : 45
Количество отверстий : 4
Ø фаски [мм] : 108
Дополнительный артикул / дополнительная информация 2 : с интегрированным колесным подшипником
Дополнительный артикул / дополнительная информация 2 : без кольца сенсора ABS
SVHC : Нет информации, обратитесь, пожалуйста, к производителю!
|
|
Тормозной барабан
VEMA 801125
Сторона установки : Задний мост
|
|
Тормозной барабан
WOKING B7067.00
Сторона установки : Задний мост
Диаметр барабана [мм] : 180
Внутренняя высота тормозного барабана [мм] : 44
Количество отверстий : 4
Ø фаски [мм] : 108
макс. размер расточки тормозного барабана [мм] : 181
|