|
Изображение |
Описание |
|
Тормозной диск
A.B.S. 17976
Наружный диаметр [мм] : 280
Толщина тормозного диска (мм) : 24
Минимальная толщина [мм] : 22
Высота [мм] : 44
Число отверстий в диске колеса : 5
Тип тормозного диска : вентилируемый
Диаметр центрирования [мм] : 68
Ø фаски [мм] : 114,3
Поверхность : с покрытием
Диаметр ступицы [мм] : 151
|
|
Тормозной диск
A.B.S. 18140
Наружный диаметр [мм] : 260
Толщина тормозного диска (мм) : 8
Минимальная толщина [мм] : 7
Высота [мм] : 86,3
Число отверстий в диске колеса : 5
Тип тормозного диска : цельный
Диаметр центрирования [мм] : 52
Ø фаски [мм] : 114,3
Дополнительный артикул / дополнительная информация 2 : без комплекта подшипника колеса
Поверхность : с покрытием
Диаметр ступицы [мм] : 147
|
|
Тормозной диск
A.B.S. 18140C
Наружный диаметр [мм] : 260
Толщина тормозного диска (мм) : 8
Минимальная толщина [мм] : 7
Высота [мм] : 86,3
Число отверстий в диске колеса : 5
Тип тормозного диска : цельный
Диаметр центрирования [мм] : 52,3
Ø фаски [мм] : 114,3
Дополнительный артикул / дополнительная информация 2 : с кольцом сенсора ABS
Диаметр осевой цапфы [мм] : 25
Поверхность : с покрытием
Диаметр ступицы [мм] : 147
|
|
Тормозной диск
ABAKUS 231-03-024
Тип тормозного диска : вентилируемый
Наружный диаметр [мм] : 280
Толщина тормозного диска (мм) : 24
необходимое количество : 2
заменяется только попарно :
Высота [мм] : 44
Ø фаски [мм] : 114,3
Диаметр центрирования [мм] : 68
Количество отверстий : 5
проверочное значение : ECE R90
Требуется монтаж / демонтаж специалистами! :
|
|
Тормозной диск
ABAKUS 231-03-024-2
Тип тормозного диска : вентилируемый
Наружный диаметр [мм] : 280
Толщина тормозного диска (мм) : 24
необходимое количество : 2
заменяется только попарно :
Высота [мм] : 44
Ø фаски [мм] : 114,3
Диаметр центрирования [мм] : 68
Количество отверстий : 5
проверочное значение : ECE R90
Требуется монтаж / демонтаж специалистами! :
|
|
Тормозной диск
ABAKUS 231-04-073
Тип тормозного диска : цельный
Наружный диаметр [мм] : 260
Толщина тормозного диска (мм) : 8
необходимое количество : 2
Дополнительный артикул / дополнительная информация 2 : с колесным подшипником
Дополнительный артикул / дополнительная информация 2 : с кольцом сенсора ABS
заменяется только попарно :
Высота [мм] : 86,2
Ø фаски [мм] : 114,3
Диаметр центрирования [мм] : 52,3
Количество отверстий : 5
проверочное значение : ECE R90
Требуется монтаж / демонтаж специалистами! :
|
|
Тормозной диск
ABAKUS 231-04-073-2
Тип тормозного диска : цельный
Наружный диаметр [мм] : 260
Толщина тормозного диска (мм) : 8
необходимое количество : 2
Дополнительный артикул / дополнительная информация 2 : с кольцом сенсора ABS
Дополнительный артикул / дополнительная информация 2 : с колесным подшипником
заменяется только попарно :
Высота [мм] : 86,2
Ø фаски [мм] : 114,3
Диаметр центрирования [мм] : 52,3
Количество отверстий : 5
проверочное значение : ECE R90
Требуется монтаж / демонтаж специалистами! :
|
|
Тормозной диск
ABE C3R040ABE
Глубина [мм] : 44
Толщина тормозного диска (мм) : 24
Количество отверстий : 5
Минимальная толщина [мм] : 21,8
Диаметр центрирования [мм] : 68
Тип тормозного диска : вентилируемый
Наружный диаметр [мм] : 280
Высота [мм] : 44
Сторона установки : передний мост
Цвет : чёрный
Обработка : Высокоуглеродистый
Поверхность : с покрытием
Дополнительный артикул / дополнительная информация 2 : с винтами
выполняет нормы ЕЭК : ECE-R90
Внутренний диаметр : 140
Момент затяжки [Нм] : 120
Ø фаски [мм] : 114,3
|
|
Тормозной диск
ABE C4R027ABE
Дополнительный артикул / дополнительная информация 2 : с интегрированным колесным подшипником
Дополнительный артикул / дополнительная информация 2 : с встроенным магнитным сенсорным кольцом
Число отверстий в диске колеса : 5
Толщина тормозного диска (мм) : 8
Минимальная толщина [мм] : 7
Диаметр ступицы 1 [мм] : 51,7
Высота [мм] : 86,2
Сторона установки : Задний мост
Тип тормозного диска : цельный
Наружный диаметр [мм] : 260
Количество отверстий : 5
Диаметр центрирования [мм] : 54,9
|
|
Тормозной диск
ABE C4R050ABE-P
Сторона установки : Задний мост
Сторона установки : передний мост
Сторона установки : передний мост слева
Сторона установки : передний мост справа
Тип тормозного диска : цельный
Цвет : чёрный
Поверхность : лакированный
Высота [мм] : 86,2
Толщина тормозного диска (мм) : 8
Минимальная толщина [мм] : 7
Наружный диаметр [мм] : 260
Количество отверстий : 5
Диаметр центрирования [мм] : 54,9
Ø фаски [мм] : 114,3
|
|
Тормозной диск
ADVICS B6F600B
Сторона установки : передний мост
Тип тормозного диска : вентилируемый
Толщина тормозного диска (мм) : 24
Минимальная толщина [мм] : 22
Количество отверстий : 5
Высота [мм] : 44
Диаметр центрирования [мм] : 68
Наружный диаметр [мм] : 280
|
|
Тормозной диск
AIC 59084
Сторона установки : передний мост
Толщина тормозного диска (мм) : 24
Тип тормозного диска : вентилируемый
Наружный диаметр [мм] : 280
Минимальная толщина [мм] : 21,8
Ø фаски [мм] : 114
Высота [мм] : 44
Диаметр центрирования [мм] : 68
Внутренний диаметр : 140
Диаметр отверстия [мм] : 16
Обработка : Высокоуглеродистый
Поверхность : с покрытием
Количество отверстий : 5
проверочное значение : E1 90R-02C0118/0324
заменяется только попарно :
Гарантия : 5 лет гарантии или до 75 тыс. км
|
|
Тормозной диск
AP 25182 E
Обработка : Высокоуглеродистый
Наружный диаметр [мм] : 280
Диаметр центрирования [мм] : 68
Толщина тормозного диска (мм) : 24
Количество отверстий : 5
Минимальная толщина [мм] : 21,8
Момент затяжки [Нм] : 120
Высота [мм] : 44
Дополнительный артикул / дополнительная информация 2 : с винтами
Тип тормозного диска : вентилируемый
|
|
Тормозной диск
AP 25182 V
Поверхность : с покрытием
Тип тормозного диска : вентилируемый
Обработка : Высокоуглеродистый
Дополнительный артикул / дополнительная информация 2 : с винтами
Наружный диаметр [мм] : 280
Диаметр центрирования [мм] : 68
Толщина тормозного диска (мм) : 24
Количество отверстий : 5
Минимальная толщина [мм] : 21,8
Момент затяжки [Нм] : 120
Высота [мм] : 44
|
|
Тормозной диск
AP 25182 X
Количество отверстий : 5
Минимальная толщина [мм] : 22,4
Момент затяжки [Нм] : 120
Высота [мм] : 44
Поверхность : с покрытием
Тип тормозного диска : перфорированный / вентилируемый
Обработка : Высокоуглеродистый
Дополнительный артикул / дополнительная информация 2 : с винтами
Наружный диаметр [мм] : 280
Диаметр центрирования [мм] : 68
Толщина тормозного диска (мм) : 24
|
|
Тормозной диск
AP 15079 Y
Минимальная толщина [мм] : 7
Дополнительный артикул / дополнительная информация 2 : с комплектом колесного подшипника
Высота [мм] : 86
Дополнительный артикул / дополнительная информация 2 : с кольцом сенсора ABS
Тип тормозного диска : цельный
Диаметр центрирования [мм] : 25
Наружный диаметр [мм] : 260
Количество отверстий : 5
Толщина тормозного диска (мм) : 8
Момент затяжки [Нм] : 120
|
|
Тормозной диск
ASHIKA 60-00-031C
Сторона установки : передний мост
Ø фаски [мм] : 68
Высота [мм] : 44
Наружный диаметр [мм] : 280
Толщина тормозного диска (мм) : 24
Минимальная толщина [мм] : 21,8
Число отверстий : 5
Тип тормозного диска : вентилируемый
Поверхность : лакированный
Момент затяжки [Нм] : 120
для оригинального номера : 402067902R
|
|
Тормозной диск
ASHIKA 61-00-0713C
Сторона установки : Задний мост
Поверхность : лакированный
Тип тормозного диска : цельный
Толщина тормозного диска (мм) : 8
Минимальная толщина [мм] : 7
Количество отверстий : 5
Наружный диаметр [мм] : 260
для оригинального номера : 432008191R
|
|
Тормозной диск
ATE 24.0108-0116.2
Наружный диаметр [мм] : 260
Толщина тормозного диска (мм) : 8
Минимальная толщина [мм] : 7
Тип тормозного диска : цельный
Поверхность : с покрытием
Количество отверстий : 5
Дополнительный артикул / дополнительная информация 2 : с колесным подшипником
Диаметр крепления [мм] : 25
Дополнительный артикул / дополнительная информация 2 : с кольцом сенсора ABS
Ø фаски [мм] : 114,3
Высота [мм] : 86,2
Диаметр центрирования [мм] : 52,3
Внутренний диаметр : 55
Размер резьбы : M12x1,5
проверочное значение : E1 90R-02C0444/2511
Код MAPP в наличии :
|
|
Тормозной диск
ATE 24.0124-0221.1
Наружный диаметр [мм] : 280
Толщина тормозного диска (мм) : 24
Минимальная толщина [мм] : 21,8
Тип тормозного диска : вентилируемый
Обработка : Высокоуглеродистый
Поверхность : с покрытием
Количество отверстий : 5
Дополнительный артикул / дополнительная информация 2 : с винтами
Код MAPP в наличии :
Ø фаски [мм] : 114,3
Высота [мм] : 44
Диаметр центрирования [мм] : 68
Внутренний диаметр : 140
Диаметр отверстия [мм] : 15,8
проверочное значение : E1 90R-02C0118/0324
|
|
Тормозной диск
AUTEX 843031
Момент затяжки [Нм] : 280
Внутренний диаметр 1(мм) : 25
Ширина 1 [мм] : 86
Количество отверстий : 5
Дополнительный артикул / дополнительная информация 2 : с интегрированным колесным подшипником
Минимальная толщина [мм] : 7
Диаметр точек крепления [мм] : 12
Наружный диаметр [мм] : 260
Дополнительный артикул / дополнительная информация 2 : с встроенным магнитным сенсорным кольцом
Тип тормозного диска : цельный
Толщина тормозного диска (мм) : 8
|
|
Тормозной диск
AUTEX 843024
Число отверстий в диске колеса : 5
Диаметр [мм] : 260
Ширина [мм] : 48
Высота [мм] : 86,2
Тип тормозного диска : цельный
Толщина тормозного диска (мм) : 8
Внутренний диаметр : 25
Наружный диаметр [мм] : 55
Дополнительный артикул / дополнительная информация 2 : с интегрированным колесным подшипником
Дополнительный артикул / дополнительная информация 2 : с встроенным магнитным сенсорным кольцом
|
|
Тормозной диск
AUTOKIT 01.97852
Наружный диаметр [мм] : 260
Ширина [мм] : 47
Тип тормозного диска : вентилируемый
Толщина тормозного диска (мм) : 8
Внутренний диаметр : 24
Количество отверстий : 5
Ø фаски [мм] : 24
Дополнительный артикул / дополнительная информация 2 : с встроенным магнитным сенсорным кольцом
Дополнительный артикул / дополнительная информация 2 : с интегрированным колесным подшипником
|
|
Тормозной диск
AUTOMEGA 120054010
Толщина тормозного диска (мм) : 24
Наружный диаметр [мм] : 280
Тип тормозного диска : вентилируемый
|
|
Тормозной диск
BIRTH 3494
Высота [мм] : 86
Толщина тормозного диска (мм) : 7
Вес [г] : 6 300
Внутренняя резьба 2(мм) : M 12X1,5
Сторона установки : Задний мост слева
Сторона установки : Задний мост справа
для подшипника ступицы колеса диаметром [мм] : 25
Наружный диаметр [мм] : 260
Диаметр барабана [мм] : 147,2
Диаметр ступицы колеса [мм] : 66
Число зубцов : 96
Количество отверстий : 5
Профиль ступицы : GHIERA MAGNETICA
Дополнительный артикул / дополнительная информация 2 : с винтом
Тип тормозного диска : цельный
|
|
Тормозной диск
BLUE PRINT ADR164302
Толщина тормозного диска (мм) : 24
Число отверстий в диске колеса : 5
Количество крепежных отверстий : 2
Толщина [мм] : 44
Наружный диаметр [мм] : 280
Ø фаски [мм] : 114
Поверхность : с покрытием
Тип тормозного диска : вентилируемый
Сторона установки : передний мост
Минимальная толщина [мм] : 22
Диаметр центрирования [мм] : 68
Соблюдать сервисную информацию :
|
|
Тормозной диск
BLUE PRINT ADR164304
Толщина тормозного диска (мм) : 8
Число отверстий в диске колеса : 5
Толщина [мм] : 86
Наружный диаметр [мм] : 260
Ø фаски [мм] : 114
Поверхность : промасленный
Тип тормозного диска : цельный
Сторона установки : Задний мост
Минимальная толщина [мм] : 7
Диаметр центрирования [мм] : 52,3
Дополнительный артикул / дополнительная информация 2 : с кольцом сенсора ABS
Дополнительный артикул / дополнительная информация 2 : с масляным колпаком
Соблюдать сервисную информацию :
|
|
Тормозной диск
BORG & BECK BBD4640
Тип тормозного диска : вентилируемый
Наружный диаметр [мм] : 280
Толщина тормозного диска (мм) : 24
Высота [мм] : 44
Диаметр центрирования [мм] : 68
Количество крепежных отверстий : 2
Количество отверстий : 5
Количественная единица : комплект
Поверхность : с покрытием
проверочное значение : ECE R90 Homologated
Минимальная толщина [мм] : 22
|
|
Тормозной диск
BORG & BECK BBD5838S
Тип тормозного диска : цельный
Наружный диаметр [мм] : 260
Толщина тормозного диска (мм) : 8
Дополнительный артикул / дополнительная информация 2 : с гайкой
Дополнительный артикул / дополнительная информация 2 : с кольцом сенсора ABS
Дополнительный артикул / дополнительная информация 2 : с колесным подшипником
Высота [мм] : 86,2
Диаметр центрирования [мм] : 54,9
Количество крепежных отверстий : 0
Количество отверстий : 5
Количество : 1
Поверхность : с покрытием
проверочное значение : ECE R90 Homologated
Минимальная толщина [мм] : 7
|
|
Тормозной диск
BOSCH 0 986 479 553
Наружный диаметр [мм] : 280
Толщина тормозного диска (мм) : 24
Минимальная толщина [мм] : 21,8
Высота [мм] : 43,9
Ø фаски [мм] : 114,3
Тип тормозного диска : вентилируемый
Диаметр центрирования [мм] : 68
Количество отверстий : 5
Поверхность : промасленный
Обработка : Высокоуглеродистый
Дополнительный артикул / дополнительная информация 2 : с винтами
выполняет нормы ЕЭК : ECE-R90
Диаметр отверстия до [мм] : 15,55
|
|
Тормозной диск
BOSCH 0 986 479 575
Наружный диаметр [мм] : 260
Толщина тормозного диска (мм) : 8
Минимальная толщина [мм] : 7
Высота [мм] : 88
Ø фаски [мм] : 114,3
Тип тормозного диска : цельный
Диаметр центрирования [мм] : 54,98
Количество отверстий : 5
Поверхность : промасленный
Дополнительный артикул / дополнительная информация 2 : с колесным подшипником
Дополнительный артикул / дополнительная информация 2 : с кольцом сенсора ABS
выполняет нормы ЕЭК : ECE-R90
Внутренний диаметр : 25
|
|
Тормозной диск
BOSCH 0 986 479 708
Наружный диаметр [мм] : 260
Толщина тормозного диска (мм) : 8
Минимальная толщина [мм] : 7
Высота [мм] : 86,2
Ø фаски [мм] : 114,3
Тип тормозного диска : цельный
Диаметр центрирования [мм] : 54,91
Количество отверстий : 5
Поверхность : промасленный
выполняет нормы ЕЭК : ECE-R90
Дополнительный артикул / дополнительная информация 2 : без колесного подшипника
Дополнительный артикул / дополнительная информация 2 : без встроенного магнитного сенсорного кольца
|
|
Тормозной диск
BRECK BR 453 VA100
Тип тормозного диска : вентилируемый
Материал : Серый чугун
Поверхность : с покрытием
Цвет : серый
Дополнительный артикул / дополнительная информация 2 : без колесного подшипника
Наружный диаметр [мм] : 280
Толщина тормозного диска (мм) : 24
Высота [мм] : 44
Диаметр центрирования [мм] : 68
Ø фаски [мм] : 114,3
Минимальная толщина [мм] : 21,8
Количество отверстий : 5
|
|
Тормозной диск
BRECO BS 8792
Момент затяжки [Нм] : 120
Высота [мм] : 44
Дополнительный артикул / дополнительная информация 2 : с винтами
Тип тормозного диска : вентилируемый
Обработка : Высокоуглеродистый
Наружный диаметр [мм] : 280
Диаметр центрирования [мм] : 68
Толщина тормозного диска (мм) : 24
Количество отверстий : 5
Минимальная толщина [мм] : 21,8
|
|
Тормозной диск
BRECO BV 8792
Обработка : Высокоуглеродистый
Дополнительный артикул / дополнительная информация 2 : с винтами
Наружный диаметр [мм] : 280
Диаметр центрирования [мм] : 68
Толщина тормозного диска (мм) : 24
Количество отверстий : 5
Минимальная толщина [мм] : 21,8
Момент затяжки [Нм] : 120
Высота [мм] : 44
Поверхность : с покрытием
Тип тормозного диска : вентилируемый
|
|
Тормозной диск
BRECO BY 6071
Дополнительный артикул / дополнительная информация 2 : с комплектом колесного подшипника
Высота [мм] : 86
Дополнительный артикул / дополнительная информация 2 : с кольцом сенсора ABS
Тип тормозного диска : цельный
Диаметр центрирования [мм] : 25
Наружный диаметр [мм] : 260
Количество отверстий : 5
Толщина тормозного диска (мм) : 8
Момент затяжки [Нм] : 120
Минимальная толщина [мм] : 7
|
|
Тормозной диск
BREMBO 09.A727.11
Тип тормозного диска : вентилируемый
Толщина тормозного диска (мм) : 24
Количество отверстий : 5
Дополнительный артикул / дополнительная информация 2 : с винтами
Высота [мм] : 44
Диаметр центрирования [мм] : 68
Наружный диаметр [мм] : 280
Обработка : Высокоуглеродистый
Поверхность : с покрытием
Минимальная толщина [мм] : 21,8
Момент затяжки [Нм] : 120
|
|
Тормозной диск
BREMBO 09.A727.14
Тип тормозного диска : вентилируемый
Толщина тормозного диска (мм) : 24
Количество отверстий : 5
Дополнительный артикул / дополнительная информация 2 : с винтами
Высота [мм] : 44
Диаметр центрирования [мм] : 68
Наружный диаметр [мм] : 280
Обработка : Высокоуглеродистый
Минимальная толщина [мм] : 21,8
Момент затяжки [Нм] : 120
|
|
Тормозной диск
BREMBO 09.A727.1X
Тип тормозного диска : перфорированный / вентилируемый
Толщина тормозного диска (мм) : 24
Количество отверстий : 5
Дополнительный артикул / дополнительная информация 2 : с винтами
Высота [мм] : 44
Диаметр центрирования [мм] : 68
Наружный диаметр [мм] : 280
Обработка : Высокоуглеродистый
Поверхность : с покрытием
Минимальная толщина [мм] : 22,4
Момент затяжки [Нм] : 120
|
|
Тормозной диск
BREMBO 08.B369.17
Тип тормозного диска : цельный
Толщина тормозного диска (мм) : 8
Количество отверстий : 5
Дополнительный артикул / дополнительная информация 2 : с комплектом колесного подшипника
Дополнительный артикул / дополнительная информация 2 : с кольцом сенсора ABS
Высота [мм] : 86
Диаметр центрирования [мм] : 25
Наружный диаметр [мм] : 260
Минимальная толщина [мм] : 7
Момент затяжки [Нм] : 120
|
|
Тормозной диск
BREMSI CD7728V
Сторона установки : передний мост
Наружный диаметр [мм] : 280
Высота [мм] : 44
Тип тормозного диска : вентилируемый
Толщина тормозного диска (мм) : 24
Минимальная толщина [мм] : 21,8
Количество отверстий : 5
Диаметр центрирования [мм] : 68
Момент затяжки [Нм] : 14
Цвет : чёрный
Поверхность : лакированный
|
|
Тормозной диск
BREMSI CD7730S
Сторона установки : Задний мост
Наружный диаметр [мм] : 260
Высота [мм] : 86,2
Тип тормозного диска : цельный
Толщина тормозного диска (мм) : 8
Минимальная толщина [мм] : 7
Количество отверстий : 5
Диаметр центрирования [мм] : 30
Поверхность : лакированный
Цвет : чёрный
Дополнительный артикул / дополнительная информация 2 : с колесным подшипником
Тип тормоза : Тормозной диск с подшипником
|
|
Тормозной диск
BSG BSG 75-210-002
номер компонента : BSG 75-210-002
Диаметр [мм] : 280
Высота [мм] : 44
Вес [кг] : 14
Тип тормозного диска : вентилируемый
Толщина тормозного диска (мм) : 24
Минимальная толщина [мм] : 22
Количество отверстий : 5
Диаметр центрирования [мм] : 68
Момент затяжки [Нм] : 120
Ø фаски [мм] : 0
Количественная единица : комплект
Дополнительный артикул / дополнительная информация 2 : без винтов
Сторона установки : передний мост
Наружный диаметр [мм] : 240
|
|
Тормозной диск
CAR 142.1492
Сторона установки : 1-й передний мост
Тип тормозного диска : цельный
Наружный диаметр [мм] : 280
Толщина тормозного диска (мм) : 24
Высота [мм] : 44
Диаметр центрирования [мм] : 68
Количество отверстий : 5
для артикула № : CAR: 142.1492
для артикула № : IB: RN 86 1V
для артикула № : RD: 3679
Минимальная толщина [мм] : 21,8
Вес [кг] : 6,52
|
|
Тормозной диск
CAR 142.1700
Сторона установки : 1-й задний мост
Тип тормозного диска : цельный
Наружный диаметр [мм] : 260
Толщина тормозного диска (мм) : 8
Высота [мм] : 86,2
Диаметр центрирования [мм] : 54,9
Количество отверстий : 5
для артикула № : CAR: 142.1700
для артикула № : IB: RT 02 3P
для артикула № : RD: 1367
Минимальная толщина [мм] : 7
Вес [кг] : 6,1
|
|
Тормозной диск
CAR 142.1701
Сторона установки : 1-й задний мост
Тип тормозного диска : цельный
Наружный диаметр [мм] : 260
Толщина тормозного диска (мм) : 8
Высота [мм] : 86,2
Диаметр центрирования [мм] : 54,9
Количество отверстий : 5
для артикула № : CAR: 142.1701
для артикула № : IB: RT 02 1P
для артикула № : RD: 1368
Минимальная толщина [мм] : 7
Вес [кг] : 6,1
|
|
Тормозной диск
CAR HPD 1492
Сторона установки : 1-й передний мост
Тип тормозного диска : цельный
Наружный диаметр [мм] : 280
Толщина тормозного диска (мм) : 24
Высота [мм] : 44
Диаметр центрирования [мм] : 68
Количество отверстий : 5
для артикула № : CAR: HPD 1492
для артикула № : IB: HRN 86 1V
для артикула № : RD: RR 3679
Минимальная толщина [мм] : 21,8
Вес [кг] : 6,32
|
|
Тормозной диск
CHAMPION 562529CH
Тип тормозного диска : вентилируемый
Наружный диаметр [мм] : 280
Толщина тормозного диска (мм) : 24
Дополнительный артикул / дополнительная информация 2 : без винтов
Высота [мм] : 44
Ø фаски [мм] : 0
Диаметр центрирования [мм] : 68
Количество отверстий : 5
Количественная единица : комплект
Вес [кг] : 14,15
Минимальная толщина [мм] : 21,8
Момент затяжки [Нм] : 120
Тип контейнера : Коробка
Длина упаковки [см] : 29,5
Ширина упаковки [см] : 29,5
Высота упаковки [см] : 10,5
|
|
Тормозной диск
CIFAM 800-1241
проверочное значение : ECE-R90
Высота [мм] : 86,2
Тип тормозного диска : цельный
Толщина тормозного диска (мм) : 8
Наружный диаметр [мм] : 260
Количество отверстий : 5
Диаметр центрирования [мм] : 66
Дополнительный артикул / дополнительная информация 2 : с кольцом сенсора ABS
Дополнительный артикул / дополнительная информация 2 : с колесным подшипником
|
|
Тормозной диск
CIFAM 800-981C
проверочное значение : ECE-R90
Высота [мм] : 44
Тип тормозного диска : вентилируемый
Толщина тормозного диска (мм) : 24
Наружный диаметр [мм] : 280
Количество отверстий : 5
Диаметр центрирования [мм] : 68
Поверхность : лакированный
|
|
Тормозной диск
COMLINE ADC1585V
Тип тормозного диска : вентилируемый
Наружный диаметр [мм] : 280
Толщина тормозного диска (мм) : 24
Высота [мм] : 44
Ø фаски [мм] : 114,3
Диаметр центрирования [мм] : 68,1
Количество отверстий : 5
Поверхность : с покрытием
Минимальная толщина [мм] : 22
Число отверстий : 2
|
|
Тормозной диск
COMLINE ADC3015
Тип тормозного диска : цельный
Наружный диаметр [мм] : 260
Толщина тормозного диска (мм) : 8
Дополнительный артикул / дополнительная информация 2 : с кольцом сенсора ABS
Дополнительный артикул / дополнительная информация 2 : с колесным подшипником
Высота [мм] : 86
Ø фаски [мм] : 114,3
Диаметр центрирования [мм] : 25
Количество отверстий : 5
Поверхность : с покрытием
Минимальная толщина [мм] : 7
|
|
Тормозной диск
DANAHER DR10600
Сторона установки : Задний мост
Тип тормозного диска : цельный
Толщина тормозного диска (мм) : 8
Наружный диаметр [мм] : 260
Высота [мм] : 86,3
Количество отверстий : 5
|
|
Тормозной диск
DANAHER DR12155
Сторона установки : передний мост
Тип тормозного диска : вентилируемый
Толщина тормозного диска (мм) : 24
Наружный диаметр [мм] : 280
Высота [мм] : 44
Количество отверстий : 5
Диаметр центрирования [мм] : 68,1
|
|
Тормозной диск
DELPHI BG4264
Тип тормозного диска : вентилируемый
Количество отверстий : 5
проверочное значение : E1 90R-02C0544/1768
Поверхность : промасленный
Наружный диаметр [мм] : 296
Толщина тормозного диска (мм) : 26
Минимальная толщина [мм] : 23,4
Диаметр центрирования [мм] : 68
Высота [мм] : 43,9
|
|
Тормозной диск
DELPHI BG4264C
Тип тормозного диска : вентилируемый
Количество отверстий : 5
проверочное значение : E1 90R-02C0544/1768
Наружный диаметр [мм] : 296
Толщина тормозного диска (мм) : 26
Минимальная толщина [мм] : 23,4
Диаметр центрирования [мм] : 68
Высота [мм] : 43,9
|
|
Тормозной диск
DELPHI BG4265C
Тип тормозного диска : вентилируемый
Количество отверстий : 5
проверочное значение : E1 90R-02C0544/1519
Поверхность : с покрытием
Обработка : Высокоуглеродистый
Наружный диаметр [мм] : 280
Толщина тормозного диска (мм) : 24
Минимальная толщина [мм] : 21,8
Диаметр центрирования [мм] : 68
Высота [мм] : 44
|
|
Тормозной диск
DELPHI BG9112RS
Тип тормозного диска : цельный
Количество отверстий : 5
проверочное значение : E1 90R-02C0543/2054
Дополнительный артикул / дополнительная информация 2 : с колесным подшипником
Дополнительный артикул / дополнительная информация 2 : с кольцом сенсора ABS
Поверхность : промасленный
Наружный диаметр [мм] : 260
Толщина тормозного диска (мм) : 8
Минимальная толщина [мм] : 7
Диаметр центрирования [мм] : 25
Высота [мм] : 86,2
|
|
Тормозной диск
DELPHI BG9137RS
Тип тормозного диска : цельный
Количество отверстий : 5
проверочное значение : E1 90R-02C0543/2054
Дополнительный артикул / дополнительная информация 2 : с колесным подшипником
Дополнительный артикул / дополнительная информация 2 : с кольцом сенсора ABS
Поверхность : промасленный
Наружный диаметр [мм] : 260
Толщина тормозного диска (мм) : 8
Минимальная толщина [мм] : 7
Диаметр центрирования [мм] : 30
Высота [мм] : 86,2
|
|
Тормозной диск
DELPHI BG9137RSC
Тип тормозного диска : цельный
Количество отверстий : 5
проверочное значение : E1 90R-02C0543/2054
Наружный диаметр [мм] : 260
Толщина тормозного диска (мм) : 8
Минимальная толщина [мм] : 7
Диаметр центрирования [мм] : 30
Высота [мм] : 88
|
|
Тормозной диск
DENCKERMANN B130332
Минимальная толщина [мм] : 21,8
Тип тормозного диска : вентилируемый
Диаметр отверстия [мм] : 15,8
Толщина тормозного диска (мм) : 24
Ø фаски [мм] : 114,3
Количество отверстий : 5
Внутренний диаметр : 140
Высота [мм] : 44
Диаметр центрирования [мм] : 68
Наружный диаметр [мм] : 280
|
|
Тормозной диск
DENCKERMANN B130743
Минимальная толщина [мм] : 7
Тип тормозного диска : цельный
Толщина тормозного диска (мм) : 8
Ø фаски [мм] : 114,3
Количество отверстий : 5
Диаметр крепления [мм] : 25
Размер резьбы : M12x1,5
Дополнительный артикул / дополнительная информация 2 : с колесным подшипником
Внутренний диаметр : 55
Высота [мм] : 86,2
Диаметр центрирования [мм] : 52,3
Наружный диаметр [мм] : 260
|
|
Тормозной диск
DON PCD11082
Тип тормозного диска : с внешней вентиляцией
Наружный диаметр [мм] : 280
Толщина тормозного диска (мм) : 24
Высота [мм] : 44
Минимальная толщина [мм] : 21,8
Поверхность : с частичным покрытием
Внутренний диаметр : 139,8
Ø фаски [мм] : 114,3
Диаметр центрирования [мм] : 68
Расположение/число отверстий : 05/07
Диаметр отверстия под шпильку колеса [мм] : 15,8
Дополнительный артикул / дополнительная информация 2 : без ступицы
Дополнительный артикул / дополнительная информация 2 : без колесного подшипника
Дополнительный артикул / дополнительная информация 2 : без колесной крепящей оси
Длина упаковки [см] : 29,9
Ширина упаковки [см] : 29,9
Высота упаковки [см] : 10,2
Вес [кг] : 6,7
|
|
Тормозной диск
Dr!ve+ DP1010.11.0462
Число отверстий в диске колеса : 5
Сторона установки : Задний мост
Высота [мм] : 86,2
Тип тормозного диска : цельный
Толщина тормозного диска (мм) : 8
Минимальная толщина [мм] : 7
Наружный диаметр [мм] : 260
Диаметр центрирования [мм] : 54,9
Дополнительный артикул / дополнительная информация 2 : с встроенным магнитным сенсорным кольцом
Дополнительный артикул / дополнительная информация 2 : с колесным подшипником
Дополнительный артикул / дополнительная информация 2 : с масляным колпаком
|
|
Тормозной диск
Dr!ve+ DP1010.11.0628
Число отверстий в диске колеса : 5
Сторона установки : передний мост
Высота [мм] : 44
Тип тормозного диска : вентилируемый
Толщина тормозного диска (мм) : 24
Минимальная толщина [мм] : 21,8
Наружный диаметр [мм] : 280
Количество отверстий : 2
Диаметр центрирования [мм] : 68
|
|
Тормозной диск
EBC Brakes D1635
Тип тормозного диска : вентилируемый
Толщина тормозного диска (мм) : 22
Толщина тормозного диска (мм) : 24
Количество отверстий : 5
Высота [мм] : 44
Наружный диаметр [мм] : 280
Материал : Серый чугун
|
|
Тормозной диск
EBC Brakes D1900B
Тип тормозного диска : цельный
Толщина тормозного диска (мм) : 7
Толщина тормозного диска (мм) : 8
Количество отверстий : 5
Высота [мм] : 86
Наружный диаметр [мм] : 260
Материал : Серый чугун
|
|
Тормозной диск
EBC Brakes D1911B
Тип тормозного диска : цельный
Толщина тормозного диска (мм) : 7
Толщина тормозного диска (мм) : 8
Количество отверстий : 5
Высота [мм] : 86
Наружный диаметр [мм] : 260
Материал : Серый чугун
|
|
Тормозной диск
EBC Brakes GD1635
Тип тормозного диска : вентилируемый
Толщина тормозного диска (мм) : 22
Толщина тормозного диска (мм) : 24
Количество отверстий : 5
Высота [мм] : 44
Наружный диаметр [мм] : 280
Материал : Серый чугун
|
|
Тормозной диск
EBC Brakes USR1635
Тип тормозного диска : вентилируемый
Толщина тормозного диска (мм) : 22
Толщина тормозного диска (мм) : 24
Количество отверстий : 5
Высота [мм] : 44
Наружный диаметр [мм] : 280
Материал : Серый чугун
|
|
Тормозной диск
EBI EBK2906
Сторона установки : Балка моста
Тип тормозного диска : цельный
Толщина тормозного диска (мм) : 0
Наружный диаметр [мм] : 0
|
|
Тормозной диск
EGT 410680EGT
Число отверстий в диске колеса : 5
Высота [мм] : 44
Тип тормозного диска : вентилируемый
Толщина тормозного диска (мм) : 24
Минимальная толщина [мм] : 22
Наружный диаметр [мм] : 280
Поверхность : с покрытием
Диаметр ступицы [мм] : 68
Диаметр отверстия под шпильку колеса [мм] : 114,3
|
|
Тормозной диск
EGT 410680cEGT
Число отверстий в диске колеса : 5
Высота [мм] : 44
Тип тормозного диска : вентилируемый
Толщина тормозного диска (мм) : 24
Минимальная толщина [мм] : 22
Наружный диаметр [мм] : 280
Поверхность : с покрытием
Диаметр ступицы [мм] : 68
Диаметр отверстия под шпильку колеса [мм] : 114,3
|
|
Тормозной диск
EGT 410697EGT
Число отверстий в диске колеса : 5
Высота [мм] : 86,2
Тип тормозного диска : цельный
Толщина тормозного диска (мм) : 8
Минимальная толщина [мм] : 7
Наружный диаметр [мм] : 260
Поверхность : с покрытием
Дополнительный артикул / дополнительная информация 2 : с встроенным магнитным сенсорным кольцом
Диаметр ступицы [мм] : 52,3
Диаметр осевой цапфы [мм] : 25
Диаметр отверстия под шпильку колеса [мм] : 114,3
|
|
Тормозной диск
EGT 410697cEGT
Число отверстий в диске колеса : 5
Высота [мм] : 86,2
Тип тормозного диска : цельный
Толщина тормозного диска (мм) : 8
Минимальная толщина [мм] : 7
Наружный диаметр [мм] : 260
Поверхность : с покрытием
Дополнительный артикул / дополнительная информация 2 : с встроенным магнитным сенсорным кольцом
Диаметр ступицы [мм] : 52,3
Диаметр осевой цапфы [мм] : 25
Диаметр отверстия под шпильку колеса [мм] : 114,3
|
|
Тормозной диск
EUROBRAKE 5815203970
Наружный диаметр [мм] : 280
Толщина тормозного диска (мм) : 24
Минимальная толщина [мм] : 21,8
Высота [мм] : 44
Число отверстий в диске колеса : 5
Тип тормозного диска : вентилируемый
Диаметр центрирования [мм] : 68
Поверхность : промасленный
Вес нетто [кг] : 6,68
|
|
Тормозной диск
EUROBRAKE 5815313970
Наружный диаметр [мм] : 280
Толщина тормозного диска (мм) : 24
Минимальная толщина [мм] : 21,8
Высота [мм] : 44
Число отверстий в диске колеса : 5
Тип тормозного диска : вентилируемый
Диаметр центрирования [мм] : 68
Поверхность : с покрытием
Вес нетто [кг] : 6,68
|
|
Тормозной диск
EUROBRAKE 5815203973
Наружный диаметр [мм] : 260
Толщина тормозного диска (мм) : 8
Минимальная толщина [мм] : 7
Высота [мм] : 88,1
Число отверстий в диске колеса : 5
Тип тормозного диска : цельный
Диаметр центрирования [мм] : 66
Поверхность : промасленный
Дополнительный артикул / дополнительная информация 2 : с колесным подшипником
Дополнительный артикул / дополнительная информация 2 : с встроенным магнитным сенсорным кольцом
Диаметр осевой цапфы [мм] : 25
Вес нетто [кг] : 6,07
|
|
Тормозной диск
EUROBRAKE 5815313973
Наружный диаметр [мм] : 260
Толщина тормозного диска (мм) : 8
Минимальная толщина [мм] : 7
Высота [мм] : 88,1
Число отверстий в диске колеса : 5
Тип тормозного диска : цельный
Диаметр центрирования [мм] : 66
Поверхность : с покрытием
Дополнительный артикул / дополнительная информация 2 : с колесным подшипником
Дополнительный артикул / дополнительная информация 2 : с встроенным магнитным сенсорным кольцом
Диаметр осевой цапфы [мм] : 25
Вес нетто [кг] : 5,48
|
|
Тормозной диск
EUROREPAR 1618889780
Тип тормозного диска : вентилируемый
Дополнительный артикул / дополнительная информация 2 : без кольца сенсора ABS
Наружный диаметр [мм] : 280
Толщина тормозного диска (мм) : 24
Высота [мм] : 44
Диаметр центрирования [мм] : 68
Ø фаски [мм] : 114,3
Количество отверстий : 5
Минимальная толщина [мм] : 21,8
|
|
Тормозной диск
EUROREPAR 1667860480
Тип тормозного диска : вентилируемый
Дополнительный артикул / дополнительная информация 2 : без кольца сенсора ABS
Наружный диаметр [мм] : 280
Толщина тормозного диска (мм) : 24
Высота [мм] : 44
Диаметр центрирования [мм] : 68
Ø фаски [мм] : 114,3
Количество отверстий : 5
Минимальная толщина [мм] : 21,8
|
|
Тормозной диск
EUROREPAR 1686717580
Тип тормозного диска : вентилируемый
Дополнительный артикул / дополнительная информация 2 : без кольца сенсора ABS
Наружный диаметр [мм] : 280
Толщина тормозного диска (мм) : 24
Высота [мм] : 44
Диаметр центрирования [мм] : 68
Количество отверстий : 5
Минимальная толщина [мм] : 21,8
|
|
Тормозной диск
EUROREPAR 1690945480
Тип тормозного диска : вентилируемый
Дополнительный артикул / дополнительная информация 2 : без кольца сенсора ABS
Наружный диаметр [мм] : 280
Толщина тормозного диска (мм) : 24
Высота [мм] : 44
Диаметр центрирования [мм] : 68
Ø фаски [мм] : 114,3
Количество отверстий : 5
Минимальная толщина [мм] : 21,8
|
|
Тормозной диск
EUROREPAR 1609248680
Тип тормозного диска : цельный
Дополнительный артикул / дополнительная информация 2 : с кольцом сенсора ABS
Дополнительный артикул / дополнительная информация 2 : с комплектом колесного подшипника
Дополнительный артикул / дополнительная информация 2 : с колпаком
Дополнительный артикул / дополнительная информация 2 : с гайкой
Наружный диаметр [мм] : 260
Толщина тормозного диска (мм) : 8
Высота [мм] : 86,2
Диаметр центрирования [мм] : 54,9
Ø фаски [мм] : 114,3
Количество отверстий : 5
Минимальная толщина [мм] : 7
Момент затяжки [Нм] : 220
|
|
Тормозной диск
FAI AutoParts BD145
Тип тормозного диска : вентилируемый
Наружный диаметр [мм] : 280
Толщина тормозного диска (мм) : 24
необходимое количество : 2
Высота [мм] : 44
Диаметр центрирования [мм] : 68
Количество отверстий : 5
Поверхность : с покрытием
Минимальная толщина [мм] : 22
|
|
Тормозной диск
FAI AutoParts BD635
Тип тормозного диска : цельный
Наружный диаметр [мм] : 260
Толщина тормозного диска (мм) : 8
необходимое количество : 2
Высота [мм] : 86,2
Диаметр центрирования [мм] : 54,9
Количество отверстий : 5
Поверхность : с покрытием
Минимальная толщина [мм] : 7
|
|
Тормозной диск
FAI AutoParts FPBD1329
Тип тормозного диска : вентилируемый
Наружный диаметр [мм] : 280
Толщина тормозного диска (мм) : 24
Высота [мм] : 44
Диаметр центрирования [мм] : 68
Количество отверстий : 5
Поверхность : с покрытием
Минимальная толщина [мм] : 22
|
|
Тормозной диск
FAI AutoParts FPBD6026S
Тип тормозного диска : цельный
Наружный диаметр [мм] : 260
Толщина тормозного диска (мм) : 8
Высота [мм] : 86,2
Диаметр центрирования [мм] : 54,9
Количество отверстий : 5
Поверхность : с покрытием
Минимальная толщина [мм] : 7
|
|
Тормозной диск
FEBI BILSTEIN 108405
Толщина тормозного диска (мм) : 24
Число отверстий в диске колеса : 5
Количество крепежных отверстий : 2
Толщина [мм] : 44
Наружный диаметр [мм] : 280
Ø фаски [мм] : 114
Поверхность : с покрытием
Тип тормозного диска : вентилируемый
Сторона установки : передний мост
Минимальная толщина [мм] : 22
Диаметр центрирования [мм] : 68
Соблюдать сервисную информацию :
|
|
Тормозной диск
FEBI BILSTEIN 38306
Толщина тормозного диска (мм) : 8
Число отверстий в диске колеса : 5
Толщина [мм] : 86
Наружный диаметр [мм] : 260
Ø фаски [мм] : 114
Поверхность : промасленный
Тип тормозного диска : цельный
Сторона установки : Задний мост
Минимальная толщина [мм] : 7
Диаметр центрирования [мм] : 52,3
Дополнительный артикул / дополнительная информация 2 : с масляным колпаком
Дополнительный артикул / дополнительная информация 2 : с кольцом сенсора ABS
Соблюдать сервисную информацию :
|
|
Тормозной диск
FENOX TB219326
Сторона установки : передний мост
Тип тормозного диска : вентилируемый
Толщина тормозного диска (мм) : 5
Ø фаски [мм] : 114,3
Количество отверстий : 5
Высота [мм] : 44
Диаметр центрирования [мм] : 68
Наружный диаметр [мм] : 280
|
|
Тормозной диск
FERODO DDF1730-1
Тип тормозного диска : цельный
Наружный диаметр [мм] : 260
Толщина тормозного диска (мм) : 8
Дополнительный артикул / дополнительная информация 2 : без винтов
Высота [мм] : 88,9
Ø фаски [мм] : 114,3
Диаметр центрирования [мм] : 25
Количество отверстий : 5
Количественная единица : Штука
Поверхность : промасленный
проверочное значение : R90 homologated
Вес [кг] : 5,83
Минимальная толщина [мм] : 7
Тип контейнера : Коробка
Длина упаковки [см] : 27,5
Ширина упаковки [см] : 27,5
Высота упаковки [см] : 10,5
|
|
Тормозной диск
FERODO DDF1730C-1
Тип тормозного диска : цельный
Наружный диаметр [мм] : 260
Толщина тормозного диска (мм) : 8
Дополнительный артикул / дополнительная информация 2 : без винтов
Высота [мм] : 88,9
Ø фаски [мм] : 114,3
Диаметр центрирования [мм] : 25
Количество отверстий : 5
Количественная единица : Штука
Поверхность : с покрытием
проверочное значение : R90 homologated
Вес [кг] : 5,83
Минимальная толщина [мм] : 7
Тип контейнера : Коробка
Длина упаковки [см] : 27,5
Ширина упаковки [см] : 27,5
Высота упаковки [см] : 10,5
|
|
Тормозной диск
FERODO DDF1728
Тип тормозного диска : вентилируемый
Наружный диаметр [мм] : 280
Толщина тормозного диска (мм) : 24
Дополнительный артикул / дополнительная информация 2 : с винтами
Высота [мм] : 44
Ø фаски [мм] : 114
Диаметр центрирования [мм] : 68
Количество отверстий : 5
Количественная единица : комплект
Поверхность : промасленный
проверочное значение : R90 homologated
Вес [кг] : 14,15
Минимальная толщина [мм] : 21,8
Момент затяжки [Нм] : 120
Тип контейнера : Коробка
Длина упаковки [см] : 28,5
Ширина упаковки [см] : 28,5
Высота упаковки [см] : 9,3
|
|
Тормозной диск
FERODO DDF1728C
Тип тормозного диска : вентилируемый
Наружный диаметр [мм] : 280
Толщина тормозного диска (мм) : 24
Дополнительный артикул / дополнительная информация 2 : с винтами
Высота [мм] : 44
Диаметр центрирования [мм] : 68
Количество отверстий : 5
Количественная единица : комплект
Поверхность : с покрытием
проверочное значение : R90 Homologated
Вес [кг] : 7,08
Минимальная толщина [мм] : 21,8
Момент затяжки [Нм] : 120
Длина упаковки [см] : 28,5
Ширина упаковки [см] : 28,5
Высота упаковки [см] : 9,3
|
|
Тормозной диск
FI.BA FBD264
Сторона установки : передний мост
Вес [кг] : 6,85
Толщина [мм] : 44
Тип тормозного диска : вентилируемый
Толщина тормозного диска (мм) : 24
Минимальная толщина [мм] : 22
Ø фаски [мм] : 114,3
Число отверстий в диске колеса : 5
Диаметр центрирования [мм] : 68
Поверхность : с покрытием
Наружный диаметр [мм] : 280
Количество крепежных отверстий : 2
|
|
Тормозной диск
FREMAX BD-4022
Тип тормозного диска : вентилируемый
Наружный диаметр [мм] : 280
Толщина тормозного диска (мм) : 24
Высота [мм] : 44
Диаметр центрирования [мм] : 68
Количество крепежных отверстий : 5
Поверхность : с покрытием
Вес [кг] : 6,8
Минимальная толщина [мм] : 21,8
|
|
Тормозной диск
FREMAX BD-4023-KT
Тип тормозного диска : вентилируемый
Наружный диаметр [мм] : 280
Толщина тормозного диска (мм) : 24
Высота [мм] : 44
Диаметр центрирования [мм] : 68
Количество крепежных отверстий : 5
Поверхность : с покрытием
Вес [кг] : 6,8
Минимальная толщина [мм] : 7
|
|
Тормозной диск
fri.tech. BD1359
проверочное значение : ECE-R90
Высота [мм] : 44
Тип тормозного диска : вентилируемый
Толщина тормозного диска (мм) : 24
Наружный диаметр [мм] : 280
Количество отверстий : 5
Диаметр центрирования [мм] : 68
Поверхность : лакированный
|
|
Тормозной диск
fri.tech. BD1431
проверочное значение : ECE-R90
Высота [мм] : 86,2
Тип тормозного диска : цельный
Толщина тормозного диска (мм) : 8
Наружный диаметр [мм] : 260
Количество отверстий : 5
Диаметр центрирования [мм] : 66
Дополнительный артикул / дополнительная информация 2 : с кольцом сенсора ABS
Дополнительный артикул / дополнительная информация 2 : с колесным подшипником
|
|
Тормозной диск
FRIGAIR DC09.111
Сторона установки : передний мост
Тип тормозного диска : вентилируемый
Толщина тормозного диска (мм) : 12
Диаметр [мм] : 280
Ø фаски [мм] : 68
Толщина [мм] : 44
Наружный диаметр [мм] : 280
|
|
Тормозной диск
GALFER B1.G224-0221.1
Наружный диаметр [мм] : 280
Толщина тормозного диска (мм) : 24
Минимальная толщина [мм] : 21,8
Тип тормозного диска : вентилируемый
Обработка : Высокоуглеродистый
Поверхность : с покрытием
Количество отверстий : 5
Ø фаски [мм] : 114,3
Высота [мм] : 44
Диаметр центрирования [мм] : 68
Внутренний диаметр : 140
Диаметр отверстия [мм] : 15,8
проверочное значение : E1 90R-02C0118/1173
|
|
Тормозной диск
GH GH-403971
Сторона установки : передний мост
Сторона установки : передний мост справа
Сторона установки : передний мост слева
Толщина тормозного диска (мм) : 24
Количество отверстий : 5
Ø фаски [мм] : 114,3
Ø фаски 1 [мм] : 15,7
Ø фаски 2 [мм] : 8,5
Диаметр центрирования [мм] : 68
Наружный диаметр [мм] : 280
Тип тормозного диска : вентилируемый
Размер резьбы : 15,7
Высота [мм] : 44
|
|
Тормозной диск
GIRLING 6060721
Тип тормозного диска : вентилируемый
Наружный диаметр [мм] : 280
Толщина тормозного диска (мм) : 24
Минимальная толщина [мм] : 21,8
Высота [мм] : 44
Количество отверстий : 5
Диаметр центрирования [мм] : 68
Ø фаски [мм] : 114,3
Диаметр отверстия 1 [мм] : 15,7
Диаметр отверстия 2 [мм] : 8,5
Цвет : чёрный
Поверхность : лакированный
Размер резьбы : 15.7
проверочное значение : E1 90R-02 C0185/0659
SVHC : Нет информации, обратитесь, пожалуйста, к производителю!
|
|
Тормозной диск
GIRLING 6061824
Тип тормозного диска : цельный
Количество отверстий : 5
Наружный диаметр [мм] : 260
Диаметр центрирования [мм] : 54,9
Высота [мм] : 86,2
Толщина тормозного диска (мм) : 8
Минимальная толщина [мм] : 7
Ø фаски [мм] : 114,3
Цвет : чёрный
Поверхность : лакированный
Дополнительный артикул / дополнительная информация 2 : без кольца сенсора ABS
Дополнительный артикул / дополнительная информация 2 : без колесного подшипника
SVHC : Нет информации, обратитесь, пожалуйста, к производителю!
|
|
Тормозной диск
GIRLING 6061826
Тип тормозного диска : цельный
Наружный диаметр [мм] : 260
Количество отверстий : 5
Диаметр центрирования [мм] : 54,9
Высота [мм] : 86,2
Толщина тормозного диска (мм) : 8
Минимальная толщина [мм] : 7
Ø фаски [мм] : 114,3
Диаметр осевой цапфы [мм] : 25
Цвет : чёрный
Дополнительный артикул / дополнительная информация 2 : с кольцом сенсора ABS
Дополнительный артикул / дополнительная информация 2 : с колесным подшипником
SVHC : Нет информации, обратитесь, пожалуйста, к производителю!
|
|
Тормозной диск
GSP 9225038
Тип тормозного диска : цельный
Толщина тормозного диска (мм) : 8
Размер резьбы : M12X1,5
Число зубцов кольца ABS : 96
для оригинального номера : 432001539R
Наружный диаметр [мм] : 260
Число отверстий в диске колеса : 5
Дополнительный артикул / дополнительная информация 2 : с интегрированным датчиком ABS
Число зубцов : 25
Внутренний диаметр 2 (мм) : 25
|
|
Тормозной диск
GSP 9225038K
Тип тормозного диска : цельный
Толщина тормозного диска (мм) : 8
Размер резьбы : M12X1,5
Число зубцов кольца ABS : 96
для оригинального номера : 432001539R
Наружный диаметр [мм] : 260
Число отверстий в диске колеса : 5
Дополнительный артикул / дополнительная информация 2 : с интегрированным датчиком ABS
Число зубцов : 25
Внутренний диаметр 2 (мм) : 25
Дополнительный артикул / Дополнительная информация : с аксессуарами
|
|
Тормозной диск
HART 229 105
Высота [мм] : 44
Тип тормозного диска : вентилируемый
Толщина тормозного диска (мм) : 24
Наружный диаметр [мм] : 280
Количество отверстий : 5
|
|
Тормозной диск
HART 250 305
Высота [мм] : 88
Тип тормозного диска : цельный
Толщина тормозного диска (мм) : 8
Наружный диаметр [мм] : 260
|
|
Тормозной диск
HART 257 987
Высота [мм] : 44
Тип тормозного диска : с внешней вентиляцией
Толщина тормозного диска (мм) : 24
Наружный диаметр [мм] : 280
|
|
Тормозной диск
HART 260 505
Высота [мм] : 88
Тип тормозного диска : цельный
Толщина тормозного диска (мм) : 8
Наружный диаметр [мм] : 260
|
|
Тормозной диск
HERTH+BUSS JAKOPARTS J3301086
Тип тормозного диска : с внешней вентиляцией
Наружный диаметр [мм] : 280
Толщина тормозного диска (мм) : 24
Минимальная толщина [мм] : 21,8
Количество отверстий : 5
Ø фаски [мм] : 114,3
Высота [мм] : 44
Диаметр ступицы колеса [мм] : 68
Сторона установки : передний мост
SVHC : Не содержит особо опасных веществ!
|
|
Тормозной диск
HERTH+BUSS JAKOPARTS J3310813
Тип тормозного диска : цельный
Наружный диаметр [мм] : 260
Толщина тормозного диска (мм) : 8
Минимальная толщина [мм] : 7
Количество отверстий : 5
Ø фаски [мм] : 114,3
Высота [мм] : 86,3
Диаметр ступицы колеса [мм] : 52,3
Дополнительный артикул / дополнительная информация 2 : с колесным подшипником
Сторона установки : Задний мост
SVHC : Не содержит особо опасных веществ!
|
|
Тормозной диск
Hi-Q SD3060
Вес [кг] : 6,68
Толщина [мм] : 24
Тип тормозного диска : вентилируемый
Толщина тормозного диска (мм) : 21,8
Ø фаски [мм] : 114,3
Количество отверстий : 7
Высота [мм] : 44
Диаметр центрирования [мм] : 68
Наружный диаметр [мм] : 280
|
|
Тормозной диск
Hi-Q SD3060B
Вес [кг] : 6,68
Толщина [мм] : 24
Тип тормозного диска : вентилируемый
Толщина тормозного диска (мм) : 21,8
Ø фаски [мм] : 114,3
Количество отверстий : 7
Высота [мм] : 44
Диаметр центрирования [мм] : 68
Наружный диаметр [мм] : 280
|
|
Тормозной диск
Hi-Q SD3070
Вес [кг] : 5,48
Толщина [мм] : 8
Тип тормозного диска : цельный
Толщина тормозного диска (мм) : 7
Ø фаски [мм] : 114,3
Количество отверстий : 5
Высота [мм] : 86,2
Диаметр центрирования [мм] : 54 908
Наружный диаметр [мм] : 260
|
|
Тормозной диск
ICER 78BD4022-2
Толщина тормозного диска (мм) : 22
Наружный диаметр [мм] : 280
Тип тормозного диска : вентилируемый
Высота [мм] : 43,9
Диаметр центрирования [мм] : 68
Ø фаски [мм] : 114,3
Исполнение оси : Front
Номер технической информации : 78BD4022-2
проверочное значение : E1 90R-02C0592/1547
Диаметр [мм] : 68
Толщина [мм] : 24
Минимальная толщина [мм] : 22
Расположение/число отверстий : 5
|
|
Тормозной диск
ICER 78BD4023-1
Толщина тормозного диска (мм) : 7
Наружный диаметр [мм] : 260
Тип тормозного диска : цельный
Высота [мм] : 86,1
Диаметр центрирования [мм] : 50,2
Ø фаски [мм] : 114,3
Исполнение оси : Rear
Номер технической информации : 78BD4023-1
Дополнительный артикул / дополнительная информация 2 : с встроенным магнитным сенсорным кольцом
проверочное значение : E1 90R-02C0527/1691
проверочное значение : E1 90R-02C0559/0132
Диаметр [мм] : 50,2
Толщина [мм] : 8
Минимальная толщина [мм] : 7
Расположение/число отверстий : 5
Вес [кг] : 6 404
|
|
Тормозной диск
IPD 34-2026
Момент затяжки [Нм] : 280
Внутренний диаметр 1(мм) : 25
Ширина 1 [мм] : 86
Количество отверстий : 5
Дополнительный артикул / дополнительная информация 2 : с интегрированным колесным подшипником
Минимальная толщина [мм] : 7
Диаметр точек крепления [мм] : 12
Наружный диаметр [мм] : 260
Дополнительный артикул / дополнительная информация 2 : с встроенным магнитным сенсорным кольцом
Тип тормозного диска : цельный
Толщина тормозного диска (мм) : 8
|
|
Тормозной диск
IPD 34-2019
Число отверстий в диске колеса : 5
Диаметр [мм] : 260
Ширина [мм] : 48
Высота [мм] : 86,2
Тип тормозного диска : цельный
Толщина тормозного диска (мм) : 8
Внутренний диаметр : 25
Наружный диаметр [мм] : 55
Дополнительный артикул / дополнительная информация 2 : с интегрированным колесным подшипником
Дополнительный артикул / дополнительная информация 2 : с встроенным магнитным сенсорным кольцом
|
|
Тормозной диск
JAPANPARTS DI-031C
Сторона установки : передний мост
Ø фаски [мм] : 68
Высота [мм] : 44
Наружный диаметр [мм] : 280
Толщина тормозного диска (мм) : 24
Минимальная толщина [мм] : 21,8
Число отверстий : 5
Тип тормозного диска : вентилируемый
Поверхность : лакированный
Момент затяжки [Нм] : 120
для оригинального номера : 402067902R
|
|
Тормозной диск
JAPANPARTS DP-0713C
Сторона установки : Задний мост
Поверхность : лакированный
Тип тормозного диска : цельный
Толщина тормозного диска (мм) : 8
Минимальная толщина [мм] : 7
Количество отверстий : 5
Наружный диаметр [мм] : 260
для оригинального номера : 432008191R
|
|
Тормозной диск
JAPKO 60031C
Сторона установки : передний мост
Ø фаски [мм] : 68
Высота [мм] : 44
Наружный диаметр [мм] : 280
Толщина тормозного диска (мм) : 24
Минимальная толщина [мм] : 21,8
Число отверстий : 5
Тип тормозного диска : вентилируемый
Поверхность : лакированный
Момент затяжки [Нм] : 120
для оригинального номера : 402067902R
|
|
Тормозной диск
JAPKO 610713C
Сторона установки : Задний мост
Поверхность : лакированный
Тип тормозного диска : цельный
Толщина тормозного диска (мм) : 8
Минимальная толщина [мм] : 7
Количество отверстий : 5
Наружный диаметр [мм] : 260
для оригинального номера : 432008191R
|
|
Тормозной диск
JP GROUP 4363203000
Сторона установки : Задний мост
Тип тормозного диска : цельный
Наружный диаметр [мм] : 260
Толщина тормозного диска (мм) : 8
Количество отверстий : 5
Дополнительный артикул / дополнительная информация 2 : с комплектом колесного подшипника
Дополнительный артикул / дополнительная информация 2 : с кольцом сенсора ABS
Поверхность : с покрытием
|
|
Тормозной диск
JP GROUP 4363101700
Сторона установки : передний мост
Тип тормозного диска : вентилируемый
Наружный диаметр [мм] : 280
Толщина тормозного диска (мм) : 24
Количество отверстий : 5
Поверхность : с покрытием
|
|
Тормозной диск
JPN 30H9059-JPN
Тип тормозного диска : вентилируемый
Высота [мм] : 44
Толщина тормозного диска (мм) : 24
Наружный диаметр [мм] : 280
Количество отверстий : 5
Диаметр центрирования [мм] : 68
|
|
Тормозной диск
JPN 40H9102K-JPN
Тип тормозного диска : цельный
Число отверстий в диске колеса : 5
Высота [мм] : 86,2
Толщина тормозного диска (мм) : 8
Наружный диаметр [мм] : 260
Диаметр ступицы [мм] : 50
|
|
Тормозной диск
JURATEK REN183
Тип тормозного диска : вентилируемый
Наружный диаметр [мм] : 280
Толщина тормозного диска (мм) : 24
Высота [мм] : 44
Ø фаски [мм] : 114
Диаметр центрирования [мм] : 68
Количество крепежных отверстий : 5
парные номера артикулов : JCP1440
парные номера артикулов : JCP4180
парные номера артикулов : NKF8668
парные номера артикулов : NKR0016
парные номера артикулов : NKR0142
парные номера артикулов : NKR0171
парные номера артикулов : NKR0183
Поверхность : с покрытием
Вес [кг] : 7,3
Диаметр отверстия [мм] : 15,7
Минимальная толщина [мм] : 21,8
|
|
Тормозной диск
JURATEK REN198C
Тип тормозного диска : цельный
Наружный диаметр [мм] : 260
Толщина тормозного диска (мм) : 8
Высота [мм] : 86
Ø фаски [мм] : 114
Диаметр центрирования [мм] : 25
Количество крепежных отверстий : 5
парные номера артикулов : JCA1036L
парные номера артикулов : JCA1036R
парные номера артикулов : JCP1083
Поверхность : с покрытием
Вес [кг] : 6,9
Диаметр отверстия [мм] : 12
Тип тормоза : Тормозной диск с подшипником
Минимальная толщина [мм] : 7
|
|
Тормозной диск
JURID 562732J-1
Тип тормозного диска : цельный
Наружный диаметр [мм] : 260
Толщина тормозного диска (мм) : 8
Дополнительный артикул / дополнительная информация 2 : без винтов
Версия : J
Высота [мм] : 88,9
Количество отверстий : 5
Количественная единица : Штука
Поверхность : промасленный
Вес [кг] : 5,83
Минимальная толщина [мм] : 7
Тип контейнера : Коробка
Длина упаковки [см] : 27,5
Ширина упаковки [см] : 27
Высота упаковки [см] : 10,2
|
|
Тормозной диск
JURID 562529JC
Тип тормозного диска : вентилируемый
Наружный диаметр [мм] : 280
Толщина тормозного диска (мм) : 24
Дополнительный артикул / дополнительная информация 2 : с винтами
Версия : JC
Высота [мм] : 44
Диаметр центрирования [мм] : 68
Количество отверстий : 5
Количественная единица : комплект
Поверхность : с покрытием
проверочное значение : R90 Homologated
Вес [кг] : 14,15
Минимальная толщина [мм] : 21,8
Момент затяжки [Нм] : 120
Тип контейнера : Коробка
Длина упаковки [см] : 30
Ширина упаковки [см] : 30
Высота упаковки [см] : 10,5
|
|
Тормозной диск
KAMOKA 1031043
Сторона установки : передний мост
Тип тормозного диска : вентилируемый
Толщина тормозного диска (мм) : 24
Ø фаски [мм] : 114
Количество отверстий : 5
Высота [мм] : 44
Диаметр центрирования [мм] : 68
Поверхность : с покрытием
Наружный диаметр [мм] : 280
|
|
Тормозной диск
KAMOKA 1031066
Сторона установки : Задний мост
Тип тормозного диска : цельный
Толщина тормозного диска (мм) : 8
Ø фаски [мм] : 114
Количество отверстий : 5
Дополнительный артикул / дополнительная информация 2 : с колесным подшипником
Дополнительный артикул / дополнительная информация 2 : с кольцом сенсора ABS
Высота [мм] : 86
Диаметр центрирования [мм] : 52
Поверхность : с покрытием
Наружный диаметр [мм] : 260
|
|
Тормозной диск
KAVO PARTS BR-10402-C
Высота [мм] : 86,2
Тип тормозного диска : цельный
Толщина тормозного диска (мм) : 8
Минимальная толщина [мм] : 7
Наружный диаметр [мм] : 260
Количество отверстий : 5
Диаметр центрирования [мм] : 55,2
Ø фаски [мм] : 114,3
Поверхность : с покрытием
Дополнительный артикул / дополнительная информация 2 : с колесным подшипником
Дополнительный артикул / дополнительная информация 2 : с кольцом сенсора ABS
|
|
Тормозной диск
KAVO PARTS BR-6840-C
проверочное значение : R90
Высота [мм] : 44
Тип тормозного диска : вентилируемый
Толщина тормозного диска (мм) : 24
Минимальная толщина [мм] : 21,8
Наружный диаметр [мм] : 280
Количество отверстий : 5
Диаметр центрирования [мм] : 68
Ø фаски [мм] : 114,3
Поверхность : с покрытием
|
|
Тормозной диск
KAWE 61346 10
Диаметр [мм] : 280
Сторона установки : передний мост
Вес [кг] : 6,68
Тип тормозного диска : вентилируемый
Минимальная толщина [мм] : 21,8
Толщина тормозного диска (мм) : 24
Количество отверстий : 5
Высота [мм] : 44
Диаметр центрирования [мм] : 68
Наружный диаметр [мм] : 280
|
|
Тормозной диск
KAWE 61387 20
Диаметр [мм] : 260
Сторона установки : Задний мост
Тип тормозного диска : цельный
Минимальная толщина [мм] : 7
Толщина тормозного диска (мм) : 8
Количество отверстий : 5
Дополнительный артикул / дополнительная информация 2 : с валовым подшипником
Дополнительный артикул / дополнительная информация 2 : с кольцом сенсора ABS
Высота [мм] : 86,2
Наружный диаметр [мм] : 260
|
|
Тормозной диск
KEY PARTS KBD4640
Тип тормозного диска : вентилируемый
Наружный диаметр [мм] : 280
Толщина тормозного диска (мм) : 24
Высота [мм] : 44
Диаметр центрирования [мм] : 68
Количество отверстий : 5
Количественная единица : комплект
Поверхность : без покрытия
проверочное значение : ECE R90 Homologated
Минимальная толщина [мм] : 22
|
|
Тормозной диск
KEY PARTS KBD5838S
Тип тормозного диска : цельный
Наружный диаметр [мм] : 260
Толщина тормозного диска (мм) : 8
Дополнительный артикул / дополнительная информация 2 : с гайкой
Дополнительный артикул / дополнительная информация 2 : с кольцом сенсора ABS
Дополнительный артикул / дополнительная информация 2 : с колесным подшипником
Высота [мм] : 86,2
Диаметр центрирования [мм] : 54,9
Количество отверстий : 5
Количество : 1
Поверхность : без покрытия
проверочное значение : ECE R90 Homologated
Минимальная толщина [мм] : 7
|
|
Тормозной диск
KRAFT AUTOMOTIVE 6045474
Сторона установки : передний мост
Толщина тормозного диска (мм) : 24
Высота [мм] : 44
Номер продукции : 6045474
Тип тормозного диска : вентилируемый
Наружный диаметр [мм] : 280
|
|
Тормозной диск
LPR R1036V
Толщина тормозного диска (мм) : 24
Минимальная толщина [мм] : 21,8
Тип тормозного диска : вентилируемый
Диаметр центрирования [мм] : 68
Наружный диаметр [мм] : 280
Высота [мм] : 44
Количество отверстий : 5
|
|
Тормозной диск
LPR R1036VR
Высота [мм] : 44
Толщина тормозного диска (мм) : 24
Минимальная толщина [мм] : 21,8
Наружный диаметр [мм] : 280
Количество отверстий : 5
Диаметр центрирования [мм] : 68
Поверхность : с покрытием
Тип тормозного диска : вентилируемый
|
|
Тормозной диск
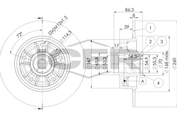
LPR R1040PCA
Наружный диаметр [мм] : 260
Момент затяжки [Нм] : 220
Высота [мм] : 86,2
Тип тормозного диска : цельный
Минимальная толщина [мм] : 7
Дополнительный артикул / дополнительная информация 2 : с кольцом сенсора ABS
Диаметр центрирования [мм] : 25
Дополнительный артикул / Дополнительная информация : с аксессуарами
Дополнительный артикул / дополнительная информация 2 : с комплектом колесного подшипника
Количество отверстий : 5
Толщина тормозного диска (мм) : 8
|
|
Тормозной диск
LPR R1040PRCA
Высота [мм] : 86,2
Количество отверстий : 5
Тип тормозного диска : цельный
Толщина тормозного диска (мм) : 8
Минимальная толщина [мм] : 7
Наружный диаметр [мм] : 260
Дополнительный артикул / Дополнительная информация : с аксессуарами
Поверхность : с покрытием
Дополнительный артикул / дополнительная информация 2 : с кольцом сенсора ABS
Диаметр центрирования [мм] : 25
Дополнительный артикул / дополнительная информация 2 : с комплектом колесного подшипника
Момент затяжки [Нм] : 220
|
|
Тормозной диск
LYNXAUTO BN-1415
Сторона установки : передний мост
Наружный диаметр [мм] : 280
Толщина тормозного диска (мм) : 24
Минимальная толщина [мм] : 21,8
Диаметр центрирования [мм] : 68
Высота [мм] : 44
Количество отверстий : 5
Ø фаски [мм] : 114,3
Тип тормозного диска : вентилируемый
|
|
Тормозной диск
LYNXAUTO BN-1879
Сторона установки : Задний мост
Наружный диаметр [мм] : 260
Толщина тормозного диска (мм) : 8
Минимальная толщина [мм] : 7
Диаметр центрирования [мм] : 55
Высота [мм] : 86
Количество отверстий : 5
Ø фаски [мм] : 114,3
Тип тормозного диска : цельный
Дополнительный артикул / дополнительная информация 2 : без колесного подшипника
|
|
Тормозной диск
MAGNETI MARELLI 360406077602
Обработка : Высокоуглеродистый
Тип тормозного диска : перфорированный / вентилируемый
Диаметр [мм] : 280
Высота [мм] : 44
Минимальная толщина [мм] : 22,4
Количество отверстий : 5
Ø фаски [мм] : 68
Момент затяжки [Нм] : 120
Дополнительный артикул / дополнительная информация 2 : с винтами
Толщина тормозного диска (мм) : 24
Наружный диаметр [мм] : 280
|
|
Тормозной диск
MAGNETI MARELLI 360406119000
Поверхность : без покрытия
Тип тормозного диска : цельный
Диаметр [мм] : 260
Высота [мм] : 86,2
Минимальная толщина [мм] : 7
Количество отверстий : 5
Ø фаски [мм] : 25
Момент затяжки [Нм] : 120
Дополнительный артикул / дополнительная информация 2 : с кольцом сенсора ABS
Толщина тормозного диска (мм) : 8
Наружный диаметр [мм] : 260
|
|
Тормозной диск
MAGNETI MARELLI 361302040110
Тип тормозного диска : вентилируемый
Диаметр [мм] : 280
Высота [мм] : 44
Минимальная толщина [мм] : 21,8
Количество отверстий : 5
Ø фаски [мм] : 68
Момент затяжки [Нм] : 120
Толщина тормозного диска (мм) : 24
Наружный диаметр [мм] : 280
|
|
Тормозной диск
MAGNETI MARELLI 361302040819
Тип тормозного диска : цельный
Диаметр [мм] : 260
Высота [мм] : 86
Минимальная толщина [мм] : 7
Количество отверстий : 5
Толщина тормозного диска (мм) : 8
Наружный диаметр [мм] : 260
Диаметр центрирования [мм] : 114
|
|
Тормозной диск
MANDO MBC035242
Сторона установки : передний мост
Тип тормозного диска : вентилируемый
Толщина тормозного диска (мм) : 24
Количество отверстий : 5
Высота [мм] : 44
Диаметр центрирования [мм] : 68
Наружный диаметр [мм] : 280
|
|
Тормозной диск
MANDO MBC035248
Сторона установки : Задний мост
Тип тормозного диска : цельный
Толщина тормозного диска (мм) : 8
Количество отверстий : 5
Высота [мм] : 86,2
Диаметр центрирования [мм] : 54,9
Наружный диаметр [мм] : 260
|
|
Тормозной диск
MAPCO 15143
Сторона установки : Задний мост
Наружный диаметр [мм] : 260
Тип тормозного диска : цельный
Толщина тормозного диска (мм) : 8
Высота [мм] : 88,1
Диаметр осевой цапфы [мм] : 25
Дополнительный артикул / дополнительная информация 2 : с кольцом сенсора ABS
Дополнительный артикул / дополнительная информация 2 : с колесным подшипником
|
|
Тормозной диск
MAPCO 25127
Сторона установки : передний мост
Тип тормозного диска : вентилируемый
Наружный диаметр [мм] : 280
Толщина тормозного диска (мм) : 24
Минимальная толщина [мм] : 21,8
Высота [мм] : 44
Внутренний диаметр : 140
Диаметр отверстия [мм] : 15,8
Количество отверстий : 5
Ø фаски [мм] : 114,3
Диаметр центрирования [мм] : 68
|
|
Тормозной диск
MAXGEAR 19-1285
Сторона установки : передний мост
Тип тормозного диска : вентилируемый
Наружный диаметр [мм] : 280
Толщина тормозного диска (мм) : 24
Высота [мм] : 44
Ø фаски [мм] : 114
Диаметр центрирования [мм] : 68
Количество отверстий : 5
Минимальная толщина [мм] : 21,8
|
|
Тормозной диск
MAXGEAR 19-1285MAX
Сторона установки : передний мост
Тип тормозного диска : вентилируемый
Наружный диаметр [мм] : 280
Толщина тормозного диска (мм) : 24
Высота [мм] : 44
Ø фаски [мм] : 114
Диаметр центрирования [мм] : 68
Количество отверстий : 5
Поверхность : лакированный
Минимальная толщина [мм] : 21,8
|
|
Тормозной диск
MAXGEAR 19-1285SPORT
Сторона установки : передний мост
Тип тормозного диска : вентилируемый
Тип тормозного диска : с прорезями / перфорированный
Наружный диаметр [мм] : 280
Толщина тормозного диска (мм) : 24
Высота [мм] : 44
Ø фаски [мм] : 114
Диаметр центрирования [мм] : 68
Количество отверстий : 5
Поверхность : лакированный
Минимальная толщина [мм] : 21,8
|
|
Тормозной диск
MAXGEAR 19-1975
Сторона установки : Задний мост
Тип тормозного диска : цельный
Наружный диаметр [мм] : 260
Толщина тормозного диска (мм) : 8
Дополнительный артикул / дополнительная информация 2 : с колесным подшипником
Дополнительный артикул / дополнительная информация 2 : с встроенным магнитным сенсорным кольцом
Высота [мм] : 88
Диаметр осевой цапфы [мм] : 25
Ø фаски [мм] : 114
Диаметр центрирования [мм] : 50,2
Количество отверстий : 5
Минимальная толщина [мм] : 7
|
|
Тормозной диск
MAXGEAR 19-1975SPORT
Тип тормозного диска : цельный
Тип тормозного диска : с прорезями / перфорированный
Наружный диаметр [мм] : 260
Толщина тормозного диска (мм) : 8
Дополнительный артикул / дополнительная информация 2 : с колесным подшипником
Дополнительный артикул / дополнительная информация 2 : с встроенным магнитным сенсорным кольцом
Высота [мм] : 88
Диаметр осевой цапфы [мм] : 25
Ø фаски [мм] : 114
Диаметр центрирования [мм] : 50,2
Количество отверстий : 5
Поверхность : лакированный
Минимальная толщина [мм] : 7
|
|
Тормозной диск
MAXTECH 875358
Сторона установки : передний мост
Тип тормозного диска : вентилируемый
Минимальная толщина [мм] : 21,8
Вес [кг] : 6,6
Толщина тормозного диска (мм) : 24
Ø фаски [мм] : 114,3
Количество отверстий : 5
Диаметр отверстия [мм] : 15,8
Внутренний диаметр : 140
проверочное значение : 90R-02C01327/31810
Высота [мм] : 44
Диаметр центрирования [мм] : 68
Наружный диаметр [мм] : 280
|
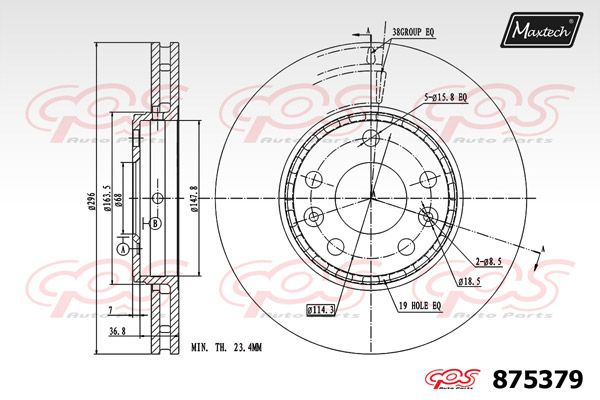
|
Тормозной диск
MAXTECH 875379
Сторона установки : передний мост
Тип тормозного диска : вентилируемый
Минимальная толщина [мм] : 23,4
Вес [кг] : 7,8
Толщина тормозного диска (мм) : 26
Ø фаски [мм] : 114,3
Количество отверстий : 5
Диаметр отверстия [мм] : 15,8
Внутренний диаметр : 147,7
Высота [мм] : 44
Диаметр центрирования [мм] : 68
Наружный диаметр [мм] : 296
|
|
Тормозной диск
METELLI 23-0981C
проверочное значение : ECE-R90
Высота [мм] : 44
Тип тормозного диска : вентилируемый
Толщина тормозного диска (мм) : 24
Наружный диаметр [мм] : 280
Количество отверстий : 5
Диаметр центрирования [мм] : 68
Поверхность : лакированный
|
|
Тормозной диск
METELLI 23-1241
проверочное значение : ECE-R90
Высота [мм] : 86,2
Тип тормозного диска : цельный
Толщина тормозного диска (мм) : 8
Наружный диаметр [мм] : 260
Количество отверстий : 5
Диаметр центрирования [мм] : 66
Дополнительный артикул / дополнительная информация 2 : с кольцом сенсора ABS
Дополнительный артикул / дополнительная информация 2 : с колесным подшипником
|
|
Тормозной диск
MEYLE 16-15 521 0040
Сторона установки : передний мост
Наружный диаметр [мм] : 280
Высота [мм] : 44
Толщина тормозного диска (мм) : 24
Минимальная толщина [мм] : 21,8
Диаметр центрирования [мм] : 68
Ø фаски [мм] : 114,3
Диаметр отверстия под шпильку колеса [мм] : 15,8
Количество отверстий : 5
Тип тормозного диска : вентилируемый
необходимое количество : 2
|
|
Тормозной диск
MEYLE 16-15 521 0040/PD
Сторона установки : передний мост
Наружный диаметр [мм] : 280
Высота [мм] : 44
Толщина тормозного диска (мм) : 24
Минимальная толщина [мм] : 21,8
Диаметр центрирования [мм] : 68
Ø фаски [мм] : 114,3
Диаметр отверстия под шпильку колеса [мм] : 15,8
Количество отверстий : 5
Тип тормозного диска : вентилируемый
Поверхность : оцинкованная
Качество : PREMIUM
необходимое количество : 2
|
|
Тормозной диск
MEYLE 16-15 523 4103
Сторона установки : Задний мост
Наружный диаметр [мм] : 260
Высота [мм] : 86,2
Толщина тормозного диска (мм) : 8
Минимальная толщина [мм] : 7
Диаметр центрирования [мм] : 25
Ø фаски [мм] : 114,3
Количество отверстий : 5
Тип тормозного диска : цельный
Дополнительный артикул / дополнительная информация 2 : с интегрированным колесным подшипником
Дополнительный артикул / дополнительная информация 2 : с кольцом сенсора ABS
Размер резьбы : M12x1.5
необходимое количество : 2
|
|
Тормозной диск
MEYLE 16-15 523 4103/PD
Сторона установки : Задний мост
Наружный диаметр [мм] : 260
Высота [мм] : 86,2
Толщина тормозного диска (мм) : 8
Минимальная толщина [мм] : 7
Диаметр центрирования [мм] : 25
Ø фаски [мм] : 114,3
Количество отверстий : 5
Тип тормозного диска : цельный
Поверхность : с покрытием
Обработка : необработанный
Дополнительный артикул / дополнительная информация 2 : с кольцом сенсора ABS
Дополнительный артикул / дополнительная информация 2 : с интегрированным колесным подшипником
Качество : PREMIUM
Размер резьбы : M12x1.5
необходимое количество : 2
|
|
Тормозной диск
MILES K011681
Сторона установки : сзади
Количество отверстий : 5
Тип тормозного диска : цельный
Дополнительный артикул / дополнительная информация 2 : с колесным подшипником
Дополнительный артикул / дополнительная информация 2 : с кольцом сенсора ABS
Наружный диаметр [мм] : 260
Высота [мм] : 86,2
Диаметр центрирования [мм] : 54,9
Ø фаски [мм] : 114,3
Диаметр отверстия под шпильку колеса [мм] : 12
Толщина тормозного диска (мм) : 8
Минимальная толщина [мм] : 7
|
|
Тормозной диск
MILES K211681
Сторона установки : сзади
Количество отверстий : 5
Тип тормозного диска : цельный
Дополнительный артикул / дополнительная информация 2 : с колесным подшипником
Дополнительный артикул / дополнительная информация 2 : с кольцом сенсора ABS
Наружный диаметр [мм] : 260
Высота [мм] : 86,2
Диаметр центрирования [мм] : 54,9
Ø фаски [мм] : 114,3
Диаметр отверстия под шпильку колеса [мм] : 12
Толщина тормозного диска (мм) : 8
Минимальная толщина [мм] : 7
Поверхность : с покрытием
|
|
Тормозной диск
MILES K000298
Сторона установки : спереди
Количество отверстий : 5
Тип тормозного диска : вентилируемый
Наружный диаметр [мм] : 280
Высота [мм] : 44
Диаметр центрирования [мм] : 68
Ø фаски [мм] : 114,3
Диаметр отверстия под шпильку колеса [мм] : 15,7
Толщина тормозного диска (мм) : 24
Минимальная толщина [мм] : 21,8
|
|
Тормозной диск
MILES K200298
Сторона установки : спереди
Количество отверстий : 5
Тип тормозного диска : вентилируемый
Наружный диаметр [мм] : 280
Высота [мм] : 44
Диаметр центрирования [мм] : 68
Ø фаски [мм] : 114,3
Диаметр отверстия под шпильку колеса [мм] : 15,7
Толщина тормозного диска (мм) : 24
Минимальная толщина [мм] : 21,8
Поверхность : с покрытием
|
|
Тормозной диск
MINTEX MDC2195C
Тип тормозного диска : с внешней вентиляцией
Наружный диаметр [мм] : 280
Толщина тормозного диска (мм) : 24
Высота [мм] : 44
Минимальная толщина [мм] : 21,8
Поверхность : с покрытием
Внутренний диаметр : 139,8
Ø фаски [мм] : 114,3
Диаметр центрирования [мм] : 68
Расположение/число отверстий : 05/07
Диаметр отверстия под шпильку колеса [мм] : 15,8
Дополнительный артикул / дополнительная информация 2 : без ступицы
Дополнительный артикул / дополнительная информация 2 : без колесного подшипника
Дополнительный артикул / дополнительная информация 2 : без колесной крепящей оси
Длина упаковки [см] : 29,3
Ширина упаковки [см] : 29,3
Высота упаковки [см] : 10,5
Вес [кг] : 6,7
|
|
Тормозной диск
MINTEX MDC2374
Тип тормозного диска : цельный
Наружный диаметр [мм] : 260
Толщина тормозного диска (мм) : 8
Минимальная толщина [мм] : 7
Высота [мм] : 88
Расположение/число отверстий : 05/05
Ø фаски [мм] : 114,3
Диаметр центрирования [мм] : 50,2
Диаметр осевой цапфы [мм] : 25
Внутренний диаметр : 136
Диаметр отверстия под шпильку колеса [мм] : 12
Дополнительный артикул / дополнительная информация 2 : с встроенным магнитным сенсорным кольцом
Дополнительный артикул / дополнительная информация 2 : с колесным подшипником
Дополнительный артикул / Дополнительная информация : с гайкой хвостовика моста
Дополнительный артикул / дополнительная информация 2 : без колесной крепящей оси
Дополнительный артикул / дополнительная информация 2 : cо ступицей
Длина упаковки [см] : 27,8
Ширина упаковки [см] : 27,8
Высота упаковки [см] : 12,2
Вес [кг] : 6,2
|
|
Тормозной диск
MOTAQUIP LVBD1344Z
Тип тормозного диска : вентилируемый
Наружный диаметр [мм] : 280
Толщина тормозного диска (мм) : 24
Высота [мм] : 44
Ø фаски [мм] : 114,3
Диаметр центрирования [мм] : 68,1
Количество отверстий : 5
Поверхность : с покрытием
Вес [кг] : 5,75
Минимальная толщина [мм] : 22
|
|
Тормозной диск
MOTAQUIP LVBD1547
Тип тормозного диска : цельный
Наружный диаметр [мм] : 260
Толщина тормозного диска (мм) : 8
Дополнительный артикул / дополнительная информация 2 : с кольцом сенсора ABS
Дополнительный артикул / дополнительная информация 2 : с колесным подшипником
Высота [мм] : 86,2
Количество отверстий : 5
Поверхность : с покрытием
Вес [кг] : 8,25
Минимальная толщина [мм] : 7
|
|
Тормозной диск
MTR 12108515
Тип тормозного диска : вентилируемый
Наружный диаметр [мм] : 280
Толщина тормозного диска (мм) : 24
Цвет : чёрный
Высота [мм] : 44
Ø фаски [мм] : 114,3
Диаметр центрирования [мм] : 68
Количество отверстий : 5
Поверхность : лакированный
Минимальная толщина [мм] : 21,8
Размер резьбы : 15.7
Диаметр отверстия 1 [мм] : 15,7
Диаметр отверстия 2 [мм] : 8,5
|
|
Тормозной диск
National NBD1669
Тип тормозного диска : вентилируемый
Наружный диаметр [мм] : 280
Толщина тормозного диска (мм) : 24
Высота [мм] : 44
Ø фаски [мм] : 114
Диаметр центрирования [мм] : 68
Количество отверстий : 5
|
|
Тормозной диск
National NBD1774
Тип тормозного диска : цельный
Наружный диаметр [мм] : 260
Толщина тормозного диска (мм) : 8
Дополнительный артикул / дополнительная информация 2 : с кольцом сенсора ABS
Дополнительный артикул / дополнительная информация 2 : с колесным подшипником
Высота [мм] : 86
Ø фаски [мм] : 114
Диаметр центрирования [мм] : 25
Количество отверстий : 5
|
|
Тормозной диск
NK 203970
Наружный диаметр [мм] : 280
Толщина тормозного диска (мм) : 24
Минимальная толщина [мм] : 21,8
Высота [мм] : 44
Число отверстий в диске колеса : 5
Тип тормозного диска : вентилируемый
Диаметр центрирования [мм] : 68
Поверхность : промасленный
Вес нетто [кг] : 6,68
|
|
Тормозной диск
NK 313970
Наружный диаметр [мм] : 280
Толщина тормозного диска (мм) : 24
Минимальная толщина [мм] : 21,8
Высота [мм] : 44
Число отверстий в диске колеса : 5
Тип тормозного диска : вентилируемый
Диаметр центрирования [мм] : 68
Ø фаски [мм] : 114,3
Поверхность : с покрытием
Вес нетто [кг] : 6,68
|
|
Тормозной диск
NK 203973
Наружный диаметр [мм] : 260
Толщина тормозного диска (мм) : 8
Минимальная толщина [мм] : 7
Высота [мм] : 88,1
Число отверстий в диске колеса : 5
Тип тормозного диска : цельный
Диаметр центрирования [мм] : 66
Поверхность : промасленный
Дополнительный артикул / дополнительная информация 2 : с колесным подшипником
Дополнительный артикул / дополнительная информация 2 : с встроенным магнитным сенсорным кольцом
Диаметр осевой цапфы [мм] : 25
Вес нетто [кг] : 6,07
|
|
Тормозной диск
NK 313973
Наружный диаметр [мм] : 260
Толщина тормозного диска (мм) : 8
Минимальная толщина [мм] : 7
Высота [мм] : 88,1
Число отверстий в диске колеса : 5
Тип тормозного диска : цельный
Диаметр центрирования [мм] : 50,2
Поверхность : с покрытием
Дополнительный артикул / дополнительная информация 2 : с колесным подшипником
Дополнительный артикул / дополнительная информация 2 : с встроенным магнитным сенсорным кольцом
Диаметр осевой цапфы [мм] : 25
Вес нетто [кг] : 5,48
|
|
Тормозной диск
NPS R330T01
Спецификация : Qte packaging: 1
Сторона установки : передний мост
проверочное значение : E1 90R-02C0592/1547
Тип тормозного диска : вентилируемый
Количество частей [част.] : 1
Наружный диаметр [мм] : 280
Диаметр [мм] : 280
Толщина тормозного диска (мм) : 24
Количество отверстий : 5
Диаметр центрирования [мм] : 68
необходимое количество : 2
|
|
Тормозной диск
Omnicraft 2133948
Обработка : Высокоуглеродистый
Наружный диаметр [мм] : 280
Количество отверстий : 5
Диаметр центрирования [мм] : 68
Момент затяжки [Нм] : 120
Поверхность : с покрытием
Дополнительный артикул / дополнительная информация 2 : с винтами
Высота [мм] : 44
Тип тормозного диска : вентилируемый
Толщина тормозного диска (мм) : 24
Минимальная толщина [мм] : 21,8
|
|
Тормозной диск
Omnicraft 2143107
Толщина тормозного диска (мм) : 8
Минимальная толщина [мм] : 7
Наружный диаметр [мм] : 260
Количество отверстий : 5
Диаметр центрирования [мм] : 25
Момент затяжки [Нм] : 120
Дополнительный артикул / дополнительная информация 2 : с комплектом колесного подшипника
Дополнительный артикул / дополнительная информация 2 : с кольцом сенсора ABS
Высота [мм] : 86
Тип тормозного диска : цельный
|
|
Тормозной диск
OPEN PARTS BDA2515.30
Тип тормозного диска : цельный
Наружный диаметр [мм] : 260
Высота [мм] : 86,3
Толщина тормозного диска (мм) : 8
Диаметр центрирования [мм] : 52,3
Количество отверстий : 5
Тип тормоза : Тормозной диск с подшипником
Минимальная толщина [мм] : 7
|
|
Тормозной диск
OPEN PARTS BDA2548.20
Тип тормозного диска : вентилируемый
Наружный диаметр [мм] : 280
Высота [мм] : 44
Толщина тормозного диска (мм) : 24
Диаметр центрирования [мм] : 68
Количество отверстий : 5
Дополнительный артикул / дополнительная информация 2 : с винтами
Минимальная толщина [мм] : 21,8
|
|
Тормозной диск
OPEN PARTS BDR2548.20
Тип тормозного диска : вентилируемый
Поверхность : лакированный
Наружный диаметр [мм] : 280
Высота [мм] : 44
Толщина тормозного диска (мм) : 24
Диаметр центрирования [мм] : 68
Количество отверстий : 5
Дополнительный артикул / дополнительная информация 2 : с винтами
Минимальная толщина [мм] : 21,8
|
|
Тормозной диск
OPTIMAL 702983BS4U
Тип тормозного диска : цельный
Толщина тормозного диска (мм) : 8
Наружный диаметр [мм] : 260
Диаметр центрирования [мм] : 52,2
Поверхность : без покрытия
Поверхность : промасленный
Дополнительный артикул / дополнительная информация 2 : с интегрированным колесным подшипником
Дополнительный артикул / дополнительная информация 2 : с интегрированным датчиком ABS
Расст. между отверст. 1 / Расст между отв. 2 : 5x114.3
Ширина [мм] : 86,2
Размер резьбы : M12x1.5
Минимальная толщина [мм] : 7
Расположение/число отверстий : 5/5
Внутренний диаметр : 25
|
|
Тормозной диск
OPTIMAL BS-8304
Сторона установки : передний мост
Тип тормозного диска : вентилируемый
Толщина тормозного диска (мм) : 24
Наружный диаметр [мм] : 280
Высота [мм] : 44
Диаметр центрирования [мм] : 68
Минимальная толщина [мм] : 22
Расположение/число отверстий : 5/7
|
|
Тормозной диск
OPTIMAL BS-8304C
Сторона установки : передний мост
Тип тормозного диска : вентилируемый
Толщина тормозного диска (мм) : 24
Наружный диаметр [мм] : 280
Высота [мм] : 44
Диаметр центрирования [мм] : 68
Поверхность : с покрытием
Дополнительный артикул / дополнительная информация 2 : с винтами
Минимальная толщина [мм] : 22
Расположение/число отверстий : 5/7
|
|
Тормозной диск
OSSCA 65600
Сторона установки : передний мост
Тип тормозного диска : вентилируемый
Толщина тормозного диска (мм) : 24
Высота [мм] : 44
Наружный диаметр [мм] : 280
|
|
Тормозной диск
OSSCA 80425
Сторона установки : спереди
Тип тормозного диска : цельный
Толщина тормозного диска (мм) : 26
Высота [мм] : 43
Наружный диаметр [мм] : 296
|
|
Тормозной диск
OSSCA 80437
Сторона установки : Задний мост
Тип тормозного диска : цельный
Толщина тормозного диска (мм) : 8
Высота [мм] : 88,1
Наружный диаметр [мм] : 260
|
|
Тормозной диск
OSSCA 80440
Сторона установки : Задний мост
Тип тормозного диска : цельный
Толщина тормозного диска (мм) : 8
Высота [мм] : 86,2
Наружный диаметр [мм] : 260
|
|
Тормозной диск
OSSCA 80473
Сторона установки : Задний мост
Тип тормозного диска : цельный
Диаметр [мм] : 260
Ширина [мм] : 8
Толщина тормозного диска (мм) : 8
Высота [мм] : 88,1
Наружный диаметр [мм] : 260
|
|
Тормозной диск
PAGID 54955NC
Тип тормозного диска : с внешней вентиляцией
Наружный диаметр [мм] : 280
Толщина тормозного диска (мм) : 24
Высота [мм] : 44
Минимальная толщина [мм] : 21,8
Поверхность : с покрытием
Внутренний диаметр : 139,8
Ø фаски [мм] : 114,3
Диаметр центрирования [мм] : 68
Расположение/число отверстий : 05/07
Диаметр отверстия под шпильку колеса [мм] : 15,8
Дополнительный артикул / дополнительная информация 2 : без ступицы
Дополнительный артикул / дополнительная информация 2 : без колесного подшипника
Дополнительный артикул / дополнительная информация 2 : без колесной крепящей оси
Длина упаковки [см] : 29,3
Ширина упаковки [см] : 29,3
Высота упаковки [см] : 6,5
Вес [кг] : 6,7
|
|
Тормозной диск
PAGID 54960NC
Тип тормозного диска : цельный
Наружный диаметр [мм] : 260
Толщина тормозного диска (мм) : 8
Минимальная толщина [мм] : 7
Поверхность : с покрытием
Высота [мм] : 88
Расположение/число отверстий : 05/05
Ø фаски [мм] : 114,3
Диаметр центрирования [мм] : 50,2
Диаметр осевой цапфы [мм] : 25
Внутренний диаметр : 136
Диаметр отверстия под шпильку колеса [мм] : 12
Дополнительный артикул / дополнительная информация 2 : с встроенным магнитным сенсорным кольцом
Дополнительный артикул / дополнительная информация 2 : с колесным подшипником
Дополнительный артикул / Дополнительная информация : с гайкой хвостовика моста
Дополнительный артикул / дополнительная информация 2 : без колесной крепящей оси
Дополнительный артикул / дополнительная информация 2 : cо ступицей
Длина упаковки [см] : 27,8
Ширина упаковки [см] : 27,8
Высота упаковки [см] : 10,5
Вес [кг] : 6,2
|
|
Тормозной диск
PILENGA V793
Наружный диаметр [мм] : 280
Толщина тормозного диска (мм) : 24
Минимальная толщина [мм] : 21,8
Тип тормозного диска : вентилируемый
Сторона установки : передний мост
Обработка : Высокоуглеродистый
Количество отверстий 1 : 5
Количество отверстий 2 : 2
Диаметр центрирования [мм] : 68
Высота [мм] : 44
Внутренний диаметр : 139,8
|
|
Тормозной диск
PILENGA 5730
Наружный диаметр [мм] : 260
Толщина тормозного диска (мм) : 8
Минимальная толщина [мм] : 7
Тип тормозного диска : цельный
Сторона установки : Задний мост
Количество отверстий 1 : 5
Высота [мм] : 86,2
|
|
Тормозной диск
ProfiPower 3B1047
Тип тормозного диска : вентилируемый
Высота [мм] : 44
Толщина тормозного диска (мм) : 24
Размер резьбы : 15.7
Минимальная толщина [мм] : 21,8
Наружный диаметр [мм] : 280
Количество отверстий : 5
Диаметр центрирования [мм] : 68
Ø фаски [мм] : 114,3
Размер резьбы 1 : 15,7
Размер резьбы 2 : 8,5
|
|
Тормозной диск
ProfiPower 3B2164
Тип тормозного диска : цельный
Дополнительный артикул / дополнительная информация 2 : без колесного подшипника
Дополнительный артикул / дополнительная информация 2 : без кольца сенсора ABS
Высота [мм] : 86,2
Толщина тормозного диска (мм) : 8
Минимальная толщина [мм] : 7
Наружный диаметр [мм] : 260
Количество отверстий : 5
Диаметр центрирования [мм] : 54,9
Ø фаски [мм] : 114,3
|
|
Тормозной диск
ProfiPower 3B2164K
Тип тормозного диска : цельный
Дополнительный артикул / дополнительная информация 2 : с интегрированным колесным подшипником
Высота [мм] : 86,2
Толщина тормозного диска (мм) : 8
Наружный диаметр [мм] : 260
|
|
Тормозной диск
PROFIT 5010-1728
Сторона установки : передний мост
Диаметр [мм] : 280
Тип тормозного диска : вентилируемый
Толщина тормозного диска (мм) : 24
Минимальная толщина [мм] : 21,8
Количество отверстий : 5
Момент затяжки [Нм] : 100
Высота [мм] : 44
Диаметр центрирования [мм] : 68
Наружный диаметр [мм] : 280
|
|
Тормозной диск
PROFIT 5010-1730
Сторона установки : Задний мост
Тип тормозного диска : цельный
Толщина тормозного диска (мм) : 8
Минимальная толщина [мм] : 7
Количество отверстий : 5
Высота [мм] : 88,9
Наружный диаметр [мм] : 260
|
|
Тормозной диск
QUARO QD6182
Тип тормозного диска : цельный
Наружный диаметр [мм] : 260
Толщина тормозного диска (мм) : 8
Дополнительный артикул / дополнительная информация 2 : с колесным подшипником
Дополнительный артикул / дополнительная информация 2 : с встроенным магнитным сенсорным кольцом
Высота [мм] : 88
Диаметр осевой цапфы [мм] : 25
Ø фаски [мм] : 114
Диаметр центрирования [мм] : 50,2
Количество отверстий : 5
Поверхность : лакированный
Минимальная толщина [мм] : 7
|
|
Тормозной диск
QUARO QD9334
Сторона установки : передний мост
Тип тормозного диска : с внешней вентиляцией
Наружный диаметр [мм] : 280
Толщина тормозного диска (мм) : 24
Дополнительный артикул / дополнительная информация 2 : без ступицы
Дополнительный артикул / дополнительная информация 2 : без колесной крепящей оси
Высота [мм] : 44
Ø фаски [мм] : 114
Диаметр центрирования [мм] : 68
Количество отверстий : 5
Поверхность : лакированный
Минимальная толщина [мм] : 21,8
|
|
Тормозной диск
QUARO QD9334HC
Сторона установки : передний мост
Тип тормозного диска : с внешней вентиляцией
Наружный диаметр [мм] : 280
Толщина тормозного диска (мм) : 24
Дополнительный артикул / дополнительная информация 2 : без ступицы
Дополнительный артикул / дополнительная информация 2 : без колесной крепящей оси
Высота [мм] : 44
Ø фаски [мм] : 114
Диаметр центрирования [мм] : 68
Количество отверстий : 5
Обработка : Высокоуглеродистый
Поверхность : лакированный
Минимальная толщина [мм] : 21,8
|
|
Комплект болтов, тормозной диск
QUICK BRAKE 11663K
Длина [мм] : 17
Размер резьбы : M8x1,25
Тип резьбы : с наружной резьбой
Ширина зева гаечного ключа : Torx-40
|
|
Тормозной диск
QUINTON HAZELL BDC5986
Тип тормозного диска : цельный
Дополнительный артикул / дополнительная информация 2 : с интегрированным колесным подшипником
Дополнительный артикул / дополнительная информация 2 : с встроенным магнитным сенсорным кольцом
Наружный диаметр [мм] : 260
Толщина тормозного диска (мм) : 8
Минимальная толщина [мм] : 7
Высота [мм] : 86
Диаметр центрирования [мм] : 52
Ø фаски [мм] : 114
Количество отверстий : 5
|
|
Тормозной диск
QUINTON HAZELL BDC5838
Тип тормозного диска : вентилируемый
Наружный диаметр [мм] : 280
Толщина тормозного диска (мм) : 24
Минимальная толщина [мм] : 22
Высота [мм] : 44
Диаметр центрирования [мм] : 68
Ø фаски [мм] : 114
Количество отверстий : 5
|
|
Тормозной диск
R BRAKE 78RBD14023
Толщина тормозного диска (мм) : 7
Наружный диаметр [мм] : 260
Тип тормозного диска : цельный
Высота [мм] : 86,1
Диаметр центрирования [мм] : 50,2
Ø фаски [мм] : 114,3
Исполнение оси : Rear
Номер технической информации : 78BD4023-1
Дополнительный артикул / дополнительная информация 2 : с встроенным магнитным сенсорным кольцом
проверочное значение : E1 90R-02C0527/1691
проверочное значение : E1 90R-02C0559/0132
Диаметр [мм] : 50,2
Толщина [мм] : 8
Минимальная толщина [мм] : 7
Расположение/число отверстий : 5
Вес [кг] : 6 404
|
|
Тормозной диск
R BRAKE 78RBD24022
Толщина тормозного диска (мм) : 22
Наружный диаметр [мм] : 280
Тип тормозного диска : вентилируемый
Высота [мм] : 43,9
Диаметр центрирования [мм] : 68
Ø фаски [мм] : 114,3
Исполнение оси : Front
Номер технической информации : 78BD4022-2
проверочное значение : E1 90R-02C0592/1547
Диаметр [мм] : 68
Толщина [мм] : 24
Минимальная толщина [мм] : 22
Расположение/число отверстий : 5
|
|
Тормозной диск
RAICAM RD00704
Минимальная толщина [мм] : 21,8
Высота [мм] : 44
Наружный диаметр [мм] : 280
Вес [кг] : 6,8
Диаметр центрирования [мм] : 68
Тип тормозного диска : вентилируемый
выполняет нормы ЕЭК : E1
Число отверстий в диске колеса : 5
Толщина тормозного диска (мм) : 24
Сторона установки : передний мост
|
|
Тормозной диск
RCA FRANCE RCABK14
Сторона установки : Задний мост
Тип тормозного диска : цельный
Толщина тормозного диска (мм) : 8
Момент затяжки [Нм] : 280
Внутренний диаметр 1(мм) : 25
Количество отверстий : 5
Дополнительный артикул / дополнительная информация 2 : с интегрированным колесным подшипником
Дополнительный артикул / дополнительная информация 2 : с интегрированным датчиком ABS
Диаметр точек крепления [мм] : 12
Наружный диаметр [мм] : 260
|
|
Тормозной диск
REMSA 61346.10
Тип тормозного диска : вентилируемый
Диаметр [мм] : 280
Толщина тормозного диска (мм) : 24
Минимальная толщина [мм] : 21,8
Высота [мм] : 44
Диаметр центрирования [мм] : 68
Количество отверстий : 5
Вес [кг] : 6,68
Сторона установки : передний мост
Наружный диаметр [мм] : 280
|
|
Тормозной диск
REMSA 61387.20
Сторона установки : Задний мост
Тип тормозного диска : цельный
Толщина тормозного диска (мм) : 8
Диаметр [мм] : 260
Количество отверстий : 5
Дополнительный артикул / дополнительная информация 2 : с интегрированным колесным подшипником
Минимальная толщина [мм] : 7
Высота [мм] : 86,2
Дополнительный артикул / дополнительная информация 2 : с кольцом сенсора ABS
Наружный диаметр [мм] : 260
Дополнительный артикул / дополнительная информация 2 : с колесным подшипником
|
|
Тормозной диск
RIDEX 82B0283
Толщина тормозного диска (мм) : 24
Тип тормозного диска : с внешней вентиляцией
Наружный диаметр [мм] : 280
Сторона установки : передний мост
Минимальная толщина [мм] : 21,8
Высота [мм] : 44
Расположение/число отверстий : 05/07
Ø фаски [мм] : 114,3
Диаметр центрирования [мм] : 68
Дополнительный артикул / дополнительная информация 2 : без ступицы
Внутренний диаметр : 140
Диаметр отверстия [мм] : 15,7
Поверхность : без покрытия
|
|
Тормозной диск
RIDEX 82B0540
Тип тормозного диска : цельный
Количество отверстий : 5
Высота [мм] : 86,2
Толщина тормозного диска (мм) : 8
Минимальная толщина [мм] : 7
Ø фаски [мм] : 114,3
Дополнительный артикул / дополнительная информация 2 : без кольца сенсора ABS
Дополнительный артикул / дополнительная информация 2 : без колесного подшипника
Диаметр центрирования [мм] : 52,3
Внутренний диаметр : 137
Размер резьбы : M12x1,5
Сторона установки : Задний мост
Наружный диаметр [мм] : 260
Число отверстий в диске колеса : 5
Диаметр ступицы [мм] : 50
Вес [кг] : 5,48
|
|
Тормозной диск
RIDEX 82B0993
Толщина тормозного диска (мм) : 8
Тип тормозного диска : цельный
Минимальная толщина [мм] : 7
Высота [мм] : 88
Ø фаски [мм] : 114,3
Диаметр центрирования [мм] : 50,2
Диаметр осевой цапфы [мм] : 25
Дополнительный артикул / дополнительная информация 2 : с колесным подшипником
Дополнительный артикул / дополнительная информация 2 : с встроенным магнитным сенсорным кольцом
Наружный диаметр [мм] : 260
Поверхность : без покрытия
Количество отверстий : 5
|
|
Тормозной диск
ROADHOUSE 61346.10
Тип тормозного диска : вентилируемый
Диаметр [мм] : 280
Толщина тормозного диска (мм) : 24
Минимальная толщина [мм] : 21,8
Высота [мм] : 44
Диаметр центрирования [мм] : 68
Количество отверстий : 5
Вес [кг] : 6,68
Сторона установки : передний мост
Наружный диаметр [мм] : 280
|
|
Тормозной диск
ROADHOUSE 61387.20
Сторона установки : Задний мост
Тип тормозного диска : цельный
Толщина тормозного диска (мм) : 8
Наружный диаметр [мм] : 260
Количество отверстий : 5
Дополнительный артикул / дополнительная информация 2 : с колесным подшипником
Минимальная толщина [мм] : 7
Высота [мм] : 86,2
Дополнительный артикул / дополнительная информация 2 : с кольцом сенсора ABS
Диаметр [мм] : 260
Дополнительный артикул / дополнительная информация 2 : с интегрированным колесным подшипником
|
|
Тормозной диск
ROTINGER RT 3254BS
Тип тормозного диска : цельный
Дополнительный артикул / дополнительная информация 2 : с колесным подшипником
Дополнительный артикул / дополнительная информация 2 : с кольцом сенсора ABS
Сторона установки : Задний мост
Наружный диаметр [мм] : 260,2
Диаметр центрирования [мм] : 52,3
Высота [мм] : 86,3
Толщина тормозного диска (мм) : 8
Минимальная толщина [мм] : 7
Вес [кг] : 6,4
|
|
Тормозной диск
ROTINGER RT 3254BS-GL
Тип тормозного диска : цельный
Дополнительный артикул / дополнительная информация 2 : с кольцом сенсора ABS
Дополнительный артикул / дополнительная информация 2 : с колесным подшипником
Поверхность : с гальваническим покрытием
Сторона установки : Задний мост
Наружный диаметр [мм] : 260,2
Диаметр центрирования [мм] : 52,3
Высота [мм] : 86,3
Толщина тормозного диска (мм) : 8
Минимальная толщина [мм] : 7
Вес [кг] : 6,4
|
|
Тормозной диск
ROTINGER RT 3254BS-GL T3
Тип тормозного диска : цельный
Тип тормозного диска : перфорированный
Дополнительный артикул / дополнительная информация 2 : с колесным подшипником
Дополнительный артикул / дополнительная информация 2 : с кольцом сенсора ABS
Поверхность : с гальваническим покрытием
Сторона установки : Задний мост
Наружный диаметр [мм] : 260,2
Диаметр центрирования [мм] : 52,3
Высота [мм] : 86,3
Толщина тормозного диска (мм) : 8
Минимальная толщина [мм] : 7
Вес [кг] : 6,4
|
|
Тормозной диск
ROTINGER RT 3254BS-GL T5
Тип тормозного диска : цельный
Тип тормозного диска : перфорированный
Дополнительный артикул / дополнительная информация 2 : с кольцом сенсора ABS
Дополнительный артикул / дополнительная информация 2 : с колесным подшипником
Поверхность : с гальваническим покрытием
Сторона установки : Задний мост
Наружный диаметр [мм] : 260,2
Диаметр центрирования [мм] : 52,3
Высота [мм] : 86,3
Толщина тормозного диска (мм) : 8
Минимальная толщина [мм] : 7
Вес [кг] : 6,4
|
|
Тормозной диск
ROTINGER RT 3254BS-GL T6
Тип тормозного диска : цельный
Дополнительный артикул / дополнительная информация 2 : с колесным подшипником
Дополнительный артикул / дополнительная информация 2 : с кольцом сенсора ABS
Поверхность : с гальваническим покрытием
Сторона установки : Задний мост
Наружный диаметр [мм] : 260,2
Диаметр центрирования [мм] : 52,3
Высота [мм] : 86,3
Толщина тормозного диска (мм) : 8
Минимальная толщина [мм] : 7
Вес [кг] : 6,4
|
|
Тормозной диск
ROTINGER RT 3254BS-GL T9
Тип тормозного диска : цельный
Дополнительный артикул / дополнительная информация 2 : с кольцом сенсора ABS
Дополнительный артикул / дополнительная информация 2 : с колесным подшипником
Поверхность : с гальваническим покрытием
Сторона установки : Задний мост
Наружный диаметр [мм] : 260,2
Диаметр центрирования [мм] : 52,3
Высота [мм] : 86,3
Толщина тормозного диска (мм) : 8
Минимальная толщина [мм] : 7
Вес [кг] : 6,4
|
|
Тормозной диск
ROTINGER RT 4504
Тип тормозного диска : вентилируемый
Сторона установки : передний мост
Наружный диаметр [мм] : 280
Внутренний диаметр : 139,7
Диаметр центрирования [мм] : 68
Высота [мм] : 44
Толщина тормозного диска (мм) : 24
Минимальная толщина [мм] : 21,8
Количество отверстий : 5
Размер резьбы : 15,7
Количество отверстий 1 : 2
Расстояние между отверст. 1 [мм] : 114,3
Вес [кг] : 6,7
Ø фаски [мм] : 114,3
|
|
Тормозной диск
ROTINGER RT 4504-GL
Тип тормозного диска : вентилируемый
Поверхность : с гальваническим покрытием
Сторона установки : передний мост
Наружный диаметр [мм] : 280
Внутренний диаметр : 139,7
Диаметр центрирования [мм] : 68
Высота [мм] : 44
Толщина тормозного диска (мм) : 24
Минимальная толщина [мм] : 21,8
Количество отверстий : 5
Размер резьбы : 15,7
Количество отверстий 1 : 2
Расстояние между отверст. 1 [мм] : 114,3
Вес [кг] : 6,7
Ø фаски [мм] : 114,3
|
|
Тормозной диск
ROTINGER RT 4504-GL T3
Тип тормозного диска : перфорированный
Тип тормозного диска : вентилируемый
Поверхность : с гальваническим покрытием
Сторона установки : передний мост
Наружный диаметр [мм] : 280
Внутренний диаметр : 139,7
Диаметр центрирования [мм] : 68
Высота [мм] : 44
Толщина тормозного диска (мм) : 24
Минимальная толщина [мм] : 21,8
Количество отверстий : 5
Размер резьбы : 15,7
Количество отверстий 1 : 2
Расстояние между отверст. 1 [мм] : 114,3
Вес [кг] : 6,7
Ø фаски [мм] : 114,3
|
|
Тормозной диск
ROTINGER RT 4504-GL T5
Тип тормозного диска : перфорированный
Тип тормозного диска : вентилируемый
Поверхность : с гальваническим покрытием
Сторона установки : передний мост
Наружный диаметр [мм] : 280
Внутренний диаметр : 139,7
Диаметр центрирования [мм] : 68
Высота [мм] : 44
Толщина тормозного диска (мм) : 24
Минимальная толщина [мм] : 21,8
Количество отверстий : 5
Размер резьбы : 15,7
Количество отверстий 1 : 2
Расстояние между отверст. 1 [мм] : 114,3
Вес [кг] : 6,7
Ø фаски [мм] : 114,3
|
|
Тормозной диск
ROTINGER RT 4504-GL T6
Тип тормозного диска : вентилируемый
Поверхность : с гальваническим покрытием
Сторона установки : передний мост
Наружный диаметр [мм] : 280
Внутренний диаметр : 139,7
Диаметр центрирования [мм] : 68
Высота [мм] : 44
Толщина тормозного диска (мм) : 24
Минимальная толщина [мм] : 21,8
Количество отверстий : 5
Размер резьбы : 15,7
Количество отверстий 1 : 2
Расстояние между отверст. 1 [мм] : 114,3
Вес [кг] : 6,7
Ø фаски [мм] : 114,3
|
|
Тормозной диск
ROTINGER RT 4504-GL T9
Тип тормозного диска : вентилируемый
Поверхность : с гальваническим покрытием
Сторона установки : передний мост
Наружный диаметр [мм] : 280
Внутренний диаметр : 139,7
Диаметр центрирования [мм] : 68
Высота [мм] : 44
Толщина тормозного диска (мм) : 24
Минимальная толщина [мм] : 21,8
Количество отверстий : 5
Размер резьбы : 15,7
Количество отверстий 1 : 2
Расстояние между отверст. 1 [мм] : 114,3
Вес [кг] : 6,7
Ø фаски [мм] : 114,3
|
|
Тормозной диск
SAMKO R1036V
Высота [мм] : 44
Тип тормозного диска : вентилируемый
Толщина тормозного диска (мм) : 24
Минимальная толщина [мм] : 21,8
Диаметр центрирования [мм] : 68
Количество отверстий : 5
Наружный диаметр [мм] : 280
|
|
Тормозной диск
SAMKO R1036VR
Минимальная толщина [мм] : 21,8
Поверхность : с покрытием
Диаметр центрирования [мм] : 68
Высота [мм] : 44
Толщина тормозного диска (мм) : 24
Тип тормозного диска : вентилируемый
Количество отверстий : 5
Наружный диаметр [мм] : 280
|
|
Тормозной диск
SAMKO R1040PCA
Наружный диаметр [мм] : 260
Высота [мм] : 86,2
Тип тормозного диска : цельный
Минимальная толщина [мм] : 7
Момент затяжки [Нм] : 220
Дополнительный артикул / дополнительная информация 2 : с кольцом сенсора ABS
Диаметр центрирования [мм] : 25
Дополнительный артикул / Дополнительная информация : с аксессуарами
Дополнительный артикул / дополнительная информация 2 : с комплектом колесного подшипника
Количество отверстий : 5
Толщина тормозного диска (мм) : 8
|
|
Тормозной диск
SAMKO R1040PRCA
Количество отверстий : 5
Высота [мм] : 86,2
Тип тормозного диска : цельный
Толщина тормозного диска (мм) : 8
Минимальная толщина [мм] : 7
Наружный диаметр [мм] : 260
Момент затяжки [Нм] : 220
Дополнительный артикул / Дополнительная информация : с аксессуарами
Поверхность : с покрытием
Дополнительный артикул / дополнительная информация 2 : с кольцом сенсора ABS
Диаметр центрирования [мм] : 25
Дополнительный артикул / дополнительная информация 2 : с комплектом колесного подшипника
|
|
Тормозной диск
SASIC 6104017
Сторона установки : передний мост
Тип тормозного диска : вентилируемый
Наружный диаметр [мм] : 280
Толщина тормозного диска (мм) : 24
Высота [мм] : 44
Ø фаски [мм] : 68
Количество отверстий : 5
для оригинального номера : 402067902R
Дополнительный артикул / дополнительная информация 2 : без колесного подшипника
заменяется только попарно :
|
|
Тормозной диск
SASIC 6104029
Сторона установки : Задний мост
Тип тормозного диска : цельный
Наружный диаметр [мм] : 260
Толщина тормозного диска (мм) : 8
Высота [мм] : 86,1
Ø фаски [мм] : 62,3
Количество отверстий : 5
для оригинального номера : 432008191R
Дополнительный артикул / дополнительная информация 2 : с колесным подшипником
заменяется только попарно :
|
|
Тормозной диск
SKF VKBD 80008 V2
Тип тормозного диска : вентилируемый
Наружный диаметр [мм] : 280
Толщина тормозного диска (мм) : 24
Высота [мм] : 44
Ø фаски [мм] : 114,3
Диаметр центрирования [мм] : 68,1
Количество отверстий : 5
Поверхность : с покрытием
Минимальная толщина [мм] : 21,8
Число отверстий : 2
|
|
Тормозной диск
SKF VKBD 1026
Ширина [мм] : 48
Высота [мм] : 86,2
Тип тормозного диска : цельный
Толщина тормозного диска (мм) : 8
Внутренний диаметр : 25
Наружный диаметр [мм] : 260
Наружный диаметр [мм] : 55
Число отверстий в диске колеса : 5
Дополнительный артикул / дополнительная информация 2 : с встроенным магнитным сенсорным кольцом
|
|
Тормозной диск
SNR KF155.103U
Дополнительный артикул / дополнительная информация 2 : с встроенным магнитным сенсорным кольцом
Дополнительный артикул / дополнительная информация 2 : с валовым подшипником
Толщина тормозного диска (мм) : 8
Наружный диаметр [мм] : 260
Тип тормозного диска : цельный
|
|
Тормозной диск
Stark SKBD-0020288
Толщина тормозного диска (мм) : 24
Тип тормозного диска : с внешней вентиляцией
Наружный диаметр [мм] : 280
Сторона установки : передний мост
Минимальная толщина [мм] : 21,8
Высота [мм] : 44
Расположение/число отверстий : 05/07
Ø фаски [мм] : 114,3
Диаметр центрирования [мм] : 68
Дополнительный артикул / дополнительная информация 2 : без ступицы
Внутренний диаметр : 140
Диаметр отверстия [мм] : 15,7
Поверхность : без покрытия
|
|
Тормозной диск
Stark SKBD-0022309
Тип тормозного диска : цельный
Количество отверстий : 5
Высота [мм] : 86,2
Толщина тормозного диска (мм) : 8
Минимальная толщина [мм] : 7
Ø фаски [мм] : 114,3
Дополнительный артикул / дополнительная информация 2 : без кольца сенсора ABS
Дополнительный артикул / дополнительная информация 2 : без колесного подшипника
Диаметр центрирования [мм] : 52,3
Внутренний диаметр : 137
Размер резьбы : M12x1,5
Сторона установки : Задний мост
Наружный диаметр [мм] : 260
Число отверстий в диске колеса : 5
Диаметр ступицы [мм] : 50
Вес [кг] : 5,48
|
|
Тормозной диск
Stark SKBD-0023143
Толщина тормозного диска (мм) : 8
Тип тормозного диска : цельный
Минимальная толщина [мм] : 7
Высота [мм] : 88
Ø фаски [мм] : 114,3
Диаметр центрирования [мм] : 50,2
Диаметр осевой цапфы [мм] : 25
Дополнительный артикул / дополнительная информация 2 : с колесным подшипником
Дополнительный артикул / дополнительная информация 2 : с встроенным магнитным сенсорным кольцом
Наружный диаметр [мм] : 260
Поверхность : без покрытия
Количество отверстий : 5
|
|
Тормозной диск
STELLOX 6020-1697-SX
Наружный диаметр [мм] : 296
Толщина тормозного диска (мм) : 26
Высота [мм] : 44
Диаметр центрирования [мм] : 68
Количество отверстий : 5
Минимальная толщина [мм] : 23,4
Тип тормозного диска : вентилируемый
Сторона установки : передний мост
|
|
Тормозной диск
STELLOX 6020-1697K-SX
Наружный диаметр [мм] : 296
Толщина тормозного диска (мм) : 26
Высота [мм] : 44
Ø фаски [мм] : 114,3
Тип тормозного диска : вентилируемый
Диаметр ступицы [мм] : 68
Сторона установки : передний мост
|
|
Тормозной диск
STELLOX 6020-1774-SX
Наружный диаметр [мм] : 260
Толщина тормозного диска (мм) : 8
Высота [мм] : 86,2
Диаметр центрирования [мм] : 52,3
Количество отверстий : 5
Минимальная толщина [мм] : 7
Тип тормозного диска : цельный
Дополнительный артикул / дополнительная информация 2 : с кольцом сенсора ABS
Сторона установки : Задний мост
|
|
Тормозной диск
STELLOX 6020-9322-SX
Толщина тормозного диска (мм) : 8
Количество отверстий : 5
Тип тормозного диска : цельный
Дополнительный артикул / дополнительная информация 2 : с кольцом сенсора ABS
Дополнительный артикул / дополнительная информация 2 : с интегрированным колесным подшипником
Наружный диаметр [мм] : 260
Сторона установки : Задний мост
|
|
Тормозной диск
STELLOX 6020-9322K-SX
Толщина тормозного диска (мм) : 8
Тип тормозного диска : цельный
Наружный диаметр [мм] : 260
Сторона установки : Задний мост
|
|
Тормозной диск
STELLOX 6020-9963-SX
Наружный диаметр [мм] : 280
Толщина тормозного диска (мм) : 24
Высота [мм] : 44
Количество отверстий : 5
Ø фаски [мм] : 68
Минимальная толщина [мм] : 21,8
Тип тормозного диска : вентилируемый
Сторона установки : передний мост
|
|
Тормозной диск
STELLOX 6020-9963K-SX
Наружный диаметр [мм] : 280
Толщина тормозного диска (мм) : 24
Тип тормозного диска : вентилируемый
Сторона установки : передний мост
|
|
Тормозной диск
STELLOX 6021-0134-SX
Толщина тормозного диска (мм) : 8
Тип тормозного диска : цельный
Дополнительный артикул / дополнительная информация 2 : с колесным подшипником
Наружный диаметр [мм] : 260
Сторона установки : Задний мост
|
|
Тормозной диск
SWAG 60 10 8405
Толщина тормозного диска (мм) : 24
Число отверстий в диске колеса : 5
Количество крепежных отверстий : 2
Толщина [мм] : 44
Наружный диаметр [мм] : 280
Ø фаски [мм] : 114,3
Поверхность : с покрытием
Тип тормозного диска : вентилируемый
Сторона установки : передний мост
Минимальная толщина [мм] : 22
Диаметр центрирования [мм] : 68
|
|
Тормозной диск
SWAG 60 93 8306
Толщина тормозного диска (мм) : 8
Число отверстий в диске колеса : 5
Толщина [мм] : 86,2
Наружный диаметр [мм] : 260
Ø фаски [мм] : 114,3
Поверхность : промасленный
Тип тормозного диска : цельный
Сторона установки : Задний мост
Минимальная толщина [мм] : 7
Диаметр центрирования [мм] : 52,3
Дополнительный артикул / дополнительная информация 2 : с масляным колпаком
Дополнительный артикул / дополнительная информация 2 : с кольцом сенсора ABS
|
|
Тормозной диск
TEXTAR 92195505
Тип тормозного диска : с внешней вентиляцией
Наружный диаметр [мм] : 280
Толщина тормозного диска (мм) : 24
Высота [мм] : 44
Минимальная толщина [мм] : 21,8
Обработка : Высокоуглеродистый
Поверхность : с покрытием
Внутренний диаметр : 139,8
Ø фаски [мм] : 114,3
Диаметр центрирования [мм] : 68
Расположение/число отверстий : 05/07
Диаметр отверстия под шпильку колеса [мм] : 15,8
Дополнительный артикул / дополнительная информация 2 : без ступицы
Дополнительный артикул / дополнительная информация 2 : без колесного подшипника
Дополнительный артикул / дополнительная информация 2 : без колесной крепящей оси
Длина упаковки [см] : 29,3
Ширина упаковки [см] : 29,3
Высота упаковки [см] : 10,5
Вес [кг] : 6,7
|
|
Тормозной диск
TEXTAR 92196003
Тип тормозного диска : цельный
Наружный диаметр [мм] : 260
Толщина тормозного диска (мм) : 8
Минимальная толщина [мм] : 7
Поверхность : с покрытием
Высота [мм] : 88
Расположение/число отверстий : 05/05
Ø фаски [мм] : 114,3
Диаметр центрирования [мм] : 50,2
Диаметр осевой цапфы [мм] : 25
Внутренний диаметр : 136
Диаметр отверстия под шпильку колеса [мм] : 12
Дополнительный артикул / дополнительная информация 2 : с встроенным магнитным сенсорным кольцом
Дополнительный артикул / дополнительная информация 2 : с колесным подшипником
Дополнительный артикул / Дополнительная информация : с гайкой хвостовика моста
Дополнительный артикул / дополнительная информация 2 : без колесной крепящей оси
Дополнительный артикул / дополнительная информация 2 : cо ступицей
Длина упаковки [см] : 27,8
Ширина упаковки [см] : 27,8
Высота упаковки [см] : 12,2
Вес [кг] : 6,2
|
|
Тормозной диск
TOMEX Brakes TX 72-61
Сторона установки : передний мост
Тип тормозного диска : вентилируемый
Толщина тормозного диска (мм) : 24
Наружный диаметр [мм] : 280
Высота [мм] : 44
Количество отверстий : 5
Диаметр центрирования [мм] : 68
Ø фаски [мм] : 114,3
Поверхность : лакированный
Вес [кг] : 13,25
Минимальная толщина [мм] : 21,8
|
|
Тормозной диск
TOMEX Brakes TX 73-561
Сторона установки : Задний мост
Тип тормозного диска : цельный
Толщина тормозного диска (мм) : 8
Наружный диаметр [мм] : 260
Высота [мм] : 86,2
Количество отверстий : 5
Диаметр центрирования [мм] : 54,9
Ø фаски [мм] : 114,3
Поверхность : лакированный
Дополнительный артикул / дополнительная информация 2 : с колесным подшипником
Дополнительный артикул / дополнительная информация 2 : с кольцом сенсора ABS
Диаметр осевой цапфы [мм] : 25
Вес [кг] : 6,1
Минимальная толщина [мм] : 7
|
|
Тормозной диск
TOPRAN 701 100
Сторона установки : передний мост
Тип тормозного диска : вентилируемый
Поверхность : с покрытием
Наружный диаметр [мм] : 280
Диаметр ступицы [мм] : 68
Толщина тормозного диска (мм) : 24
Высота [мм] : 44
Число отверстий в диске колеса : 5
Ø фаски [мм] : 114,3
заменяется только попарно :
|
|
Тормозной диск
TOPRAN 701 161
Сторона установки : Задний мост
Тип тормозного диска : цельный
Дополнительный артикул / дополнительная информация 2 : с колесным подшипником
Дополнительный артикул / дополнительная информация 2 : с кольцом сенсора ABS
Поверхность : с покрытием
Наружный диаметр [мм] : 260
Толщина тормозного диска (мм) : 8
Высота [мм] : 88
Число отверстий в диске колеса : 5
Ø фаски [мм] : 114,3
заменяется только попарно :
Диаметр центрирования [мм] : 66
|
|
Тормозной диск
TRIALLI DF 095107
Сторона установки : передний мост
Тип тормозного диска : вентилируемый
Толщина тормозного диска (мм) : 24
Наружный диаметр [мм] : 280
Ø фаски [мм] : 114,3
Количество отверстий : 5
ненаправленные тормозные колодки :
Высота [мм] : 44
Диаметр отверстия [мм] : 15,7
Диаметр центрирования [мм] : 68
Минимальная толщина [мм] : 21,8
Количество : 2
|
|
Тормозной диск
TRIALLI DF 095113
Тип тормозного диска : цельный
Сторона установки : Задний мост
Наружный диаметр [мм] : 260
Высота [мм] : 86,2
Толщина тормозного диска (мм) : 8
Минимальная толщина [мм] : 7
Диаметр центрирования [мм] : 52,3
Количество крепежных отверстий : 5
Ø фаски [мм] : 114,3
Вес [кг] : 5,206
|
|
Тормозной диск
TRIALLI DF 0953s
Сторона установки : передний мост
Тип тормозного диска : вентилируемый
Толщина тормозного диска (мм) : 24
Наружный диаметр [мм] : 280
Высота [мм] : 44
Минимальная толщина [мм] : 21,8
Диаметр центрирования [мм] : 68
Ø фаски [мм] : 114,3
Диаметр отверстия [мм] : 15,7
Количество отверстий : 5
Вес [кг] : 6,68
|
|
Комплект болтов, тормозной диск
TRISCAN 8105 116004
Длина [мм] : 17
Размер резьбы : M8x1,25
Тип резьбы : с наружной резьбой
Ширина зева гаечного ключа : Torx-40
|
|
Тормозной диск
TRISCAN 8120 25155C
Наружный диаметр [мм] : 280
Диаметр центрирования [мм] : 68
Тип тормозного диска : вентилируемый
Высота [мм] : 44
Количество отверстий : 5
Толщина тормозного диска (мм) : 24
Минимальная толщина [мм] : 22
|
|
Тормозной диск
TRISCAN 8120 25173C
Наружный диаметр [мм] : 260
Диаметр центрирования [мм] : 55
Тип тормозного диска : цельный
Высота [мм] : 86,2
Толщина тормозного диска (мм) : 8
Минимальная толщина [мм] : 7
Тип тормоза : Тормозной диск с подшипником
Дополнительный артикул / дополнительная информация 2 : с интегрированным датчиком ABS
Внутренний диаметр : 25
|
|
Тормозной диск
TRUSTING DF1359
проверочное значение : ECE-R90
Высота [мм] : 44
Тип тормозного диска : вентилируемый
Толщина тормозного диска (мм) : 24
Наружный диаметр [мм] : 280
Количество отверстий : 5
Диаметр центрирования [мм] : 68
Поверхность : лакированный
|
|
Тормозной диск
TRUSTING DF1431A
проверочное значение : ECE-R90
Высота [мм] : 86,2
Тип тормозного диска : цельный
Толщина тормозного диска (мм) : 8
Наружный диаметр [мм] : 260
Количество отверстий : 5
Диаметр центрирования [мм] : 66
Дополнительный артикул / дополнительная информация 2 : с кольцом сенсора ABS
Дополнительный артикул / дополнительная информация 2 : с колесным подшипником
|
|
Тормозной диск
TRW DF6072
Тип тормозного диска : вентилируемый
Наружный диаметр [мм] : 280
Толщина тормозного диска (мм) : 24
Минимальная толщина [мм] : 21,8
Высота [мм] : 44
Количество отверстий : 5
Диаметр центрирования [мм] : 68
Ø фаски [мм] : 114,3
Диаметр отверстия 1 [мм] : 15,7
Диаметр отверстия 2 [мм] : 8,5
Цвет : чёрный
Поверхность : лакированный
Размер резьбы : 15.7
проверочное значение : E1 90R-02 C0185/0659
SVHC : Нет информации, обратитесь, пожалуйста, к производителю!
|
|
Тормозной диск
TRW DF6182
Тип тормозного диска : цельный
Количество отверстий : 5
Наружный диаметр [мм] : 260
Диаметр центрирования [мм] : 54,9
Высота [мм] : 86,2
Толщина тормозного диска (мм) : 8
Минимальная толщина [мм] : 7
Ø фаски [мм] : 114,3
Цвет : чёрный
Поверхность : лакированный
Дополнительный артикул / дополнительная информация 2 : без кольца сенсора ABS
Дополнительный артикул / дополнительная информация 2 : без колесного подшипника
SVHC : Нет информации, обратитесь, пожалуйста, к производителю!
|
|
Тормозной диск
TRW DF6182BS
Тип тормозного диска : цельный
Наружный диаметр [мм] : 260
Количество отверстий : 5
Диаметр центрирования [мм] : 54,9
Высота [мм] : 86,2
Толщина тормозного диска (мм) : 8
Минимальная толщина [мм] : 7
Ø фаски [мм] : 114,3
Диаметр осевой цапфы [мм] : 25
Цвет : чёрный
Поверхность : лакированный
Дополнительный артикул / дополнительная информация 2 : с кольцом сенсора ABS
Дополнительный артикул / дополнительная информация 2 : с колесным подшипником
SVHC : Нет информации, обратитесь, пожалуйста, к производителю!
|
|
Тормозной диск
VAICO V46-80017
Число отверстий в диске колеса : 5
Высота [мм] : 44
Тип тормозного диска : вентилируемый
Толщина тормозного диска (мм) : 24
Минимальная толщина [мм] : 21,8
Наружный диаметр [мм] : 280
Диаметр центрирования [мм] : 68
Ø фаски [мм] : 114,3
Высота ступицы тормозного диска [мм] : 20
|
|
Тормозной диск
WOKING D61346.10
Тип тормозного диска : вентилируемый
Диаметр [мм] : 280
Толщина тормозного диска (мм) : 24
Минимальная толщина [мм] : 21,8
Высота [мм] : 44
Диаметр центрирования [мм] : 68
Количество отверстий : 5
Вес [кг] : 6,68
Сторона установки : передний мост
Наружный диаметр [мм] : 280
|
|
Тормозной диск
WOKING D61387.20
Сторона установки : Задний мост
Тип тормозного диска : цельный
Толщина тормозного диска (мм) : 8
Диаметр [мм] : 260
Количество отверстий : 5
Минимальная толщина [мм] : 7
Высота [мм] : 86,2
Дополнительный артикул / дополнительная информация 2 : с кольцом сенсора ABS
Наружный диаметр [мм] : 260
Дополнительный артикул / дополнительная информация 2 : с интегрированным колесным подшипником
Дополнительный артикул / дополнительная информация 2 : с колесным подшипником
|
|
Тормозной диск
ZEKKERT BS-5001
Тип тормозного диска : вентилируемый
Наружный диаметр [мм] : 280
Высота [мм] : 44
Толщина тормозного диска (мм) : 24
Минимальная толщина [мм] : 22
Количество отверстий : 7
Диаметр центрирования [мм] : 68
Диаметр расположения крепёжных отверстий ступицы [мм] : 114,3
Номера артикулов рекомендуемых комплектующих : CP-1105
Номера артикулов рекомендуемых комплектующих : CP-1205
Номера артикулов рекомендуемых комплектующих : CP-1305
Номера артикулов рекомендуемых комплектующих : CP-1965
Номера артикулов рекомендуемых комплектующих : FK-2005
Номера артикулов рекомендуемых комплектующих : FK-2010
Вес [кг] : 6,95
|
|
Тормозной диск
ZEKKERT BS-5001B
Тип тормозного диска : вентилируемый
Наружный диаметр [мм] : 280
Высота [мм] : 44
Толщина тормозного диска (мм) : 24
Минимальная толщина [мм] : 22
Количество отверстий : 7
Диаметр центрирования [мм] : 68,1
Диаметр расположения крепёжных отверстий ступицы [мм] : 114,3
Номера артикулов рекомендуемых комплектующих : CP-1105
Номера артикулов рекомендуемых комплектующих : CP-1205
Номера артикулов рекомендуемых комплектующих : CP-1305
Номера артикулов рекомендуемых комплектующих : CP-1965
Номера артикулов рекомендуемых комплектующих : FK-2005
Номера артикулов рекомендуемых комплектующих : FK-2010
Вес [кг] : 6,95
|
|
Тормозной диск
ZEKKERT BS-5877
Тип тормозного диска : цельный
Наружный диаметр [мм] : 260
Высота [мм] : 86
Толщина тормозного диска (мм) : 8
Минимальная толщина [мм] : 7
Количество отверстий : 5
Диаметр центрирования [мм] : 54,9
Диаметр расположения крепёжных отверстий ступицы [мм] : 114,3
Номера артикулов рекомендуемых комплектующих : CP-1105
Номера артикулов рекомендуемых комплектующих : CP-1205
Номера артикулов рекомендуемых комплектующих : CP-1305
Номера артикулов рекомендуемых комплектующих : CP-1965
Номера артикулов рекомендуемых комплектующих : FK-2005
Номера артикулов рекомендуемых комплектующих : FK-2010
Вес [кг] : 6,08
|
|
Тормозной диск
ZEKKERT BS-5877BZ
Тип тормозного диска : цельный
Наружный диаметр [мм] : 260
Высота [мм] : 86
Толщина тормозного диска (мм) : 8
Минимальная толщина [мм] : 7
Количество отверстий : 5
Диаметр центрирования [мм] : 54,9
Поверхность : лакированный
Диаметр расположения крепёжных отверстий ступицы [мм] : 114,3
Номера артикулов рекомендуемых комплектующих : CP-1105
Номера артикулов рекомендуемых комплектующих : CP-1205
Номера артикулов рекомендуемых комплектующих : CP-1305
Номера артикулов рекомендуемых комплектующих : CP-1965
Номера артикулов рекомендуемых комплектующих : FK-2005
Номера артикулов рекомендуемых комплектующих : FK-2010
Вес [кг] : 6,08
|
|
Тормозной диск
ZEKKERT BS-6658
Тип тормозного диска : цельный
Наружный диаметр [мм] : 260
Высота [мм] : 87,9
Толщина тормозного диска (мм) : 8
Минимальная толщина [мм] : 7
Количество отверстий : 5
Диаметр центрирования [мм] : 50,2
Сторона установки : Задний мост
Диаметр расположения крепёжных отверстий ступицы [мм] : 114,3
Номера артикулов рекомендуемых комплектующих : CP-1105
Номера артикулов рекомендуемых комплектующих : CP-1205
Номера артикулов рекомендуемых комплектующих : CP-1305
Номера артикулов рекомендуемых комплектующих : CP-1965
Номера артикулов рекомендуемых комплектующих : FK-2005
Номера артикулов рекомендуемых комплектующих : FK-2010
Вес [кг] : 5,83
|
|
Тормозной диск
ZIMMERMANN 470.2433.20
Сторона установки : передний мост
Тип тормозного диска : с внешней вентиляцией
Обработка : Высокоуглеродистый
Поверхность : с покрытием
Наружный диаметр [мм] : 280
Толщина тормозного диска (мм) : 24
Высота [мм] : 44
Число отверстий в диске колеса : 5
Ø фаски [мм] : 114
Диаметр центрирования [мм] : 68
проверочное значение : ECE R90 APPROVED
Минимальная толщина [мм] : 21,8
Расположение/число отверстий : 7/5
Вес [кг] : 6,7
|
|
Тормозной диск
ZIMMERMANN 470.2433.52
Сторона установки : передний мост
Тип тормозного диска : с внешней вентиляцией
Тип тормозного диска : перфорированный
Обработка : Высокоуглеродистый
Поверхность : с покрытием
Наружный диаметр [мм] : 280
Толщина тормозного диска (мм) : 24
Высота [мм] : 44
Число отверстий в диске колеса : 5
Ø фаски [мм] : 114
Диаметр центрирования [мм] : 68
проверочное значение : ECE R90 APPROVED
Минимальная толщина [мм] : 21,8
Расположение/число отверстий : 7/5
Вес [кг] : 6,7
|
|
Тормозной диск
ZIMMERMANN 470.5400.20
Сторона установки : Задний мост
Тип тормозного диска : цельный
Поверхность : с покрытием
Наружный диаметр [мм] : 260
Толщина тормозного диска (мм) : 8
Высота [мм] : 88
Число отверстий в диске колеса : 5
Ø фаски [мм] : 114
Диаметр центрирования [мм] : 52,3
Диаметр осевой цапфы [мм] : 25
Дополнительный артикул / дополнительная информация 2 : с колесным подшипником
Дополнительный артикул / дополнительная информация 2 : с кольцом сенсора ABS
Дополнительный артикул / дополнительная информация 2 : с гайкой
Дополнительный артикул / дополнительная информация 2 : с предохранительным колпачком впрыскивания
проверочное значение : ECE R90 APPROVED
Минимальная толщина [мм] : 7
Расположение/число отверстий : 5/5
Вес [кг] : 6,1
|