ПОДДЕРЖКА САЙТА


Написать сообщение
MODELS SUZUKI SJ 413 (OS) 1.3 (SJ 413) Тормозной диск

Выберите группу

Выберите запчасти

Изображение Описание
Тормозной диск
A.B.S. 15657

Наружный диаметр [мм] : 290
Толщина тормозного диска (мм) : 10
Минимальная толщина [мм] : 9
Высота [мм] : 46
Число отверстий в диске колеса : 5
Тип тормозного диска : цельный
Диаметр центрирования [мм] : 107
Ø фаски [мм] : 139,7
Диаметр ступицы [мм] : 190

Тормозной диск
AP 14132

Минимальная толщина [мм] : 9
Высота [мм] : 46
Тип тормозного диска : цельный
Диаметр центрирования [мм] : 107
Наружный диаметр [мм] : 289
Количество отверстий : 5
Толщина тормозного диска (мм) : 10
Момент затяжки [Нм] : 95

Тормозной диск
ASHIKA 60-08-807C

Сторона установки : передний мост
Ø фаски [мм] : 107
Высота [мм] : 46,5
Наружный диаметр [мм] : 290
Толщина тормозного диска (мм) : 10
Минимальная толщина [мм] : 8
Число отверстий : 5
Тип тормозного диска : цельный
проверочное значение : ECE R90 APPROVED
Поверхность : лакированный
для оригинального номера : 5521160A00000

Тормозной диск
ATE 24.0110-0192.1

Наружный диаметр [мм] : 289,8
Толщина тормозного диска (мм) : 10
Минимальная толщина [мм] : 9
Тип тормозного диска : цельный
Поверхность : с покрытием
Количество отверстий : 5
Ø фаски [мм] : 140
Высота [мм] : 46
Диаметр центрирования [мм] : 107
Внутренний диаметр : 177
Диаметр отверстия [мм] : 13
Код MAPP в наличии :
проверочное значение : E1 90R-02C0165/0473

Тормозной диск
BLUE PRINT ADK84301

Толщина тормозного диска (мм) : 10
Число отверстий в диске колеса : 5
Количество крепежных отверстий : 2
Толщина [мм] : 46
Наружный диаметр [мм] : 290
Ø фаски [мм] : 140
Поверхность : с покрытием
Тип тормозного диска : цельный
Сторона установки : передний мост
Минимальная толщина [мм] : 9
Диаметр центрирования [мм] : 107
Соблюдать сервисную информацию :

Тормозной диск
BORG & BECK BBD4927

Тип тормозного диска : цельный
Наружный диаметр [мм] : 290
Толщина тормозного диска (мм) : 10
Высота [мм] : 46
Диаметр центрирования [мм] : 107
Количество отверстий : 5
Количественная единица : комплект
Поверхность : с покрытием
проверочное значение : ECE R90 Homologated
Минимальная толщина [мм] : 9

Тормозной диск
BOSCH 0 986 478 377

Наружный диаметр [мм] : 289,5
Толщина тормозного диска (мм) : 10
Минимальная толщина [мм] : 9
Высота [мм] : 45,9
Ø фаски [мм] : 139,7
Тип тормозного диска : цельный
Диаметр центрирования [мм] : 107
Количество отверстий : 5
Поверхность : промасленный
выполняет нормы ЕЭК : ECE-R90
Диаметр отверстия до [мм] : 12,8

Тормозной диск
BRECO BS 7368

Толщина тормозного диска (мм) : 10
Тип тормозного диска : цельный
Момент затяжки [Нм] : 95
Минимальная толщина [мм] : 9
Наружный диаметр [мм] : 289
Высота [мм] : 46
Диаметр центрирования [мм] : 107
Количество отверстий : 5

Тормозной диск
BREMBO 08.4994.10

Тип тормозного диска : цельный
Толщина тормозного диска (мм) : 10
Количество отверстий : 5
Высота [мм] : 46
Диаметр центрирования [мм] : 107
Наружный диаметр [мм] : 289
Минимальная толщина [мм] : 9
Момент затяжки [Нм] : 95

Тормозной диск
BREMSI CD6233S

Сторона установки : передний мост
Наружный диаметр [мм] : 289
Тип тормозного диска : цельный
Толщина тормозного диска (мм) : 10
Минимальная толщина [мм] : 9
Количество отверстий : 5
Момент затяжки [Нм] : 8,5
Высота [мм] : 46

Тормозной диск
COMLINE ADC0904

Тип тормозного диска : цельный
Наружный диаметр [мм] : 290
Толщина тормозного диска (мм) : 10
Высота [мм] : 46
Диаметр центрирования [мм] : 107
Минимальная толщина [мм] : 9
Число отверстий : 2

Тормозной диск
DANAHER DR10073

Сторона установки : передний мост
Тип тормозного диска : цельный
Толщина тормозного диска (мм) : 10
Наружный диаметр [мм] : 290
Высота [мм] : 46
Количество отверстий : 5
Диаметр центрирования [мм] : 107

Тормозной диск
DANAHER DR10107

Сторона установки : передний мост
Тип тормозного диска : цельный
Толщина тормозного диска (мм) : 10
Наружный диаметр [мм] : 290
Высота [мм] : 46
Количество отверстий : 5
Диаметр центрирования [мм] : 107

Тормозной диск
DELPHI BG2584

Тип тормозного диска : цельный
Количество отверстий : 5
проверочное значение : E1 90R-02C0967/2532
Поверхность : промасленный
Наружный диаметр [мм] : 290
Толщина тормозного диска (мм) : 10
Минимальная толщина [мм] : 9
Диаметр центрирования [мм] : 107
Высота [мм] : 46,1

Тормозной диск
EUROBRAKE 5815205201

Наружный диаметр [мм] : 290
Толщина тормозного диска (мм) : 10
Минимальная толщина [мм] : 9
Высота [мм] : 46
Число отверстий в диске колеса : 5
Тип тормозного диска : цельный
Диаметр центрирования [мм] : 107
Поверхность : промасленный
Вес нетто [кг] : 4,86

Тормозной диск
FENOX TB215285

Сторона установки : передний мост
Тип тормозного диска : цельный
Толщина тормозного диска (мм) : 10
Наружный диаметр [мм] : 290

Тормозной диск
FERODO DDF233

Тип тормозного диска : цельный
Наружный диаметр [мм] : 289
Толщина тормозного диска (мм) : 10
Дополнительный артикул / дополнительная информация 2 : без винтов
Высота [мм] : 46
Ø фаски [мм] : 139,7
Диаметр центрирования [мм] : 107
Количество отверстий : 5
Количественная единица : комплект
Поверхность : промасленный
проверочное значение : R90 Homologated
Вес [кг] : 9,72
Минимальная толщина [мм] : 9
Момент затяжки [Нм] : 95
Тип контейнера : Коробка
Длина упаковки [см] : 28,5
Ширина упаковки [см] : 28,5
Высота упаковки [см] : 9,3

Тормозной диск
FI.BA FBD241

Сторона установки : передний мост
Тип тормозного диска : цельный
Толщина тормозного диска (мм) : 10
Минимальная толщина [мм] : 8
Число отверстий : 5
Ø фаски [мм] : 107
проверочное значение : ECE R90 APPROVED
Высота [мм] : 46,5
Наружный диаметр [мм] : 290

Тормозной диск
FREMAX BD-6971

Тип тормозного диска : цельный
Наружный диаметр [мм] : 289
Толщина тормозного диска (мм) : 10
Высота [мм] : 46
Диаметр центрирования [мм] : 107
Количество крепежных отверстий : 5
Вес [кг] : 4,87
Минимальная толщина [мм] : 9

Тормозной диск
GIRLING 6019533

Тип тормозного диска : цельный
Наружный диаметр [мм] : 290
Толщина тормозного диска (мм) : 10
Минимальная толщина [мм] : 9
Диаметр центрирования [мм] : 107
Высота [мм] : 46,3
Количество отверстий : 5
Размер резьбы : 12,6
Ø фаски [мм] : 139,7
Цвет : чёрный
Поверхность : лакированный
проверочное значение : E190R-02C0190/0523

Тормозной диск
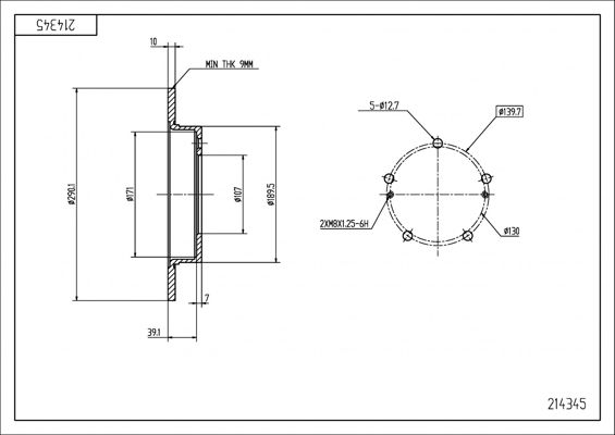
HART 214 345

Высота [мм] : 46
Тип тормозного диска : цельный
Толщина тормозного диска (мм) : 10
Наружный диаметр [мм] : 289
Количество отверстий : 5

Тормозной диск
HERTH+BUSS JAKOPARTS J3308003

Тип тормозного диска : цельный
Наружный диаметр [мм] : 290
Толщина тормозного диска (мм) : 10
Минимальная толщина [мм] : 9
Количество отверстий : 5
Количество отверстий 1 : 2
Ø фаски [мм] : 140
Внутренний диаметр : 173,7
Высота [мм] : 45,9
Диаметр ступицы [мм] : 107
Поверхность : с покрытием
Сторона установки : передний мост
SVHC : Не содержит особо опасных веществ!

Тормозной диск
JAPANPARTS DI-807C

Сторона установки : передний мост
Ø фаски [мм] : 107
Высота [мм] : 46,5
Наружный диаметр [мм] : 290
Толщина тормозного диска (мм) : 10
Минимальная толщина [мм] : 8
Число отверстий : 5
Тип тормозного диска : цельный
проверочное значение : ECE R90 APPROVED
Поверхность : лакированный
для оригинального номера : 5521160A00000

Тормозной диск
JAPKO 60807C

Сторона установки : передний мост
Ø фаски [мм] : 107
Высота [мм] : 46,5
Наружный диаметр [мм] : 290
Толщина тормозного диска (мм) : 10
Минимальная толщина [мм] : 8
Число отверстий : 5
Тип тормозного диска : цельный
проверочное значение : ECE R90 APPROVED
Поверхность : лакированный
для оригинального номера : 5521160A00000

Тормозной диск
JURID 561424J

Тип тормозного диска : цельный
Наружный диаметр [мм] : 289
Толщина тормозного диска (мм) : 10
Дополнительный артикул / дополнительная информация 2 : без винтов
Версия : J
Высота [мм] : 46
Ø фаски [мм] : 139,7
Диаметр центрирования [мм] : 107
Количество отверстий : 5
Количественная единица : комплект
Поверхность : промасленный
Вес [кг] : 9,72
Минимальная толщина [мм] : 9
Момент затяжки [Нм] : 95
Тип контейнера : Коробка
Длина упаковки [см] : 31,5
Ширина упаковки [см] : 31,5
Высота упаковки [см] : 18

Тормозной диск
KAISHIN CBR191

для оригинального номера : 5521160A00000
Сторона установки : передний мост
проверочное значение : ECE R90 APPROVED
Высота [мм] : 46,5
Тип тормозного диска : цельный
Толщина тормозного диска (мм) : 10
Минимальная толщина [мм] : 8
Число отверстий : 5
Наружный диаметр [мм] : 290
Количество отверстий : 5
Ø фаски [мм] : 107
Поверхность : лакированный

Тормозной диск
KAVO PARTS BR-8704-C

проверочное значение : R90
Высота [мм] : 46
Тип тормозного диска : цельный
Толщина тормозного диска (мм) : 10
Минимальная толщина [мм] : 9
Наружный диаметр [мм] : 290
Количество отверстий : 5
Диаметр центрирования [мм] : 107
Ø фаски [мм] : 140
Поверхность : с покрытием

Тормозной диск
KAWE 6329 00

Диаметр [мм] : 289
Сторона установки : передний мост
Вес [кг] : 4,86
Тип тормозного диска : цельный
Минимальная толщина [мм] : 9
Толщина тормозного диска (мм) : 10
Количество отверстий : 5
проверочное значение : K.B.A.: 61210
Высота [мм] : 46
Диаметр центрирования [мм] : 107
Наружный диаметр [мм] : 289

Тормозной диск
MAGNETI MARELLI 360406045700

Тип тормозного диска : цельный
Диаметр [мм] : 289
Высота [мм] : 46
Минимальная толщина [мм] : 9
Количество отверстий : 5
Ø фаски [мм] : 107
Момент затяжки [Нм] : 95
Толщина тормозного диска (мм) : 10
Наружный диаметр [мм] : 289

Тормозной диск
MAXGEAR 19-3557

Сторона установки : передний мост
Тип тормозного диска : цельный
Наружный диаметр [мм] : 290
Толщина тормозного диска (мм) : 10
Ø фаски [мм] : 140
Диаметр центрирования [мм] : 107
Количество отверстий : 5
Минимальная толщина [мм] : 9

Тормозной диск
MAXGEAR 19-3557SPORT

Сторона установки : передний мост
Тип тормозного диска : цельный
Тип тормозного диска : с прорезями / перфорированный
Наружный диаметр [мм] : 290
Толщина тормозного диска (мм) : 10
Ø фаски [мм] : 140
Диаметр центрирования [мм] : 107
Количество отверстий : 5
Поверхность : лакированный
Минимальная толщина [мм] : 9

Тормозной диск
MAXTECH 863501

Сторона установки : передний мост
Тип тормозного диска : цельный
Минимальная толщина [мм] : 8
Вес [кг] : 4,4
Толщина тормозного диска (мм) : 10
Ø фаски [мм] : 139,5
Количество отверстий : 5
Диаметр отверстия [мм] : 13
Внутренний диаметр : 182,5
Высота [мм] : 46
Диаметр центрирования [мм] : 107
Наружный диаметр [мм] : 290

Тормозной диск
MAXTECH 863513

Сторона установки : передний мост
Тип тормозного диска : цельный
Минимальная толщина [мм] : 8,5
Вес [кг] : 4,8
Толщина тормозного диска (мм) : 10
Ø фаски [мм] : 140
Количество отверстий : 5
Диаметр отверстия [мм] : 13
Внутренний диаметр : 177
проверочное значение : 90R-02C01327/31814
Высота [мм] : 47
Диаметр центрирования [мм] : 107
Наружный диаметр [мм] : 290

Тормозной диск
MINTEX MDC419

Тип тормозного диска : цельный
Наружный диаметр [мм] : 290
Толщина тормозного диска (мм) : 10
Высота [мм] : 46
Минимальная толщина [мм] : 9
Внутренний диаметр : 177
Ø фаски [мм] : 139,7
Диаметр центрирования [мм] : 107
Расположение/число отверстий : 05/07
Диаметр отверстия под шпильку колеса [мм] : 13
Дополнительный артикул / дополнительная информация 2 : без ступицы
Дополнительный артикул / дополнительная информация 2 : без колесного подшипника
Дополнительный артикул / дополнительная информация 2 : без колесной крепящей оси
Длина упаковки [см] : 30,8
Ширина упаковки [см] : 30,8
Высота упаковки [см] : 12,7
Вес [кг] : 4,9

Тормозной диск
MOTAQUIP LVBD414Z

Тип тормозного диска : цельный
Наружный диаметр [мм] : 290
Толщина тормозного диска (мм) : 10
Высота [мм] : 46
Диаметр центрирования [мм] : 107
Количество отверстий : 5
Минимальная толщина [мм] : 9
Число отверстий : 2

Тормозной диск
National NBD257

Тип тормозного диска : цельный
Наружный диаметр [мм] : 290
Толщина тормозного диска (мм) : 10
Высота [мм] : 46
Ø фаски [мм] : 140
Диаметр центрирования [мм] : 107
Количество отверстий : 5

Тормозной диск
National NBD259

Тип тормозного диска : цельный
Наружный диаметр [мм] : 290
Толщина тормозного диска (мм) : 10
Высота [мм] : 46
Ø фаски [мм] : 140
Диаметр центрирования [мм] : 107
Количество отверстий : 5

Тормозной диск
NIPPARTS J3308003

Сторона установки : передний мост
Тип тормозного диска : цельный
Толщина тормозного диска (мм) : 10
Наружный диаметр [мм] : 290
Высота [мм] : 46
Количество отверстий : 5
Диаметр центрирования [мм] : 107
Ø фаски [мм] : 139,7
Диаметр ступицы колеса [мм] : 189,6
Минимальная толщина [мм] : 9

Тормозной диск
NK 205201

Наружный диаметр [мм] : 290
Толщина тормозного диска (мм) : 10
Минимальная толщина [мм] : 9
Высота [мм] : 46
Число отверстий в диске колеса : 5
Тип тормозного диска : цельный
Диаметр центрирования [мм] : 107
Поверхность : промасленный
Вес нетто [кг] : 4,86

Тормозной диск
NPS S330I03

Спецификация : Qte packaging: 1
Сторона установки : передний мост
проверочное значение : E1 90R-02C0100/0785
Количество частей [част.] : 1
Тип тормозного диска : цельный
Высота [мм] : 46
Наружный диаметр [мм] : 290
Количество отверстий : 5
Толщина тормозного диска (мм) : 10
Минимальная толщина [мм] : 9
Ø фаски [мм] : 107
Диаметр центрирования [мм] : 107
Количество крепежных отверстий : 2

Тормозной диск
OPTIMAL BS-3290

Сторона установки : передний мост
Тип тормозного диска : цельный
Толщина тормозного диска (мм) : 10
Наружный диаметр [мм] : 290
Высота [мм] : 46
Диаметр центрирования [мм] : 107
Минимальная толщина [мм] : 9
Расположение/число отверстий : 5/7

Тормозной диск
OPTIMAL BS-3290C

Сторона установки : передний мост
Тип тормозного диска : цельный
Толщина тормозного диска (мм) : 10
Наружный диаметр [мм] : 290
Высота [мм] : 46
Диаметр центрирования [мм] : 107
Поверхность : с покрытием
Минимальная толщина [мм] : 9
Расположение/число отверстий : 5/7

Тормозной диск
OSSCA 75413

Сторона установки : спереди
Тип тормозного диска : цельный
Толщина тормозного диска (мм) : 10
Высота [мм] : 45,9
Наружный диаметр [мм] : 290

Тормозной диск
PILENGA 5551

Сторона установки : передний мост
Тип тормозного диска : цельный
Минимальная толщина [мм] : 9
Толщина тормозного диска (мм) : 10
Количество отверстий 1 : 5
Количество отверстий 2 : 2
Внутренний диаметр : 172
проверочное значение : E1 90R-02C0602/0064
Высота [мм] : 46,2
Диаметр центрирования [мм] : 107
Наружный диаметр [мм] : 290

Тормозной диск
REMSA 6329.00

проверочное значение : K.B.A.: 61210
Сторона установки : передний мост
Диаметр [мм] : 289
Высота [мм] : 46
Тип тормозного диска : цельный
Толщина тормозного диска (мм) : 10
Минимальная толщина [мм] : 9
Количество отверстий : 5
Диаметр центрирования [мм] : 107
Вес [кг] : 4,86
Наружный диаметр [мм] : 289

Тормозной диск
RIDEX 82B0476

Толщина тормозного диска (мм) : 10
Тип тормозного диска : цельный
Минимальная толщина [мм] : 9
Высота [мм] : 46
Расположение/число отверстий : 05/07
Ø фаски [мм] : 139,7
Диаметр центрирования [мм] : 107
Вес [кг] : 4,9
Дополнительный артикул / дополнительная информация 2 : без ступицы
Дополнительный артикул / дополнительная информация 2 : без колесной крепящей оси
Внутренний диаметр : 177
Диаметр отверстия [мм] : 13
Сторона установки : передний мост
Наружный диаметр [мм] : 289

Тормозной диск
ROADHOUSE 6329.00

проверочное значение : K.B.A.: 61210
Вес [кг] : 4,86
Сторона установки : передний мост
Диаметр [мм] : 289
Толщина тормозного диска (мм) : 10
Минимальная толщина [мм] : 9
Высота [мм] : 46
Диаметр центрирования [мм] : 107
Количество отверстий : 5
Тип тормозного диска : цельный
Наружный диаметр [мм] : 289

Тормозной диск
ROTINGER RT 1233

Тип тормозного диска : цельный
Сторона установки : передний мост
Наружный диаметр [мм] : 289,5
Внутренний диаметр : 170,2
Диаметр центрирования [мм] : 107
Высота [мм] : 45,7
Толщина тормозного диска (мм) : 10
Минимальная толщина [мм] : 9
Количество отверстий : 5
Размер резьбы : 12,7
Вес [кг] : 4,6
Ø фаски [мм] : 139,7

Тормозной диск
ROTINGER RT 1233-GL

Тип тормозного диска : цельный
Поверхность : с гальваническим покрытием
Сторона установки : передний мост
Наружный диаметр [мм] : 289,5
Внутренний диаметр : 170,2
Диаметр центрирования [мм] : 107
Высота [мм] : 45,7
Толщина тормозного диска (мм) : 10
Минимальная толщина [мм] : 9
Количество отверстий : 5
Размер резьбы : 12,7
Вес [кг] : 4,6
Ø фаски [мм] : 139,7

Тормозной диск
ROTINGER RT 1233-GL T3

Тип тормозного диска : перфорированный
Тип тормозного диска : цельный
Поверхность : с гальваническим покрытием
Сторона установки : передний мост
Наружный диаметр [мм] : 289,5
Внутренний диаметр : 170,2
Диаметр центрирования [мм] : 107
Высота [мм] : 45,7
Толщина тормозного диска (мм) : 10
Минимальная толщина [мм] : 9
Количество отверстий : 5
Размер резьбы : 12,7
Вес [кг] : 4,6
Ø фаски [мм] : 139,7

Тормозной диск
ROTINGER RT 1233-GL T5

Тип тормозного диска : цельный
Тип тормозного диска : перфорированный
Поверхность : с гальваническим покрытием
Сторона установки : передний мост
Наружный диаметр [мм] : 289,5
Внутренний диаметр : 170,2
Диаметр центрирования [мм] : 107
Высота [мм] : 45,7
Толщина тормозного диска (мм) : 10
Минимальная толщина [мм] : 9
Количество отверстий : 5
Размер резьбы : 12,7
Вес [кг] : 4,6
Ø фаски [мм] : 139,7

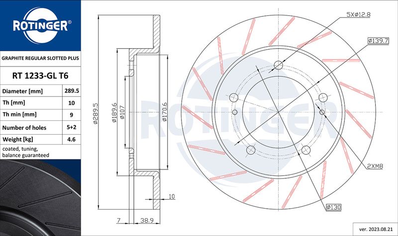
Тормозной диск
ROTINGER RT 1233-GL T6

Тип тормозного диска : цельный
Поверхность : с гальваническим покрытием
Сторона установки : передний мост
Наружный диаметр [мм] : 289,5
Внутренний диаметр : 170,2
Диаметр центрирования [мм] : 107
Высота [мм] : 45,7
Толщина тормозного диска (мм) : 10
Минимальная толщина [мм] : 9
Количество отверстий : 5
Размер резьбы : 12,7
Вес [кг] : 4,6
Ø фаски [мм] : 139,7

Тормозной диск
ROTINGER RT 1233-GL T9

Тип тормозного диска : цельный
Поверхность : с гальваническим покрытием
Сторона установки : передний мост
Наружный диаметр [мм] : 289,5
Внутренний диаметр : 170,2
Диаметр центрирования [мм] : 107
Высота [мм] : 45,7
Толщина тормозного диска (мм) : 10
Минимальная толщина [мм] : 9
Количество отверстий : 5
Размер резьбы : 12,7
Вес [кг] : 4,6
Ø фаски [мм] : 139,7

Тормозной диск
Stark SKBD-0022190

Толщина тормозного диска (мм) : 10
Тип тормозного диска : цельный
Минимальная толщина [мм] : 9
Высота [мм] : 46
Расположение/число отверстий : 05/07
Ø фаски [мм] : 139,7
Диаметр центрирования [мм] : 107
Вес [кг] : 4,9
Дополнительный артикул / дополнительная информация 2 : без ступицы
Дополнительный артикул / дополнительная информация 2 : без колесной крепящей оси
Внутренний диаметр : 177
Диаметр отверстия [мм] : 13
Сторона установки : передний мост
Наружный диаметр [мм] : 289

Тормозной диск
STELLOX 6020-5203-SX

Наружный диаметр [мм] : 290
Толщина тормозного диска (мм) : 10
Количество отверстий : 5
Тип тормозного диска : цельный
Сторона установки : передний мост

Тормозной диск
TEXTAR 92036600

Тип тормозного диска : цельный
Наружный диаметр [мм] : 290
Толщина тормозного диска (мм) : 10
Высота [мм] : 46
Минимальная толщина [мм] : 9
Внутренний диаметр : 177
Ø фаски [мм] : 139,7
Диаметр центрирования [мм] : 107
Расположение/число отверстий : 05/07
Диаметр отверстия под шпильку колеса [мм] : 13
Дополнительный артикул / дополнительная информация 2 : без ступицы
Дополнительный артикул / дополнительная информация 2 : без колесного подшипника
Дополнительный артикул / дополнительная информация 2 : без колесной крепящей оси
Длина упаковки [см] : 30,8
Ширина упаковки [см] : 30,8
Высота упаковки [см] : 12,7
Вес [кг] : 4,9

Тормозной диск
TRW DF1953

Тип тормозного диска : цельный
Наружный диаметр [мм] : 290
Толщина тормозного диска (мм) : 10
Минимальная толщина [мм] : 9
Диаметр центрирования [мм] : 107
Высота [мм] : 46,3
Количество отверстий : 5
Размер резьбы : 12,6
Ø фаски [мм] : 139,7
Цвет : чёрный
Поверхность : лакированный
проверочное значение : E1 90R-02 C0190/0523
SVHC : Нет информации, обратитесь, пожалуйста, к производителю!

Тормозной диск
WOKING D6329.00

проверочное значение : K.B.A.: 61210
Сторона установки : передний мост
Диаметр [мм] : 289
Толщина тормозного диска (мм) : 10
Минимальная толщина [мм] : 9
Высота [мм] : 46
Диаметр центрирования [мм] : 107
Количество отверстий : 5
Тип тормозного диска : цельный
Вес [кг] : 4,86
Наружный диаметр [мм] : 289