|
Изображение |
Описание |
|
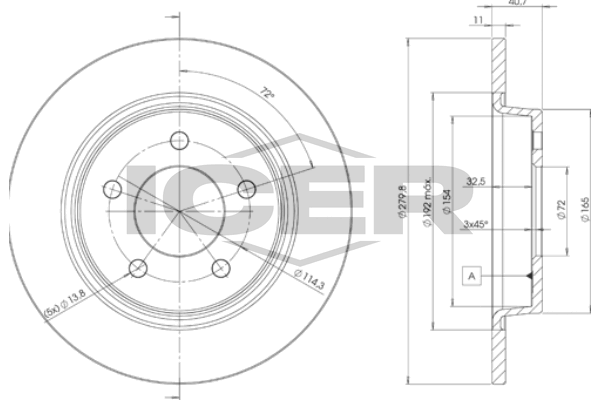
Тормозной диск
A.B.S. 17637
Наружный диаметр [мм] : 300
Толщина тормозного диска (мм) : 25
Минимальная толщина [мм] : 23
Высота [мм] : 48,5
Число отверстий в диске колеса : 5
Тип тормозного диска : вентилируемый
Диаметр центрирования [мм] : 72
Ø фаски [мм] : 114,3
Поверхность : с покрытием
Диаметр ступицы [мм] : 151
|
|
Тормозной диск
A.B.S. 17636
Наружный диаметр [мм] : 278
Толщина тормозного диска (мм) : 25
Минимальная толщина [мм] : 23
Высота [мм] : 48,7
Число отверстий в диске колеса : 5
Тип тормозного диска : вентилируемый
Диаметр центрирования [мм] : 72
Ø фаски [мм] : 114,3
Поверхность : с покрытием
Диаметр ступицы [мм] : 149
|
|
Тормозной диск
A.B.S. 17639
Наружный диаметр [мм] : 280
Толщина тормозного диска (мм) : 11
Минимальная толщина [мм] : 9
Высота [мм] : 41
Число отверстий в диске колеса : 5
Тип тормозного диска : цельный
Диаметр центрирования [мм] : 72
Ø фаски [мм] : 114,3
Поверхность : с покрытием
Диаметр ступицы [мм] : 165
|
|
Тормозной диск
A.B.S. 17675
Наружный диаметр [мм] : 302
Толщина тормозного диска (мм) : 11
Минимальная толщина [мм] : 9
Высота [мм] : 41
Число отверстий в диске колеса : 5
Тип тормозного диска : цельный
Диаметр центрирования [мм] : 72
Ø фаски [мм] : 114,3
Поверхность : с покрытием
Диаметр ступицы [мм] : 165
|
|
Тормозной диск
ABAKUS 231-03-122
Тип тормозного диска : вентилируемый
Наружный диаметр [мм] : 300
Толщина тормозного диска (мм) : 25
необходимое количество : 2
заменяется только попарно :
Высота [мм] : 48,5
Ø фаски [мм] : 114,3
Диаметр центрирования [мм] : 72
Количество отверстий : 5
проверочное значение : ECE R90
Требуется монтаж / демонтаж специалистами! :
|
|
Тормозной диск
ABAKUS 231-03-122-2
Тип тормозного диска : вентилируемый
Наружный диаметр [мм] : 300
Толщина тормозного диска (мм) : 25
необходимое количество : 2
заменяется только попарно :
Высота [мм] : 48,5
Ø фаски [мм] : 114,3
Диаметр центрирования [мм] : 72
Количество отверстий : 5
проверочное значение : ECE R90
Требуется монтаж / демонтаж специалистами! :
|
|
Тормозной диск
ABAKUS 231-03-170
Тип тормозного диска : вентилируемый
Наружный диаметр [мм] : 278
Толщина тормозного диска (мм) : 25
необходимое количество : 2
заменяется только попарно :
Высота [мм] : 48,5
Ø фаски [мм] : 114,3
Диаметр центрирования [мм] : 72
Количество отверстий : 5
проверочное значение : ECE R90
Требуется монтаж / демонтаж специалистами! :
|
|
Тормозной диск
ABAKUS 231-03-170-2
Тип тормозного диска : вентилируемый
Наружный диаметр [мм] : 278
Толщина тормозного диска (мм) : 25
необходимое количество : 2
заменяется только попарно :
Высота [мм] : 48,5
Ø фаски [мм] : 114,3
Диаметр центрирования [мм] : 72
Количество отверстий : 5
проверочное значение : ECE R90
Требуется монтаж / демонтаж специалистами! :
|
|
Тормозной диск
ABAKUS 231-04-119
Тип тормозного диска : цельный
Наружный диаметр [мм] : 280
Толщина тормозного диска (мм) : 11
необходимое количество : 2
заменяется только попарно :
Высота [мм] : 40,8
Ø фаски [мм] : 114,3
Диаметр центрирования [мм] : 72
Количество отверстий : 5
проверочное значение : ECE R90
Требуется монтаж / демонтаж специалистами! :
|
|
Тормозной диск
ABAKUS 231-04-119-2
Тип тормозного диска : цельный
Наружный диаметр [мм] : 280
Толщина тормозного диска (мм) : 11
необходимое количество : 2
заменяется только попарно :
Высота [мм] : 40,8
Ø фаски [мм] : 114,3
Диаметр центрирования [мм] : 72
Количество отверстий : 5
проверочное значение : ECE R90
Требуется монтаж / демонтаж специалистами! :
|
|
Тормозной диск
ABE C33072ABE
Число отверстий в диске колеса : 5
Толщина [мм] : 25
Высота [мм] : 48,5
Тип тормозного диска : вентилируемый
Толщина тормозного диска (мм) : 25
Минимальная толщина [мм] : 23
Обработка : Высокоуглеродистый
Количество отверстий : 5
Диаметр центрирования [мм] : 72
Наружный диаметр [мм] : 300
Сторона установки : передний мост
|
|
Тормозной диск
ABE C33084ABE
Толщина тормозного диска (мм) : 25
Минимальная толщина [мм] : 23
Тип тормозного диска : вентилируемый
Обработка : Высокоуглеродистый
Поверхность : с покрытием
Количество отверстий : 5
Ø фаски [мм] : 114,3
Высота [мм] : 48,5
Диаметр центрирования [мм] : 72
Внутренний диаметр : 140
Диаметр отверстия [мм] : 14
Сторона установки : передний мост
Наружный диаметр [мм] : 278
|
|
Тормозной диск
ABE C43027ABE
Толщина тормозного диска (мм) : 11
Минимальная толщина [мм] : 9
Количество отверстий : 5
Ø фаски [мм] : 114,3
Высота [мм] : 40,8
Диаметр центрирования [мм] : 72
Внутренний диаметр : 154
Диаметр отверстия [мм] : 14
Наружный диаметр [мм] : 280
Сторона установки : Задний мост
Тип тормозного диска : цельный
|
|
Тормозной диск
ABE C43042ABE
Сторона установки : Задний мост
Размер колесного диска [дюйм] : 16
Тип тормозного диска : цельный
Толщина тормозного диска (мм) : 11
Наружный диаметр [мм] : 302
Высота [мм] : 41
Количество отверстий : 5
Диаметр центрирования [мм] : 72
|
|
Тормозной диск
ACKOJA A32-40007
Высота ступицы тормозного диска [мм] : 29,8
Сторона установки : Задний мост
Число отверстий в диске колеса : 5
Высота [мм] : 40,8
Тип тормозного диска : цельный
Толщина тормозного диска (мм) : 11
Минимальная толщина [мм] : 9
Наружный диаметр [мм] : 280
Диаметр центрирования [мм] : 72
Ø фаски [мм] : 114,3
|
|
Тормозной диск
ACKOJA A32-40009
Высота ступицы тормозного диска [мм] : 29,8
Сторона установки : Задний мост
Число отверстий в диске колеса : 5
Высота [мм] : 40,8
Тип тормозного диска : цельный
Толщина тормозного диска (мм) : 11
Минимальная толщина [мм] : 9
Наружный диаметр [мм] : 280
направленные тормозные колодки :
ненаправленные тормозные колодки :
Диаметр центрирования [мм] : 72
Ø фаски [мм] : 114,3
|
|
Тормозной диск
ACKOJA A32-40010
Высота ступицы тормозного диска [мм] : 29,8
Число отверстий в диске колеса : 5
Высота [мм] : 40,8
Тип тормозного диска : цельный
Толщина тормозного диска (мм) : 11
Минимальная толщина [мм] : 9
Наружный диаметр [мм] : 302
Диаметр центрирования [мм] : 72
Ø фаски [мм] : 114,3
|
|
Тормозной диск
ACKOJA A32-80006
Сторона установки : передний мост
Диаметр [мм] : 300
Тип тормозного диска : вентилируемый
Толщина тормозного диска (мм) : 25
направленные тормозные колодки :
ненаправленные тормозные колодки :
Число отверстий в диске колеса : 5
Высота [мм] : 48,6
Минимальная толщина [мм] : 23
Диаметр ступицы 1 [мм] : 72
выполняет нормы ЕЭК : R90
Наружный диаметр [мм] : 300
|
|
Тормозной диск
ACKOJA A32-80007
Высота ступицы тормозного диска [мм] : 23,5
Число отверстий в диске колеса : 5
Высота [мм] : 48,5
Тип тормозного диска : вентилируемый
Толщина тормозного диска (мм) : 25
Минимальная толщина [мм] : 23
Наружный диаметр [мм] : 278
Диаметр центрирования [мм] : 72
Ø фаски [мм] : 114,3
|
|
Тормозной диск
ADVICS E6F183B
Сторона установки : передний мост
Тип тормозного диска : вентилируемый
Толщина тормозного диска (мм) : 25
Минимальная толщина [мм] : 23
Количество отверстий : 5
Высота [мм] : 48,5
Диаметр центрирования [мм] : 72
Наружный диаметр [мм] : 300
|
|
Тормозной диск
AISIN E6F531S
Тип тормозного диска : вентилируемый
Поверхность : с покрытием
Наружный диаметр [мм] : 278
Толщина тормозного диска (мм) : 25
Высота [мм] : 48,5
Диаметр центрирования [мм] : 72
Минимальная толщина [мм] : 23
Вес [кг] : 7,06
Количество отверстий : 5
Ø фаски [мм] : 114,3
|
|
Тормозной диск
AP 24957 E
Диаметр центрирования [мм] : 72
Толщина тормозного диска (мм) : 25
Количество отверстий : 5
Минимальная толщина [мм] : 23
Момент затяжки [Нм] : 103
Высота [мм] : 49
Тип тормозного диска : вентилируемый
Обработка : Высокоуглеродистый
Наружный диаметр [мм] : 278
|
|
Тормозной диск
AP 24957 V
Диаметр центрирования [мм] : 72
Толщина тормозного диска (мм) : 25
Количество отверстий : 5
Минимальная толщина [мм] : 23
Момент затяжки [Нм] : 103
Высота [мм] : 49
Поверхность : с покрытием
Тип тормозного диска : вентилируемый
Обработка : Высокоуглеродистый
Наружный диаметр [мм] : 278
|
|
Тормозной диск
AP 24957 X
Обработка : Высокоуглеродистый
Наружный диаметр [мм] : 278
Диаметр центрирования [мм] : 72
Толщина тормозного диска (мм) : 25
Количество отверстий : 5
Минимальная толщина [мм] : 23,5
Поверхность : с покрытием
Высота [мм] : 49
Тип тормозного диска : перфорированный / вентилируемый
|
|
Тормозной диск
AP 24958
Наружный диаметр [мм] : 300
Диаметр центрирования [мм] : 72
Толщина тормозного диска (мм) : 25
Количество отверстий : 5
Минимальная толщина [мм] : 23
Момент затяжки [Нм] : 103
Высота [мм] : 49
Тип тормозного диска : вентилируемый
Обработка : Высокоуглеродистый
|
|
Тормозной диск
AP 24958 V
Наружный диаметр [мм] : 300
Диаметр центрирования [мм] : 72
Толщина тормозного диска (мм) : 25
Количество отверстий : 5
Минимальная толщина [мм] : 23
Момент затяжки [Нм] : 103
Высота [мм] : 49
Поверхность : с покрытием
Тип тормозного диска : вентилируемый
Обработка : Высокоуглеродистый
|
|
Тормозной диск
AP 24958 X
Поверхность : с покрытием
Тип тормозного диска : перфорированный / вентилируемый
Обработка : Высокоуглеродистый
Наружный диаметр [мм] : 300
Диаметр центрирования [мм] : 72
Толщина тормозного диска (мм) : 25
Количество отверстий : 5
Минимальная толщина [мм] : 23,5
Момент затяжки [Нм] : 103
Высота [мм] : 49
|
|
Тормозной диск
AP X 24958
Диаметр центрирования [мм] : 72
Толщина тормозного диска (мм) : 25
Количество отверстий : 5
Минимальная толщина [мм] : 23
Момент затяжки [Нм] : 103
Тип тормозного диска : вентилируемый
Высота [мм] : 49
Поверхность : с покрытием
Тип тормозного диска : с прорезом
Обработка : Высокоуглеродистый
Наружный диаметр [мм] : 300
|
|
Тормозной диск
AP 14915
Тип тормозного диска : цельный
Диаметр центрирования [мм] : 72
Наружный диаметр [мм] : 280
Количество отверстий : 5
Толщина тормозного диска (мм) : 11
Момент затяжки [Нм] : 103
Минимальная толщина [мм] : 9
Высота [мм] : 41
|
|
Тормозной диск
AP 14915 V
Наружный диаметр [мм] : 280
Количество отверстий : 5
Толщина тормозного диска (мм) : 11
Момент затяжки [Нм] : 103
Минимальная толщина [мм] : 9
Поверхность : с покрытием
Высота [мм] : 41
Тип тормозного диска : цельный
Диаметр центрирования [мм] : 72
|
|
Тормозной диск
AP 14915 X
Тип тормозного диска : перфорированный
Диаметр центрирования [мм] : 72
Наружный диаметр [мм] : 280
Количество отверстий : 5
Толщина тормозного диска (мм) : 11
Момент затяжки [Нм] : 103
Минимальная толщина [мм] : 9,5
Поверхность : с покрытием
Тип тормозного диска : цельный
Высота [мм] : 41
|
|
Тормозной диск
AP 14968
Высота [мм] : 41
Тип тормозного диска : цельный
Диаметр центрирования [мм] : 72
Наружный диаметр [мм] : 302
Количество отверстий : 5
Толщина тормозного диска (мм) : 11
Момент затяжки [Нм] : 103
Минимальная толщина [мм] : 9
|
|
Тормозной диск
AP 14968 V
Диаметр центрирования [мм] : 72
Наружный диаметр [мм] : 302
Количество отверстий : 5
Толщина тормозного диска (мм) : 11
Момент затяжки [Нм] : 103
Минимальная толщина [мм] : 9
Поверхность : с покрытием
Высота [мм] : 41
Тип тормозного диска : цельный
|
|
Тормозной диск
AP X 14915
Момент затяжки [Нм] : 103
Минимальная толщина [мм] : 9
Поверхность : с покрытием
Тип тормозного диска : цельный
Высота [мм] : 41
Тип тормозного диска : с прорезом
Диаметр центрирования [мм] : 72
Наружный диаметр [мм] : 280
Количество отверстий : 5
Толщина тормозного диска (мм) : 11
|
|
Тормозной диск
ASHIKA 60-03-309C
Сторона установки : передний мост
Ø фаски [мм] : 72
Высота [мм] : 49
Наружный диаметр [мм] : 299,4
Толщина тормозного диска (мм) : 25
Минимальная толщина [мм] : 23
Количество отверстий : 5
Тип тормозного диска : вентилируемый
проверочное значение : ECE R90 APPROVED
Поверхность : лакированный
Момент затяжки [Нм] : 103
для оригинального номера : C26Y3325XD
|
|
Тормозной диск
ASHIKA 60-03-311C
Сторона установки : передний мост
Ø фаски [мм] : 72
Высота [мм] : 49
Наружный диаметр [мм] : 277,8
Толщина тормозного диска (мм) : 25
Минимальная толщина [мм] : 23
Число отверстий : 5
Тип тормозного диска : вентилируемый
проверочное значение : ECE R90 APPROVED
Поверхность : лакированный
Момент затяжки [Нм] : 103
для оригинального номера : C24Y3325XC9A
|
|
Тормозной диск
ASHIKA 61-03-317C
Сторона установки : Задний мост
Ø фаски [мм] : 72
Высота [мм] : 41
Наружный диаметр [мм] : 279,7
Толщина тормозного диска (мм) : 11
Минимальная толщина [мм] : 10
Число отверстий : 5
Тип тормозного диска : цельный
Поверхность : лакированный
Момент затяжки [Нм] : 103
для оригинального номера : C25Y26251C
|
|
Тормозной диск
ASHIKA 61-03-323C
Сторона установки : Задний мост
Ø фаски [мм] : 72
Высота [мм] : 41
Наружный диаметр [мм] : 301,5
Толщина тормозного диска (мм) : 11
Минимальная толщина [мм] : 9
Число отверстий : 5
Тип тормозного диска : цельный
проверочное значение : ECE R90 APPROVED
Поверхность : лакированный
Момент затяжки [Нм] : 103
для оригинального номера : C26Y26251A
|
|
Тормозной диск
ATE 24.0111-0160.1
Наружный диаметр [мм] : 280
Толщина тормозного диска (мм) : 11
Минимальная толщина [мм] : 9
Тип тормозного диска : цельный
Поверхность : с покрытием
Количество отверстий : 5
Ø фаски [мм] : 114,3
Высота [мм] : 40,8
Диаметр центрирования [мм] : 72
Внутренний диаметр : 154
Диаметр отверстия [мм] : 14
Код MAPP в наличии :
проверочное значение : E1 90R-02C0165/0526
|
|
Тормозной диск
ATE 24.0111-0165.1
Наружный диаметр [мм] : 302
Толщина тормозного диска (мм) : 11
Минимальная толщина [мм] : 9
Тип тормозного диска : цельный
Количество отверстий : 5
Поверхность : с покрытием
Ø фаски [мм] : 114,3
Высота [мм] : 40,8
Диаметр центрирования [мм] : 72
Внутренний диаметр : 153
Диаметр отверстия [мм] : 13,7
Код MAPP в наличии :
проверочное значение : E1 90R-02C0165/0913
|
|
Тормозной диск
ATE 24.0125-0165.1
Наружный диаметр [мм] : 278
Толщина тормозного диска (мм) : 25
Минимальная толщина [мм] : 23
Тип тормозного диска : вентилируемый
Обработка : Высокоуглеродистый
Поверхность : с покрытием
Количество отверстий : 5
Код MAPP в наличии :
Ø фаски [мм] : 114,3
Высота [мм] : 48,5
Диаметр центрирования [мм] : 72
Внутренний диаметр : 140
Диаметр отверстия [мм] : 14
проверочное значение : E1 90R-02C0118/0368
|
|
Тормозной диск
ATE 24.0125-0170.1
Наружный диаметр [мм] : 300
Толщина тормозного диска (мм) : 25
Минимальная толщина [мм] : 23
Тип тормозного диска : вентилируемый
Обработка : Высокоуглеродистый
Поверхность : с покрытием
Количество отверстий : 5
Код MAPP в наличии :
Ø фаски [мм] : 114,3
Высота [мм] : 48,5
Диаметр центрирования [мм] : 72
Внутренний диаметр : 140
Диаметр отверстия [мм] : 14
проверочное значение : E1 90R-02C0115/0293
|
|
Тормозной диск
BLUE PRINT ADM54381
Толщина тормозного диска (мм) : 25
Число отверстий в диске колеса : 5
Толщина [мм] : 48
Наружный диаметр [мм] : 278
Ø фаски [мм] : 114
Поверхность : с покрытием
Тип тормозного диска : вентилируемый
Сторона установки : передний мост
Минимальная толщина [мм] : 23
Диаметр центрирования [мм] : 72
Соблюдать сервисную информацию :
|
|
Тормозной диск
BLUE PRINT ADM54382
Толщина тормозного диска (мм) : 25
Число отверстий в диске колеса : 5
Толщина [мм] : 48
Наружный диаметр [мм] : 300
Ø фаски [мм] : 114
Поверхность : с покрытием
Тип тормозного диска : вентилируемый
Сторона установки : передний мост
Минимальная толщина [мм] : 23
Диаметр центрирования [мм] : 72
Соблюдать сервисную информацию :
|
|
Тормозной диск
BLUE PRINT ADM54384
Толщина тормозного диска (мм) : 11
Число отверстий в диске колеса : 5
Толщина [мм] : 41
Наружный диаметр [мм] : 280
Ø фаски [мм] : 114
Поверхность : с покрытием
Тип тормозного диска : цельный
Сторона установки : Задний мост
Минимальная толщина [мм] : 9
Диаметр центрирования [мм] : 72
Соблюдать сервисную информацию :
|
|
Тормозной диск
BLUE PRINT ADM54393
Толщина тормозного диска (мм) : 11
Число отверстий в диске колеса : 5
Толщина [мм] : 41
Наружный диаметр [мм] : 302
Ø фаски [мм] : 114
Поверхность : с покрытием
Тип тормозного диска : цельный
Сторона установки : Задний мост
Минимальная толщина [мм] : 9
Диаметр центрирования [мм] : 72
Соблюдать сервисную информацию :
|
|
Тормозной диск
BORG & BECK BBD4447
Тип тормозного диска : вентилируемый
Наружный диаметр [мм] : 278
Толщина тормозного диска (мм) : 25
Высота [мм] : 48,5
Диаметр центрирования [мм] : 72
Количество крепежных отверстий : 0
Количество отверстий : 5
Количественная единица : комплект
Поверхность : с покрытием
проверочное значение : ECE R90 Homologated
Минимальная толщина [мм] : 23
|
|
Тормозной диск
BORG & BECK BBD4449
Тип тормозного диска : вентилируемый
Наружный диаметр [мм] : 300
Толщина тормозного диска (мм) : 25
Высота [мм] : 48,5
Диаметр центрирования [мм] : 72
Количество крепежных отверстий : 0
Количество отверстий : 5
Количественная единица : комплект
Поверхность : с покрытием
проверочное значение : ECE R90 Homologated
Минимальная толщина [мм] : 23
|
|
Тормозной диск
BORG & BECK BBD4450
Тип тормозного диска : цельный
Наружный диаметр [мм] : 280
Толщина тормозного диска (мм) : 11
Высота [мм] : 41
Диаметр центрирования [мм] : 72
Количество крепежных отверстий : 0
Количество отверстий : 5
Количественная единица : комплект
Поверхность : с покрытием
проверочное значение : ECE R90 Homologated
Минимальная толщина [мм] : 9
|
|
Тормозной диск
BORG & BECK BBD4522
Тип тормозного диска : цельный
Наружный диаметр [мм] : 302
Толщина тормозного диска (мм) : 11
Высота [мм] : 40,6
Диаметр центрирования [мм] : 72
Количество крепежных отверстий : 0
Количество отверстий : 5
Количественная единица : комплект
Поверхность : с покрытием
проверочное значение : ECE R90 Homologated
Минимальная толщина [мм] : 9
|
|
Тормозной диск
BOSCH 0 986 479 179
Наружный диаметр [мм] : 278
Толщина тормозного диска (мм) : 25
Минимальная толщина [мм] : 23
Высота [мм] : 48,5
Ø фаски [мм] : 114,3
Тип тормозного диска : вентилируемый
Диаметр центрирования [мм] : 72,02
Количество отверстий : 5
Поверхность : промасленный
Обработка : Высокоуглеродистый
Диаметр отверстия до [мм] : 13,8
|
|
Тормозной диск
BOSCH 0 986 479 181
Наружный диаметр [мм] : 280
Толщина тормозного диска (мм) : 11
Минимальная толщина [мм] : 9
Высота [мм] : 40,9
Ø фаски [мм] : 114,3
Тип тормозного диска : цельный
Диаметр центрирования [мм] : 72,02
Количество отверстий : 5
Поверхность : промасленный
выполняет нормы ЕЭК : ECE-R90
Диаметр отверстия до [мм] : 13,7
|
|
Тормозной диск
BOSCH 0 986 479 183
Наружный диаметр [мм] : 300
Толщина тормозного диска (мм) : 25
Минимальная толщина [мм] : 23
Высота [мм] : 48,5
Ø фаски [мм] : 114,3
Тип тормозного диска : вентилируемый
Диаметр центрирования [мм] : 72
Количество отверстий : 5
Поверхность : промасленный
Обработка : Высокоуглеродистый
выполняет нормы ЕЭК : ECE-R90
Диаметр отверстия до [мм] : 13,8
|
|
Тормозной диск
BOSCH 0 986 479 233
Наружный диаметр [мм] : 302
Толщина тормозного диска (мм) : 11
Минимальная толщина [мм] : 9
Высота [мм] : 40,8
Ø фаски [мм] : 114,3
Тип тормозного диска : цельный
Диаметр центрирования [мм] : 72,02
Количество отверстий : 5
Поверхность : промасленный
выполняет нормы ЕЭК : ECE-R90
Диаметр отверстия до [мм] : 13,8
|
|
Тормозной диск
BRECO BS 8576
Толщина тормозного диска (мм) : 25
Количество отверстий : 5
Минимальная толщина [мм] : 23
Момент затяжки [Нм] : 103
Высота [мм] : 49
Тип тормозного диска : вентилируемый
Обработка : Высокоуглеродистый
Наружный диаметр [мм] : 278
Диаметр центрирования [мм] : 72
|
|
Тормозной диск
BRECO BS 8577
Количество отверстий : 5
Минимальная толщина [мм] : 23
Момент затяжки [Нм] : 103
Высота [мм] : 49
Тип тормозного диска : вентилируемый
Обработка : Высокоуглеродистый
Наружный диаметр [мм] : 300
Диаметр центрирования [мм] : 72
Толщина тормозного диска (мм) : 25
|
|
Тормозной диск
BRECO BV 8576
Обработка : Высокоуглеродистый
Наружный диаметр [мм] : 278
Диаметр центрирования [мм] : 72
Толщина тормозного диска (мм) : 25
Количество отверстий : 5
Минимальная толщина [мм] : 23
Момент затяжки [Нм] : 103
Высота [мм] : 49
Поверхность : с покрытием
Тип тормозного диска : вентилируемый
|
|
Тормозной диск
BRECO BV 8577
Высота [мм] : 49
Поверхность : с покрытием
Тип тормозного диска : вентилируемый
Обработка : Высокоуглеродистый
Наружный диаметр [мм] : 300
Диаметр центрирования [мм] : 72
Толщина тормозного диска (мм) : 25
Количество отверстий : 5
Минимальная толщина [мм] : 23
Момент затяжки [Нм] : 103
|
|
Тормозной диск
BRECO BS 7691
Количество отверстий : 5
Толщина тормозного диска (мм) : 11
Момент затяжки [Нм] : 103
Минимальная толщина [мм] : 9
Высота [мм] : 41
Тип тормозного диска : цельный
Диаметр центрирования [мм] : 72
Наружный диаметр [мм] : 280
|
|
Тормозной диск
BRECO BS 7759
Момент затяжки [Нм] : 103
Минимальная толщина [мм] : 9
Высота [мм] : 41
Тип тормозного диска : цельный
Диаметр центрирования [мм] : 72
Наружный диаметр [мм] : 302
Количество отверстий : 5
Толщина тормозного диска (мм) : 11
|
|
Тормозной диск
BRECO BV 7691
Количество отверстий : 5
Толщина тормозного диска (мм) : 11
Момент затяжки [Нм] : 103
Минимальная толщина [мм] : 9
Поверхность : с покрытием
Высота [мм] : 41
Тип тормозного диска : цельный
Диаметр центрирования [мм] : 72
Наружный диаметр [мм] : 280
|
|
Тормозной диск
BRECO BV 7759
Диаметр центрирования [мм] : 72
Наружный диаметр [мм] : 302
Количество отверстий : 5
Толщина тормозного диска (мм) : 11
Момент затяжки [Нм] : 103
Минимальная толщина [мм] : 9
Поверхность : с покрытием
Высота [мм] : 41
Тип тормозного диска : цельный
|
|
Тормозной диск
BREMBO 09.9464.21
Тип тормозного диска : вентилируемый
Толщина тормозного диска (мм) : 25
Количество отверстий : 5
Высота [мм] : 49
Диаметр центрирования [мм] : 72
Наружный диаметр [мм] : 278
Обработка : Высокоуглеродистый
Поверхность : с покрытием
Минимальная толщина [мм] : 23
Момент затяжки [Нм] : 103
|
|
Тормозной диск
BREMBO 09.9464.24
Тип тормозного диска : вентилируемый
Толщина тормозного диска (мм) : 25
Количество отверстий : 5
Высота [мм] : 49
Диаметр центрирования [мм] : 72
Наружный диаметр [мм] : 278
Обработка : Высокоуглеродистый
Минимальная толщина [мм] : 23
Момент затяжки [Нм] : 103
|
|
Тормозной диск
BREMBO 09.9464.2X
Тип тормозного диска : перфорированный / вентилируемый
Толщина тормозного диска (мм) : 25
Количество отверстий : 5
Высота [мм] : 49
Диаметр центрирования [мм] : 72
Наружный диаметр [мм] : 278
Обработка : Высокоуглеродистый
Поверхность : с покрытием
Минимальная толщина [мм] : 23,5
|
|
Тормозной диск
BREMBO 09.9468.20
Тип тормозного диска : вентилируемый
Толщина тормозного диска (мм) : 25
Количество отверстий : 5
Высота [мм] : 49
Диаметр центрирования [мм] : 72
Наружный диаметр [мм] : 300
Обработка : Высокоуглеродистый
Минимальная толщина [мм] : 23
Момент затяжки [Нм] : 103
|
|
Тормозной диск
BREMBO 09.9468.21
Тип тормозного диска : вентилируемый
Толщина тормозного диска (мм) : 25
Количество отверстий : 5
Высота [мм] : 49
Диаметр центрирования [мм] : 72
Наружный диаметр [мм] : 300
Обработка : Высокоуглеродистый
Поверхность : с покрытием
Минимальная толщина [мм] : 23
Момент затяжки [Нм] : 103
|
|
Тормозной диск
BREMBO 09.9468.2X
Тип тормозного диска : перфорированный / вентилируемый
Толщина тормозного диска (мм) : 25
Количество отверстий : 5
Высота [мм] : 49
Диаметр центрирования [мм] : 72
Наружный диаметр [мм] : 300
Обработка : Высокоуглеродистый
Поверхность : с покрытием
Минимальная толщина [мм] : 23,5
Момент затяжки [Нм] : 103
|
|
Тормозной диск
BREMBO 09.9468.76
Тип тормозного диска : вентилируемый
Тип тормозного диска : с прорезом
Толщина тормозного диска (мм) : 25
Количество отверстий : 5
Высота [мм] : 49
Диаметр центрирования [мм] : 72
Наружный диаметр [мм] : 300
Обработка : Высокоуглеродистый
Поверхность : с покрытием
Минимальная толщина [мм] : 23
Момент затяжки [Нм] : 103
|
|
Тормозной диск
BREMBO 08.9975.20
Тип тормозного диска : цельный
Толщина тормозного диска (мм) : 11
Количество отверстий : 5
Высота [мм] : 41
Диаметр центрирования [мм] : 72
Наружный диаметр [мм] : 280
Минимальная толщина [мм] : 9
Момент затяжки [Нм] : 103
|
|
Тормозной диск
BREMBO 08.9975.21
Тип тормозного диска : цельный
Толщина тормозного диска (мм) : 11
Количество отверстий : 5
Высота [мм] : 41
Диаметр центрирования [мм] : 72
Наружный диаметр [мм] : 280
Поверхность : с покрытием
Минимальная толщина [мм] : 9
Момент затяжки [Нм] : 103
|
|
Тормозной диск
BREMBO 08.9975.2X
Тип тормозного диска : цельный
Тип тормозного диска : перфорированный
Толщина тормозного диска (мм) : 11
Количество отверстий : 5
Высота [мм] : 41
Диаметр центрирования [мм] : 72
Наружный диаметр [мм] : 280
Поверхность : с покрытием
Минимальная толщина [мм] : 9,5
Момент затяжки [Нм] : 103
|
|
Тормозной диск
BREMBO 08.9975.76
Тип тормозного диска : цельный
Тип тормозного диска : с прорезом
Толщина тормозного диска (мм) : 11
Количество отверстий : 5
Высота [мм] : 41
Диаметр центрирования [мм] : 72
Наружный диаметр [мм] : 280
Поверхность : с покрытием
Минимальная толщина [мм] : 9
Момент затяжки [Нм] : 103
|
|
Тормозной диск
BREMBO 08.A711.10
Тип тормозного диска : цельный
Толщина тормозного диска (мм) : 11
Количество отверстий : 5
Высота [мм] : 41
Диаметр центрирования [мм] : 72
Наружный диаметр [мм] : 302
Минимальная толщина [мм] : 9
Момент затяжки [Нм] : 103
|
|
Тормозной диск
BREMBO 08.A711.11
Тип тормозного диска : цельный
Толщина тормозного диска (мм) : 11
Количество отверстий : 5
Высота [мм] : 41
Диаметр центрирования [мм] : 72
Наружный диаметр [мм] : 302
Поверхность : с покрытием
Минимальная толщина [мм] : 9
Момент затяжки [Нм] : 103
|
|
Тормозной диск
BREMSI CD7311V
Сторона установки : передний мост
Наружный диаметр [мм] : 278
Тип тормозного диска : вентилируемый
Толщина тормозного диска (мм) : 25
Минимальная толщина [мм] : 23
Количество отверстий : 5
Момент затяжки [Нм] : 10,3
|
|
Тормозной диск
BREMSI CD7312V
Сторона установки : передний мост
Наружный диаметр [мм] : 300
Высота [мм] : 48,5
Тип тормозного диска : вентилируемый
Толщина тормозного диска (мм) : 25
Минимальная толщина [мм] : 23
Количество отверстий : 5
Диаметр центрирования [мм] : 72
Момент затяжки [Нм] : 10,3
Поверхность : лакированный
Цвет : чёрный
|
|
Тормозной диск
BREMSI CD7546S
Сторона установки : Задний мост
Наружный диаметр [мм] : 280
Высота [мм] : 41
Тип тормозного диска : цельный
Толщина тормозного диска (мм) : 11
Минимальная толщина [мм] : 9
Количество отверстий : 5
Диаметр центрирования [мм] : 72
|
|
Тормозной диск
BSG BSG 55-210-004
Минимальная толщина [мм] : 23
Тип тормозного диска : вентилируемый
Наружный диаметр [мм] : 278
Толщина тормозного диска (мм) : 25
Диаметр центрирования [мм] : 72
Высота [мм] : 48
Размер резьбы : 14
Количество отверстий : 5
Ø фаски [мм] : 114
Цвет : чёрный
Поверхность : лакированный
проверочное значение : E190R 0202C0176/0065
Сторона установки : передний мост
|
|
Тормозной диск
CAR 142.1119
Сторона установки : 1-й передний мост
Тип тормозного диска : цельный
Наружный диаметр [мм] : 278
Толщина тормозного диска (мм) : 25
Высота [мм] : 48,7
Диаметр центрирования [мм] : 72
Количество отверстий : 5
для артикула № : CAR: 142.1119
для артикула № : IB: MZ 99 1V
для артикула № : RD: 1066
Минимальная толщина [мм] : 23
Вес [кг] : 7,27
|
|
Тормозной диск
CAR 142.1209
Сторона установки : 1-й задний мост
Тип тормозного диска : цельный
Наружный диаметр [мм] : 280
Толщина тормозного диска (мм) : 11
Высота [мм] : 41
Диаметр центрирования [мм] : 72
Количество отверстий : 5
для артикула № : CAR: 142.1209
для артикула № : IB: MX 03 1P
для артикула № : RD: 3526
проверочное значение : ECE R90 APPROVED
Минимальная толщина [мм] : 9
Вес [кг] : 4,73
|
|
Тормозной диск
CAR 142.1267
Сторона установки : 1-й передний мост
Тип тормозного диска : цельный
Наружный диаметр [мм] : 300
Толщина тормозного диска (мм) : 25
Высота [мм] : 48,5
Диаметр центрирования [мм] : 72
Количество отверстий : 5
для артикула № : CAR: 142.1267
для артикула № : IB: MX 02 1V
для артикула № : RD: 3569
проверочное значение : ECE R90 APPROVED
Минимальная толщина [мм] : 23
Вес [кг] : 8,13
|
|
Тормозной диск
CAR 142.1327
Сторона установки : 1-й задний мост
Тип тормозного диска : цельный
Наружный диаметр [мм] : 302
Толщина тормозного диска (мм) : 11
Высота [мм] : 40,8
Диаметр центрирования [мм] : 72
Количество отверстий : 5
для артикула № : CAR: 142.1327
для артикула № : IB: MX 10 1P
для артикула № : RD: 1157
проверочное значение : ECE R90 APPROVED
Минимальная толщина [мм] : 9
Вес [кг] : 4,9
|
|
Тормозной диск
CAR HPD 1119
Сторона установки : 1-й передний мост
Тип тормозного диска : цельный
Наружный диаметр [мм] : 278
Толщина тормозного диска (мм) : 25
Высота [мм] : 48,7
Диаметр центрирования [мм] : 72
Количество отверстий : 5
для артикула № : CAR: HPD 1119
для артикула № : IB: HMZ 99 1V
для артикула № : RD: RR 1066
Минимальная толщина [мм] : 23
Вес [кг] : 7,05
|
|
Тормозной диск
CAR HPD 1209
Сторона установки : 1-й задний мост
Тип тормозного диска : цельный
Наружный диаметр [мм] : 280
Толщина тормозного диска (мм) : 11
Высота [мм] : 41
Диаметр центрирования [мм] : 72
Количество отверстий : 5
для артикула № : CAR: HPD 1209
для артикула № : IB: HMX 03 1P
для артикула № : RD: RR 3526
проверочное значение : ECE R90 APPROVED
Минимальная толщина [мм] : 9
Вес [кг] : 4,59
|
|
Тормозной диск
CAR HPD 1267
Сторона установки : 1-й передний мост
Тип тормозного диска : цельный
Наружный диаметр [мм] : 300
Толщина тормозного диска (мм) : 25
Высота [мм] : 48,5
Диаметр центрирования [мм] : 72
Количество отверстий : 5
для артикула № : CAR: HPD 1267
для артикула № : IB: HMX 02 1V
для артикула № : RD: RR 3569
проверочное значение : ECE R90 APPROVED
Минимальная толщина [мм] : 23
Вес [кг] : 7,89
|
|
Тормозной диск
CHAMPION 563028CH
Тип тормозного диска : вентилируемый
Наружный диаметр [мм] : 278
Толщина тормозного диска (мм) : 25
Дополнительный артикул / дополнительная информация 2 : без винтов
Высота [мм] : 48,5
Ø фаски [мм] : 114,3
Диаметр центрирования [мм] : 72
Количество отверстий : 5
Количественная единица : комплект
Вес [кг] : 14,24
Минимальная толщина [мм] : 23
Момент затяжки [Нм] : 103
Тип контейнера : Коробка
Длина упаковки [см] : 27,9
Ширина упаковки [см] : 27,9
Высота упаковки [см] : 10,1
|
|
Тормозной диск
CHAMPION 563043CH
Тип тормозного диска : цельный
Наружный диаметр [мм] : 280
Толщина тормозного диска (мм) : 11
Дополнительный артикул / дополнительная информация 2 : без винтов
Высота [мм] : 41
Ø фаски [мм] : 114,3
Диаметр центрирования [мм] : 72
Количество отверстий : 5
Количественная единица : комплект
Вес [кг] : 9,24
Минимальная толщина [мм] : 9
Момент затяжки [Нм] : 103
Тип контейнера : Коробка
Длина упаковки [см] : 29
Ширина упаковки [см] : 29
Высота упаковки [см] : 11
|
|
Тормозной диск
CHAMPION 562635CH
Тип тормозного диска : вентилируемый
Наружный диаметр [мм] : 300
Толщина тормозного диска (мм) : 25
Дополнительный артикул / дополнительная информация 2 : без винтов
Высота [мм] : 48,5
Ø фаски [мм] : 114,3
Диаметр центрирования [мм] : 72
Количество отверстий : 5
Количественная единица : комплект
Вес [кг] : 16,44
Минимальная толщина [мм] : 23
Момент затяжки [Нм] : 103
Тип контейнера : Коробка
Длина упаковки [см] : 31
Ширина упаковки [см] : 31
Высота упаковки [см] : 11,7
|
|
Тормозной диск
CIFAM 800-729C
проверочное значение : ECE-R90
Высота [мм] : 48,5
Тип тормозного диска : вентилируемый
Толщина тормозного диска (мм) : 25
Наружный диаметр [мм] : 278
Количество отверстий : 5
Диаметр центрирования [мм] : 72
Поверхность : лакированный
|
|
Тормозной диск
CIFAM 800-750C
проверочное значение : ECE-R90
Высота [мм] : 40,8
Тип тормозного диска : цельный
Толщина тормозного диска (мм) : 11
Наружный диаметр [мм] : 280
Количество отверстий : 5
Диаметр центрирования [мм] : 72
Поверхность : лакированный
|
|
Тормозной диск
COMLINE ADC0446V
Тип тормозного диска : вентилируемый
Наружный диаметр [мм] : 278
Толщина тормозного диска (мм) : 25
Высота [мм] : 48,5
Ø фаски [мм] : 114,3
Диаметр центрирования [мм] : 72
Количество отверстий : 5
Поверхность : с покрытием
Минимальная толщина [мм] : 23
|
|
Тормозной диск
COMLINE ADC0447V
Тип тормозного диска : вентилируемый
Наружный диаметр [мм] : 300
Толщина тормозного диска (мм) : 25
Высота [мм] : 48,5
Ø фаски [мм] : 114,3
Диаметр центрирования [мм] : 72
Количество отверстий : 5
Поверхность : с покрытием
Минимальная толщина [мм] : 23
|
|
Тормозной диск
COMLINE ADC0449
Тип тормозного диска : цельный
Наружный диаметр [мм] : 280
Толщина тормозного диска (мм) : 11
Высота [мм] : 41,1
Ø фаски [мм] : 114,3
Диаметр центрирования [мм] : 72,1
Количество отверстий : 5
Минимальная толщина [мм] : 9
|
|
Тормозной диск
COMLINE ADC0455
Тип тормозного диска : цельный
Наружный диаметр [мм] : 302
Толщина тормозного диска (мм) : 11
Высота [мм] : 41
Ø фаски [мм] : 114,3
Диаметр центрирования [мм] : 72
Количество отверстий : 5
Поверхность : с покрытием
Минимальная толщина [мм] : 9
|
|
Тормозной диск
CWORKS C220R0011
Сторона установки : Задний мост
Тип тормозного диска : цельный
Толщина тормозного диска (мм) : 11
Ø фаски [мм] : 114,3
Количество отверстий : 5
Высота [мм] : 40,7
Диаметр центрирования [мм] : 72
Наружный диаметр [мм] : 280
|
|
Тормозной диск
DANAHER DR10271
Сторона установки : Задний мост
Тип тормозного диска : цельный
Толщина тормозного диска (мм) : 9,3
Наружный диаметр [мм] : 269
Высота [мм] : 55,7
Количество отверстий : 4
Диаметр центрирования [мм] : 55,1
|
|
Тормозной диск
DANAHER DR10278
Сторона установки : Задний мост
Тип тормозного диска : цельный
Толщина тормозного диска (мм) : 11
Наружный диаметр [мм] : 280
Высота [мм] : 41,1
Количество отверстий : 5
Диаметр центрирования [мм] : 72,1
|
|
Тормозной диск
DANAHER DR10405
Сторона установки : Задний мост
Тип тормозного диска : цельный
Толщина тормозного диска (мм) : 11
Наружный диаметр [мм] : 302
Высота [мм] : 41
Количество отверстий : 5
Диаметр центрирования [мм] : 72
|
|
Тормозной диск
DANAHER DR11389
Сторона установки : передний мост
Тип тормозного диска : вентилируемый
Толщина тормозного диска (мм) : 25
Наружный диаметр [мм] : 278
Высота [мм] : 48,5
Количество отверстий : 5
Диаметр центрирования [мм] : 72
|
|
Тормозной диск
DANAHER DR11390
Сторона установки : передний мост
Тип тормозного диска : вентилируемый
Толщина тормозного диска (мм) : 25
Наружный диаметр [мм] : 300
Высота [мм] : 48,5
Количество отверстий : 5
Диаметр центрирования [мм] : 72
|
|
Тормозной диск
DELPHI BG3927
Тип тормозного диска : вентилируемый
Количество отверстий : 5
проверочное значение : E1 90R-02C0957/2551
Поверхность : промасленный
Наружный диаметр [мм] : 278
Толщина тормозного диска (мм) : 25
Минимальная толщина [мм] : 23
Диаметр центрирования [мм] : 72
Высота [мм] : 48,5
|
|
Тормозной диск
DELPHI BG3928
Тип тормозного диска : вентилируемый
Количество отверстий : 5
проверочное значение : E1 90R-02C0957/2555
Поверхность : промасленный
Наружный диаметр [мм] : 300
Толщина тормозного диска (мм) : 25
Минимальная толщина [мм] : 23
Диаметр центрирования [мм] : 72
Высота [мм] : 48,5
|
|
Тормозной диск
DELPHI BG3930
Тип тормозного диска : цельный
Количество отверстий : 5
проверочное значение : E1 90R-02C0100/1555
Поверхность : промасленный
Наружный диаметр [мм] : 280
Толщина тормозного диска (мм) : 11
Минимальная толщина [мм] : 9
Диаметр центрирования [мм] : 72
Высота [мм] : 40,8
|
|
Тормозной диск
DELPHI BG4026
Тип тормозного диска : цельный
Количество отверстий : 5
проверочное значение : E1 90R-02C0100/1556
Поверхность : промасленный
Наружный диаметр [мм] : 302
Толщина тормозного диска (мм) : 11
Минимальная толщина [мм] : 9
Диаметр центрирования [мм] : 72
Высота [мм] : 41
|
|
Тормозной диск
DENCKERMANN B130284
Минимальная толщина [мм] : 23
Тип тормозного диска : вентилируемый
Диаметр отверстия [мм] : 14
Толщина тормозного диска (мм) : 25
Ø фаски [мм] : 114,3
Количество отверстий : 5
Внутренний диаметр : 140
Высота [мм] : 48,5
Диаметр центрирования [мм] : 72
Наружный диаметр [мм] : 300
|
|
Тормозной диск
DENCKERMANN B130346
Минимальная толщина [мм] : 9
Тип тормозного диска : цельный
Диаметр отверстия [мм] : 14
Толщина тормозного диска (мм) : 11
Ø фаски [мм] : 114,3
Количество отверстий : 5
Внутренний диаметр : 154
Высота [мм] : 40,8
Диаметр центрирования [мм] : 72
Наружный диаметр [мм] : 280
|
|
Тормозной диск
DENCKERMANN B130549
Минимальная толщина [мм] : 23
Тип тормозного диска : вентилируемый
Диаметр отверстия [мм] : 14
Толщина тормозного диска (мм) : 25
Ø фаски [мм] : 114,3
Количество отверстий : 5
Внутренний диаметр : 140
Высота [мм] : 48,5
Диаметр центрирования [мм] : 72
Наружный диаметр [мм] : 278
|
|
Тормозной диск
DON PCD11152
Тип тормозного диска : вентилируемый
Наружный диаметр [мм] : 278
Толщина тормозного диска (мм) : 25
Высота [мм] : 48,5
Минимальная толщина [мм] : 23
Поверхность : с частичным покрытием
Внутренний диаметр : 140
Ø фаски [мм] : 114,3
Диаметр центрирования [мм] : 72
Расположение/число отверстий : 05/05
Диаметр отверстия под шпильку колеса [мм] : 13,8
Дополнительный артикул / дополнительная информация 2 : без ступицы
Дополнительный артикул / дополнительная информация 2 : без колесного подшипника
Дополнительный артикул / дополнительная информация 2 : без колесной крепящей оси
Длина упаковки [см] : 31,5
Ширина упаковки [см] : 31,5
Высота упаковки [см] : 12,2
Вес [кг] : 7,1
|
|
Тормозной диск
DON PCD11622
Тип тормозного диска : вентилируемый
Наружный диаметр [мм] : 300
Толщина тормозного диска (мм) : 25
Высота [мм] : 48,5
Минимальная толщина [мм] : 23
Поверхность : с частичным покрытием
Внутренний диаметр : 139,9
Ø фаски [мм] : 114,3
Диаметр центрирования [мм] : 72
Расположение/число отверстий : 05/05
Диаметр отверстия под шпильку колеса [мм] : 13,8
Дополнительный артикул / дополнительная информация 2 : без ступицы
Дополнительный артикул / дополнительная информация 2 : без колесного подшипника
Дополнительный артикул / дополнительная информация 2 : без колесной крепящей оси
Длина упаковки [см] : 31,5
Ширина упаковки [см] : 31,5
Высота упаковки [см] : 12,2
Вес [кг] : 8,1
|
|
Тормозной диск
DON PCD12932
Тип тормозного диска : цельный
Наружный диаметр [мм] : 302
Толщина тормозного диска (мм) : 11
Высота [мм] : 41
Минимальная толщина [мм] : 9
Поверхность : с частичным покрытием
Внутренний диаметр : 153
Ø фаски [мм] : 114,3
Диаметр центрирования [мм] : 72
Расположение/число отверстий : 05/05
Диаметр отверстия под шпильку колеса [мм] : 13,8
Дополнительный артикул / дополнительная информация 2 : без ступицы
Дополнительный артикул / дополнительная информация 2 : без колесного подшипника
Дополнительный артикул / дополнительная информация 2 : без колесной крепящей оси
Длина упаковки [см] : 31,9
Ширина упаковки [см] : 31,9
Высота упаковки [см] : 9,9
Вес [кг] : 4,9
|
|
Тормозной диск
DON PCD12992
Тип тормозного диска : цельный
Наружный диаметр [мм] : 280
Толщина тормозного диска (мм) : 11
Высота [мм] : 40,9
Минимальная толщина [мм] : 9
Поверхность : с частичным покрытием
Внутренний диаметр : 153,2
Ø фаски [мм] : 114,3
Диаметр центрирования [мм] : 72
Расположение/число отверстий : 05/05
Диаметр отверстия под шпильку колеса [мм] : 14
Дополнительный артикул / дополнительная информация 2 : без ступицы
Дополнительный артикул / дополнительная информация 2 : без колесного подшипника
Дополнительный артикул / дополнительная информация 2 : без колесной крепящей оси
Длина упаковки [см] : 29,9
Ширина упаковки [см] : 29,9
Высота упаковки [см] : 10,2
Вес [кг] : 4,4
|
|
Тормозной диск
DR!VE+ DP1010.11.0823
Число отверстий в диске колеса : 5
Сторона установки : передний мост
Высота [мм] : 48,5
Тип тормозного диска : вентилируемый
Толщина тормозного диска (мм) : 25
Минимальная толщина [мм] : 23
Наружный диаметр [мм] : 278
Диаметр центрирования [мм] : 72
|
|
Тормозной диск
DR!VE+ DP1010.11.0859
Число отверстий в диске колеса : 5
Сторона установки : передний мост
Высота [мм] : 48,5
Тип тормозного диска : вентилируемый
Толщина тормозного диска (мм) : 25
Минимальная толщина [мм] : 23
Наружный диаметр [мм] : 300
Диаметр центрирования [мм] : 72
|
|
Тормозной диск
DR!VE+ DP1010.11.1294
Число отверстий в диске колеса : 5
Сторона установки : Задний мост
Высота [мм] : 40,9
Тип тормозного диска : цельный
Толщина тормозного диска (мм) : 10,9
Минимальная толщина [мм] : 9
Наружный диаметр [мм] : 280
Диаметр центрирования [мм] : 72
|
|
Тормозной диск
EBC Brakes D1312
Тип тормозного диска : вентилируемый
Толщина тормозного диска (мм) : 23
Толщина тормозного диска (мм) : 25
Количество отверстий : 5
Высота [мм] : 49
Наружный диаметр [мм] : 278
Материал : Серый чугун
|
|
Тормозной диск
EBC Brakes D1313
Тип тормозного диска : вентилируемый
Толщина тормозного диска (мм) : 23
Толщина тормозного диска (мм) : 25
Количество отверстий : 5
Высота [мм] : 49
Наружный диаметр [мм] : 300
Материал : Серый чугун
|
|
Тормозной диск
EBC Brakes D1315
Тип тормозного диска : цельный
Толщина тормозного диска (мм) : 9
Толщина тормозного диска (мм) : 11
Количество отверстий : 5
Высота [мм] : 41
Наружный диаметр [мм] : 280
Материал : Серый чугун
|
|
Тормозной диск
EBC Brakes D1552
Тип тормозного диска : цельный
Толщина тормозного диска (мм) : 9
Толщина тормозного диска (мм) : 11
Количество отверстий : 5
Высота [мм] : 41
Наружный диаметр [мм] : 302
Материал : Серый чугун
|
|
Тормозной диск
EBC Brakes GD1312
Тип тормозного диска : вентилируемый
Толщина тормозного диска (мм) : 23
Толщина тормозного диска (мм) : 25
Количество отверстий : 5
Высота [мм] : 49
Наружный диаметр [мм] : 278
Материал : Серый чугун
|
|
Тормозной диск
EBC Brakes GD1313
Тип тормозного диска : вентилируемый
Толщина тормозного диска (мм) : 23
Толщина тормозного диска (мм) : 25
Количество отверстий : 5
Высота [мм] : 49
Наружный диаметр [мм] : 300
Материал : Серый чугун
|
|
Тормозной диск
EBC Brakes GD1315
Тип тормозного диска : цельный
Толщина тормозного диска (мм) : 9
Толщина тормозного диска (мм) : 11
Количество отверстий : 5
Высота [мм] : 41
Наружный диаметр [мм] : 280
Материал : Серый чугун
|
|
Тормозной диск
EBC Brakes GD1552
Тип тормозного диска : цельный
Толщина тормозного диска (мм) : 9
Толщина тормозного диска (мм) : 11
Количество отверстий : 5
Высота [мм] : 41
Наружный диаметр [мм] : 302
Материал : Серый чугун
|
|
Тормозной диск
EBC Brakes USR1312
Тип тормозного диска : вентилируемый
Толщина тормозного диска (мм) : 23
Толщина тормозного диска (мм) : 25
Количество отверстий : 5
Высота [мм] : 49
Наружный диаметр [мм] : 278
Материал : Серый чугун
|
|
Тормозной диск
EBC Brakes USR1313
Тип тормозного диска : вентилируемый
Толщина тормозного диска (мм) : 23
Толщина тормозного диска (мм) : 25
Количество отверстий : 5
Высота [мм] : 49
Наружный диаметр [мм] : 300
Материал : Серый чугун
|
|
Тормозной диск
EBC Brakes USR1315
Тип тормозного диска : цельный
Толщина тормозного диска (мм) : 9
Толщина тормозного диска (мм) : 11
Количество отверстий : 5
Высота [мм] : 41
Наружный диаметр [мм] : 280
Материал : Серый чугун
|
|
Тормозной диск
EBC Brakes USR1552
Тип тормозного диска : цельный
Толщина тормозного диска (мм) : 9
Толщина тормозного диска (мм) : 11
Количество отверстий : 5
Высота [мм] : 41
Наружный диаметр [мм] : 302
Материал : Серый чугун
|
|
Тормозной диск
EGT 410523EGT
Число отверстий в диске колеса : 5
Высота [мм] : 48,7
Тип тормозного диска : вентилируемый
Толщина тормозного диска (мм) : 25
Минимальная толщина [мм] : 23
Наружный диаметр [мм] : 278
Поверхность : с покрытием
Диаметр ступицы [мм] : 72
|
|
Тормозной диск
EGT 410523cEGT
Число отверстий в диске колеса : 5
Высота [мм] : 48,7
Тип тормозного диска : вентилируемый
Толщина тормозного диска (мм) : 25
Минимальная толщина [мм] : 23
Наружный диаметр [мм] : 278
Поверхность : с покрытием
Диаметр ступицы [мм] : 72
|
|
Тормозной диск
EGT 410576EGT
Число отверстий в диске колеса : 5
Высота [мм] : 48,6
Тип тормозного диска : вентилируемый
Толщина тормозного диска (мм) : 25
Минимальная толщина [мм] : 23
Наружный диаметр [мм] : 300
Поверхность : с покрытием
Диаметр ступицы [мм] : 72
Диаметр отверстия под шпильку колеса [мм] : 114,3
|
|
Тормозной диск
EGT 410576cEGT
Число отверстий в диске колеса : 5
Высота [мм] : 48,6
Тип тормозного диска : вентилируемый
Толщина тормозного диска (мм) : 25
Минимальная толщина [мм] : 23
Наружный диаметр [мм] : 300
Поверхность : с покрытием
Диаметр ступицы [мм] : 72
Диаметр отверстия под шпильку колеса [мм] : 114,3
|
|
Тормозной диск
EGT 410592EGT
Число отверстий в диске колеса : 5
Высота [мм] : 41
Тип тормозного диска : цельный
Толщина тормозного диска (мм) : 11
Минимальная толщина [мм] : 10
Наружный диаметр [мм] : 280
Поверхность : с покрытием
Диаметр ступицы [мм] : 72
Диаметр отверстия под шпильку колеса [мм] : 114,3
|
|
Тормозной диск
EGT 410592cEGT
Число отверстий в диске колеса : 5
Высота [мм] : 41
Тип тормозного диска : цельный
Толщина тормозного диска (мм) : 11
Минимальная толщина [мм] : 10
Наружный диаметр [мм] : 280
Поверхность : с покрытием
Диаметр ступицы [мм] : 72
Диаметр отверстия под шпильку колеса [мм] : 114,3
|
|
Тормозной диск
EGT 410757cEGT
Число отверстий в диске колеса : 5
Высота [мм] : 41,7
Тип тормозного диска : цельный
Толщина тормозного диска (мм) : 11
Минимальная толщина [мм] : 9
Наружный диаметр [мм] : 301,8
Поверхность : с покрытием
Диаметр ступицы [мм] : 72
|
|
Тормозной диск
EUROBRAKE 5815203251
Наружный диаметр [мм] : 278
Толщина тормозного диска (мм) : 25
Минимальная толщина [мм] : 23
Высота [мм] : 49
Число отверстий в диске колеса : 5
Тип тормозного диска : вентилируемый
Диаметр центрирования [мм] : 72
Поверхность : промасленный
Вес нетто [кг] : 7,06
|
|
Тормозной диск
EUROBRAKE 5815313251
Наружный диаметр [мм] : 278
Толщина тормозного диска (мм) : 25
Минимальная толщина [мм] : 23
Высота [мм] : 49
Число отверстий в диске колеса : 5
Тип тормозного диска : вентилируемый
Диаметр центрирования [мм] : 72
Поверхность : с покрытием
Вес нетто [кг] : 7,06
|
|
Тормозной диск
EUROBRAKE 5815203253
Наружный диаметр [мм] : 300
Толщина тормозного диска (мм) : 25
Минимальная толщина [мм] : 23
Высота [мм] : 48,6
Число отверстий в диске колеса : 5
Тип тормозного диска : вентилируемый
Диаметр центрирования [мм] : 72
Поверхность : промасленный
Вес нетто [кг] : 8,12
|
|
Тормозной диск
EUROBRAKE 5815313253
Наружный диаметр [мм] : 300
Толщина тормозного диска (мм) : 25
Минимальная толщина [мм] : 23
Высота [мм] : 48,6
Число отверстий в диске колеса : 5
Тип тормозного диска : вентилируемый
Диаметр центрирования [мм] : 72
Поверхность : с покрытием
Вес нетто [кг] : 8,12
|
|
Тормозной диск
EUROBRAKE 5815203252
Наружный диаметр [мм] : 280
Толщина тормозного диска (мм) : 11
Минимальная толщина [мм] : 9
Высота [мм] : 41
Число отверстий в диске колеса : 5
Тип тормозного диска : цельный
Диаметр центрирования [мм] : 72
Поверхность : промасленный
Вес нетто [кг] : 4,4
|
|
Тормозной диск
EUROBRAKE 5815313252
Наружный диаметр [мм] : 280
Толщина тормозного диска (мм) : 11
Минимальная толщина [мм] : 9
Высота [мм] : 41
Число отверстий в диске колеса : 5
Тип тормозного диска : цельный
Диаметр центрирования [мм] : 72
Поверхность : с покрытием
Вес нетто [кг] : 4,44
|
|
Тормозной диск
EUROBRAKE 5815203261
Наружный диаметр [мм] : 302
Толщина тормозного диска (мм) : 11
Минимальная толщина [мм] : 9
Высота [мм] : 41,7
Число отверстий в диске колеса : 5
Тип тормозного диска : цельный
Диаметр центрирования [мм] : 72
Поверхность : промасленный
Вес нетто [кг] : 4,86
|
|
Тормозной диск
EUROBRAKE 5815313261
Наружный диаметр [мм] : 302
Толщина тормозного диска (мм) : 11
Минимальная толщина [мм] : 9
Высота [мм] : 41,7
Число отверстий в диске колеса : 5
Тип тормозного диска : цельный
Диаметр центрирования [мм] : 72
Поверхность : с покрытием
Вес нетто [кг] : 4,86
|
|
Тормозной диск
EUROREPAR 1642752080
Тип тормозного диска : вентилируемый
Дополнительный артикул / дополнительная информация 2 : без кольца сенсора ABS
Наружный диаметр [мм] : 277,9
Толщина тормозного диска (мм) : 25
Высота [мм] : 48,5
Диаметр центрирования [мм] : 72
Ø фаски [мм] : 114,3
Количество отверстий : 5
Минимальная толщина [мм] : 23
|
|
Тормозной диск
EUROREPAR 1642760180
Тип тормозного диска : вентилируемый
Дополнительный артикул / дополнительная информация 2 : без кольца сенсора ABS
Наружный диаметр [мм] : 299,9
Толщина тормозного диска (мм) : 25
Высота [мм] : 48,5
Диаметр центрирования [мм] : 72
Ø фаски [мм] : 114,3
Количество отверстий : 5
Минимальная толщина [мм] : 23
|
|
Тормозной диск
EUROREPAR 1686733180
Тип тормозного диска : вентилируемый
Дополнительный артикул / дополнительная информация 2 : без кольца сенсора ABS
Наружный диаметр [мм] : 300
Толщина тормозного диска (мм) : 25
Высота [мм] : 48,5
Диаметр центрирования [мм] : 72
Количество отверстий : 5
Минимальная толщина [мм] : 23
|
|
Тормозной диск
EUROREPAR 1642773380
Тип тормозного диска : цельный
Дополнительный артикул / дополнительная информация 2 : без кольца сенсора ABS
Наружный диаметр [мм] : 280
Толщина тормозного диска (мм) : 11
Высота [мм] : 40,8
Диаметр центрирования [мм] : 72
Количество отверстий : 5
Минимальная толщина [мм] : 9
|
|
Тормозной диск
EUROREPAR 1642773480
Тип тормозного диска : цельный
Дополнительный артикул / дополнительная информация 2 : без кольца сенсора ABS
Наружный диаметр [мм] : 302
Толщина тормозного диска (мм) : 11
Высота [мм] : 41,7
Диаметр центрирования [мм] : 72
Количество отверстий : 5
Минимальная толщина [мм] : 9
|
|
Тормозной диск
FAI AutoParts BD204
Тип тормозного диска : цельный
Наружный диаметр [мм] : 302
Толщина тормозного диска (мм) : 11
необходимое количество : 2
Высота [мм] : 40,6
Диаметр центрирования [мм] : 72
Количество отверстий : 5
Поверхность : с покрытием
Минимальная толщина [мм] : 9
|
|
Тормозной диск
FAI AutoParts BD235
Тип тормозного диска : цельный
Наружный диаметр [мм] : 280
Толщина тормозного диска (мм) : 11
необходимое количество : 2
Высота [мм] : 41
Диаметр центрирования [мм] : 72
Количество отверстий : 5
Поверхность : с покрытием
Минимальная толщина [мм] : 9
|
|
Тормозной диск
FAI AutoParts BD379
Тип тормозного диска : вентилируемый
Наружный диаметр [мм] : 300
Толщина тормозного диска (мм) : 25
необходимое количество : 2
Высота [мм] : 48,5
Диаметр центрирования [мм] : 72
Количество отверстий : 5
Поверхность : с покрытием
Минимальная толщина [мм] : 23
|
|
Тормозной диск
FAI AutoParts BD425
Тип тормозного диска : вентилируемый
Наружный диаметр [мм] : 278
Толщина тормозного диска (мм) : 25
необходимое количество : 2
Высота [мм] : 48,5
Диаметр центрирования [мм] : 72
Количество отверстий : 5
Поверхность : с покрытием
Минимальная толщина [мм] : 23
|
|
Тормозной диск
FAI AutoParts FPBD1050
Тип тормозного диска : цельный
Наружный диаметр [мм] : 302
Толщина тормозного диска (мм) : 11
Высота [мм] : 40,6
Диаметр центрирования [мм] : 72
Количество отверстий : 5
Поверхность : с покрытием
Минимальная толщина [мм] : 9
|
|
Тормозной диск
FAI AutoParts FPBD1087
Тип тормозного диска : цельный
Наружный диаметр [мм] : 280
Толщина тормозного диска (мм) : 11
Высота [мм] : 41
Диаметр центрирования [мм] : 72
Количество отверстий : 5
Поверхность : с покрытием
Минимальная толщина [мм] : 9
|
|
Тормозной диск
FAI AutoParts FPBD1258
Тип тормозного диска : вентилируемый
Наружный диаметр [мм] : 300
Толщина тормозного диска (мм) : 25
Высота [мм] : 48,5
Диаметр центрирования [мм] : 72
Количество отверстий : 5
Поверхность : с покрытием
Минимальная толщина [мм] : 23
|
|
Тормозной диск
FAI AutoParts FPBD1314
Тип тормозного диска : вентилируемый
Наружный диаметр [мм] : 278
Толщина тормозного диска (мм) : 25
Высота [мм] : 48,5
Диаметр центрирования [мм] : 72
Количество отверстий : 5
Поверхность : с покрытием
Минимальная толщина [мм] : 23
|
|
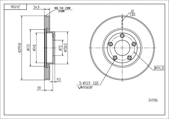
Тормозной диск
FEBI BILSTEIN 108465
Толщина тормозного диска (мм) : 11
Число отверстий в диске колеса : 5
Толщина [мм] : 40,7
Наружный диаметр [мм] : 302
Ø фаски [мм] : 114,3
Поверхность : с покрытием
Тип тормозного диска : цельный
Сторона установки : Задний мост
Минимальная толщина [мм] : 9
Диаметр центрирования [мм] : 72
Соблюдать сервисную информацию :
|
|
Тормозной диск
FEBI BILSTEIN 32765
Толщина тормозного диска (мм) : 25
Число отверстий в диске колеса : 5
Толщина [мм] : 48,4
Наружный диаметр [мм] : 278
Ø фаски [мм] : 114,3
Поверхность : с покрытием
Тип тормозного диска : вентилируемый
Сторона установки : передний мост
Минимальная толщина [мм] : 23
Диаметр центрирования [мм] : 72
Соблюдать сервисную информацию :
|
|
Тормозной диск
FEBI BILSTEIN 32770
Толщина тормозного диска (мм) : 25
Число отверстий в диске колеса : 5
Толщина [мм] : 48,4
Наружный диаметр [мм] : 300
Ø фаски [мм] : 114,3
Поверхность : с покрытием
Тип тормозного диска : вентилируемый
Сторона установки : передний мост
Минимальная толщина [мм] : 23
Диаметр центрирования [мм] : 72
Соблюдать сервисную информацию :
|
|
Тормозной диск
FEBI BILSTEIN 32775
Толщина тормозного диска (мм) : 11
Число отверстий в диске колеса : 5
Толщина [мм] : 40,7
Наружный диаметр [мм] : 280
Ø фаски [мм] : 114,3
Поверхность : с покрытием
Тип тормозного диска : цельный
Сторона установки : Задний мост
Минимальная толщина [мм] : 9
Диаметр центрирования [мм] : 72
Соблюдать сервисную информацию :
|
|
Тормозной диск
FENOX TB218054
Сторона установки : Задний мост
Тип тормозного диска : цельный
Толщина тормозного диска (мм) : 11
Ø фаски [мм] : 114,3
Количество отверстий : 5
Высота [мм] : 40,9
Диаметр центрирования [мм] : 72
Наружный диаметр [мм] : 280
|
|
Тормозной диск
FENOX TB218095
Сторона установки : Задний мост
Тип тормозного диска : цельный
Толщина тормозного диска (мм) : 9
Ø фаски [мм] : 100
Количество отверстий : 4
Высота [мм] : 55,7
Диаметр центрирования [мм] : 55
Наружный диаметр [мм] : 268
|
|
Тормозной диск
FENOX TB219120
Сторона установки : передний мост
Тип тормозного диска : вентилируемый
Толщина тормозного диска (мм) : 25
Ø фаски [мм] : 114,3
Количество отверстий : 5
Высота [мм] : 48,5
Диаметр центрирования [мм] : 72
Наружный диаметр [мм] : 278
|
|
Тормозной диск
FENOX TB219430
Сторона установки : передний мост
Тип тормозного диска : цельный
Толщина тормозного диска (мм) : 23
Наружный диаметр [мм] : 300
|
|
Тормозной диск
FERODO DDF1311
Тип тормозного диска : вентилируемый
Наружный диаметр [мм] : 278
Толщина тормозного диска (мм) : 25
Дополнительный артикул / дополнительная информация 2 : без винтов
Высота [мм] : 48,5
Ø фаски [мм] : 114,3
Диаметр центрирования [мм] : 72
Количество отверстий : 5
Количественная единица : комплект
Поверхность : промасленный
проверочное значение : R90 homologated
Вес [кг] : 14,24
Минимальная толщина [мм] : 23
Момент затяжки [Нм] : 103
Тип контейнера : Коробка
Длина упаковки [см] : 28,5
Ширина упаковки [см] : 28,5
Высота упаковки [см] : 10
|
|
Тормозной диск
FERODO DDF1311C
Тип тормозного диска : вентилируемый
Наружный диаметр [мм] : 278
Толщина тормозного диска (мм) : 25
Дополнительный артикул / дополнительная информация 2 : без винтов
Высота [мм] : 48,5
Диаметр центрирования [мм] : 72
Количество отверстий : 5
Количественная единица : комплект
Поверхность : с покрытием
проверочное значение : R90 Homologated
Вес [кг] : 7,12
Минимальная толщина [мм] : 23
Момент затяжки [Нм] : 103
Длина упаковки [см] : 28,5
Ширина упаковки [см] : 28,5
Высота упаковки [см] : 12,2
|
|
Тормозной диск
FERODO DDF1547C
Тип тормозного диска : цельный
Наружный диаметр [мм] : 302
Толщина тормозного диска (мм) : 11
Дополнительный артикул / дополнительная информация 2 : без винтов
Высота [мм] : 41
Диаметр центрирования [мм] : 72
Количество отверстий : 5
Количественная единица : комплект
Поверхность : с покрытием
проверочное значение : R90 Homologated
Вес [кг] : 5,35
Минимальная толщина [мм] : 9
Момент затяжки [Нм] : 103
Длина упаковки [см] : 31
Ширина упаковки [см] : 31
Высота упаковки [см] : 7
|
|
Тормозной диск
FERODO DDF1546
Тип тормозного диска : цельный
Наружный диаметр [мм] : 280
Толщина тормозного диска (мм) : 11
Дополнительный артикул / дополнительная информация 2 : без винтов
Высота [мм] : 41
Ø фаски [мм] : 114,3
Диаметр центрирования [мм] : 72
Количество отверстий : 5
Количественная единица : комплект
Поверхность : промасленный
проверочное значение : R90 homologated
Вес [кг] : 9,24
Минимальная толщина [мм] : 9
Момент затяжки [Нм] : 103
Тип контейнера : Коробка
Длина упаковки [см] : 28,5
Ширина упаковки [см] : 28,5
Высота упаковки [см] : 9,3
|
|
Тормозной диск
FERODO DDF1546C
Тип тормозного диска : цельный
Наружный диаметр [мм] : 280
Толщина тормозного диска (мм) : 11
Дополнительный артикул / дополнительная информация 2 : без винтов
Высота [мм] : 41
Диаметр центрирования [мм] : 72
Количество отверстий : 5
Количественная единица : Штука
Поверхность : с покрытием
проверочное значение : R90 Homologated
Вес [кг] : 4,62
Минимальная толщина [мм] : 9
Момент затяжки [Нм] : 103
Длина упаковки [см] : 30
Ширина упаковки [см] : 30
Высота упаковки [см] : 10,5
|
|
Тормозной диск
FERODO DDF1312C
Тип тормозного диска : вентилируемый
Наружный диаметр [мм] : 300
Толщина тормозного диска (мм) : 25
Дополнительный артикул / дополнительная информация 2 : без винтов
Высота [мм] : 48,5
Диаметр центрирования [мм] : 72
Количество отверстий : 5
Обработка : Высокоуглеродистый
Количественная единица : комплект
Поверхность : с покрытием
проверочное значение : R90 Homologated
Вес [кг] : 8,22
Минимальная толщина [мм] : 23
Момент затяжки [Нм] : 103
Длина упаковки [см] : 28,5
Ширина упаковки [см] : 28,5
Высота упаковки [см] : 9,3
|
|
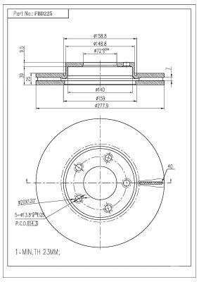
Тормозной диск
FI.BA FBD225
Сторона установки : передний мост
Вес [кг] : 6,98
Толщина [мм] : 48
Тип тормозного диска : вентилируемый
Толщина тормозного диска (мм) : 25
Минимальная толщина [мм] : 23
Ø фаски [мм] : 114,3
Число отверстий в диске колеса : 5
Диаметр центрирования [мм] : 72
Поверхность : с покрытием
Наружный диаметр [мм] : 278
|
|
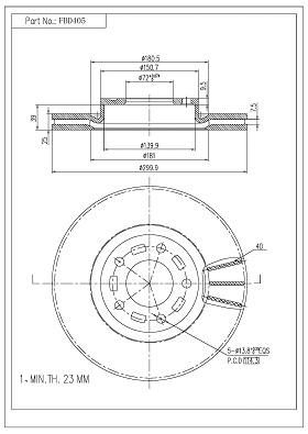
Тормозной диск
FI.BA FBD405
Сторона установки : передний мост
Вес [кг] : 8,53
Толщина [мм] : 48
Тип тормозного диска : вентилируемый
Толщина тормозного диска (мм) : 25
Минимальная толщина [мм] : 23
Ø фаски [мм] : 114,3
Число отверстий в диске колеса : 5
Диаметр центрирования [мм] : 72
Поверхность : с покрытием
Наружный диаметр [мм] : 300
|
|
Тормозной диск
FREMAX BD-3272
Тип тормозного диска : вентилируемый
Наружный диаметр [мм] : 278
Толщина тормозного диска (мм) : 25
Высота [мм] : 49
Диаметр центрирования [мм] : 72
Количество крепежных отверстий : 5
Поверхность : с покрытием
Вес [кг] : 6,98
Минимальная толщина [мм] : 23
|
|
Тормозной диск
FREMAX BD-3273
Тип тормозного диска : вентилируемый
Наружный диаметр [мм] : 300
Толщина тормозного диска (мм) : 25
Высота [мм] : 48,5
Диаметр центрирования [мм] : 72
Количество крепежных отверстий : 5
Поверхность : с покрытием
Вес [кг] : 7,98
Минимальная толщина [мм] : 23
|
|
Тормозной диск
FREMAX BD-3274
Тип тормозного диска : цельный
Наружный диаметр [мм] : 302
Толщина тормозного диска (мм) : 11
Высота [мм] : 41
Диаметр центрирования [мм] : 72
Количество крепежных отверстий : 5
Поверхность : с покрытием
Вес [кг] : 5,05
Минимальная толщина [мм] : 9
|
|
Тормозной диск
FREMAX BD-3276
Тип тормозного диска : цельный
Наружный диаметр [мм] : 280
Толщина тормозного диска (мм) : 11
Высота [мм] : 41
Диаметр центрирования [мм] : 72
Количество крепежных отверстий : 5
Поверхность : с покрытием
Вес [кг] : 4,43
Минимальная толщина [мм] : 9
|
|
Тормозной диск
fri.tech. BD0227
проверочное значение : ECE-R90
Высота [мм] : 48,5
Тип тормозного диска : вентилируемый
Толщина тормозного диска (мм) : 25
Наружный диаметр [мм] : 278
Количество отверстий : 5
Диаметр центрирования [мм] : 72
Поверхность : лакированный
|
|
Тормозной диск
fri.tech. BD0962
проверочное значение : ECE-R90
Высота [мм] : 40,8
Тип тормозного диска : цельный
Толщина тормозного диска (мм) : 11
Наружный диаметр [мм] : 280
Количество отверстий : 5
Диаметр центрирования [мм] : 72
Поверхность : лакированный
|
|
Тормозной диск
GALFER B1.G225-0170.1
Наружный диаметр [мм] : 300
Толщина тормозного диска (мм) : 25
Минимальная толщина [мм] : 23
Тип тормозного диска : вентилируемый
Обработка : Высокоуглеродистый
Поверхность : с покрытием
Количество отверстий : 5
Ø фаски [мм] : 114,3
Высота [мм] : 48,5
Диаметр центрирования [мм] : 72
Внутренний диаметр : 140
Диаметр отверстия [мм] : 14
проверочное значение : E1 90R-02C0115/1267
|
|
Тормозной диск
GALFER B1.G225-0165.1
Наружный диаметр [мм] : 278
Толщина тормозного диска (мм) : 25
Минимальная толщина [мм] : 23
Тип тормозного диска : вентилируемый
Обработка : Высокоуглеродистый
Поверхность : с покрытием
Количество отверстий : 5
Ø фаски [мм] : 114,3
Высота [мм] : 48,5
Диаметр центрирования [мм] : 72
Внутренний диаметр : 140
Диаметр отверстия [мм] : 14
проверочное значение : E1 90R-02C0118/1228
|
|
Тормозной диск
GALFER B1.G211-0160.1
Наружный диаметр [мм] : 280
Толщина тормозного диска (мм) : 11
Минимальная толщина [мм] : 9
Тип тормозного диска : цельный
Поверхность : с покрытием
Количество отверстий : 5
Код MAPP в наличии :
Ø фаски [мм] : 114,3
Высота [мм] : 40,8
Диаметр центрирования [мм] : 72
Внутренний диаметр : 154
Диаметр отверстия [мм] : 14
проверочное значение : E1 90R-02C0165/1119
|
|
Тормозной диск
GH GH-403203
Сторона установки : передний мост
Сторона установки : передний мост справа
Сторона установки : передний мост слева
Толщина тормозного диска (мм) : 25
Количество отверстий : 5
Ø фаски [мм] : 114,3
Диаметр центрирования [мм] : 72
Наружный диаметр [мм] : 300
Тип тормозного диска : вентилируемый
Размер резьбы : 14
Высота [мм] : 48,5
|
|
Тормозной диск
GH GH-403204
Сторона установки : передний мост
Сторона установки : передний мост справа
Сторона установки : передний мост слева
Толщина тормозного диска (мм) : 25
Количество отверстий : 5
Ø фаски [мм] : 114,3
Диаметр центрирования [мм] : 72
Наружный диаметр [мм] : 278
Тип тормозного диска : вентилируемый
Размер резьбы : 14
Высота [мм] : 48,5
|
|
Тормозной диск
GH GH-423204
Сторона установки : Задний мост
Сторона установки : Задний мост справа
Сторона установки : Задний мост слева
Толщина тормозного диска (мм) : 11
Количество отверстий : 5
Ø фаски [мм] : 110
Диаметр центрирования [мм] : 72
Наружный диаметр [мм] : 280
Тип тормозного диска : цельный
Размер резьбы : 13,7
Высота [мм] : 40,8
|
|
Тормозной диск
GIRLING 6043841
Цвет : чёрный
Минимальная толщина [мм] : 23
Тип тормозного диска : вентилируемый
Наружный диаметр [мм] : 278
Толщина тормозного диска (мм) : 25
Диаметр центрирования [мм] : 72
Высота [мм] : 48,5
Размер резьбы : 14
Количество отверстий : 5
Ø фаски [мм] : 114,3
Поверхность : лакированный
|
|
Тормозной диск
GIRLING 6043851
Поверхность : лакированный
Тип тормозного диска : вентилируемый
Наружный диаметр [мм] : 300
Толщина тормозного диска (мм) : 25
Минимальная толщина [мм] : 23
Количество отверстий : 5
Высота [мм] : 48,5
Диаметр центрирования [мм] : 72
Размер резьбы : 14
Ø фаски [мм] : 114,3
Цвет : чёрный
проверочное значение : E190R-02C0176/0199
|
|
Тормозной диск
GIRLING 6044204
Поверхность : лакированный
Размер резьбы : 13,7
Тип тормозного диска : цельный
Толщина тормозного диска (мм) : 11
Наружный диаметр [мм] : 280
Ø фаски [мм] : 110
Количество отверстий : 5
Минимальная толщина [мм] : 9
Высота [мм] : 40,8
Диаметр центрирования [мм] : 72
Цвет : чёрный
проверочное значение : E1 90R-02 C0190/0525
SVHC : Нет информации, обратитесь, пожалуйста, к производителю!
|
|
Тормозной диск
GIRLING 6044684
Поверхность : лакированный
Размер резьбы : 13,8
Наружный диаметр [мм] : 302
Толщина тормозного диска (мм) : 11
Минимальная толщина [мм] : 9
Высота [мм] : 41
Количество отверстий : 5
Диаметр центрирования [мм] : 72
Ø фаски [мм] : 114,3
Тип тормозного диска : цельный
Цвет : чёрный
проверочное значение : E1 90R-02 C0190/0599
|
|
Тормозной диск
HART 221 446
Высота [мм] : 48,5
Тип тормозного диска : вентилируемый
Толщина тормозного диска (мм) : 25
Наружный диаметр [мм] : 278
Количество отверстий : 5
|
|
Тормозной диск
HART 221 447
Высота [мм] : 40,8
Тип тормозного диска : цельный
Толщина тормозного диска (мм) : 11
Наружный диаметр [мм] : 280
Количество отверстий : 5
|
|
Тормозной диск
HART 229 599
Высота [мм] : 41
Тип тормозного диска : цельный
Толщина тормозного диска (мм) : 11
Наружный диаметр [мм] : 302
Количество отверстий : 5
|
|
Тормозной диск
HART 241 106
Высота [мм] : 48,5
Тип тормозного диска : вентилируемый
Толщина тормозного диска (мм) : 25
Наружный диаметр [мм] : 300
Количество отверстий : 5
|
|
Тормозной диск
HART 262 604
Высота [мм] : 41
Тип тормозного диска : цельный
Толщина тормозного диска (мм) : 11
Наружный диаметр [мм] : 302
Количество отверстий : 5
|
|
Тормозной диск
HERTH+BUSS JAKOPARTS J3303083
Тип тормозного диска : вентилируемый
Наружный диаметр [мм] : 278
Толщина тормозного диска (мм) : 25
Минимальная толщина [мм] : 23
Количество отверстий : 5
Ø фаски [мм] : 114,3
Внутренний диаметр : 140
Высота [мм] : 48,5
Диаметр ступицы [мм] : 72
Поверхность : с покрытием
выполняет нормы ЕЭК : E1 90R 02C0064/0401
Сторона установки : передний мост
SVHC : Не содержит особо опасных веществ!
|
|
Тормозной диск
HERTH+BUSS JAKOPARTS J3303084
Тип тормозного диска : вентилируемый
Наружный диаметр [мм] : 300
Толщина тормозного диска (мм) : 25
Минимальная толщина [мм] : 23
Количество отверстий : 5
Ø фаски [мм] : 114,3
Внутренний диаметр : 140
Высота [мм] : 48,5
Диаметр ступицы [мм] : 72
Поверхность : с покрытием
выполняет нормы ЕЭК : E1 90R-02C0064/0311
Сторона установки : передний мост
SVHC : Не содержит особо опасных веществ!
|
|
Тормозной диск
HERTH+BUSS JAKOPARTS J3313032
Тип тормозного диска : цельный
Наружный диаметр [мм] : 280
Толщина тормозного диска (мм) : 11
Минимальная толщина [мм] : 9
Количество отверстий : 5
Ø фаски [мм] : 114,3
Внутренний диаметр : 153,8
Высота [мм] : 40,7
Диаметр ступицы [мм] : 72
Поверхность : с покрытием
Сторона установки : Задний мост
SVHC : Не содержит особо опасных веществ!
|
|
Тормозной диск
HERTH+BUSS JAKOPARTS J3313033
Тип тормозного диска : цельный
Наружный диаметр [мм] : 302
Толщина тормозного диска (мм) : 11
Минимальная толщина [мм] : 9
Количество отверстий : 5
Ø фаски [мм] : 114,3
Внутренний диаметр : 152
Высота [мм] : 40,8
Диаметр ступицы [мм] : 72
Поверхность : с покрытием
Сторона установки : Задний мост
SVHC : Не содержит особо опасных веществ!
|
|
Тормозной диск
Hi-Q SD4427
Вес [кг] : 4,4
Толщина [мм] : 10,9
Тип тормозного диска : цельный
Толщина тормозного диска (мм) : 9
Ø фаски [мм] : 114,3
Количество отверстий : 5
Высота [мм] : 40,9
Диаметр центрирования [мм] : 72
Наружный диаметр [мм] : 280
|
|
Тормозной диск
Hi-Q SD4428
Вес [кг] : 8,12
Толщина [мм] : 25
Тип тормозного диска : вентилируемый
Толщина тормозного диска (мм) : 23
Ø фаски [мм] : 114,3
Количество отверстий : 5
Высота [мм] : 48,5
Диаметр центрирования [мм] : 72
Наружный диаметр [мм] : 300
|
|
Тормозной диск
ICER 78BD3276-2
Толщина тормозного диска (мм) : 9
Наружный диаметр [мм] : 279,8
Тип тормозного диска : цельный
Высота [мм] : 40,7
Диаметр центрирования [мм] : 72
Ø фаски [мм] : 114,3
Исполнение оси : Rear
Номер технической информации : 78BD3276-2
проверочное значение : E1 90R-02C0100/0692
Диаметр [мм] : 72
Толщина [мм] : 11
Минимальная толщина [мм] : 9
Расположение/число отверстий : 5
Вес [кг] : 9 100
|
|
Тормозной диск
JAPANPARTS DI-309C
Сторона установки : передний мост
Ø фаски [мм] : 72
Высота [мм] : 49
Наружный диаметр [мм] : 299,4
Толщина тормозного диска (мм) : 25
Минимальная толщина [мм] : 23
Количество отверстий : 5
Тип тормозного диска : вентилируемый
проверочное значение : ECE R90 APPROVED
Поверхность : лакированный
Момент затяжки [Нм] : 103
для оригинального номера : C26Y3325XD
|
|
Тормозной диск
JAPANPARTS DI-311C
Сторона установки : передний мост
Ø фаски [мм] : 72
Высота [мм] : 49
Наружный диаметр [мм] : 277,8
Толщина тормозного диска (мм) : 25
Минимальная толщина [мм] : 23
Число отверстий : 5
Тип тормозного диска : вентилируемый
проверочное значение : ECE R90 APPROVED
Поверхность : лакированный
Момент затяжки [Нм] : 103
для оригинального номера : C24Y3325XC9A
|
|
Тормозной диск
JAPANPARTS DP-317C
Сторона установки : Задний мост
Ø фаски [мм] : 72
Высота [мм] : 41
Наружный диаметр [мм] : 279,7
Толщина тормозного диска (мм) : 11
Минимальная толщина [мм] : 10
Число отверстий : 5
Тип тормозного диска : цельный
Поверхность : лакированный
Момент затяжки [Нм] : 103
для оригинального номера : C25Y26251C
|
|
Тормозной диск
JAPANPARTS DP-323C
Сторона установки : Задний мост
Ø фаски [мм] : 72
Высота [мм] : 41
Наружный диаметр [мм] : 301,5
Толщина тормозного диска (мм) : 11
Минимальная толщина [мм] : 9
Число отверстий : 5
Тип тормозного диска : цельный
проверочное значение : ECE R90 APPROVED
Поверхность : лакированный
Момент затяжки [Нм] : 103
для оригинального номера : C26Y26251A
|
|
Тормозной диск
JAPKO 60309C
Сторона установки : передний мост
Ø фаски [мм] : 72
Высота [мм] : 49
Наружный диаметр [мм] : 299,4
Толщина тормозного диска (мм) : 25
Минимальная толщина [мм] : 23
Количество отверстий : 5
Тип тормозного диска : вентилируемый
проверочное значение : ECE R90 APPROVED
Поверхность : лакированный
Момент затяжки [Нм] : 103
для оригинального номера : C26Y3325XD
|
|
Тормозной диск
JAPKO 60311C
Сторона установки : передний мост
Ø фаски [мм] : 72
Высота [мм] : 49
Наружный диаметр [мм] : 277,8
Толщина тормозного диска (мм) : 25
Минимальная толщина [мм] : 23
Число отверстий : 5
Тип тормозного диска : вентилируемый
проверочное значение : ECE R90 APPROVED
Поверхность : лакированный
Момент затяжки [Нм] : 103
для оригинального номера : C24Y3325XC9A
|
|
Тормозной диск
JAPKO 61317C
Сторона установки : Задний мост
Ø фаски [мм] : 72
Высота [мм] : 41
Наружный диаметр [мм] : 279,7
Толщина тормозного диска (мм) : 11
Минимальная толщина [мм] : 10
Число отверстий : 5
Тип тормозного диска : цельный
Поверхность : лакированный
Момент затяжки [Нм] : 103
для оригинального номера : C25Y26251C
|
|
Тормозной диск
JAPKO 61323C
Сторона установки : Задний мост
Ø фаски [мм] : 72
Высота [мм] : 41
Наружный диаметр [мм] : 301,5
Толщина тормозного диска (мм) : 11
Минимальная толщина [мм] : 9
Число отверстий : 5
Тип тормозного диска : цельный
проверочное значение : ECE R90 APPROVED
Поверхность : лакированный
Момент затяжки [Нм] : 103
для оригинального номера : C26Y26251A
|
|
Тормозной диск
JP GROUP 3863200600
Тип тормозного диска : цельный
Толщина тормозного диска (мм) : 11
Поверхность : с покрытием
Сторона установки : Задний мост
Количество отверстий : 5
Наружный диаметр [мм] : 302
|
|
Тормозной диск
JP GROUP 3863200500
Тип тормозного диска : цельный
Толщина тормозного диска (мм) : 11
Поверхность : с покрытием
Сторона установки : Задний мост
Количество отверстий : 5
Наружный диаметр [мм] : 280
|
|
Тормозной диск
JP GROUP 3863100800
Тип тормозного диска : вентилируемый
Толщина тормозного диска (мм) : 25
Поверхность : с покрытием
Сторона установки : передний мост
Количество отверстий : 5
Наружный диаметр [мм] : 300
|
|
Тормозной диск
JP GROUP 3863101300
Тип тормозного диска : вентилируемый
Толщина тормозного диска (мм) : 25
Поверхность : с покрытием
Сторона установки : передний мост
Количество отверстий : 5
Наружный диаметр [мм] : 278
|
|
Тормозной диск
JPN 30H3048-JPN
Тип тормозного диска : вентилируемый
Высота [мм] : 48,5
Толщина тормозного диска (мм) : 25
Размер резьбы : 14
Наружный диаметр [мм] : 278
Количество отверстий : 5
Диаметр центрирования [мм] : 72
Ø фаски [мм] : 114,3
|
|
Тормозной диск
JPN 30H3049-JPN
Тип тормозного диска : вентилируемый
Высота [мм] : 48,5
Толщина тормозного диска (мм) : 25
Размер резьбы : 14
Наружный диаметр [мм] : 300
Количество отверстий : 5
Диаметр центрирования [мм] : 72
Ø фаски [мм] : 114,3
|
|
Тормозной диск
JURATEK MAZ124
Тип тормозного диска : вентилируемый
Наружный диаметр [мм] : 278
Толщина тормозного диска (мм) : 25
Высота [мм] : 49
Ø фаски [мм] : 114
Диаметр центрирования [мм] : 72
Количество крепежных отверстий : 5
парные номера артикулов : JCA1041L
парные номера артикулов : JCA1041R
парные номера артикулов : JCP1594
парные номера артикулов : NKF8444
парные номера артикулов : NKR0163
Поверхность : с покрытием
Вес [кг] : 7,5
Диаметр отверстия [мм] : 13,8
Минимальная толщина [мм] : 23
|
|
Тормозной диск
JURATEK MAZ126
Тип тормозного диска : вентилируемый
Наружный диаметр [мм] : 300
Толщина тормозного диска (мм) : 25
Высота [мм] : 49
Ø фаски [мм] : 114
Диаметр центрирования [мм] : 72
Количество крепежных отверстий : 5
парные номера артикулов : JCA1041L
парные номера артикулов : JCA1041R
парные номера артикулов : JCP1594
парные номера артикулов : NKF8444
парные номера артикулов : NKR0163
Поверхность : с покрытием
Вес [кг] : 8,08
Диаметр отверстия [мм] : 13,8
Минимальная толщина [мм] : 23
|
|
Тормозной диск
JURATEK MAZ127
Тип тормозного диска : цельный
Наружный диаметр [мм] : 280
Толщина тормозного диска (мм) : 11
Высота [мм] : 41
Ø фаски [мм] : 114
Диаметр центрирования [мм] : 72
Количество крепежных отверстий : 5
парные номера артикулов : JCA1046L
парные номера артикулов : JCA1046R
парные номера артикулов : JCA1064L
парные номера артикулов : JCA1064R
парные номера артикулов : JCA1169L
парные номера артикулов : JCA1205L
парные номера артикулов : JCA1205R
парные номера артикулов : JCP1766
парные номера артикулов : NKF8445
Поверхность : с покрытием
Вес [кг] : 4,68
Диаметр отверстия [мм] : 13,8
Минимальная толщина [мм] : 9
|
|
Тормозной диск
JURATEK MAZ139
Тип тормозного диска : цельный
Наружный диаметр [мм] : 302
Толщина тормозного диска (мм) : 11
Высота [мм] : 41
Ø фаски [мм] : 114
Диаметр центрирования [мм] : 72
Количество крепежных отверстий : 5
парные номера артикулов : JCA1046L
парные номера артикулов : JCA1046R
парные номера артикулов : JCA1205L
парные номера артикулов : JCA1205R
парные номера артикулов : JCA1206L
парные номера артикулов : JCA1206R
парные номера артикулов : JCP1766
парные номера артикулов : NKF8445
Поверхность : с покрытием
Вес [кг] : 5,14
Диаметр отверстия [мм] : 13,8
Тип тормоза : Дисковой тормозной механизм
Минимальная толщина [мм] : 9
|
|
Тормозной диск
JURID 563028JC
Тип тормозного диска : вентилируемый
Наружный диаметр [мм] : 278
Толщина тормозного диска (мм) : 25
Дополнительный артикул / дополнительная информация 2 : без винтов
Версия : JC
Высота [мм] : 48,5
Ø фаски [мм] : 114,3
Диаметр центрирования [мм] : 72
Количество отверстий : 5
Количественная единица : комплект
Поверхность : с покрытием
проверочное значение : R90 Homologated
Вес [кг] : 14,24
Минимальная толщина [мм] : 23
Момент затяжки [Нм] : 103
Тип контейнера : Коробка
Длина упаковки [см] : 28,5
Ширина упаковки [см] : 28,5
Высота упаковки [см] : 11
|
|
Тормозной диск
JURID 563038JC
Тип тормозного диска : цельный
Наружный диаметр [мм] : 302
Толщина тормозного диска (мм) : 11
Дополнительный артикул / дополнительная информация 2 : без винтов
Версия : JC
Высота [мм] : 41
Ø фаски [мм] : 114,3
Диаметр центрирования [мм] : 72
Количество отверстий : 5
Количественная единица : комплект
Поверхность : с покрытием
Вес [кг] : 10,7
Минимальная толщина [мм] : 9
Момент затяжки [Нм] : 103
Тип контейнера : Коробка
Длина упаковки [см] : 31
Ширина упаковки [см] : 31
Высота упаковки [см] : 7
|
|
Тормозной диск
JURID 563043JC
Тип тормозного диска : цельный
Наружный диаметр [мм] : 280
Толщина тормозного диска (мм) : 11
Дополнительный артикул / дополнительная информация 2 : без винтов
Версия : JC
Высота [мм] : 41
Ø фаски [мм] : 114,3
Диаметр центрирования [мм] : 72
Количество отверстий : 5
Количественная единица : комплект
Поверхность : с покрытием
проверочное значение : R90 Homologated
Вес [кг] : 9,24
Минимальная толщина [мм] : 9
Момент затяжки [Нм] : 103
Тип контейнера : Коробка
Длина упаковки [см] : 28
Ширина упаковки [см] : 28
Высота упаковки [см] : 10
|
|
Тормозной диск
JURID 562635JC
Тип тормозного диска : вентилируемый
Наружный диаметр [мм] : 300
Толщина тормозного диска (мм) : 25
Дополнительный артикул / дополнительная информация 2 : без винтов
Версия : JC
Высота [мм] : 48,5
Ø фаски [мм] : 114,3
Диаметр центрирования [мм] : 72
Количество отверстий : 5
Количественная единица : комплект
Поверхность : с покрытием
Вес [кг] : 16,44
Минимальная толщина [мм] : 23
Расположение/число отверстий : 5
Момент затяжки [Нм] : 103
Тип контейнера : Коробка
Длина упаковки [см] : 31
Ширина упаковки [см] : 31
Высота упаковки [см] : 11,5
|
|
Тормозной диск
KAISHIN CBR334
для оригинального номера : C25Y26251C
Сторона установки : Задний мост
Высота [мм] : 41
Тип тормозного диска : цельный
Толщина тормозного диска (мм) : 11
Минимальная толщина [мм] : 10
Число отверстий : 5
Наружный диаметр [мм] : 279,7
Количество отверстий : 5
Момент затяжки [Нм] : 103
Ø фаски [мм] : 72
Поверхность : лакированный
|
|
Тормозной диск
KAISHIN CBR430
для оригинального номера : C26Y3325XD
Сторона установки : передний мост
проверочное значение : ECE R90 APPROVED
Высота [мм] : 49
Тип тормозного диска : вентилируемый
Толщина тормозного диска (мм) : 25
Минимальная толщина [мм] : 23
Наружный диаметр [мм] : 299,4
Количество отверстий : 5
Момент затяжки [Нм] : 103
Ø фаски [мм] : 72
Поверхность : лакированный
|
|
Тормозной диск
KAMOKA 1031122
Сторона установки : передний мост
Тип тормозного диска : вентилируемый
Толщина тормозного диска (мм) : 25
Ø фаски [мм] : 114
Количество отверстий : 5
Высота [мм] : 49
Диаметр центрирования [мм] : 72
Поверхность : с покрытием
Наружный диаметр [мм] : 278
|
|
Тормозной диск
KAMOKA 1031123
Сторона установки : передний мост
Тип тормозного диска : вентилируемый
Толщина тормозного диска (мм) : 25
Ø фаски [мм] : 114
Количество отверстий : 5
Высота [мм] : 49
Диаметр центрирования [мм] : 72
Поверхность : с покрытием
Наружный диаметр [мм] : 300
|
|
Тормозной диск
KAMOKA 103178
Сторона установки : Задний мост
Тип тормозного диска : цельный
Толщина тормозного диска (мм) : 11
Ø фаски [мм] : 114
Количество отверстий : 5
Высота [мм] : 41
Диаметр центрирования [мм] : 72
Наружный диаметр [мм] : 280
|
|
Тормозной диск
KAMOKA 103180
Сторона установки : Задний мост
Тип тормозного диска : цельный
Толщина тормозного диска (мм) : 11
Ø фаски [мм] : 114
Количество отверстий : 5
Высота [мм] : 41
Диаметр центрирования [мм] : 72
Поверхность : с покрытием
Наружный диаметр [мм] : 302
|
|
Тормозной диск
KAVO PARTS BR-4762-C
проверочное значение : R90
Высота [мм] : 48,5
Тип тормозного диска : вентилируемый
Толщина тормозного диска (мм) : 25
Наружный диаметр [мм] : 278
Количество отверстий : 5
Диаметр центрирования [мм] : 72
Ø фаски [мм] : 114,3
Поверхность : с покрытием
|
|
Тормозной диск
KAVO PARTS BR-4764-C
проверочное значение : R90
Высота [мм] : 48,5
Тип тормозного диска : вентилируемый
Толщина тормозного диска (мм) : 25
Наружный диаметр [мм] : 300
Количество отверстий : 5
Диаметр центрирования [мм] : 72
Ø фаски [мм] : 114,3
Поверхность : с покрытием
|
|
Тормозной диск
KAVO PARTS BR-4765-C
проверочное значение : R90
Высота [мм] : 41
Тип тормозного диска : цельный
Толщина тормозного диска (мм) : 11
Наружный диаметр [мм] : 280
Количество отверстий : 5
Диаметр центрирования [мм] : 72
Ø фаски [мм] : 114
Поверхность : с покрытием
|
|
Тормозной диск
KAVO PARTS BR-4778-C
проверочное значение : R90
Высота [мм] : 41
Тип тормозного диска : цельный
Толщина тормозного диска (мм) : 11
Наружный диаметр [мм] : 302
Количество отверстий : 5
Диаметр центрирования [мм] : 72
Ø фаски [мм] : 114
Поверхность : с покрытием
|
|
Тормозной диск
KAWE 61113 00
Диаметр [мм] : 301,8
Сторона установки : Задний мост
Вес [кг] : 4,86
Тип тормозного диска : цельный
Минимальная толщина [мм] : 9
Толщина тормозного диска (мм) : 11
Количество отверстий : 5
Высота [мм] : 40,8
Диаметр центрирования [мм] : 72
Наружный диаметр [мм] : 302
|
|
Тормозной диск
KAWE 6671 10
Диаметр [мм] : 277,9
Сторона установки : передний мост
Вес [кг] : 7,06
Тип тормозного диска : вентилируемый
Минимальная толщина [мм] : 23
Толщина тормозного диска (мм) : 25
Количество отверстий : 5
проверочное значение : K.B.A.: 61209
Высота [мм] : 48,5
Диаметр центрирования [мм] : 72
Наружный диаметр [мм] : 278
|
|
Тормозной диск
KAWE 6672 10
Диаметр [мм] : 299,9
Сторона установки : передний мост
Вес [кг] : 8,12
Тип тормозного диска : вентилируемый
Минимальная толщина [мм] : 23
Толщина тормозного диска (мм) : 25
Количество отверстий : 5
проверочное значение : K.B.A.: 61209
Высота [мм] : 48,5
Диаметр центрирования [мм] : 72
Наружный диаметр [мм] : 300
|
|
Тормозной диск
KAWE 6880 00
Диаметр [мм] : 279,9
Сторона установки : Задний мост
Вес [кг] : 4,4
Тип тормозного диска : цельный
Минимальная толщина [мм] : 9
Толщина тормозного диска (мм) : 10,9
Количество отверстий : 5
проверочное значение : K.B.A.: 61210
Высота [мм] : 40,9
Диаметр центрирования [мм] : 72
Наружный диаметр [мм] : 280
|
|
Тормозной диск
KEY PARTS KBD4449
Тип тормозного диска : вентилируемый
Наружный диаметр [мм] : 300
Толщина тормозного диска (мм) : 25
Высота [мм] : 48,5
Диаметр центрирования [мм] : 72
Количество отверстий : 5
Количественная единица : комплект
Поверхность : без покрытия
проверочное значение : ECE R90 Homologated
Минимальная толщина [мм] : 23
|
|
Тормозной диск
KEY PARTS KBD4450
Тип тормозного диска : цельный
Наружный диаметр [мм] : 280
Толщина тормозного диска (мм) : 11
Высота [мм] : 41
Диаметр центрирования [мм] : 72
Количество отверстий : 5
Количественная единица : комплект
Поверхность : без покрытия
проверочное значение : ECE R90 Homologated
Минимальная толщина [мм] : 9
|
|
Тормозной диск
LPR M5003V
Высота [мм] : 48,7
Тип тормозного диска : вентилируемый
Толщина тормозного диска (мм) : 25
Минимальная толщина [мм] : 23
Наружный диаметр [мм] : 278
Количество отверстий : 5
Диаметр центрирования [мм] : 72
|
|
Тормозной диск
LPR M5003VR
Диаметр центрирования [мм] : 72
Высота [мм] : 48,7
Поверхность : с покрытием
Тип тормозного диска : вентилируемый
Минимальная толщина [мм] : 23
Количество отверстий : 5
Наружный диаметр [мм] : 278
Толщина тормозного диска (мм) : 25
|
|
Тормозной диск
LPR M5006V
Толщина тормозного диска (мм) : 25
Минимальная толщина [мм] : 23
Наружный диаметр [мм] : 300
Диаметр центрирования [мм] : 72
Количество отверстий : 5
Тип тормозного диска : вентилируемый
Высота [мм] : 48,5
|
|
Тормозной диск
LPR M5006VR
Диаметр центрирования [мм] : 72
Поверхность : с покрытием
Количество отверстий : 5
Наружный диаметр [мм] : 300
Минимальная толщина [мм] : 23
Толщина тормозного диска (мм) : 25
Тип тормозного диска : вентилируемый
Высота [мм] : 48,5
|
|
Тормозной диск
LPR M5007P
Наружный диаметр [мм] : 280
Диаметр центрирования [мм] : 72
Толщина тормозного диска (мм) : 11
Высота [мм] : 40,8
Тип тормозного диска : цельный
Количество отверстий : 5
Минимальная толщина [мм] : 9
|
|
Тормозной диск
LPR M5007PR
Толщина тормозного диска (мм) : 11
Поверхность : с покрытием
Диаметр центрирования [мм] : 72
Количество отверстий : 5
Тип тормозного диска : цельный
Высота [мм] : 40,8
Минимальная толщина [мм] : 9
Наружный диаметр [мм] : 280
|
|
Тормозной диск
LPR M5015P
Диаметр центрирования [мм] : 72
Минимальная толщина [мм] : 9
Тип тормозного диска : цельный
Толщина тормозного диска (мм) : 11
Количество отверстий : 5
Наружный диаметр [мм] : 302
Высота [мм] : 41,7
|
|
Тормозной диск
LPR M5015PR
Диаметр центрирования [мм] : 72
Поверхность : с покрытием
Количество отверстий : 5
Наружный диаметр [мм] : 302
Минимальная толщина [мм] : 9
Толщина тормозного диска (мм) : 11
Тип тормозного диска : цельный
Высота [мм] : 41,7
|
|
Тормозной диск
LYNXAUTO BN-1066
Сторона установки : Задний мост
Наружный диаметр [мм] : 280
Толщина тормозного диска (мм) : 11
Минимальная толщина [мм] : 9
Диаметр центрирования [мм] : 72
Высота [мм] : 41
Внутренний диаметр : 154
Количество отверстий : 5
Ø фаски [мм] : 114,3
Тип тормозного диска : цельный
|
|
Тормозной диск
LYNXAUTO BN-1069
Сторона установки : передний мост
Наружный диаметр [мм] : 300
Толщина тормозного диска (мм) : 25
Минимальная толщина [мм] : 23
Диаметр центрирования [мм] : 72
Высота [мм] : 48,5
Внутренний диаметр : 140
Количество отверстий : 5
Ø фаски [мм] : 114,3
Тип тормозного диска : вентилируемый
|
|
Тормозной диск
LYNXAUTO BN-1071
Сторона установки : передний мост
Наружный диаметр [мм] : 278
Толщина тормозного диска (мм) : 25
Минимальная толщина [мм] : 23
Диаметр центрирования [мм] : 72
Высота [мм] : 48,5
Внутренний диаметр : 140
Количество отверстий : 5
Ø фаски [мм] : 114,3
Тип тормозного диска : вентилируемый
|
|
Тормозной диск
LYNXAUTO BN-1653
Сторона установки : Задний мост
Наружный диаметр [мм] : 302
Толщина тормозного диска (мм) : 11
Минимальная толщина [мм] : 9
Диаметр центрирования [мм] : 72
Высота [мм] : 41
Количество отверстий : 5
Ø фаски [мм] : 114,3
Тип тормозного диска : цельный
|
|
Тормозной диск
MAGNETI MARELLI 360406056700
Обработка : Высокоуглеродистый
Тип тормозного диска : вентилируемый
Диаметр [мм] : 278
Высота [мм] : 48,5
Минимальная толщина [мм] : 23
Количество отверстий : 5
Ø фаски [мм] : 72
Момент затяжки [Нм] : 103
Толщина тормозного диска (мм) : 25
Наружный диаметр [мм] : 278
|
|
Тормозной диск
MAGNETI MARELLI 360406056800
Обработка : Высокоуглеродистый
Тип тормозного диска : вентилируемый
Диаметр [мм] : 300
Высота [мм] : 48,5
Минимальная толщина [мм] : 23
Количество отверстий : 5
Ø фаски [мм] : 72
Момент затяжки [Нм] : 103
Толщина тормозного диска (мм) : 25
Наружный диаметр [мм] : 300
|
|
Тормозной диск
MAGNETI MARELLI 360406056802
Обработка : Высокоуглеродистый
Тип тормозного диска : перфорированный / вентилируемый
Диаметр [мм] : 300
Высота [мм] : 48,5
Минимальная толщина [мм] : 23,5
Количество отверстий : 5
Ø фаски [мм] : 72
Момент затяжки [Нм] : 103
Толщина тормозного диска (мм) : 25
Наружный диаметр [мм] : 300
|
|
Тормозной диск
MAGNETI MARELLI 360406056805
Обработка : Высокоуглеродистый
Тип тормозного диска : с прорезом
Диаметр [мм] : 300
Высота [мм] : 48,5
Минимальная толщина [мм] : 23
Количество отверстий : 5
Ø фаски [мм] : 72
Момент затяжки [Нм] : 103
Толщина тормозного диска (мм) : 25
Наружный диаметр [мм] : 300
|
|
Тормозной диск
MAGNETI MARELLI 360406059702
Тип тормозного диска : цельный
Диаметр [мм] : 280
Высота [мм] : 40,8
Минимальная толщина [мм] : 9,5
Количество отверстий : 5
Ø фаски [мм] : 72
Момент затяжки [Нм] : 103
Толщина тормозного диска (мм) : 11
Наружный диаметр [мм] : 280
|
|
Тормозной диск
MAGNETI MARELLI 360406091801
Тип тормозного диска : цельный
Диаметр [мм] : 302
Высота [мм] : 40,8
Минимальная толщина [мм] : 9
Количество отверстий : 5
Ø фаски [мм] : 72
Момент затяжки [Нм] : 103
Толщина тормозного диска (мм) : 11
Наружный диаметр [мм] : 302
|
|
Тормозной диск
MANDO MBC035096
Сторона установки : передний мост
Тип тормозного диска : вентилируемый
Толщина тормозного диска (мм) : 25
Количество отверстий : 5
Высота [мм] : 48,5
Диаметр центрирования [мм] : 72
Наружный диаметр [мм] : 278
|
|
Тормозной диск
MANDO MBC035613
Сторона установки : Задний мост
Тип тормозного диска : цельный
Толщина тормозного диска (мм) : 10,9
Минимальная толщина [мм] : 9
Количество отверстий : 5
проверочное значение : E1 90R-02C0100/0692
Высота [мм] : 40,9
Диаметр центрирования [мм] : 72
Наружный диаметр [мм] : 280
|
|
Тормозной диск
MANDO MBC035672
Сторона установки : Задний мост
Тип тормозного диска : цельный
Толщина тормозного диска (мм) : 11
Минимальная толщина [мм] : 9
Количество отверстий : 5
проверочное значение : E1 90R-02C0100/0135
Высота [мм] : 40,8
Диаметр центрирования [мм] : 72
Наружный диаметр [мм] : 302
|
|
Тормозной диск
MAPCO 25236
Сторона установки : Задний мост
Тип тормозного диска : цельный
Наружный диаметр [мм] : 302
Толщина тормозного диска (мм) : 11
Ø фаски [мм] : 114,3
Высота [мм] : 41
Количество отверстий : 5
|
|
Тормозной диск
MAPCO 25575
Сторона установки : передний мост
Тип тормозного диска : вентилируемый
Наружный диаметр [мм] : 300
Толщина тормозного диска (мм) : 25
Минимальная толщина [мм] : 23
Высота [мм] : 48,5
Внутренний диаметр : 140
Диаметр отверстия [мм] : 14
Количество отверстий : 5
Ø фаски [мм] : 114,3
Диаметр центрирования [мм] : 72
|
|
Тормозной диск
MAPCO 25576
Сторона установки : передний мост
Тип тормозного диска : вентилируемый
Наружный диаметр [мм] : 278
Толщина тормозного диска (мм) : 25
Минимальная толщина [мм] : 23
Высота [мм] : 48,5
Внутренний диаметр : 140
Диаметр отверстия [мм] : 14
Количество отверстий : 5
Ø фаски [мм] : 114,3
Диаметр центрирования [мм] : 72
|
|
Тормозной диск
MAPCO 25218
Наружный диаметр [мм] : 280
Высота [мм] : 40,8
Тип тормозного диска : цельный
Толщина тормозного диска (мм) : 11
Количество отверстий : 5
Диаметр центрирования [мм] : 72
Ø фаски [мм] : 114,3
|
|
Тормозной диск
MAXGEAR 19-1012
Сторона установки : передний мост
Тип тормозного диска : вентилируемый
Наружный диаметр [мм] : 278
Толщина тормозного диска (мм) : 25
Высота [мм] : 48,5
Ø фаски [мм] : 114
Диаметр центрирования [мм] : 72
Количество отверстий : 5
Минимальная толщина [мм] : 23
|
|
Тормозной диск
MAXGEAR 19-1012MAX
Тип тормозного диска : вентилируемый
Наружный диаметр [мм] : 278
Толщина тормозного диска (мм) : 25
Высота [мм] : 48,5
Ø фаски [мм] : 114
Диаметр центрирования [мм] : 72
Количество отверстий : 5
Поверхность : лакированный
Минимальная толщина [мм] : 23
|
|
Тормозной диск
MAXGEAR 19-1012SPORT
Тип тормозного диска : вентилируемый
Тип тормозного диска : с прорезями / перфорированный
Наружный диаметр [мм] : 278
Толщина тормозного диска (мм) : 25
Высота [мм] : 48,5
Ø фаски [мм] : 114
Диаметр центрирования [мм] : 72
Количество отверстий : 5
Поверхность : лакированный
Минимальная толщина [мм] : 23
|
|
Тормозной диск
MAXGEAR 19-1206
Сторона установки : Задний мост
Тип тормозного диска : цельный
Наружный диаметр [мм] : 280
Толщина тормозного диска (мм) : 11
Высота [мм] : 40,8
Ø фаски [мм] : 110
Диаметр центрирования [мм] : 72
Количество отверстий : 5
Минимальная толщина [мм] : 9
|
|
Тормозной диск
MAXGEAR 19-1206MAX
Тип тормозного диска : цельный
Наружный диаметр [мм] : 280
Толщина тормозного диска (мм) : 11
Высота [мм] : 40,8
Ø фаски [мм] : 110
Диаметр центрирования [мм] : 72
Количество отверстий : 5
Поверхность : лакированный
Минимальная толщина [мм] : 9
|
|
Тормозной диск
MAXGEAR 19-1206SPORT
Сторона установки : Задний мост
Тип тормозного диска : цельный
Тип тормозного диска : с прорезями / перфорированный
Наружный диаметр [мм] : 280
Толщина тормозного диска (мм) : 11
Высота [мм] : 40,8
Ø фаски [мм] : 110
Диаметр центрирования [мм] : 72
Количество отверстий : 5
Поверхность : лакированный
Минимальная толщина [мм] : 9
|
|
Тормозной диск
MAXGEAR 19-1268
Сторона установки : передний мост
Тип тормозного диска : вентилируемый
Наружный диаметр [мм] : 300
Толщина тормозного диска (мм) : 25
Высота [мм] : 48,5
Ø фаски [мм] : 114
Диаметр центрирования [мм] : 72
Количество отверстий : 5
Минимальная толщина [мм] : 23
|
|
Тормозной диск
MAXGEAR 19-1268MAX
Тип тормозного диска : вентилируемый
Наружный диаметр [мм] : 300
Толщина тормозного диска (мм) : 25
Высота [мм] : 48,5
Ø фаски [мм] : 114
Диаметр центрирования [мм] : 72
Количество отверстий : 5
Поверхность : лакированный
Минимальная толщина [мм] : 23
|
|
Тормозной диск
MAXGEAR 19-1268SPORT
Тип тормозного диска : вентилируемый
Тип тормозного диска : с прорезями / перфорированный
Наружный диаметр [мм] : 300
Толщина тормозного диска (мм) : 25
Высота [мм] : 48,5
Ø фаски [мм] : 114
Диаметр центрирования [мм] : 72
Количество отверстий : 5
Поверхность : лакированный
Минимальная толщина [мм] : 23
|
|
Тормозной диск
MAXGEAR 19-2497
Сторона установки : Задний мост
Тип тормозного диска : цельный
Наружный диаметр [мм] : 302
Толщина тормозного диска (мм) : 11
Высота [мм] : 41
Ø фаски [мм] : 114
Диаметр центрирования [мм] : 72
Количество отверстий : 5
Минимальная толщина [мм] : 9
|
|
Тормозной диск
MAXGEAR 19-2497MAX
Сторона установки : Задний мост
Тип тормозного диска : цельный
Наружный диаметр [мм] : 302
Толщина тормозного диска (мм) : 11
Высота [мм] : 41
Ø фаски [мм] : 114
Диаметр центрирования [мм] : 72
Количество отверстий : 5
Поверхность : лакированный
Минимальная толщина [мм] : 9
|
|
Тормозной диск
MAXGEAR 19-2497SPORT
Сторона установки : Задний мост
Тип тормозного диска : цельный
Тип тормозного диска : с прорезями / перфорированный
Наружный диаметр [мм] : 302
Толщина тормозного диска (мм) : 11
Высота [мм] : 41
Ø фаски [мм] : 114
Диаметр центрирования [мм] : 72
Количество отверстий : 5
Поверхность : лакированный
Минимальная толщина [мм] : 9
|
|
Тормозной диск
METELLI 23-0729C
проверочное значение : ECE-R90
Высота [мм] : 48,5
Тип тормозного диска : вентилируемый
Толщина тормозного диска (мм) : 25
Наружный диаметр [мм] : 278
Количество отверстий : 5
Диаметр центрирования [мм] : 72
Поверхность : лакированный
|
|
Тормозной диск
METELLI 23-0750C
проверочное значение : ECE-R90
Высота [мм] : 40,8
Тип тормозного диска : цельный
Толщина тормозного диска (мм) : 11
Наружный диаметр [мм] : 280
Количество отверстий : 5
Диаметр центрирования [мм] : 72
Поверхность : лакированный
|
|
Тормозной диск
MEYLE 35-15 521 0038
Сторона установки : передний мост
Наружный диаметр [мм] : 278
Высота [мм] : 48,5
Толщина тормозного диска (мм) : 25
Минимальная толщина [мм] : 23
Диаметр центрирования [мм] : 72
Ø фаски [мм] : 114,3
Диаметр отверстия под шпильку колеса [мм] : 14
Количество отверстий : 5
Тип тормозного диска : вентилируемый
необходимое количество : 2
|
|
Тормозной диск
MEYLE 35-15 521 0038/PD
Сторона установки : передний мост
Наружный диаметр [мм] : 278
Высота [мм] : 48,5
Толщина тормозного диска (мм) : 25
Минимальная толщина [мм] : 23
Диаметр центрирования [мм] : 72
Ø фаски [мм] : 114,3
Диаметр отверстия под шпильку колеса [мм] : 14
Количество отверстий : 5
Тип тормозного диска : вентилируемый
Поверхность : оцинкованная
Качество : PREMIUM
необходимое количество : 2
|
|
Тормозной диск
MEYLE 35-15 521 0039
Сторона установки : передний мост
Наружный диаметр [мм] : 300
Высота [мм] : 48,5
Толщина тормозного диска (мм) : 25
Минимальная толщина [мм] : 23
Диаметр центрирования [мм] : 72
Ø фаски [мм] : 114,3
Диаметр отверстия под шпильку колеса [мм] : 14
Количество отверстий : 5
Тип тормозного диска : вентилируемый
необходимое количество : 2
|
|
Тормозной диск
MEYLE 35-15 521 0039/PD
Сторона установки : передний мост
Наружный диаметр [мм] : 300
Высота [мм] : 48,5
Толщина тормозного диска (мм) : 25
Минимальная толщина [мм] : 23
Диаметр центрирования [мм] : 72
Ø фаски [мм] : 114,3
Диаметр отверстия под шпильку колеса [мм] : 14
Количество отверстий : 5
Тип тормозного диска : вентилируемый
Поверхность : оцинкованная
Качество : PREMIUM
необходимое количество : 2
|
|
Тормозной диск
MEYLE 35-15 523 0016
Сторона установки : Задний мост
Наружный диаметр [мм] : 302
Высота [мм] : 40,8
Толщина тормозного диска (мм) : 11
Минимальная толщина [мм] : 9
Диаметр центрирования [мм] : 72
Ø фаски [мм] : 114,3
Диаметр отверстия под шпильку колеса [мм] : 13,7
Количество отверстий : 5
Тип тормозного диска : цельный
необходимое количество : 2
|
|
Тормозной диск
MEYLE 35-15 523 0021
Сторона установки : Задний мост
Наружный диаметр [мм] : 280
Высота [мм] : 40,8
Толщина тормозного диска (мм) : 11
Минимальная толщина [мм] : 9
Диаметр центрирования [мм] : 72
Ø фаски [мм] : 114,3
Диаметр отверстия под шпильку колеса [мм] : 13,8
Количество отверстий : 5
Тип тормозного диска : цельный
необходимое количество : 2
|
|
Тормозной диск
MEYLE 35-15 523 0021/PD
Сторона установки : Задний мост
Наружный диаметр [мм] : 280
Высота [мм] : 40,9
Толщина тормозного диска (мм) : 11
Минимальная толщина [мм] : 9
Диаметр центрирования [мм] : 72
Ø фаски [мм] : 114,3
Диаметр отверстия под шпильку колеса [мм] : 13,8
Количество отверстий : 5
Тип тормозного диска : цельный
Поверхность : оцинкованная
Качество : PREMIUM
необходимое количество : 2
|
|
Тормозной диск
MILES K000163
Сторона установки : спереди
Количество отверстий : 5
Тип тормозного диска : вентилируемый
Наружный диаметр [мм] : 277,9
Высота [мм] : 48,5
Диаметр центрирования [мм] : 72
Ø фаски [мм] : 114,3
Диаметр отверстия под шпильку колеса [мм] : 13,8
Толщина тормозного диска (мм) : 25
Минимальная толщина [мм] : 23
|
|
Тормозной диск
MILES K000164
Сторона установки : спереди
Количество отверстий : 5
Тип тормозного диска : вентилируемый
Наружный диаметр [мм] : 299,9
Высота [мм] : 48,5
Диаметр центрирования [мм] : 72
Ø фаски [мм] : 114,3
Диаметр отверстия под шпильку колеса [мм] : 13,8
Толщина тормозного диска (мм) : 25
Минимальная толщина [мм] : 23
|
|
Тормозной диск
MILES K200163
Сторона установки : спереди
Количество отверстий : 5
Тип тормозного диска : вентилируемый
Наружный диаметр [мм] : 277,9
Высота [мм] : 48,5
Диаметр центрирования [мм] : 72
Ø фаски [мм] : 114,3
Диаметр отверстия под шпильку колеса [мм] : 13,8
Толщина тормозного диска (мм) : 25
Минимальная толщина [мм] : 23
Поверхность : с покрытием
|
|
Тормозной диск
MILES K200164
Сторона установки : спереди
Количество отверстий : 5
Тип тормозного диска : вентилируемый
Наружный диаметр [мм] : 299,9
Высота [мм] : 48,5
Диаметр центрирования [мм] : 72
Ø фаски [мм] : 114,3
Диаметр отверстия под шпильку колеса [мм] : 13,8
Толщина тормозного диска (мм) : 25
Минимальная толщина [мм] : 23
Поверхность : с покрытием
|
|
Тормозной диск
MILES K010535
Сторона установки : сзади
Количество отверстий : 5
Тип тормозного диска : цельный
Наружный диаметр [мм] : 279,9
Высота [мм] : 40,9
Диаметр центрирования [мм] : 72
Ø фаски [мм] : 114,3
Диаметр отверстия под шпильку колеса [мм] : 13,7
Толщина тормозного диска (мм) : 10,9
Минимальная толщина [мм] : 9
|
|
Тормозной диск
MILES K210535
Сторона установки : сзади
Количество отверстий : 5
Тип тормозного диска : цельный
Наружный диаметр [мм] : 279,9
Высота [мм] : 40,9
Диаметр центрирования [мм] : 72
Ø фаски [мм] : 114,3
Диаметр отверстия под шпильку колеса [мм] : 13,7
Толщина тормозного диска (мм) : 10,9
Минимальная толщина [мм] : 9
Поверхность : с покрытием
|
|
Тормозной диск
MINTEX MDC1691
Тип тормозного диска : вентилируемый
Наружный диаметр [мм] : 278
Толщина тормозного диска (мм) : 25
Высота [мм] : 48,5
Минимальная толщина [мм] : 23
Внутренний диаметр : 140
Ø фаски [мм] : 114,3
Диаметр центрирования [мм] : 72
Расположение/число отверстий : 05/05
Диаметр отверстия под шпильку колеса [мм] : 13,8
Дополнительный артикул / дополнительная информация 2 : без ступицы
Дополнительный артикул / дополнительная информация 2 : без колесного подшипника
Дополнительный артикул / дополнительная информация 2 : без колесной крепящей оси
Длина упаковки [см] : 30,8
Ширина упаковки [см] : 30,8
Высота упаковки [см] : 12,7
Вес [кг] : 7,1
|
|
Тормозной диск
MINTEX MDC1988
Тип тормозного диска : вентилируемый
Наружный диаметр [мм] : 300
Толщина тормозного диска (мм) : 25
Высота [мм] : 48,5
Минимальная толщина [мм] : 23
Внутренний диаметр : 139,9
Ø фаски [мм] : 114,3
Диаметр центрирования [мм] : 72
Расположение/число отверстий : 05/05
Диаметр отверстия под шпильку колеса [мм] : 13,8
Дополнительный артикул / дополнительная информация 2 : без ступицы
Дополнительный артикул / дополнительная информация 2 : без колесного подшипника
Дополнительный артикул / дополнительная информация 2 : без колесной крепящей оси
Длина упаковки [см] : 30,8
Ширина упаковки [см] : 30,8
Высота упаковки [см] : 12,7
Вес [кг] : 8,1
|
|
Тормозной диск
MINTEX MDC1717
Тип тормозного диска : цельный
Наружный диаметр [мм] : 280
Толщина тормозного диска (мм) : 11
Высота [мм] : 40,9
Минимальная толщина [мм] : 9
Внутренний диаметр : 153,2
Ø фаски [мм] : 114,3
Диаметр центрирования [мм] : 72
Расположение/число отверстий : 05/05
Диаметр отверстия под шпильку колеса [мм] : 14
Дополнительный артикул / дополнительная информация 2 : без ступицы
Дополнительный артикул / дополнительная информация 2 : без колесного подшипника
Дополнительный артикул / дополнительная информация 2 : без колесной крепящей оси
Длина упаковки [см] : 29,3
Ширина упаковки [см] : 29,3
Высота упаковки [см] : 10,5
Вес [кг] : 4,4
|
|
Тормозной диск
MINTEX MDC2202
Тип тормозного диска : цельный
Наружный диаметр [мм] : 302
Толщина тормозного диска (мм) : 11
Высота [мм] : 41
Минимальная толщина [мм] : 9
Внутренний диаметр : 153
Ø фаски [мм] : 114,3
Диаметр центрирования [мм] : 72
Расположение/число отверстий : 05/05
Диаметр отверстия под шпильку колеса [мм] : 13,8
Дополнительный артикул / дополнительная информация 2 : без ступицы
Дополнительный артикул / дополнительная информация 2 : без колесного подшипника
Дополнительный артикул / дополнительная информация 2 : без колесной крепящей оси
Длина упаковки [см] : 31,3
Ширина упаковки [см] : 31,3
Высота упаковки [см] : 10
Вес [кг] : 4,9
|
|
Тормозной диск
MOTAQUIP LVBD1029Z
Тип тормозного диска : вентилируемый
Наружный диаметр [мм] : 300
Толщина тормозного диска (мм) : 25
Высота [мм] : 48,5
Ø фаски [мм] : 114,3
Диаметр центрирования [мм] : 72
Количество отверстий : 5
Поверхность : с покрытием
Вес [кг] : 8,325
Минимальная толщина [мм] : 23
|
|
Тормозной диск
MOTAQUIP LVBD1030Z
Тип тормозного диска : цельный
Наружный диаметр [мм] : 280
Толщина тормозного диска (мм) : 11
Высота [мм] : 41,1
Ø фаски [мм] : 114,3
Диаметр центрирования [мм] : 72,1
Количество отверстий : 5
Поверхность : с покрытием
Вес [кг] : 4,53
Минимальная толщина [мм] : 9
|
|
Тормозной диск
MOTAQUIP LVBD1594
Тип тормозного диска : цельный
Наружный диаметр [мм] : 302
Толщина тормозного диска (мм) : 11
Высота [мм] : 41
Ø фаски [мм] : 114,3
Диаметр центрирования [мм] : 72
Количество отверстий : 5
Поверхность : с покрытием
Вес [кг] : 5,198
Минимальная толщина [мм] : 9
|
|
Тормозной диск
MOTAQUIP LVBE373Z
Тип тормозного диска : вентилируемый
Наружный диаметр [мм] : 278
Толщина тормозного диска (мм) : 25
Высота [мм] : 48,5
Диаметр центрирования [мм] : 72
Количество отверстий : 5
Поверхность : с покрытием
Вес [кг] : 7,25
Минимальная толщина [мм] : 23
|
|
Тормозной диск
National NBD1320
Тип тормозного диска : вентилируемый
Наружный диаметр [мм] : 278
Толщина тормозного диска (мм) : 25
Высота [мм] : 48
Ø фаски [мм] : 114
Диаметр центрирования [мм] : 72
Количество отверстий : 5
|
|
Тормозной диск
National NBD1321
Тип тормозного диска : вентилируемый
Наружный диаметр [мм] : 300
Толщина тормозного диска (мм) : 25
Высота [мм] : 48
Ø фаски [мм] : 114
Диаметр центрирования [мм] : 72
Количество отверстий : 5
|
|
Тормозной диск
National NBD1328
Тип тормозного диска : цельный
Наружный диаметр [мм] : 280
Толщина тормозного диска (мм) : 11
Высота [мм] : 41
Ø фаски [мм] : 114
Диаметр центрирования [мм] : 72
Количество отверстий : 5
|
|
Тормозной диск
National NBD1600
Тип тормозного диска : цельный
Наружный диаметр [мм] : 302
Толщина тормозного диска (мм) : 11
Высота [мм] : 41
Ø фаски [мм] : 114
Диаметр центрирования [мм] : 72
Количество отверстий : 5
|
|
Тормозной диск
NiBK RN1193
Сторона установки : передний мост
Тип тормозного диска : вентилируемый
Наружный диаметр [мм] : 278
Толщина тормозного диска (мм) : 25
Минимальная толщина [мм] : 23,4
Количество отверстий : 5
Ø фаски [мм] : 114,3
Высота [мм] : 49
Диаметр центрирования [мм] : 72
Внутренний диаметр : 140
|
|
Тормозной диск
NiBK RN1194
Сторона установки : передний мост
Тип тормозного диска : вентилируемый
Наружный диаметр [мм] : 300
Толщина тормозного диска (мм) : 25
Минимальная толщина [мм] : 23
Количество отверстий : 5
Ø фаски [мм] : 114,3
Высота [мм] : 48,5
Диаметр центрирования [мм] : 72
Внутренний диаметр : 140
|
|
Тормозной диск
NiBK RN1373
Сторона установки : Задний мост
Тип тормозного диска : цельный
Наружный диаметр [мм] : 280
Толщина тормозного диска (мм) : 11
Минимальная толщина [мм] : 9
Количество отверстий : 5
Ø фаски [мм] : 114,3
Высота [мм] : 40,8
Диаметр центрирования [мм] : 72
Внутренний диаметр : 153
|
|
Тормозной диск
NiBK RN25001
Сторона установки : Задний мост
Тип тормозного диска : цельный
Наружный диаметр [мм] : 302
Толщина тормозного диска (мм) : 11
Минимальная толщина [мм] : 9
Количество отверстий : 5
Ø фаски [мм] : 114,3
Высота [мм] : 40,8
Диаметр центрирования [мм] : 72
Внутренний диаметр : 152
|
|
Тормозной диск
NIPPARTS J3303083
Сторона установки : передний мост
Тип тормозного диска : вентилируемый
Толщина тормозного диска (мм) : 25
Наружный диаметр [мм] : 278
Высота [мм] : 48,5
Количество отверстий : 5
Диаметр центрирования [мм] : 72
Ø фаски [мм] : 114,3
Диаметр ступицы колеса [мм] : 149
Минимальная толщина [мм] : 23
|
|
Тормозной диск
NIPPARTS J3303083HC
Тип тормозного диска : вентилируемый
Толщина тормозного диска (мм) : 25
Наружный диаметр [мм] : 278
Высота [мм] : 48
Обработка : Высокоуглеродистый
Количество отверстий : 5
Диаметр центрирования [мм] : 72
Ø фаски [мм] : 114,3
Диаметр ступицы колеса [мм] : 149
Минимальная толщина [мм] : 23
|
|
Тормозной диск
NIPPARTS J3303084
Тип тормозного диска : вентилируемый
Толщина тормозного диска (мм) : 25
Наружный диаметр [мм] : 300
Высота [мм] : 48,5
Количество отверстий : 5
Диаметр центрирования [мм] : 72
Ø фаски [мм] : 114,3
Диаметр ступицы колеса [мм] : 150,7
Минимальная толщина [мм] : 23
|
|
Тормозной диск
NIPPARTS J3303084HC
Тип тормозного диска : вентилируемый
Толщина тормозного диска (мм) : 25
Наружный диаметр [мм] : 300
Высота [мм] : 48,5
Обработка : Высокоуглеродистый
Количество отверстий : 5
Диаметр центрирования [мм] : 72
Ø фаски [мм] : 114,3
Диаметр ступицы колеса [мм] : 150,7
Минимальная толщина [мм] : 23
|
|
Тормозной диск
NIPPARTS J3313032
Сторона установки : Задний мост
Тип тормозного диска : цельный
Толщина тормозного диска (мм) : 11
Наружный диаметр [мм] : 280
Высота [мм] : 40,7
Количество отверстий : 5
Диаметр центрирования [мм] : 72
Ø фаски [мм] : 114,3
Диаметр ступицы колеса [мм] : 164,8
Минимальная толщина [мм] : 9
|
|
Тормозной диск
NIPPARTS J3313033
Сторона установки : Задний мост
Тип тормозного диска : цельный
Толщина тормозного диска (мм) : 11
Наружный диаметр [мм] : 302
Высота [мм] : 40,7
Количество отверстий : 5
Диаметр центрирования [мм] : 72
Ø фаски [мм] : 114,3
Диаметр ступицы колеса [мм] : 165
Минимальная толщина [мм] : 9
|
|
Тормозной диск
NK 203251
Наружный диаметр [мм] : 278
Толщина тормозного диска (мм) : 25
Минимальная толщина [мм] : 23
Высота [мм] : 49
Число отверстий в диске колеса : 5
Тип тормозного диска : вентилируемый
Диаметр центрирования [мм] : 72
Поверхность : промасленный
Вес нетто [кг] : 7,06
|
|
Тормозной диск
NK 313251
Наружный диаметр [мм] : 278
Толщина тормозного диска (мм) : 25
Минимальная толщина [мм] : 23
Высота [мм] : 49
Число отверстий в диске колеса : 5
Тип тормозного диска : вентилируемый
Диаметр центрирования [мм] : 72
Поверхность : с покрытием
Вес нетто [кг] : 7,06
|
|
Тормозной диск
NK 203253
Наружный диаметр [мм] : 300
Толщина тормозного диска (мм) : 25
Минимальная толщина [мм] : 23
Высота [мм] : 48,6
Число отверстий в диске колеса : 5
Тип тормозного диска : вентилируемый
Диаметр центрирования [мм] : 72
Поверхность : промасленный
Вес нетто [кг] : 8,12
|
|
Тормозной диск
NK 313253
Наружный диаметр [мм] : 300
Толщина тормозного диска (мм) : 25
Минимальная толщина [мм] : 23
Высота [мм] : 48,6
Число отверстий в диске колеса : 5
Тип тормозного диска : вентилируемый
Диаметр центрирования [мм] : 72
Поверхность : с покрытием
Вес нетто [кг] : 8,12
|
|
Тормозной диск
NK 203252
Наружный диаметр [мм] : 280
Толщина тормозного диска (мм) : 11
Минимальная толщина [мм] : 9
Высота [мм] : 41
Число отверстий в диске колеса : 5
Тип тормозного диска : цельный
Диаметр центрирования [мм] : 72
Поверхность : промасленный
Вес нетто [кг] : 4,4
|
|
Тормозной диск
NK 313252
Наружный диаметр [мм] : 280
Толщина тормозного диска (мм) : 11
Минимальная толщина [мм] : 9
Высота [мм] : 41
Число отверстий в диске колеса : 5
Тип тормозного диска : цельный
Диаметр центрирования [мм] : 72
Поверхность : с покрытием
Вес нетто [кг] : 4,44
|
|
Тормозной диск
NK 203261
Наружный диаметр [мм] : 302
Толщина тормозного диска (мм) : 11
Минимальная толщина [мм] : 9
Высота [мм] : 41,7
Число отверстий в диске колеса : 5
Тип тормозного диска : цельный
Диаметр центрирования [мм] : 72
Поверхность : промасленный
Вес нетто [кг] : 4,86
|
|
Тормозной диск
NK 313261
Наружный диаметр [мм] : 302
Толщина тормозного диска (мм) : 11
Минимальная толщина [мм] : 9
Высота [мм] : 41,7
Число отверстий в диске колеса : 5
Тип тормозного диска : цельный
Диаметр центрирования [мм] : 72
Поверхность : с покрытием
Вес нетто [кг] : 4,86
|
|
Тормозной диск
NPS M330A19
Спецификация : Qte packaging: 1
Сторона установки : передний мост
проверочное значение : E1 90R-02C0074/0362
Количество частей [част.] : 1
Внутренний диаметр : 72
Толщина тормозного диска (мм) : 25
Количество отверстий : 5
Тип тормозного диска : вентилируемый
Высота [мм] : 49
Наружный диаметр [мм] : 300
Минимальная толщина [мм] : 23
Ø фаски [мм] : 72
Диаметр центрирования [мм] : 72
|
|
Тормозной диск
Omnicraft 2134467
Высота [мм] : 49
Тип тормозного диска : вентилируемый
Толщина тормозного диска (мм) : 25
Минимальная толщина [мм] : 23
Обработка : Высокоуглеродистый
Наружный диаметр [мм] : 278
Количество отверстий : 5
Диаметр центрирования [мм] : 72
Момент затяжки [Нм] : 103
Поверхность : с покрытием
|
|
Тормозной диск
Omnicraft 2134598
Количество отверстий : 5
Диаметр центрирования [мм] : 72
Момент затяжки [Нм] : 103
Высота [мм] : 49
Тип тормозного диска : вентилируемый
Толщина тормозного диска (мм) : 25
Минимальная толщина [мм] : 23
Обработка : Высокоуглеродистый
Наружный диаметр [мм] : 300
|
|
Тормозной диск
OPEN PARTS BDA2031.10
Тип тормозного диска : цельный
Наружный диаметр [мм] : 280
Высота [мм] : 41
Толщина тормозного диска (мм) : 11
Диаметр центрирования [мм] : 72
Количество отверстий : 5
Минимальная толщина [мм] : 9
|
|
Тормозной диск
OPEN PARTS BDA2142.20
Тип тормозного диска : вентилируемый
Наружный диаметр [мм] : 278
Высота [мм] : 49
Толщина тормозного диска (мм) : 25
Диаметр центрирования [мм] : 72
Количество отверстий : 5
Минимальная толщина [мм] : 23
|
|
Тормозной диск
OPEN PARTS BDA2156.20
Тип тормозного диска : вентилируемый
Наружный диаметр [мм] : 300
Высота [мм] : 48,6
Толщина тормозного диска (мм) : 25
Диаметр центрирования [мм] : 72
Количество отверстий : 5
Минимальная толщина [мм] : 23
|
|
Тормозной диск
OPEN PARTS BDA2264.10
Тип тормозного диска : цельный
Наружный диаметр [мм] : 302
Высота [мм] : 40,8
Толщина тормозного диска (мм) : 11
Диаметр центрирования [мм] : 72
Количество отверстий : 5
Минимальная толщина [мм] : 9
|
|
Тормозной диск
OPEN PARTS BDR2031.10
Тип тормозного диска : цельный
Поверхность : лакированный
Наружный диаметр [мм] : 280
Высота [мм] : 41
Толщина тормозного диска (мм) : 11
Диаметр центрирования [мм] : 72
Количество отверстий : 5
Минимальная толщина [мм] : 9
|
|
Тормозной диск
OPEN PARTS BDR2142.20
Тип тормозного диска : вентилируемый
Поверхность : лакированный
Наружный диаметр [мм] : 278
Высота [мм] : 49
Толщина тормозного диска (мм) : 25
Диаметр центрирования [мм] : 72
Количество отверстий : 5
Минимальная толщина [мм] : 23
|
|
Тормозной диск
OPEN PARTS BDR2156.20
Тип тормозного диска : вентилируемый
Поверхность : лакированный
Наружный диаметр [мм] : 300
Высота [мм] : 48,6
Толщина тормозного диска (мм) : 25
Диаметр центрирования [мм] : 72
Количество отверстий : 5
Минимальная толщина [мм] : 23
|
|
Тормозной диск
OPEN PARTS BDR2264.10
Тип тормозного диска : цельный
Поверхность : лакированный
Наружный диаметр [мм] : 302
Высота [мм] : 40,8
Толщина тормозного диска (мм) : 11
Диаметр центрирования [мм] : 72
Количество отверстий : 5
Минимальная толщина [мм] : 9
|
|
Тормозной диск
OPEN PARTS BDRS2142.25
Поверхность : лакированный
Тип тормозного диска : перфорированный / вентилируемый
Наружный диаметр [мм] : 278
Высота [мм] : 49
Толщина тормозного диска (мм) : 25
Диаметр центрирования [мм] : 72
Количество отверстий : 5
Минимальная толщина [мм] : 23
|
|
Тормозной диск
OPEN PARTS BDRS2156.25
Поверхность : лакированный
Тип тормозного диска : перфорированный / вентилируемый
Наружный диаметр [мм] : 300
Высота [мм] : 48,6
Толщина тормозного диска (мм) : 25
Диаметр центрирования [мм] : 72
Количество отверстий : 5
Минимальная толщина [мм] : 23
|
|
Тормозной диск
OPTIMAL BS-7746
Сторона установки : передний мост
Тип тормозного диска : вентилируемый
Толщина тормозного диска (мм) : 25
Наружный диаметр [мм] : 278
Высота [мм] : 48,5
Диаметр центрирования [мм] : 72
Минимальная толщина [мм] : 23
Расположение/число отверстий : 5/5
|
|
Тормозной диск
OPTIMAL BS-7746C
Сторона установки : передний мост
Тип тормозного диска : вентилируемый
Толщина тормозного диска (мм) : 25
Наружный диаметр [мм] : 278
Высота [мм] : 48,5
Диаметр центрирования [мм] : 72
Поверхность : с покрытием
Минимальная толщина [мм] : 23
Расположение/число отверстий : 5/5
|
|
Тормозной диск
OPTIMAL BS-7756C
Сторона установки : передний мост
Тип тормозного диска : вентилируемый
Толщина тормозного диска (мм) : 25
Наружный диаметр [мм] : 300
Высота [мм] : 48,6
Диаметр центрирования [мм] : 72
Поверхность : с покрытием
Минимальная толщина [мм] : 23
Расположение/число отверстий : 5/5
|
|
Тормозной диск
OPTIMAL BS-7762
Сторона установки : Задний мост
Тип тормозного диска : цельный
Толщина тормозного диска (мм) : 10,9
Наружный диаметр [мм] : 280
Высота [мм] : 40,9
Диаметр центрирования [мм] : 72
Минимальная толщина [мм] : 9
Расположение/число отверстий : 5/5
|
|
Тормозной диск
OPTIMAL BS-7762C
Сторона установки : Задний мост
Тип тормозного диска : цельный
Толщина тормозного диска (мм) : 10,9
Наружный диаметр [мм] : 280
Высота [мм] : 40,9
Диаметр центрирования [мм] : 72
Поверхность : с покрытием
Минимальная толщина [мм] : 9
Расположение/число отверстий : 5/5
|
|
Тормозной диск
OPTIMAL BS-7774C
Сторона установки : Задний мост
Тип тормозного диска : цельный
Толщина тормозного диска (мм) : 11
Наружный диаметр [мм] : 302
Высота [мм] : 40,8
Диаметр центрирования [мм] : 72
Поверхность : с покрытием
Минимальная толщина [мм] : 9
Расположение/число отверстий : 5/5
|
|
Тормозной диск
OSSCA 70677
Сторона установки : спереди
Тип тормозного диска : цельный
Толщина тормозного диска (мм) : 25
Высота [мм] : 49
Наружный диаметр [мм] : 278
|
|
Тормозной диск
OSSCA 80409
Сторона установки : сзади
Тип тормозного диска : цельный
Толщина тормозного диска (мм) : 11
Высота [мм] : 41,7
Наружный диаметр [мм] : 302
|
|
Тормозной диск
Oyodo 30H3049-OYO
Тип тормозного диска : вентилируемый
Высота [мм] : 48,5
Толщина тормозного диска (мм) : 25
Размер резьбы : 14
Наружный диаметр [мм] : 300
Количество отверстий : 5
Диаметр центрирования [мм] : 72
Ø фаски [мм] : 114,3
|
|
Тормозной диск
Oyodo 30H3065-OYO
Сторона установки : передний мост
Тип тормозного диска : вентилируемый
Высота [мм] : 48,4
Толщина тормозного диска (мм) : 25
Наружный диаметр [мм] : 278
Количество отверстий : 5
|
|
Тормозной диск
Oyodo 40H3027-OYO
Тип тормозного диска : цельный
Высота [мм] : 40,7
Толщина тормозного диска (мм) : 11
Наружный диаметр [мм] : 302
Количество отверстий : 5
|
|
Тормозной диск
PAGID 54303NC
Тип тормозного диска : вентилируемый
Наружный диаметр [мм] : 278
Толщина тормозного диска (мм) : 25
Высота [мм] : 48,5
Минимальная толщина [мм] : 23
Поверхность : с покрытием
Внутренний диаметр : 140
Ø фаски [мм] : 114,3
Диаметр центрирования [мм] : 72
Расположение/число отверстий : 05/05
Диаметр отверстия под шпильку колеса [мм] : 13,8
Дополнительный артикул / дополнительная информация 2 : без ступицы
Дополнительный артикул / дополнительная информация 2 : без колесного подшипника
Дополнительный артикул / дополнительная информация 2 : без колесной крепящей оси
Длина упаковки [см] : 29,3
Ширина упаковки [см] : 29,3
Высота упаковки [см] : 6,5
Вес [кг] : 7,1
|
|
Тормозной диск
PAGID 54304NC
Тип тормозного диска : вентилируемый
Наружный диаметр [мм] : 300
Толщина тормозного диска (мм) : 25
Высота [мм] : 48,5
Минимальная толщина [мм] : 23
Поверхность : с покрытием
Внутренний диаметр : 139,9
Ø фаски [мм] : 114,3
Диаметр центрирования [мм] : 72
Расположение/число отверстий : 05/05
Диаметр отверстия под шпильку колеса [мм] : 13,8
Дополнительный артикул / дополнительная информация 2 : без ступицы
Дополнительный артикул / дополнительная информация 2 : без колесного подшипника
Дополнительный артикул / дополнительная информация 2 : без колесной крепящей оси
Длина упаковки [см] : 32,8
Ширина упаковки [см] : 32,8
Высота упаковки [см] : 7,5
Вес [кг] : 8,1
|
|
Тормозной диск
PAGID 54306N
Тип тормозного диска : цельный
Наружный диаметр [мм] : 280
Толщина тормозного диска (мм) : 11
Высота [мм] : 40,9
Минимальная толщина [мм] : 9
Внутренний диаметр : 153,2
Ø фаски [мм] : 114,3
Диаметр центрирования [мм] : 72
Расположение/число отверстий : 05/05
Диаметр отверстия под шпильку колеса [мм] : 14
Дополнительный артикул / дополнительная информация 2 : без ступицы
Дополнительный артикул / дополнительная информация 2 : без колесного подшипника
Дополнительный артикул / дополнительная информация 2 : без колесной крепящей оси
Длина упаковки [см] : 29,3
Ширина упаковки [см] : 29,3
Высота упаковки [см] : 6,5
Вес [кг] : 4,4
|
|
Тормозной диск
PAGID 54482N
Тип тормозного диска : цельный
Наружный диаметр [мм] : 302
Толщина тормозного диска (мм) : 11
Высота [мм] : 41
Минимальная толщина [мм] : 9
Внутренний диаметр : 153
Ø фаски [мм] : 114,3
Диаметр центрирования [мм] : 72
Расположение/число отверстий : 05/05
Диаметр отверстия под шпильку колеса [мм] : 13,8
Дополнительный артикул / дополнительная информация 2 : без ступицы
Дополнительный артикул / дополнительная информация 2 : без колесного подшипника
Дополнительный артикул / дополнительная информация 2 : без колесной крепящей оси
Длина упаковки [см] : 32,8
Ширина упаковки [см] : 32,8
Высота упаковки [см] : 7,5
Вес [кг] : 4,9
|
|
Тормозной диск
PILENGA 5518
Сторона установки : Задний мост
Тип тормозного диска : цельный
Минимальная толщина [мм] : 9
Толщина тормозного диска (мм) : 11
Количество отверстий 1 : 5
Внутренний диаметр : 153,5
проверочное значение : E1 90R-02C0602/0079
Высота [мм] : 40,8
Диаметр центрирования [мм] : 72
Наружный диаметр [мм] : 280
|
|
Тормозной диск
PILENGA 5522
Сторона установки : Задний мост
Тип тормозного диска : цельный
Минимальная толщина [мм] : 9
Толщина тормозного диска (мм) : 11
Количество отверстий 1 : 5
Внутренний диаметр : 153
Высота [мм] : 40,8
Диаметр центрирования [мм] : 72
Наружный диаметр [мм] : 302
|
|
Тормозной диск
PILENGA V522
Сторона установки : передний мост
Тип тормозного диска : вентилируемый
Минимальная толщина [мм] : 23
Толщина тормозного диска (мм) : 25
Количество отверстий 1 : 5
Внутренний диаметр : 140
Высота [мм] : 48,5
Обработка : Высокоуглеродистый
Диаметр центрирования [мм] : 72
Наружный диаметр [мм] : 278
|
|
Тормозной диск
PILENGA V523
Сторона установки : передний мост
Тип тормозного диска : вентилируемый
Минимальная толщина [мм] : 23
Толщина тормозного диска (мм) : 25
Количество отверстий 1 : 5
Внутренний диаметр : 140
Высота [мм] : 48,5
Обработка : Высокоуглеродистый
Диаметр центрирования [мм] : 72
Наружный диаметр [мм] : 300
|
|
Тормозной диск
ProfiPower 3B1062
Тип тормозного диска : вентилируемый
Высота [мм] : 48,5
Толщина тормозного диска (мм) : 25
Размер резьбы : 14
Минимальная толщина [мм] : 23
Наружный диаметр [мм] : 278
Количество отверстий : 5
Диаметр центрирования [мм] : 72
Ø фаски [мм] : 114,3
|
|
Тормозной диск
ProfiPower 3B1111
Тип тормозного диска : вентилируемый
Высота [мм] : 48,5
Толщина тормозного диска (мм) : 25
Размер резьбы : 14
Минимальная толщина [мм] : 23
Наружный диаметр [мм] : 300
Количество отверстий : 5
Диаметр центрирования [мм] : 72
Ø фаски [мм] : 114,3
|
|
Тормозной диск
ProfiPower 3B2077
Тип тормозного диска : цельный
Высота [мм] : 41
Толщина тормозного диска (мм) : 11
Размер резьбы : 13,8
Минимальная толщина [мм] : 9
Наружный диаметр [мм] : 302
Количество отверстий : 5
Диаметр центрирования [мм] : 72
Ø фаски [мм] : 114,3
|
|
Тормозной диск
ProfiPower 3B2193
Поверхность : с покрытием
Наружная поверхность перчатки : с покрытием
Внутренняя поверхность перчатки : с покрытием
Поверхность бойка молотка (квадратная сторона) : с покрытием
Поверхность губок : с покрытием
Покрытие контакта : с покрытием
Поверхность лезвий : с покрытием
Поверхность рабочих концов : с покрытием
Поверхность головки кусачек : с покрытием
Поверхность вершины лезвия : с покрытием
Поверхность бойка молотка : с покрытием
Поверхность стержня : с покрытием
Поверхность головки молотка : с покрытием
Поверхность лезвий : с покрытием
Поверхность острия бойка молотка : с покрытием
Поверхность сверла : с покрытием
Поверхность рукоятка инструмента : с покрытием
Поверхность корпуса : с покрытием
Поверхность бойка молотка (круглая сторона) : с покрытием
Поверхность рамы : с покрытием
Тип тормозного диска : цельный
Число отверстий в диске колеса : 5
Высота [мм] : 41
Толщина тормозного диска (мм) : 11
Минимальная толщина [мм] : 10
Наружный диаметр [мм] : 280
Диаметр центрирования [мм] : 72
Ø фаски [мм] : 114,3
|
|
Тормозной диск
QUARO QD0481
Тип тормозного диска : цельный
Наружный диаметр [мм] : 280
Толщина тормозного диска (мм) : 11
Дополнительный артикул / дополнительная информация 2 : без ступицы
Дополнительный артикул / дополнительная информация 2 : без колесной крепящей оси
Высота [мм] : 40,9
Ø фаски [мм] : 114
Диаметр центрирования [мм] : 72
Количество отверстий : 5
Минимальная толщина [мм] : 9
|
|
Тормозной диск
QUARO QD0577
Тип тормозного диска : цельный
Наружный диаметр [мм] : 302
Толщина тормозного диска (мм) : 11
Дополнительный артикул / дополнительная информация 2 : без ступицы
Дополнительный артикул / дополнительная информация 2 : без колесной крепящей оси
Высота [мм] : 41
Ø фаски [мм] : 114
Диаметр центрирования [мм] : 72
Количество отверстий : 5
Минимальная толщина [мм] : 9
|
|
Тормозной диск
QUARO QD3337
Сторона установки : передний мост
Тип тормозного диска : вентилируемый
Наружный диаметр [мм] : 300
Толщина тормозного диска (мм) : 25
Дополнительный артикул / дополнительная информация 2 : без ступицы
Дополнительный артикул / дополнительная информация 2 : без колесной крепящей оси
Высота [мм] : 48,5
Ø фаски [мм] : 114
Диаметр центрирования [мм] : 72
Количество отверстий : 5
Поверхность : лакированный
Минимальная толщина [мм] : 23
|
|
Тормозной диск
QUARO QD3337HC
Сторона установки : передний мост
Тип тормозного диска : вентилируемый
Наружный диаметр [мм] : 300
Толщина тормозного диска (мм) : 25
Дополнительный артикул / дополнительная информация 2 : без ступицы
Дополнительный артикул / дополнительная информация 2 : без колесной крепящей оси
Высота [мм] : 48,5
Ø фаски [мм] : 114
Диаметр центрирования [мм] : 72
Количество отверстий : 5
Обработка : Высокоуглеродистый
Поверхность : лакированный
Минимальная толщина [мм] : 23
|
|
Тормозной диск
QUARO QD4348
Тип тормозного диска : вентилируемый
Наружный диаметр [мм] : 278
Толщина тормозного диска (мм) : 25
Дополнительный артикул / дополнительная информация 2 : без ступицы
Дополнительный артикул / дополнительная информация 2 : без колесной крепящей оси
Высота [мм] : 48,5
Ø фаски [мм] : 114
Диаметр центрирования [мм] : 72
Количество отверстий : 5
Поверхность : лакированный
Минимальная толщина [мм] : 23
|
|
Тормозной диск
QUARO QD4348HC
Тип тормозного диска : вентилируемый
Наружный диаметр [мм] : 278
Толщина тормозного диска (мм) : 25
Дополнительный артикул / дополнительная информация 2 : без ступицы
Дополнительный артикул / дополнительная информация 2 : без колесной крепящей оси
Высота [мм] : 48,5
Ø фаски [мм] : 114
Диаметр центрирования [мм] : 72
Количество отверстий : 5
Обработка : Высокоуглеродистый
Поверхность : лакированный
Минимальная толщина [мм] : 23
|
|
Тормозной диск
QUINTON HAZELL BDC5490
Тип тормозного диска : вентилируемый
Наружный диаметр [мм] : 278
Толщина тормозного диска (мм) : 25
Минимальная толщина [мм] : 23
Высота [мм] : 48,5
Диаметр центрирования [мм] : 72
Ø фаски [мм] : 114
Количество отверстий : 5
|
|
Тормозной диск
QUINTON HAZELL BDC5492
Тип тормозного диска : вентилируемый
Наружный диаметр [мм] : 300
Толщина тормозного диска (мм) : 25
Минимальная толщина [мм] : 23
Высота [мм] : 48,5
Диаметр центрирования [мм] : 72
Ø фаски [мм] : 114
Количество отверстий : 5
|
|
Тормозной диск
QUINTON HAZELL BDC5493
Тип тормозного диска : цельный
Наружный диаметр [мм] : 280
Толщина тормозного диска (мм) : 11
Минимальная толщина [мм] : 9
Высота [мм] : 41
Диаметр центрирования [мм] : 72
Ø фаски [мм] : 114
Количество отверстий : 5
|
|
Тормозной диск
QUINTON HAZELL BDC5512
Тип тормозного диска : цельный
Наружный диаметр [мм] : 302
Толщина тормозного диска (мм) : 11
Минимальная толщина [мм] : 9
Высота [мм] : 41,7
Диаметр центрирования [мм] : 72
Ø фаски [мм] : 114
Количество отверстий : 5
|
|
Тормозной диск
R BRAKE 78RBD23276
Толщина тормозного диска (мм) : 9
Наружный диаметр [мм] : 279,8
Тип тормозного диска : цельный
Высота [мм] : 40,7
Диаметр центрирования [мм] : 72
Ø фаски [мм] : 114,3
Исполнение оси : Rear
Номер технической информации : 78BD3276-2
проверочное значение : E1 90R-02C0100/0692
Диаметр [мм] : 72
Толщина [мм] : 11
Минимальная толщина [мм] : 9
Расположение/число отверстий : 5
Вес [кг] : 9 100
|
|
Тормозной диск
RAICAM RD00409
Сторона установки : передний мост
Минимальная толщина [мм] : 23
Высота [мм] : 49
Наружный диаметр [мм] : 276
Вес [кг] : 7,1
Диаметр центрирования [мм] : 69
Тип тормозного диска : вентилируемый
выполняет нормы ЕЭК : E1
Число отверстий в диске колеса : 5
Толщина тормозного диска (мм) : 25
|
|
Тормозной диск
RAICAM RD00410
Число отверстий в диске колеса : 5
Толщина тормозного диска (мм) : 11
Сторона установки : Задний мост
Минимальная толщина [мм] : 9
Высота [мм] : 41
Наружный диаметр [мм] : 280
Вес [кг] : 4,4
Диаметр центрирования [мм] : 72
Тип тормозного диска : цельный
выполняет нормы ЕЭК : E1
|
|
Тормозной диск
RAICAM RD00411
Тип тормозного диска : вентилируемый
выполняет нормы ЕЭК : E1
Число отверстий в диске колеса : 5
Толщина тормозного диска (мм) : 25
Сторона установки : передний мост
Минимальная толщина [мм] : 23
Высота [мм] : 48,6
Наружный диаметр [мм] : 300
Вес [кг] : 8,2
Диаметр центрирования [мм] : 72
|
|
Тормозной диск
RAICAM RD00417
выполняет нормы ЕЭК : E1
Число отверстий в диске колеса : 5
Толщина тормозного диска (мм) : 11
Сторона установки : Задний мост
Минимальная толщина [мм] : 9
Высота [мм] : 41,7
Наружный диаметр [мм] : 302
Вес [кг] : 4,9
Диаметр центрирования [мм] : 72
Тип тормозного диска : цельный
|
|
Тормозной диск
RIDEX 82B0108
Толщина тормозного диска (мм) : 25
Наружный диаметр [мм] : 278
Минимальная толщина [мм] : 23
Высота [мм] : 48,5
Расположение/число отверстий : 05/05
Ø фаски [мм] : 114,3
Диаметр центрирования [мм] : 72
Дополнительный артикул / дополнительная информация 2 : без ступицы
Дополнительный артикул / дополнительная информация 2 : без колесной крепящей оси
Внутренний диаметр : 140
Диаметр отверстия под шпильку колеса [мм] : 14
Поверхность : без покрытия
Тип тормозного диска : вентилируемый
|
|
Тормозной диск
RIDEX 82B0121
Толщина тормозного диска (мм) : 11
Тип тормозного диска : цельный
Минимальная толщина [мм] : 9
Высота [мм] : 40,9
Расположение/число отверстий : 05/05
Ø фаски [мм] : 114,3
Диаметр центрирования [мм] : 72
Дополнительный артикул / дополнительная информация 2 : без ступицы
Дополнительный артикул / дополнительная информация 2 : без колесной крепящей оси
Внутренний диаметр : 154
Диаметр отверстия [мм] : 14
Наружный диаметр [мм] : 280
Поверхность : без покрытия
|
|
Тормозной диск
RIDEX 82B0170
Толщина тормозного диска (мм) : 25
Тип тормозного диска : вентилируемый
Минимальная толщина [мм] : 23
Высота [мм] : 48,5
Расположение/число отверстий : 05/05
Ø фаски [мм] : 114,3
Диаметр центрирования [мм] : 72
Вес [кг] : 8,1
Дополнительный артикул / дополнительная информация 2 : без ступицы
Дополнительный артикул / дополнительная информация 2 : без колесной крепящей оси
Внутренний диаметр : 140
Диаметр отверстия до [мм] : 13,8
Сторона установки : передний мост
Наружный диаметр [мм] : 300
|
|
Тормозной диск
RIDEX 82B0174
Толщина тормозного диска (мм) : 11
Тип тормозного диска : цельный
Минимальная толщина [мм] : 9
Высота [мм] : 41
Расположение/число отверстий : 5
Ø фаски [мм] : 114,3
Диаметр центрирования [мм] : 72
Вес [кг] : 4,9
Дополнительный артикул / дополнительная информация 2 : без ступицы
Дополнительный артикул / дополнительная информация 2 : без колесной крепящей оси
Внутренний диаметр : 153
Диаметр отверстия [мм] : 13,8
Наружный диаметр [мм] : 302
|
|
Тормозной диск
ROTINGER RT 1491
Тип тормозного диска : цельный
Сторона установки : Задний мост
Наружный диаметр [мм] : 279,9
Внутренний диаметр : 153,2
Диаметр центрирования [мм] : 72
Высота [мм] : 40,9
Толщина тормозного диска (мм) : 11
Минимальная толщина [мм] : 9
Количество отверстий : 5
Размер резьбы : 13,7
Вес [кг] : 4,4
Ø фаски [мм] : 114,3
|
|
Тормозной диск
ROTINGER RT 1491-GL
Тип тормозного диска : цельный
Поверхность : с гальваническим покрытием
Сторона установки : Задний мост
Наружный диаметр [мм] : 279,9
Внутренний диаметр : 153,2
Диаметр центрирования [мм] : 72
Высота [мм] : 40,9
Толщина тормозного диска (мм) : 11
Минимальная толщина [мм] : 9
Количество отверстий : 5
Размер резьбы : 13,7
Вес [кг] : 4,4
Ø фаски [мм] : 114,3
|
|
Тормозной диск
ROTINGER RT 1491-GL T3
Тип тормозного диска : перфорированный
Тип тормозного диска : цельный
Поверхность : с гальваническим покрытием
Сторона установки : Задний мост
Наружный диаметр [мм] : 279,9
Внутренний диаметр : 153,2
Диаметр центрирования [мм] : 72
Высота [мм] : 40,9
Толщина тормозного диска (мм) : 11
Минимальная толщина [мм] : 9
Количество отверстий : 5
Размер резьбы : 13,7
Вес [кг] : 4,4
Ø фаски [мм] : 114,3
|
|
Тормозной диск
ROTINGER RT 1491-GL T5
Тип тормозного диска : цельный
Тип тормозного диска : перфорированный
Поверхность : с гальваническим покрытием
Сторона установки : Задний мост
Наружный диаметр [мм] : 279,9
Внутренний диаметр : 153,2
Диаметр центрирования [мм] : 72
Высота [мм] : 40,9
Толщина тормозного диска (мм) : 11
Минимальная толщина [мм] : 9
Количество отверстий : 5
Размер резьбы : 13,7
Вес [кг] : 4,4
Ø фаски [мм] : 114,3
|
|
Тормозной диск
ROTINGER RT 1491-GL T6
Тип тормозного диска : цельный
Поверхность : с гальваническим покрытием
Сторона установки : Задний мост
Наружный диаметр [мм] : 279,9
Внутренний диаметр : 153,2
Диаметр центрирования [мм] : 72
Высота [мм] : 40,9
Толщина тормозного диска (мм) : 11
Минимальная толщина [мм] : 9
Количество отверстий : 5
Размер резьбы : 13,7
Вес [кг] : 4,4
Ø фаски [мм] : 114,3
|
|
Тормозной диск
ROTINGER RT 1491-GL T9
Тип тормозного диска : цельный
Поверхность : с гальваническим покрытием
Сторона установки : Задний мост
Наружный диаметр [мм] : 279,9
Внутренний диаметр : 153,2
Диаметр центрирования [мм] : 72
Высота [мм] : 40,9
Толщина тормозного диска (мм) : 11
Минимальная толщина [мм] : 9
Количество отверстий : 5
Размер резьбы : 13,7
Вес [кг] : 4,4
Ø фаски [мм] : 114,3
|
|
Тормозной диск
ROTINGER RT 1658
Тип тормозного диска : цельный
Сторона установки : Задний мост
Наружный диаметр [мм] : 301,8
Внутренний диаметр : 152
Диаметр центрирования [мм] : 72
Высота [мм] : 40,8
Толщина тормозного диска (мм) : 11
Минимальная толщина [мм] : 9
Количество отверстий : 5
Размер резьбы : 13,8
Вес [кг] : 4,9
Ø фаски [мм] : 114,3
|
|
Тормозной диск
ROTINGER RT 1658-GL
Тип тормозного диска : цельный
Поверхность : с гальваническим покрытием
Сторона установки : Задний мост
Наружный диаметр [мм] : 301,8
Внутренний диаметр : 152
Диаметр центрирования [мм] : 72
Высота [мм] : 40,8
Толщина тормозного диска (мм) : 11
Минимальная толщина [мм] : 9
Количество отверстий : 5
Размер резьбы : 13,8
Вес [кг] : 4,9
Ø фаски [мм] : 114,3
|
|
Тормозной диск
ROTINGER RT 1658-GL T3
Тип тормозного диска : цельный
Тип тормозного диска : перфорированный
Поверхность : с гальваническим покрытием
Сторона установки : Задний мост
Наружный диаметр [мм] : 301,8
Внутренний диаметр : 152
Диаметр центрирования [мм] : 72
Высота [мм] : 40,8
Толщина тормозного диска (мм) : 11
Минимальная толщина [мм] : 9
Количество отверстий : 5
Размер резьбы : 13,8
Вес [кг] : 4,9
Ø фаски [мм] : 114,3
|
|
Тормозной диск
ROTINGER RT 1658-GL T5
Тип тормозного диска : перфорированный
Тип тормозного диска : цельный
Поверхность : с гальваническим покрытием
Сторона установки : Задний мост
Наружный диаметр [мм] : 301,8
Внутренний диаметр : 152
Диаметр центрирования [мм] : 72
Высота [мм] : 40,8
Толщина тормозного диска (мм) : 11
Минимальная толщина [мм] : 9
Количество отверстий : 5
Размер резьбы : 13,8
Вес [кг] : 4,9
Ø фаски [мм] : 114,3
|
|
Тормозной диск
ROTINGER RT 1658-GL T6
Тип тормозного диска : цельный
Поверхность : с гальваническим покрытием
Сторона установки : Задний мост
Наружный диаметр [мм] : 301,8
Внутренний диаметр : 152
Диаметр центрирования [мм] : 72
Высота [мм] : 40,8
Толщина тормозного диска (мм) : 11
Минимальная толщина [мм] : 9
Количество отверстий : 5
Размер резьбы : 13,8
Вес [кг] : 4,9
Ø фаски [мм] : 114,3
|
|
Тормозной диск
ROTINGER RT 1658-GL T9
Тип тормозного диска : цельный
Поверхность : с гальваническим покрытием
Сторона установки : Задний мост
Наружный диаметр [мм] : 301,8
Внутренний диаметр : 152
Диаметр центрирования [мм] : 72
Высота [мм] : 40,8
Толщина тормозного диска (мм) : 11
Минимальная толщина [мм] : 9
Количество отверстий : 5
Размер резьбы : 13,8
Вес [кг] : 4,9
Ø фаски [мм] : 114,3
|
|
Тормозной диск
ROTINGER RT 2877
Тип тормозного диска : вентилируемый
Сторона установки : передний мост
Наружный диаметр [мм] : 278
Внутренний диаметр : 139,9
Диаметр центрирования [мм] : 72
Высота [мм] : 48,5
Толщина тормозного диска (мм) : 25
Минимальная толщина [мм] : 23
Количество отверстий : 5
Размер резьбы : 13,7
Вес [кг] : 7,1
Ø фаски [мм] : 114,3
|
|
Тормозной диск
ROTINGER RT 2877-GL
Тип тормозного диска : вентилируемый
Поверхность : с гальваническим покрытием
Сторона установки : передний мост
Наружный диаметр [мм] : 278
Внутренний диаметр : 139,9
Диаметр центрирования [мм] : 72
Высота [мм] : 48,5
Толщина тормозного диска (мм) : 25
Минимальная толщина [мм] : 23
Количество отверстий : 5
Размер резьбы : 13,7
Вес [кг] : 7,1
Ø фаски [мм] : 114,3
|
|
Тормозной диск
ROTINGER RT 2877-GL T3
Тип тормозного диска : перфорированный
Тип тормозного диска : вентилируемый
Поверхность : с гальваническим покрытием
Сторона установки : передний мост
Наружный диаметр [мм] : 278
Внутренний диаметр : 139,9
Диаметр центрирования [мм] : 72
Высота [мм] : 48,5
Толщина тормозного диска (мм) : 25
Минимальная толщина [мм] : 23
Количество отверстий : 5
Размер резьбы : 13,7
Вес [кг] : 7,1
Ø фаски [мм] : 114,3
|
|
Тормозной диск
ROTINGER RT 2877-GL T5
Тип тормозного диска : перфорированный
Тип тормозного диска : вентилируемый
Поверхность : с гальваническим покрытием
Сторона установки : передний мост
Наружный диаметр [мм] : 278
Внутренний диаметр : 139,9
Диаметр центрирования [мм] : 72
Высота [мм] : 48,5
Толщина тормозного диска (мм) : 25
Минимальная толщина [мм] : 23
Количество отверстий : 5
Размер резьбы : 13,7
Вес [кг] : 7,1
Ø фаски [мм] : 114,3
|
|
Тормозной диск
ROTINGER RT 2877-GL T6
Тип тормозного диска : вентилируемый
Поверхность : с гальваническим покрытием
Сторона установки : передний мост
Наружный диаметр [мм] : 278
Внутренний диаметр : 139,9
Диаметр центрирования [мм] : 72
Высота [мм] : 48,5
Толщина тормозного диска (мм) : 25
Минимальная толщина [мм] : 23
Количество отверстий : 5
Размер резьбы : 13,7
Вес [кг] : 7,1
Ø фаски [мм] : 114,3
|
|
Тормозной диск
ROTINGER RT 2877-GL T9
Тип тормозного диска : вентилируемый
Поверхность : с гальваническим покрытием
Сторона установки : передний мост
Наружный диаметр [мм] : 278
Внутренний диаметр : 139,9
Диаметр центрирования [мм] : 72
Высота [мм] : 48,5
Толщина тормозного диска (мм) : 25
Минимальная толщина [мм] : 23
Количество отверстий : 5
Размер резьбы : 13,7
Вес [кг] : 7,1
Ø фаски [мм] : 114,3
|
|
Тормозной диск
ROTINGER RT 2964
Тип тормозного диска : вентилируемый
Сторона установки : передний мост
Наружный диаметр [мм] : 300
Внутренний диаметр : 139,8
Диаметр центрирования [мм] : 72
Высота [мм] : 48,5
Толщина тормозного диска (мм) : 25
Минимальная толщина [мм] : 23
Количество отверстий : 5
Размер резьбы : 13,7
Вес [кг] : 8
Ø фаски [мм] : 114,3
|
|
Тормозной диск
ROTINGER RT 2964-GL
Тип тормозного диска : вентилируемый
Поверхность : с гальваническим покрытием
Сторона установки : передний мост
Наружный диаметр [мм] : 300
Внутренний диаметр : 139,8
Диаметр центрирования [мм] : 72
Высота [мм] : 48,5
Толщина тормозного диска (мм) : 25
Минимальная толщина [мм] : 23
Количество отверстий : 5
Размер резьбы : 13,7
Вес [кг] : 8
Ø фаски [мм] : 114,3
|
|
Тормозной диск
ROTINGER RT 2964-GL T3
Тип тормозного диска : вентилируемый
Тип тормозного диска : перфорированный
Поверхность : с гальваническим покрытием
Сторона установки : передний мост
Наружный диаметр [мм] : 300
Внутренний диаметр : 139,8
Диаметр центрирования [мм] : 72
Высота [мм] : 48,5
Толщина тормозного диска (мм) : 25
Минимальная толщина [мм] : 23
Количество отверстий : 5
Размер резьбы : 13,7
Вес [кг] : 8
Ø фаски [мм] : 114,3
|
|
Тормозной диск
ROTINGER RT 2964-GL T5
Тип тормозного диска : перфорированный
Тип тормозного диска : вентилируемый
Поверхность : с гальваническим покрытием
Сторона установки : передний мост
Наружный диаметр [мм] : 300
Внутренний диаметр : 139,8
Диаметр центрирования [мм] : 72
Высота [мм] : 48,5
Толщина тормозного диска (мм) : 25
Минимальная толщина [мм] : 23
Количество отверстий : 5
Размер резьбы : 13,7
Вес [кг] : 8
Ø фаски [мм] : 114,3
|
|
Тормозной диск
ROTINGER RT 2964-GL T6
Тип тормозного диска : вентилируемый
Поверхность : с гальваническим покрытием
Сторона установки : передний мост
Наружный диаметр [мм] : 300
Внутренний диаметр : 139,8
Диаметр центрирования [мм] : 72
Высота [мм] : 48,5
Толщина тормозного диска (мм) : 25
Минимальная толщина [мм] : 23
Количество отверстий : 5
Размер резьбы : 13,7
Вес [кг] : 8
Ø фаски [мм] : 114,3
|
|
Тормозной диск
ROTINGER RT 2964-GL T9
Тип тормозного диска : вентилируемый
Поверхность : с гальваническим покрытием
Сторона установки : передний мост
Наружный диаметр [мм] : 300
Внутренний диаметр : 139,8
Диаметр центрирования [мм] : 72
Высота [мм] : 48,5
Толщина тормозного диска (мм) : 25
Минимальная толщина [мм] : 23
Количество отверстий : 5
Размер резьбы : 13,7
Вес [кг] : 8
Ø фаски [мм] : 114,3
|
|
Тормозной диск
SAKURA 604-30-3690
Сторона установки : передний мост
Толщина тормозного диска (мм) : 25
Высота [мм] : 48,5
Диаметр центрирования [мм] : 72
Номер продукции : S6043690
Наружный диаметр [мм] : 278
Тип тормозного диска : вентилируемый
|
|
Тормозной диск
SAKURA 604-30-3691
Сторона установки : передний мост
Толщина тормозного диска (мм) : 25
Высота [мм] : 48,5
Диаметр центрирования [мм] : 72
Номер продукции : S6043691
Наружный диаметр [мм] : 300
Тип тормозного диска : вентилируемый
|
|
Тормозной диск
SAKURA 605-30-3601
Сторона установки : Задний мост
Толщина тормозного диска (мм) : 11
Высота [мм] : 40,8
Диаметр центрирования [мм] : 72
Номер продукции : S6053601
Наружный диаметр [мм] : 280
Тип тормозного диска : цельный
|
|
Тормозной диск
SAKURA 6053602
Сторона установки : Задний мост
Толщина тормозного диска (мм) : 11
Высота [мм] : 40,8
Диаметр центрирования [мм] : 72
Номер продукции : S6053602
Наружный диаметр [мм] : 302
Тип тормозного диска : цельный
|
|
Тормозной диск
SAMKO M5003V
Диаметр центрирования [мм] : 72
Высота [мм] : 48,7
Тип тормозного диска : вентилируемый
Толщина тормозного диска (мм) : 25
Минимальная толщина [мм] : 23
Наружный диаметр [мм] : 278
Количество отверстий : 5
|
|
Тормозной диск
SAMKO M5003VR
Толщина тормозного диска (мм) : 25
Тип тормозного диска : вентилируемый
Высота [мм] : 48,7
Наружный диаметр [мм] : 278
Количество отверстий : 5
Диаметр центрирования [мм] : 72
Поверхность : с покрытием
Минимальная толщина [мм] : 23
|
|
Тормозной диск
SAMKO M5006V
Наружный диаметр [мм] : 300
Минимальная толщина [мм] : 23
Толщина тормозного диска (мм) : 25
Диаметр центрирования [мм] : 72
Количество отверстий : 5
Тип тормозного диска : вентилируемый
Высота [мм] : 48,5
|
|
Тормозной диск
SAMKO M5006VR
Толщина тормозного диска (мм) : 25
Количество отверстий : 5
Поверхность : с покрытием
Диаметр центрирования [мм] : 72
Минимальная толщина [мм] : 23
Высота [мм] : 48,5
Тип тормозного диска : вентилируемый
Наружный диаметр [мм] : 300
|
|
Тормозной диск
SAMKO M5007P
Минимальная толщина [мм] : 9
Наружный диаметр [мм] : 280
Диаметр центрирования [мм] : 72
Толщина тормозного диска (мм) : 11
Высота [мм] : 40,8
Тип тормозного диска : цельный
Количество отверстий : 5
|
|
Тормозной диск
SAMKO M5007PR
Минимальная толщина [мм] : 9
Поверхность : с покрытием
Диаметр центрирования [мм] : 72
Наружный диаметр [мм] : 280
Толщина тормозного диска (мм) : 11
Тип тормозного диска : цельный
Высота [мм] : 40,8
Количество отверстий : 5
|
|
Тормозной диск
SAMKO M5015P
Количество отверстий : 5
Диаметр центрирования [мм] : 72
Толщина тормозного диска (мм) : 11
Высота [мм] : 41,7
Тип тормозного диска : цельный
Минимальная толщина [мм] : 9
Наружный диаметр [мм] : 302
|
|
Тормозной диск
SAMKO M5015PR
Минимальная толщина [мм] : 9
Поверхность : с покрытием
Диаметр центрирования [мм] : 72
Наружный диаметр [мм] : 302
Толщина тормозного диска (мм) : 11
Тип тормозного диска : цельный
Высота [мм] : 41,7
Количество отверстий : 5
|
|
Тормозной диск
SASIC 6106353
Сторона установки : передний мост
Тип тормозного диска : вентилируемый
Наружный диаметр [мм] : 278
Толщина тормозного диска (мм) : 25
Высота [мм] : 48,5
Ø фаски [мм] : 72
Количество отверстий : 5
для оригинального номера : BP4Y3325XD
Дополнительный артикул / дополнительная информация 2 : без колесного подшипника
заменяется только попарно :
|
|
Тормозной диск
SASIC 6106113
Сторона установки : передний мост
Тип тормозного диска : вентилируемый
Наружный диаметр [мм] : 300
Толщина тормозного диска (мм) : 25
Высота [мм] : 48,5
Ø фаски [мм] : 72
Количество отверстий : 5
для оригинального номера : C26Y3325XC
Дополнительный артикул / дополнительная информация 2 : без колесного подшипника
заменяется только попарно :
|
|
Тормозной диск
SKF VKBD 80273 V2
Тип тормозного диска : вентилируемый
Наружный диаметр [мм] : 300
Толщина тормозного диска (мм) : 25
Высота [мм] : 48,5
Ø фаски [мм] : 114,3
Диаметр центрирования [мм] : 72
Количество отверстий : 5
Поверхность : с покрытием
Минимальная толщина [мм] : 23
|
|
Тормозной диск
SKF VKBD 80314 V2
Тип тормозного диска : вентилируемый
Наружный диаметр [мм] : 278
Толщина тормозного диска (мм) : 25
Высота [мм] : 48,5
Ø фаски [мм] : 114,3
Диаметр центрирования [мм] : 72
Количество отверстий : 5
Поверхность : с покрытием
Минимальная толщина [мм] : 23
|
|
Тормозной диск
SKF VKBD 90303 S2
Тип тормозного диска : цельный
Наружный диаметр [мм] : 280
Толщина тормозного диска (мм) : 11
Высота [мм] : 41,1
Ø фаски [мм] : 114,3
Диаметр центрирования [мм] : 72,1
Количество отверстий : 5
Поверхность : с покрытием
Минимальная толщина [мм] : 9
|
|
Тормозной диск
SKF VKBD 90777 S2
Тип тормозного диска : цельный
Наружный диаметр [мм] : 302
Толщина тормозного диска (мм) : 11
Высота [мм] : 41
Ø фаски [мм] : 114,3
Диаметр центрирования [мм] : 72
Количество отверстий : 5
Поверхность : с покрытием
Минимальная толщина [мм] : 9
|
|
Тормозной диск
Stark SKBD-0020110
Толщина тормозного диска (мм) : 25
Наружный диаметр [мм] : 278
Минимальная толщина [мм] : 23
Высота [мм] : 48,5
Расположение/число отверстий : 05/05
Ø фаски [мм] : 114,3
Диаметр центрирования [мм] : 72
Дополнительный артикул / дополнительная информация 2 : без ступицы
Дополнительный артикул / дополнительная информация 2 : без колесной крепящей оси
Внутренний диаметр : 140
Диаметр отверстия под шпильку колеса [мм] : 14
Поверхность : без покрытия
Тип тормозного диска : вентилируемый
|
|
Тормозной диск
Stark SKBD-0020123
Толщина тормозного диска (мм) : 11
Тип тормозного диска : цельный
Минимальная толщина [мм] : 9
Высота [мм] : 40,9
Расположение/число отверстий : 05/05
Ø фаски [мм] : 114,3
Диаметр центрирования [мм] : 72
Дополнительный артикул / дополнительная информация 2 : без ступицы
Дополнительный артикул / дополнительная информация 2 : без колесной крепящей оси
Внутренний диаметр : 154
Диаметр отверстия [мм] : 14
Наружный диаметр [мм] : 280
Поверхность : без покрытия
|
|
Тормозной диск
Stark SKBD-0020174
Толщина тормозного диска (мм) : 25
Тип тормозного диска : вентилируемый
Минимальная толщина [мм] : 23
Высота [мм] : 48,5
Расположение/число отверстий : 05/05
Ø фаски [мм] : 114,3
Диаметр центрирования [мм] : 72
Вес [кг] : 8,1
Дополнительный артикул / дополнительная информация 2 : без ступицы
Дополнительный артикул / дополнительная информация 2 : без колесной крепящей оси
Внутренний диаметр : 140
Диаметр отверстия до [мм] : 13,8
Сторона установки : передний мост
Наружный диаметр [мм] : 300
|
|
Тормозной диск
Stark SKBD-0020178
Толщина тормозного диска (мм) : 11
Тип тормозного диска : цельный
Минимальная толщина [мм] : 9
Высота [мм] : 41
Расположение/число отверстий : 5
Ø фаски [мм] : 114,3
Диаметр центрирования [мм] : 72
Вес [кг] : 4,9
Дополнительный артикул / дополнительная информация 2 : без ступицы
Дополнительный артикул / дополнительная информация 2 : без колесной крепящей оси
Внутренний диаметр : 153
Диаметр отверстия [мм] : 13,8
Наружный диаметр [мм] : 302
|
|
Тормозной диск
STELLOX 6020-1129-SX
Наружный диаметр [мм] : 280
Толщина тормозного диска (мм) : 11
Высота [мм] : 40,8
Диаметр центрирования [мм] : 72
Количество отверстий : 5
Ø фаски [мм] : 14
Минимальная толщина [мм] : 9
Тип тормозного диска : цельный
Внутренний диаметр : 154
Поверхность : с покрытием
Сторона установки : Задний мост
|
|
Тормозной диск
STELLOX 6020-1129K-SX
Наружный диаметр [мм] : 280
Толщина тормозного диска (мм) : 11
Тип тормозного диска : цельный
Сторона установки : Задний мост
|
|
Тормозной диск
STELLOX 6020-1422-SX
Наружный диаметр [мм] : 302
Толщина тормозного диска (мм) : 11
Высота [мм] : 41
Диаметр центрирования [мм] : 72
Количество отверстий : 5
Минимальная толщина [мм] : 9
Тип тормозного диска : цельный
Сторона установки : Задний мост
|
|
Тормозной диск
STELLOX 6020-3251V-SX
Наружный диаметр [мм] : 278
Толщина тормозного диска (мм) : 25
Количество отверстий : 5
Ø фаски [мм] : 14
Тип тормозного диска : вентилируемый
Сторона установки : передний мост
|
|
Тормозной диск
STELLOX 6020-3251VK-SX
Наружный диаметр [мм] : 278
Толщина тормозного диска (мм) : 24,9
Тип тормозного диска : вентилируемый
Сторона установки : передний мост
|
|
Тормозной диск
STELLOX 6020-3253V-SX
Наружный диаметр [мм] : 300
Толщина тормозного диска (мм) : 25
Тип тормозного диска : вентилируемый
Сторона установки : передний мост
|
|
Тормозной диск
STELLOX 6020-3253VK-SX
Наружный диаметр [мм] : 300
Толщина тормозного диска (мм) : 24,9
Тип тормозного диска : вентилируемый
Сторона установки : передний мост
|
|
Тормозной диск
SWAG 33 10 7140
Толщина тормозного диска (мм) : 11
Число отверстий в диске колеса : 5
Толщина [мм] : 40,7
Наружный диаметр [мм] : 302
Ø фаски [мм] : 114,3
Поверхность : с покрытием
Тип тормозного диска : цельный
Сторона установки : Задний мост
Минимальная толщина [мм] : 9
Диаметр центрирования [мм] : 72
|
|
Тормозной диск
SWAG 83 93 2765
Толщина тормозного диска (мм) : 25
Число отверстий в диске колеса : 5
Толщина [мм] : 48,4
Наружный диаметр [мм] : 278
Ø фаски [мм] : 114,3
Поверхность : с покрытием
Тип тормозного диска : вентилируемый
Сторона установки : передний мост
Минимальная толщина [мм] : 23
Диаметр центрирования [мм] : 72
|
|
Тормозной диск
SWAG 83 93 2770
Толщина тормозного диска (мм) : 25
Число отверстий в диске колеса : 5
Толщина [мм] : 48,4
Наружный диаметр [мм] : 300
Ø фаски [мм] : 114,3
Поверхность : с покрытием
Тип тормозного диска : вентилируемый
Сторона установки : передний мост
Минимальная толщина [мм] : 23
Диаметр центрирования [мм] : 72
|
|
Тормозной диск
SWAG 83 93 2775
Толщина тормозного диска (мм) : 11
Число отверстий в диске колеса : 5
Толщина [мм] : 40,7
Наружный диаметр [мм] : 280
Ø фаски [мм] : 114,3
Поверхность : с покрытием
Тип тормозного диска : цельный
Сторона установки : Задний мост
Минимальная толщина [мм] : 9
Диаметр центрирования [мм] : 72
|
|
Тормозной диск
TEXTAR 92130303
Тип тормозного диска : вентилируемый
Наружный диаметр [мм] : 278
Толщина тормозного диска (мм) : 25
Высота [мм] : 48,5
Минимальная толщина [мм] : 23
Поверхность : с покрытием
Внутренний диаметр : 140
Ø фаски [мм] : 114,3
Диаметр центрирования [мм] : 72
Расположение/число отверстий : 05/05
Диаметр отверстия под шпильку колеса [мм] : 13,8
Дополнительный артикул / дополнительная информация 2 : без ступицы
Дополнительный артикул / дополнительная информация 2 : без колесного подшипника
Дополнительный артикул / дополнительная информация 2 : без колесной крепящей оси
Длина упаковки [см] : 30,8
Ширина упаковки [см] : 30,8
Высота упаковки [см] : 12,7
Вес [кг] : 7,1
|
|
Тормозной диск
TEXTAR 92130403
Тип тормозного диска : вентилируемый
Наружный диаметр [мм] : 300
Толщина тормозного диска (мм) : 25
Высота [мм] : 48,5
Минимальная толщина [мм] : 23
Поверхность : с покрытием
Внутренний диаметр : 139,9
Ø фаски [мм] : 114,3
Диаметр центрирования [мм] : 72
Расположение/число отверстий : 05/05
Диаметр отверстия под шпильку колеса [мм] : 13,8
Дополнительный артикул / дополнительная информация 2 : без ступицы
Дополнительный артикул / дополнительная информация 2 : без колесного подшипника
Дополнительный артикул / дополнительная информация 2 : без колесной крепящей оси
Длина упаковки [см] : 30,8
Ширина упаковки [см] : 30,8
Высота упаковки [см] : 12,7
Вес [кг] : 8,1
|
|
Тормозной диск
TEXTAR 92130600
Тип тормозного диска : цельный
Наружный диаметр [мм] : 280
Толщина тормозного диска (мм) : 11
Высота [мм] : 40,9
Минимальная толщина [мм] : 9
Внутренний диаметр : 153,2
Ø фаски [мм] : 114,3
Диаметр центрирования [мм] : 72
Расположение/число отверстий : 05/05
Диаметр отверстия под шпильку колеса [мм] : 14
Дополнительный артикул / дополнительная информация 2 : без ступицы
Дополнительный артикул / дополнительная информация 2 : без колесного подшипника
Дополнительный артикул / дополнительная информация 2 : без колесной крепящей оси
Длина упаковки [см] : 29,3
Ширина упаковки [см] : 29,3
Высота упаковки [см] : 10,5
Вес [кг] : 4,4
|
|
Тормозной диск
TEXTAR 92148200
Тип тормозного диска : цельный
Наружный диаметр [мм] : 302
Толщина тормозного диска (мм) : 11
Высота [мм] : 41
Минимальная толщина [мм] : 9
Внутренний диаметр : 153
Ø фаски [мм] : 114,3
Диаметр центрирования [мм] : 72
Расположение/число отверстий : 05/05
Диаметр отверстия под шпильку колеса [мм] : 13,8
Дополнительный артикул / дополнительная информация 2 : без ступицы
Дополнительный артикул / дополнительная информация 2 : без колесного подшипника
Дополнительный артикул / дополнительная информация 2 : без колесной крепящей оси
Длина упаковки [см] : 31,3
Ширина упаковки [см] : 31,3
Высота упаковки [см] : 10
Вес [кг] : 4,9
|
|
Тормозной диск
TOMEX Brakes TX 73-18
Сторона установки : передний мост
Тип тормозного диска : вентилируемый
Толщина тормозного диска (мм) : 25
Наружный диаметр [мм] : 278
Высота [мм] : 48,5
Количество отверстий : 5
Диаметр центрирования [мм] : 72
Ø фаски [мм] : 114,3
Поверхность : лакированный
Вес [кг] : 14,2
Размер резьбы : 14
Минимальная толщина [мм] : 23
|
|
Тормозной диск
TOMEX Brakes TX 73-19
Сторона установки : передний мост
Тип тормозного диска : вентилируемый
Толщина тормозного диска (мм) : 25
Наружный диаметр [мм] : 300
Высота [мм] : 48,5
Количество отверстий : 5
Диаметр центрирования [мм] : 72
Ø фаски [мм] : 114,3
Поверхность : лакированный
Вес [кг] : 16,1
Размер резьбы : 14
Минимальная толщина [мм] : 23
|
|
Тормозной диск
TOMEX Brakes TX 73-21
Сторона установки : Задний мост
Тип тормозного диска : цельный
Толщина тормозного диска (мм) : 11
Наружный диаметр [мм] : 302
Высота [мм] : 41
Количество отверстий : 5
Диаметр центрирования [мм] : 72
Ø фаски [мм] : 114,3
Поверхность : лакированный
Вес [кг] : 10,45
Размер резьбы : 13,8
Минимальная толщина [мм] : 9
|
|
Тормозной диск
TRIALLI DF 190139
Тип тормозного диска : цельный
Сторона установки : Задний мост
Наружный диаметр [мм] : 302
Высота [мм] : 41
Толщина тормозного диска (мм) : 11
Минимальная толщина [мм] : 9
Диаметр центрирования [мм] : 72
Количество крепежных отверстий : 5
Ø фаски [мм] : 114,3
|
|
Тормозной диск
TRIALLI DF 250101
Сторона установки : передний мост
Тип тормозного диска : вентилируемый
Толщина тормозного диска (мм) : 25
Наружный диаметр [мм] : 278
Ø фаски [мм] : 114,3
Количество отверстий : 5
ненаправленные тормозные колодки :
Высота [мм] : 48,5
Диаметр отверстия [мм] : 13,8
Диаметр центрирования [мм] : 72
Минимальная толщина [мм] : 23
Количество : 2
|
|
Тормозной диск
TRIALLI DF 250102
Сторона установки : Задний мост
Тип тормозного диска : цельный
Толщина тормозного диска (мм) : 10,9
Наружный диаметр [мм] : 278
Ø фаски [мм] : 114,3
Количество отверстий : 5
ненаправленные тормозные колодки :
Высота [мм] : 40,9
Диаметр отверстия [мм] : 13,7
Диаметр центрирования [мм] : 72
Минимальная толщина [мм] : 9
Количество : 2
|
|
Тормозной диск
TRISCAN 8120 50140C
Наружный диаметр [мм] : 278
Диаметр центрирования [мм] : 72
Тип тормозного диска : вентилируемый
Высота [мм] : 48,5
Количество отверстий : 5
Поверхность : с покрытием
Толщина тормозного диска (мм) : 25
Минимальная толщина [мм] : 23
|
|
Тормозной диск
TRISCAN 8120 50142C
Наружный диаметр [мм] : 300
Диаметр центрирования [мм] : 72
Тип тормозного диска : вентилируемый
Высота [мм] : 48,5
Количество отверстий : 5
Поверхность : с покрытием
Толщина тормозного диска (мм) : 25
Минимальная толщина [мм] : 23
|
|
Тормозной диск
TRISCAN 8120 50141C
Наружный диаметр [мм] : 280
Тип тормозного диска : цельный
Количество отверстий : 5
Поверхность : с покрытием
Толщина тормозного диска (мм) : 11
Минимальная толщина [мм] : 9
|
|
Тормозной диск
TRISCAN 8120 50153C
Наружный диаметр [мм] : 302
Диаметр центрирования [мм] : 72
Тип тормозного диска : цельный
Высота [мм] : 40,6
Количество отверстий : 5
Толщина тормозного диска (мм) : 10,8
Минимальная толщина [мм] : 9
|
|
Тормозной диск
TRUSTING DF227
проверочное значение : ECE-R90
Высота [мм] : 48,5
Тип тормозного диска : вентилируемый
Толщина тормозного диска (мм) : 25
Наружный диаметр [мм] : 278
Количество отверстий : 5
Диаметр центрирования [мм] : 72
Поверхность : лакированный
|
|
Тормозной диск
TRUSTING DF962
проверочное значение : ECE-R90
Высота [мм] : 40,8
Тип тормозного диска : цельный
Толщина тормозного диска (мм) : 11
Наружный диаметр [мм] : 280
Количество отверстий : 5
Диаметр центрирования [мм] : 72
Поверхность : лакированный
|
|
Тормозной диск
TRW DF4384
Минимальная толщина [мм] : 23
Тип тормозного диска : вентилируемый
Наружный диаметр [мм] : 278
Толщина тормозного диска (мм) : 25
Диаметр центрирования [мм] : 72
Высота [мм] : 48,5
Размер резьбы : 14
Количество отверстий : 5
Ø фаски [мм] : 114,3
Цвет : чёрный
Поверхность : лакированный
проверочное значение : E190R-02C0176/0065
SVHC : Нет информации, обратитесь, пожалуйста, к производителю!
|
|
Тормозной диск
TRW DF4385
Тип тормозного диска : вентилируемый
Наружный диаметр [мм] : 300
Толщина тормозного диска (мм) : 25
Минимальная толщина [мм] : 23
Количество отверстий : 5
Высота [мм] : 48,5
Диаметр центрирования [мм] : 72
Размер резьбы : 14
Ø фаски [мм] : 114,3
Цвет : чёрный
Поверхность : лакированный
проверочное значение : E190R-02C0176/0199
SVHC : Нет информации, обратитесь, пожалуйста, к производителю!
|
|
Тормозной диск
TRW DF4420
Размер резьбы : 13,7
Тип тормозного диска : цельный
Толщина тормозного диска (мм) : 11
Наружный диаметр [мм] : 280
Ø фаски [мм] : 110
Количество отверстий : 5
Минимальная толщина [мм] : 9
Высота [мм] : 40,8
Диаметр центрирования [мм] : 72
Цвет : чёрный
Поверхность : лакированный
проверочное значение : E1 90R-02 C0190/0525
SVHC : Нет информации, обратитесь, пожалуйста, к производителю!
|
|
Тормозной диск
TRW DF4468
Поверхность : лакированный
Размер резьбы : 13,8
Наружный диаметр [мм] : 302
Толщина тормозного диска (мм) : 11
Минимальная толщина [мм] : 9
Высота [мм] : 41
Количество отверстий : 5
Диаметр центрирования [мм] : 72
Ø фаски [мм] : 114,3
Тип тормозного диска : цельный
Цвет : чёрный
проверочное значение : E1 90R-02 C0190/0599
SVHC : Нет информации, обратитесь, пожалуйста, к производителю!
|
|
Тормозной диск
ZEKKERT BS-5252
Тип тормозного диска : вентилируемый
Наружный диаметр [мм] : 278
Высота [мм] : 49
Толщина тормозного диска (мм) : 25
Минимальная толщина [мм] : 23
Количество отверстий : 5
Диаметр центрирования [мм] : 72
Диаметр расположения крепёжных отверстий ступицы [мм] : 114,3
Номера артикулов рекомендуемых комплектующих : CP-1105
Номера артикулов рекомендуемых комплектующих : CP-1205
Номера артикулов рекомендуемых комплектующих : CP-1305
Номера артикулов рекомендуемых комплектующих : CP-1965
Номера артикулов рекомендуемых комплектующих : FK-2005
Номера артикулов рекомендуемых комплектующих : FK-2010
Вес [кг] : 7,32
|
|
Тормозной диск
ZEKKERT BS-5252B
Тип тормозного диска : вентилируемый
Наружный диаметр [мм] : 278
Высота [мм] : 48,5
Толщина тормозного диска (мм) : 25
Минимальная толщина [мм] : 23
Количество отверстий : 5
Диаметр центрирования [мм] : 72
Диаметр расположения крепёжных отверстий ступицы [мм] : 149
Номера артикулов рекомендуемых комплектующих : CP-1105
Номера артикулов рекомендуемых комплектующих : CP-1205
Номера артикулов рекомендуемых комплектующих : CP-1305
Номера артикулов рекомендуемых комплектующих : CP-1965
Номера артикулов рекомендуемых комплектующих : FK-2005
Номера артикулов рекомендуемых комплектующих : FK-2010
Вес [кг] : 7,58
|
|
Тормозной диск
ZEKKERT BS-5253
Тип тормозного диска : вентилируемый
Наружный диаметр [мм] : 300
Высота [мм] : 48
Толщина тормозного диска (мм) : 25
Минимальная толщина [мм] : 23
Количество отверстий : 5
Диаметр центрирования [мм] : 72
Диаметр расположения крепёжных отверстий ступицы [мм] : 114,3
Номера артикулов рекомендуемых комплектующих : CP-1105
Номера артикулов рекомендуемых комплектующих : CP-1205
Номера артикулов рекомендуемых комплектующих : CP-1305
Номера артикулов рекомендуемых комплектующих : CP-1965
Номера артикулов рекомендуемых комплектующих : FK-2005
Номера артикулов рекомендуемых комплектующих : FK-2010
Вес [кг] : 8,43
|
|
Тормозной диск
ZEKKERT BS-5254
Тип тормозного диска : цельный
Наружный диаметр [мм] : 280
Высота [мм] : 41
Толщина тормозного диска (мм) : 11
Минимальная толщина [мм] : 8,4
Количество отверстий : 5
Диаметр центрирования [мм] : 72
Диаметр расположения крепёжных отверстий ступицы [мм] : 114,3
Номера артикулов рекомендуемых комплектующих : CP-1105
Номера артикулов рекомендуемых комплектующих : CP-1205
Номера артикулов рекомендуемых комплектующих : CP-1305
Номера артикулов рекомендуемых комплектующих : CP-1965
Номера артикулов рекомендуемых комплектующих : FK-2005
Номера артикулов рекомендуемых комплектующих : FK-2010
Вес [кг] : 4,88
|
|
Тормозной диск
ZEKKERT BS-5928
Тип тормозного диска : цельный
Наружный диаметр [мм] : 302
Высота [мм] : 41
Толщина тормозного диска (мм) : 11
Минимальная толщина [мм] : 9
Количество отверстий : 5
Диаметр центрирования [мм] : 72,1
Диаметр расположения крепёжных отверстий ступицы [мм] : 114,3
Номера артикулов рекомендуемых комплектующих : CP-1105
Номера артикулов рекомендуемых комплектующих : CP-1205
Номера артикулов рекомендуемых комплектующих : CP-1305
Номера артикулов рекомендуемых комплектующих : CP-1965
Номера артикулов рекомендуемых комплектующих : FK-2005
Номера артикулов рекомендуемых комплектующих : FK-2010
Вес [кг] : 5,4
|
|
Тормозной диск
ZIMMERMANN 370.3076.20
Сторона установки : передний мост
Тип тормозного диска : вентилируемый
Обработка : Высокоуглеродистый
Поверхность : с покрытием
Наружный диаметр [мм] : 278
Толщина тормозного диска (мм) : 25
Высота [мм] : 48
Число отверстий в диске колеса : 5
Ø фаски [мм] : 114
Диаметр центрирования [мм] : 72
проверочное значение : ECE R90 APPROVED
Минимальная толщина [мм] : 23
Расположение/число отверстий : 5/5
Вес [кг] : 7,06
|
|
Тормозной диск
ZIMMERMANN 370.3076.52
Сторона установки : передний мост
Тип тормозного диска : вентилируемый
Тип тормозного диска : перфорированный
Обработка : Высокоуглеродистый
Поверхность : с покрытием
Наружный диаметр [мм] : 278
Толщина тормозного диска (мм) : 25
Высота [мм] : 48
Число отверстий в диске колеса : 5
Ø фаски [мм] : 114
Диаметр центрирования [мм] : 72
проверочное значение : KBA 60872
Минимальная толщина [мм] : 23
Расположение/число отверстий : 5/5
Вес [кг] : 7,06
|
|
Тормозной диск
ZIMMERMANN 370.3077.20
Сторона установки : передний мост
Тип тормозного диска : вентилируемый
Поверхность : с покрытием
Наружный диаметр [мм] : 300
Толщина тормозного диска (мм) : 25
Высота [мм] : 48
Число отверстий в диске колеса : 5
Ø фаски [мм] : 114
Диаметр центрирования [мм] : 72
проверочное значение : ECE R90 APPROVED
Минимальная толщина [мм] : 23
Расположение/число отверстий : 5/5
Вес [кг] : 8,1
|
|
Тормозной диск
ZIMMERMANN 370.3077.52
Сторона установки : передний мост
Тип тормозного диска : вентилируемый
Тип тормозного диска : перфорированный
Поверхность : с покрытием
Наружный диаметр [мм] : 300
Толщина тормозного диска (мм) : 25
Высота [мм] : 48
Число отверстий в диске колеса : 5
Ø фаски [мм] : 114
Диаметр центрирования [мм] : 72
проверочное значение : ECE R90 APPROVED
Минимальная толщина [мм] : 23
Расположение/число отверстий : 5/5
Вес [кг] : 8,1
|
|
Тормозной диск
ZIMMERMANN 370.3079.20
Сторона установки : Задний мост
Тип тормозного диска : цельный
Поверхность : с покрытием
Наружный диаметр [мм] : 280
Толщина тормозного диска (мм) : 11
Высота [мм] : 41
Число отверстий в диске колеса : 5
Ø фаски [мм] : 114
Диаметр центрирования [мм] : 72
проверочное значение : ECE R90 APPROVED
Минимальная толщина [мм] : 9
Расположение/число отверстий : 5/5
Вес [кг] : 4,4
|
|
Тормозной диск
ZIMMERMANN 370.3079.52
Сторона установки : Задний мост
Тип тормозного диска : цельный
Тип тормозного диска : перфорированный
Поверхность : с покрытием
Наружный диаметр [мм] : 280
Толщина тормозного диска (мм) : 11
Высота [мм] : 41
Число отверстий в диске колеса : 5
Ø фаски [мм] : 114
Диаметр центрирования [мм] : 72
проверочное значение : ECE R90 APPROVED
Минимальная толщина [мм] : 9
Расположение/число отверстий : 5/5
Вес [кг] : 4,4
|
|
Тормозной диск
ZIMMERMANN 370.3085.20
Сторона установки : Задний мост
Тип тормозного диска : цельный
Поверхность : с покрытием
Наружный диаметр [мм] : 302
Толщина тормозного диска (мм) : 11
Высота [мм] : 41
Число отверстий в диске колеса : 5
Ø фаски [мм] : 114
Диаметр центрирования [мм] : 72
проверочное значение : ECE R90 APPROVED
Минимальная толщина [мм] : 9
Расположение/число отверстий : 5/5
Вес [кг] : 4,9
|