|
Изображение |
Описание |
|
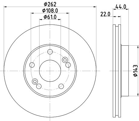
Тормозной диск
A.B.S. 16218
Наружный диаметр [мм] : 262
Толщина тормозного диска (мм) : 22
Минимальная толщина [мм] : 19,8
Высота [мм] : 44
Число отверстий в диске колеса : 5
Тип тормозного диска : вентилируемый
Диаметр центрирования [мм] : 61
Ø фаски [мм] : 108
Поверхность : с покрытием
Диаметр ступицы [мм] : 143
|
|
Тормозной диск
A.B.S. 16219
Наружный диаметр [мм] : 280
Толщина тормозного диска (мм) : 24
Минимальная толщина [мм] : 21,8
Высота [мм] : 44
Число отверстий в диске колеса : 5
Тип тормозного диска : вентилируемый
Диаметр центрирования [мм] : 61
Ø фаски [мм] : 108
Поверхность : с покрытием
Диаметр ступицы [мм] : 151
|
|
Тормозной диск
A.B.S. 16215
Наружный диаметр [мм] : 265
Толщина тормозного диска (мм) : 10,5
Минимальная толщина [мм] : 9,5
Высота [мм] : 44
Число отверстий в диске колеса : 5
Тип тормозного диска : цельный
Диаметр центрирования [мм] : 66
Ø фаски [мм] : 108
Поверхность : с покрытием
Диаметр ступицы [мм] : 160
|
|
Тормозной диск
ABE C3R008ABE
Толщина тормозного диска (мм) : 24
Минимальная толщина [мм] : 21,8
Тип тормозного диска : вентилируемый
Количество отверстий : 5
Обработка : легированный/высокоуглеродистый
Высота [мм] : 44
Диаметр центрирования [мм] : 61
Внутренний диаметр : 140
Ø фаски [мм] : 108
Диаметр отверстия [мм] : 15,5
Сторона установки : передний мост
Наружный диаметр [мм] : 280
|
|
Тормозной диск
ABE C3R013ABE
Тип тормозного диска : вентилируемый
Толщина тормозного диска (мм) : 22
Минимальная толщина [мм] : 19,8
Диаметр центрирования [мм] : 61
Высота [мм] : 44
Количество отверстий : 5
Размер резьбы : 15
Ø фаски [мм] : 108
Дополнительный артикул / дополнительная информация 2 : с винтами
Сторона установки : передний мост
Наружный диаметр [мм] : 262
|
|
Тормозной диск
ABE C4R005ABE
Толщина тормозного диска (мм) : 10,5
Минимальная толщина [мм] : 9,5
Тип тормозного диска : цельный
Количество отверстий : 5
Ø фаски [мм] : 108
Высота [мм] : 44,3
Диаметр центрирования [мм] : 66
Внутренний диаметр : 149,6
Диаметр отверстия [мм] : 14,5
Сторона установки : Задний мост
Наружный диаметр [мм] : 265
|
|
Тормозной диск
ADVICS B6F2197
Сторона установки : передний мост
Тип тормозного диска : вентилируемый
Толщина тормозного диска (мм) : 24
Минимальная толщина [мм] : 21,8
Количество отверстий : 5
Высота [мм] : 44
Диаметр центрирования [мм] : 61
Наружный диаметр [мм] : 280
|
|
Тормозной диск
AP 22025 E
Наружный диаметр [мм] : 280
Диаметр центрирования [мм] : 61
Толщина тормозного диска (мм) : 24
Количество отверстий : 5
Минимальная толщина [мм] : 21,8
Момент затяжки [Нм] : 100
Высота [мм] : 44
Дополнительный артикул / дополнительная информация 2 : с винтами
Тип тормозного диска : вентилируемый
Обработка : Высокоуглеродистый
|
|
Тормозной диск
AP 22025 V
Обработка : Высокоуглеродистый
Дополнительный артикул / дополнительная информация 2 : с винтами
Наружный диаметр [мм] : 280
Диаметр центрирования [мм] : 61
Толщина тормозного диска (мм) : 24
Количество отверстий : 5
Минимальная толщина [мм] : 21,8
Момент затяжки [Нм] : 100
Высота [мм] : 44
Поверхность : с покрытием
Тип тормозного диска : вентилируемый
|
|
Тормозной диск
AP X 22025
Дополнительный артикул / дополнительная информация 2 : с винтами
Наружный диаметр [мм] : 280
Диаметр центрирования [мм] : 61
Толщина тормозного диска (мм) : 24
Количество отверстий : 5
Минимальная толщина [мм] : 21,8
Момент затяжки [Нм] : 100
Тип тормозного диска : вентилируемый
Высота [мм] : 44
Поверхность : с покрытием
Тип тормозного диска : с прорезом
Обработка : Высокоуглеродистый
|
|
Тормозной диск
AP 24797
Момент затяжки [Нм] : 110
Минимальная толщина [мм] : 19,8
Дополнительный артикул / дополнительная информация 2 : с винтами
Высота [мм] : 44
Тип тормозного диска : вентилируемый
Диаметр центрирования [мм] : 61
Наружный диаметр [мм] : 262
Количество отверстий : 5
Толщина тормозного диска (мм) : 22
|
|
Тормозной диск
AP 14415
Наружный диаметр [мм] : 265
Количество отверстий : 5
Толщина тормозного диска (мм) : 10,5
Момент затяжки [Нм] : 110
Минимальная толщина [мм] : 9,5
Дополнительный артикул / дополнительная информация 2 : с винтами
Высота [мм] : 44
Тип тормозного диска : цельный
Диаметр центрирования [мм] : 66
|
|
Тормозной диск
ASHIKA 60-00-0523C
Наружный диаметр [мм] : 280
Высота [мм] : 44,2
Тип тормозного диска : вентилируемый
Толщина тормозного диска (мм) : 24
Минимальная толщина [мм] : 21,8
Количество отверстий : 5
Диаметр центрирования [мм] : 61
Поверхность : лакированный
Сторона установки : передний мост
для оригинального номера : 402064230R
|
|
Тормозной диск
ASHIKA 61-00-0707C
Наружный диаметр [мм] : 265
Высота [мм] : 44,4
Тип тормозного диска : цельный
Толщина тормозного диска (мм) : 10,5
Минимальная толщина [мм] : 9,5
Количество отверстий : 5
Поверхность : лакированный
Сторона установки : Задний мост
Момент затяжки [Нм] : 110
для оригинального номера : 7701205845
|
|
Тормозной диск
ATE 24.0110-0220.1
Наружный диаметр [мм] : 265
Толщина тормозного диска (мм) : 10,5
Минимальная толщина [мм] : 9,5
Тип тормозного диска : цельный
Поверхность : с покрытием
Количество отверстий : 5
Ø фаски [мм] : 108
Высота [мм] : 44,3
Диаметр центрирования [мм] : 66
Внутренний диаметр : 149,6
Диаметр отверстия [мм] : 14,5
Код MAPP в наличии :
проверочное значение : E1 90R-02C0165/0687
|
|
Тормозной диск
ATE 24.0124-0171.1
Наружный диаметр [мм] : 280
Толщина тормозного диска (мм) : 24
Минимальная толщина [мм] : 21,8
Тип тормозного диска : вентилируемый
Обработка : легированный/высокоуглеродистый
Поверхность : с покрытием
Количество отверстий : 5
Высота [мм] : 44
Диаметр центрирования [мм] : 61
Внутренний диаметр : 140
Ø фаски [мм] : 108
Диаметр отверстия [мм] : 15,5
Дополнительный артикул / дополнительная информация 2 : с винтами
Код MAPP в наличии :
проверочное значение : E1 90R-02C0118/0275
|
|
Тормозной диск
ATE 24.0324-0171.1
Наружный диаметр [мм] : 280
Толщина тормозного диска (мм) : 24
Минимальная толщина [мм] : 21,8
Тип тормозного диска : вентилируемый
Количество отверстий : 5
Обработка : легированный/высокоуглеродистый
Поверхность : с покрытием
Высота [мм] : 44
Диаметр центрирования [мм] : 61
Внутренний диаметр : 140
Ø фаски [мм] : 108
Диаметр отверстия [мм] : 15,5
Дополнительный артикул / дополнительная информация 2 : с винтами
Код MAPP в наличии :
|
|
Тормозной диск
BARUM BAR24171
Наружный диаметр [мм] : 280
Толщина тормозного диска (мм) : 24
Минимальная толщина [мм] : 21,8
Тип тормозного диска : вентилируемый
Количество отверстий : 5
Обработка : легированный/высокоуглеродистый
Высота [мм] : 44
Диаметр центрирования [мм] : 61
Внутренний диаметр : 140
Ø фаски [мм] : 108
Диаметр отверстия [мм] : 15,6
|
|
Тормозной диск
BOGAP R8211128
Сторона установки : Задний мост
Тип тормозного диска : цельный
Толщина тормозного диска (мм) : 10,5
Наружный диаметр [мм] : 265
|
|
Тормозной диск
BORG & BECK BBD5018
Тип тормозного диска : вентилируемый
Наружный диаметр [мм] : 262
Толщина тормозного диска (мм) : 22
Высота [мм] : 44
Диаметр центрирования [мм] : 61
Количество крепежных отверстий : 2
Количество отверстий : 4
Количественная единица : комплект
Поверхность : с покрытием
проверочное значение : ECE R90 Homologated
Минимальная толщина [мм] : 19,8
|
|
Тормозной диск
BORG & BECK BBD5019
Тип тормозного диска : вентилируемый
Наружный диаметр [мм] : 262
Толщина тормозного диска (мм) : 22
Высота [мм] : 44
Диаметр центрирования [мм] : 61
Количество крепежных отверстий : 2
Количество отверстий : 5
Количественная единица : комплект
Поверхность : с покрытием
проверочное значение : ECE R90 Homologated
Минимальная толщина [мм] : 19,8
|
|
Тормозной диск
BORG & BECK BBD5020
Тип тормозного диска : вентилируемый
Наружный диаметр [мм] : 280
Толщина тормозного диска (мм) : 24
Высота [мм] : 44
Диаметр центрирования [мм] : 61
Количество крепежных отверстий : 2
Количество отверстий : 5
Количественная единица : комплект
Поверхность : с покрытием
проверочное значение : ECE R90 Homologated
Минимальная толщина [мм] : 21,8
|
|
Тормозной диск
BORG & BECK BBD5101
Тип тормозного диска : цельный
Наружный диаметр [мм] : 265
Толщина тормозного диска (мм) : 10,5
Высота [мм] : 44,4
Диаметр центрирования [мм] : 66
Количество крепежных отверстий : 2
Количество отверстий : 4
Количественная единица : комплект
Поверхность : с покрытием
проверочное значение : ECE R90 Homologated
Минимальная толщина [мм] : 9,5
|
|
Тормозной диск
BORG & BECK BBD5102
Тип тормозного диска : цельный
Наружный диаметр [мм] : 265
Толщина тормозного диска (мм) : 10,5
Высота [мм] : 44,4
Диаметр центрирования [мм] : 66
Количество отверстий : 5
Количественная единица : комплект
Поверхность : с покрытием
проверочное значение : ECE R90 Homologated
Минимальная толщина [мм] : 9,5
|
|
Тормозной диск
BOSCH 0 986 478 734
Наружный диаметр [мм] : 280
Толщина тормозного диска (мм) : 24
Минимальная толщина [мм] : 21,8
Высота [мм] : 44
Ø фаски [мм] : 108
Тип тормозного диска : вентилируемый
Диаметр центрирования [мм] : 61,01
Количество отверстий : 5
Поверхность : промасленный
Обработка : Высокоуглеродистый
Дополнительный артикул / дополнительная информация 2 : с винтами
выполняет нормы ЕЭК : ECE-R90
Диаметр отверстия до [мм] : 15,6
Тип тормозного диска : вентилируемый
|
|
Тормозной диск
BOSCH 0 986 478 757
Наружный диаметр [мм] : 264,7
Толщина тормозного диска (мм) : 10,5
Минимальная толщина [мм] : 9,5
Высота [мм] : 44,3
Ø фаски [мм] : 108
Тип тормозного диска : цельный
Диаметр центрирования [мм] : 66
Количество отверстий : 5
Поверхность : промасленный
выполняет нормы ЕЭК : ECE-R90
Диаметр отверстия до [мм] : 15
|
|
Тормозной диск
BOSCH 0 986 478 864
Наружный диаметр [мм] : 262
Толщина тормозного диска (мм) : 22,1
Минимальная толщина [мм] : 19,8
Высота [мм] : 44
Ø фаски [мм] : 108
Тип тормозного диска : вентилируемый
Диаметр центрирования [мм] : 61,2
Количество отверстий : 5
Поверхность : промасленный
Обработка : Высокоуглеродистый
выполняет нормы ЕЭК : ECE-R90
Диаметр отверстия до [мм] : 15,5
|
|
Тормозной диск
BRECO BS 8392
Высота [мм] : 44
Дополнительный артикул / дополнительная информация 2 : с винтами
Тип тормозного диска : вентилируемый
Обработка : Высокоуглеродистый
Наружный диаметр [мм] : 280
Диаметр центрирования [мм] : 61
Толщина тормозного диска (мм) : 24
Количество отверстий : 5
Минимальная толщина [мм] : 21,8
Момент затяжки [Нм] : 100
|
|
Тормозной диск
BRECO BV 8392
Обработка : Высокоуглеродистый
Дополнительный артикул / дополнительная информация 2 : с винтами
Наружный диаметр [мм] : 280
Диаметр центрирования [мм] : 61
Толщина тормозного диска (мм) : 24
Количество отверстий : 5
Минимальная толщина [мм] : 21,8
Момент затяжки [Нм] : 100
Высота [мм] : 44
Поверхность : с покрытием
Тип тормозного диска : вентилируемый
|
|
Тормозной диск
BRECO BS 8423
Минимальная толщина [мм] : 19,8
Дополнительный артикул / дополнительная информация 2 : с винтами
Высота [мм] : 44
Тип тормозного диска : вентилируемый
Диаметр центрирования [мм] : 61
Наружный диаметр [мм] : 262
Количество отверстий : 5
Толщина тормозного диска (мм) : 22
Момент затяжки [Нм] : 110
|
|
Тормозной диск
BRECO BS 7594
Дополнительный артикул / дополнительная информация 2 : с винтами
Высота [мм] : 44
Тип тормозного диска : цельный
Диаметр центрирования [мм] : 66
Наружный диаметр [мм] : 265
Количество отверстий : 5
Толщина тормозного диска (мм) : 10,5
Момент затяжки [Нм] : 110
Минимальная толщина [мм] : 9,5
|
|
Тормозной диск
BREMBO 09.8137.11
Тип тормозного диска : вентилируемый
Толщина тормозного диска (мм) : 24
Количество отверстий : 5
Дополнительный артикул / дополнительная информация 2 : с винтами
Высота [мм] : 44
Диаметр центрирования [мм] : 61
Наружный диаметр [мм] : 280
Обработка : Высокоуглеродистый
Поверхность : с покрытием
Минимальная толщина [мм] : 21,8
Момент затяжки [Нм] : 100
|
|
Тормозной диск
BREMBO 09.8137.14
Тип тормозного диска : вентилируемый
Толщина тормозного диска (мм) : 24
Количество отверстий : 5
Дополнительный артикул / дополнительная информация 2 : с винтами
Высота [мм] : 44
Диаметр центрирования [мм] : 61
Наружный диаметр [мм] : 280
Обработка : Высокоуглеродистый
Минимальная толщина [мм] : 21,8
Момент затяжки [Нм] : 100
|
|
Тормозной диск
BREMBO 09.8137.75
Тип тормозного диска : вентилируемый
Тип тормозного диска : с прорезом
Толщина тормозного диска (мм) : 24
Количество отверстий : 5
Дополнительный артикул / дополнительная информация 2 : с винтами
Высота [мм] : 44
Диаметр центрирования [мм] : 61
Наружный диаметр [мм] : 280
Обработка : Высокоуглеродистый
Поверхность : с покрытием
Минимальная толщина [мм] : 21,8
Момент затяжки [Нм] : 100
|
|
Тормозной диск
BREMBO 09.7292.40
Тип тормозного диска : вентилируемый
Толщина тормозного диска (мм) : 22
Количество отверстий : 5
Дополнительный артикул / дополнительная информация 2 : с винтами
Высота [мм] : 44
Диаметр центрирования [мм] : 61
Наружный диаметр [мм] : 262
Минимальная толщина [мм] : 19,8
Момент затяжки [Нм] : 110
|
|
Тормозной диск
BREMBO 08.5645.50
Тип тормозного диска : цельный
Толщина тормозного диска (мм) : 10,5
Количество отверстий : 5
Дополнительный артикул / дополнительная информация 2 : с винтами
Высота [мм] : 44
Диаметр центрирования [мм] : 66
Наружный диаметр [мм] : 265
Минимальная толщина [мм] : 9,5
Момент затяжки [Нм] : 110
|
|
Тормозной диск
BREMSI CD6556S
Сторона установки : Задний мост
Наружный диаметр [мм] : 265
Тип тормозного диска : цельный
Толщина тормозного диска (мм) : 10,5
Минимальная толщина [мм] : 9,5
Количество отверстий : 5
Момент затяжки [Нм] : 8
|
|
Тормозной диск
BREMSI CD7123V
Сторона установки : передний мост
Наружный диаметр [мм] : 280
Высота [мм] : 44
Тип тормозного диска : вентилируемый
Толщина тормозного диска (мм) : 24
Минимальная толщина [мм] : 21,8
Количество отверстий : 5
Диаметр центрирования [мм] : 61
Момент затяжки [Нм] : 8
Дополнительный артикул / дополнительная информация 2 : с винтами
Поверхность : лакированный
Цвет : чёрный
|
|
Тормозной диск
BREMSI CD7167V
Сторона установки : передний мост
Наружный диаметр [мм] : 262
Высота [мм] : 44
Тип тормозного диска : вентилируемый
Толщина тормозного диска (мм) : 22
Минимальная толщина [мм] : 19,8
Количество отверстий : 5
Диаметр центрирования [мм] : 61
Момент затяжки [Нм] : 8
|
|
Тормозной диск
CAR 142.544
Сторона установки : 1-й передний мост
Тип тормозного диска : цельный
Наружный диаметр [мм] : 280
Толщина тормозного диска (мм) : 24
Высота [мм] : 44
Диаметр центрирования [мм] : 61
Количество отверстий : 5
для артикула № : CAR: 142.544
для артикула № : IB: RN 57 1V
для артикула № : RD: 3360
Минимальная толщина [мм] : 21,8
Вес [кг] : 7,12
|
|
Тормозной диск
CAR 142.559
Сторона установки : 1-й передний мост
Тип тормозного диска : цельный
Наружный диаметр [мм] : 262
Толщина тормозного диска (мм) : 22
Высота [мм] : 44
Диаметр центрирования [мм] : 61
Количество отверстий : 5
для артикула № : CAR: 142.559
для артикула № : IB: RN 32 3V
для артикула № : RD: 3120
Минимальная толщина [мм] : 19,8
Вес [кг] : 5,75
|
|
Тормозной диск
CAR 142.562
Сторона установки : 1-й задний мост
Тип тормозного диска : цельный
Наружный диаметр [мм] : 265
Толщина тормозного диска (мм) : 10,5
Высота [мм] : 44,3
Диаметр центрирования [мм] : 66
Количество отверстий : 5
для артикула № : CAR: 142.562
для артикула № : IB: RN 40 3P
для артикула № : RD: 3204
Минимальная толщина [мм] : 9,5
Вес [кг] : 3,99
|
|
Тормозной диск
CAR HPD 544
Сторона установки : 1-й передний мост
Тип тормозного диска : цельный
Наружный диаметр [мм] : 280
Толщина тормозного диска (мм) : 24
Высота [мм] : 44
Диаметр центрирования [мм] : 61
Количество отверстий : 5
для артикула № : CAR: HPD 544
для артикула № : IB: HRN 57 1V
для артикула № : RD: RR 3360
Минимальная толщина [мм] : 21,8
Вес [кг] : 6,91
|
|
Тормозной диск
CAR HPD 559
Сторона установки : 1-й передний мост
Тип тормозного диска : цельный
Наружный диаметр [мм] : 262
Толщина тормозного диска (мм) : 22
Высота [мм] : 44
Диаметр центрирования [мм] : 61
Количество отверстий : 5
для артикула № : CAR: HPD 559
для артикула № : IB: HRN 32 3V
для артикула № : RD: RR 3120
Минимальная толщина [мм] : 19,8
Вес [кг] : 5,58
|
|
Тормозной диск
CAR HPD 562
Сторона установки : 1-й задний мост
Тип тормозного диска : цельный
Наружный диаметр [мм] : 265
Толщина тормозного диска (мм) : 10,5
Высота [мм] : 44,3
Диаметр центрирования [мм] : 66
Количество отверстий : 5
для артикула № : CAR: HPD 562
для артикула № : IB: HRN 40 3P
для артикула № : RD: RR 3204
Минимальная толщина [мм] : 9,5
Вес [кг] : 3,87
|
|
Тормозной диск
CHAMPION 562104CH
Тип тормозного диска : вентилируемый
Наружный диаметр [мм] : 280
Толщина тормозного диска (мм) : 24
Дополнительный артикул / дополнительная информация 2 : без винтов
Высота [мм] : 44
Ø фаски [мм] : 108
Диаметр центрирования [мм] : 61
Количество отверстий : 5
Количественная единица : комплект
Вес [кг] : 14,04
Минимальная толщина [мм] : 21,8
Момент затяжки [Нм] : 100
Тип контейнера : Коробка
Длина упаковки [см] : 29
Ширина упаковки [см] : 29
Высота упаковки [см] : 10,5
|
|
Тормозной диск
CIFAM 800-466
проверочное значение : ECE-R90
Высота [мм] : 44
Тип тормозного диска : вентилируемый
Толщина тормозного диска (мм) : 22
Наружный диаметр [мм] : 262
Количество отверстий : 5
Диаметр центрирования [мм] : 61
|
|
Тормозной диск
CIFAM 800-535
проверочное значение : ECE-R90
Высота [мм] : 44,5
Тип тормозного диска : цельный
Толщина тормозного диска (мм) : 10,5
Наружный диаметр [мм] : 265
Количество отверстий : 5
Диаметр центрирования [мм] : 66
|
|
Тормозной диск
COMLINE ADC1516V
Тип тормозного диска : вентилируемый
Наружный диаметр [мм] : 280
Толщина тормозного диска (мм) : 24
Высота [мм] : 44
Ø фаски [мм] : 108
Диаметр центрирования [мм] : 61
Количество отверстий : 5
Минимальная толщина [мм] : 21,8
Число отверстий : 2
|
|
Тормозной диск
COMLINE ADC1541
Тип тормозного диска : цельный
Наружный диаметр [мм] : 265
Толщина тормозного диска (мм) : 11
Высота [мм] : 44
Ø фаски [мм] : 108
Диаметр центрирования [мм] : 66
Количество отверстий : 5
Минимальная толщина [мм] : 9,5
Число отверстий : 2
|
|
Тормозной диск
COMLINE ADC1593V
Тип тормозного диска : вентилируемый
Наружный диаметр [мм] : 280
Толщина тормозного диска (мм) : 24
Высота [мм] : 44,2
Ø фаски [мм] : 108
Диаметр центрирования [мм] : 61
Количество отверстий : 5
Поверхность : с покрытием
Минимальная толщина [мм] : 21,8
Число отверстий : 2
|
|
Тормозной диск
DANAHER DR10129
Сторона установки : Задний мост
Тип тормозного диска : цельный
Толщина тормозного диска (мм) : 10,5
Наружный диаметр [мм] : 265
Высота [мм] : 44,3
Количество отверстий : 5
Диаметр центрирования [мм] : 66
|
|
Тормозной диск
DANAHER DR11125
Сторона установки : передний мост
Тип тормозного диска : вентилируемый
Толщина тормозного диска (мм) : 22,1
Наружный диаметр [мм] : 262
Высота [мм] : 44
Количество отверстий : 5
Диаметр центрирования [мм] : 61,2
|
|
Тормозной диск
DANAHER DR11317
Сторона установки : передний мост
Тип тормозного диска : вентилируемый
Толщина тормозного диска (мм) : 24
Наружный диаметр [мм] : 280
Высота [мм] : 44
Количество отверстий : 5
Диаметр центрирования [мм] : 61
|
|
Тормозной диск
DANAHER DR13239
Сторона установки : передний мост
Тип тормозного диска : вентилируемый
Толщина тормозного диска (мм) : 24
Наружный диаметр [мм] : 280
Высота [мм] : 44
Количество отверстий : 5
Диаметр центрирования [мм] : 61
|
|
Тормозной диск
DANAHER DR13328
Сторона установки : передний мост
Тип тормозного диска : вентилируемый
Толщина тормозного диска (мм) : 24
Наружный диаметр [мм] : 280
Высота [мм] : 43,9
Количество отверстий : 5
Диаметр центрирования [мм] : 61
|
|
Тормозной диск
DELPHI BG2695
Тип тормозного диска : вентилируемый
Количество отверстий : 5
проверочное значение : E1 90R-02C0074/0046
Поверхность : промасленный
Наружный диаметр [мм] : 262
Толщина тормозного диска (мм) : 22
Минимальная толщина [мм] : 19,8
Диаметр центрирования [мм] : 61
Высота [мм] : 44
|
|
Тормозной диск
DELPHI BG2696
Тип тормозного диска : цельный
Количество отверстий : 5
проверочное значение : E1 90R-02C0100/1551
Поверхность : промасленный
Наружный диаметр [мм] : 265
Толщина тормозного диска (мм) : 10,5
Минимальная толщина [мм] : 9,5
Диаметр центрирования [мм] : 66
Высота [мм] : 44,4
|
|
Тормозной диск
DELPHI BG2697
Тип тормозного диска : вентилируемый
Количество отверстий : 5
проверочное значение : E1 90R-02C0074/1474
Поверхность : промасленный
Наружный диаметр [мм] : 280
Толщина тормозного диска (мм) : 24
Минимальная толщина [мм] : 21,8
Диаметр центрирования [мм] : 61
Высота [мм] : 44
|
|
Тормозной диск
DELPHI BG2698
Тип тормозного диска : цельный
Количество отверстий : 5
проверочное значение : E1 90R-02C0100/1551
Поверхность : промасленный
Наружный диаметр [мм] : 265
Толщина тормозного диска (мм) : 10,5
Минимальная толщина [мм] : 9,5
Диаметр центрирования [мм] : 61
Высота [мм] : 44,4
|
|
Тормозной диск
DON PCD11222
Тип тормозного диска : с внешней вентиляцией
Наружный диаметр [мм] : 280
Толщина тормозного диска (мм) : 24
Высота [мм] : 43,9
Минимальная толщина [мм] : 21,8
Поверхность : с частичным покрытием
Внутренний диаметр : 140
Ø фаски [мм] : 108
Диаметр центрирования [мм] : 61
Расположение/число отверстий : 05/07
Диаметр отверстия под шпильку колеса [мм] : 15,7
Дополнительный артикул / дополнительная информация 2 : без ступицы
Дополнительный артикул / дополнительная информация 2 : без колесного подшипника
Дополнительный артикул / дополнительная информация 2 : без колесной крепящей оси
Длина упаковки [см] : 29,9
Ширина упаковки [см] : 29,9
Высота упаковки [см] : 10,2
Вес [кг] : 6,7
|
|
Тормозной диск
DR!VE+ DBD0641C
Сторона установки : передний мост
проверочное значение : E20 90R-02C00010/000
Высота [мм] : 43,9
Вес [кг] : 6,7
Тип тормозного диска : вентилируемый
Толщина тормозного диска (мм) : 24
Размер резьбы : 15,7
Минимальная толщина [мм] : 21,8
Наружный диаметр [мм] : 280
Диаметр центрирования [мм] : 61
Ø фаски [мм] : 108
Поверхность : с покрытием
|
|
Тормозной диск
DR!VE+ DP1010.11.0641
Число отверстий в диске колеса : 5
Сторона установки : передний мост
Высота [мм] : 43,9
Тип тормозного диска : вентилируемый
Толщина тормозного диска (мм) : 24
Минимальная толщина [мм] : 21,8
Наружный диаметр [мм] : 280
Количество отверстий : 2
Диаметр центрирования [мм] : 61
|
|
Тормозной диск
DR!VE+ DP1010.11.0736
Сторона установки : передний мост
Высота [мм] : 44
Тип тормозного диска : вентилируемый
Толщина тормозного диска (мм) : 24
Минимальная толщина [мм] : 21,8
Число отверстий : 5
Наружный диаметр [мм] : 280
Диаметр центрирования [мм] : 61
|
|
Тормозной диск
EGT 410423EGT
Число отверстий в диске колеса : 5
Высота [мм] : 44
Тип тормозного диска : цельный
Толщина тормозного диска (мм) : 10,5
Минимальная толщина [мм] : 9,5
Наружный диаметр [мм] : 265
Диаметр центрирования [мм] : 66
Ø фаски [мм] : 108
Поверхность : с покрытием
|
|
Тормозной диск
EGT 410423cEGT
Число отверстий в диске колеса : 5
Высота [мм] : 44
Тип тормозного диска : цельный
Толщина тормозного диска (мм) : 10,5
Минимальная толщина [мм] : 9,5
Наружный диаметр [мм] : 265
Диаметр центрирования [мм] : 66
Ø фаски [мм] : 108
Поверхность : с покрытием
|
|
Тормозной диск
EGT 410425EGT
Число отверстий в диске колеса : 5
Высота [мм] : 44
Тип тормозного диска : вентилируемый
Толщина тормозного диска (мм) : 24
Минимальная толщина [мм] : 21,8
Наружный диаметр [мм] : 280
Диаметр центрирования [мм] : 61
Поверхность : с покрытием
|
|
Тормозной диск
EGT 410425cEGT
Число отверстий в диске колеса : 5
Высота [мм] : 44
Тип тормозного диска : вентилируемый
Толщина тормозного диска (мм) : 24
Минимальная толщина [мм] : 21,8
Наружный диаметр [мм] : 280
Диаметр центрирования [мм] : 61
Поверхность : с покрытием
|
|
Тормозной диск
EUROBRAKE 5815203912
Наружный диаметр [мм] : 262
Толщина тормозного диска (мм) : 22
Минимальная толщина [мм] : 19,8
Высота [мм] : 44
Число отверстий в диске колеса : 5
Тип тормозного диска : вентилируемый
Диаметр центрирования [мм] : 61
Поверхность : промасленный
Вес нетто [кг] : 5,8
|
|
Тормозной диск
EUROBRAKE 5815313912
Наружный диаметр [мм] : 262
Толщина тормозного диска (мм) : 22
Минимальная толщина [мм] : 19,8
Высота [мм] : 44
Число отверстий в диске колеса : 5
Тип тормозного диска : вентилируемый
Диаметр центрирования [мм] : 61
Поверхность : с покрытием
Вес нетто [кг] : 5,8
|
|
Тормозной диск
EUROBRAKE 5815203913
Наружный диаметр [мм] : 280
Толщина тормозного диска (мм) : 24
Минимальная толщина [мм] : 21,8
Высота [мм] : 44
Число отверстий в диске колеса : 5
Тип тормозного диска : вентилируемый
Диаметр центрирования [мм] : 61
Поверхность : промасленный
Вес нетто [кг] : 6,76
|
|
Тормозной диск
EUROBRAKE 5815313913
Наружный диаметр [мм] : 280
Толщина тормозного диска (мм) : 24
Минимальная толщина [мм] : 21,8
Высота [мм] : 44
Число отверстий в диске колеса : 5
Тип тормозного диска : вентилируемый
Диаметр центрирования [мм] : 61
Поверхность : с покрытием
Вес нетто [кг] : 6,76
|
|
Тормозной диск
EUROBRAKE 5815203915
Наружный диаметр [мм] : 265
Толщина тормозного диска (мм) : 10,5
Минимальная толщина [мм] : 9,5
Высота [мм] : 44,5
Число отверстий в диске колеса : 5
Тип тормозного диска : цельный
Диаметр центрирования [мм] : 66
Поверхность : промасленный
Вес нетто [кг] : 4,06
|
|
Тормозной диск
EUROREPAR 1618881780
Тип тормозного диска : вентилируемый
Дополнительный артикул / дополнительная информация 2 : без кольца сенсора ABS
Наружный диаметр [мм] : 262
Толщина тормозного диска (мм) : 22,1
Высота [мм] : 44
Диаметр центрирования [мм] : 61,2
Ø фаски [мм] : 108
Количество отверстий : 5
Минимальная толщина [мм] : 19,8
|
|
Тормозной диск
EUROREPAR 1618878080
Тип тормозного диска : вентилируемый
Дополнительный артикул / дополнительная информация 2 : без кольца сенсора ABS
Наружный диаметр [мм] : 280
Толщина тормозного диска (мм) : 24
Высота [мм] : 44
Диаметр центрирования [мм] : 61,1
Ø фаски [мм] : 108
Количество отверстий : 5
Минимальная толщина [мм] : 21,8
|
|
Тормозной диск
EUROREPAR 1667858780
Тип тормозного диска : вентилируемый
Дополнительный артикул / дополнительная информация 2 : без кольца сенсора ABS
Наружный диаметр [мм] : 280
Толщина тормозного диска (мм) : 24
Высота [мм] : 44
Диаметр центрирования [мм] : 61,01
Ø фаски [мм] : 108
Количество отверстий : 5
Минимальная толщина [мм] : 21,8
|
|
Тормозной диск
EUROREPAR 1618880580
Тип тормозного диска : цельный
Дополнительный артикул / дополнительная информация 2 : без кольца сенсора ABS
Наружный диаметр [мм] : 265
Толщина тормозного диска (мм) : 10,5
Высота [мм] : 44,3
Диаметр центрирования [мм] : 66
Ø фаски [мм] : 108
Количество отверстий : 5
Минимальная толщина [мм] : 9,5
|
|
Тормозной диск
EUROREPAR 1618888280
Тип тормозного диска : цельный
Дополнительный артикул / дополнительная информация 2 : без кольца сенсора ABS
Наружный диаметр [мм] : 264,7
Толщина тормозного диска (мм) : 10,5
Высота [мм] : 44,3
Диаметр центрирования [мм] : 66
Ø фаски [мм] : 108
Количество отверстий : 5
Минимальная толщина [мм] : 9,5
|
|
Тормозной диск
EUROREPAR 1622808280
Тип тормозного диска : вентилируемый
Дополнительный артикул / дополнительная информация 2 : без кольца сенсора ABS
Наружный диаметр [мм] : 279,9
Толщина тормозного диска (мм) : 24
Высота [мм] : 43,9
Диаметр центрирования [мм] : 61
Ø фаски [мм] : 108
Количество отверстий : 5
Минимальная толщина [мм] : 21,8
|
|
Тормозной диск
EUROREPAR 1642764780
Тип тормозного диска : вентилируемый
Дополнительный артикул / дополнительная информация 2 : без кольца сенсора ABS
Наружный диаметр [мм] : 279,9
Толщина тормозного диска (мм) : 24
Высота [мм] : 44
Диаметр центрирования [мм] : 61
Ø фаски [мм] : 108
Количество отверстий : 5
Минимальная толщина [мм] : 21,8
|
|
Тормозной диск
EUROREPAR 1667851080
Тип тормозного диска : вентилируемый
Дополнительный артикул / дополнительная информация 2 : без кольца сенсора ABS
Наружный диаметр [мм] : 280
Толщина тормозного диска (мм) : 24
Высота [мм] : 44
Диаметр центрирования [мм] : 61
Ø фаски [мм] : 108
Количество отверстий : 5
Минимальная толщина [мм] : 21,8
|
|
Тормозной диск
FAST FT31148
Сторона установки : передний мост
Высота [мм] : 44
Тип тормозного диска : вентилируемый
Толщина тормозного диска (мм) : 24
Число отверстий : 5
Наружный диаметр [мм] : 280
Количество отверстий : 5
Диаметр центрирования [мм] : 61
Ø фаски [мм] : 108
|
|
Тормозной диск
FENOX TB215746
Сторона установки : Задний мост
Тип тормозного диска : цельный
Толщина тормозного диска (мм) : 11
Ø фаски [мм] : 108
Количество отверстий : 5
Высота [мм] : 44,4
Диаметр центрирования [мм] : 66
Наружный диаметр [мм] : 265
|
|
Тормозной диск
FENOX TB217744
Сторона установки : передний мост
Тип тормозного диска : вентилируемый
Толщина тормозного диска (мм) : 24
Ø фаски [мм] : 108
Количество отверстий : 5
Высота [мм] : 43,9
Диаметр центрирования [мм] : 61
Наружный диаметр [мм] : 280
|
|
Тормозной диск
FERODO DDF1123
Тип тормозного диска : вентилируемый
Наружный диаметр [мм] : 280
Толщина тормозного диска (мм) : 24
Дополнительный артикул / дополнительная информация 2 : с винтами
Высота [мм] : 44
Ø фаски [мм] : 108
Диаметр центрирования [мм] : 61
Количество отверстий : 5
Количественная единица : комплект
Поверхность : промасленный
проверочное значение : R90 homologated
Вес [кг] : 14,04
Минимальная толщина [мм] : 21,8
Момент затяжки [Нм] : 100
Тип контейнера : Коробка
Длина упаковки [см] : 28,5
Ширина упаковки [см] : 28,5
Высота упаковки [см] : 9,3
|
|
Тормозной диск
FERODO DDF1123C
Тип тормозного диска : вентилируемый
Наружный диаметр [мм] : 280
Толщина тормозного диска (мм) : 24
Дополнительный артикул / дополнительная информация 2 : с винтами
Высота [мм] : 44
Диаметр центрирования [мм] : 61
Количество отверстий : 5
Количественная единица : комплект
Поверхность : с покрытием
проверочное значение : R90 Homologated
Вес [кг] : 7,02
Минимальная толщина [мм] : 21,8
Момент затяжки [Нм] : 100
Длина упаковки [см] : 28,5
Ширина упаковки [см] : 28,5
Высота упаковки [см] : 9,3
|
|
Тормозной диск
FERODO DDF1167
Тип тормозного диска : вентилируемый
Наружный диаметр [мм] : 262
Толщина тормозного диска (мм) : 22
Дополнительный артикул / дополнительная информация 2 : без винтов
Высота [мм] : 44
Диаметр центрирования [мм] : 61
Количество отверстий : 5
Количественная единица : комплект
Поверхность : промасленный
проверочное значение : R90 homologated
Вес [кг] : 11,82
Диаметр отверстия [мм] : 61
Минимальная толщина [мм] : 19,8
Момент затяжки [Нм] : 110
Тип контейнера : Коробка
Длина упаковки [см] : 25,5
Ширина упаковки [см] : 25,5
Высота упаковки [см] : 8,5
|
|
Тормозной диск
FERODO DDF556
Тип тормозного диска : цельный
Наружный диаметр [мм] : 265
Толщина тормозного диска (мм) : 10,5
Дополнительный артикул / дополнительная информация 2 : с винтами
Высота [мм] : 44,4
Ø фаски [мм] : 108
Диаметр центрирования [мм] : 66
Количество отверстий : 5
Количественная единица : комплект
Поверхность : промасленный
Вес [кг] : 8,22
Минимальная толщина [мм] : 9,5
Момент затяжки [Нм] : 110
Тип контейнера : Коробка
Длина упаковки [см] : 25,5
Ширина упаковки [см] : 25,5
Высота упаковки [см] : 8,5
|
|
Тормозной диск
FREMAX BD-2233
Тип тормозного диска : вентилируемый
Наружный диаметр [мм] : 262
Толщина тормозного диска (мм) : 22
Высота [мм] : 44
Диаметр центрирования [мм] : 61
Количество крепежных отверстий : 5
Поверхность : с покрытием
Вес [кг] : 5,7
Минимальная толщина [мм] : 19,8
|
|
Тормозной диск
FREMAX BD-4294
Тип тормозного диска : вентилируемый
Наружный диаметр [мм] : 280
Толщина тормозного диска (мм) : 24
Высота [мм] : 44
Диаметр центрирования [мм] : 61
Количество крепежных отверстий : 5
Поверхность : с покрытием
Вес [кг] : 6,81
Минимальная толщина [мм] : 21,8
|
|
Тормозной диск
FREMAX BD-4296
Тип тормозного диска : цельный
Наружный диаметр [мм] : 265
Толщина тормозного диска (мм) : 10,5
Высота [мм] : 44,5
Диаметр центрирования [мм] : 66
Количество крепежных отверстий : 5
Поверхность : с покрытием
Вес [кг] : 4,03
Минимальная толщина [мм] : 9,5
|
|
Тормозной диск
fri.tech. BD0180
проверочное значение : ECE-R90
Высота [мм] : 44,5
Тип тормозного диска : цельный
Толщина тормозного диска (мм) : 10,5
Наружный диаметр [мм] : 265
Количество отверстий : 5
Диаметр центрирования [мм] : 66
|
|
Тормозной диск
fri.tech. BD0780
проверочное значение : ECE-R90
Высота [мм] : 44
Тип тормозного диска : вентилируемый
Толщина тормозного диска (мм) : 22
Наружный диаметр [мм] : 262
Количество отверстий : 5
Диаметр центрирования [мм] : 61
|
|
Тормозной диск
GALFER B1.G210-0220.1
Наружный диаметр [мм] : 265
Толщина тормозного диска (мм) : 10,5
Минимальная толщина [мм] : 9,5
Тип тормозного диска : цельный
Поверхность : с покрытием
Количество отверстий : 5
Код MAPP в наличии :
Ø фаски [мм] : 108
Высота [мм] : 44,3
Диаметр центрирования [мм] : 66
Внутренний диаметр : 149,6
Диаметр отверстия [мм] : 14,5
проверочное значение : E1 90R-02C0165/1154
|
|
Тормозной диск
GALFER B1.G224-0171.1
Наружный диаметр [мм] : 280
Толщина тормозного диска (мм) : 24
Минимальная толщина [мм] : 21,8
Тип тормозного диска : вентилируемый
Обработка : легированный/высокоуглеродистый
Поверхность : с покрытием
Количество отверстий : 5
Высота [мм] : 44
Диаметр центрирования [мм] : 61
Внутренний диаметр : 140
Ø фаски [мм] : 108
Диаметр отверстия [мм] : 15,5
проверочное значение : E1 90R-02C0118/1227
|
|
Тормозной диск
GH GH-403991
Сторона установки : передний мост
Сторона установки : передний мост справа
Сторона установки : передний мост слева
Толщина тормозного диска (мм) : 24
Количество отверстий : 5
Ø фаски [мм] : 108
Диаметр центрирования [мм] : 61
Наружный диаметр [мм] : 280
Тип тормозного диска : вентилируемый
Размер резьбы : 15,7
Высота [мм] : 43,9
|
|
Тормозной диск
GIRLING 6010294
Поверхность : лакированный
Тип тормозного диска : цельный
Наружный диаметр [мм] : 265
Толщина тормозного диска (мм) : 11
Минимальная толщина [мм] : 9,5
Диаметр центрирования [мм] : 66
Высота [мм] : 44
Количество отверстий : 5
Размер резьбы : 15
Ø фаски [мм] : 108
Цвет : чёрный
проверочное значение : E1 90R-02 C0190/0537
SVHC : Нет информации, обратитесь, пожалуйста, к производителю!
|
|
Тормозной диск
GIRLING 6041091
Поверхность : лакированный
Тип тормозного диска : вентилируемый
Наружный диаметр [мм] : 280
Толщина тормозного диска (мм) : 24
Минимальная толщина [мм] : 21,8
Диаметр центрирования [мм] : 61
Высота [мм] : 44
Количество отверстий : 5
Размер резьбы : 13,5
Ø фаски [мм] : 108
Обработка : Высокоуглеродистый
Цвет : чёрный
проверочное значение : E1 90R-02 C0185/0607
Дополнительный артикул / дополнительная информация 2 : с винтами
SVHC : Нет информации, обратитесь, пожалуйста, к производителю!
|
|
Тормозной диск
GIRLING 6061101
Поверхность : лакированный
Тип тормозного диска : вентилируемый
Наружный диаметр [мм] : 280
Толщина тормозного диска (мм) : 24
Минимальная толщина [мм] : 21,8
Количество отверстий : 5
Высота [мм] : 43,9
Диаметр центрирования [мм] : 61
Ø фаски [мм] : 108
Размер резьбы : 15,7
Цвет : чёрный
проверочное значение : E1 90R-02 C0185/0659
SVHC : Нет информации, обратитесь, пожалуйста, к производителю!
|
|
Тормозной диск
GIRLING 6010361
Поверхность : лакированный
Тип тормозного диска : вентилируемый
Наружный диаметр [мм] : 262
Толщина тормозного диска (мм) : 22
Минимальная толщина [мм] : 19,8
Диаметр центрирования [мм] : 61
Высота [мм] : 44
Количество отверстий : 5
Размер резьбы : 15
Ø фаски [мм] : 108
Цвет : чёрный
проверочное значение : E1 90R-02 C0176/0529
|
|
Тормозной диск
HART 215 667
Высота [мм] : 44
Тип тормозного диска : вентилируемый
Толщина тормозного диска (мм) : 24
Наружный диаметр [мм] : 280
Количество отверстий : 5
|
|
Тормозной диск
HART 250 315
Высота [мм] : 43,9
Тип тормозного диска : вентилируемый
Толщина тормозного диска (мм) : 24
Наружный диаметр [мм] : 280
Количество отверстий : 5
|
|
Тормозной диск
HART 258 014
Высота [мм] : 43,9
Тип тормозного диска : с внешней вентиляцией
Толщина тормозного диска (мм) : 24
Наружный диаметр [мм] : 280
|
|
Тормозной диск
Hi-Q SD3062
Вес [кг] : 6,66
Толщина [мм] : 24
Тип тормозного диска : вентилируемый
Толщина тормозного диска (мм) : 21,8
Ø фаски [мм] : 108
Количество отверстий : 7
Высота [мм] : 43,9
Диаметр центрирования [мм] : 61
Наружный диаметр [мм] : 280
|
|
Тормозной диск
ICER 78BD2233-2
Толщина тормозного диска (мм) : 19,8
Наружный диаметр [мм] : 262
Тип тормозного диска : вентилируемый
Высота [мм] : 44
Диаметр центрирования [мм] : 61
Ø фаски [мм] : 108
Исполнение оси : Front
Номер технической информации : 78BD2233-2
Диаметр [мм] : 61
Толщина [мм] : 22
Минимальная толщина [мм] : 19,8
Расположение/число отверстий : 5
|
|
Тормозной диск
ICER 78BD4296-2
Толщина тормозного диска (мм) : 9,5
Наружный диаметр [мм] : 265
Тип тормозного диска : цельный
Высота [мм] : 44,4
Диаметр центрирования [мм] : 66
Ø фаски [мм] : 108
Исполнение оси : Rear
Номер технической информации : 78BD4296-2
проверочное значение : E1 90R-02C0100/1257
Диаметр [мм] : 66
Толщина [мм] : 10,5
Минимальная толщина [мм] : 9,5
Расположение/число отверстий : 5
Вес [кг] : 8 192
|
|
Тормозной диск
ICER 78BD6198-2
Толщина тормозного диска (мм) : 21,8
Наружный диаметр [мм] : 280
Тип тормозного диска : вентилируемый
Высота [мм] : 44
Диаметр центрирования [мм] : 61
Ø фаски [мм] : 108
Исполнение оси : Front
Номер технической информации : 78BD6198-2
проверочное значение : E1 90R-02C0074/0876
проверочное значение : E1 90R-02C0433/0090
Диаметр [мм] : 61
Толщина [мм] : 24
Минимальная толщина [мм] : 21,8
Расположение/число отверстий : 5
|
|
Тормозной диск
JAPANPARTS DI-0523C
Наружный диаметр [мм] : 280
Высота [мм] : 44,2
Тип тормозного диска : вентилируемый
Толщина тормозного диска (мм) : 24
Минимальная толщина [мм] : 21,8
Количество отверстий : 5
Диаметр центрирования [мм] : 61
Поверхность : лакированный
Сторона установки : передний мост
для оригинального номера : 402064230R
|
|
Тормозной диск
JAPANPARTS DP-0707C
Наружный диаметр [мм] : 265
Высота [мм] : 44,4
Тип тормозного диска : цельный
Толщина тормозного диска (мм) : 10,5
Минимальная толщина [мм] : 9,5
Количество отверстий : 5
Поверхность : лакированный
Сторона установки : Задний мост
Момент затяжки [Нм] : 110
для оригинального номера : 7701205845
|
|
Тормозной диск
JAPKO 600523C
Наружный диаметр [мм] : 280
Высота [мм] : 44,2
Тип тормозного диска : вентилируемый
Толщина тормозного диска (мм) : 24
Минимальная толщина [мм] : 21,8
Количество отверстий : 5
Диаметр центрирования [мм] : 61
Поверхность : лакированный
Сторона установки : передний мост
для оригинального номера : 402064230R
|
|
Тормозной диск
JAPKO 610707C
Наружный диаметр [мм] : 265
Высота [мм] : 44,4
Тип тормозного диска : цельный
Толщина тормозного диска (мм) : 10,5
Минимальная толщина [мм] : 9,5
Количество отверстий : 5
Поверхность : лакированный
Сторона установки : Задний мост
Момент затяжки [Нм] : 110
для оригинального номера : 7701205845
|
|
Тормозной диск
JP GROUP 4363101600
Тип тормозного диска : вентилируемый
Толщина тормозного диска (мм) : 24
Поверхность : с покрытием
Сторона установки : передний мост
Количество отверстий : 5
Наружный диаметр [мм] : 280
|
|
Тормозной диск
JURATEK REN181
Тип тормозного диска : вентилируемый
Наружный диаметр [мм] : 280
Толщина тормозного диска (мм) : 24
Высота [мм] : 44
Ø фаски [мм] : 108
Диаметр центрирования [мм] : 61
Количество крепежных отверстий : 5
парные номера артикулов : JCK1111
парные номера артикулов : JCK1119
парные номера артикулов : JCP038
парные номера артикулов : JCP8228
парные номера артикулов : JCW276
парные номера артикулов : NKR0016
парные номера артикулов : NKR0048
парные номера артикулов : NKR0142
Поверхность : с покрытием
Вес [кг] : 7,1
Диаметр отверстия [мм] : 15,8
Минимальная толщина [мм] : 21,8
|
|
Тормозной диск
JURID 561594JC
Тип тормозного диска : вентилируемый
Наружный диаметр [мм] : 262
Толщина тормозного диска (мм) : 22
Дополнительный артикул / дополнительная информация 2 : без винтов
Версия : JC
Высота [мм] : 44
Диаметр центрирования [мм] : 61
Количество отверстий : 5
Количественная единица : комплект
Поверхность : с покрытием
проверочное значение : R90 Homologated
Вес [кг] : 11,82
Минимальная толщина [мм] : 19,8
Момент затяжки [Нм] : 110
Тип контейнера : Коробка
Длина упаковки [см] : 27
Ширина упаковки [см] : 27
Высота упаковки [см] : 11
|
|
Тормозной диск
JURID 561596JC
Тип тормозного диска : цельный
Наружный диаметр [мм] : 265
Толщина тормозного диска (мм) : 10,5
Дополнительный артикул / дополнительная информация 2 : с винтами
Версия : JC
Высота [мм] : 44,4
Ø фаски [мм] : 108
Диаметр центрирования [мм] : 66
Количество отверстий : 5
Количественная единица : комплект
Поверхность : с покрытием
Вес [кг] : 8,22
Минимальная толщина [мм] : 9,5
Момент затяжки [Нм] : 110
Тип контейнера : Коробка
Длина упаковки [см] : 29
Ширина упаковки [см] : 29
Высота упаковки [см] : 10,5
|
|
Тормозной диск
JURID 562104JC
Тип тормозного диска : вентилируемый
Наружный диаметр [мм] : 280
Толщина тормозного диска (мм) : 24
Дополнительный артикул / дополнительная информация 2 : с винтами
Версия : JC
Высота [мм] : 44
Ø фаски [мм] : 108
Диаметр центрирования [мм] : 61
Количество отверстий : 5
Количественная единица : комплект
Поверхность : с покрытием
проверочное значение : R90 Homologated
Вес [кг] : 14,04
Минимальная толщина [мм] : 21,8
Момент затяжки [Нм] : 100
Тип контейнера : Коробка
Длина упаковки [см] : 30
Ширина упаковки [см] : 30
Высота упаковки [см] : 11
|
|
Тормозной диск
KAVO PARTS BR-10028-C
проверочное значение : R90
Высота [мм] : 44
Тип тормозного диска : вентилируемый
Толщина тормозного диска (мм) : 24
Минимальная толщина [мм] : 21,8
Наружный диаметр [мм] : 280
Количество отверстий : 5
Диаметр центрирования [мм] : 61
Ø фаски [мм] : 108
Поверхность : с покрытием
|
|
Тормозной диск
KAWE 6227 11
Диаметр [мм] : 262
Сторона установки : передний мост
Вес [кг] : 5,8
Тип тормозного диска : вентилируемый
Минимальная толщина [мм] : 19,8
Толщина тормозного диска (мм) : 22
Количество отверстий : 5
проверочное значение : K.B.A.: 61209
Высота [мм] : 44
Диаметр центрирования [мм] : 61
Наружный диаметр [мм] : 262
|
|
Тормозной диск
KAWE 6239 02
Диаметр [мм] : 265
Сторона установки : Задний мост
Вес [кг] : 4
Тип тормозного диска : цельный
Минимальная толщина [мм] : 9,5
Толщина тормозного диска (мм) : 10,5
Количество отверстий : 5
проверочное значение : K.B.A.: 61210
Высота [мм] : 44,4
Диаметр центрирования [мм] : 66
Наружный диаметр [мм] : 265
|
|
Тормозной диск
KAWE 6301 10
Диаметр [мм] : 280
Сторона установки : передний мост
Вес [кг] : 6,62
Тип тормозного диска : вентилируемый
Минимальная толщина [мм] : 21,8
Толщина тормозного диска (мм) : 24
Количество отверстий : 5
проверочное значение : K.B.A.: 61209
Высота [мм] : 44
Диаметр центрирования [мм] : 61
Наружный диаметр [мм] : 280
|
|
Тормозной диск
KRAFT AUTOMOTIVE 6045120
Тип тормозного диска : вентилируемый
Количество отверстий : 5
Число отверстий в диске колеса : 5
Диаметр [мм] : 262
Номер продукции : 6045120
Толщина тормозного диска (мм) : 22
Наружный диаметр [мм] : 262
|
|
Тормозной диск
KRAFT AUTOMOTIVE 6045112
Тип тормозного диска : вентилируемый
Количество отверстий : 5
Число отверстий в диске колеса : 5
Диаметр [мм] : 280
Толщина тормозного диска (мм) : 24
Высота [мм] : 44
Диаметр центрирования [мм] : 61
Номер продукции : 6045112
Наружный диаметр [мм] : 280
|
|
Тормозной диск
KRAFT AUTOMOTIVE 6055020
Тип тормозного диска : цельный
Количество отверстий : 5
Диаметр [мм] : 265
Толщина тормозного диска (мм) : 10,5
Высота [мм] : 44,3
Диаметр центрирования [мм] : 66
Номер продукции : 6055020
Наружный диаметр [мм] : 265
|
|
Тормозной диск
LPR R1403P
Высота [мм] : 44
Количество отверстий : 5
Тип тормозного диска : цельный
Толщина тормозного диска (мм) : 10,5
Наружный диаметр [мм] : 265
Диаметр центрирования [мм] : 66
Тормозная установка : ATE
Минимальная толщина [мм] : 9,5
|
|
Тормозной диск
LPR R1403PR
Диаметр центрирования [мм] : 66
Количество отверстий : 5
Поверхность : с покрытием
Минимальная толщина [мм] : 9,5
Тип тормозного диска : цельный
Высота [мм] : 44
Наружный диаметр [мм] : 265
Толщина тормозного диска (мм) : 10,5
|
|
Тормозной диск
LPR R1571V
Тип тормозного диска : вентилируемый
Диаметр центрирования [мм] : 61
Высота [мм] : 44
Толщина тормозного диска (мм) : 24
Минимальная толщина [мм] : 21,8
Количество отверстий : 5
Наружный диаметр [мм] : 280
|
|
Тормозной диск
LPR R1571VR
Минимальная толщина [мм] : 21,8
Высота [мм] : 44
Тип тормозного диска : вентилируемый
Толщина тормозного диска (мм) : 24
Диаметр центрирования [мм] : 61
Наружный диаметр [мм] : 280
Поверхность : с покрытием
Количество отверстий : 5
|
|
Тормозной диск
LYNXAUTO BN-1695
Сторона установки : передний мост
Наружный диаметр [мм] : 280
Толщина тормозного диска (мм) : 24
Минимальная толщина [мм] : 21,8
Диаметр центрирования [мм] : 61
Высота [мм] : 44
Количество отверстий : 5
Ø фаски [мм] : 108
Тип тормозного диска : вентилируемый
|
|
Тормозной диск
LYNXAUTO BN-1877
Сторона установки : передний мост
Наружный диаметр [мм] : 280
Толщина тормозного диска (мм) : 24
Минимальная толщина [мм] : 21,8
Диаметр центрирования [мм] : 61
Высота [мм] : 44
Количество отверстий : 5
Ø фаски [мм] : 108
Тип тормозного диска : вентилируемый
|
|
Тормозной диск
LYNXAUTO BN-1888
Сторона установки : Задний мост
Наружный диаметр [мм] : 265
Толщина тормозного диска (мм) : 11
Минимальная толщина [мм] : 9,5
Диаметр центрирования [мм] : 66
Высота [мм] : 44
Количество отверстий : 5
Ø фаски [мм] : 108
Тип тормозного диска : цельный
|
|
Тормозной диск
MANDO MBC035230
Сторона установки : передний мост
Тип тормозного диска : вентилируемый
Толщина тормозного диска (мм) : 24
Количество отверстий : 5
Высота [мм] : 44
Диаметр центрирования [мм] : 61,1
Наружный диаметр [мм] : 280
|
|
Тормозной диск
MANDO MBC035241
Сторона установки : передний мост
Тип тормозного диска : вентилируемый
Толщина тормозного диска (мм) : 22,1
Количество отверстий : 5
Высота [мм] : 44
Диаметр центрирования [мм] : 61,2
Наружный диаметр [мм] : 262
|
|
Тормозной диск
MANDO MBC035560
Сторона установки : Задний мост
Тип тормозного диска : цельный
Толщина тормозного диска (мм) : 10,5
Минимальная толщина [мм] : 9,5
проверочное значение : E1 90R-02C0100/1257
Высота [мм] : 44,3
Диаметр центрирования [мм] : 66
Наружный диаметр [мм] : 265
|
|
Тормозной диск
MAPCO 15122
Сторона установки : передний мост
Толщина тормозного диска (мм) : 22
Минимальная толщина [мм] : 19,8
Наружный диаметр [мм] : 262
Ø фаски [мм] : 108
Тип тормозного диска : вентилируемый
Количество отверстий : 5
необходимое количество : 2
|
|
Тормозной диск
MAPCO 15118
Сторона установки : передний мост
Толщина тормозного диска (мм) : 24
Минимальная толщина [мм] : 21,8
Наружный диаметр [мм] : 280
Ø фаски [мм] : 108
Тип тормозного диска : вентилируемый
Количество отверстий : 5
необходимое количество : 2
|
|
Тормозной диск
MAPCO 15123
Сторона установки : Задний мост
Тип тормозного диска : цельный
Толщина тормозного диска (мм) : 10,5
Минимальная толщина [мм] : 9,5
Наружный диаметр [мм] : 265
Ø фаски [мм] : 100
Количество отверстий : 4
|
|
Тормозной диск
MAPCO 15119
Сторона установки : Задний мост
Ø фаски [мм] : 108
Количество отверстий : 5
Тип тормозного диска : цельный
Толщина тормозного диска (мм) : 10,5
Минимальная толщина [мм] : 9,5
Наружный диаметр [мм] : 265
необходимое количество : 2
|
|
Тормозной диск
MAXGEAR 19-1008
Сторона установки : передний мост
Тип тормозного диска : вентилируемый
Наружный диаметр [мм] : 280
Толщина тормозного диска (мм) : 24
Дополнительный артикул / дополнительная информация 2 : с винтами
Высота [мм] : 44
Ø фаски [мм] : 108
Диаметр центрирования [мм] : 61
Количество отверстий : 5
Минимальная толщина [мм] : 21,8
|
|
Тормозной диск
MAXGEAR 19-1008SPORT
Тип тормозного диска : вентилируемый
Тип тормозного диска : с прорезями / перфорированный
Наружный диаметр [мм] : 280
Толщина тормозного диска (мм) : 24
Дополнительный артикул / дополнительная информация 2 : с винтами
Высота [мм] : 44
Ø фаски [мм] : 108
Диаметр центрирования [мм] : 61
Количество отверстий : 5
Поверхность : лакированный
Минимальная толщина [мм] : 21,8
|
|
Тормозной диск
MAXGEAR 19-1184SPORT
Тип тормозного диска : цельный
Тип тормозного диска : с прорезями / перфорированный
Наружный диаметр [мм] : 265
Толщина тормозного диска (мм) : 11
Высота [мм] : 44
Ø фаски [мм] : 108
Диаметр центрирования [мм] : 66
Количество отверстий : 5
Поверхность : лакированный
Минимальная толщина [мм] : 9,5
|
|
Тормозной диск
MAXGEAR 19-2002
Тип тормозного диска : вентилируемый
Наружный диаметр [мм] : 280
Толщина тормозного диска (мм) : 24
Высота [мм] : 43,9
Ø фаски [мм] : 108
Диаметр центрирования [мм] : 61
Количество отверстий : 5
Минимальная толщина [мм] : 21,8
|
|
Тормозной диск
MAXGEAR 19-2002MAX
Тип тормозного диска : вентилируемый
Наружный диаметр [мм] : 280
Толщина тормозного диска (мм) : 24
Высота [мм] : 43,9
Ø фаски [мм] : 108
Диаметр центрирования [мм] : 61
Количество отверстий : 5
Поверхность : лакированный
Минимальная толщина [мм] : 21,8
|
|
Тормозной диск
MAXGEAR 19-2002SPORT
Тип тормозного диска : вентилируемый
Тип тормозного диска : с прорезями / перфорированный
Наружный диаметр [мм] : 280
Толщина тормозного диска (мм) : 24
Высота [мм] : 43,9
Ø фаски [мм] : 108
Диаметр центрирования [мм] : 61
Количество отверстий : 5
Поверхность : лакированный
Минимальная толщина [мм] : 21,8
|
|
Тормозной диск
MAXGEAR 19-2530
Тип тормозного диска : вентилируемый
Наружный диаметр [мм] : 262
Толщина тормозного диска (мм) : 22
Дополнительный артикул / дополнительная информация 2 : с винтами
Высота [мм] : 44
Ø фаски [мм] : 108
Диаметр центрирования [мм] : 61
Количество отверстий : 5
Минимальная толщина [мм] : 19,8
|
|
Тормозной диск
MAXGEAR 19-2530SPORT
Тип тормозного диска : вентилируемый
Тип тормозного диска : с прорезями / перфорированный
Наружный диаметр [мм] : 262
Толщина тормозного диска (мм) : 22
Дополнительный артикул / дополнительная информация 2 : с винтами
Высота [мм] : 44
Ø фаски [мм] : 108
Диаметр центрирования [мм] : 61
Количество отверстий : 5
Поверхность : лакированный
Минимальная толщина [мм] : 19,8
|
|
Тормозной диск
MAXTECH 875312
Сторона установки : передний мост
Тип тормозного диска : вентилируемый
Минимальная толщина [мм] : 19,8
Вес [кг] : 5,8
Толщина тормозного диска (мм) : 22
Ø фаски [мм] : 100
Количество отверстий : 4
Диаметр отверстия [мм] : 13,5
Внутренний диаметр : 132
проверочное значение : 90R-02C01327/31793
Высота [мм] : 44
Диаметр центрирования [мм] : 61
Наружный диаметр [мм] : 262
|
|
Тормозной диск
METELLI 23-0466
проверочное значение : ECE-R90
Высота [мм] : 44
Тип тормозного диска : вентилируемый
Толщина тормозного диска (мм) : 22
Наружный диаметр [мм] : 262
Количество отверстий : 5
Диаметр центрирования [мм] : 61
|
|
Тормозной диск
METELLI 23-0535
проверочное значение : ECE-R90
Высота [мм] : 44,5
Тип тормозного диска : цельный
Толщина тормозного диска (мм) : 10,5
Наружный диаметр [мм] : 265
Количество отверстий : 5
Диаметр центрирования [мм] : 66
|
|
Тормозной диск
MILES K000870
Сторона установки : спереди
Количество отверстий : 5
Тип тормозного диска : вентилируемый
Наружный диаметр [мм] : 279,5
Высота [мм] : 43,9
Диаметр центрирования [мм] : 61
Ø фаски [мм] : 108
Диаметр отверстия под шпильку колеса [мм] : 15,6
Толщина тормозного диска (мм) : 24
Минимальная толщина [мм] : 22
|
|
Тормозной диск
MILES K200870
Сторона установки : спереди
Количество отверстий : 5
Тип тормозного диска : вентилируемый
Наружный диаметр [мм] : 279,5
Высота [мм] : 43,9
Диаметр центрирования [мм] : 61
Ø фаски [мм] : 108
Диаметр отверстия под шпильку колеса [мм] : 15,6
Толщина тормозного диска (мм) : 24
Минимальная толщина [мм] : 22
Поверхность : с покрытием
|
|
Тормозной диск
MILES K001115
Сторона установки : спереди
Количество отверстий : 5
Тип тормозного диска : вентилируемый
Наружный диаметр [мм] : 279,9
Высота [мм] : 43,9
Диаметр центрирования [мм] : 61
Ø фаски [мм] : 108
Диаметр отверстия под шпильку колеса [мм] : 15,7
Толщина тормозного диска (мм) : 24
Минимальная толщина [мм] : 21,8
|
|
Тормозной диск
MILES K201115
Сторона установки : спереди
Количество отверстий : 5
Тип тормозного диска : вентилируемый
Наружный диаметр [мм] : 279,9
Высота [мм] : 43,9
Диаметр центрирования [мм] : 61
Ø фаски [мм] : 108
Диаметр отверстия под шпильку колеса [мм] : 15,7
Толщина тормозного диска (мм) : 24
Минимальная толщина [мм] : 21,8
Поверхность : с покрытием
|
|
Тормозной диск
MINTEX MDC2238
Тип тормозного диска : с внешней вентиляцией
Наружный диаметр [мм] : 280
Толщина тормозного диска (мм) : 24
Высота [мм] : 43,9
Минимальная толщина [мм] : 21,8
Внутренний диаметр : 140
Ø фаски [мм] : 108
Диаметр центрирования [мм] : 61
Расположение/число отверстий : 05/07
Диаметр отверстия под шпильку колеса [мм] : 15,7
Дополнительный артикул / дополнительная информация 2 : без ступицы
Дополнительный артикул / дополнительная информация 2 : без колесного подшипника
Дополнительный артикул / дополнительная информация 2 : без колесной крепящей оси
Длина упаковки [см] : 29,3
Ширина упаковки [см] : 29,3
Высота упаковки [см] : 10,5
Вес [кг] : 6,7
|
|
Тормозной диск
MINTEX MDC763
Тип тормозного диска : вентилируемый
Наружный диаметр [мм] : 262
Толщина тормозного диска (мм) : 22
Высота [мм] : 44
Минимальная толщина [мм] : 19,8
Внутренний диаметр : 132
Ø фаски [мм] : 108
Диаметр центрирования [мм] : 61
Расположение/число отверстий : 05/07
Диаметр отверстия под шпильку колеса [мм] : 15,5
Дополнительный артикул / дополнительная информация 2 : без ступицы
Дополнительный артикул / дополнительная информация 2 : без колесного подшипника
Дополнительный артикул / дополнительная информация 2 : без колесной крепящей оси
Длина упаковки [см] : 27,8
Ширина упаковки [см] : 27,8
Высота упаковки [см] : 10,5
Вес [кг] : 5,8
|
|
Тормозной диск
MINTEX MDC785
Тип тормозного диска : цельный
Наружный диаметр [мм] : 265
Толщина тормозного диска (мм) : 10,5
Высота [мм] : 44,3
Минимальная толщина [мм] : 9,5
Внутренний диаметр : 149,7
Ø фаски [мм] : 108
Диаметр центрирования [мм] : 66
Расположение/число отверстий : 05/07
Диаметр отверстия под шпильку колеса [мм] : 15,4
Дополнительный артикул / дополнительная информация 2 : без ступицы
Дополнительный артикул / дополнительная информация 2 : без колесного подшипника
Дополнительный артикул / дополнительная информация 2 : без колесной крепящей оси
Длина упаковки [см] : 27,8
Ширина упаковки [см] : 27,8
Высота упаковки [см] : 10,5
Вес [кг] : 4
|
|
Тормозной диск
MOTAQUIP LVBD1545
Тип тормозного диска : вентилируемый
Наружный диаметр [мм] : 280
Толщина тормозного диска (мм) : 24
Высота [мм] : 44
Диаметр центрирования [мм] : 61
Количество отверстий : 5
Поверхность : с покрытием
Вес [кг] : 6,9
Минимальная толщина [мм] : 22
|
|
Тормозной диск
MOTAQUIP LVBD722
Тип тормозного диска : вентилируемый
Наружный диаметр [мм] : 280
Толщина тормозного диска (мм) : 24
Высота [мм] : 44
Ø фаски [мм] : 108
Диаметр центрирования [мм] : 61
Количество отверстий : 5
Минимальная толщина [мм] : 21,8
Число отверстий : 2
|
|
Тормозной диск
MOTAQUIP LVBD781Z
Тип тормозного диска : цельный
Наружный диаметр [мм] : 265
Толщина тормозного диска (мм) : 10,5
Высота [мм] : 44,4
Диаметр центрирования [мм] : 66
Количество отверстий : 5
Минимальная толщина [мм] : 9,5
Число отверстий : 2
|
|
Тормозной диск
National NBD490
Тип тормозного диска : вентилируемый
Наружный диаметр [мм] : 262
Толщина тормозного диска (мм) : 22
Высота [мм] : 44
Ø фаски [мм] : 108
Диаметр центрирования [мм] : 61
Количество отверстий : 5
|
|
Тормозной диск
National NBD491
Тип тормозного диска : вентилируемый
Наружный диаметр [мм] : 280
Толщина тормозного диска (мм) : 24
Высота [мм] : 44
Ø фаски [мм] : 108
Диаметр центрирования [мм] : 61
Количество отверстий : 5
|
|
Тормозной диск
National NBD496
Тип тормозного диска : цельный
Наружный диаметр [мм] : 265
Толщина тормозного диска (мм) : 10,5
Высота [мм] : 44
Ø фаски [мм] : 108
Диаметр центрирования [мм] : 66
Количество отверстий : 5
|
|
Тормозной диск
NK 203912
Наружный диаметр [мм] : 262
Толщина тормозного диска (мм) : 22
Минимальная толщина [мм] : 19,8
Высота [мм] : 44
Число отверстий в диске колеса : 5
Тип тормозного диска : вентилируемый
Диаметр центрирования [мм] : 61
Поверхность : промасленный
Вес нетто [кг] : 5,8
|
|
Тормозной диск
NK 313912
Наружный диаметр [мм] : 262
Толщина тормозного диска (мм) : 22
Минимальная толщина [мм] : 19,8
Высота [мм] : 44
Число отверстий в диске колеса : 5
Тип тормозного диска : вентилируемый
Диаметр центрирования [мм] : 61
Поверхность : с покрытием
Вес нетто [кг] : 5,8
|
|
Тормозной диск
NK 203913
Наружный диаметр [мм] : 280
Толщина тормозного диска (мм) : 24
Минимальная толщина [мм] : 21,8
Высота [мм] : 44
Число отверстий в диске колеса : 5
Тип тормозного диска : вентилируемый
Диаметр центрирования [мм] : 61
Поверхность : промасленный
Вес нетто [кг] : 6,76
|
|
Тормозной диск
NK 313913
Наружный диаметр [мм] : 280
Толщина тормозного диска (мм) : 24
Минимальная толщина [мм] : 21,8
Высота [мм] : 44
Число отверстий в диске колеса : 5
Тип тормозного диска : вентилируемый
Диаметр центрирования [мм] : 61
Поверхность : с покрытием
Вес нетто [кг] : 6,76
|
|
Тормозной диск
NK 203915
Наружный диаметр [мм] : 265
Толщина тормозного диска (мм) : 10,5
Минимальная толщина [мм] : 9,5
Высота [мм] : 44,5
Число отверстий в диске колеса : 5
Тип тормозного диска : цельный
Диаметр центрирования [мм] : 66
Поверхность : промасленный
Вес нетто [кг] : 4,06
|
|
Тормозной диск
NPS R330T06
Спецификация : Qte packaging: 1
Сторона установки : передний мост
Наружный диаметр [мм] : 280
Диаметр центрирования [мм] : 61
Количество частей [част.] : 1
Тип тормозного диска : вентилируемый
Высота [мм] : 44
Количество отверстий : 5
Толщина тормозного диска (мм) : 24
Минимальная толщина [мм] : 21,8
|
|
Тормозной диск
OPEN PARTS BDA1879.20
Тип тормозного диска : вентилируемый
Наружный диаметр [мм] : 280
Высота [мм] : 44
Толщина тормозного диска (мм) : 24
Диаметр центрирования [мм] : 61
Количество отверстий : 5
Дополнительный артикул / дополнительная информация 2 : с винтами
Минимальная толщина [мм] : 21,8
|
|
Тормозной диск
OPEN PARTS BDR1816.20
Тип тормозного диска : вентилируемый
Поверхность : лакированный
Наружный диаметр [мм] : 280
Высота [мм] : 44
Толщина тормозного диска (мм) : 24
Диаметр центрирования [мм] : 61
Количество отверстий : 5
Минимальная толщина [мм] : 21,8
|
|
Тормозной диск
OPEN PARTS BDA1465.20
Тип тормозного диска : вентилируемый
Наружный диаметр [мм] : 262
Высота [мм] : 44
Толщина тормозного диска (мм) : 22
Диаметр центрирования [мм] : 61
Количество отверстий : 5
Минимальная толщина [мм] : 19,8
|
|
Тормозной диск
OPEN PARTS BDR1465.20
Тип тормозного диска : вентилируемый
Поверхность : лакированный
Наружный диаметр [мм] : 262
Высота [мм] : 44
Толщина тормозного диска (мм) : 22
Диаметр центрирования [мм] : 61
Количество отверстий : 5
Минимальная толщина [мм] : 19,8
|
|
Тормозной диск
OPTIMAL BS-2392C
Сторона установки : Задний мост
Тип тормозного диска : цельный
Толщина тормозного диска (мм) : 10,5
Наружный диаметр [мм] : 265
Высота [мм] : 44,3
Диаметр центрирования [мм] : 66
Поверхность : с покрытием
Минимальная толщина [мм] : 9,5
Расположение/число отверстий : 5/7
|
|
Тормозной диск
OPTIMAL BS-3010
Сторона установки : передний мост
Тип тормозного диска : вентилируемый
Толщина тормозного диска (мм) : 24
Наружный диаметр [мм] : 280
Высота [мм] : 43,9
Диаметр центрирования [мм] : 61
Минимальная толщина [мм] : 21,8
Расположение/число отверстий : 5/7
|
|
Тормозной диск
OPTIMAL BS-6360C
Сторона установки : передний мост
Тип тормозного диска : вентилируемый
Толщина тормозного диска (мм) : 24
Наружный диаметр [мм] : 280
Высота [мм] : 44
Диаметр центрирования [мм] : 61
Поверхность : с покрытием
Дополнительный артикул / дополнительная информация 2 : с винтами
Минимальная толщина [мм] : 21,8
Расположение/число отверстий : 5/7
|
|
Тормозной диск
OPTIMAL BS-7964C
Сторона установки : передний мост
Тип тормозного диска : вентилируемый
Толщина тормозного диска (мм) : 22
Наружный диаметр [мм] : 262
Высота [мм] : 44
Диаметр центрирования [мм] : 61
Поверхность : с покрытием
Минимальная толщина [мм] : 19,8
Расположение/число отверстий : 5/7
|
|
Тормозной диск
OSSCA 75366
Сторона установки : спереди
Тип тормозного диска : цельный
Толщина тормозного диска (мм) : 24
Высота [мм] : 43,9
Наружный диаметр [мм] : 280
|
|
Тормозной диск
PAGID 55024NC
Тип тормозного диска : с внешней вентиляцией
Наружный диаметр [мм] : 280
Толщина тормозного диска (мм) : 24
Высота [мм] : 43,9
Минимальная толщина [мм] : 21,8
Поверхность : с покрытием
Внутренний диаметр : 140
Ø фаски [мм] : 108
Диаметр центрирования [мм] : 61
Расположение/число отверстий : 05/07
Диаметр отверстия под шпильку колеса [мм] : 15,7
Дополнительный артикул / дополнительная информация 2 : без ступицы
Дополнительный артикул / дополнительная информация 2 : без колесного подшипника
Дополнительный артикул / дополнительная информация 2 : без колесной крепящей оси
Длина упаковки [см] : 29,3
Ширина упаковки [см] : 29,3
Высота упаковки [см] : 6,5
Вес [кг] : 6,7
|
|
Тормозной диск
PILENGA 5746
Сторона установки : Задний мост
Тип тормозного диска : цельный
Минимальная толщина [мм] : 9,5
Толщина тормозного диска (мм) : 10,5
Количество отверстий 1 : 5
Количество отверстий 2 : 2
Внутренний диаметр : 149,6
Высота [мм] : 44,3
Диаметр центрирования [мм] : 66
Наружный диаметр [мм] : 265
|
|
Тормозной диск
PILENGA V743
Сторона установки : передний мост
Тип тормозного диска : вентилируемый
Минимальная толщина [мм] : 19,8
Толщина тормозного диска (мм) : 22
Количество отверстий 1 : 5
Количество отверстий 2 : 2
Внутренний диаметр : 132
Высота [мм] : 44
Обработка : Высокоуглеродистый
Диаметр центрирования [мм] : 61
Наружный диаметр [мм] : 262
|
|
Тормозной диск
PILENGA V744
Сторона установки : передний мост
Тип тормозного диска : вентилируемый
Минимальная толщина [мм] : 21,8
Толщина тормозного диска (мм) : 24
Количество отверстий 1 : 5
Количество отверстий 2 : 2
Внутренний диаметр : 132
Высота [мм] : 43,9
Диаметр центрирования [мм] : 61
Наружный диаметр [мм] : 280
|
|
Тормозной диск
PILENGA V748
Сторона установки : передний мост
Тип тормозного диска : вентилируемый
Минимальная толщина [мм] : 21,8
Толщина тормозного диска (мм) : 24
Количество отверстий 1 : 5
Количество отверстий 2 : 2
Внутренний диаметр : 140
Высота [мм] : 44
Обработка : Высокоуглеродистый
Диаметр центрирования [мм] : 61
Наружный диаметр [мм] : 280
|
|
Тормозной диск
QUARO QD7730
Тип тормозного диска : с внешней вентиляцией
Наружный диаметр [мм] : 280
Толщина тормозного диска (мм) : 24
Дополнительный артикул / дополнительная информация 2 : без ступицы
Дополнительный артикул / дополнительная информация 2 : без колесной крепящей оси
Высота [мм] : 43,9
Ø фаски [мм] : 108
Диаметр центрирования [мм] : 61
Количество отверстий : 5
Поверхность : лакированный
Минимальная толщина [мм] : 21,8
|
|
Комплект болтов, тормозной диск
QUICK BRAKE 11663K
Длина [мм] : 17
Размер резьбы : M8x1,25
Тип резьбы : с наружной резьбой
Ширина зева гаечного ключа : Torx-40
|
|
Комплект болтов, тормозной диск
QUICK BRAKE 11672K
Длина [мм] : 18
Размер резьбы : M8x1,25
Тип резьбы : с наружной резьбой
Ширина зева гаечного ключа : Torx-30
|
|
Тормозной диск
QUINTON HAZELL BDC5836
Тип тормозного диска : вентилируемый
Наружный диаметр [мм] : 280
Толщина тормозного диска (мм) : 24
Минимальная толщина [мм] : 21,8
Высота [мм] : 44
Диаметр центрирования [мм] : 61
Ø фаски [мм] : 108
Количество отверстий : 5
|
|
Тормозной диск
R BRAKE 78RBD22233
Толщина тормозного диска (мм) : 19,8
Наружный диаметр [мм] : 262
Тип тормозного диска : вентилируемый
Высота [мм] : 44
Диаметр центрирования [мм] : 61
Ø фаски [мм] : 108
Исполнение оси : Front
Номер технической информации : 78BD2233-2
Диаметр [мм] : 61
Толщина [мм] : 22
Минимальная толщина [мм] : 19,8
Расположение/число отверстий : 5
|
|
Тормозной диск
R BRAKE 78RBD24296
Толщина тормозного диска (мм) : 9,5
Наружный диаметр [мм] : 265
Тип тормозного диска : цельный
Высота [мм] : 44,4
Диаметр центрирования [мм] : 66
Ø фаски [мм] : 108
Исполнение оси : Rear
Номер технической информации : 78BD4296-2
проверочное значение : E1 90R-02C0100/1257
Диаметр [мм] : 66
Толщина [мм] : 10,5
Минимальная толщина [мм] : 9,5
Расположение/число отверстий : 5
Вес [кг] : 8 192
|
|
Тормозной диск
R BRAKE 78RBD26198
Толщина тормозного диска (мм) : 21,8
Наружный диаметр [мм] : 280
Тип тормозного диска : вентилируемый
Высота [мм] : 44
Диаметр центрирования [мм] : 61
Ø фаски [мм] : 108
Исполнение оси : Front
Номер технической информации : 78BD6198-2
проверочное значение : E1 90R-02C0074/0876
проверочное значение : E1 90R-02C0433/0090
Диаметр [мм] : 61
Толщина [мм] : 24
Минимальная толщина [мм] : 21,8
Расположение/число отверстий : 5
|
|
Тормозной диск
RAICAM RD00661
Диаметр центрирования [мм] : 61,2
Тип тормозного диска : вентилируемый
выполняет нормы ЕЭК : E1
Число отверстий в диске колеса : 5
Толщина тормозного диска (мм) : 22
Сторона установки : передний мост
Минимальная толщина [мм] : 19,8
Высота [мм] : 44
Наружный диаметр [мм] : 262
Вес [кг] : 5,8
|
|
Тормозной диск
RAICAM RD00662
Наружный диаметр [мм] : 280
Вес [кг] : 7
Диаметр центрирования [мм] : 61
Тип тормозного диска : вентилируемый
выполняет нормы ЕЭК : E1
Число отверстий в диске колеса : 5
Толщина тормозного диска (мм) : 24
Сторона установки : передний мост
Минимальная толщина [мм] : 21,8
Высота [мм] : 44
|
|
Тормозной диск
RAICAM RD00664
Сторона установки : Задний мост
Минимальная толщина [мм] : 9,5
Высота [мм] : 44
Наружный диаметр [мм] : 265
Вес [кг] : 4
Диаметр центрирования [мм] : 66
Тип тормозного диска : цельный
выполняет нормы ЕЭК : E1
Число отверстий в диске колеса : 5
Толщина тормозного диска (мм) : 10,5
|
|
Тормозной диск
REMSA 6227.11
проверочное значение : K.B.A.: 61209
Сторона установки : передний мост
Диаметр [мм] : 262
Высота [мм] : 44
Тип тормозного диска : вентилируемый
Толщина тормозного диска (мм) : 22
Минимальная толщина [мм] : 19,8
Количество отверстий : 5
Диаметр центрирования [мм] : 61
Вес [кг] : 5,8
Наружный диаметр [мм] : 262
|
|
Тормозной диск
REMSA 6239.02
проверочное значение : K.B.A.: 61210
Сторона установки : Задний мост
Диаметр [мм] : 265
Высота [мм] : 44,4
Тип тормозного диска : цельный
Толщина тормозного диска (мм) : 10,5
Минимальная толщина [мм] : 9,5
Количество отверстий : 5
Диаметр центрирования [мм] : 66
Вес [кг] : 4
Наружный диаметр [мм] : 265
|
|
Тормозной диск
REMSA 6301.10
проверочное значение : K.B.A.: 61209
Сторона установки : передний мост
Диаметр [мм] : 280
Высота [мм] : 44
Тип тормозного диска : вентилируемый
Толщина тормозного диска (мм) : 24
Минимальная толщина [мм] : 21,8
Количество отверстий : 5
Диаметр центрирования [мм] : 61
Вес [кг] : 6,62
Наружный диаметр [мм] : 280
|
|
Тормозной диск
RIDEX 82B0723
Тип тормозного диска : вентилируемый
Толщина тормозного диска (мм) : 24
Минимальная толщина [мм] : 21,8
Расположение/число отверстий : 5/7
Высота [мм] : 43,9
Диаметр центрирования [мм] : 61
Ø фаски [мм] : 108
Размер резьбы : 15,8
Внутренний диаметр : 140
Сторона установки : передний мост
Наружный диаметр [мм] : 280
|
|
Тормозной диск
ROADHOUSE 6227.11
проверочное значение : K.B.A.: 61209
Вес [кг] : 5,8
Сторона установки : передний мост
Диаметр [мм] : 262
Толщина тормозного диска (мм) : 22
Минимальная толщина [мм] : 19,8
Высота [мм] : 44
Диаметр центрирования [мм] : 61
Количество отверстий : 5
Тип тормозного диска : вентилируемый
Наружный диаметр [мм] : 262
|
|
Тормозной диск
ROADHOUSE 6239.02
проверочное значение : K.B.A.: 61210
Вес [кг] : 4
Сторона установки : Задний мост
Диаметр [мм] : 265
Толщина тормозного диска (мм) : 10,5
Минимальная толщина [мм] : 9,5
Высота [мм] : 44,4
Диаметр центрирования [мм] : 66
Количество отверстий : 5
Тип тормозного диска : цельный
Наружный диаметр [мм] : 265
|
|
Тормозной диск
ROADHOUSE 6301.10
проверочное значение : K.B.A.: 61209
Вес [кг] : 6,62
Сторона установки : передний мост
Диаметр [мм] : 280
Толщина тормозного диска (мм) : 24
Минимальная толщина [мм] : 21,8
Высота [мм] : 44
Диаметр центрирования [мм] : 61
Количество отверстий : 5
Тип тормозного диска : вентилируемый
Наружный диаметр [мм] : 280
|
|
Тормозной диск
ROTINGER RT 1286
Тип тормозного диска : цельный
Сторона установки : Задний мост
Наружный диаметр [мм] : 265
Внутренний диаметр : 148,5
Диаметр центрирования [мм] : 66
Высота [мм] : 44,3
Толщина тормозного диска (мм) : 10,5
Минимальная толщина [мм] : 9,5
Количество отверстий : 5
Размер резьбы : 15
Вес [кг] : 4
Ø фаски [мм] : 108
|
|
Тормозной диск
ROTINGER RT 1286-GL
Тип тормозного диска : цельный
Поверхность : с гальваническим покрытием
Сторона установки : Задний мост
Наружный диаметр [мм] : 265
Внутренний диаметр : 148,5
Диаметр центрирования [мм] : 66
Высота [мм] : 44,3
Толщина тормозного диска (мм) : 10,5
Минимальная толщина [мм] : 9,5
Количество отверстий : 5
Размер резьбы : 15
Вес [кг] : 4
Ø фаски [мм] : 108
|
|
Тормозной диск
ROTINGER RT 1286-GL T3
Тип тормозного диска : цельный
Тип тормозного диска : перфорированный
Поверхность : с гальваническим покрытием
Сторона установки : Задний мост
Наружный диаметр [мм] : 265
Внутренний диаметр : 148,5
Диаметр центрирования [мм] : 66
Высота [мм] : 44,3
Толщина тормозного диска (мм) : 10,5
Минимальная толщина [мм] : 9,5
Количество отверстий : 5
Размер резьбы : 15
Вес [кг] : 4
Ø фаски [мм] : 108
|
|
Тормозной диск
ROTINGER RT 1286-GL T5
Тип тормозного диска : цельный
Тип тормозного диска : перфорированный
Поверхность : с гальваническим покрытием
Сторона установки : Задний мост
Наружный диаметр [мм] : 265
Внутренний диаметр : 148,5
Диаметр центрирования [мм] : 66
Высота [мм] : 44,3
Толщина тормозного диска (мм) : 10,5
Минимальная толщина [мм] : 9,5
Количество отверстий : 5
Размер резьбы : 15
Вес [кг] : 4
Ø фаски [мм] : 108
|
|
Тормозной диск
ROTINGER RT 1286-GL T6
Тип тормозного диска : цельный
Поверхность : с гальваническим покрытием
Сторона установки : Задний мост
Наружный диаметр [мм] : 265
Внутренний диаметр : 148,5
Диаметр центрирования [мм] : 66
Высота [мм] : 44,3
Толщина тормозного диска (мм) : 10,5
Минимальная толщина [мм] : 9,5
Количество отверстий : 5
Размер резьбы : 15
Вес [кг] : 4
Ø фаски [мм] : 108
|
|
Тормозной диск
ROTINGER RT 1286-GL T9
Тип тормозного диска : цельный
Поверхность : с гальваническим покрытием
Сторона установки : Задний мост
Наружный диаметр [мм] : 265
Внутренний диаметр : 148,5
Диаметр центрирования [мм] : 66
Высота [мм] : 44,3
Толщина тормозного диска (мм) : 10,5
Минимальная толщина [мм] : 9,5
Количество отверстий : 5
Размер резьбы : 15
Вес [кг] : 4
Ø фаски [мм] : 108
|
|
Тормозной диск
ROTINGER RT 20017
Тип тормозного диска : вентилируемый
Сторона установки : передний мост
Наружный диаметр [мм] : 262
Внутренний диаметр : 131,8
Диаметр центрирования [мм] : 61
Высота [мм] : 44
Толщина тормозного диска (мм) : 22,1
Минимальная толщина [мм] : 20
Количество отверстий : 5
Размер резьбы : 15,1
Вес [кг] : 6
Ø фаски [мм] : 108
|
|
Тормозной диск
ROTINGER RT 20017-GL
Тип тормозного диска : вентилируемый
Поверхность : с гальваническим покрытием
Сторона установки : передний мост
Наружный диаметр [мм] : 262
Внутренний диаметр : 131,8
Диаметр центрирования [мм] : 61
Высота [мм] : 44
Толщина тормозного диска (мм) : 22,1
Минимальная толщина [мм] : 20
Количество отверстий : 5
Размер резьбы : 15,1
Вес [кг] : 6
Ø фаски [мм] : 108
|
|
Тормозной диск
ROTINGER RT 20017-GL T3
Тип тормозного диска : вентилируемый
Тип тормозного диска : перфорированный
Поверхность : с гальваническим покрытием
Сторона установки : передний мост
Наружный диаметр [мм] : 262
Внутренний диаметр : 131,8
Диаметр центрирования [мм] : 61
Высота [мм] : 44
Толщина тормозного диска (мм) : 22,1
Минимальная толщина [мм] : 20
Количество отверстий : 5
Размер резьбы : 15,1
Вес [кг] : 6
Ø фаски [мм] : 108
|
|
Тормозной диск
ROTINGER RT 20017-GL T5
Тип тормозного диска : вентилируемый
Тип тормозного диска : перфорированный
Поверхность : с гальваническим покрытием
Сторона установки : передний мост
Наружный диаметр [мм] : 262
Внутренний диаметр : 131,8
Диаметр центрирования [мм] : 61
Высота [мм] : 44
Толщина тормозного диска (мм) : 22,1
Минимальная толщина [мм] : 20
Количество отверстий : 5
Размер резьбы : 15,1
Вес [кг] : 6
Ø фаски [мм] : 108
|
|
Тормозной диск
ROTINGER RT 20017-GL T6
Тип тормозного диска : вентилируемый
Поверхность : с гальваническим покрытием
Сторона установки : передний мост
Наружный диаметр [мм] : 262
Внутренний диаметр : 131,8
Диаметр центрирования [мм] : 61
Высота [мм] : 44
Толщина тормозного диска (мм) : 22,1
Минимальная толщина [мм] : 20
Количество отверстий : 5
Размер резьбы : 15,1
Вес [кг] : 6
Ø фаски [мм] : 108
|
|
Тормозной диск
ROTINGER RT 20017-GL T9
Тип тормозного диска : вентилируемый
Поверхность : с гальваническим покрытием
Сторона установки : передний мост
Наружный диаметр [мм] : 262
Внутренний диаметр : 131,8
Диаметр центрирования [мм] : 61
Высота [мм] : 44
Толщина тормозного диска (мм) : 22,1
Минимальная толщина [мм] : 20
Количество отверстий : 5
Размер резьбы : 15,1
Вес [кг] : 6
Ø фаски [мм] : 108
|
|
Тормозной диск
ROTINGER RT 2930
Тип тормозного диска : вентилируемый
Сторона установки : передний мост
Наружный диаметр [мм] : 280
Внутренний диаметр : 140
Диаметр центрирования [мм] : 61
Высота [мм] : 44
Толщина тормозного диска (мм) : 24
Минимальная толщина [мм] : 21,8
Количество отверстий : 5
Размер резьбы : 15,6
Количество отверстий 1 : 2
Расстояние между отверст. 1 [мм] : 105
Вес [кг] : 7
Ø фаски [мм] : 108
|
|
Тормозной диск
ROTINGER RT 2930-GL
Тип тормозного диска : вентилируемый
Поверхность : с гальваническим покрытием
Сторона установки : передний мост
Наружный диаметр [мм] : 280
Внутренний диаметр : 140
Диаметр центрирования [мм] : 61
Высота [мм] : 44
Толщина тормозного диска (мм) : 24
Минимальная толщина [мм] : 21,8
Количество отверстий : 5
Размер резьбы : 15,6
Количество отверстий 1 : 2
Расстояние между отверст. 1 [мм] : 105
Вес [кг] : 7
Ø фаски [мм] : 108
|
|
Тормозной диск
ROTINGER RT 2930-GL T3
Тип тормозного диска : перфорированный
Тип тормозного диска : вентилируемый
Поверхность : с гальваническим покрытием
Сторона установки : передний мост
Наружный диаметр [мм] : 280
Внутренний диаметр : 140
Диаметр центрирования [мм] : 61
Высота [мм] : 44
Толщина тормозного диска (мм) : 24
Минимальная толщина [мм] : 21,8
Количество отверстий : 5
Размер резьбы : 15,6
Количество отверстий 1 : 2
Расстояние между отверст. 1 [мм] : 105
Вес [кг] : 7
Ø фаски [мм] : 108
|
|
Тормозной диск
ROTINGER RT 2930-GL T5
Тип тормозного диска : вентилируемый
Тип тормозного диска : перфорированный
Поверхность : с гальваническим покрытием
Сторона установки : передний мост
Наружный диаметр [мм] : 280
Внутренний диаметр : 140
Диаметр центрирования [мм] : 61
Высота [мм] : 44
Толщина тормозного диска (мм) : 24
Минимальная толщина [мм] : 21,8
Количество отверстий : 5
Размер резьбы : 15,6
Количество отверстий 1 : 2
Расстояние между отверст. 1 [мм] : 105
Вес [кг] : 7
Ø фаски [мм] : 108
|
|
Тормозной диск
ROTINGER RT 2930-GL T6
Тип тормозного диска : вентилируемый
Поверхность : с гальваническим покрытием
Сторона установки : передний мост
Наружный диаметр [мм] : 280
Внутренний диаметр : 140
Диаметр центрирования [мм] : 61
Высота [мм] : 44
Толщина тормозного диска (мм) : 24
Минимальная толщина [мм] : 21,8
Количество отверстий : 5
Размер резьбы : 15,6
Количество отверстий 1 : 2
Расстояние между отверст. 1 [мм] : 105
Вес [кг] : 7
Ø фаски [мм] : 108
|
|
Тормозной диск
ROTINGER RT 2930-GL T9
Тип тормозного диска : вентилируемый
Поверхность : с гальваническим покрытием
Сторона установки : передний мост
Наружный диаметр [мм] : 280
Внутренний диаметр : 140
Диаметр центрирования [мм] : 61
Высота [мм] : 44
Толщина тормозного диска (мм) : 24
Минимальная толщина [мм] : 21,8
Количество отверстий : 5
Размер резьбы : 15,6
Количество отверстий 1 : 2
Расстояние между отверст. 1 [мм] : 105
Вес [кг] : 7
Ø фаски [мм] : 108
|
|
Тормозной диск
SAMKO R1403P
Тип тормозного диска : цельный
Толщина тормозного диска (мм) : 10,5
Количество отверстий : 5
Минимальная толщина [мм] : 9,5
Диаметр центрирования [мм] : 66
Высота [мм] : 44
Тормозная установка : ATE
Наружный диаметр [мм] : 265
|
|
Тормозной диск
SAMKO R1403PR
Количество отверстий : 5
Наружный диаметр [мм] : 265
Высота [мм] : 44
Тип тормозного диска : цельный
Поверхность : с покрытием
Диаметр центрирования [мм] : 66
Толщина тормозного диска (мм) : 10,5
Минимальная толщина [мм] : 9,5
|
|
Тормозной диск
SAMKO R1571V
Количество отверстий : 5
Наружный диаметр [мм] : 280
Минимальная толщина [мм] : 21,8
Толщина тормозного диска (мм) : 24
Высота [мм] : 44
Диаметр центрирования [мм] : 61
Тип тормозного диска : вентилируемый
|
|
Тормозной диск
SAMKO R1571VR
Диаметр центрирования [мм] : 61
Тип тормозного диска : вентилируемый
Высота [мм] : 44
Толщина тормозного диска (мм) : 24
Количество отверстий : 5
Поверхность : с покрытием
Наружный диаметр [мм] : 280
Минимальная толщина [мм] : 21,8
|
|
Тормозной диск
SASIC 4004279J
Сторона установки : передний мост
Тип тормозного диска : вентилируемый
Наружный диаметр [мм] : 262
Толщина тормозного диска (мм) : 22
Высота [мм] : 44
Ø фаски [мм] : 61
Количество отверстий : 5
для оригинального номера : 7701205841
|
|
Тормозной диск
SASIC 4004280J
Сторона установки : Задний мост
Тип тормозного диска : цельный
Наружный диаметр [мм] : 265
Толщина тормозного диска (мм) : 10,5
Высота [мм] : 44,3
Ø фаски [мм] : 66
Количество отверстий : 5
для оригинального номера : 7701205845
|
|
Тормозной диск
SASIC 4004282J
Сторона установки : передний мост
Тип тормозного диска : вентилируемый
Наружный диаметр [мм] : 279
Толщина тормозного диска (мм) : 24
Высота [мм] : 43,9
Ø фаски [мм] : 61
Количество отверстий : 5
для оригинального номера : 7701206198
Дополнительный артикул / дополнительная информация 2 : без колесного подшипника
заменяется только попарно :
|
|
Тормозной диск
SKF VKBD 80210 V2
Тип тормозного диска : вентилируемый
Наружный диаметр [мм] : 280
Толщина тормозного диска (мм) : 24
Высота [мм] : 44
Ø фаски [мм] : 108
Диаметр центрирования [мм] : 61
Количество отверстий : 5
Поверхность : с покрытием
Минимальная толщина [мм] : 21,8
Число отверстий : 2
|
|
Тормозной диск
Stark SKBD-0022873
Тип тормозного диска : вентилируемый
Толщина тормозного диска (мм) : 24
Минимальная толщина [мм] : 21,8
Расположение/число отверстий : 5/7
Высота [мм] : 43,9
Диаметр центрирования [мм] : 61
Ø фаски [мм] : 108
Размер резьбы : 15,8
Внутренний диаметр : 140
Сторона установки : передний мост
Наружный диаметр [мм] : 280
|
|
Тормозной диск
STELLOX 6020-1760-SX
Наружный диаметр [мм] : 280
Толщина тормозного диска (мм) : 24
Высота [мм] : 44
Диаметр центрирования [мм] : 61
Количество отверстий : 5
Минимальная толщина [мм] : 22
Тип тормозного диска : вентилируемый
Сторона установки : передний мост
|
|
Тормозной диск
STELLOX 6020-1760K-SX
Наружный диаметр [мм] : 280
Толщина тормозного диска (мм) : 24
Тип тормозного диска : цельный
Тип тормозного диска : вентилируемый
Сторона установки : передний мост
|
|
Тормозной диск
STELLOX 6020-3912V-SX
Наружный диаметр [мм] : 262
Толщина тормозного диска (мм) : 22,1
Количество отверстий : 5
Тип тормозного диска : вентилируемый
Сторона установки : передний мост
|
|
Тормозной диск
STELLOX 6020-3912VK-SX
Наружный диаметр [мм] : 262
Толщина тормозного диска (мм) : 22,1
Тип тормозного диска : вентилируемый
Сторона установки : передний мост
|
|
Тормозной диск
STELLOX 6020-3913V-SX
Наружный диаметр [мм] : 280
Толщина тормозного диска (мм) : 24
Высота [мм] : 44
Диаметр центрирования [мм] : 61
Количество отверстий : 5
Ø фаски [мм] : 108
Диаметр отверстия [мм] : 16
Минимальная толщина [мм] : 21,8
Тип тормозного диска : вентилируемый
Дополнительный артикул / дополнительная информация 2 : с винтами
Сторона установки : передний мост
|
|
Тормозной диск
STELLOX 6020-3913VK-SX
Наружный диаметр [мм] : 280
Толщина тормозного диска (мм) : 24
Тип тормозного диска : вентилируемый
Сторона установки : передний мост
Ø фаски [мм] : 108
|
|
Тормозной диск
STELLOX 6020-3915-SX
Наружный диаметр [мм] : 265
Толщина тормозного диска (мм) : 10,5
Высота [мм] : 44,4
Диаметр центрирования [мм] : 66
Количество отверстий : 5
Ø фаски [мм] : 108
Диаметр отверстия [мм] : 15
Минимальная толщина [мм] : 9,5
Тип тормозного диска : цельный
Дополнительный артикул / дополнительная информация 2 : с винтами
Сторона установки : Задний мост
|
|
Тормозной диск
STELLOX 6020-3915K-SX
Наружный диаметр [мм] : 265
Толщина тормозного диска (мм) : 11
Тип тормозного диска : цельный
Сторона установки : Задний мост
|
|
Тормозной диск
TEXTAR 92065000
Тип тормозного диска : вентилируемый
Наружный диаметр [мм] : 262
Толщина тормозного диска (мм) : 22
Высота [мм] : 44
Минимальная толщина [мм] : 19,8
Внутренний диаметр : 132
Ø фаски [мм] : 108
Диаметр центрирования [мм] : 61
Расположение/число отверстий : 05/07
Диаметр отверстия под шпильку колеса [мм] : 15,5
Дополнительный артикул / дополнительная информация 2 : без ступицы
Дополнительный артикул / дополнительная информация 2 : без колесного подшипника
Дополнительный артикул / дополнительная информация 2 : без колесной крепящей оси
Длина упаковки [см] : 27,8
Ширина упаковки [см] : 27,8
Высота упаковки [см] : 10,5
Вес [кг] : 5,8
|
|
Тормозной диск
TEXTAR 92065007
Тип тормозного диска : вентилируемый
Наружный диаметр [мм] : 262
Толщина тормозного диска (мм) : 22
Высота [мм] : 44
Минимальная толщина [мм] : 19,8
Обработка : легированный/высокоуглеродистый
Поверхность : с покрытием
Внутренний диаметр : 132
Ø фаски [мм] : 108
Диаметр центрирования [мм] : 61
Расположение/число отверстий : 05/07
Диаметр отверстия под шпильку колеса [мм] : 15,5
Дополнительный артикул / дополнительная информация 2 : без ступицы
Дополнительный артикул / дополнительная информация 2 : без колесного подшипника
Дополнительный артикул / дополнительная информация 2 : без колесной крепящей оси
Длина упаковки [см] : 27,8
Ширина упаковки [см] : 27,8
Высота упаковки [см] : 10,5
Вес [кг] : 5,8
|
|
Тормозной диск
TEXTAR 92202403
Тип тормозного диска : с внешней вентиляцией
Наружный диаметр [мм] : 280
Толщина тормозного диска (мм) : 24
Высота [мм] : 43,9
Минимальная толщина [мм] : 21,8
Поверхность : с покрытием
Внутренний диаметр : 140
Ø фаски [мм] : 108
Диаметр центрирования [мм] : 61
Расположение/число отверстий : 05/07
Диаметр отверстия под шпильку колеса [мм] : 15,7
Дополнительный артикул / дополнительная информация 2 : без ступицы
Дополнительный артикул / дополнительная информация 2 : без колесного подшипника
Дополнительный артикул / дополнительная информация 2 : без колесной крепящей оси
Длина упаковки [см] : 29,3
Ширина упаковки [см] : 29,3
Высота упаковки [см] : 10,5
Вес [кг] : 6,7
|
|
Тормозной диск
TEXTAR 92065100
Тип тормозного диска : цельный
Наружный диаметр [мм] : 265
Толщина тормозного диска (мм) : 10,5
Высота [мм] : 44,3
Минимальная толщина [мм] : 9,5
Внутренний диаметр : 149,7
Ø фаски [мм] : 108
Диаметр центрирования [мм] : 66
Расположение/число отверстий : 05/07
Диаметр отверстия под шпильку колеса [мм] : 15,4
Дополнительный артикул / дополнительная информация 2 : без ступицы
Дополнительный артикул / дополнительная информация 2 : без колесного подшипника
Дополнительный артикул / дополнительная информация 2 : без колесной крепящей оси
Длина упаковки [см] : 27,8
Ширина упаковки [см] : 27,8
Высота упаковки [см] : 10,5
Вес [кг] : 4
|
|
Тормозной диск
TOMEX Brakes TX 72-82
Сторона установки : передний мост
Тип тормозного диска : вентилируемый
Толщина тормозного диска (мм) : 24
Наружный диаметр [мм] : 280
Высота [мм] : 43,9
Количество отверстий : 5
Диаметр центрирования [мм] : 61
Ø фаски [мм] : 108
Поверхность : лакированный
Вес [кг] : 13,65
Минимальная толщина [мм] : 21,8
|
|
Тормозной диск
TRIALLI DF 266015
Тип тормозного диска : вентилируемый
Сторона установки : передний мост
Наружный диаметр [мм] : 280
Высота [мм] : 43,9
Толщина тормозного диска (мм) : 24
Минимальная толщина [мм] : 21,8
Диаметр центрирования [мм] : 61
Количество крепежных отверстий : 5
Ø фаски [мм] : 108
|
|
Комплект болтов, тормозной диск
TRISCAN 8105 116004
Длина [мм] : 17
Размер резьбы : M8x1,25
Тип резьбы : с наружной резьбой
Ширина зева гаечного ключа : Torx-40
|
|
Комплект болтов, тормозной диск
TRISCAN 8105 116013
Длина [мм] : 18
Размер резьбы : M8x1,25
Тип резьбы : с наружной резьбой
Ширина зева гаечного ключа : Torx-30
|
|
Тормозной диск
TRISCAN 8120 25110C
Наружный диаметр [мм] : 280
Тип тормозного диска : вентилируемый
Количество отверстий : 5
Толщина тормозного диска (мм) : 24
|
|
Тормозной диск
TRUCKTEC AUTOMOTIVE 02.35.443
для оригинального номера : 415 420 0701
Сторона установки : передний мост
Тип тормозного диска : вентилируемый
Толщина тормозного диска (мм) : 24
Наружный диаметр [мм] : 280
Количество отверстий : 5
Ø фаски [мм] : 108
|
|
Тормозной диск
TRUSTING DF180
проверочное значение : ECE-R90
Высота [мм] : 44,5
Тип тормозного диска : цельный
Толщина тормозного диска (мм) : 10,5
Наружный диаметр [мм] : 265
Количество отверстий : 5
Диаметр центрирования [мм] : 66
|
|
Тормозной диск
TRUSTING DF780
проверочное значение : ECE-R90
Высота [мм] : 44
Тип тормозного диска : вентилируемый
Толщина тормозного диска (мм) : 22
Наружный диаметр [мм] : 262
Количество отверстий : 5
Диаметр центрирования [мм] : 61
|
|
Тормозной диск
TRW DF1029
Поверхность : лакированный
Тип тормозного диска : цельный
Наружный диаметр [мм] : 265
Толщина тормозного диска (мм) : 11
Минимальная толщина [мм] : 9,5
Диаметр центрирования [мм] : 66
Высота [мм] : 44
Количество отверстий : 5
Размер резьбы : 15
Ø фаски [мм] : 108
Цвет : чёрный
проверочное значение : E1 90R-02 C0190/0537
SVHC : Нет информации, обратитесь, пожалуйста, к производителю!
|
|
Тормозной диск
TRW DF1036
Поверхность : лакированный
Тип тормозного диска : вентилируемый
Наружный диаметр [мм] : 262
Толщина тормозного диска (мм) : 22
Минимальная толщина [мм] : 19,8
Диаметр центрирования [мм] : 61
Высота [мм] : 44
Количество отверстий : 5
Размер резьбы : 15
Ø фаски [мм] : 108
Цвет : чёрный
проверочное значение : E1 90R-02 C0176/0529
SVHC : Нет информации, обратитесь, пожалуйста, к производителю!
|
|
Тормозной диск
TRW DF4109
Тип тормозного диска : вентилируемый
Наружный диаметр [мм] : 280
Толщина тормозного диска (мм) : 24
Минимальная толщина [мм] : 21,8
Диаметр центрирования [мм] : 61
Высота [мм] : 44
Количество отверстий : 5
Размер резьбы : 13,5
Ø фаски [мм] : 108
Обработка : Высокоуглеродистый
Цвет : чёрный
Поверхность : лакированный
Дополнительный артикул / дополнительная информация 2 : с винтами
проверочное значение : E1 90R-02 C0185/0607
SVHC : Нет информации, обратитесь, пожалуйста, к производителю!
|
|
Тормозной диск
TRW DF6110
Тип тормозного диска : вентилируемый
Наружный диаметр [мм] : 280
Толщина тормозного диска (мм) : 24
Минимальная толщина [мм] : 21,8
Количество отверстий : 5
Высота [мм] : 43,9
Диаметр центрирования [мм] : 61
Ø фаски [мм] : 108
Размер резьбы : 15,7
Цвет : чёрный
Поверхность : лакированный
проверочное значение : E1 90R-02 C0185/0659
SVHC : Нет информации, обратитесь, пожалуйста, к производителю!
|
|
Тормозной диск
VAICO V46-40005
Сторона установки : Задний мост
Высота ступицы тормозного диска [мм] : 33,8
Число отверстий в диске колеса : 5
Высота [мм] : 44,3
Тип тормозного диска : цельный
Толщина тормозного диска (мм) : 10,5
Минимальная толщина [мм] : 9,5
Наружный диаметр [мм] : 265
Диаметр центрирования [мм] : 66
Ø фаски [мм] : 108
|
|
Тормозной диск
VAICO V46-40032
Число отверстий в диске колеса : 5
Высота [мм] : 45
Тип тормозного диска : вентилируемый
Толщина тормозного диска (мм) : 26
Минимальная толщина [мм] : 23,8
Наружный диаметр [мм] : 280
Диаметр центрирования [мм] : 61
Ø фаски [мм] : 108
Высота ступицы тормозного диска [мм] : 19
Сторона установки : передний мост
|
|
Тормозной диск
VAICO V46-80009
Высота ступицы тормозного диска [мм] : 22,5
Сторона установки : передний мост
Число отверстий в диске колеса : 5
Высота [мм] : 44
Тип тормозного диска : вентилируемый
Толщина тормозного диска (мм) : 22
Минимальная толщина [мм] : 19,8
Наружный диаметр [мм] : 262
Диаметр центрирования [мм] : 61
Ø фаски [мм] : 108
|
|
Тормозной диск
WOKING D6227.11
проверочное значение : K.B.A.: 61209
Сторона установки : передний мост
Диаметр [мм] : 262
Толщина тормозного диска (мм) : 22
Минимальная толщина [мм] : 19,8
Высота [мм] : 44
Диаметр центрирования [мм] : 61
Количество отверстий : 5
Тип тормозного диска : вентилируемый
Вес [кг] : 5,8
Наружный диаметр [мм] : 262
|
|
Тормозной диск
WOKING D6239.02
проверочное значение : K.B.A.: 61210
Сторона установки : Задний мост
Диаметр [мм] : 265
Толщина тормозного диска (мм) : 10,5
Минимальная толщина [мм] : 9,5
Высота [мм] : 44,4
Диаметр центрирования [мм] : 66
Количество отверстий : 5
Тип тормозного диска : цельный
Вес [кг] : 4
Наружный диаметр [мм] : 265
|
|
Тормозной диск
WOKING D6301.10
проверочное значение : K.B.A.: 61209
Сторона установки : передний мост
Диаметр [мм] : 280
Толщина тормозного диска (мм) : 24
Минимальная толщина [мм] : 21,8
Высота [мм] : 44
Диаметр центрирования [мм] : 61
Количество отверстий : 5
Тип тормозного диска : вентилируемый
Вес [кг] : 6,62
Наружный диаметр [мм] : 280
|
|
Тормозной диск
ZEKKERT BS-5631
Тип тормозного диска : вентилируемый
Наружный диаметр [мм] : 280
Высота [мм] : 44
Толщина тормозного диска (мм) : 24
Минимальная толщина [мм] : 21,8
Количество отверстий : 7
Диаметр центрирования [мм] : 61
Диаметр расположения крепёжных отверстий ступицы [мм] : 108
Номера артикулов рекомендуемых комплектующих : CP-1105
Номера артикулов рекомендуемых комплектующих : CP-1205
Номера артикулов рекомендуемых комплектующих : CP-1305
Номера артикулов рекомендуемых комплектующих : CP-1965
Номера артикулов рекомендуемых комплектующих : FK-2005
Номера артикулов рекомендуемых комплектующих : FK-2010
Вес [кг] : 6,85
|
|
Тормозной диск
ZEKKERT BS-5631B
Тип тормозного диска : вентилируемый
Наружный диаметр [мм] : 280
Высота [мм] : 44
Толщина тормозного диска (мм) : 24
Минимальная толщина [мм] : 21,8
Количество отверстий : 7
Диаметр центрирования [мм] : 61
Поверхность : лакированный
Диаметр расположения крепёжных отверстий ступицы [мм] : 108
Номера артикулов рекомендуемых комплектующих : CP-1105
Номера артикулов рекомендуемых комплектующих : CP-1205
Номера артикулов рекомендуемых комплектующих : CP-1305
Номера артикулов рекомендуемых комплектующих : CP-1965
Номера артикулов рекомендуемых комплектующих : FK-2005
Номера артикулов рекомендуемых комплектующих : FK-2010
Вес [кг] : 6,9
|
|
Тормозной диск
ZEKKERT BS-5931
Тип тормозного диска : вентилируемый
Наружный диаметр [мм] : 280
Высота [мм] : 44
Толщина тормозного диска (мм) : 24
Минимальная толщина [мм] : 21,8
Количество отверстий : 7
Диаметр центрирования [мм] : 61
Диаметр расположения крепёжных отверстий ступицы [мм] : 108
Номера артикулов рекомендуемых комплектующих : CP-1105
Номера артикулов рекомендуемых комплектующих : CP-1205
Номера артикулов рекомендуемых комплектующих : CP-1305
Номера артикулов рекомендуемых комплектующих : CP-1965
Номера артикулов рекомендуемых комплектующих : FK-2005
Номера артикулов рекомендуемых комплектующих : FK-2010
Вес [кг] : 7,3
|
|
Тормозной диск
ZEKKERT BS-6232
Тип тормозного диска : цельный
Наружный диаметр [мм] : 265
Высота [мм] : 44
Толщина тормозного диска (мм) : 11
Минимальная толщина [мм] : 9,5
Количество отверстий : 7
Диаметр центрирования [мм] : 66
Диаметр расположения крепёжных отверстий ступицы [мм] : 108
Номера артикулов рекомендуемых комплектующих : CP-1105
Номера артикулов рекомендуемых комплектующих : CP-1205
Номера артикулов рекомендуемых комплектующих : CP-1305
Номера артикулов рекомендуемых комплектующих : CP-1965
Номера артикулов рекомендуемых комплектующих : FK-2005
Номера артикулов рекомендуемых комплектующих : FK-2010
Вес [кг] : 4
|