ПОДДЕРЖКА САЙТА


Написать сообщение
MODELS MAZDA MPV I (LV) 3.0 i V6 Тормозной диск / принадлежности

Выберите группу

Выберите запчасти

Изображение Описание
Тормозной диск
A.B.S. 16676

Наружный диаметр [мм] : 276
Толщина тормозного диска (мм) : 28
Минимальная толщина [мм] : 26
Высота [мм] : 58
Число отверстий в диске колеса : 5
Тип тормозного диска : вентилируемый
Диаметр центрирования [мм] : 72
Ø фаски [мм] : 114,3
Диаметр ступицы [мм] : 163

Тормозной диск
A.B.S. 16577

Наружный диаметр [мм] : 286
Толщина тормозного диска (мм) : 18
Минимальная толщина [мм] : 16
Высота [мм] : 57
Число отверстий в диске колеса : 5
Тип тормозного диска : вентилируемый
Диаметр центрирования [мм] : 72
Ø фаски [мм] : 114,3
Поверхность : с покрытием
Диаметр ступицы [мм] : 201

Тормозной диск
ABE C33063ABE

Сторона установки : передний мост
Тип тормозного диска : вентилируемый
Толщина тормозного диска (мм) : 28
Минимальная толщина [мм] : 26
Высота [мм] : 58
Диаметр центрирования [мм] : 72
Количество отверстий : 5
Наружный диаметр [мм] : 276

Тормозной диск
ABE C43024ABE

Высота [мм] : 57
Тип тормозного диска : вентилируемый
Толщина тормозного диска (мм) : 18
Минимальная толщина [мм] : 16
Количество отверстий : 5
Ø фаски [мм] : 114,3
Диаметр ступицы [мм] : 202
Сторона установки : Задний мост
Наружный диаметр [мм] : 286
Диаметр центрирования [мм] : 72
Внутренний диаметр : 202

Тормозной диск
ASHIKA 60-03-384C

Сторона установки : передний мост
Ø фаски [мм] : 72
Высота [мм] : 58,3
Наружный диаметр [мм] : 275,7
Толщина тормозного диска (мм) : 28
Минимальная толщина [мм] : 26
Число отверстий : 5
Тип тормозного диска : вентилируемый
проверочное значение : ECE R90 APPROVED
Поверхность : лакированный
для оригинального номера : LB823325XA

Тормозной диск
ASHIKA 61-03-324C

Сторона установки : Задний мост
Ø фаски [мм] : 72
Высота [мм] : 57,5
Наружный диаметр [мм] : 285,3
Толщина тормозного диска (мм) : 18
Минимальная толщина [мм] : 17
Число отверстий : 5
Тип тормозного диска : вентилируемый
Поверхность : лакированный
для оригинального номера : J00126251D

Тормозной диск
BLUE PRINT ADM54387

Толщина тормозного диска (мм) : 28
Число отверстий в диске колеса : 5
Толщина [мм] : 58
Наружный диаметр [мм] : 276
Ø фаски [мм] : 114
Поверхность : с покрытием
Тип тормозного диска : вентилируемый
Сторона установки : передний мост
Минимальная толщина [мм] : 26
Диаметр центрирования [мм] : 72
Соблюдать сервисную информацию :

Тормозной диск
BORG & BECK BBD5161

Тип тормозного диска : вентилируемый
Наружный диаметр [мм] : 286
Толщина тормозного диска (мм) : 18
Высота [мм] : 85
Диаметр центрирования [мм] : 72
Количество отверстий : 5
Количественная единица : комплект
Поверхность : с покрытием
проверочное значение : ECE R90 Homologated
Минимальная толщина [мм] : 16

Тормозной диск
BREMBO 09.B456.10

Тип тормозного диска : вентилируемый
Толщина тормозного диска (мм) : 18
Количество отверстий : 5
Высота [мм] : 57
Диаметр центрирования [мм] : 72
Наружный диаметр [мм] : 286
Минимальная толщина [мм] : 16

Тормозной диск
BREMSI CD7673V

Сторона установки : передний мост
Наружный диаметр [мм] : 276
Высота [мм] : 58
Тип тормозного диска : вентилируемый
Толщина тормозного диска (мм) : 28
Минимальная толщина [мм] : 26
Количество отверстий : 5
Диаметр центрирования [мм] : 72
Момент затяжки [Нм] : 11

Тормозной диск
CAR 142.049

Сторона установки : 1-й передний мост
Тип тормозного диска : цельный
Наружный диаметр [мм] : 275
Толщина тормозного диска (мм) : 28
Высота [мм] : 64
Диаметр центрирования [мм] : 72
Количество отверстий : 5
для артикула № : CAR: 142.049
для артикула № : IB: MZ 88 1V
для артикула № : RD: 419
Минимальная толщина [мм] : 26
Вес [кг] : 1

Тормозной диск
COMLINE ADC0453V

Тип тормозного диска : вентилируемый
Наружный диаметр [мм] : 286
Толщина тормозного диска (мм) : 16
Высота [мм] : 56,5
Ø фаски [мм] : 114,3
Диаметр центрирования [мм] : 72,2
Число отверстий : 1

Тормозной диск
DANAHER DR11324

Сторона установки : Задний мост
Тип тормозного диска : вентилируемый
Толщина тормозного диска (мм) : 18
Наружный диаметр [мм] : 285
Высота [мм] : 57,3
Количество отверстий : 5
Диаметр центрирования [мм] : 72,1

Тормозной диск
DANAHER DR11326

Сторона установки : передний мост
Тип тормозного диска : вентилируемый
Толщина тормозного диска (мм) : 28
Наружный диаметр [мм] : 276
Высота [мм] : 58
Количество отверстий : 5
Диаметр центрирования [мм] : 72

Тормозной диск
DANAHER DR11530

Сторона установки : передний мост
Тип тормозного диска : вентилируемый
Толщина тормозного диска (мм) : 28
Наружный диаметр [мм] : 276
Высота [мм] : 63,7
Количество отверстий : 5
Диаметр центрирования [мм] : 72

Тормозной диск
DELPHI BG4177

Тип тормозного диска : вентилируемый
Количество отверстий : 5
Поверхность : промасленный
Наружный диаметр [мм] : 285
Толщина тормозного диска (мм) : 18
Минимальная толщина [мм] : 16
Диаметр центрирования [мм] : 72,2
Высота [мм] : 56,5

Тормозной диск
DELPHI BG4663C

Тип тормозного диска : вентилируемый
Количество отверстий : 5
проверочное значение : E1 90R-02C0074/1560
Поверхность : с покрытием
Наружный диаметр [мм] : 276
Толщина тормозного диска (мм) : 28
Минимальная толщина [мм] : 26
Диаметр центрирования [мм] : 72
Высота [мм] : 58

Тормозной диск
EUROBRAKE 5815203243

Наружный диаметр [мм] : 276
Толщина тормозного диска (мм) : 28
Минимальная толщина [мм] : 26
Высота [мм] : 59
Число отверстий в диске колеса : 5
Тип тормозного диска : вентилируемый
Диаметр центрирования [мм] : 72
Поверхность : промасленный
Вес нетто [кг] : 7,99

Тормозной диск
EUROBRAKE 5815203242

Наружный диаметр [мм] : 286
Толщина тормозного диска (мм) : 18
Минимальная толщина [мм] : 16
Высота [мм] : 56,5
Число отверстий в диске колеса : 5
Тип тормозного диска : вентилируемый
Диаметр центрирования [мм] : 72,2
Поверхность : промасленный
Вес нетто [кг] : 5,43

Тормозной диск
FAST FT31132

Сторона установки : передний мост
Высота [мм] : 42
Тип тормозного диска : вентилируемый
Толщина тормозного диска (мм) : 26
Число отверстий : 10
Наружный диаметр [мм] : 290
Количество отверстий : 10
Диаметр центрирования [мм] : 102

Тормозной диск
FERODO DDF1673

Тип тормозного диска : вентилируемый
Наружный диаметр [мм] : 276
Толщина тормозного диска (мм) : 28
Дополнительный артикул / дополнительная информация 2 : без винтов
Высота [мм] : 58
Ø фаски [мм] : 114,3
Диаметр центрирования [мм] : 72
Количество отверстий : 5
Количественная единица : комплект
Поверхность : промасленный
проверочное значение : R90 Homologated
Вес [кг] : 16,45
Минимальная толщина [мм] : 26
Тип контейнера : Коробка
Длина упаковки [см] : 27
Ширина упаковки [см] : 27
Высота упаковки [см] : 12,2

Тормозной диск
HART 215 430

Сторона установки : передний мост
Тип тормозного диска : вентилируемый
Толщина тормозного диска (мм) : 28
Наружный диаметр [мм] : 276

Тормозной диск
HERTH+BUSS JAKOPARTS J3303064

Тип тормозного диска : вентилируемый
Наружный диаметр [мм] : 276
Толщина тормозного диска (мм) : 28
Минимальная толщина [мм] : 26
Количество отверстий : 5
Ø фаски [мм] : 114,3
Внутренний диаметр : 141,7
Высота [мм] : 57,8
Диаметр ступицы [мм] : 72
Поверхность : с покрытием
SVHC : Не содержит особо опасных веществ!

Тормозной диск
Hi-Q SD2070

Вес [кг] : 6,81
Толщина [мм] : 28
Тип тормозного диска : вентилируемый
Толщина тормозного диска (мм) : 26
Ø фаски [мм] : 114,3
Количество отверстий : 6
Высота [мм] : 50,8
Диаметр центрирования [мм] : 72,1
Наружный диаметр [мм] : 274

Тормозной диск
Hi-Q SD4410

Вес [кг] : 7,99
Толщина [мм] : 28
Тип тормозного диска : вентилируемый
Толщина тормозного диска (мм) : 26
Ø фаски [мм] : 114,3
Количество отверстий : 5
Высота [мм] : 58
Диаметр центрирования [мм] : 72
Наружный диаметр [мм] : 276

Тормозной диск
ICER 78BD2671-2

Толщина тормозного диска (мм) : 26
Наружный диаметр [мм] : 274
Тип тормозного диска : вентилируемый
Высота [мм] : 51
Диаметр центрирования [мм] : 72
Ø фаски [мм] : 114,3
Исполнение оси : Front
Номер технической информации : 78BD2671-2
проверочное значение : E1 90R-02C0074/1560
проверочное значение : E1190R02C01049/52495
Диаметр [мм] : 72
Толщина [мм] : 28
Минимальная толщина [мм] : 26
Расположение/число отверстий : 5

Тормозной диск
JAPANPARTS DI-384C

Сторона установки : передний мост
Ø фаски [мм] : 72
Высота [мм] : 58,3
Наружный диаметр [мм] : 275,7
Толщина тормозного диска (мм) : 28
Минимальная толщина [мм] : 26
Число отверстий : 5
Тип тормозного диска : вентилируемый
проверочное значение : ECE R90 APPROVED
Поверхность : лакированный
для оригинального номера : LB823325XA

Тормозной диск
JAPANPARTS DP-324C

Сторона установки : Задний мост
Ø фаски [мм] : 72
Высота [мм] : 57,5
Наружный диаметр [мм] : 285,3
Толщина тормозного диска (мм) : 18
Минимальная толщина [мм] : 17
Число отверстий : 5
Тип тормозного диска : вентилируемый
Поверхность : лакированный
для оригинального номера : J00126251D

Тормозной диск
JAPKO 60384C

Сторона установки : передний мост
Ø фаски [мм] : 72
Высота [мм] : 58,3
Наружный диаметр [мм] : 275,7
Толщина тормозного диска (мм) : 28
Минимальная толщина [мм] : 26
Число отверстий : 5
Тип тормозного диска : вентилируемый
проверочное значение : ECE R90 APPROVED
Поверхность : лакированный
для оригинального номера : LB823325XA

Тормозной диск
JAPKO 61324C

Сторона установки : Задний мост
Ø фаски [мм] : 72
Высота [мм] : 57,5
Наружный диаметр [мм] : 285,3
Толщина тормозного диска (мм) : 18
Минимальная толщина [мм] : 17
Число отверстий : 5
Тип тормозного диска : вентилируемый
Поверхность : лакированный
для оригинального номера : J00126251D

Тормозной диск
KAISHIN CBR116

для оригинального номера : LB823325XA
Сторона установки : передний мост
проверочное значение : ECE R90 APPROVED
Высота [мм] : 58,3
Тип тормозного диска : вентилируемый
Толщина тормозного диска (мм) : 28
Минимальная толщина [мм] : 26
Число отверстий : 5
Наружный диаметр [мм] : 275,7
Количество отверстий : 5
Ø фаски [мм] : 72
Поверхность : лакированный

Тормозной диск
KAVO PARTS BR-4751-C

Высота [мм] : 58
Тип тормозного диска : вентилируемый
Толщина тормозного диска (мм) : 28
Наружный диаметр [мм] : 275
Количество отверстий : 5
Диаметр центрирования [мм] : 72
Ø фаски [мм] : 114
Поверхность : с покрытием

Тормозной диск
KAVO PARTS BR-4752-C

проверочное значение : R90
Высота [мм] : 57
Тип тормозного диска : вентилируемый
Толщина тормозного диска (мм) : 18
Наружный диаметр [мм] : 286
Количество отверстий : 5
Диаметр центрирования [мм] : 72
Ø фаски [мм] : 110
Поверхность : с покрытием

Тормозной диск
KAWE 62006 10

Диаметр [мм] : 285,6
Сторона установки : Задний мост
Вес [кг] : 5,43
Тип тормозного диска : вентилируемый
Минимальная толщина [мм] : 16
Толщина тормозного диска (мм) : 18
Ø фаски [мм] : 114,3
Количество отверстий : 5
Высота [мм] : 57,1
Диаметр центрирования [мм] : 72,2
Наружный диаметр [мм] : 286

Тормозной диск
KAWE 6892 10

Диаметр [мм] : 275,7
Сторона установки : передний мост
Вес [кг] : 7,99
Тип тормозного диска : вентилируемый
Минимальная толщина [мм] : 26
Толщина тормозного диска (мм) : 28
Количество отверстий : 5
Высота [мм] : 58
Диаметр центрирования [мм] : 72
Наружный диаметр [мм] : 276

Тормозной диск
KAWE 6936 10

Диаметр [мм] : 275,8
Сторона установки : передний мост
Вес [кг] : 7,94
Тип тормозного диска : вентилируемый
Минимальная толщина [мм] : 26
Толщина тормозного диска (мм) : 28
Количество отверстий : 5
Высота [мм] : 63,8
Диаметр центрирования [мм] : 72,1
Наружный диаметр [мм] : 276

Тормозной диск
MAPCO 15285

Сторона установки : передний мост
Тип тормозного диска : вентилируемый
Толщина тормозного диска (мм) : 28
Минимальная толщина [мм] : 26
Наружный диаметр [мм] : 276
Ø фаски [мм] : 114,3
Количество отверстий : 5
Высота [мм] : 58

Тормозной диск
MAPCO 25532

Сторона установки : Задний мост
Тип тормозного диска : вентилируемый
Наружный диаметр [мм] : 286
Толщина тормозного диска (мм) : 18
Минимальная толщина [мм] : 16
Количество отверстий : 5
Диаметр центрирования [мм] : 72,2
Ø фаски [мм] : 114,3

Тормозной диск
MAXTECH 853037

Сторона установки : передний мост
Тип тормозного диска : вентилируемый
Минимальная толщина [мм] : 26
Вес [кг] : 7,1
Толщина тормозного диска (мм) : 28
Ø фаски [мм] : 114,3
Количество отверстий : 5
Диаметр отверстия [мм] : 13
Внутренний диаметр : 142,8
проверочное значение : 90R-02C01327/31803
Высота [мм] : 51
Диаметр центрирования [мм] : 72
Наружный диаметр [мм] : 274

Тормозной диск
MAXTECH 853039

Сторона установки : Задний мост
Тип тормозного диска : вентилируемый
Минимальная толщина [мм] : 16
Вес [кг] : 5,4
Толщина тормозного диска (мм) : 18
Ø фаски [мм] : 114,3
Количество отверстий : 5
Размер резьбы : 13.2
Высота [мм] : 57
Диаметр центрирования [мм] : 72,2
Наружный диаметр [мм] : 285

Тормозной диск
MILES K210156

Сторона установки : сзади
Количество отверстий : 5
Тип тормозного диска : вентилируемый
Наружный диаметр [мм] : 285,6
Высота [мм] : 56,5
Диаметр центрирования [мм] : 72,2
Ø фаски [мм] : 114,3
Диаметр отверстия под шпильку колеса [мм] : 13,2
Толщина тормозного диска (мм) : 18
Минимальная толщина [мм] : 16
Поверхность : с покрытием

Тормозной диск
MILES K010156

Сторона установки : сзади
Количество отверстий : 5
Тип тормозного диска : вентилируемый
Наружный диаметр [мм] : 285,6
Высота [мм] : 56,5
Диаметр центрирования [мм] : 72,2
Ø фаски [мм] : 114,3
Диаметр отверстия под шпильку колеса [мм] : 13,2
Толщина тормозного диска (мм) : 18
Минимальная толщина [мм] : 16

Тормозной диск
MINTEX MDC1986

Тип тормозного диска : вентилируемый
Наружный диаметр [мм] : 276
Толщина тормозного диска (мм) : 28
Высота [мм] : 58
Минимальная толщина [мм] : 26
Внутренний диаметр : 142,8
Ø фаски [мм] : 114,3
Диаметр центрирования [мм] : 72
Расположение/число отверстий : 05/05
Диаметр отверстия под шпильку колеса [мм] : 13
Дополнительный артикул / дополнительная информация 2 : без ступицы
Дополнительный артикул / дополнительная информация 2 : без колесного подшипника
Дополнительный артикул / дополнительная информация 2 : без колесной крепящей оси
Длина упаковки [см] : 31,3
Ширина упаковки [см] : 31,3
Высота упаковки [см] : 14
Вес [кг] : 8,2

Тормозной диск
MINTEX MDC1987

Тип тормозного диска : вентилируемый
Наружный диаметр [мм] : 286
Толщина тормозного диска (мм) : 18
Высота [мм] : 56,5
Минимальная толщина [мм] : 16
Внутренний диаметр : 190
Ø фаски [мм] : 114,3
Диаметр центрирования [мм] : 72,2
Расположение/число отверстий : 05/06
Диаметр отверстия под шпильку колеса [мм] : 13,2
Дополнительный артикул / дополнительная информация 2 : без ступицы
Дополнительный артикул / дополнительная информация 2 : без колесного подшипника
Дополнительный артикул / дополнительная информация 2 : без колесной крепящей оси
Длина упаковки [см] : 31,3
Ширина упаковки [см] : 31,3
Высота упаковки [см] : 14
Вес [кг] : 5,5

Тормозной диск
NiBK RN1314

Сторона установки : передний мост
Тип тормозного диска : вентилируемый
Наружный диаметр [мм] : 276
Толщина тормозного диска (мм) : 28
Количество отверстий : 5
Ø фаски [мм] : 114,3
Высота [мм] : 58
Диаметр центрирования [мм] : 72

Тормозной диск
NIPPARTS J3303064

Тип тормозного диска : вентилируемый
Толщина тормозного диска (мм) : 28
Наружный диаметр [мм] : 276
Высота [мм] : 58
Количество отверстий : 5
Диаметр центрирования [мм] : 72
Ø фаски [мм] : 114,3
Диаметр ступицы колеса [мм] : 163
Минимальная толщина [мм] : 26

Тормозной диск
NIPPARTS J3313024

Тип тормозного диска : вентилируемый
Толщина тормозного диска (мм) : 18
Наружный диаметр [мм] : 285
Высота [мм] : 57
Количество отверстий : 5
Диаметр центрирования [мм] : 72,2
Ø фаски [мм] : 114,3
Диаметр ступицы колеса [мм] : 201,5
Минимальная толщина [мм] : 16

Тормозной диск
NK 203243

Наружный диаметр [мм] : 276
Толщина тормозного диска (мм) : 28
Минимальная толщина [мм] : 26
Высота [мм] : 59
Число отверстий в диске колеса : 5
Тип тормозного диска : вентилируемый
Диаметр центрирования [мм] : 72
Поверхность : промасленный
Вес нетто [кг] : 7,99

Тормозной диск
NK 203242

Наружный диаметр [мм] : 286
Толщина тормозного диска (мм) : 18
Минимальная толщина [мм] : 16
Высота [мм] : 56,5
Число отверстий в диске колеса : 5
Тип тормозного диска : вентилируемый
Диаметр центрирования [мм] : 72,2
Поверхность : промасленный
Вес нетто [кг] : 5,43

Тормозной диск
OPTIMAL BS-7768

Сторона установки : Задний мост
Тип тормозного диска : вентилируемый
Толщина тормозного диска (мм) : 18
Наружный диаметр [мм] : 286
Высота [мм] : 56,5
Диаметр центрирования [мм] : 72,2
Минимальная толщина [мм] : 16
Расположение/число отверстий : 5/6

Тормозной диск
OPTIMAL BS-7768C

Сторона установки : Задний мост
Тип тормозного диска : вентилируемый
Толщина тормозного диска (мм) : 18
Наружный диаметр [мм] : 286
Высота [мм] : 56,5
Диаметр центрирования [мм] : 72,2
Поверхность : с покрытием
Минимальная толщина [мм] : 16
Расположение/число отверстий : 5/6

Тормозной диск
OPTIMAL BS-7770

Сторона установки : передний мост
Тип тормозного диска : вентилируемый
Толщина тормозного диска (мм) : 28
Наружный диаметр [мм] : 276
Высота [мм] : 58
Диаметр центрирования [мм] : 72
Минимальная толщина [мм] : 26
Расположение/число отверстий : 5/5

Тормозной диск
OPTIMAL BS-7770C

Сторона установки : передний мост
Тип тормозного диска : вентилируемый
Толщина тормозного диска (мм) : 28
Наружный диаметр [мм] : 276
Высота [мм] : 58
Диаметр центрирования [мм] : 72
Поверхность : с покрытием
Минимальная толщина [мм] : 26
Расположение/число отверстий : 5/5

Тормозной диск
OSSCA 75375

Сторона установки : сзади
Тип тормозного диска : цельный
Толщина тормозного диска (мм) : 18
Высота [мм] : 56,5
Наружный диаметр [мм] : 286

Тормозной диск
R BRAKE 78RBD22671

Толщина тормозного диска (мм) : 26
Наружный диаметр [мм] : 274
Тип тормозного диска : вентилируемый
Высота [мм] : 51
Диаметр центрирования [мм] : 72
Ø фаски [мм] : 114,3
Исполнение оси : Front
Номер технической информации : 78BD2671-2
проверочное значение : E1 90R-02C0074/1560
проверочное значение : E1190R02C01049/52495
Диаметр [мм] : 72
Толщина [мм] : 28
Минимальная толщина [мм] : 26
Расположение/число отверстий : 5

Тормозной диск
RAICAM RD00402

Минимальная толщина [мм] : 16
Высота [мм] : 57
Наружный диаметр [мм] : 286
Вес [кг] : 5,5
Диаметр центрирования [мм] : 72
Тип тормозного диска : вентилируемый
Число отверстий в диске колеса : 5
Толщина тормозного диска (мм) : 18
Сторона установки : Задний мост

Тормозной диск
RAICAM RD00403

Минимальная толщина [мм] : 26
Высота [мм] : 58
Наружный диаметр [мм] : 276
Вес [кг] : 8,2
Диаметр центрирования [мм] : 72
Тип тормозного диска : вентилируемый
выполняет нормы ЕЭК : E1
Число отверстий в диске колеса : 5
Толщина тормозного диска (мм) : 28
Сторона установки : передний мост

Тормозной диск
REMSA 6892.10

Сторона установки : передний мост
Диаметр [мм] : 275,7
Высота [мм] : 58
Тип тормозного диска : вентилируемый
Толщина тормозного диска (мм) : 28
Минимальная толщина [мм] : 26
Количество отверстий : 5
Диаметр центрирования [мм] : 72
Вес [кг] : 7,99
Наружный диаметр [мм] : 276

Тормозной диск
REMSA 6936.10

Сторона установки : передний мост
Диаметр [мм] : 275,8
Высота [мм] : 63,8
Тип тормозного диска : вентилируемый
Толщина тормозного диска (мм) : 28
Минимальная толщина [мм] : 26
Количество отверстий : 5
Диаметр центрирования [мм] : 72,1
Вес [кг] : 7,94
Наружный диаметр [мм] : 276

Тормозной диск
ROADHOUSE 6892.10

Сторона установки : передний мост
Диаметр [мм] : 275,7
Толщина тормозного диска (мм) : 28
Минимальная толщина [мм] : 26
Высота [мм] : 58
Диаметр центрирования [мм] : 72
Количество отверстий : 5
Тип тормозного диска : вентилируемый
Вес [кг] : 7,99
Наружный диаметр [мм] : 276

Тормозной диск
ROADHOUSE 6936.10

Сторона установки : передний мост
Диаметр [мм] : 275,8
Толщина тормозного диска (мм) : 28
Минимальная толщина [мм] : 26
Высота [мм] : 63,8
Диаметр центрирования [мм] : 72,1
Количество отверстий : 5
Тип тормозного диска : вентилируемый
Вес [кг] : 7,94
Наружный диаметр [мм] : 276

Тормозной диск
Stark SKBD-0023662

Тип тормозного диска : вентилируемый
Толщина тормозного диска (мм) : 18
Сторона установки : Задний мост
Наружный диаметр [мм] : 285
Диаметр [мм] : 285
Высота [мм] : 57
Минимальная толщина [мм] : 16
Количество отверстий : 5
Ø фаски [мм] : 114,3
Диаметр ступицы [мм] : 201,5
Диаметр центрирования [мм] : 72,2

Тормозной диск
STELLOX 6020-3243V-SX

Наружный диаметр [мм] : 276
Толщина тормозного диска (мм) : 28
Высота [мм] : 58
Диаметр центрирования [мм] : 72
Количество отверстий : 5
Ø фаски [мм] : 114,3
Минимальная толщина [мм] : 26
Тип тормозного диска : вентилируемый
Сторона установки : передний мост

Тормозной диск
STELLOX 6020-3254V-SX

Наружный диаметр [мм] : 274
Толщина тормозного диска (мм) : 28
Высота [мм] : 51
Диаметр центрирования [мм] : 72
Количество отверстий : 5
Ø фаски [мм] : 114,3
Диаметр отверстия [мм] : 13
Минимальная толщина [мм] : 26
Тип тормозного диска : вентилируемый
Сторона установки : передний мост

Тормозной диск
STELLOX 6021-0072-SX

Наружный диаметр [мм] : 285
Толщина тормозного диска (мм) : 18
Тип тормозного диска : цельный
Вес [кг] : 5,43
Сторона установки : Задний мост

Тормозной диск
TEXTAR 92130000

Тип тормозного диска : вентилируемый
Наружный диаметр [мм] : 276
Толщина тормозного диска (мм) : 28
Высота [мм] : 58
Минимальная толщина [мм] : 26
Внутренний диаметр : 142,8
Ø фаски [мм] : 114,3
Диаметр центрирования [мм] : 72
Расположение/число отверстий : 05/05
Диаметр отверстия под шпильку колеса [мм] : 13
Дополнительный артикул / дополнительная информация 2 : без ступицы
Дополнительный артикул / дополнительная информация 2 : без колесного подшипника
Дополнительный артикул / дополнительная информация 2 : без колесной крепящей оси
Длина упаковки [см] : 31,3
Ширина упаковки [см] : 31,3
Высота упаковки [см] : 14
Вес [кг] : 8,2

Тормозной диск
TEXTAR 92130100

Тип тормозного диска : вентилируемый
Наружный диаметр [мм] : 286
Толщина тормозного диска (мм) : 18
Высота [мм] : 56,5
Минимальная толщина [мм] : 16
Внутренний диаметр : 190
Ø фаски [мм] : 114,3
Диаметр центрирования [мм] : 72,2
Расположение/число отверстий : 05/06
Диаметр отверстия под шпильку колеса [мм] : 13,2
Дополнительный артикул / дополнительная информация 2 : без ступицы
Дополнительный артикул / дополнительная информация 2 : без колесного подшипника
Дополнительный артикул / дополнительная информация 2 : без колесной крепящей оси
Длина упаковки [см] : 31,3
Ширина упаковки [см] : 31,3
Высота упаковки [см] : 14
Вес [кг] : 5,5

Тормозной диск
WOKING D6892.10

Сторона установки : передний мост
Диаметр [мм] : 275,7
Толщина тормозного диска (мм) : 28
Минимальная толщина [мм] : 26
Высота [мм] : 58
Диаметр центрирования [мм] : 72
Количество отверстий : 5
Тип тормозного диска : вентилируемый
Вес [кг] : 7,99
Наружный диаметр [мм] : 276

Тормозной диск
WOKING D6936.10

Сторона установки : передний мост
Диаметр [мм] : 275,8
Толщина тормозного диска (мм) : 28
Минимальная толщина [мм] : 26
Высота [мм] : 63,8
Диаметр центрирования [мм] : 72,1
Количество отверстий : 5
Тип тормозного диска : вентилируемый
Вес [кг] : 7,94
Наружный диаметр [мм] : 276

Тормозной диск
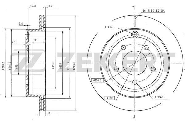
ZEKKERT BS-5937

Тип тормозного диска : вентилируемый
Наружный диаметр [мм] : 286
Высота [мм] : 57
Толщина тормозного диска (мм) : 18
Минимальная толщина [мм] : 16
Количество отверстий : 6
Диаметр центрирования [мм] : 72,1
Диаметр расположения крепёжных отверстий ступицы [мм] : 114,3
Номера артикулов рекомендуемых комплектующих : CP-1105
Номера артикулов рекомендуемых комплектующих : CP-1205
Номера артикулов рекомендуемых комплектующих : CP-1305
Номера артикулов рекомендуемых комплектующих : CP-1965
Номера артикулов рекомендуемых комплектующих : FK-2005
Номера артикулов рекомендуемых комплектующих : FK-2010
Вес [кг] : 5,87