|
Изображение |
Описание |
|
Тормозной диск
A.B.S. 17528
Наружный диаметр [мм] : 257
Толщина тормозного диска (мм) : 24
Минимальная толщина [мм] : 22,4
Высота [мм] : 45,5
Число отверстий в диске колеса : 4
Тип тормозного диска : вентилируемый
Диаметр центрирования [мм] : 69
Ø фаски [мм] : 114,3
Поверхность : с покрытием
Диаметр ступицы [мм] : 152
|
|
Тормозной диск
A.B.S. 16160
Наружный диаметр [мм] : 242
Толщина тормозного диска (мм) : 19
Минимальная толщина [мм] : 17
Высота [мм] : 37
Число отверстий в диске колеса : 4
Тип тормозного диска : вентилируемый
Диаметр центрирования [мм] : 86
Ø фаски [мм] : 104
Диаметр ступицы [мм] : 137
|
|
Тормозной диск
A.B.S. 16161
Наружный диаметр [мм] : 257
Толщина тормозного диска (мм) : 22
Минимальная толщина [мм] : 20
Высота [мм] : 34
Число отверстий в диске колеса : 4
Тип тормозного диска : вентилируемый
Диаметр центрирования [мм] : 86
Ø фаски [мм] : 104
Диаметр ступицы [мм] : 137
|
|
Тормозной диск
A.B.S. 16563
Наружный диаметр [мм] : 258
Толщина тормозного диска (мм) : 10
Минимальная толщина [мм] : 8,5
Высота [мм] : 40
Число отверстий в диске колеса : 4
Тип тормозного диска : цельный
Диаметр центрирования [мм] : 76
Ø фаски [мм] : 114,3
Поверхность : с покрытием
Диаметр ступицы [мм] : 167
|
|
Тормозной диск
ABE C30501ABE
Толщина тормозного диска (мм) : 19,2
Минимальная толщина [мм] : 17
Тип тормозного диска : вентилируемый
Количество отверстий : 4
Ø фаски [мм] : 104
Высота [мм] : 37,2
Диаметр центрирования [мм] : 86
Внутренний диаметр : 126
Диаметр отверстия [мм] : 10,4
Сторона установки : передний мост
Наружный диаметр [мм] : 242
|
|
Тормозной диск
ABE C30502ABE
Толщина [мм] : 22
Высота [мм] : 34
Тип тормозного диска : вентилируемый
Толщина тормозного диска (мм) : 22
Минимальная толщина [мм] : 20
Материал : Серый чугун
Количество отверстий : 4
Диаметр центрирования [мм] : 86
Сторона установки : передний мост
Наружный диаметр [мм] : 257
|
|
Тормозной диск
ABE C40501ABE
Толщина [мм] : 10
Высота [мм] : 40,3
Тип тормозного диска : цельный
Толщина тормозного диска (мм) : 10
Минимальная толщина [мм] : 8
Количество отверстий : 4
Диаметр центрирования [мм] : 76
Сторона установки : Задний мост
Наружный диаметр [мм] : 258
|
|
Тормозной диск
ACKOJA A52-2503
Высота ступицы тормозного диска [мм] : 22,7
Сторона установки : передний мост
Длина [мм] : 257
Число отверстий в диске колеса : 4
Высота [мм] : 46,7
Тип тормозного диска : вентилируемый
Толщина тормозного диска (мм) : 24
Минимальная толщина [мм] : 22,1
Наружный диаметр [мм] : 257
Диаметр центрирования [мм] : 69
Ø фаски [мм] : 114,3
Количество крепежных отверстий : 2
|
|
Тормозной диск
ACKOJA A52-40004
Высота ступицы тормозного диска [мм] : 30,4
Число отверстий в диске колеса : 4
Высота [мм] : 40,4
Тип тормозного диска : цельный
Толщина тормозного диска (мм) : 10
Минимальная толщина [мм] : 8
Наружный диаметр [мм] : 258
Диаметр центрирования [мм] : 76
Ø фаски [мм] : 114,3
|
|
Тормозной диск
ACKOJA A52-80001
Сторона установки : передний мост
Число отверстий в диске колеса : 4
Высота [мм] : 34
Тип тормозного диска : вентилируемый
Толщина тормозного диска (мм) : 22
Минимальная толщина [мм] : 20
Наружный диаметр [мм] : 257
Диаметр центрирования [мм] : 86
Ø фаски [мм] : 104
Высота ступицы тормозного диска [мм] : 12
|
|
Тормозной диск
AP 27603
Высота [мм] : 46
Тип тормозного диска : вентилируемый
Диаметр центрирования [мм] : 69
Наружный диаметр [мм] : 257
Количество отверстий : 4
Толщина тормозного диска (мм) : 24
Момент затяжки [Нм] : 100
Минимальная толщина [мм] : 21,6
|
|
Тормозной диск
AP 24373
Диаметр центрирования [мм] : 86
Наружный диаметр [мм] : 257
Количество отверстий : 4
Толщина тормозного диска (мм) : 22
Момент затяжки [Нм] : 100
Минимальная толщина [мм] : 20
Высота [мм] : 34
Тип тормозного диска : вентилируемый
|
|
Тормозной диск
AP X 24373
Толщина тормозного диска (мм) : 22
Момент затяжки [Нм] : 100
Минимальная толщина [мм] : 20
Поверхность : с покрытием
Тип тормозного диска : вентилируемый
Высота [мм] : 34
Тип тормозного диска : с прорезом
Диаметр центрирования [мм] : 86
Наружный диаметр [мм] : 257
Количество отверстий : 4
|
|
Тормозной диск
AP 25035
Высота [мм] : 37
Тип тормозного диска : вентилируемый
Диаметр центрирования [мм] : 86
Наружный диаметр [мм] : 242
Количество отверстий : 4
Толщина тормозного диска (мм) : 19
Момент затяжки [Нм] : 100
Минимальная толщина [мм] : 17
|
|
Тормозной диск
AP 14815
Высота [мм] : 40
Тип тормозного диска : цельный
Диаметр центрирования [мм] : 76
Наружный диаметр [мм] : 258
Количество отверстий : 4
Толщина тормозного диска (мм) : 10
Момент затяжки [Нм] : 100
Минимальная толщина [мм] : 8
|
|
Тормозной диск
AP X 14815
Минимальная толщина [мм] : 8
Поверхность : с покрытием
Тип тормозного диска : цельный
Высота [мм] : 40
Тип тормозного диска : с прорезом
Диаметр центрирования [мм] : 76
Наружный диаметр [мм] : 258
Количество отверстий : 4
Толщина тормозного диска (мм) : 10
Момент затяжки [Нм] : 100
|
|
Тормозной диск
ASHIKA 60-00-056C
Сторона установки : передний мост
Ø фаски [мм] : 86
Высота [мм] : 37
Наружный диаметр [мм] : 241,6
Толщина тормозного диска (мм) : 19
Минимальная толщина [мм] : 16
Число отверстий : 4
Тип тормозного диска : вентилируемый
Поверхность : лакированный
для оригинального номера : 5171228000
|
|
Тормозной диск
ASHIKA 60-05-586C
Сторона установки : передний мост
Ø фаски [мм] : 86
Высота [мм] : 34,4
Наружный диаметр [мм] : 256,3
Толщина тормозного диска (мм) : 22
Минимальная толщина [мм] : 20
Число отверстий : 4
Тип тормозного диска : вентилируемый
проверочное значение : ECE R90 APPROVED
Поверхность : лакированный
Момент затяжки [Нм] : 100
для оригинального номера : 5171228300
|
|
Тормозной диск
ASHIKA 60-0H-008C
Сторона установки : передний мост
Ø фаски [мм] : 69
Высота [мм] : 47
Наружный диаметр [мм] : 256,9
Толщина тормозного диска (мм) : 24
Минимальная толщина [мм] : 22
Число отверстий : 4
Тип тормозного диска : вентилируемый
проверочное значение : ECE R90 APPROVED
Поверхность : лакированный
для оригинального номера : 517122D310
|
|
Тормозной диск
ASHIKA 60-0H-018C
Сторона установки : передний мост
Ø фаски [мм] : 69
Высота [мм] : 46
Наружный диаметр [мм] : 257
Толщина тормозного диска (мм) : 24
Минимальная толщина [мм] : 22
Число отверстий : 4
Тип тормозного диска : вентилируемый
Поверхность : лакированный
Момент затяжки [Нм] : 100
для оригинального номера : 5171238100
|
|
Тормозной диск
ASHIKA 61-05-596C
Сторона установки : Задний мост
Ø фаски [мм] : 76
Высота [мм] : 40,5
Наружный диаметр [мм] : 258
Толщина тормозного диска (мм) : 10
Минимальная толщина [мм] : 8,5
Число отверстий : 4
Тип тормозного диска : цельный
проверочное значение : ECE R90 APPROVED
Поверхность : лакированный
Момент затяжки [Нм] : 100
для оригинального номера : 5841129310
|
|
Тормозной диск
ATE 24.0110-0264.1
Наружный диаметр [мм] : 258
Толщина тормозного диска (мм) : 10
Минимальная толщина [мм] : 8
Тип тормозного диска : цельный
Поверхность : с покрытием
Количество отверстий : 4
Высота [мм] : 40,4
Диаметр центрирования [мм] : 76
Внутренний диаметр : 154
Ø фаски [мм] : 114,3
Диаметр отверстия [мм] : 12,6
Код MAPP в наличии :
проверочное значение : E1 90R-02C0165/0829
|
|
Тормозной диск
ATE 24.0119-0111.1
Наружный диаметр [мм] : 242
Толщина тормозного диска (мм) : 19,2
Минимальная толщина [мм] : 17
Тип тормозного диска : вентилируемый
Поверхность : с покрытием
Количество отверстий : 4
Ø фаски [мм] : 104
Высота [мм] : 37,2
Диаметр центрирования [мм] : 86
Внутренний диаметр : 126
Диаметр отверстия [мм] : 10,4
Код MAPP в наличии :
проверочное значение : E1 90R-02C0115/0105
|
|
Тормозной диск
ATE 24.0122-0170.1
Наружный диаметр [мм] : 257
Толщина тормозного диска (мм) : 22
Минимальная толщина [мм] : 20
Тип тормозного диска : вентилируемый
Поверхность : с покрытием
Количество отверстий : 4
Код MAPP в наличии :
Ø фаски [мм] : 104
Высота [мм] : 34
Диаметр центрирования [мм] : 86
Внутренний диаметр : 160,5
Диаметр отверстия [мм] : 10,6
проверочное значение : E1 90R-02C0115/0189
|
|
Тормозной диск
ATE 24.0322-0170.1
Наружный диаметр [мм] : 257
Толщина тормозного диска (мм) : 22
Минимальная толщина [мм] : 20
Тип тормозного диска : вентилируемый
Поверхность : с покрытием
Количество отверстий : 4
Ø фаски [мм] : 104
Высота [мм] : 34
Диаметр центрирования [мм] : 86
Внутренний диаметр : 160,5
Диаметр отверстия [мм] : 10,6
Код MAPP в наличии :
|
|
Тормозной диск
BLUE PRINT ADG04308
Толщина тормозного диска (мм) : 19
Число отверстий в диске колеса : 4
Толщина [мм] : 37
Наружный диаметр [мм] : 242
Ø фаски [мм] : 104
Поверхность : с покрытием
Тип тормозного диска : вентилируемый
Сторона установки : передний мост
Минимальная толщина [мм] : 18
Диаметр центрирования [мм] : 86
Соблюдать сервисную информацию :
|
|
Тормозной диск
BLUE PRINT ADG04309
Толщина тормозного диска (мм) : 21,8
Число отверстий в диске колеса : 4
Количество крепежных отверстий : 4
Толщина [мм] : 34
Наружный диаметр [мм] : 257
Ø фаски [мм] : 104
Поверхность : с покрытием
Тип тормозного диска : вентилируемый
Сторона установки : передний мост
Минимальная толщина [мм] : 20
Диаметр центрирования [мм] : 86
Соблюдать сервисную информацию :
|
|
Тормозной диск
BLUE PRINT ADG04314
Толщина тормозного диска (мм) : 10
Число отверстий в диске колеса : 4
Количество крепежных отверстий : 2
Толщина [мм] : 41
Наружный диаметр [мм] : 258
Ø фаски [мм] : 114
Поверхность : с покрытием
Тип тормозного диска : цельный
Сторона установки : Задний мост
Минимальная толщина [мм] : 8
Диаметр центрирования [мм] : 76
Соблюдать сервисную информацию :
|
|
Тормозной диск
BLUE PRINT ADG04347
Толщина тормозного диска (мм) : 24
Число отверстий в диске колеса : 4
Количество крепежных отверстий : 2
Толщина [мм] : 45
Наружный диаметр [мм] : 257
Ø фаски [мм] : 114
Поверхность : с покрытием
Тип тормозного диска : вентилируемый
Сторона установки : передний мост
Минимальная толщина [мм] : 22,4
Диаметр центрирования [мм] : 69
Соблюдать сервисную информацию :
|
|
Тормозной диск
BOGAP Y8211105
Сторона установки : передний мост
Тип тормозного диска : вентилируемый
Толщина тормозного диска (мм) : 24,4
Наружный диаметр [мм] : 280
|
|
Тормозной диск
BOGAP Y8211131
Сторона установки : передний мост
Тип тормозного диска : вентилируемый
Толщина тормозного диска (мм) : 17,7
Наружный диаметр [мм] : 242
|
|
Тормозной диск
BOGAP Y8211134
Сторона установки : Задний мост
Тип тормозного диска : цельный
Толщина тормозного диска (мм) : 8,5
Наружный диаметр [мм] : 258
|
|
Тормозной диск
BOGAP Y8211135
Сторона установки : передний мост
Тип тормозного диска : вентилируемый
Толщина тормозного диска (мм) : 22,4
Наружный диаметр [мм] : 257
|
|
Тормозной диск
BOGAP Y8211141
Сторона установки : передний мост
Тип тормозного диска : вентилируемый
Толщина тормозного диска (мм) : 20
Наружный диаметр [мм] : 257
|
|
Тормозной диск
BORG & BECK BBD4188
Тип тормозного диска : цельный
Наружный диаметр [мм] : 258
Толщина тормозного диска (мм) : 10
Высота [мм] : 40
Диаметр центрирования [мм] : 76
Количество крепежных отверстий : 2
Количество отверстий : 4
Количественная единица : комплект
Поверхность : с покрытием
проверочное значение : ECE R90 Homologated
Минимальная толщина [мм] : 8
|
|
Тормозной диск
BORG & BECK BBD4346
Тип тормозного диска : вентилируемый
Наружный диаметр [мм] : 302
Толщина тормозного диска (мм) : 26
Высота [мм] : 50
Диаметр центрирования [мм] : 68
Количество крепежных отверстий : 5
Количество отверстий : 5
Количественная единица : комплект
Поверхность : с покрытием
проверочное значение : ECE R90 Homologated
Минимальная толщина [мм] : 23
|
|
Тормозной диск
BORG & BECK BBD4989
Тип тормозного диска : вентилируемый
Наружный диаметр [мм] : 257
Толщина тормозного диска (мм) : 22
Высота [мм] : 37
Диаметр центрирования [мм] : 86
Количество крепежных отверстий : 0
Количество отверстий : 4
Количественная единица : комплект
Поверхность : с покрытием
проверочное значение : ECE R90 Homologated
Минимальная толщина [мм] : 20
|
|
Тормозной диск
BOSCH 0 986 478 675
Наружный диаметр [мм] : 257
Толщина тормозного диска (мм) : 22
Минимальная толщина [мм] : 20
Высота [мм] : 34
Ø фаски [мм] : 104
Тип тормозного диска : вентилируемый
Диаметр центрирования [мм] : 86
Количество отверстий : 4
Поверхность : промасленный
Дополнительный артикул / дополнительная информация 2 : без винтов
Диаметр отверстия до [мм] : 10,5
Тип тормозного диска : вентилируемый
|
|
Тормозной диск
BOSCH 0 986 478 774
Наружный диаметр [мм] : 257
Толщина тормозного диска (мм) : 24
Минимальная толщина [мм] : 22,4
Высота [мм] : 45,8
Ø фаски [мм] : 114,3
Тип тормозного диска : вентилируемый
Диаметр центрирования [мм] : 69
Количество отверстий : 4
Поверхность : промасленный
выполняет нормы ЕЭК : ECE-R90
Диаметр отверстия до [мм] : 12,6
Тип тормозного диска : вентилируемый
|
|
Тормозной диск
BOSCH 0 986 479 484
Наружный диаметр [мм] : 257,9
Толщина тормозного диска (мм) : 10
Минимальная толщина [мм] : 8
Высота [мм] : 40,3
Ø фаски [мм] : 114,3
Тип тормозного диска : цельный
Диаметр центрирования [мм] : 76
Количество отверстий : 4
Поверхность : промасленный
выполняет нормы ЕЭК : ECE-R90
Диаметр отверстия до [мм] : 12,7
|
|
Тормозной диск
BRECO BS 8690
Наружный диаметр [мм] : 257
Количество отверстий : 4
Толщина тормозного диска (мм) : 24
Момент затяжки [Нм] : 100
Минимальная толщина [мм] : 21,6
Высота [мм] : 46
Тип тормозного диска : вентилируемый
Диаметр центрирования [мм] : 69
|
|
Тормозной диск
BRECO BS 8060
Количество отверстий : 4
Толщина тормозного диска (мм) : 22
Момент затяжки [Нм] : 100
Минимальная толщина [мм] : 20
Высота [мм] : 34
Тип тормозного диска : вентилируемый
Диаметр центрирования [мм] : 86
Наружный диаметр [мм] : 257
|
|
Тормозной диск
BRECO BS 8632
Тип тормозного диска : вентилируемый
Диаметр центрирования [мм] : 86
Наружный диаметр [мм] : 242
Количество отверстий : 4
Толщина тормозного диска (мм) : 19
Момент затяжки [Нм] : 100
Минимальная толщина [мм] : 17
Высота [мм] : 37
|
|
Тормозной диск
BRECO BS 7614
Толщина тормозного диска (мм) : 10
Момент затяжки [Нм] : 100
Минимальная толщина [мм] : 8
Высота [мм] : 40
Тип тормозного диска : цельный
Диаметр центрирования [мм] : 76
Наружный диаметр [мм] : 258
Количество отверстий : 4
|
|
Тормозной диск
BREMBO 09.A258.10
Тип тормозного диска : вентилируемый
Толщина тормозного диска (мм) : 24
Количество отверстий : 4
Высота [мм] : 46
Диаметр центрирования [мм] : 69
Наружный диаметр [мм] : 257
Минимальная толщина [мм] : 21,6
Момент затяжки [Нм] : 100
|
|
Тормозной диск
BREMBO 09.5587.10
Тип тормозного диска : вентилируемый
Толщина тормозного диска (мм) : 22
Количество отверстий : 4
Высота [мм] : 34
Диаметр центрирования [мм] : 86
Наружный диаметр [мм] : 257
Минимальная толщина [мм] : 20
Момент затяжки [Нм] : 100
|
|
Тормозной диск
BREMBO 09.5587.75
Тип тормозного диска : вентилируемый
Тип тормозного диска : с прорезом
Толщина тормозного диска (мм) : 22
Количество отверстий : 4
Высота [мм] : 34
Диаметр центрирования [мм] : 86
Наружный диаметр [мм] : 257
Поверхность : с покрытием
Минимальная толщина [мм] : 20
Момент затяжки [Нм] : 100
|
|
Тормозной диск
BREMBO 09.A291.10
Тип тормозного диска : вентилируемый
Толщина тормозного диска (мм) : 19
Количество отверстий : 4
Высота [мм] : 37
Диаметр центрирования [мм] : 86
Наружный диаметр [мм] : 242
Минимальная толщина [мм] : 17
Момент затяжки [Нм] : 100
|
|
Тормозной диск
BREMBO 08.9081.10
Тип тормозного диска : цельный
Толщина тормозного диска (мм) : 10
Количество отверстий : 4
Высота [мм] : 40
Диаметр центрирования [мм] : 76
Наружный диаметр [мм] : 258
Минимальная толщина [мм] : 8
Момент затяжки [Нм] : 100
|
|
Тормозной диск
BREMBO 08.9081.75
Тип тормозного диска : цельный
Тип тормозного диска : с прорезом
Толщина тормозного диска (мм) : 10
Количество отверстий : 4
Высота [мм] : 40
Диаметр центрирования [мм] : 76
Наружный диаметр [мм] : 258
Поверхность : с покрытием
Минимальная толщина [мм] : 8
Момент затяжки [Нм] : 100
|
|
Тормозной диск
BREMSI CD6482V
Сторона установки : передний мост
Наружный диаметр [мм] : 257
Толщина тормозного диска (мм) : 22
Минимальная толщина [мм] : 20
Тип тормозного диска : вентилируемый
Количество отверстий : 4
Момент затяжки [Нм] : 11
Цвет : чёрный
Поверхность : лакированный
|
|
Тормозной диск
BREMSI CD7176S
Сторона установки : Задний мост
Наружный диаметр [мм] : 258
Высота [мм] : 40,3
Тип тормозного диска : цельный
Толщина тормозного диска (мм) : 10
Минимальная толщина [мм] : 8
Количество отверстий : 4
Диаметр центрирования [мм] : 76
Момент затяжки [Нм] : 10
|
|
Тормозной диск
BREMSI CD7577V
Сторона установки : передний мост
Наружный диаметр [мм] : 257
Высота [мм] : 45,5
Тип тормозного диска : вентилируемый
Толщина тормозного диска (мм) : 24
Минимальная толщина [мм] : 21,6
Количество отверстий : 4
Диаметр центрирования [мм] : 69
Поверхность : лакированный
Цвет : чёрный
Момент затяжки [Нм] : 10
|
|
Тормозной диск
BSG BSG 40-210-012
Толщина тормозного диска (мм) : 10
Число отверстий в диске колеса : 4
Количество крепежных отверстий : 2
Толщина [мм] : 41
Наружный диаметр [мм] : 258
Ø фаски [мм] : 114
Тип тормозного диска : цельный
Сторона установки : Задний мост
Минимальная толщина [мм] : 8
Вес [кг] : 4
Диаметр центрирования [мм] : 76
номер компонента : BSG 40-210-012
|
|
Тормозной диск
BSG BSG 40-210-019
Толщина тормозного диска (мм) : 22
Число отверстий в диске колеса : 4
Количество крепежных отверстий : 4
Толщина [мм] : 34
Наружный диаметр [мм] : 257
Ø фаски [мм] : 104
Тип тормозного диска : вентилируемый
Сторона установки : передний мост
Минимальная толщина [мм] : 20
Вес [кг] : 5
Диаметр центрирования [мм] : 86
номер компонента : BSG 40-210-019
|
|
Тормозной диск
BSG BSG 40-210-053
Количество : 2
Толщина тормозного диска (мм) : 24
Количество крепежных отверстий : 2
Толщина [мм] : 45
Наружный диаметр [мм] : 257
Ø фаски [мм] : 114
Поверхность : с покрытием
Тип тормозного диска : вентилируемый
Сторона установки : передний мост
Минимальная толщина [мм] : 22
Вес [кг] : 6
Диаметр центрирования [мм] : 69
|
|
Тормозной диск
CAR 142.377
Сторона установки : 1-й задний мост
Тип тормозного диска : цельный
Наружный диаметр [мм] : 258
Толщина тормозного диска (мм) : 10
Высота [мм] : 40,4
Диаметр центрирования [мм] : 76
Количество отверстий : 4
для артикула № : CAR: 142.377
для артикула № : IB: HY 14 1P
для артикула № : RD: 527
проверочное значение : ECE R90 APPROVED
Минимальная толщина [мм] : 8
Вес [кг] : 3,6
|
|
Тормозной диск
CAR 142.964
Сторона установки : 1-й передний мост
Тип тормозного диска : цельный
Наружный диаметр [мм] : 257
Толщина тормозного диска (мм) : 22
Высота [мм] : 34
Диаметр центрирования [мм] : 86
Количество отверстий : 4
для артикула № : CAR: 142.964
для артикула № : IB: HY 06 1V
для артикула № : RD: 3243
проверочное значение : ECE R90 APPROVED
Минимальная толщина [мм] : 20
Вес [кг] : 4,86
|
|
Тормозной диск
CAR HPD 377
Сторона установки : 1-й задний мост
Тип тормозного диска : цельный
Наружный диаметр [мм] : 258
Толщина тормозного диска (мм) : 10
Высота [мм] : 40,4
Диаметр центрирования [мм] : 76
Количество отверстий : 4
для артикула № : CAR: HPD 377
для артикула № : IB: HHY 14 1P
для артикула № : RD: RR 527
проверочное значение : ECE R90 APPROVED
Минимальная толщина [мм] : 8
Вес [кг] : 3,49
|
|
Тормозной диск
CAR HPD 964
Сторона установки : 1-й передний мост
Тип тормозного диска : цельный
Наружный диаметр [мм] : 257
Толщина тормозного диска (мм) : 22
Высота [мм] : 34
Диаметр центрирования [мм] : 86
Количество отверстий : 4
для артикула № : CAR: HPD 964
для артикула № : IB: HHY 06 1V
для артикула № : RD: RR 3243
проверочное значение : ECE R90 APPROVED
Минимальная толщина [мм] : 20
Вес [кг] : 4,71
|
|
Тормозной диск
CHAMPION 562806CH
Тип тормозного диска : вентилируемый
Наружный диаметр [мм] : 257
Толщина тормозного диска (мм) : 24
Дополнительный артикул / дополнительная информация 2 : без винтов
Высота [мм] : 45,5
Ø фаски [мм] : 114,3
Диаметр центрирования [мм] : 69
Количество отверстий : 4
Количественная единица : комплект
Вес [кг] : 11,53
Минимальная толщина [мм] : 21,6
Момент затяжки [Нм] : 100
Тип контейнера : Коробка
Длина упаковки [см] : 25,8
Ширина упаковки [см] : 25,8
Высота упаковки [см] : 9,5
|
|
Тормозной диск
CIFAM 800-713
проверочное значение : ECE-R90
Высота [мм] : 40,4
Тип тормозного диска : цельный
Толщина тормозного диска (мм) : 10
Наружный диаметр [мм] : 258
Количество отверстий : 4
Диаметр центрирования [мм] : 76
|
|
Тормозной диск
COMLINE ADC1002V
Тип тормозного диска : вентилируемый
Наружный диаметр [мм] : 257
Толщина тормозного диска (мм) : 22
Высота [мм] : 34
Ø фаски [мм] : 104
Диаметр центрирования [мм] : 86
Количество отверстий : 4
Минимальная толщина [мм] : 20
Число отверстий : 4
|
|
Тормозной диск
COMLINE ADC1020
Тип тормозного диска : цельный
Наружный диаметр [мм] : 258
Толщина тормозного диска (мм) : 10
Высота [мм] : 40,3
Ø фаски [мм] : 114,3
Диаметр центрирования [мм] : 76
Количество отверстий : 4
Поверхность : с покрытием
Минимальная толщина [мм] : 8
Число отверстий : 2
|
|
Тормозной диск
COMLINE ADC1035V
Тип тормозного диска : вентилируемый
Наружный диаметр [мм] : 257
Толщина тормозного диска (мм) : 24
Высота [мм] : 45,5
Ø фаски [мм] : 114,3
Диаметр центрирования [мм] : 69
Количество отверстий : 4
Минимальная толщина [мм] : 22
Число отверстий : 2
|
|
Тормозной диск
DANAHER DR10311
Сторона установки : Задний мост
Тип тормозного диска : цельный
Толщина тормозного диска (мм) : 10
Наружный диаметр [мм] : 258
Высота [мм] : 40,3
Количество отверстий : 4
Диаметр центрирования [мм] : 76
|
|
Тормозной диск
DANAHER DR10356
Сторона установки : Задний мост
Тип тормозного диска : цельный
Толщина тормозного диска (мм) : 10,1
Наружный диаметр [мм] : 258
Высота [мм] : 40,4
Количество отверстий : 4
Диаметр центрирования [мм] : 90
|
|
Тормозной диск
DANAHER DR10627
Сторона установки : Задний мост
Тип тормозного диска : цельный
Толщина тормозного диска (мм) : 10
Наружный диаметр [мм] : 258
Высота [мм] : 40,3
Количество отверстий : 4
Диаметр центрирования [мм] : 76
|
|
Тормозной диск
DANAHER DR11440
Сторона установки : передний мост
Тип тормозного диска : вентилируемый
Толщина тормозного диска (мм) : 24
Наружный диаметр [мм] : 257
Высота [мм] : 45,5
Количество отверстий : 4
Диаметр центрирования [мм] : 69
|
|
Тормозной диск
DANAHER DR11498
Сторона установки : передний мост
Тип тормозного диска : вентилируемый
Толщина тормозного диска (мм) : 19
Наружный диаметр [мм] : 242
Высота [мм] : 37
Количество отверстий : 4
Диаметр центрирования [мм] : 86
|
|
Тормозной диск
DANAHER DR13089
Сторона установки : передний мост
Тип тормозного диска : вентилируемый
Толщина тормозного диска (мм) : 24,1
Наружный диаметр [мм] : 257
Высота [мм] : 46,6
Количество отверстий : 4
Диаметр центрирования [мм] : 69
|
|
Тормозной диск
DANAHER DR13207
Сторона установки : передний мост
Тип тормозного диска : вентилируемый
Толщина тормозного диска (мм) : 22
Наружный диаметр [мм] : 257
Высота [мм] : 34
Количество отверстий : 4
Диаметр центрирования [мм] : 86
|
|
Тормозной диск
DANAHER DR13284
Сторона установки : передний мост
Тип тормозного диска : вентилируемый
Толщина тормозного диска (мм) : 24
Наружный диаметр [мм] : 257
Высота [мм] : 46,7
Количество отверстий : 4
Диаметр центрирования [мм] : 69
|
|
Тормозной диск
DELPHI BG2394
Тип тормозного диска : вентилируемый
Количество отверстий : 4
проверочное значение : E1 90R-02C0957/2559
Поверхность : промасленный
Наружный диаметр [мм] : 242
Толщина тормозного диска (мм) : 19
Минимальная толщина [мм] : 17,7
Диаметр центрирования [мм] : 86
Высота [мм] : 40,4
|
|
Тормозной диск
DELPHI BG2628
Тип тормозного диска : вентилируемый
Количество отверстий : 4
проверочное значение : E1 90R-02C0074/0061
Поверхность : промасленный
Наружный диаметр [мм] : 257
Толщина тормозного диска (мм) : 22
Минимальная толщина [мм] : 20
Диаметр центрирования [мм] : 86
Высота [мм] : 34
|
|
Тормозной диск
DELPHI BG3070
Тип тормозного диска : цельный
Количество отверстий : 4
проверочное значение : E1 90R-02C0100/1604
Поверхность : промасленный
Наружный диаметр [мм] : 258
Толщина тормозного диска (мм) : 10
Минимальная толщина [мм] : 8
Диаметр центрирования [мм] : 76
Высота [мм] : 40,4
|
|
Тормозной диск
DON PCD13612
Тип тормозного диска : вентилируемый
Наружный диаметр [мм] : 257
Толщина тормозного диска (мм) : 24
Высота [мм] : 45,5
Минимальная толщина [мм] : 22,4
Поверхность : с частичным покрытием
Внутренний диаметр : 141,5
Ø фаски [мм] : 114,3
Диаметр центрирования [мм] : 69
Расположение/число отверстий : 04/06
Диаметр отверстия под шпильку колеса [мм] : 12,6
Дополнительный артикул / дополнительная информация 2 : без ступицы
Дополнительный артикул / дополнительная информация 2 : без колесного подшипника
Дополнительный артикул / дополнительная информация 2 : без колесной крепящей оси
Длина упаковки [см] : 28,3
Ширина упаковки [см] : 28,3
Высота упаковки [см] : 11,7
Вес [кг] : 5,5
|
|
Тормозной диск
DON PCD14962
Тип тормозного диска : цельный
Наружный диаметр [мм] : 258
Толщина тормозного диска (мм) : 10
Высота [мм] : 40,3
Минимальная толщина [мм] : 8
Поверхность : с частичным покрытием
Внутренний диаметр : 154
Ø фаски [мм] : 114,3
Диаметр центрирования [мм] : 76
Расположение/число отверстий : 04/06
Диаметр отверстия под шпильку колеса [мм] : 12,5
Дополнительный артикул / дополнительная информация 2 : без ступицы
Дополнительный артикул / дополнительная информация 2 : без колесного подшипника
Дополнительный артикул / дополнительная информация 2 : без колесной крепящей оси
Длина упаковки [см] : 28,4
Ширина упаковки [см] : 28,4
Высота упаковки [см] : 10,4
Вес [кг] : 3,6
|
|
Тормозной диск
EGT 410232EGT
Число отверстий в диске колеса : 4
Высота [мм] : 34
Тип тормозного диска : вентилируемый
Толщина тормозного диска (мм) : 22
Минимальная толщина [мм] : 20
Наружный диаметр [мм] : 257
Диаметр центрирования [мм] : 86
Ø фаски [мм] : 104
|
|
Тормозной диск
EGT 410502EGT
Число отверстий в диске колеса : 4
Высота [мм] : 40
Тип тормозного диска : цельный
Толщина тормозного диска (мм) : 10
Минимальная толщина [мм] : 8
Наружный диаметр [мм] : 258
Диаметр центрирования [мм] : 76
Ø фаски [мм] : 114,3
Поверхность : с покрытием
|
|
Тормозной диск
EGT 410564EGT
Число отверстий в диске колеса : 4
Высота [мм] : 45,5
Тип тормозного диска : вентилируемый
Толщина тормозного диска (мм) : 24
Минимальная толщина [мм] : 22
Наружный диаметр [мм] : 257
Поверхность : с покрытием
Диаметр ступицы [мм] : 69
Диаметр отверстия под шпильку колеса [мм] : 114,3
|
|
Тормозной диск
EUROBRAKE 5815203401
Наружный диаметр [мм] : 257
Толщина тормозного диска (мм) : 22
Минимальная толщина [мм] : 20
Высота [мм] : 34
Число отверстий в диске колеса : 4
Тип тормозного диска : вентилируемый
Диаметр центрирования [мм] : 86,1
Поверхность : промасленный
Вес нетто [кг] : 4,86
|
|
Тормозной диск
EUROBRAKE 5815203408
Наружный диаметр [мм] : 242
Толщина тормозного диска (мм) : 19
Минимальная толщина [мм] : 17
Высота [мм] : 37
Число отверстий в диске колеса : 4
Тип тормозного диска : вентилируемый
Диаметр центрирования [мм] : 86
Поверхность : промасленный
Вес нетто [кг] : 4,22
|
|
Тормозной диск
EUROBRAKE 5815203406
Наружный диаметр [мм] : 258
Толщина тормозного диска (мм) : 10
Минимальная толщина [мм] : 8
Высота [мм] : 40,4
Число отверстий в диске колеса : 4
Тип тормозного диска : цельный
Диаметр центрирования [мм] : 76
Поверхность : промасленный
Вес нетто [кг] : 3,54
|
|
Тормозной диск
EUROREPAR 1667872280
Тип тормозного диска : цельный
Дополнительный артикул / дополнительная информация 2 : без кольца сенсора ABS
Наружный диаметр [мм] : 258
Толщина тормозного диска (мм) : 10
Высота [мм] : 40,4
Диаметр центрирования [мм] : 76
Количество отверстий : 4
Минимальная толщина [мм] : 8
|
|
Тормозной диск
FEBI BILSTEIN 108478
Толщина тормозного диска (мм) : 10
Число отверстий в диске колеса : 4
Количество крепежных отверстий : 2
Толщина [мм] : 41,1
Наружный диаметр [мм] : 258
Ø фаски [мм] : 114,3
Поверхность : с покрытием
Тип тормозного диска : цельный
Сторона установки : Задний мост
Минимальная толщина [мм] : 8
Диаметр центрирования [мм] : 76
Соблюдать сервисную информацию :
|
|
Тормозной диск
FEBI BILSTEIN 108646
Толщина тормозного диска (мм) : 21,8
Число отверстий в диске колеса : 4
Количество крепежных отверстий : 4
Толщина [мм] : 33,9
Наружный диаметр [мм] : 257
Ø фаски [мм] : 104
Поверхность : с покрытием
Тип тормозного диска : вентилируемый
Сторона установки : передний мост
Минимальная толщина [мм] : 20
Диаметр центрирования [мм] : 86
Соблюдать сервисную информацию :
|
|
Тормозной диск
FEBI BILSTEIN 108663
Толщина тормозного диска (мм) : 24
Число отверстий в диске колеса : 4
Количество крепежных отверстий : 2
Толщина [мм] : 45
Наружный диаметр [мм] : 257
Ø фаски [мм] : 114,3
Поверхность : с покрытием
Тип тормозного диска : вентилируемый
Сторона установки : передний мост
Минимальная толщина [мм] : 22,4
Диаметр центрирования [мм] : 69
Соблюдать сервисную информацию :
|
|
Тормозной диск
FENOX TB217605
Сторона установки : передний мост
Тип тормозного диска : вентилируемый
Толщина тормозного диска (мм) : 22
Ø фаски [мм] : 104
Количество отверстий : 4
Высота [мм] : 34
Диаметр центрирования [мм] : 86,1
Наружный диаметр [мм] : 257
|
|
Тормозной диск
FENOX TB217606
Сторона установки : передний мост
Тип тормозного диска : вентилируемый
Толщина тормозного диска (мм) : 19
Ø фаски [мм] : 104
Количество отверстий : 4
Высота [мм] : 37
Диаметр центрирования [мм] : 86
Наружный диаметр [мм] : 243
|
|
Тормозной диск
FENOX TB217617
Сторона установки : передний мост
Тип тормозного диска : вентилируемый
Толщина тормозного диска (мм) : 24
Ø фаски [мм] : 114,3
Количество отверстий : 4
Высота [мм] : 45,7
Диаметр центрирования [мм] : 69
Наружный диаметр [мм] : 257
|
|
Тормозной диск
FENOX TB218044
Сторона установки : Задний мост
Тип тормозного диска : цельный
Толщина тормозного диска (мм) : 10
Ø фаски [мм] : 114,3
Количество отверстий : 4
Высота [мм] : 40,4
Диаметр центрирования [мм] : 76
Наружный диаметр [мм] : 258
|
|
Тормозной диск
FENOX TB219080
Сторона установки : передний мост
Тип тормозного диска : вентилируемый
Толщина тормозного диска (мм) : 24
Ø фаски [мм] : 114,3
Количество отверстий : 4
Высота [мм] : 46,7
Диаметр центрирования [мм] : 69
Наружный диаметр [мм] : 257
|
|
Тормозной диск
FERODO DDF1176
Тип тормозного диска : цельный
Наружный диаметр [мм] : 258
Толщина тормозного диска (мм) : 10
Дополнительный артикул / дополнительная информация 2 : с винтами
Высота [мм] : 40,3
Ø фаски [мм] : 114,3
Диаметр центрирования [мм] : 76
Количество отверстий : 4
Количественная единица : комплект
Поверхность : промасленный
проверочное значение : R90 Homologated
Вес [кг] : 7,42
Минимальная толщина [мм] : 8
Момент затяжки [Нм] : 100
Тип контейнера : Коробка
Длина упаковки [см] : 25,5
Ширина упаковки [см] : 25,5
Высота упаковки [см] : 8,5
|
|
Тормозной диск
FERODO DDF1577
Тип тормозного диска : вентилируемый
Наружный диаметр [мм] : 257
Толщина тормозного диска (мм) : 24
Дополнительный артикул / дополнительная информация 2 : без винтов
Высота [мм] : 45,5
Ø фаски [мм] : 114,3
Диаметр центрирования [мм] : 69
Количество отверстий : 4
Количественная единица : комплект
Поверхность : промасленный
проверочное значение : R90 homologated
Вес [кг] : 11,53
Минимальная толщина [мм] : 21,6
Момент затяжки [Нм] : 100
Тип контейнера : Коробка
Длина упаковки [см] : 27
Ширина упаковки [см] : 27
Высота упаковки [см] : 10,7
|
|
Тормозной диск
FERODO DDF482
Тип тормозного диска : вентилируемый
Наружный диаметр [мм] : 257
Толщина тормозного диска (мм) : 22
Дополнительный артикул / дополнительная информация 2 : без винтов
Высота [мм] : 34
Диаметр центрирования [мм] : 86
Количество отверстий : 4
Количественная единица : комплект
Поверхность : промасленный
Вес [кг] : 10,62
Минимальная толщина [мм] : 20
Момент затяжки [Нм] : 100
Тип контейнера : Коробка
Длина упаковки [см] : 27
Ширина упаковки [см] : 27
Высота упаковки [см] : 6,9
|
|
Тормозной диск
FI.BA FBD409
Сторона установки : Задний мост
Вес [кг] : 3,77
Толщина [мм] : 41
Тип тормозного диска : цельный
Толщина тормозного диска (мм) : 10
Минимальная толщина [мм] : 8
Ø фаски [мм] : 114,3
Число отверстий в диске колеса : 4
Диаметр центрирования [мм] : 76
Поверхность : с покрытием
Наружный диаметр [мм] : 258
Количество крепежных отверстий : 2
|
|
Тормозной диск
FI.BA FBD425
Сторона установки : передний мост
Вес [кг] : 5,145
Толщина [мм] : 34
Тип тормозного диска : вентилируемый
Толщина тормозного диска (мм) : 22
Минимальная толщина [мм] : 20
Ø фаски [мм] : 104
Число отверстий в диске колеса : 4
Диаметр центрирования [мм] : 86
Поверхность : с покрытием
Наружный диаметр [мм] : 257
Количество крепежных отверстий : 4
|
|
Тормозной диск
FREMAX BD-2135
Тип тормозного диска : вентилируемый
Наружный диаметр [мм] : 242
Толщина тормозного диска (мм) : 19
Высота [мм] : 40,5
Диаметр центрирования [мм] : 86
Количество крепежных отверстий : 4
Поверхность : с покрытием
Вес [кг] : 4,42
Минимальная толщина [мм] : 17,7
|
|
Тормозной диск
FREMAX BD-2830
Тип тормозного диска : вентилируемый
Наружный диаметр [мм] : 257
Толщина тормозного диска (мм) : 22
Высота [мм] : 34
Диаметр центрирования [мм] : 86
Количество крепежных отверстий : 4
Вес [кг] : 5,06
Минимальная толщина [мм] : 20
|
|
Тормозной диск
fri.tech. BD0694
проверочное значение : ECE-R90
Высота [мм] : 40,4
Тип тормозного диска : цельный
Толщина тормозного диска (мм) : 10
Наружный диаметр [мм] : 258
Количество отверстий : 4
Диаметр центрирования [мм] : 76
|
|
Тормозной диск
GALFER B1.G210-0264.1
Наружный диаметр [мм] : 258
Толщина тормозного диска (мм) : 10
Минимальная толщина [мм] : 8
Тип тормозного диска : цельный
Поверхность : с покрытием
Количество отверстий : 4
Высота [мм] : 40,4
Диаметр центрирования [мм] : 76
Внутренний диаметр : 154
Ø фаски [мм] : 114,3
Диаметр отверстия [мм] : 12,6
проверочное значение : E1 90R-02C0165/1110
Код MAPP в наличии :
|
|
Тормозной диск
GIRLING 6014281
Тип тормозного диска : вентилируемый
Наружный диаметр [мм] : 257
Толщина тормозного диска (мм) : 22
Минимальная толщина [мм] : 20
Диаметр центрирования [мм] : 86
Высота [мм] : 34
Количество отверстий : 4
Размер резьбы : 10,4
Ø фаски [мм] : 104
Цвет : чёрный
Поверхность : лакированный
проверочное значение : E1 90R-02 C0176/0531
|
|
Тормозной диск
GIRLING 6041224
Тип тормозного диска : цельный
Наружный диаметр [мм] : 258
Толщина тормозного диска (мм) : 10
Минимальная толщина [мм] : 8
Диаметр центрирования [мм] : 76
Высота [мм] : 40,2
Количество отверстий : 4
Размер резьбы : 12,5
Ø фаски [мм] : 114
Цвет : чёрный
Поверхность : лакированный
|
|
Тормозной диск
GIRLING 6041571
Тип тормозного диска : вентилируемый
Наружный диаметр [мм] : 243
Толщина тормозного диска (мм) : 19
Минимальная толщина [мм] : 17
Диаметр центрирования [мм] : 86
Высота [мм] : 37
Количество отверстий : 4
Размер резьбы : 28,5
Ø фаски [мм] : 120
|
|
Тормозной диск
GIRLING 6041581
Тип тормозного диска : вентилируемый
Наружный диаметр [мм] : 257
Толщина тормозного диска (мм) : 24
Минимальная толщина [мм] : 22,4
Диаметр центрирования [мм] : 69
Высота [мм] : 45,5
Количество отверстий : 4
Размер резьбы : 12,7
Ø фаски [мм] : 114,3
Цвет : чёрный
Поверхность : лакированный
проверочное значение : E1 90R-02 C0176/0531
|
|
Тормозной диск
HART 214 418
Высота [мм] : 34
Тип тормозного диска : вентилируемый
Толщина тормозного диска (мм) : 22
Наружный диаметр [мм] : 257
|
|
Тормозной диск
HART 215 415
Сторона установки : передний мост
Тип тормозного диска : вентилируемый
Толщина тормозного диска (мм) : 19
Наружный диаметр [мм] : 242
|
|
Тормозной диск
HART 215 416
Высота [мм] : 40,3
Тип тормозного диска : цельный
Толщина тормозного диска (мм) : 10
Наружный диаметр [мм] : 258
|
|
Тормозной диск
HERTH+BUSS JAKOPARTS J3300327
Тип тормозного диска : вентилируемый
Наружный диаметр [мм] : 257
Толщина тормозного диска (мм) : 25
Минимальная толщина [мм] : 22,4
Количество отверстий : 4
Количество отверстий 1 : 2
Ø фаски [мм] : 114,3
Внутренний диаметр : 141,6
Высота [мм] : 47,4
Диаметр ступицы [мм] : 69
Поверхность : с покрытием
выполняет нормы ЕЭК : E1 90R-02C0064/0040
Сторона установки : передний мост
SVHC : Не содержит особо опасных веществ!
|
|
Тормозной диск
HERTH+BUSS JAKOPARTS J3310508
Тип тормозного диска : цельный
Наружный диаметр [мм] : 258
Толщина тормозного диска (мм) : 10
Минимальная толщина [мм] : 8
Количество отверстий : 4
Количество отверстий 1 : 2
Ø фаски [мм] : 114,3
Внутренний диаметр : 154,3
Высота [мм] : 40,4
Диаметр ступицы [мм] : 76,3
Поверхность : с покрытием
Количество отверстий 2 : 2
Сторона установки : Задний мост
SVHC : Не содержит особо опасных веществ!
|
|
Тормозной диск
Hi-Q SD1013
Вес [кг] : 4,22
Толщина [мм] : 19
Тип тормозного диска : вентилируемый
Толщина тормозного диска (мм) : 17
Ø фаски [мм] : 104
Количество отверстий : 4
Высота [мм] : 37
Диаметр центрирования [мм] : 86
Наружный диаметр [мм] : 242
|
|
Тормозной диск
Hi-Q SD1014
Вес [кг] : 4,63
Толщина [мм] : 22
Тип тормозного диска : вентилируемый
Толщина тормозного диска (мм) : 20
Ø фаски [мм] : 104
Количество отверстий : 4
Высота [мм] : 34
Диаметр центрирования [мм] : 86,1
Наружный диаметр [мм] : 257
|
|
Тормозной диск
Hi-Q SD1016
Вес [кг] : 5,9
Толщина [мм] : 24
Тип тормозного диска : вентилируемый
Толщина тормозного диска (мм) : 22,4
Ø фаски [мм] : 114,3
Количество отверстий : 6
Высота [мм] : 46,7
Диаметр центрирования [мм] : 69
Наружный диаметр [мм] : 257
|
|
Тормозной диск
Hi-Q SD1017
Вес [кг] : 3,54
Толщина [мм] : 10
Тип тормозного диска : цельный
Толщина тормозного диска (мм) : 8
Ø фаски [мм] : 114,3
Количество отверстий : 6
Высота [мм] : 40,2
Диаметр центрирования [мм] : 76
Наружный диаметр [мм] : 258
|
|
Тормозной диск
Hi-Q SD1043
Вес [кг] : 5,51
Толщина [мм] : 23,8
Тип тормозного диска : вентилируемый
Толщина тормозного диска (мм) : 22
Ø фаски [мм] : 114,3
Количество отверстий : 6
Высота [мм] : 45,3
Диаметр центрирования [мм] : 69,1
Наружный диаметр [мм] : 257
|
|
Тормозной диск
Hi-Q SD1115
Вес [кг] : 3,57
Толщина [мм] : 10
Тип тормозного диска : цельный
Толщина тормозного диска (мм) : 8
Ø фаски [мм] : 114,3
Количество отверстий : 6
Диаметр центрирования [мм] : 76
Наружный диаметр [мм] : 258
|
|
Тормозной диск
Hi-Q SD2005
Вес [кг] : 5,88
Толщина [мм] : 24,1
Тип тормозного диска : вентилируемый
Толщина тормозного диска (мм) : 22
Ø фаски [мм] : 114,3
Количество отверстий : 8
Высота [мм] : 46,6
Диаметр центрирования [мм] : 69
Наружный диаметр [мм] : 257
|
|
Тормозной диск
ICER 78BD2830-2
Толщина тормозного диска (мм) : 20
Наружный диаметр [мм] : 257
Тип тормозного диска : вентилируемый
Высота [мм] : 34
Диаметр центрирования [мм] : 86
Ø фаски [мм] : 104
Исполнение оси : Front
Номер технической информации : 78BD2830-2
проверочное значение : E1 90R-02C0074/0061
проверочное значение : E1 90R-02C0452/0077
проверочное значение : E4 90R-02C0703/2560
Диаметр [мм] : 86
Толщина [мм] : 22
Минимальная толщина [мм] : 20
Расположение/число отверстий : 4
|
|
Тормозной диск
JAPANPARTS DI-056C
Сторона установки : передний мост
Ø фаски [мм] : 86
Высота [мм] : 37
Наружный диаметр [мм] : 241,6
Толщина тормозного диска (мм) : 19
Минимальная толщина [мм] : 16
Число отверстий : 4
Тип тормозного диска : вентилируемый
Поверхность : лакированный
для оригинального номера : 5171228000
|
|
Тормозной диск
JAPANPARTS DI-586C
Сторона установки : передний мост
Ø фаски [мм] : 86
Высота [мм] : 34,4
Наружный диаметр [мм] : 256,3
Толщина тормозного диска (мм) : 22
Минимальная толщина [мм] : 20
Число отверстий : 4
Тип тормозного диска : вентилируемый
проверочное значение : ECE R90 APPROVED
Поверхность : лакированный
Момент затяжки [Нм] : 100
для оригинального номера : 5171228300
|
|
Тормозной диск
JAPANPARTS DI-H08C
Сторона установки : передний мост
Ø фаски [мм] : 69
Высота [мм] : 47
Наружный диаметр [мм] : 256,9
Толщина тормозного диска (мм) : 24
Минимальная толщина [мм] : 22
Число отверстий : 4
Тип тормозного диска : вентилируемый
проверочное значение : ECE R90 APPROVED
Поверхность : лакированный
для оригинального номера : 517122D310
|
|
Тормозной диск
JAPANPARTS DI-H18C
Сторона установки : передний мост
Ø фаски [мм] : 69
Высота [мм] : 46
Наружный диаметр [мм] : 257
Толщина тормозного диска (мм) : 24
Минимальная толщина [мм] : 22
Число отверстий : 4
Тип тормозного диска : вентилируемый
Поверхность : лакированный
Момент затяжки [Нм] : 100
для оригинального номера : 5171238100
|
|
Тормозной диск
JAPANPARTS DP-596C
Сторона установки : Задний мост
Ø фаски [мм] : 76
Высота [мм] : 40,5
Наружный диаметр [мм] : 258
Толщина тормозного диска (мм) : 10
Минимальная толщина [мм] : 8,5
Число отверстий : 4
Тип тормозного диска : цельный
проверочное значение : ECE R90 APPROVED
Поверхность : лакированный
Момент затяжки [Нм] : 100
для оригинального номера : 5841129310
|
|
Тормозной диск
JAPKO 60056C
Сторона установки : передний мост
Ø фаски [мм] : 86
Высота [мм] : 37
Наружный диаметр [мм] : 241,6
Толщина тормозного диска (мм) : 19
Минимальная толщина [мм] : 16
Число отверстий : 4
Тип тормозного диска : вентилируемый
Поверхность : лакированный
для оригинального номера : 5171228000
|
|
Тормозной диск
JAPKO 60586C
Сторона установки : передний мост
Ø фаски [мм] : 86
Высота [мм] : 34,4
Наружный диаметр [мм] : 256,3
Толщина тормозного диска (мм) : 22
Минимальная толщина [мм] : 20
Число отверстий : 4
Тип тормозного диска : вентилируемый
проверочное значение : ECE R90 APPROVED
Поверхность : лакированный
Момент затяжки [Нм] : 100
для оригинального номера : 5171228300
|
|
Тормозной диск
JAPKO 60H08C
Сторона установки : передний мост
Ø фаски [мм] : 69
Высота [мм] : 47
Наружный диаметр [мм] : 256,9
Толщина тормозного диска (мм) : 24
Минимальная толщина [мм] : 22
Число отверстий : 4
Тип тормозного диска : вентилируемый
проверочное значение : ECE R90 APPROVED
Поверхность : лакированный
для оригинального номера : 517122D310
|
|
Тормозной диск
JAPKO 60H18C
Сторона установки : передний мост
Ø фаски [мм] : 69
Высота [мм] : 46
Наружный диаметр [мм] : 257
Толщина тормозного диска (мм) : 24
Минимальная толщина [мм] : 22
Число отверстий : 4
Тип тормозного диска : вентилируемый
Поверхность : лакированный
Момент затяжки [Нм] : 100
для оригинального номера : 5171238100
|
|
Тормозной диск
JAPKO 61596C
Сторона установки : Задний мост
Ø фаски [мм] : 76
Высота [мм] : 40,5
Наружный диаметр [мм] : 258
Толщина тормозного диска (мм) : 10
Минимальная толщина [мм] : 8,5
Число отверстий : 4
Тип тормозного диска : цельный
проверочное значение : ECE R90 APPROVED
Поверхность : лакированный
Момент затяжки [Нм] : 100
для оригинального номера : 5841129310
|
|
Тормозной диск
JP GROUP 3563102200
Сторона установки : передний мост
Тип тормозного диска : вентилируемый
Наружный диаметр [мм] : 257
Толщина тормозного диска (мм) : 24
Количество отверстий : 4
Поверхность : с покрытием
|
|
Тормозной диск
JPN 30H0503-JPN
Поверхность лезвий : лакированный
Поверхность острия бойка молотка : лакированный
Поверхность сверла : лакированный
Поверхность рамы : лакированный
Внутренняя поверхность перчатки : лакированный
Поверхность вершины лезвия : лакированный
Поверхность бойка молотка (круглая сторона) : лакированный
Поверхность стержня : лакированный
Наружная поверхность перчатки : лакированный
Поверхность головки молотка : лакированный
Поверхность рабочих концов : лакированный
Поверхность головки кусачек : лакированный
Поверхность рукоятка инструмента : лакированный
Покрытие контакта : лакированный
Поверхность лезвий : лакированный
Поверхность бойка молотка (квадратная сторона) : лакированный
Поверхность : лакированный
Поверхность губок : лакированный
Поверхность бойка молотка : лакированный
Поверхность корпуса : лакированный
Тип тормозного диска : вентилируемый
Цвет : чёрный
Высота [мм] : 34
Толщина тормозного диска (мм) : 22
Размер резьбы : 10,4
Минимальная толщина [мм] : 20
Наружный диаметр [мм] : 257
Количество отверстий : 4
Диаметр центрирования [мм] : 86
Ø фаски [мм] : 104
|
|
Тормозной диск
JPN 30H0507-JPN
Тип тормозного диска : вентилируемый
Число отверстий в диске колеса : 4
Высота [мм] : 45,5
Толщина тормозного диска (мм) : 24
Минимальная толщина [мм] : 22
Наружный диаметр [мм] : 257
Диаметр центрирования [мм] : 69
Ø фаски [мм] : 114,3
|
|
Тормозной диск
JPN 40H0502-JPN
Тип тормозного диска : цельный
Высота [мм] : 40,2
Толщина тормозного диска (мм) : 10
Размер резьбы : 12,5
Наружный диаметр [мм] : 258
Количество отверстий : 4
Диаметр центрирования [мм] : 76
Ø фаски [мм] : 114
|
|
Тормозной диск
JURID 561642JC
Тип тормозного диска : вентилируемый
Наружный диаметр [мм] : 257
Толщина тормозного диска (мм) : 22
Дополнительный артикул / дополнительная информация 2 : без винтов
Версия : JC
Высота [мм] : 34
Диаметр центрирования [мм] : 86
Количество отверстий : 4
Количественная единица : комплект
Поверхность : с покрытием
Вес [кг] : 10,62
Минимальная толщина [мм] : 20
Момент затяжки [Нм] : 100
Тип контейнера : Коробка
Длина упаковки [см] : 28
Ширина упаковки [см] : 28
Высота упаковки [см] : 9,5
|
|
Тормозной диск
JURID 562419JC
Тип тормозного диска : цельный
Наружный диаметр [мм] : 258
Толщина тормозного диска (мм) : 10
Дополнительный артикул / дополнительная информация 2 : с винтами
Версия : JC
Высота [мм] : 40,3
Ø фаски [мм] : 114,3
Диаметр центрирования [мм] : 76
Количество отверстий : 4
Количественная единица : комплект
Поверхность : с покрытием
Вес [кг] : 7,42
Минимальная толщина [мм] : 8
Момент затяжки [Нм] : 100
Тип контейнера : Коробка
Длина упаковки [см] : 26,5
Ширина упаковки [см] : 26,5
Высота упаковки [см] : 10
|
|
Тормозной диск
JURID 562806JC
Тип тормозного диска : вентилируемый
Наружный диаметр [мм] : 257
Толщина тормозного диска (мм) : 24
Дополнительный артикул / дополнительная информация 2 : без винтов
Версия : JC
Высота [мм] : 45,5
Ø фаски [мм] : 114,3
Диаметр центрирования [мм] : 69
Количество отверстий : 4
Количественная единица : комплект
Поверхность : с покрытием
проверочное значение : R90 Homologated
Вес [кг] : 11,53
Минимальная толщина [мм] : 21,6
Момент затяжки [Нм] : 100
Тип контейнера : Коробка
Длина упаковки [см] : 27
Ширина упаковки [см] : 27
Высота упаковки [см] : 12
|
|
Тормозной диск
KAISHIN CBR019
для оригинального номера : 517122D310
Сторона установки : передний мост
проверочное значение : ECE R90 APPROVED
Высота [мм] : 47
Тип тормозного диска : вентилируемый
Толщина тормозного диска (мм) : 24
Минимальная толщина [мм] : 22
Число отверстий : 4
Наружный диаметр [мм] : 256,9
Количество отверстий : 4
Ø фаски [мм] : 69
Поверхность : лакированный
|
|
Тормозной диск
KAISHIN CBR199
для оригинального номера : 5171228300
Сторона установки : передний мост
проверочное значение : ECE R90 APPROVED
Высота [мм] : 34,4
Тип тормозного диска : вентилируемый
Толщина тормозного диска (мм) : 22
Минимальная толщина [мм] : 20
Число отверстий : 4
Наружный диаметр [мм] : 256,3
Количество отверстий : 4
Момент затяжки [Нм] : 100
Ø фаски [мм] : 86
Поверхность : лакированный
|
|
Тормозной диск
KAISHIN CBR269
для оригинального номера : 5841129310
Сторона установки : Задний мост
проверочное значение : ECE R90 APPROVED
Высота [мм] : 40,5
Тип тормозного диска : цельный
Толщина тормозного диска (мм) : 10
Минимальная толщина [мм] : 8,5
Число отверстий : 4
Наружный диаметр [мм] : 258
Количество отверстий : 4
Момент затяжки [Нм] : 100
Ø фаски [мм] : 76
Поверхность : лакированный
|
|
Тормозной диск
KAMOKA 103964
Сторона установки : Задний мост
Тип тормозного диска : вентилируемый
Толщина тормозного диска (мм) : 22
Ø фаски [мм] : 104
Количество отверстий : 4
Высота [мм] : 34
Диаметр центрирования [мм] : 86
Наружный диаметр [мм] : 257
|
|
Тормозной диск
KAVO PARTS BR-3203-C
Высота [мм] : 37
Тип тормозного диска : вентилируемый
Толщина тормозного диска (мм) : 19
Наружный диаметр [мм] : 242
Количество отверстий : 4
Диаметр центрирования [мм] : 86
Ø фаски [мм] : 104
Поверхность : с покрытием
|
|
Тормозной диск
KAVO PARTS BR-3204-C
проверочное значение : R90
Высота [мм] : 34
Тип тормозного диска : вентилируемый
Толщина тормозного диска (мм) : 22
Наружный диаметр [мм] : 257
Количество отверстий : 4
Диаметр центрирования [мм] : 86
Ø фаски [мм] : 104
Поверхность : с покрытием
|
|
Тормозной диск
KAVO PARTS BR-3208-C
проверочное значение : R90
Высота [мм] : 40
Тип тормозного диска : цельный
Толщина тормозного диска (мм) : 10
Наружный диаметр [мм] : 258
Количество отверстий : 4
Диаметр центрирования [мм] : 76
Ø фаски [мм] : 114
Поверхность : с покрытием
|
|
Тормозной диск
KAWE 6375 10
Диаметр [мм] : 257
Сторона установки : передний мост
Вес [кг] : 4,9
Тип тормозного диска : вентилируемый
Минимальная толщина [мм] : 20
Толщина тормозного диска (мм) : 22
Количество отверстий : 4
проверочное значение : K.B.A.: 61209
Высота [мм] : 34
Диаметр центрирования [мм] : 86
Наружный диаметр [мм] : 257
|
|
Тормозной диск
KAWE 6627 00
Диаметр [мм] : 258
Сторона установки : Задний мост
Вес [кг] : 3,54
Тип тормозного диска : цельный
Минимальная толщина [мм] : 8
Толщина тормозного диска (мм) : 10
Количество отверстий : 4
проверочное значение : K.B.A.: 61210
Высота [мм] : 40
Диаметр центрирования [мм] : 76
Наружный диаметр [мм] : 258
|
|
Тормозной диск
KAWE 6633 10
Диаметр [мм] : 257
Сторона установки : передний мост
Вес [кг] : 5,5
Тип тормозного диска : вентилируемый
Минимальная толщина [мм] : 22,4
Толщина тормозного диска (мм) : 24
Количество отверстий : 4
проверочное значение : K.B.A.: 61209
Высота [мм] : 45,5
Диаметр центрирования [мм] : 69
Наружный диаметр [мм] : 257
|
|
Тормозной диск
KAWE 6827 10
Диаметр [мм] : 242
Сторона установки : передний мост
Вес [кг] : 4,22
Тип тормозного диска : вентилируемый
Минимальная толщина [мм] : 17
Толщина тормозного диска (мм) : 19
Количество отверстий : 4
Высота [мм] : 37
Диаметр центрирования [мм] : 86
Наружный диаметр [мм] : 242
|
|
Тормозной диск
KRAFT AUTOMOTIVE 6054611
Тип тормозного диска : цельный
Сторона установки : Задний мост
Толщина тормозного диска (мм) : 10
Наружный диаметр [мм] : 258
Диаметр [мм] : 258
Количество отверстий : 4
Номер продукции : K6054611
|
|
Тормозной диск
LPR H2061V
Наружный диаметр [мм] : 257
Толщина тормозного диска (мм) : 22
Диаметр центрирования [мм] : 86
Количество отверстий : 4
Минимальная толщина [мм] : 20
Тип тормозного диска : вентилируемый
Высота [мм] : 34
|
|
Тормозной диск
LPR H2126V
Высота [мм] : 45,5
Количество отверстий : 4
Наружный диаметр [мм] : 257
Минимальная толщина [мм] : 22,4
Толщина тормозного диска (мм) : 24
Диаметр центрирования [мм] : 69
Тип тормозного диска : вентилируемый
|
|
Тормозной диск
LPR H2127P
Количество отверстий : 4
Высота [мм] : 40,4
Диаметр центрирования [мм] : 76
Тип тормозного диска : цельный
Наружный диаметр [мм] : 258
Минимальная толщина [мм] : 8
Толщина тормозного диска (мм) : 10
|
|
Тормозной диск
LPR H2127PR
Поверхность : с покрытием
Диаметр центрирования [мм] : 76
Наружный диаметр [мм] : 258
Количество отверстий : 4
Толщина тормозного диска (мм) : 10
Высота [мм] : 40,4
Тип тормозного диска : цельный
Минимальная толщина [мм] : 8
|
|
Тормозной диск
LYNXAUTO BN-1532
Сторона установки : передний мост
Наружный диаметр [мм] : 257
Толщина тормозного диска (мм) : 22
Минимальная толщина [мм] : 20
Диаметр центрирования [мм] : 86
Высота [мм] : 34
Количество отверстий : 4
Ø фаски [мм] : 104
Тип тормозного диска : вентилируемый
|
|
Тормозной диск
LYNXAUTO BN-1533
Сторона установки : передний мост
Наружный диаметр [мм] : 257
Толщина тормозного диска (мм) : 24
Минимальная толщина [мм] : 22,4
Диаметр центрирования [мм] : 69
Высота [мм] : 45,5
Количество отверстий : 4
Ø фаски [мм] : 114,3
Тип тормозного диска : вентилируемый
|
|
Тормозной диск
LYNXAUTO BN-1534
Сторона установки : Задний мост
Наружный диаметр [мм] : 258
Толщина тормозного диска (мм) : 10
Минимальная толщина [мм] : 8
Диаметр центрирования [мм] : 76
Высота [мм] : 40
Количество отверстий : 4
Ø фаски [мм] : 114
Тип тормозного диска : цельный
|
|
Тормозной диск
LYNXAUTO BN-1565
Сторона установки : передний мост
Наружный диаметр [мм] : 242
Толщина тормозного диска (мм) : 19
Минимальная толщина [мм] : 17
Диаметр центрирования [мм] : 86
Высота [мм] : 37
Количество отверстий : 4
Ø фаски [мм] : 120
Тип тормозного диска : вентилируемый
|
|
Тормозной диск
MANDO MBC030016
Сторона установки : Задний мост
Тип тормозного диска : цельный
Толщина тормозного диска (мм) : 10
Количество отверстий : 4
Высота [мм] : 40,4
Диаметр центрирования [мм] : 76
Наружный диаметр [мм] : 258
|
|
Тормозной диск
MANDO MBC030020
Сторона установки : Задний мост
Тип тормозного диска : цельный
Толщина тормозного диска (мм) : 10
Минимальная толщина [мм] : 8
Ø фаски [мм] : 114,3
Количество отверстий : 4
Высота [мм] : 40,1
Диаметр центрирования [мм] : 90,1
Наружный диаметр [мм] : 258
|
|
Тормозной диск
MANDO MBC030037
Сторона установки : Задний мост
Тип тормозного диска : цельный
Толщина тормозного диска (мм) : 10
Количество отверстий : 4
Высота [мм] : 40,2
Диаметр центрирования [мм] : 76
Наружный диаметр [мм] : 258
|
|
Тормозной диск
MANDO MBC030091
Сторона установки : передний мост
Тип тормозного диска : вентилируемый
Толщина тормозного диска (мм) : 22
Количество отверстий : 4
Высота [мм] : 34
Диаметр центрирования [мм] : 86,1
Наружный диаметр [мм] : 257
|
|
Тормозной диск
MANDO MBC030152
Сторона установки : передний мост
Тип тормозного диска : вентилируемый
Толщина тормозного диска (мм) : 19
Количество отверстий : 4
Высота [мм] : 37
Диаметр центрирования [мм] : 86
Наружный диаметр [мм] : 242
|
|
Тормозной диск
MANDO MBC030298
Диаметр [мм] : 257
Сторона установки : передний мост
Тип тормозного диска : вентилируемый
Толщина тормозного диска (мм) : 22
Минимальная толщина [мм] : 20
Количество отверстий : 4
Высота [мм] : 34
Диаметр центрирования [мм] : 86
Наружный диаметр [мм] : 257
|
|
Тормозной диск
MAPCO 25509
Сторона установки : Задний мост
Тип тормозного диска : цельный
Толщина тормозного диска (мм) : 10
Минимальная толщина [мм] : 8
Наружный диаметр [мм] : 258
Ø фаски [мм] : 114
Количество отверстий : 4
|
|
Тормозной диск
MAPCO 15506
Сторона установки : передний мост
Наружный диаметр [мм] : 257
Тип тормозного диска : вентилируемый
Толщина тормозного диска (мм) : 22
Минимальная толщина [мм] : 20
Количество отверстий : 4
Ø фаски [мм] : 104
|
|
Тормозной диск
MAXGEAR 19-0936
Сторона установки : передний мост
Тип тормозного диска : вентилируемый
Наружный диаметр [мм] : 257
Толщина тормозного диска (мм) : 22
Высота [мм] : 34
Ø фаски [мм] : 104
Диаметр центрирования [мм] : 86
Количество отверстий : 4
Минимальная толщина [мм] : 20
|
|
Тормозной диск
MAXGEAR 19-0936SPORT
Сторона установки : передний мост
Тип тормозного диска : вентилируемый
Тип тормозного диска : с прорезями / перфорированный
Наружный диаметр [мм] : 257
Толщина тормозного диска (мм) : 22
Высота [мм] : 34
Ø фаски [мм] : 104
Диаметр центрирования [мм] : 86
Количество отверстий : 4
Поверхность : лакированный
Минимальная толщина [мм] : 20
|
|
Тормозной диск
MAXGEAR 19-2442
Сторона установки : Задний мост
Тип тормозного диска : цельный
Наружный диаметр [мм] : 258
Толщина тормозного диска (мм) : 10
Высота [мм] : 40,2
Ø фаски [мм] : 114
Диаметр центрирования [мм] : 76
Количество отверстий : 4
Минимальная толщина [мм] : 8
|
|
Тормозной диск
MAXGEAR 19-2442SPORT
Тип тормозного диска : цельный
Тип тормозного диска : с прорезями / перфорированный
Наружный диаметр [мм] : 258
Толщина тормозного диска (мм) : 10
Высота [мм] : 40,2
Ø фаски [мм] : 114
Диаметр центрирования [мм] : 76
Количество отверстий : 4
Поверхность : лакированный
Минимальная толщина [мм] : 8
|
|
Тормозной диск
MAXGEAR 19-2543
Тип тормозного диска : вентилируемый
Наружный диаметр [мм] : 257
Толщина тормозного диска (мм) : 24
Дополнительный артикул / дополнительная информация 2 : без ступицы
Дополнительный артикул / дополнительная информация 2 : без колесной крепящей оси
Высота [мм] : 45,5
Ø фаски [мм] : 114
Диаметр центрирования [мм] : 69
Количество отверстий : 4
Минимальная толщина [мм] : 22,4
|
|
Тормозной диск
MAXGEAR 19-2543SPORT
Тип тормозного диска : вентилируемый
Тип тормозного диска : с прорезями / перфорированный
Наружный диаметр [мм] : 257
Толщина тормозного диска (мм) : 24
Дополнительный артикул / дополнительная информация 2 : без ступицы
Дополнительный артикул / дополнительная информация 2 : без колесной крепящей оси
Высота [мм] : 45,5
Ø фаски [мм] : 114
Диаметр центрирования [мм] : 69
Количество отверстий : 4
Минимальная толщина [мм] : 22,4
|
|
Тормозной диск
MAXGEAR 19-2555
Сторона установки : передний мост
Тип тормозного диска : вентилируемый
Наружный диаметр [мм] : 242
Толщина тормозного диска (мм) : 19
Высота [мм] : 37
Ø фаски [мм] : 104
Диаметр центрирования [мм] : 86
Количество крепежных отверстий : 4
Минимальная толщина [мм] : 18
|
|
Тормозной диск
MAXGEAR 19-2555SPORT
Сторона установки : передний мост
Тип тормозного диска : вентилируемый
Тип тормозного диска : с прорезями / перфорированный
Наружный диаметр [мм] : 242
Толщина тормозного диска (мм) : 19
Высота [мм] : 37
Ø фаски [мм] : 104
Диаметр центрирования [мм] : 86
Количество крепежных отверстий : 4
Поверхность : лакированный
Минимальная толщина [мм] : 18
|
|
Тормозной диск
MAXTECH 865203
Сторона установки : передний мост
Тип тормозного диска : вентилируемый
Минимальная толщина [мм] : 17,7
Вес [кг] : 4,1
Толщина тормозного диска (мм) : 19,1
Ø фаски [мм] : 104
Количество отверстий : 4
Внутренний диаметр : 143
Размер резьбы : M10x1,25
проверочное значение : 90R-02C01327/31776
Высота [мм] : 41
Диаметр центрирования [мм] : 86
Наружный диаметр [мм] : 242
|
|
Тормозной диск
MAXTECH 865205
Сторона установки : передний мост
Тип тормозного диска : вентилируемый
Минимальная толщина [мм] : 20
Вес [кг] : 5,2
Толщина тормозного диска (мм) : 22
Ø фаски [мм] : 104
Количество отверстий : 4
Диаметр отверстия [мм] : 10,6
Внутренний диаметр : 160,5
проверочное значение : 90R-02C01327/31788
Высота [мм] : 34
Диаметр центрирования [мм] : 86
Наружный диаметр [мм] : 257
|
|
Тормозной диск
MAXTECH 865227
Сторона установки : передний мост
Тип тормозного диска : вентилируемый
Минимальная толщина [мм] : 22,4
Вес [кг] : 5,4
Толщина тормозного диска (мм) : 24
Ø фаски [мм] : 114,3
Количество отверстий : 4
Диаметр отверстия [мм] : 12,5
Внутренний диаметр : 141,5
проверочное значение : 90R-02C01327/31788
Высота [мм] : 46
Диаметр центрирования [мм] : 69
Наружный диаметр [мм] : 257
|
|
Тормозной диск
METELLI 23-0713
проверочное значение : ECE-R90
Высота [мм] : 40,4
Тип тормозного диска : цельный
Толщина тормозного диска (мм) : 10
Наружный диаметр [мм] : 258
Количество отверстий : 4
Диаметр центрирования [мм] : 76
|
|
Тормозной диск
MEYLE 37-15 523 0001
Сторона установки : Задний мост
Наружный диаметр [мм] : 258
Высота [мм] : 40,4
Толщина тормозного диска (мм) : 10
Минимальная толщина [мм] : 8
Диаметр центрирования [мм] : 76
Ø фаски [мм] : 114,3
Диаметр отверстия под шпильку колеса [мм] : 12,6
Количество отверстий : 4
Тип тормозного диска : цельный
необходимое количество : 2
|
|
Тормозной диск
MILES K200214
Сторона установки : спереди
Количество отверстий : 4
Тип тормозного диска : вентилируемый
Наружный диаметр [мм] : 257
Высота [мм] : 45,5
Диаметр центрирования [мм] : 69
Ø фаски [мм] : 114,3
Диаметр отверстия под шпильку колеса [мм] : 12,6
Толщина тормозного диска (мм) : 24
Минимальная толщина [мм] : 22,4
Поверхность : с покрытием
|
|
Тормозной диск
MILES K010558
Сторона установки : сзади
Количество отверстий : 4
Тип тормозного диска : цельный
Наружный диаметр [мм] : 257,8
Высота [мм] : 40,1
Диаметр центрирования [мм] : 90,1
Ø фаски [мм] : 114,3
Диаметр отверстия под шпильку колеса [мм] : 12,8
Толщина тормозного диска (мм) : 10,1
Минимальная толщина [мм] : 8,9
|
|
Тормозной диск
MILES K210558
Сторона установки : сзади
Количество отверстий : 4
Тип тормозного диска : цельный
Наружный диаметр [мм] : 257,8
Высота [мм] : 40,1
Диаметр центрирования [мм] : 90,1
Ø фаски [мм] : 114,3
Диаметр отверстия под шпильку колеса [мм] : 12,8
Толщина тормозного диска (мм) : 10,1
Минимальная толщина [мм] : 8,9
Поверхность : с покрытием
|
|
Тормозной диск
MINTEX MDC1512
Тип тормозного диска : вентилируемый
Наружный диаметр [мм] : 257
Толщина тормозного диска (мм) : 24
Высота [мм] : 45,5
Минимальная толщина [мм] : 22,4
Внутренний диаметр : 141,5
Ø фаски [мм] : 114,3
Диаметр центрирования [мм] : 69
Расположение/число отверстий : 04/06
Диаметр отверстия под шпильку колеса [мм] : 12,6
Дополнительный артикул / дополнительная информация 2 : без ступицы
Дополнительный артикул / дополнительная информация 2 : без колесного подшипника
Дополнительный артикул / дополнительная информация 2 : без колесной крепящей оси
Длина упаковки [см] : 27,8
Ширина упаковки [см] : 27,8
Высота упаковки [см] : 12,2
Вес [кг] : 5,5
|
|
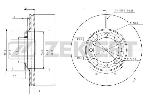
Тормозной диск
MINTEX MDC782
Тип тормозного диска : вентилируемый
Наружный диаметр [мм] : 257
Толщина тормозного диска (мм) : 22
Высота [мм] : 34
Минимальная толщина [мм] : 20
Внутренний диаметр : 127,9
Ø фаски [мм] : 104
Диаметр центрирования [мм] : 86
Расположение/число отверстий : 04/04
Диаметр отверстия под шпильку колеса [мм] : 10,7
Дополнительный артикул / дополнительная информация 2 : без ступицы
Дополнительный артикул / дополнительная информация 2 : без колесного подшипника
Дополнительный артикул / дополнительная информация 2 : без колесной крепящей оси
Длина упаковки [см] : 27,8
Ширина упаковки [см] : 27,8
Высота упаковки [см] : 8,4
Вес [кг] : 5
|
|
Тормозной диск
MINTEX MDC813
Тип тормозного диска : вентилируемый
Наружный диаметр [мм] : 242
Толщина тормозного диска (мм) : 19
Высота [мм] : 37
Минимальная толщина [мм] : 17
Внутренний диаметр : 126
Ø фаски [мм] : 104
Диаметр центрирования [мм] : 86
Расположение/число отверстий : 04/04
Диаметр отверстия под шпильку колеса [мм] : 28,8
Дополнительный артикул / дополнительная информация 2 : без ступицы
Дополнительный артикул / дополнительная информация 2 : без колесного подшипника
Дополнительный артикул / дополнительная информация 2 : без колесной крепящей оси
Длина упаковки [см] : 27,8
Ширина упаковки [см] : 27,8
Высота упаковки [см] : 10,5
Вес [кг] : 4,1
|
|
Тормозной диск
MINTEX MDC1366
Тип тормозного диска : цельный
Наружный диаметр [мм] : 258
Толщина тормозного диска (мм) : 10
Высота [мм] : 40,3
Минимальная толщина [мм] : 8
Внутренний диаметр : 154
Ø фаски [мм] : 114,3
Диаметр центрирования [мм] : 76
Расположение/число отверстий : 04/06
Диаметр отверстия под шпильку колеса [мм] : 12,5
Дополнительный артикул / дополнительная информация 2 : без ступицы
Дополнительный артикул / дополнительная информация 2 : без колесного подшипника
Дополнительный артикул / дополнительная информация 2 : без колесной крепящей оси
Длина упаковки [см] : 27,8
Ширина упаковки [см] : 27,8
Высота упаковки [см] : 10,5
Вес [кг] : 3,6
|
|
Тормозной диск
MOTAQUIP LVBD1020Z
Тип тормозного диска : цельный
Наружный диаметр [мм] : 258
Толщина тормозного диска (мм) : 10
Высота [мм] : 40,3
Ø фаски [мм] : 114,3
Диаметр центрирования [мм] : 76
Количество отверстий : 4
Поверхность : с покрытием
Вес [кг] : 3,6
Минимальная толщина [мм] : 9
Число отверстий : 2
|
|
Тормозной диск
MOTAQUIP LVBD544Z
Тип тормозного диска : вентилируемый
Наружный диаметр [мм] : 257
Толщина тормозного диска (мм) : 22
Высота [мм] : 34
Диаметр центрирования [мм] : 86
Количество отверстий : 4
Вес [кг] : 5,27
Минимальная толщина [мм] : 20
|
|
Тормозной диск
MOTAQUIP LVBD545Z
Тип тормозного диска : вентилируемый
Наружный диаметр [мм] : 257
Толщина тормозного диска (мм) : 24
Высота [мм] : 45,5
Ø фаски [мм] : 114,3
Диаметр центрирования [мм] : 69
Количество отверстий : 4
Поверхность : с покрытием
Вес [кг] : 5,07
Минимальная толщина [мм] : 22
Число отверстий : 2
|
|
Тормозной диск
National NBD446
Тип тормозного диска : вентилируемый
Наружный диаметр [мм] : 257
Толщина тормозного диска (мм) : 22
Высота [мм] : 34
Ø фаски [мм] : 104
Диаметр центрирования [мм] : 85
Количество отверстий : 4
|
|
Тормозной диск
National NBD589
Тип тормозного диска : вентилируемый
Наружный диаметр [мм] : 242
Толщина тормозного диска (мм) : 19
Высота [мм] : 37
Ø фаски [мм] : 104
Диаметр центрирования [мм] : 86
Количество отверстий : 4
|
|
Тормозной диск
NiBK RN1007
Сторона установки : передний мост
Тип тормозного диска : вентилируемый
Наружный диаметр [мм] : 257
Толщина тормозного диска (мм) : 22
Минимальная толщина [мм] : 20
Количество отверстий : 4
Ø фаски [мм] : 104
Высота [мм] : 34
Диаметр центрирования [мм] : 86
Внутренний диаметр : 160
|
|
Тормозной диск
NiBK RN1130
Сторона установки : Задний мост
Тип тормозного диска : цельный
Наружный диаметр [мм] : 258
Толщина тормозного диска (мм) : 10
Количество отверстий : 4
Ø фаски [мм] : 114,3
Высота [мм] : 40,4
Диаметр центрирования [мм] : 76
Внутренний диаметр : 154
|
|
Тормозной диск
NIPPARTS J3300503
Тип тормозного диска : вентилируемый
Толщина тормозного диска (мм) : 19
Наружный диаметр [мм] : 242
Высота [мм] : 37
Количество отверстий : 4
Диаметр центрирования [мм] : 86,1
Ø фаски [мм] : 104
Диаметр ступицы колеса [мм] : 126,1
Минимальная толщина [мм] : 19
|
|
Тормозной диск
NIPPARTS J3300505
Сторона установки : передний мост
Тип тормозного диска : вентилируемый
Толщина тормозного диска (мм) : 22
Наружный диаметр [мм] : 257
Высота [мм] : 33,9
Количество отверстий : 4
Диаметр центрирования [мм] : 86
Ø фаски [мм] : 104
Диаметр ступицы колеса [мм] : 137
Минимальная толщина [мм] : 20
|
|
Тормозной диск
NIPPARTS J3300518
Сторона установки : передний мост
Тип тормозного диска : вентилируемый
Толщина тормозного диска (мм) : 24
Наружный диаметр [мм] : 257
Высота [мм] : 45,5
Количество отверстий : 4
Диаметр центрирования [мм] : 69
Ø фаски [мм] : 114,3
Диаметр ступицы колеса [мм] : 152
Минимальная толщина [мм] : 22,4
|
|
Тормозной диск
NIPPARTS J3310508
Сторона установки : Задний мост
Тип тормозного диска : цельный
Толщина тормозного диска (мм) : 10
Наружный диаметр [мм] : 258
Высота [мм] : 40,4
Количество отверстий : 4
Диаметр центрирования [мм] : 76
Ø фаски [мм] : 114,3
Диаметр ступицы колеса [мм] : 167
Минимальная толщина [мм] : 8
|
|
Тормозной диск
NK 203401
Наружный диаметр [мм] : 257
Толщина тормозного диска (мм) : 22
Минимальная толщина [мм] : 20
Высота [мм] : 34
Число отверстий в диске колеса : 4
Тип тормозного диска : вентилируемый
Диаметр центрирования [мм] : 86,1
Поверхность : промасленный
Вес нетто [кг] : 4,86
|
|
Тормозной диск
NK 203408
Наружный диаметр [мм] : 242
Толщина тормозного диска (мм) : 19
Минимальная толщина [мм] : 17
Высота [мм] : 37
Число отверстий в диске колеса : 4
Тип тормозного диска : вентилируемый
Диаметр центрирования [мм] : 86
Поверхность : промасленный
Вес нетто [кг] : 4,22
|
|
Тормозной диск
NK 203406
Наружный диаметр [мм] : 258
Толщина тормозного диска (мм) : 10
Минимальная толщина [мм] : 8
Высота [мм] : 40,4
Число отверстий в диске колеса : 4
Тип тормозного диска : цельный
Диаметр центрирования [мм] : 76
Поверхность : промасленный
Вес нетто [кг] : 3,54
|
|
Тормозной диск
NPS H330I02
Спецификация : Qte packaging: 1
Сторона установки : передний мост
Количество частей [част.] : 1
Толщина тормозного диска (мм) : 19
Тип тормозного диска : вентилируемый
Высота [мм] : 37
Наружный диаметр [мм] : 242
Количество отверстий : 4
Минимальная толщина [мм] : 16
Ø фаски [мм] : 86
Диаметр центрирования [мм] : 86
|
|
Тормозной диск
NPS H330I03
Спецификация : Qte packaging: 1
Сторона установки : передний мост
Количество частей [част.] : 1
Толщина тормозного диска (мм) : 22
Количество отверстий : 4
Тип тормозного диска : вентилируемый
Высота [мм] : 34
Наружный диаметр [мм] : 257
Минимальная толщина [мм] : 20
Ø фаски [мм] : 85,5
Диаметр центрирования [мм] : 86
Количество крепежных отверстий : 4
Вес [кг] : 5,145
|
|
Тормозной диск
NPS H331I02
Спецификация : Qte packaging: 1
Сторона установки : Задний мост
проверочное значение : E1 90R-02C0100/1196
Тип тормозного диска : вентилируемый
Количество частей [част.] : 1
Внутренний диаметр : 76
Наружный диаметр [мм] : 258
Толщина тормозного диска (мм) : 10
Количество крепежных отверстий : 2
Количество отверстий : 4
Высота [мм] : 40
Ø фаски [мм] : 76
Диаметр центрирования [мм] : 76
|
|
Тормозной диск
OPEN PARTS BDA1193.20
Тип тормозного диска : вентилируемый
Наружный диаметр [мм] : 257
Высота [мм] : 34
Толщина тормозного диска (мм) : 22
Диаметр центрирования [мм] : 86
Количество отверстий : 4
Минимальная толщина [мм] : 20
|
|
Тормозной диск
OPEN PARTS BDA1770.10
Тип тормозного диска : цельный
Наружный диаметр [мм] : 258
Высота [мм] : 40
Толщина тормозного диска (мм) : 10
Диаметр центрирования [мм] : 76
Количество отверстий : 4
Минимальная толщина [мм] : 8
|
|
Тормозной диск
OPEN PARTS BDA1869.20
Тип тормозного диска : вентилируемый
Наружный диаметр [мм] : 242
Высота [мм] : 37
Толщина тормозного диска (мм) : 19,1
Диаметр центрирования [мм] : 86
Количество отверстий : 4
Минимальная толщина [мм] : 17
|
|
Тормозной диск
OPEN PARTS BDR1869.20
Тип тормозного диска : вентилируемый
Поверхность : лакированный
Наружный диаметр [мм] : 242
Высота [мм] : 37
Толщина тормозного диска (мм) : 19,1
Диаметр центрирования [мм] : 86
Количество отверстий : 4
Минимальная толщина [мм] : 17
|
|
Тормозной диск
OPTIMAL BS-3750C
Сторона установки : передний мост
Тип тормозного диска : вентилируемый
Толщина тормозного диска (мм) : 22
Наружный диаметр [мм] : 257
Высота [мм] : 34
Диаметр центрирования [мм] : 86
Поверхность : с покрытием
Минимальная толщина [мм] : 20
Расположение/число отверстий : 4/4
|
|
Тормозной диск
OPTIMAL BS-6390
Сторона установки : Задний мост
Тип тормозного диска : цельный
Толщина тормозного диска (мм) : 10
Наружный диаметр [мм] : 258
Высота [мм] : 40,4
Диаметр центрирования [мм] : 76
Минимальная толщина [мм] : 8
Расположение/число отверстий : 4/6
|
|
Тормозной диск
OPTIMAL BS-6390C
Сторона установки : Задний мост
Тип тормозного диска : цельный
Толщина тормозного диска (мм) : 10
Наружный диаметр [мм] : 258
Высота [мм] : 40,4
Диаметр центрирования [мм] : 76
Поверхность : с покрытием
Минимальная толщина [мм] : 8
Расположение/число отверстий : 4/6
|
|
Тормозной диск
OPTIMAL BS-7704C
Сторона установки : передний мост
Тип тормозного диска : вентилируемый
Толщина тормозного диска (мм) : 19
Наружный диаметр [мм] : 242
Высота [мм] : 37
Диаметр центрирования [мм] : 86
Поверхность : с покрытием
Минимальная толщина [мм] : 17
Расположение/число отверстий : 4/4
|
|
Тормозной диск
OSSCA 04858
Сторона установки : передний мост
Тип тормозного диска : вентилируемый
Размеры радиатора : 257×20
Толщина тормозного диска (мм) : 0
Высота [мм] : 34
Наружный диаметр [мм] : 0
|
|
Тормозной диск
Oyodo 30H0502-OYO
Тип тормозного диска : вентилируемый
Высота [мм] : 37
Толщина тормозного диска (мм) : 19
Размер резьбы : 28,5
Наружный диаметр [мм] : 242,5
Количество отверстий : 4
Диаметр центрирования [мм] : 86
Ø фаски [мм] : 120
|
|
Тормозной диск
Oyodo 40H0502-OYO
Тип тормозного диска : цельный
Высота [мм] : 40,2
Толщина тормозного диска (мм) : 10
Размер резьбы : 12,5
Наружный диаметр [мм] : 258
Количество отверстий : 4
Диаметр центрирования [мм] : 76
Ø фаски [мм] : 114
|
|
Тормозной диск
PAGID 54308N
Тип тормозного диска : вентилируемый
Наружный диаметр [мм] : 257
Толщина тормозного диска (мм) : 24
Высота [мм] : 45,5
Минимальная толщина [мм] : 22,4
Внутренний диаметр : 141,5
Ø фаски [мм] : 114,3
Диаметр центрирования [мм] : 69
Расположение/число отверстий : 04/06
Диаметр отверстия под шпильку колеса [мм] : 12,6
Дополнительный артикул / дополнительная информация 2 : без ступицы
Дополнительный артикул / дополнительная информация 2 : без колесного подшипника
Дополнительный артикул / дополнительная информация 2 : без колесной крепящей оси
Длина упаковки [см] : 27,8
Ширина упаковки [см] : 27,8
Высота упаковки [см] : 8,4
Вес [кг] : 5,5
|
|
Тормозной диск
PILENGA 5791
Сторона установки : Задний мост
Тип тормозного диска : цельный
Минимальная толщина [мм] : 8
Толщина тормозного диска (мм) : 10
Количество отверстий 1 : 4
Количество отверстий 2 : 2
Внутренний диаметр : 154
Высота [мм] : 40,2
Диаметр центрирования [мм] : 76
Наружный диаметр [мм] : 258
|
|
Тормозной диск
PILENGA V605
Сторона установки : передний мост
Тип тормозного диска : вентилируемый
Минимальная толщина [мм] : 20
Толщина тормозного диска (мм) : 22
Количество отверстий 1 : 4
Внутренний диаметр : 128
Высота [мм] : 33,9
Диаметр центрирования [мм] : 86
Наружный диаметр [мм] : 257
|
|
Тормозной диск
PILENGA V606
Сторона установки : передний мост
Тип тормозного диска : вентилируемый
Минимальная толщина [мм] : 17
Толщина тормозного диска (мм) : 19,1
Количество отверстий 1 : 4
Внутренний диаметр : 126
Высота [мм] : 37
Диаметр центрирования [мм] : 86
Наружный диаметр [мм] : 243
|
|
Тормозной диск
R BRAKE 78RBD22830
Толщина тормозного диска (мм) : 20
Наружный диаметр [мм] : 257
Тип тормозного диска : вентилируемый
Высота [мм] : 34
Диаметр центрирования [мм] : 86
Ø фаски [мм] : 104
Исполнение оси : Front
Номер технической информации : 78BD2830-2
проверочное значение : E1 90R-02C0074/0061
проверочное значение : E1 90R-02C0452/0077
проверочное значение : E4 90R-02C0703/2560
Диаметр [мм] : 86
Толщина [мм] : 22
Минимальная толщина [мм] : 20
Расположение/число отверстий : 4
|
|
Тормозной диск
RAICAM RD00506
Сторона установки : передний мост
Минимальная толщина [мм] : 20
Высота [мм] : 34
Наружный диаметр [мм] : 257
Вес [кг] : 4,9
Диаметр центрирования [мм] : 86
Тип тормозного диска : вентилируемый
выполняет нормы ЕЭК : E1
Число отверстий в диске колеса : 4
Толщина тормозного диска (мм) : 22
|
|
Тормозной диск
RAICAM RD00511
Сторона установки : Задний мост
Минимальная толщина [мм] : 8
Высота [мм] : 40,4
Наружный диаметр [мм] : 258
Вес [кг] : 3,6
Диаметр центрирования [мм] : 76
Тип тормозного диска : цельный
Число отверстий в диске колеса : 4
Толщина тормозного диска (мм) : 10
|
|
Тормозной диск
RAICAM RD00513
Толщина тормозного диска (мм) : 19
Сторона установки : передний мост
Минимальная толщина [мм] : 17
Высота [мм] : 37
Наружный диаметр [мм] : 242
Вес [кг] : 4,1
Диаметр центрирования [мм] : 86
Тип тормозного диска : вентилируемый
Число отверстий в диске колеса : 4
|
|
Тормозной диск
REMSA 6375.10
проверочное значение : K.B.A.: 61209
Сторона установки : передний мост
Диаметр [мм] : 257
Высота [мм] : 34
Тип тормозного диска : вентилируемый
Толщина тормозного диска (мм) : 22
Минимальная толщина [мм] : 20
Количество отверстий : 4
Диаметр центрирования [мм] : 86
Вес [кг] : 4,9
Наружный диаметр [мм] : 257
|
|
Тормозной диск
REMSA 6627.00
проверочное значение : K.B.A.: 61210
Сторона установки : Задний мост
Диаметр [мм] : 258
Высота [мм] : 40
Тип тормозного диска : цельный
Толщина тормозного диска (мм) : 10
Минимальная толщина [мм] : 8
Количество отверстий : 4
Диаметр центрирования [мм] : 76
Вес [кг] : 3,54
Наружный диаметр [мм] : 258
|
|
Тормозной диск
REMSA 6633.10
проверочное значение : K.B.A.: 61209
Сторона установки : передний мост
Диаметр [мм] : 257
Высота [мм] : 45,5
Тип тормозного диска : вентилируемый
Толщина тормозного диска (мм) : 24
Минимальная толщина [мм] : 22,4
Количество отверстий : 4
Диаметр центрирования [мм] : 69
Вес [кг] : 5,5
Наружный диаметр [мм] : 257
|
|
Тормозной диск
REMSA 6827.10
Сторона установки : передний мост
Диаметр [мм] : 242
Высота [мм] : 37
Тип тормозного диска : вентилируемый
Толщина тормозного диска (мм) : 19
Минимальная толщина [мм] : 17
Количество отверстий : 4
Диаметр центрирования [мм] : 86
Вес [кг] : 4,22
Наружный диаметр [мм] : 242
|
|
Тормозной диск
RIDEX 82B0490
Толщина тормозного диска (мм) : 24
Тип тормозного диска : вентилируемый
Наружный диаметр [мм] : 257
Сторона установки : передний мост
Минимальная толщина [мм] : 22,4
Высота [мм] : 45,5
Расположение/число отверстий : 04/06
Ø фаски [мм] : 114,3
Диаметр центрирования [мм] : 69
Вес [кг] : 5,5
Дополнительный артикул / дополнительная информация 2 : без ступицы
Дополнительный артикул / дополнительная информация 2 : без колесной крепящей оси
Внутренний диаметр : 141,5
Диаметр отверстия [мм] : 12,6
|
|
Тормозной диск
RIDEX 82B0496
Высота [мм] : 34
Диаметр отверстия [мм] : 86
Тип тормозного диска : вентилируемый
Толщина тормозного диска (мм) : 22
Минимальная толщина [мм] : 20
Количество отверстий : 4
Диаметр центрирования [мм] : 86
Момент затяжки [Нм] : 100
Дополнительный артикул / дополнительная информация 2 : без винтов
Диаметр отверстия [мм] : 10,6
Внутренний диаметр : 128,1
Сторона установки : передний мост
Наружный диаметр [мм] : 257
|
|
Тормозной диск
RIDEX 82B0711
Толщина тормозного диска (мм) : 10
Тип тормозного диска : цельный
Минимальная толщина [мм] : 8
Высота [мм] : 40,3
Расположение/число отверстий : 04/06
Ø фаски [мм] : 114,3
Диаметр центрирования [мм] : 76
Дополнительный артикул / дополнительная информация 2 : без ступицы
Дополнительный артикул / дополнительная информация 2 : без колесной крепящей оси
Внутренний диаметр : 154
Диаметр отверстия [мм] : 12,6
Сторона установки : Задний мост
Наружный диаметр [мм] : 258
|
|
Тормозной диск
ROADHOUSE 6375.10
проверочное значение : K.B.A.: 61209
Вес [кг] : 4,9
Сторона установки : передний мост
Диаметр [мм] : 257
Толщина тормозного диска (мм) : 22
Минимальная толщина [мм] : 20
Высота [мм] : 34
Диаметр центрирования [мм] : 86
Количество отверстий : 4
Тип тормозного диска : вентилируемый
Наружный диаметр [мм] : 257
|
|
Тормозной диск
ROADHOUSE 6627.00
проверочное значение : K.B.A.: 61210
Вес [кг] : 3,54
Сторона установки : Задний мост
Диаметр [мм] : 258
Толщина тормозного диска (мм) : 10
Минимальная толщина [мм] : 8
Высота [мм] : 40
Диаметр центрирования [мм] : 76
Количество отверстий : 4
Тип тормозного диска : цельный
Наружный диаметр [мм] : 258
|
|
Тормозной диск
ROADHOUSE 6633.10
проверочное значение : K.B.A.: 61209
Вес [кг] : 5,5
Сторона установки : передний мост
Диаметр [мм] : 257
Толщина тормозного диска (мм) : 24
Минимальная толщина [мм] : 22,4
Высота [мм] : 45,5
Диаметр центрирования [мм] : 69
Количество отверстий : 4
Тип тормозного диска : вентилируемый
Наружный диаметр [мм] : 257
|
|
Тормозной диск
ROADHOUSE 6827.10
Сторона установки : передний мост
Диаметр [мм] : 242
Толщина тормозного диска (мм) : 19
Минимальная толщина [мм] : 17
Высота [мм] : 37
Диаметр центрирования [мм] : 86
Количество отверстий : 4
Тип тормозного диска : вентилируемый
Вес [кг] : 4,22
Наружный диаметр [мм] : 242
|
|
Тормозной диск
ROTINGER RT 1324
Тип тормозного диска : цельный
Сторона установки : Задний мост
Наружный диаметр [мм] : 258
Внутренний диаметр : 154
Диаметр центрирования [мм] : 76
Высота [мм] : 40,4
Толщина тормозного диска (мм) : 10
Минимальная толщина [мм] : 8
Количество отверстий : 4
Размер резьбы : 12,5
Вес [кг] : 3,6
Ø фаски [мм] : 114,3
|
|
Тормозной диск
ROTINGER RT 1324-GL
Тип тормозного диска : цельный
Поверхность : с гальваническим покрытием
Сторона установки : Задний мост
Наружный диаметр [мм] : 258
Внутренний диаметр : 154
Диаметр центрирования [мм] : 76
Высота [мм] : 40,4
Толщина тормозного диска (мм) : 10
Минимальная толщина [мм] : 8
Количество отверстий : 4
Размер резьбы : 12,5
Вес [кг] : 3,6
Ø фаски [мм] : 114,3
|
|
Тормозной диск
ROTINGER RT 1324-GL T3
Тип тормозного диска : цельный
Тип тормозного диска : перфорированный
Поверхность : с гальваническим покрытием
Сторона установки : Задний мост
Наружный диаметр [мм] : 258
Внутренний диаметр : 154
Диаметр центрирования [мм] : 76
Высота [мм] : 40,4
Толщина тормозного диска (мм) : 10
Минимальная толщина [мм] : 8
Количество отверстий : 4
Размер резьбы : 12,5
Вес [кг] : 3,6
Ø фаски [мм] : 114,3
|
|
Тормозной диск
ROTINGER RT 1324-GL T5
Тип тормозного диска : перфорированный
Тип тормозного диска : цельный
Поверхность : с гальваническим покрытием
Сторона установки : Задний мост
Наружный диаметр [мм] : 258
Внутренний диаметр : 154
Диаметр центрирования [мм] : 76
Высота [мм] : 40,4
Толщина тормозного диска (мм) : 10
Минимальная толщина [мм] : 8
Количество отверстий : 4
Размер резьбы : 12,5
Вес [кг] : 3,6
Ø фаски [мм] : 114,3
|
|
Тормозной диск
ROTINGER RT 1324-GL T6
Тип тормозного диска : цельный
Поверхность : с гальваническим покрытием
Сторона установки : Задний мост
Наружный диаметр [мм] : 258
Внутренний диаметр : 154
Диаметр центрирования [мм] : 76
Высота [мм] : 40,4
Толщина тормозного диска (мм) : 10
Минимальная толщина [мм] : 8
Количество отверстий : 4
Размер резьбы : 12,5
Вес [кг] : 3,6
Ø фаски [мм] : 114,3
|
|
Тормозной диск
ROTINGER RT 1324-GL T9
Тип тормозного диска : цельный
Поверхность : с гальваническим покрытием
Сторона установки : Задний мост
Наружный диаметр [мм] : 258
Внутренний диаметр : 154
Диаметр центрирования [мм] : 76
Высота [мм] : 40,4
Толщина тормозного диска (мм) : 10
Минимальная толщина [мм] : 8
Количество отверстий : 4
Размер резьбы : 12,5
Вес [кг] : 3,6
Ø фаски [мм] : 114,3
|
|
Тормозной диск
ROTINGER RT 20034
Тип тормозного диска : вентилируемый
Сторона установки : передний мост
Наружный диаметр [мм] : 242
Толщина тормозного диска (мм) : 19,2
Минимальная толщина [мм] : 17
Вес [кг] : 4,2
|
|
Тормозной диск
ROTINGER RT 20034-GL
Тип тормозного диска : вентилируемый
Поверхность : с гальваническим покрытием
Сторона установки : передний мост
Наружный диаметр [мм] : 242
Толщина тормозного диска (мм) : 19,2
Минимальная толщина [мм] : 17
Вес [кг] : 4,2
|
|
Тормозной диск
ROTINGER RT 20034-GL T3
Тип тормозного диска : перфорированный
Тип тормозного диска : вентилируемый
Поверхность : с гальваническим покрытием
Сторона установки : передний мост
Наружный диаметр [мм] : 242
Толщина тормозного диска (мм) : 19,2
Минимальная толщина [мм] : 17
Вес [кг] : 4,2
|
|
Тормозной диск
ROTINGER RT 20034-GL T5
Тип тормозного диска : перфорированный
Тип тормозного диска : вентилируемый
Поверхность : с гальваническим покрытием
Сторона установки : передний мост
Наружный диаметр [мм] : 242
Толщина тормозного диска (мм) : 19,2
Минимальная толщина [мм] : 17
Вес [кг] : 4,2
|
|
Тормозной диск
ROTINGER RT 20034-GL T6
Тип тормозного диска : вентилируемый
Поверхность : с гальваническим покрытием
Сторона установки : передний мост
Наружный диаметр [мм] : 242
Толщина тормозного диска (мм) : 19,2
Минимальная толщина [мм] : 17
Вес [кг] : 4,2
|
|
Тормозной диск
ROTINGER RT 20034-GL T9
Тип тормозного диска : вентилируемый
Поверхность : с гальваническим покрытием
Сторона установки : передний мост
Наружный диаметр [мм] : 242
Толщина тормозного диска (мм) : 19,2
Минимальная толщина [мм] : 17
Вес [кг] : 4,2
|
|
Тормозной диск
ROTINGER RT 2078
Тип тормозного диска : вентилируемый
Сторона установки : передний мост
Наружный диаметр [мм] : 257
Внутренний диаметр : 128,5
Диаметр центрирования [мм] : 86,1
Высота [мм] : 34
Толщина тормозного диска (мм) : 22
Минимальная толщина [мм] : 20
Количество отверстий : 4
Размер резьбы : 10,7
Вес [кг] : 5
Ø фаски [мм] : 104
|
|
Тормозной диск
ROTINGER RT 2078-GL
Тип тормозного диска : вентилируемый
Поверхность : с гальваническим покрытием
Сторона установки : передний мост
Наружный диаметр [мм] : 257
Внутренний диаметр : 128,5
Диаметр центрирования [мм] : 86,1
Высота [мм] : 34
Толщина тормозного диска (мм) : 22
Минимальная толщина [мм] : 20
Количество отверстий : 4
Размер резьбы : 10,7
Вес [кг] : 5
Ø фаски [мм] : 104
|
|
Тормозной диск
ROTINGER RT 2078-GL T3
Тип тормозного диска : вентилируемый
Тип тормозного диска : перфорированный
Поверхность : с гальваническим покрытием
Сторона установки : передний мост
Наружный диаметр [мм] : 257
Внутренний диаметр : 128,5
Диаметр центрирования [мм] : 86,1
Высота [мм] : 34
Толщина тормозного диска (мм) : 22
Минимальная толщина [мм] : 20
Количество отверстий : 4
Размер резьбы : 10,7
Вес [кг] : 5
Ø фаски [мм] : 104
|
|
Тормозной диск
ROTINGER RT 2078-GL T5
Тип тормозного диска : перфорированный
Тип тормозного диска : вентилируемый
Поверхность : с гальваническим покрытием
Сторона установки : передний мост
Наружный диаметр [мм] : 257
Внутренний диаметр : 128,5
Диаметр центрирования [мм] : 86,1
Высота [мм] : 34
Толщина тормозного диска (мм) : 22
Минимальная толщина [мм] : 20
Количество отверстий : 4
Размер резьбы : 10,7
Вес [кг] : 5
Ø фаски [мм] : 104
|
|
Тормозной диск
ROTINGER RT 2078-GL T6
Тип тормозного диска : вентилируемый
Поверхность : с гальваническим покрытием
Сторона установки : передний мост
Наружный диаметр [мм] : 257
Внутренний диаметр : 128,5
Диаметр центрирования [мм] : 86,1
Высота [мм] : 34
Толщина тормозного диска (мм) : 22
Минимальная толщина [мм] : 20
Количество отверстий : 4
Размер резьбы : 10,7
Вес [кг] : 5
Ø фаски [мм] : 104
|
|
Тормозной диск
ROTINGER RT 2078-GL T9
Тип тормозного диска : вентилируемый
Поверхность : с гальваническим покрытием
Сторона установки : передний мост
Наружный диаметр [мм] : 257
Внутренний диаметр : 128,5
Диаметр центрирования [мм] : 86,1
Высота [мм] : 34
Толщина тормозного диска (мм) : 22
Минимальная толщина [мм] : 20
Количество отверстий : 4
Размер резьбы : 10,7
Вес [кг] : 5
Ø фаски [мм] : 104
|
|
Тормозной диск
ROTINGER RT 2764
Тип тормозного диска : вентилируемый
Сторона установки : передний мост
Наружный диаметр [мм] : 257
Внутренний диаметр : 141,5
Диаметр центрирования [мм] : 69
Высота [мм] : 45,5
Толщина тормозного диска (мм) : 24
Минимальная толщина [мм] : 22,4
Количество отверстий : 4
Размер резьбы : 12,6
Количество отверстий 1 : 2
Расстояние между отверст. 1 [мм] : 114,3
Вес [кг] : 5,3
Ø фаски [мм] : 114,3
|
|
Тормозной диск
ROTINGER RT 2764-GL
Тип тормозного диска : вентилируемый
Поверхность : с гальваническим покрытием
Сторона установки : передний мост
Наружный диаметр [мм] : 257
Внутренний диаметр : 141,5
Диаметр центрирования [мм] : 69
Высота [мм] : 45,5
Толщина тормозного диска (мм) : 24
Минимальная толщина [мм] : 22,4
Количество отверстий : 4
Размер резьбы : 12,6
Количество отверстий 1 : 2
Расстояние между отверст. 1 [мм] : 114,3
Вес [кг] : 5,3
Ø фаски [мм] : 114,3
|
|
Тормозной диск
ROTINGER RT 2764-GL T3
Тип тормозного диска : перфорированный
Тип тормозного диска : вентилируемый
Поверхность : с гальваническим покрытием
Сторона установки : передний мост
Наружный диаметр [мм] : 257
Внутренний диаметр : 141,5
Диаметр центрирования [мм] : 69
Высота [мм] : 45,5
Толщина тормозного диска (мм) : 24
Минимальная толщина [мм] : 22,4
Количество отверстий : 4
Размер резьбы : 12,6
Количество отверстий 1 : 2
Расстояние между отверст. 1 [мм] : 114,3
Вес [кг] : 5,3
Ø фаски [мм] : 114,3
|
|
Тормозной диск
ROTINGER RT 2764-GL T5
Тип тормозного диска : перфорированный
Тип тормозного диска : вентилируемый
Поверхность : с гальваническим покрытием
Сторона установки : передний мост
Наружный диаметр [мм] : 257
Внутренний диаметр : 141,5
Диаметр центрирования [мм] : 69
Высота [мм] : 45,5
Толщина тормозного диска (мм) : 24
Минимальная толщина [мм] : 22,4
Количество отверстий : 4
Размер резьбы : 12,6
Количество отверстий 1 : 2
Расстояние между отверст. 1 [мм] : 114,3
Вес [кг] : 5,3
Ø фаски [мм] : 114,3
|
|
Тормозной диск
ROTINGER RT 2764-GL T6
Тип тормозного диска : вентилируемый
Поверхность : с гальваническим покрытием
Сторона установки : передний мост
Наружный диаметр [мм] : 257
Внутренний диаметр : 141,5
Диаметр центрирования [мм] : 69
Высота [мм] : 45,5
Толщина тормозного диска (мм) : 24
Минимальная толщина [мм] : 22,4
Количество отверстий : 4
Размер резьбы : 12,6
Количество отверстий 1 : 2
Расстояние между отверст. 1 [мм] : 114,3
Вес [кг] : 5,3
Ø фаски [мм] : 114,3
|
|
Тормозной диск
ROTINGER RT 2764-GL T9
Тип тормозного диска : вентилируемый
Поверхность : с гальваническим покрытием
Сторона установки : передний мост
Наружный диаметр [мм] : 257
Внутренний диаметр : 141,5
Диаметр центрирования [мм] : 69
Высота [мм] : 45,5
Толщина тормозного диска (мм) : 24
Минимальная толщина [мм] : 22,4
Количество отверстий : 4
Размер резьбы : 12,6
Количество отверстий 1 : 2
Расстояние между отверст. 1 [мм] : 114,3
Вес [кг] : 5,3
Ø фаски [мм] : 114,3
|
|
Тормозной диск
SAKURA 605-05-4611
Сторона установки : Задний мост
Толщина тормозного диска (мм) : 10
Высота [мм] : 40,4
Диаметр центрирования [мм] : 76
Номер продукции : S6054611
Наружный диаметр [мм] : 258
Тип тормозного диска : цельный
|
|
Тормозной диск
SAKURA 604-05-4630
Сторона установки : передний мост
Толщина тормозного диска (мм) : 22
Высота [мм] : 34
Диаметр центрирования [мм] : 86
Номер продукции : S6044630
Наружный диаметр [мм] : 257
Тип тормозного диска : вентилируемый
|
|
Тормозной диск
SAMKO H2061V
Наружный диаметр [мм] : 257
Диаметр центрирования [мм] : 86
Количество отверстий : 4
Минимальная толщина [мм] : 20
Высота [мм] : 34
Тип тормозного диска : вентилируемый
Толщина тормозного диска (мм) : 22
|
|
Тормозной диск
SAMKO H2126V
Количество отверстий : 4
Диаметр центрирования [мм] : 69
Высота [мм] : 45,5
Наружный диаметр [мм] : 257
Минимальная толщина [мм] : 22,4
Толщина тормозного диска (мм) : 24
Тип тормозного диска : вентилируемый
|
|
Тормозной диск
SAMKO H2127P
Наружный диаметр [мм] : 258
Минимальная толщина [мм] : 8
Толщина тормозного диска (мм) : 10
Высота [мм] : 40,4
Диаметр центрирования [мм] : 76
Тип тормозного диска : цельный
Количество отверстий : 4
|
|
Тормозной диск
SAMKO H2127PR
Толщина тормозного диска (мм) : 10
Высота [мм] : 40,4
Тип тормозного диска : цельный
Наружный диаметр [мм] : 258
Поверхность : с покрытием
Диаметр центрирования [мм] : 76
Минимальная толщина [мм] : 8
Количество отверстий : 4
|
|
Тормозной диск
SKF VKBD 80867 V2
Тип тормозного диска : вентилируемый
Наружный диаметр [мм] : 257
Толщина тормозного диска (мм) : 24
Высота [мм] : 45,5
Ø фаски [мм] : 114,3
Диаметр центрирования [мм] : 69
Количество отверстий : 4
Поверхность : с покрытием
Минимальная толщина [мм] : 22
Число отверстий : 2
|
|
Тормозной диск
SKF VKBD 90859 S2
Тип тормозного диска : цельный
Наружный диаметр [мм] : 258
Толщина тормозного диска (мм) : 10
Высота [мм] : 40,3
Ø фаски [мм] : 114,3
Диаметр центрирования [мм] : 76
Количество отверстий : 4
Поверхность : с покрытием
Минимальная толщина [мм] : 8
Число отверстий : 2
|
|
Тормозной диск
Stark SKBD-0022207
Толщина тормозного диска (мм) : 24
Тип тормозного диска : вентилируемый
Наружный диаметр [мм] : 257
Сторона установки : передний мост
Минимальная толщина [мм] : 22,4
Высота [мм] : 45,5
Расположение/число отверстий : 04/06
Ø фаски [мм] : 114,3
Диаметр центрирования [мм] : 69
Вес [кг] : 5,5
Дополнительный артикул / дополнительная информация 2 : без ступицы
Дополнительный артикул / дополнительная информация 2 : без колесной крепящей оси
Внутренний диаметр : 141,5
Диаметр отверстия [мм] : 12,6
|
|
Тормозной диск
Stark SKBD-0022216
Высота [мм] : 34
Диаметр отверстия [мм] : 86
Тип тормозного диска : вентилируемый
Толщина тормозного диска (мм) : 22
Минимальная толщина [мм] : 20
Количество отверстий : 4
Диаметр центрирования [мм] : 86
Момент затяжки [Нм] : 100
Дополнительный артикул / дополнительная информация 2 : без винтов
Диаметр отверстия [мм] : 10,6
Внутренний диаметр : 128,1
Сторона установки : передний мост
Наружный диаметр [мм] : 257
|
|
Тормозной диск
Stark SKBD-0022861
Толщина тормозного диска (мм) : 10
Тип тормозного диска : цельный
Минимальная толщина [мм] : 8
Высота [мм] : 40,3
Расположение/число отверстий : 04/06
Ø фаски [мм] : 114,3
Диаметр центрирования [мм] : 76
Дополнительный артикул / дополнительная информация 2 : без ступицы
Дополнительный артикул / дополнительная информация 2 : без колесной крепящей оси
Внутренний диаметр : 154
Диаметр отверстия [мм] : 12,6
Сторона установки : Задний мост
Наружный диаметр [мм] : 258
|
|
Тормозной диск
STELLOX 6020-3401V-SX
Наружный диаметр [мм] : 257
Толщина тормозного диска (мм) : 22
Высота [мм] : 34
Диаметр центрирования [мм] : 86
Количество отверстий : 4
Ø фаски [мм] : 104
Диаметр отверстия [мм] : 11
Минимальная толщина [мм] : 20
Тип тормозного диска : вентилируемый
Сторона установки : передний мост
|
|
Тормозной диск
STELLOX 6020-3401VK-SX
Наружный диаметр [мм] : 257
Толщина тормозного диска (мм) : 22
Тип тормозного диска : вентилируемый
Сторона установки : передний мост
|
|
Тормозной диск
STELLOX 6020-3406-SX
Наружный диаметр [мм] : 258
Толщина тормозного диска (мм) : 10
Высота [мм] : 40
Диаметр центрирования [мм] : 76
Количество отверстий : 4
Ø фаски [мм] : 114
Диаметр отверстия [мм] : 13
Минимальная толщина [мм] : 8
Тип тормозного диска : цельный
Сторона установки : Задний мост
|
|
Тормозной диск
STELLOX 6020-3406K-SX
Наружный диаметр [мм] : 258
Толщина тормозного диска (мм) : 10
Тип тормозного диска : цельный
Сторона установки : Задний мост
|
|
Тормозной диск
STELLOX 6020-3408V-SX
Наружный диаметр [мм] : 242
Толщина тормозного диска (мм) : 19
Высота [мм] : 37
Диаметр центрирования [мм] : 86
Количество отверстий : 4
Ø фаски [мм] : 104
Диаметр отверстия [мм] : 10,4
Минимальная толщина [мм] : 17
Тип тормозного диска : вентилируемый
Сторона установки : передний мост
|
|
Тормозной диск
STELLOX 6020-3411V-SX
Наружный диаметр [мм] : 257
Толщина тормозного диска (мм) : 24
Высота [мм] : 45,5
Диаметр центрирования [мм] : 69
Количество отверстий : 4
Ø фаски [мм] : 114
Диаметр отверстия [мм] : 13
Минимальная толщина [мм] : 22,4
Тип тормозного диска : вентилируемый
Сторона установки : передний мост
|
|
Тормозной диск
STELLOX 6020-3411VK-SX
Наружный диаметр [мм] : 257
Толщина тормозного диска (мм) : 24
Тип тормозного диска : вентилируемый
Сторона установки : передний мост
|
|
Тормозной диск
TEXTAR 92062700
Тип тормозного диска : вентилируемый
Наружный диаметр [мм] : 257
Толщина тормозного диска (мм) : 22
Высота [мм] : 34
Минимальная толщина [мм] : 20
Внутренний диаметр : 127,9
Ø фаски [мм] : 104
Диаметр центрирования [мм] : 86
Расположение/число отверстий : 04/04
Диаметр отверстия под шпильку колеса [мм] : 10,7
Дополнительный артикул / дополнительная информация 2 : без ступицы
Дополнительный артикул / дополнительная информация 2 : без колесного подшипника
Дополнительный артикул / дополнительная информация 2 : без колесной крепящей оси
Длина упаковки [см] : 27,8
Ширина упаковки [см] : 27,8
Высота упаковки [см] : 8,4
Вес [кг] : 5
|
|
Тормозной диск
TEXTAR 92130700
Тип тормозного диска : вентилируемый
Наружный диаметр [мм] : 242
Толщина тормозного диска (мм) : 19
Высота [мм] : 37
Минимальная толщина [мм] : 17
Внутренний диаметр : 126
Ø фаски [мм] : 104
Диаметр центрирования [мм] : 86
Расположение/число отверстий : 04/04
Диаметр отверстия под шпильку колеса [мм] : 28,8
Дополнительный артикул / дополнительная информация 2 : без ступицы
Дополнительный артикул / дополнительная информация 2 : без колесного подшипника
Дополнительный артикул / дополнительная информация 2 : без колесной крепящей оси
Длина упаковки [см] : 27,8
Ширина упаковки [см] : 27,8
Высота упаковки [см] : 10,5
Вес [кг] : 4,1
|
|
Тормозной диск
TEXTAR 92130800
Тип тормозного диска : вентилируемый
Наружный диаметр [мм] : 257
Толщина тормозного диска (мм) : 24
Высота [мм] : 45,5
Минимальная толщина [мм] : 22,4
Внутренний диаметр : 141,5
Ø фаски [мм] : 114,3
Диаметр центрирования [мм] : 69
Расположение/число отверстий : 04/06
Диаметр отверстия под шпильку колеса [мм] : 12,6
Дополнительный артикул / дополнительная информация 2 : без ступицы
Дополнительный артикул / дополнительная информация 2 : без колесного подшипника
Дополнительный артикул / дополнительная информация 2 : без колесной крепящей оси
Длина упаковки [см] : 27,8
Ширина упаковки [см] : 27,8
Высота упаковки [см] : 12,2
Вес [кг] : 5,5
|
|
Тормозной диск
TEXTAR 92117103
Тип тормозного диска : цельный
Наружный диаметр [мм] : 258
Толщина тормозного диска (мм) : 10
Высота [мм] : 40,3
Минимальная толщина [мм] : 8
Поверхность : с покрытием
Внутренний диаметр : 154
Ø фаски [мм] : 114,3
Диаметр центрирования [мм] : 76
Расположение/число отверстий : 04/06
Диаметр отверстия под шпильку колеса [мм] : 12,5
Дополнительный артикул / дополнительная информация 2 : без ступицы
Дополнительный артикул / дополнительная информация 2 : без колесного подшипника
Дополнительный артикул / дополнительная информация 2 : без колесной крепящей оси
Длина упаковки [см] : 27,8
Ширина упаковки [см] : 27,8
Высота упаковки [см] : 10,5
Вес [кг] : 3,6
|
|
Тормозной диск
TOMEX Brakes TX 71-78
Сторона установки : Задний мост
Тип тормозного диска : цельный
Толщина тормозного диска (мм) : 10
Наружный диаметр [мм] : 258
Высота [мм] : 40,2
Количество отверстий : 4
Диаметр центрирования [мм] : 76
Ø фаски [мм] : 114
Поверхность : лакированный
Минимальная толщина [мм] : 8
|
|
Тормозной диск
TRIALLI DF 084611
Тип тормозного диска : вентилируемый
Сторона установки : передний мост
Наружный диаметр [мм] : 257
Высота [мм] : 45,5
Толщина тормозного диска (мм) : 24
Минимальная толщина [мм] : 22,4
Диаметр центрирования [мм] : 69
Количество крепежных отверстий : 4
Ø фаски [мм] : 114,3
Вес [кг] : 5,7
|
|
Тормозной диск
TRIALLI DF 084612
Тип тормозного диска : цельный
Сторона установки : Задний мост
Наружный диаметр [мм] : 258
Высота [мм] : 40,3
Толщина тормозного диска (мм) : 10
Минимальная толщина [мм] : 8
Диаметр центрирования [мм] : 76
Количество крепежных отверстий : 4
Ø фаски [мм] : 114,3
Вес [кг] : 3,681
|
|
Тормозной диск
TRISCAN 8120 43111C
Наружный диаметр [мм] : 258
Диаметр центрирования [мм] : 76
Тип тормозного диска : цельный
Высота [мм] : 40,4
Количество отверстий : 5
Поверхность : с покрытием
Толщина тормозного диска (мм) : 10
Минимальная толщина [мм] : 8
|
|
Тормозной диск
TRUSTING DF694
проверочное значение : ECE-R90
Высота [мм] : 40,4
Тип тормозного диска : цельный
Толщина тормозного диска (мм) : 10
Наружный диаметр [мм] : 258
Количество отверстий : 4
Диаметр центрирования [мм] : 76
|
|
Тормозной диск
TRW DF1428
Тип тормозного диска : вентилируемый
Наружный диаметр [мм] : 257
Толщина тормозного диска (мм) : 22
Минимальная толщина [мм] : 20
Диаметр центрирования [мм] : 86
Высота [мм] : 34
Количество отверстий : 4
Размер резьбы : 10,4
Ø фаски [мм] : 104
Цвет : чёрный
Поверхность : лакированный
проверочное значение : E1 90R-02 C0176/0531
SVHC : Нет информации, обратитесь, пожалуйста, к производителю!
|
|
Тормозной диск
TRW DF4122
Тип тормозного диска : цельный
Наружный диаметр [мм] : 258
Толщина тормозного диска (мм) : 10
Минимальная толщина [мм] : 8
Диаметр центрирования [мм] : 76
Высота [мм] : 40,2
Количество отверстий : 4
Размер резьбы : 12,5
Ø фаски [мм] : 114
Цвет : чёрный
Поверхность : лакированный
проверочное значение : E190R-02C0190/0193
SVHC : Нет информации, обратитесь, пожалуйста, к производителю!
|
|
Тормозной диск
TRW DF4157
Тип тормозного диска : вентилируемый
Наружный диаметр [мм] : 243
Толщина тормозного диска (мм) : 19
Минимальная толщина [мм] : 17
Диаметр центрирования [мм] : 86
Высота [мм] : 37
Количество отверстий : 4
Размер резьбы : 28,5
Ø фаски [мм] : 120
SVHC : Нет информации, обратитесь, пожалуйста, к производителю!
|
|
Тормозной диск
TRW DF4158
Тип тормозного диска : вентилируемый
Наружный диаметр [мм] : 257
Толщина тормозного диска (мм) : 24
Минимальная толщина [мм] : 22,4
Диаметр центрирования [мм] : 69
Высота [мм] : 45,5
Количество отверстий : 4
Размер резьбы : 12,7
Ø фаски [мм] : 114,3
Цвет : чёрный
Поверхность : лакированный
проверочное значение : E1 90R-02 C0176/0531
SVHC : Нет информации, обратитесь, пожалуйста, к производителю!
|
|
Тормозной диск
WOKING D6375.10
проверочное значение : K.B.A.: 61209
Сторона установки : передний мост
Диаметр [мм] : 257
Толщина тормозного диска (мм) : 22
Минимальная толщина [мм] : 20
Высота [мм] : 34
Диаметр центрирования [мм] : 86
Количество отверстий : 4
Тип тормозного диска : вентилируемый
Вес [кг] : 4,9
Наружный диаметр [мм] : 257
|
|
Тормозной диск
WOKING D6627.00
проверочное значение : K.B.A.: 61210
Сторона установки : Задний мост
Диаметр [мм] : 258
Толщина тормозного диска (мм) : 10
Минимальная толщина [мм] : 8
Высота [мм] : 40
Диаметр центрирования [мм] : 76
Количество отверстий : 4
Тип тормозного диска : цельный
Вес [кг] : 3,54
Наружный диаметр [мм] : 258
|
|
Тормозной диск
WOKING D6633.10
проверочное значение : K.B.A.: 61209
Сторона установки : передний мост
Диаметр [мм] : 257
Толщина тормозного диска (мм) : 24
Минимальная толщина [мм] : 22,4
Высота [мм] : 45,5
Диаметр центрирования [мм] : 69
Количество отверстий : 4
Тип тормозного диска : вентилируемый
Вес [кг] : 5,5
Наружный диаметр [мм] : 257
|
|
Тормозной диск
WOKING D6827.10
Сторона установки : передний мост
Диаметр [мм] : 242
Толщина тормозного диска (мм) : 19
Минимальная толщина [мм] : 17
Высота [мм] : 37
Диаметр центрирования [мм] : 86
Количество отверстий : 4
Тип тормозного диска : вентилируемый
Вес [кг] : 4,22
Наружный диаметр [мм] : 242
|
|
Тормозной диск
WXQP 720361
Сторона установки : Задний мост
Тип тормозного диска : цельный
Толщина тормозного диска (мм) : 10
Наружный диаметр [мм] : 258
|
|
Тормозной диск
WXQP 720381
Сторона установки : передний мост
Тип тормозного диска : вентилируемый
Толщина тормозного диска (мм) : 24
Наружный диаметр [мм] : 257
|
|
Тормозной диск
ZEKKERT BS-5187
Тип тормозного диска : цельный
Наружный диаметр [мм] : 258
Высота [мм] : 41
Толщина тормозного диска (мм) : 10
Минимальная толщина [мм] : 8
Количество отверстий : 6
Диаметр центрирования [мм] : 76
Диаметр расположения крепёжных отверстий ступицы [мм] : 114,3
Номера артикулов рекомендуемых комплектующих : CP-1105
Номера артикулов рекомендуемых комплектующих : CP-1205
Номера артикулов рекомендуемых комплектующих : CP-1305
Номера артикулов рекомендуемых комплектующих : CP-1965
Номера артикулов рекомендуемых комплектующих : FK-2005
Номера артикулов рекомендуемых комплектующих : FK-2010
Вес [кг] : 4,14
|
|
Тормозной диск
ZEKKERT BS-5745
Тип тормозного диска : вентилируемый
Наружный диаметр [мм] : 258
Высота [мм] : 34
Толщина тормозного диска (мм) : 22
Минимальная толщина [мм] : 20
Количество отверстий : 4
Диаметр центрирования [мм] : 86
Диаметр расположения крепёжных отверстий ступицы [мм] : 120
Номера артикулов рекомендуемых комплектующих : CP-1105
Номера артикулов рекомендуемых комплектующих : CP-1205
Номера артикулов рекомендуемых комплектующих : CP-1305
Номера артикулов рекомендуемых комплектующих : CP-1965
Номера артикулов рекомендуемых комплектующих : FK-2005
Номера артикулов рекомендуемых комплектующих : FK-2010
Вес [кг] : 5,5
|
|
Тормозной диск
ZEKKERT BS-6052
Тип тормозного диска : вентилируемый
Наружный диаметр [мм] : 242
Высота [мм] : 37
Толщина тормозного диска (мм) : 19
Минимальная толщина [мм] : 17
Количество отверстий : 4
Сторона установки : передний мост
Диаметр расположения крепёжных отверстий ступицы [мм] : 120
Номера артикулов рекомендуемых комплектующих : CP-1105
Номера артикулов рекомендуемых комплектующих : CP-1205
Номера артикулов рекомендуемых комплектующих : CP-1305
Номера артикулов рекомендуемых комплектующих : CP-1965
Номера артикулов рекомендуемых комплектующих : FK-2005
Номера артикулов рекомендуемых комплектующих : FK-2010
Вес [кг] : 4,37
|