|
Изображение |
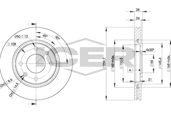
Описание |
|
Тормозной диск
A.B.S. 16648
Наружный диаметр [мм] : 260
Толщина тормозного диска (мм) : 24
Минимальная толщина [мм] : 22
Высота [мм] : 28
Число отверстий в диске колеса : 4
Тип тормозного диска : вентилируемый
Диаметр центрирования [мм] : 66
Ø фаски [мм] : 108
Поверхность : с покрытием
Диаметр ступицы [мм] : 145
|
|
Тормозной диск
A.B.S. 16647
Наружный диаметр [мм] : 290
Толщина тормозного диска (мм) : 10
Минимальная толщина [мм] : 8
Высота [мм] : 60
Число отверстий в диске колеса : 4
Тип тормозного диска : цельный
Диаметр центрирования [мм] : 71
Ø фаски [мм] : 108
Диаметр ступицы [мм] : 198
|
|
Тормозной диск
ABE C3P007ABE
Толщина [мм] : 24
Высота [мм] : 28,2
Тип тормозного диска : вентилируемый
Толщина тормозного диска (мм) : 24
Минимальная толщина [мм] : 22
Количество отверстий : 4
Диаметр центрирования [мм] : 66
Дополнительный артикул / дополнительная информация 2 : с винтами
Сторона установки : передний мост
Наружный диаметр [мм] : 260
|
|
Тормозной диск
ABE C4P003ABE
Толщина [мм] : 10
Высота [мм] : 60
Тип тормозного диска : цельный
Толщина тормозного диска (мм) : 10
Минимальная толщина [мм] : 8
Количество отверстий : 4
Диаметр центрирования [мм] : 71
Дополнительный артикул / дополнительная информация 2 : с винтами
Сторона установки : Задний мост
Наружный диаметр [мм] : 290
|
|
Тормозной диск
AP 24648
Количество отверстий : 4
Толщина тормозного диска (мм) : 24
Момент затяжки [Нм] : 90
Минимальная толщина [мм] : 22
Дополнительный артикул / дополнительная информация 2 : с винтами
Высота [мм] : 28
Тип тормозного диска : вентилируемый
Диаметр центрирования [мм] : 66
Наружный диаметр [мм] : 260
|
|
Тормозной диск
AP 24648 V
Дополнительный артикул / дополнительная информация 2 : с винтами
Диаметр центрирования [мм] : 66
Наружный диаметр [мм] : 260
Количество отверстий : 4
Толщина тормозного диска (мм) : 24
Момент затяжки [Нм] : 90
Тип тормозного диска : вентилируемый
Минимальная толщина [мм] : 22
Поверхность : с покрытием
Высота [мм] : 28
|
|
Тормозной диск
AP 14647
Тип тормозного диска : цельный
Диаметр центрирования [мм] : 71
Наружный диаметр [мм] : 290
Количество отверстий : 4
Толщина тормозного диска (мм) : 10
Момент затяжки [Нм] : 90
Минимальная толщина [мм] : 8
Дополнительный артикул / дополнительная информация 2 : с винтами
Высота [мм] : 60
|
|
Тормозной диск
AP 14647 V
Дополнительный артикул / дополнительная информация 2 : с винтами
Тип тормозного диска : цельный
Диаметр центрирования [мм] : 71
Наружный диаметр [мм] : 290
Количество отверстий : 4
Толщина тормозного диска (мм) : 10
Момент затяжки [Нм] : 90
Минимальная толщина [мм] : 8
Поверхность : с покрытием
Высота [мм] : 60
|
|
Тормозной диск
ASHIKA 60-00-0632C
Наружный диаметр [мм] : 260
Высота [мм] : 28,2
Тип тормозного диска : вентилируемый
Толщина тормозного диска (мм) : 24
Минимальная толщина [мм] : 22
Количество отверстий : 4
Поверхность : лакированный
Сторона установки : передний мост
Момент затяжки [Нм] : 90
для оригинального номера : 4246L9
|
|
Тормозной диск
ASHIKA 61-00-0616C
Наружный диаметр [мм] : 290
Высота [мм] : 60
Тип тормозного диска : цельный
Толщина тормозного диска (мм) : 10
Минимальная толщина [мм] : 8
Количество отверстий : 4
Поверхность : лакированный
Сторона установки : Задний мост
Момент затяжки [Нм] : 90
для оригинального номера : 4246T6
|
|
Тормозной диск
ATE 24.0124-0139.1
Наружный диаметр [мм] : 260
Толщина тормозного диска (мм) : 24
Минимальная толщина [мм] : 22
Тип тормозного диска : вентилируемый
Поверхность : с покрытием
Количество отверстий : 4
Ø фаски [мм] : 108
Высота [мм] : 28
Диаметр центрирования [мм] : 66
Внутренний диаметр : 133,5
Диаметр отверстия [мм] : 13
Дополнительный артикул / дополнительная информация 2 : с винтами
Код MAPP в наличии :
проверочное значение : E1 90R-02C0118/0223
|
|
Тормозной диск
BARUM BAR24139
Наружный диаметр [мм] : 260
Толщина тормозного диска (мм) : 24
Минимальная толщина [мм] : 22
Тип тормозного диска : вентилируемый
Количество отверстий : 4
Ø фаски [мм] : 108
Высота [мм] : 28
Диаметр центрирования [мм] : 66
Внутренний диаметр : 133,5
Диаметр отверстия [мм] : 13
|
|
Тормозной диск
BLUE PRINT ADP154336
Толщина тормозного диска (мм) : 24
Число отверстий в диске колеса : 4
Количество крепежных отверстий : 2
Толщина [мм] : 31
Наружный диаметр [мм] : 260
Ø фаски [мм] : 108
Поверхность : с покрытием
Тип тормозного диска : вентилируемый
Сторона установки : передний мост
Минимальная толщина [мм] : 22
Диаметр центрирования [мм] : 66
Соблюдать сервисную информацию :
|
|
Тормозной диск
BLUE PRINT ADP154345
Толщина тормозного диска (мм) : 10
Число отверстий в диске колеса : 4
Количество крепежных отверстий : 3
Толщина [мм] : 60
Наружный диаметр [мм] : 290
Ø фаски [мм] : 108
Поверхность : с покрытием
Тип тормозного диска : цельный
Сторона установки : Задний мост
Минимальная толщина [мм] : 8
Диаметр центрирования [мм] : 71
Соблюдать сервисную информацию :
|
|
Тормозной диск
BOGAP P8211107
Сторона установки : Задний мост
Тип тормозного диска : цельный
Толщина тормозного диска (мм) : 10
Наружный диаметр [мм] : 290
|
|
Тормозной диск
BOGAP P8211118
Сторона установки : передний мост
Тип тормозного диска : вентилируемый
Толщина тормозного диска (мм) : 24
Наружный диаметр [мм] : 260
|
|
Тормозной диск
BORG & BECK BBD5099
Тип тормозного диска : вентилируемый
Наружный диаметр [мм] : 260
Толщина тормозного диска (мм) : 24
Высота [мм] : 28
Диаметр центрирования [мм] : 66
Количество отверстий : 4
Количественная единица : комплект
Поверхность : с покрытием
проверочное значение : ECE R90 Homologated
Минимальная толщина [мм] : 22
|
|
Тормозной диск
BOSCH 0 986 478 830
Наружный диаметр [мм] : 260
Толщина тормозного диска (мм) : 24
Минимальная толщина [мм] : 22
Высота [мм] : 28,2
Ø фаски [мм] : 108
Тип тормозного диска : вентилируемый
Диаметр центрирования [мм] : 66,02
Количество отверстий : 4
Поверхность : промасленный
Дополнительный артикул / дополнительная информация 2 : с винтами
выполняет нормы ЕЭК : ECE-R90
Диаметр отверстия до [мм] : 13,2
|
|
Тормозной диск
BRECO BS 8268
Толщина тормозного диска (мм) : 24
Момент затяжки [Нм] : 90
Минимальная толщина [мм] : 22
Дополнительный артикул / дополнительная информация 2 : с винтами
Высота [мм] : 28
Тип тормозного диска : вентилируемый
Диаметр центрирования [мм] : 66
Наружный диаметр [мм] : 260
Количество отверстий : 4
|
|
Тормозной диск
BRECO BV 8268
Толщина тормозного диска (мм) : 24
Момент затяжки [Нм] : 90
Минимальная толщина [мм] : 22
Поверхность : с покрытием
Высота [мм] : 28
Дополнительный артикул / дополнительная информация 2 : с винтами
Тип тормозного диска : вентилируемый
Диаметр центрирования [мм] : 66
Наружный диаметр [мм] : 260
Количество отверстий : 4
|
|
Тормозной диск
BRECO BS 7537
Диаметр центрирования [мм] : 71
Наружный диаметр [мм] : 290
Количество отверстий : 4
Толщина тормозного диска (мм) : 10
Момент затяжки [Нм] : 90
Минимальная толщина [мм] : 8
Дополнительный артикул / дополнительная информация 2 : с винтами
Высота [мм] : 60
Тип тормозного диска : цельный
|
|
Тормозной диск
BRECO BV 7537
Толщина тормозного диска (мм) : 10
Момент затяжки [Нм] : 90
Минимальная толщина [мм] : 8
Поверхность : с покрытием
Высота [мм] : 60
Дополнительный артикул / дополнительная информация 2 : с винтами
Тип тормозного диска : цельный
Диаметр центрирования [мм] : 71
Наружный диаметр [мм] : 290
Количество отверстий : 4
|
|
Тормозной диск
BREMBO 09.6932.10
Тип тормозного диска : вентилируемый
Толщина тормозного диска (мм) : 24
Количество отверстий : 4
Дополнительный артикул / дополнительная информация 2 : с винтами
Высота [мм] : 28
Диаметр центрирования [мм] : 66
Наружный диаметр [мм] : 260
Минимальная толщина [мм] : 22
Момент затяжки [Нм] : 90
|
|
Тормозной диск
BREMBO 09.6932.11
Тип тормозного диска : вентилируемый
Толщина тормозного диска (мм) : 24
Количество отверстий : 4
Дополнительный артикул / дополнительная информация 2 : с винтами
Высота [мм] : 28
Диаметр центрирования [мм] : 66
Наружный диаметр [мм] : 260
Поверхность : с покрытием
Минимальная толщина [мм] : 22
Момент затяжки [Нм] : 90
|
|
Тормозной диск
BREMBO 08.6931.10
Тип тормозного диска : цельный
Толщина тормозного диска (мм) : 10
Количество отверстий : 4
Дополнительный артикул / дополнительная информация 2 : с винтами
Высота [мм] : 60
Диаметр центрирования [мм] : 71
Наружный диаметр [мм] : 290
Минимальная толщина [мм] : 8
Момент затяжки [Нм] : 90
|
|
Тормозной диск
BREMBO 08.6931.11
Тип тормозного диска : цельный
Толщина тормозного диска (мм) : 10
Количество отверстий : 4
Дополнительный артикул / дополнительная информация 2 : с винтами
Высота [мм] : 60
Диаметр центрирования [мм] : 71
Наружный диаметр [мм] : 290
Поверхность : с покрытием
Минимальная толщина [мм] : 8
Момент затяжки [Нм] : 90
|
|
Тормозной диск
BREMSI CD6869S
Сторона установки : Задний мост
Наружный диаметр [мм] : 290
Толщина тормозного диска (мм) : 10
Минимальная толщина [мм] : 8
Тип тормозного диска : цельный
Количество отверстий : 4
Момент затяжки [Нм] : 11
|
|
Тормозной диск
BREMSI CD6870V
Сторона установки : передний мост
Наружный диаметр [мм] : 260
Толщина тормозного диска (мм) : 24
Минимальная толщина [мм] : 22
Тип тормозного диска : вентилируемый
Количество отверстий : 4
Момент затяжки [Нм] : 9
|
|
Тормозной диск
BSG BSG 70-210-013
Тип тормозного диска : цельный
Диаметр [мм] : 290
Толщина тормозного диска (мм) : 10
Минимальная толщина [мм] : 8
Диаметр центрирования [мм] : 71
Высота [мм] : 60
Количество отверстий : 4
Размер резьбы : 13
Ø фаски [мм] : 108
Диаметр барабана [мм] : 185
Дополнительный артикул / дополнительная информация 2 : с винтами
Цвет : чёрный
Сторона установки : Задний мост
номер компонента : BSG 70-210-013
Наружный диаметр [мм] : 240
|
|
Тормозной диск
CAR 142.521
Сторона установки : 1-й передний мост
Тип тормозного диска : цельный
Наружный диаметр [мм] : 260
Толщина тормозного диска (мм) : 24
Высота [мм] : 28
Диаметр центрирования [мм] : 66
Количество отверстий : 4
для артикула № : CAR: 142.521
для артикула № : IB: PG 20 1V
для артикула № : RD: 3199
Минимальная толщина [мм] : 22
Вес [кг] : 5,45
|
|
Тормозной диск
CAR 142.523
Сторона установки : 1-й задний мост
Тип тормозного диска : цельный
Наружный диаметр [мм] : 290
Толщина тормозного диска (мм) : 10
Высота [мм] : 60
Диаметр центрирования [мм] : 71,1
Количество отверстий : 4
для артикула № : CAR: 142.523
для артикула № : IB: PG 19 1P
для артикула № : RD: 3200
проверочное значение : ECE R90 APPROVED
Минимальная толщина [мм] : 8
Вес [кг] : 5,16
|
|
Тормозной диск
CAR HPD 521
Сторона установки : 1-й передний мост
Тип тормозного диска : цельный
Наружный диаметр [мм] : 260
Толщина тормозного диска (мм) : 24
Высота [мм] : 28
Диаметр центрирования [мм] : 66
Количество отверстий : 4
для артикула № : CAR: HPD 521
для артикула № : IB: HPG 20 1V
для артикула № : RD: RR 3199
Минимальная толщина [мм] : 22
Вес [кг] : 5,29
|
|
Тормозной диск
CAR HPD 523
Сторона установки : 1-й задний мост
Тип тормозного диска : цельный
Наружный диаметр [мм] : 290
Толщина тормозного диска (мм) : 10
Высота [мм] : 60
Диаметр центрирования [мм] : 71,1
Количество отверстий : 4
для артикула № : CAR: HPD 523
для артикула № : IB: HPG 19 1P
для артикула № : RD: RR 3200
проверочное значение : ECE R90 APPROVED
Минимальная толщина [мм] : 8
Вес [кг] : 5,01
|
|
Тормозной диск
CHAMPION 562027CH
Тип тормозного диска : вентилируемый
Наружный диаметр [мм] : 260
Толщина тормозного диска (мм) : 24
Дополнительный артикул / дополнительная информация 2 : без винтов
Высота [мм] : 28,2
Ø фаски [мм] : 108
Диаметр центрирования [мм] : 66
Количество отверстий : 4
Количественная единица : комплект
Вес [кг] : 11,9
Минимальная толщина [мм] : 22
Момент затяжки [Нм] : 90
Тип контейнера : Коробка
Длина упаковки [см] : 26,1
Ширина упаковки [см] : 26,1
Высота упаковки [см] : 6
|
|
Тормозной диск
CHAMPION 562042CH
Тип тормозного диска : цельный
Наружный диаметр [мм] : 290
Толщина тормозного диска (мм) : 10
Дополнительный артикул / дополнительная информация 2 : без винтов
Высота [мм] : 60
Ø фаски [мм] : 108
Диаметр центрирования [мм] : 71
Количество отверстий : 4
Количественная единица : комплект
Вес [кг] : 10,66
Минимальная толщина [мм] : 8
Момент затяжки [Нм] : 90
Тип контейнера : Коробка
Длина упаковки [см] : 29
Ширина упаковки [см] : 29
Высота упаковки [см] : 12,4
|
|
Тормозной диск
CIFAM 800-431C
проверочное значение : ECE-R90
Высота [мм] : 60
Тип тормозного диска : цельный
Толщина тормозного диска (мм) : 10
Наружный диаметр [мм] : 290,3
Количество отверстий : 4
Диаметр центрирования [мм] : 71
Поверхность : лакированный
|
|
Тормозной диск
CIFAM 800-455
проверочное значение : ECE-R90
Высота [мм] : 28
Тип тормозного диска : вентилируемый
Толщина тормозного диска (мм) : 24
Наружный диаметр [мм] : 260
Количество отверстий : 4
Диаметр центрирования [мм] : 66
|
|
Тормозной диск
COMLINE ADC1523V
Тип тормозного диска : вентилируемый
Наружный диаметр [мм] : 260
Толщина тормозного диска (мм) : 24
Высота [мм] : 28,2
Ø фаски [мм] : 108
Диаметр центрирования [мм] : 66
Количество отверстий : 4
Минимальная толщина [мм] : 22
Число отверстий : 2
|
|
Тормозной диск
COMLINE ADC1524
Тип тормозного диска : цельный
Наружный диаметр [мм] : 290
Толщина тормозного диска (мм) : 10
Высота [мм] : 60
Ø фаски [мм] : 108
Диаметр центрирования [мм] : 71,1
Количество отверстий : 4
Минимальная толщина [мм] : 8
Число отверстий : 3
|
|
Тормозной диск
DANAHER DR10158
Сторона установки : Задний мост
Тип тормозного диска : цельный
Толщина тормозного диска (мм) : 10
Наружный диаметр [мм] : 290
Высота [мм] : 60
Количество отверстий : 4
Диаметр центрирования [мм] : 71,1
|
|
Тормозной диск
DANAHER DR11173
Сторона установки : передний мост
Тип тормозного диска : вентилируемый
Толщина тормозного диска (мм) : 24
Наружный диаметр [мм] : 260
Высота [мм] : 28,2
Количество отверстий : 4
Диаметр центрирования [мм] : 66
|
|
Тормозной диск
DANAHER DR11174
Сторона установки : передний мост
Тип тормозного диска : вентилируемый
Толщина тормозного диска (мм) : 26
Наружный диаметр [мм] : 283
Высота [мм] : 28
Количество отверстий : 4
Диаметр центрирования [мм] : 66
|
|
Тормозной диск
DELPHI BG2871
Тип тормозного диска : вентилируемый
Количество отверстий : 4
проверочное значение : E1 90R-02C0289/1818
Поверхность : промасленный
Наружный диаметр [мм] : 260
Толщина тормозного диска (мм) : 24
Минимальная толщина [мм] : 22
Диаметр центрирования [мм] : 66
Высота [мм] : 29
|
|
Тормозной диск
DELPHI BG2872
Тип тормозного диска : вентилируемый
Количество отверстий : 4
проверочное значение : E1 90R-02C0964/2554
Поверхность : промасленный
Наружный диаметр [мм] : 283
Толщина тормозного диска (мм) : 26,5
Минимальная толщина [мм] : 24
Диаметр центрирования [мм] : 66
Высота [мм] : 29
|
|
Тормозной диск
DELPHI BG2872C
Тип тормозного диска : вентилируемый
Количество отверстий : 4
Наружный диаметр [мм] : 283
Толщина тормозного диска (мм) : 26,5
Минимальная толщина [мм] : 24
Диаметр центрирования [мм] : 66
Высота [мм] : 29
|
|
Тормозной диск
DELPHI BG2873
Тип тормозного диска : цельный
Количество отверстий : 4
проверочное значение : E1 90R-02C0967/2532
Поверхность : промасленный
Наружный диаметр [мм] : 290
Толщина тормозного диска (мм) : 10
Минимальная толщина [мм] : 8
Диаметр центрирования [мм] : 71
Высота [мм] : 60,5
|
|
Тормозной диск
DELPHI BG2873C
Тип тормозного диска : цельный
Количество отверстий : 4
проверочное значение : E1 90R-02C0241/1553
Наружный диаметр [мм] : 290
Толщина тормозного диска (мм) : 10
Минимальная толщина [мм] : 8
Диаметр центрирования [мм] : 71
Высота [мм] : 60,5
|
|
Тормозной диск
DENCKERMANN B130073
Минимальная толщина [мм] : 22
Тип тормозного диска : вентилируемый
Диаметр отверстия [мм] : 13
Толщина тормозного диска (мм) : 24
Ø фаски [мм] : 108
Количество отверстий : 4
Внутренний диаметр : 133,5
Высота [мм] : 28
Диаметр центрирования [мм] : 66
Наружный диаметр [мм] : 260
|
|
Тормозной диск
DON PCD21332
Тип тормозного диска : с внешней вентиляцией
Наружный диаметр [мм] : 260
Толщина тормозного диска (мм) : 24
Высота [мм] : 28,2
Минимальная толщина [мм] : 22
Поверхность : с частичным покрытием
Внутренний диаметр : 133,2
Ø фаски [мм] : 108
Диаметр центрирования [мм] : 66
Расположение/число отверстий : 04/06
Диаметр отверстия под шпильку колеса [мм] : 12,9
Дополнительный артикул / дополнительная информация 2 : без ступицы
Дополнительный артикул / дополнительная информация 2 : без колесного подшипника
Дополнительный артикул / дополнительная информация 2 : без колесной крепящей оси
Длина упаковки [см] : 28,4
Ширина упаковки [см] : 28,4
Высота упаковки [см] : 8,4
Вес [кг] : 5,5
|
|
Тормозной диск
DON PCD13162
Тип тормозного диска : цельный
Наружный диаметр [мм] : 290
Толщина тормозного диска (мм) : 10
Высота [мм] : 60
Минимальная толщина [мм] : 8
Поверхность : с частичным покрытием
Внутренний диаметр : 185
Ø фаски [мм] : 108
Диаметр центрирования [мм] : 71,1
Расположение/число отверстий : 04/07
Диаметр отверстия под шпильку колеса [мм] : 13,2
Дополнительный артикул / дополнительная информация 2 : без ступицы
Дополнительный артикул / дополнительная информация 2 : без колесного подшипника
Дополнительный артикул / дополнительная информация 2 : без колесной крепящей оси
Длина упаковки [см] : 32
Ширина упаковки [см] : 32
Высота упаковки [см] : 14
Вес [кг] : 5,2
|
|
Тормозной диск
DR!VE+ DP1010.11.0118
Сторона установки : Задний мост
Высота [мм] : 60
Тип тормозного диска : цельный
Толщина тормозного диска (мм) : 10
Минимальная толщина [мм] : 8
Число отверстий : 4
Наружный диаметр [мм] : 290
Диаметр центрирования [мм] : 71
|
|
Тормозной диск
DR!VE+ DP1010.11.0709
Сторона установки : передний мост
Высота [мм] : 28,2
Тип тормозного диска : вентилируемый
Толщина тормозного диска (мм) : 24
Минимальная толщина [мм] : 22
Число отверстий : 4
Наружный диаметр [мм] : 260
Диаметр центрирования [мм] : 66
|
|
Тормозной диск
EBC Brakes D845
Тип тормозного диска : вентилируемый
Толщина тормозного диска (мм) : 22
Толщина тормозного диска (мм) : 24
Количество отверстий : 4
Высота [мм] : 29
Наружный диаметр [мм] : 260
Материал : Серый чугун
|
|
Тормозной диск
EBC Brakes D847
Тип тормозного диска : цельный
Толщина тормозного диска (мм) : 8
Толщина тормозного диска (мм) : 10
Количество отверстий : 4
Высота [мм] : 61
Наружный диаметр [мм] : 290
Материал : Серый чугун
|
|
Тормозной диск
EGT 410338EGT
Число отверстий в диске колеса : 4
Высота [мм] : 28
Тип тормозного диска : вентилируемый
Толщина тормозного диска (мм) : 24
Минимальная толщина [мм] : 22
Наружный диаметр [мм] : 260
Диаметр центрирования [мм] : 66
Ø фаски [мм] : 108
Поверхность : с покрытием
|
|
Тормозной диск
EGT 410338cEGT
Число отверстий в диске колеса : 4
Высота [мм] : 28
Тип тормозного диска : вентилируемый
Толщина тормозного диска (мм) : 24
Минимальная толщина [мм] : 22
Наружный диаметр [мм] : 260
Диаметр центрирования [мм] : 66
Ø фаски [мм] : 108
Поверхность : с покрытием
|
|
Тормозной диск
EGT 410437EGT
Число отверстий в диске колеса : 4
Высота [мм] : 60
Тип тормозного диска : цельный
Толщина тормозного диска (мм) : 10
Минимальная толщина [мм] : 8
Наружный диаметр [мм] : 290
Диаметр центрирования [мм] : 71
|
|
Тормозной диск
EGT 410437cEGT
Число отверстий в диске колеса : 4
Высота [мм] : 60
Тип тормозного диска : цельный
Толщина тормозного диска (мм) : 10
Минимальная толщина [мм] : 8
Наружный диаметр [мм] : 290
Диаметр центрирования [мм] : 71
|
|
Тормозной диск
EUROBRAKE 5815203719
Наружный диаметр [мм] : 260
Толщина тормозного диска (мм) : 24
Минимальная толщина [мм] : 22
Высота [мм] : 28
Число отверстий в диске колеса : 4
Тип тормозного диска : вентилируемый
Диаметр центрирования [мм] : 66
Поверхность : промасленный
Вес нетто [кг] : 5,54
|
|
Тормозной диск
EUROBRAKE 5815313719
Наружный диаметр [мм] : 260
Толщина тормозного диска (мм) : 24
Минимальная толщина [мм] : 22
Высота [мм] : 28
Число отверстий в диске колеса : 4
Тип тормозного диска : вентилируемый
Диаметр центрирования [мм] : 66
Поверхность : с покрытием
Вес нетто [кг] : 5,54
|
|
Тормозной диск
EUROBRAKE 5815203721
Наружный диаметр [мм] : 290
Толщина тормозного диска (мм) : 10
Минимальная толщина [мм] : 8
Высота [мм] : 60
Число отверстий в диске колеса : 4
Тип тормозного диска : цельный
Диаметр центрирования [мм] : 71
Поверхность : промасленный
Вес нетто [кг] : 5,22
|
|
Тормозной диск
EUROBRAKE 5815313721
Наружный диаметр [мм] : 290
Толщина тормозного диска (мм) : 10
Минимальная толщина [мм] : 8
Высота [мм] : 60
Число отверстий в диске колеса : 4
Тип тормозного диска : цельный
Диаметр центрирования [мм] : 71
Поверхность : с покрытием
Вес нетто [кг] : 5,19
|
|
Тормозной диск
EUROREPAR 1618860680
Тип тормозного диска : вентилируемый
Дополнительный артикул / дополнительная информация 2 : без кольца сенсора ABS
Наружный диаметр [мм] : 259,5
Толщина тормозного диска (мм) : 24
Высота [мм] : 28,2
Диаметр центрирования [мм] : 66
Ø фаски [мм] : 108
Количество отверстий : 4
Минимальная толщина [мм] : 22
|
|
Тормозной диск
EUROREPAR 1687779580
Тип тормозного диска : вентилируемый
Наружный диаметр [мм] : 260
Толщина тормозного диска (мм) : 24
Высота [мм] : 28
Диаметр центрирования [мм] : 66
Количество отверстий : 4
Минимальная толщина [мм] : 22
|
|
Тормозной диск
EUROREPAR 1618861380
Тип тормозного диска : цельный
Дополнительный артикул / дополнительная информация 2 : без кольца сенсора ABS
Наружный диаметр [мм] : 290,5
Толщина тормозного диска (мм) : 10
Высота [мм] : 60
Диаметр центрирования [мм] : 71,07
Ø фаски [мм] : 108
Количество отверстий : 4
Минимальная толщина [мм] : 8
|
|
Тормозной диск
EUROREPAR 1687778180
Тип тормозного диска : цельный
Наружный диаметр [мм] : 290
Толщина тормозного диска (мм) : 10
Высота [мм] : 60
Диаметр центрирования [мм] : 71
Количество отверстий : 4
Минимальная толщина [мм] : 8
|
|
Тормозной диск
EUROREPAR 1690947180
Тип тормозного диска : цельный
Дополнительный артикул / дополнительная информация 2 : без кольца сенсора ABS
Наружный диаметр [мм] : 290,3
Толщина тормозного диска (мм) : 10
Высота [мм] : 60
Диаметр центрирования [мм] : 71,1
Ø фаски [мм] : 108
Количество отверстий : 4
Минимальная толщина [мм] : 8
|
|
Тормозной диск
FEBI BILSTEIN 10678
Толщина тормозного диска (мм) : 24
Число отверстий в диске колеса : 4
Количество крепежных отверстий : 2
Толщина [мм] : 31
Наружный диаметр [мм] : 260
Ø фаски [мм] : 108
Поверхность : с покрытием
Тип тормозного диска : вентилируемый
Сторона установки : передний мост
Минимальная толщина [мм] : 22
Диаметр центрирования [мм] : 66
Соблюдать сервисную информацию :
|
|
Тормозной диск
FEBI BILSTEIN 21122
Толщина тормозного диска (мм) : 10
Число отверстий в диске колеса : 4
Количество крепежных отверстий : 3
Толщина [мм] : 60
Наружный диаметр [мм] : 290
Ø фаски [мм] : 108
Поверхность : с покрытием
Тип тормозного диска : цельный
Сторона установки : Задний мост
Минимальная толщина [мм] : 8
Диаметр центрирования [мм] : 71
Соблюдать сервисную информацию :
|
|
Тормозной диск
FENOX TB215382
Сторона установки : Задний мост
Тип тормозного диска : цельный
Толщина тормозного диска (мм) : 10
Ø фаски [мм] : 108
Количество отверстий : 4
Высота [мм] : 60
Диаметр центрирования [мм] : 71
Наружный диаметр [мм] : 291
|
|
Тормозной диск
FENOX TB217083
Сторона установки : передний мост
Тип тормозного диска : вентилируемый
Толщина тормозного диска (мм) : 24
Ø фаски [мм] : 108
Количество отверстий : 4
Высота [мм] : 28
Диаметр центрирования [мм] : 66
Наружный диаметр [мм] : 260
|
|
Тормозной диск
FERODO DDF869
Тип тормозного диска : цельный
Наружный диаметр [мм] : 290
Толщина тормозного диска (мм) : 10
Дополнительный артикул / дополнительная информация 2 : с винтами
Высота [мм] : 60
Ø фаски [мм] : 108
Диаметр центрирования [мм] : 71
Количество отверстий : 4
Количественная единица : комплект
Поверхность : промасленный
проверочное значение : R90 homologated
Вес [кг] : 10,66
Минимальная толщина [мм] : 8
Момент затяжки [Нм] : 90
Тип контейнера : Коробка
Длина упаковки [см] : 30
Ширина упаковки [см] : 30
Высота упаковки [см] : 11
|
|
Тормозной диск
FERODO DDF869C
Тип тормозного диска : цельный
Наружный диаметр [мм] : 290
Толщина тормозного диска (мм) : 10
Дополнительный артикул / дополнительная информация 2 : с винтами
Высота [мм] : 60
Диаметр центрирования [мм] : 71
Количество отверстий : 4
Количественная единица : Штука
Поверхность : с покрытием
проверочное значение : R90 Homologated
Вес [кг] : 5,33
Минимальная толщина [мм] : 8
Момент затяжки [Нм] : 90
Длина упаковки [см] : 30
Ширина упаковки [см] : 30
Высота упаковки [см] : 11
|
|
Тормозной диск
FERODO DDF870
Тип тормозного диска : вентилируемый
Наружный диаметр [мм] : 260
Толщина тормозного диска (мм) : 24
Дополнительный артикул / дополнительная информация 2 : с винтами
Высота [мм] : 28,2
Ø фаски [мм] : 108
Диаметр центрирования [мм] : 66
Количество отверстий : 4
Количественная единица : комплект
Поверхность : промасленный
проверочное значение : R90 homologated
Вес [кг] : 11,9
Минимальная толщина [мм] : 22
Момент затяжки [Нм] : 90
Тип контейнера : Коробка
Длина упаковки [см] : 26,1
Ширина упаковки [см] : 26,1
Высота упаковки [см] : 6
|
|
Тормозной диск
FREMAX BD-4250
Тип тормозного диска : цельный
Наружный диаметр [мм] : 290
Толщина тормозного диска (мм) : 10
Высота [мм] : 60
Диаметр центрирования [мм] : 71
Количество крепежных отверстий : 4
Поверхность : с покрытием
Вес [кг] : 5,28
Минимальная толщина [мм] : 8
|
|
Тормозной диск
FREMAX BD-9406
Тип тормозного диска : вентилируемый
Наружный диаметр [мм] : 260
Толщина тормозного диска (мм) : 24
Высота [мм] : 28,5
Ø фаски [мм] : 108
Диаметр центрирования [мм] : 66
Количество крепежных отверстий : 4
Поверхность : с покрытием
Вес [кг] : 5,4
Минимальная толщина [мм] : 22
|
|
Тормозной диск
fri.tech. BD0189
проверочное значение : ECE-R90
Высота [мм] : 60
Тип тормозного диска : цельный
Толщина тормозного диска (мм) : 10
Наружный диаметр [мм] : 290,3
Количество отверстий : 4
Диаметр центрирования [мм] : 71
Поверхность : лакированный
|
|
Тормозной диск
fri.tech. BD0474
проверочное значение : ECE-R90
Высота [мм] : 28
Тип тормозного диска : вентилируемый
Толщина тормозного диска (мм) : 24
Наружный диаметр [мм] : 260
Количество отверстий : 4
Диаметр центрирования [мм] : 66
|
|
Тормозной диск
GH GH-403745
Сторона установки : передний мост
Сторона установки : передний мост справа
Сторона установки : передний мост слева
Толщина тормозного диска (мм) : 24
Количество отверстий : 4
Ø фаски [мм] : 108
Диаметр центрирования [мм] : 66
Наружный диаметр [мм] : 260
Тип тормозного диска : вентилируемый
Размер резьбы : 12,8
Высота [мм] : 28,4
|
|
Тормозной диск
GH GH-423746
Сторона установки : Задний мост
Сторона установки : Задний мост справа
Сторона установки : Задний мост слева
Толщина тормозного диска (мм) : 10
Количество отверстий : 4
Диаметр барабана [мм] : 185
Ø фаски [мм] : 108
Диаметр центрирования [мм] : 71
Наружный диаметр [мм] : 290,5
Тип тормозного диска : цельный
Размер резьбы : 13
Высота [мм] : 60
|
|
Тормозной диск
GH GH-423748
Сторона установки : Задний мост
Сторона установки : Задний мост справа
Сторона установки : Задний мост слева
Толщина тормозного диска (мм) : 12
Количество отверстий : 5
Ø фаски [мм] : 105
Диаметр центрирования [мм] : 68
Наружный диаметр [мм] : 290
Тип тормозного диска : цельный
Размер резьбы : 13,2
Высота [мм] : 35,5
|
|
Тормозной диск
GH GH-423763
Сторона установки : Задний мост
Сторона установки : Задний мост справа
Сторона установки : Задний мост слева
Дополнительный артикул / дополнительная информация 2 : с колесным подшипником
Дополнительный артикул / дополнительная информация 2 : с кольцом сенсора ABS
Толщина тормозного диска (мм) : 9
Количество отверстий : 4
Диаметр осевой цапфы [мм] : 30
Ø фаски [мм] : 108
Диаметр центрирования [мм] : 56,5
Наружный диаметр [мм] : 249
Тип тормозного диска : цельный
Размер резьбы : M12 x 1,25
Высота [мм] : 69,2
|
|
Тормозной диск
GIRLING 6027814
Поверхность : лакированный
Тип тормозного диска : цельный
Наружный диаметр [мм] : 291
Толщина тормозного диска (мм) : 10
Минимальная толщина [мм] : 8
Диаметр центрирования [мм] : 71
Высота [мм] : 60
Количество отверстий : 4
Размер резьбы : 13
Ø фаски [мм] : 108
Диаметр барабана [мм] : 185
Цвет : чёрный
Дополнительный артикул / дополнительная информация 2 : с винтами
проверочное значение : E1 90R-02 C0204/0559
SVHC : Нет информации, обратитесь, пожалуйста, к производителю!
|
|
Тормозной диск
GIRLING 6027821
Поверхность : лакированный
Тип тормозного диска : вентилируемый
Наружный диаметр [мм] : 260
Толщина тормозного диска (мм) : 24
Минимальная толщина [мм] : 22
Диаметр центрирования [мм] : 66
Высота [мм] : 28,4
Количество отверстий : 4
Размер резьбы : 12,8
Ø фаски [мм] : 108
Цвет : чёрный
SVHC : Нет информации, обратитесь, пожалуйста, к производителю!
|
|
Тормозной диск
HART 215 616
Высота [мм] : 60
Тип тормозного диска : цельный
Толщина тормозного диска (мм) : 10
Наружный диаметр [мм] : 290,5
Количество отверстий : 4
|
|
Тормозной диск
ICER 78BD4250-2
Толщина тормозного диска (мм) : 8
Наружный диаметр [мм] : 290
Тип тормозного диска : цельный
Высота [мм] : 60
Диаметр центрирования [мм] : 71
Ø фаски [мм] : 108
Исполнение оси : Rear
Номер технической информации : 78BD4250-2
проверочное значение : E1 90R-02C0241/0031
проверочное значение : E1 90R-02C0453/0106
проверочное значение : E1190R02C01049/52505
Диаметр [мм] : 71
Толщина [мм] : 10
Минимальная толщина [мм] : 8
Расположение/число отверстий : 4
|
|
Тормозной диск
ICER 78BD9406-2
Толщина тормозного диска (мм) : 22
Наружный диаметр [мм] : 260
Тип тормозного диска : вентилируемый
Высота [мм] : 28,2
Диаметр центрирования [мм] : 66
Ø фаски [мм] : 108
Исполнение оси : Front
Номер технической информации : 78BD9406-2
проверочное значение : E1 90R-02C0289/0171
проверочное значение : E1190R02C01049/52494
Диаметр [мм] : 66
Толщина [мм] : 24
Минимальная толщина [мм] : 22
Расположение/число отверстий : 4
|
|
Тормозной диск
JAPANPARTS DI-0632C
Наружный диаметр [мм] : 260
Высота [мм] : 28,2
Тип тормозного диска : вентилируемый
Толщина тормозного диска (мм) : 24
Минимальная толщина [мм] : 22
Количество отверстий : 4
Поверхность : лакированный
Сторона установки : передний мост
Момент затяжки [Нм] : 90
для оригинального номера : 4246L9
|
|
Тормозной диск
JAPANPARTS DP-0616C
Наружный диаметр [мм] : 290
Высота [мм] : 60
Тип тормозного диска : цельный
Толщина тормозного диска (мм) : 10
Минимальная толщина [мм] : 8
Количество отверстий : 4
Поверхность : лакированный
Сторона установки : Задний мост
Момент затяжки [Нм] : 90
для оригинального номера : 4246T6
|
|
Тормозной диск
JAPKO 600632C
Наружный диаметр [мм] : 260
Высота [мм] : 28,2
Тип тормозного диска : вентилируемый
Толщина тормозного диска (мм) : 24
Минимальная толщина [мм] : 22
Количество отверстий : 4
Поверхность : лакированный
Сторона установки : передний мост
Момент затяжки [Нм] : 90
для оригинального номера : 4246L9
|
|
Тормозной диск
JAPKO 610616C
Наружный диаметр [мм] : 290
Высота [мм] : 60
Тип тормозного диска : цельный
Толщина тормозного диска (мм) : 10
Минимальная толщина [мм] : 8
Количество отверстий : 4
Поверхность : лакированный
Сторона установки : Задний мост
Момент затяжки [Нм] : 90
для оригинального номера : 4246T6
|
|
Тормозной диск
JURATEK PEU103
Тип тормозного диска : цельный
Наружный диаметр [мм] : 290
Толщина тормозного диска (мм) : 10
Высота [мм] : 60
Ø фаски [мм] : 108
Диаметр центрирования [мм] : 71
Количество крепежных отверстий : 4
парные номера артикулов : JCA1625L
парные номера артикулов : JCA1625R
парные номера артикулов : JCP1415
парные номера артикулов : NKF8098
парные номера артикулов : NKF8627
Поверхность : с покрытием
Вес [кг] : 5,7
Диаметр отверстия [мм] : 13,2
Минимальная толщина [мм] : 8
|
|
Тормозной диск
JURID 562027JC
Тип тормозного диска : вентилируемый
Наружный диаметр [мм] : 260
Толщина тормозного диска (мм) : 24
Дополнительный артикул / дополнительная информация 2 : с винтами
Версия : JC
Высота [мм] : 28,2
Ø фаски [мм] : 108
Диаметр центрирования [мм] : 66
Количество отверстий : 4
Количественная единица : комплект
Поверхность : с покрытием
проверочное значение : R90 Homologated
Вес [кг] : 11,9
Минимальная толщина [мм] : 22
Момент затяжки [Нм] : 90
Тип контейнера : Коробка
Длина упаковки [см] : 27
Ширина упаковки [см] : 27
Высота упаковки [см] : 7
|
|
Тормозной диск
JURID 562042JC
Тип тормозного диска : цельный
Наружный диаметр [мм] : 290
Толщина тормозного диска (мм) : 10
Дополнительный артикул / дополнительная информация 2 : с винтами
Версия : JC
Высота [мм] : 60
Ø фаски [мм] : 108
Диаметр центрирования [мм] : 71
Количество отверстий : 4
Количественная единица : комплект
Поверхность : с покрытием
проверочное значение : R90 Homologated
Вес [кг] : 10,66
Минимальная толщина [мм] : 8
Момент затяжки [Нм] : 90
Тип контейнера : Коробка
Длина упаковки [см] : 31
Ширина упаковки [см] : 31
Высота упаковки [см] : 14
|
|
Тормозной диск
KAMOKA 1031682
Сторона установки : передний мост
Тип тормозного диска : вентилируемый
Толщина тормозного диска (мм) : 26
Ø фаски [мм] : 66
Количество отверстий : 4
Дополнительный артикул / дополнительная информация 2 : с винтами
Высота [мм] : 28
Поверхность : с покрытием
Наружный диаметр [мм] : 283
|
|
Тормозной диск
KAWE 6449 10
Диаметр [мм] : 260
Сторона установки : передний мост
Вес [кг] : 5,49
Тип тормозного диска : вентилируемый
Минимальная толщина [мм] : 22
Толщина тормозного диска (мм) : 24
Количество отверстий : 4
проверочное значение : K.B.A.: 61209
Высота [мм] : 28,2
Диаметр центрирования [мм] : 66
Наружный диаметр [мм] : 260
|
|
Тормозной диск
KAWE 6486 10
Диаметр [мм] : 283
Сторона установки : передний мост
Вес [кг] : 6,73
Тип тормозного диска : вентилируемый
Минимальная толщина [мм] : 24
Толщина тормозного диска (мм) : 26
Количество отверстий : 4
проверочное значение : K.B.A.: 61209
Высота [мм] : 28,2
Диаметр центрирования [мм] : 66
Наружный диаметр [мм] : 283
|
|
Тормозной диск
KRAFT AUTOMOTIVE 6045590
Тип тормозного диска : вентилируемый
Количество отверстий : 4
Диаметр [мм] : 260
Толщина тормозного диска (мм) : 24
Высота [мм] : 28,2
Диаметр центрирования [мм] : 66,1
Номер продукции : 6045590
Наружный диаметр [мм] : 260
|
|
Тормозной диск
LPR P1191P
Толщина тормозного диска (мм) : 10
Количество отверстий : 4
Высота [мм] : 60
Тип тормозного диска : цельный
Наружный диаметр [мм] : 290
Диаметр центрирования [мм] : 71
Минимальная толщина [мм] : 8
Тормозная установка : ATE
|
|
Тормозной диск
LPR P1191PR
Тормозная установка : ATE
Минимальная толщина [мм] : 8
Наружный диаметр [мм] : 290
Высота [мм] : 60
Тип тормозного диска : цельный
Диаметр центрирования [мм] : 71
Поверхность : с покрытием
Толщина тормозного диска (мм) : 10
Количество отверстий : 4
|
|
Тормозной диск
LPR P1201V
Толщина тормозного диска (мм) : 24
Количество отверстий : 4
Минимальная толщина [мм] : 22
Диаметр центрирования [мм] : 66
Тип тормозного диска : вентилируемый
Высота [мм] : 28
Наружный диаметр [мм] : 260
|
|
Тормозной диск
LPR P1201VR
Тип тормозного диска : вентилируемый
Количество отверстий : 4
Толщина тормозного диска (мм) : 24
Высота [мм] : 28
Наружный диаметр [мм] : 260
Диаметр центрирования [мм] : 66
Минимальная толщина [мм] : 22
Поверхность : с покрытием
|
|
Тормозной диск
LYNXAUTO BN-1868
Сторона установки : передний мост
Наружный диаметр [мм] : 260
Толщина тормозного диска (мм) : 24
Минимальная толщина [мм] : 22
Диаметр центрирования [мм] : 66
Высота [мм] : 28,5
Количество отверстий : 4
Ø фаски [мм] : 108
Тип тормозного диска : вентилируемый
|
|
Тормозной диск
LYNXAUTO BN-1869
Сторона установки : Задний мост
Наружный диаметр [мм] : 290
Толщина тормозного диска (мм) : 10
Минимальная толщина [мм] : 8
Диаметр центрирования [мм] : 71
Высота [мм] : 60
Внутренний диаметр : 185
Количество отверстий : 4
Ø фаски [мм] : 108
Тип тормозного диска : цельный
|
|
Тормозной диск
MAGNETI MARELLI 360406040601
Поверхность : покрытый УФ-лаком
Тип тормозного диска : вентилируемый
Диаметр [мм] : 260
Высота [мм] : 28,2
Минимальная толщина [мм] : 22
Количество отверстий : 4
Ø фаски [мм] : 66
Момент затяжки [Нм] : 90
Дополнительный артикул / дополнительная информация 2 : с винтами
Толщина тормозного диска (мм) : 24
Наружный диаметр [мм] : 260
|
|
Тормозной диск
MAGNETI MARELLI 360406041000
Тип тормозного диска : цельный
Диаметр [мм] : 290
Высота [мм] : 60
Минимальная толщина [мм] : 8
Количество отверстий : 4
Ø фаски [мм] : 71
Момент затяжки [Нм] : 90
Дополнительный артикул / дополнительная информация 2 : с винтами
Толщина тормозного диска (мм) : 10
Наружный диаметр [мм] : 290
|
|
Тормозной диск
MAGNETI MARELLI 360406041001
Поверхность : покрытый УФ-лаком
Тип тормозного диска : цельный
Диаметр [мм] : 290
Высота [мм] : 60
Минимальная толщина [мм] : 8
Количество отверстий : 4
Ø фаски [мм] : 71
Момент затяжки [Нм] : 90
Дополнительный артикул / дополнительная информация 2 : с винтами
Толщина тормозного диска (мм) : 10
Наружный диаметр [мм] : 290
|
|
Тормозной диск
MANDO MBC030102
Сторона установки : передний мост
Тип тормозного диска : вентилируемый
Толщина тормозного диска (мм) : 24
Количество отверстий : 4
Высота [мм] : 28,2
Диаметр центрирования [мм] : 66
Наружный диаметр [мм] : 260
|
|
Тормозной диск
MANDO MBC035214
Сторона установки : Задний мост
Тип тормозного диска : цельный
Толщина тормозного диска (мм) : 10
Количество отверстий : 4
Высота [мм] : 60
Диаметр центрирования [мм] : 71,2
Наружный диаметр [мм] : 290
|
|
Тормозной диск
MAXGEAR 19-0989
Сторона установки : Задний мост
Тип тормозного диска : цельный
Наружный диаметр [мм] : 290
Толщина тормозного диска (мм) : 10
Дополнительный артикул / дополнительная информация 2 : с винтами
Высота [мм] : 60
Ø фаски [мм] : 108
Диаметр центрирования [мм] : 71
Количество отверстий : 4
Минимальная толщина [мм] : 8
|
|
Тормозной диск
MAXGEAR 19-0989MAX
Сторона установки : Задний мост
Тип тормозного диска : цельный
Наружный диаметр [мм] : 291
Толщина тормозного диска (мм) : 10
Дополнительный артикул / дополнительная информация 2 : с винтами
Высота [мм] : 60
Ø фаски [мм] : 108
Диаметр центрирования [мм] : 71
Количество отверстий : 4
Поверхность : лакированный
Минимальная толщина [мм] : 8
|
|
Тормозной диск
MAXGEAR 19-0989SPORT
Тип тормозного диска : цельный
Тип тормозного диска : с прорезями / перфорированный
Наружный диаметр [мм] : 291
Толщина тормозного диска (мм) : 10
Дополнительный артикул / дополнительная информация 2 : с винтами
Высота [мм] : 60
Ø фаски [мм] : 108
Диаметр центрирования [мм] : 71
Количество отверстий : 4
Поверхность : лакированный
Минимальная толщина [мм] : 8
|
|
Тормозной диск
MAXGEAR 19-1003
Сторона установки : передний мост
Тип тормозного диска : с внешней вентиляцией
Наружный диаметр [мм] : 260
Толщина тормозного диска (мм) : 24
Дополнительный артикул / дополнительная информация 2 : без ступицы
Дополнительный артикул / дополнительная информация 2 : без колесной крепящей оси
Высота [мм] : 28,2
Ø фаски [мм] : 108
Диаметр центрирования [мм] : 66
Количество отверстий : 4
Минимальная толщина [мм] : 22
|
|
Тормозной диск
MAXGEAR 19-1003SPORT
Тип тормозного диска : с внешней вентиляцией
Тип тормозного диска : с прорезями / перфорированный
Наружный диаметр [мм] : 260
Толщина тормозного диска (мм) : 24
Дополнительный артикул / дополнительная информация 2 : без ступицы
Дополнительный артикул / дополнительная информация 2 : без колесной крепящей оси
Высота [мм] : 28,2
Ø фаски [мм] : 108
Диаметр центрирования [мм] : 66
Количество отверстий : 4
Поверхность : лакированный
Минимальная толщина [мм] : 22
|
|
Тормозной диск
MAXTECH 875608
Сторона установки : передний мост
Тип тормозного диска : вентилируемый
Минимальная толщина [мм] : 24
Вес [кг] : 6,8
Толщина тормозного диска (мм) : 26
Ø фаски [мм] : 108
Количество отверстий : 4
Диаметр отверстия [мм] : 13
Внутренний диаметр : 133,5
проверочное значение : 90R-02C01327/31810
Высота [мм] : 28,2
Диаметр центрирования [мм] : 66
Наружный диаметр [мм] : 283
|
|
Тормозной диск
MAXTECH 875610
Сторона установки : Задний мост
Тип тормозного диска : цельный
Минимальная толщина [мм] : 8
Вес [кг] : 5,1
Толщина тормозного диска (мм) : 10
Ø фаски [мм] : 108
Количество отверстий : 4
Диаметр отверстия [мм] : 13
Внутренний диаметр : 185
проверочное значение : 90R-02C01327/31814
Высота [мм] : 60
Диаметр центрирования [мм] : 71
Наружный диаметр [мм] : 291
|
|
Тормозной диск
MAXTECH 875628
Сторона установки : передний мост
Тип тормозного диска : вентилируемый
Минимальная толщина [мм] : 22
Вес [кг] : 5,5
Толщина тормозного диска (мм) : 24
Ø фаски [мм] : 108
Количество отверстий : 4
Диаметр отверстия [мм] : 13
Внутренний диаметр : 133,5
Высота [мм] : 28
Диаметр центрирования [мм] : 66
Наружный диаметр [мм] : 260
|
|
Тормозной диск
METELLI 23-0431C
проверочное значение : ECE-R90
Высота [мм] : 60
Тип тормозного диска : цельный
Толщина тормозного диска (мм) : 10
Наружный диаметр [мм] : 290,3
Количество отверстий : 4
Диаметр центрирования [мм] : 71
Поверхность : лакированный
|
|
Тормозной диск
METELLI 23-0455
проверочное значение : ECE-R90
Высота [мм] : 28
Тип тормозного диска : вентилируемый
Толщина тормозного диска (мм) : 24
Наружный диаметр [мм] : 260
Количество отверстий : 4
Диаметр центрирования [мм] : 66
|
|
Тормозной диск
MEYLE 11-15 521 0000
Сторона установки : передний мост
Наружный диаметр [мм] : 260
Высота [мм] : 28,2
Толщина тормозного диска (мм) : 24
Минимальная толщина [мм] : 22
Диаметр центрирования [мм] : 66
Ø фаски [мм] : 108
Диаметр отверстия под шпильку колеса [мм] : 13
Количество отверстий : 4
Тип тормозного диска : вентилируемый
необходимое количество : 2
|
|
Тормозной диск
MEYLE 11-15 523 1014
Сторона установки : Задний мост
Наружный диаметр [мм] : 290
Высота [мм] : 60
Толщина тормозного диска (мм) : 10
Минимальная толщина [мм] : 8
Диаметр центрирования [мм] : 71
Ø фаски [мм] : 108
Диаметр отверстия под шпильку колеса [мм] : 13
Количество отверстий : 4
Тип тормозного диска : цельный
необходимое количество : 2
|
|
Тормозной диск
MILES K000610
Сторона установки : спереди
Количество отверстий : 4
Тип тормозного диска : вентилируемый
Наружный диаметр [мм] : 259,5
Высота [мм] : 28,2
Диаметр центрирования [мм] : 66
Ø фаски [мм] : 108
Диаметр отверстия под шпильку колеса [мм] : 13,2
Толщина тормозного диска (мм) : 24
Минимальная толщина [мм] : 22
|
|
Тормозной диск
MILES K200610
Сторона установки : спереди
Количество отверстий : 4
Тип тормозного диска : вентилируемый
Наружный диаметр [мм] : 259,5
Высота [мм] : 28,2
Диаметр центрирования [мм] : 66
Ø фаски [мм] : 108
Диаметр отверстия под шпильку колеса [мм] : 13,2
Толщина тормозного диска (мм) : 24
Минимальная толщина [мм] : 22
Поверхность : с покрытием
|
|
Тормозной диск
MINTEX MDC868
Тип тормозного диска : с внешней вентиляцией
Наружный диаметр [мм] : 260
Толщина тормозного диска (мм) : 24
Высота [мм] : 28,2
Минимальная толщина [мм] : 22
Внутренний диаметр : 133,2
Ø фаски [мм] : 108
Диаметр центрирования [мм] : 66
Расположение/число отверстий : 04/06
Диаметр отверстия под шпильку колеса [мм] : 12,9
Дополнительный артикул / дополнительная информация 2 : без ступицы
Дополнительный артикул / дополнительная информация 2 : без колесного подшипника
Дополнительный артикул / дополнительная информация 2 : без колесной крепящей оси
Длина упаковки [см] : 27,8
Ширина упаковки [см] : 27,8
Высота упаковки [см] : 8,4
Вес [кг] : 5,5
|
|
Тормозной диск
MINTEX MDC1063
Тип тормозного диска : цельный
Наружный диаметр [мм] : 290
Толщина тормозного диска (мм) : 10
Высота [мм] : 60
Минимальная толщина [мм] : 8
Внутренний диаметр : 185
Ø фаски [мм] : 108
Диаметр центрирования [мм] : 71,1
Расположение/число отверстий : 04/07
Диаметр отверстия под шпильку колеса [мм] : 13,2
Дополнительный артикул / дополнительная информация 2 : без ступицы
Дополнительный артикул / дополнительная информация 2 : без колесного подшипника
Дополнительный артикул / дополнительная информация 2 : без колесной крепящей оси
Длина упаковки [см] : 31,3
Ширина упаковки [см] : 31,3
Высота упаковки [см] : 14
Вес [кг] : 5,2
|
|
Тормозной диск
MOTAQUIP LVBD784
Тип тормозного диска : вентилируемый
Наружный диаметр [мм] : 260
Толщина тормозного диска (мм) : 24
Высота [мм] : 28,2
Ø фаски [мм] : 108
Диаметр центрирования [мм] : 66
Количество отверстий : 4
Поверхность : с покрытием
Вес [кг] : 5,6
Минимальная толщина [мм] : 22
Число отверстий : 2
|
|
Тормозной диск
MOTAQUIP LVBD786
Тип тормозного диска : цельный
Наружный диаметр [мм] : 290
Толщина тормозного диска (мм) : 10
Высота [мм] : 60
Ø фаски [мм] : 108
Диаметр центрирования [мм] : 71,1
Количество отверстий : 4
Поверхность : с покрытием
Вес [кг] : 5,37
Минимальная толщина [мм] : 8
Число отверстий : 3
|
|
Тормозной диск
National NBD798
Тип тормозного диска : вентилируемый
Наружный диаметр [мм] : 260
Толщина тормозного диска (мм) : 24
Высота [мм] : 28
Ø фаски [мм] : 108
Диаметр центрирования [мм] : 66
Количество отверстий : 4
|
|
Тормозной диск
National NBD800
Тип тормозного диска : цельный
Наружный диаметр [мм] : 290
Толщина тормозного диска (мм) : 10
Высота [мм] : 60
Ø фаски [мм] : 108
Диаметр центрирования [мм] : 71
Количество отверстий : 4
|
|
Тормозной диск
NiBK RN1077
Сторона установки : передний мост
Тип тормозного диска : вентилируемый
Наружный диаметр [мм] : 260
Толщина тормозного диска (мм) : 24
Минимальная толщина [мм] : 22
Количество отверстий : 4
Ø фаски [мм] : 108
Высота [мм] : 28,4
Диаметр центрирования [мм] : 66
Внутренний диаметр : 133
|
|
Тормозной диск
NK 203719
Наружный диаметр [мм] : 260
Толщина тормозного диска (мм) : 24
Минимальная толщина [мм] : 22
Высота [мм] : 28
Число отверстий в диске колеса : 4
Тип тормозного диска : вентилируемый
Диаметр центрирования [мм] : 66
Поверхность : промасленный
Вес нетто [кг] : 5,54
|
|
Тормозной диск
NK 313719
Наружный диаметр [мм] : 260
Толщина тормозного диска (мм) : 24
Минимальная толщина [мм] : 22
Высота [мм] : 28
Число отверстий в диске колеса : 4
Тип тормозного диска : вентилируемый
Диаметр центрирования [мм] : 66
Поверхность : с покрытием
Вес нетто [кг] : 5,54
|
|
Тормозной диск
NK 203721
Наружный диаметр [мм] : 290
Толщина тормозного диска (мм) : 10
Минимальная толщина [мм] : 8
Высота [мм] : 60
Число отверстий в диске колеса : 4
Тип тормозного диска : цельный
Диаметр центрирования [мм] : 71
Поверхность : промасленный
Вес нетто [кг] : 5,22
|
|
Тормозной диск
NK 313721
Наружный диаметр [мм] : 290
Толщина тормозного диска (мм) : 10
Минимальная толщина [мм] : 8
Высота [мм] : 60
Число отверстий в диске колеса : 4
Тип тормозного диска : цельный
Диаметр центрирования [мм] : 71
Поверхность : с покрытием
Вес нетто [кг] : 5,19
|
|
Тормозной диск
Omnicraft 2143273
Высота [мм] : 60
Тип тормозного диска : цельный
Толщина тормозного диска (мм) : 10
Минимальная толщина [мм] : 8
Наружный диаметр [мм] : 290
Количество отверстий : 4
Диаметр центрирования [мм] : 71
Момент затяжки [Нм] : 90
Дополнительный артикул / дополнительная информация 2 : с винтами
|
|
Тормозной диск
OPEN PARTS BDR1716.10
Тип тормозного диска : цельный
Поверхность : лакированный
Наружный диаметр [мм] : 290
Высота [мм] : 60
Толщина тормозного диска (мм) : 10
Диаметр центрирования [мм] : 71
Количество отверстий : 4
Минимальная толщина [мм] : 8
|
|
Тормозной диск
OPEN PARTS BDR1714.20
Тип тормозного диска : вентилируемый
Поверхность : лакированный
Наружный диаметр [мм] : 260
Высота [мм] : 28
Толщина тормозного диска (мм) : 24
Диаметр центрирования [мм] : 66
Количество отверстий : 4
Минимальная толщина [мм] : 22
|
|
Тормозной диск
OPTIMAL BS-4490
Сторона установки : передний мост
Тип тормозного диска : вентилируемый
Толщина тормозного диска (мм) : 24
Наружный диаметр [мм] : 260
Высота [мм] : 28
Диаметр центрирования [мм] : 66
Минимальная толщина [мм] : 22
Расположение/число отверстий : 4/6
|
|
Тормозной диск
OPTIMAL BS-4490C
Сторона установки : передний мост
Тип тормозного диска : вентилируемый
Толщина тормозного диска (мм) : 24
Наружный диаметр [мм] : 260
Высота [мм] : 28
Диаметр центрирования [мм] : 66
Поверхность : с покрытием
Дополнительный артикул / дополнительная информация 2 : с винтами
Минимальная толщина [мм] : 22
Расположение/число отверстий : 4/6
|
|
Тормозной диск
OPTIMAL BS-4980C
Сторона установки : Задний мост
Тип тормозного диска : цельный
Толщина тормозного диска (мм) : 10
Наружный диаметр [мм] : 290
Высота [мм] : 60
Диаметр центрирования [мм] : 71
Поверхность : с покрытием
Дополнительный артикул / дополнительная информация 2 : с винтами
Минимальная толщина [мм] : 8
Расположение/число отверстий : 4/7
|
|
Тормозной диск
PAGID 52514NC
Тип тормозного диска : цельный
Наружный диаметр [мм] : 290
Толщина тормозного диска (мм) : 10
Высота [мм] : 60
Минимальная толщина [мм] : 8
Поверхность : с покрытием
Внутренний диаметр : 185
Ø фаски [мм] : 108
Диаметр центрирования [мм] : 71,1
Расположение/число отверстий : 04/07
Диаметр отверстия под шпильку колеса [мм] : 13,2
Дополнительный артикул / дополнительная информация 2 : без ступицы
Дополнительный артикул / дополнительная информация 2 : без колесного подшипника
Дополнительный артикул / дополнительная информация 2 : без колесной крепящей оси
Длина упаковки [см] : 30,3
Ширина упаковки [см] : 30,3
Высота упаковки [см] : 9
Вес [кг] : 5,2
|
|
Тормозной диск
PILENGA 5385
Сторона установки : Задний мост
Тип тормозного диска : цельный
Минимальная толщина [мм] : 8
Толщина тормозного диска (мм) : 10
Количество отверстий 1 : 4
Количество отверстий 2 : 3
Внутренний диаметр : 185
Высота [мм] : 60
Диаметр центрирования [мм] : 71
Наружный диаметр [мм] : 291
|
|
Тормозной диск
PILENGA V083
Сторона установки : передний мост
Тип тормозного диска : вентилируемый
Минимальная толщина [мм] : 22
Толщина тормозного диска (мм) : 24
Количество отверстий 1 : 4
Количество отверстий 2 : 2
Внутренний диаметр : 133,3
Высота [мм] : 28,2
Диаметр центрирования [мм] : 66
Наружный диаметр [мм] : 260
|
|
Тормозной диск
QUARO QD6455
Тип тормозного диска : цельный
Наружный диаметр [мм] : 290
Толщина тормозного диска (мм) : 10
Дополнительный артикул / дополнительная информация 2 : без ступицы
Дополнительный артикул / дополнительная информация 2 : без колесной крепящей оси
Высота [мм] : 60
Ø фаски [мм] : 108
Диаметр центрирования [мм] : 71,1
Количество отверстий : 4
Поверхность : лакированный
Минимальная толщина [мм] : 8
|
|
Тормозной диск
QUARO QD9972
Тип тормозного диска : с внешней вентиляцией
Наружный диаметр [мм] : 260
Толщина тормозного диска (мм) : 24
Дополнительный артикул / дополнительная информация 2 : без ступицы
Дополнительный артикул / дополнительная информация 2 : без колесной крепящей оси
Высота [мм] : 28,2
Ø фаски [мм] : 108
Диаметр центрирования [мм] : 66
Количество отверстий : 4
Поверхность : лакированный
Минимальная толщина [мм] : 22
|
|
Тормозной диск
QUINTON HAZELL BDC4662
Тип тормозного диска : вентилируемый
Наружный диаметр [мм] : 283
Толщина тормозного диска (мм) : 26
Минимальная толщина [мм] : 24
Высота [мм] : 28
Диаметр центрирования [мм] : 66
Ø фаски [мм] : 108
Количество отверстий : 4
|
|
Тормозной диск
QUINTON HAZELL BDC4663
Тип тормозного диска : цельный
Наружный диаметр [мм] : 290
Толщина тормозного диска (мм) : 10
Минимальная толщина [мм] : 8
Высота [мм] : 60
Диаметр центрирования [мм] : 71
Ø фаски [мм] : 108
Количество отверстий : 4
|
|
Тормозной диск
R BRAKE 78RBD24250
Толщина тормозного диска (мм) : 8
Наружный диаметр [мм] : 290
Тип тормозного диска : цельный
Высота [мм] : 60
Диаметр центрирования [мм] : 71
Ø фаски [мм] : 108
Исполнение оси : Rear
Номер технической информации : 78BD4250-2
проверочное значение : E1 90R-02C0241/0031
проверочное значение : E1 90R-02C0453/0106
проверочное значение : E1190R02C01049/52505
Диаметр [мм] : 71
Толщина [мм] : 10
Минимальная толщина [мм] : 8
Расположение/число отверстий : 4
|
|
Тормозной диск
R BRAKE 78RBD29406
Толщина тормозного диска (мм) : 22
Наружный диаметр [мм] : 260
Тип тормозного диска : вентилируемый
Высота [мм] : 28,2
Диаметр центрирования [мм] : 66
Ø фаски [мм] : 108
Исполнение оси : Front
Номер технической информации : 78BD9406-2
проверочное значение : E1 90R-02C0289/0171
проверочное значение : E1190R02C01049/52494
Диаметр [мм] : 66
Толщина [мм] : 24
Минимальная толщина [мм] : 22
Расположение/число отверстий : 4
|
|
Тормозной диск
RAICAM RD00633
Сторона установки : передний мост
Минимальная толщина [мм] : 22
Высота [мм] : 28
Наружный диаметр [мм] : 260
Вес [кг] : 5,5
Диаметр центрирования [мм] : 66
Тип тормозного диска : вентилируемый
выполняет нормы ЕЭК : E1
Число отверстий в диске колеса : 4
Толщина тормозного диска (мм) : 24
|
|
Тормозной диск
RAICAM RD00635
Тип тормозного диска : цельный
выполняет нормы ЕЭК : E1
Число отверстий в диске колеса : 4
Толщина тормозного диска (мм) : 10
Сторона установки : Задний мост
Минимальная толщина [мм] : 8
Высота [мм] : 60
Наружный диаметр [мм] : 290
Вес [кг] : 5,2
Диаметр центрирования [мм] : 71
|
|
Тормозной диск
REMSA 6449.10
проверочное значение : K.B.A.: 61209
Сторона установки : передний мост
Диаметр [мм] : 260
Высота [мм] : 28,2
Тип тормозного диска : вентилируемый
Толщина тормозного диска (мм) : 24
Минимальная толщина [мм] : 22
Количество отверстий : 4
Диаметр центрирования [мм] : 66
Вес [кг] : 5,49
Наружный диаметр [мм] : 260
|
|
Тормозной диск
REMSA 6486.10
проверочное значение : K.B.A.: 61209
Сторона установки : передний мост
Диаметр [мм] : 283
Высота [мм] : 28,2
Тип тормозного диска : вентилируемый
Толщина тормозного диска (мм) : 26
Минимальная толщина [мм] : 24
Количество отверстий : 4
Диаметр центрирования [мм] : 66
Вес [кг] : 6,73
Наружный диаметр [мм] : 283
|
|
Тормозной диск
RIDEX 82B0222
Толщина тормозного диска (мм) : 10
Тип тормозного диска : цельный
Минимальная толщина [мм] : 8
Высота [мм] : 60
Расположение/число отверстий : 04/07
Ø фаски [мм] : 108
Диаметр центрирования [мм] : 71,1
Вес [кг] : 5,2
Дополнительный артикул / дополнительная информация 2 : без ступицы
Дополнительный артикул / дополнительная информация 2 : без колесной крепящей оси
Внутренний диаметр : 185
Диаметр отверстия [мм] : 13,5
Наружный диаметр [мм] : 290
Поверхность : без покрытия
|
|
Тормозной диск
RIDEX 82B0458
Тип тормозного диска : вентилируемый
Толщина тормозного диска (мм) : 24
Количество отверстий : 4
Диаметр центрирования [мм] : 66
Минимальная толщина [мм] : 22
Момент затяжки [Нм] : 90
Дополнительный артикул / дополнительная информация 2 : без винтов
Внутренний диаметр : 133,5
Диаметр отверстия [мм] : 13
Наружный диаметр [мм] : 260
|
|
Тормозной диск
ROADHOUSE 6449.10
проверочное значение : K.B.A.: 61209
Вес [кг] : 5,49
Сторона установки : передний мост
Диаметр [мм] : 260
Толщина тормозного диска (мм) : 24
Минимальная толщина [мм] : 22
Высота [мм] : 28,2
Диаметр центрирования [мм] : 66
Количество отверстий : 4
Тип тормозного диска : вентилируемый
Наружный диаметр [мм] : 260
|
|
Тормозной диск
ROADHOUSE 6486.10
проверочное значение : K.B.A.: 61209
Вес [кг] : 6,73
Сторона установки : передний мост
Диаметр [мм] : 283
Толщина тормозного диска (мм) : 26
Минимальная толщина [мм] : 24
Высота [мм] : 28,2
Диаметр центрирования [мм] : 66
Количество отверстий : 4
Тип тормозного диска : вентилируемый
Наружный диаметр [мм] : 283
|
|
Тормозной диск
ROTINGER RT 1295
Тип тормозного диска : цельный
Сторона установки : Задний мост
Наружный диаметр [мм] : 290,2
Внутренний диаметр : 185,1
Диаметр центрирования [мм] : 71,1
Высота [мм] : 60
Толщина тормозного диска (мм) : 10
Минимальная толщина [мм] : 8
Количество отверстий : 4
Размер резьбы : 13,2
Количество отверстий 1 : 2
Расстояние между отверст. 1 [мм] : 108
Вес [кг] : 5,2
Ø фаски [мм] : 108
|
|
Тормозной диск
ROTINGER RT 1295-GL
Тип тормозного диска : цельный
Поверхность : с гальваническим покрытием
Сторона установки : Задний мост
Наружный диаметр [мм] : 290,2
Внутренний диаметр : 185,1
Диаметр центрирования [мм] : 71,1
Высота [мм] : 60
Толщина тормозного диска (мм) : 10
Минимальная толщина [мм] : 8
Количество отверстий : 4
Размер резьбы : 13,2
Количество отверстий 1 : 2
Расстояние между отверст. 1 [мм] : 108
Вес [кг] : 5,2
Ø фаски [мм] : 108
|
|
Тормозной диск
ROTINGER RT 1295-GL T3
Тип тормозного диска : перфорированный
Тип тормозного диска : цельный
Поверхность : с гальваническим покрытием
Сторона установки : Задний мост
Наружный диаметр [мм] : 290,2
Внутренний диаметр : 185,1
Диаметр центрирования [мм] : 71,1
Высота [мм] : 60
Толщина тормозного диска (мм) : 10
Минимальная толщина [мм] : 8
Количество отверстий : 4
Размер резьбы : 13,2
Количество отверстий 1 : 2
Расстояние между отверст. 1 [мм] : 108
Вес [кг] : 5,2
Ø фаски [мм] : 108
|
|
Тормозной диск
ROTINGER RT 1295-GL T5
Тип тормозного диска : перфорированный
Тип тормозного диска : цельный
Поверхность : с гальваническим покрытием
Сторона установки : Задний мост
Наружный диаметр [мм] : 290,2
Внутренний диаметр : 185,1
Диаметр центрирования [мм] : 71,1
Высота [мм] : 60
Толщина тормозного диска (мм) : 10
Минимальная толщина [мм] : 8
Количество отверстий : 4
Размер резьбы : 13,2
Количество отверстий 1 : 2
Расстояние между отверст. 1 [мм] : 108
Вес [кг] : 5,2
Ø фаски [мм] : 108
|
|
Тормозной диск
ROTINGER RT 1295-GL T6
Тип тормозного диска : цельный
Поверхность : с гальваническим покрытием
Сторона установки : Задний мост
Наружный диаметр [мм] : 290,2
Внутренний диаметр : 185,1
Диаметр центрирования [мм] : 71,1
Высота [мм] : 60
Толщина тормозного диска (мм) : 10
Минимальная толщина [мм] : 8
Количество отверстий : 4
Размер резьбы : 13,2
Количество отверстий 1 : 2
Расстояние между отверст. 1 [мм] : 108
Вес [кг] : 5,2
Ø фаски [мм] : 108
|
|
Тормозной диск
ROTINGER RT 1295-GL T9
Тип тормозного диска : цельный
Поверхность : с гальваническим покрытием
Сторона установки : Задний мост
Наружный диаметр [мм] : 290,2
Внутренний диаметр : 185,1
Диаметр центрирования [мм] : 71,1
Высота [мм] : 60
Толщина тормозного диска (мм) : 10
Минимальная толщина [мм] : 8
Количество отверстий : 4
Размер резьбы : 13,2
Количество отверстий 1 : 2
Расстояние между отверст. 1 [мм] : 108
Вес [кг] : 5,2
Ø фаски [мм] : 108
|
|
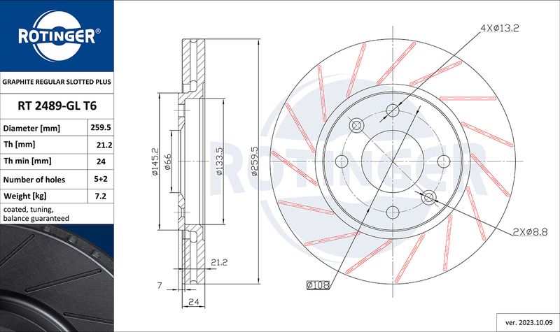
Тормозной диск
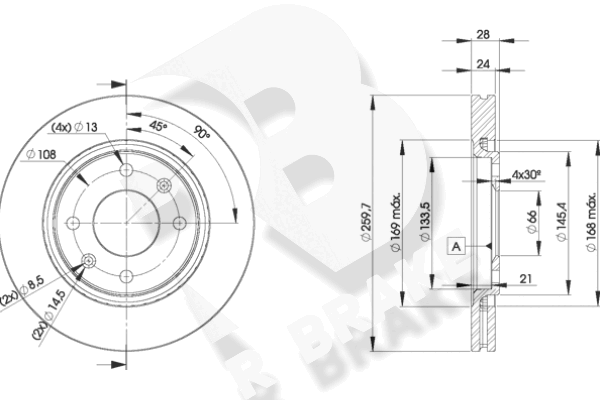
ROTINGER RT 2489
Тип тормозного диска : вентилируемый
Сторона установки : передний мост
Наружный диаметр [мм] : 259,7
Внутренний диаметр : 133,5
Диаметр центрирования [мм] : 66
Высота [мм] : 28
Толщина тормозного диска (мм) : 24
Минимальная толщина [мм] : 22
Количество отверстий : 4
Размер резьбы : 13
Количество отверстий 1 : 2
Расстояние между отверст. 1 [мм] : 108
Вес [кг] : 5,5
Ø фаски [мм] : 108
|
|
Тормозной диск
ROTINGER RT 2489-GL
Тип тормозного диска : вентилируемый
Поверхность : с гальваническим покрытием
Сторона установки : передний мост
Наружный диаметр [мм] : 259,7
Внутренний диаметр : 133,5
Диаметр центрирования [мм] : 66
Высота [мм] : 28
Толщина тормозного диска (мм) : 24
Минимальная толщина [мм] : 22
Количество отверстий : 4
Размер резьбы : 13
Количество отверстий 1 : 2
Расстояние между отверст. 1 [мм] : 108
Вес [кг] : 5,5
Ø фаски [мм] : 108
|
|
Тормозной диск
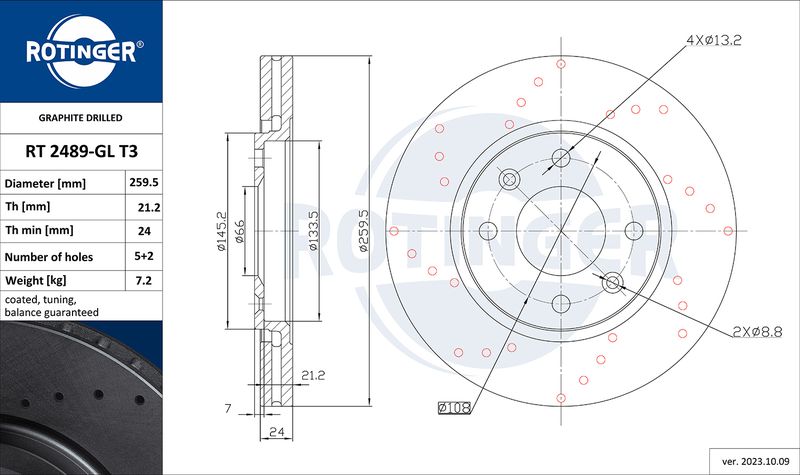
ROTINGER RT 2489-GL T3
Тип тормозного диска : перфорированный
Тип тормозного диска : вентилируемый
Поверхность : с гальваническим покрытием
Сторона установки : передний мост
Наружный диаметр [мм] : 259,7
Внутренний диаметр : 133,5
Диаметр центрирования [мм] : 66
Высота [мм] : 28
Толщина тормозного диска (мм) : 24
Минимальная толщина [мм] : 22
Количество отверстий : 4
Размер резьбы : 13
Количество отверстий 1 : 2
Расстояние между отверст. 1 [мм] : 108
Вес [кг] : 5,5
Ø фаски [мм] : 108
|
|
Тормозной диск
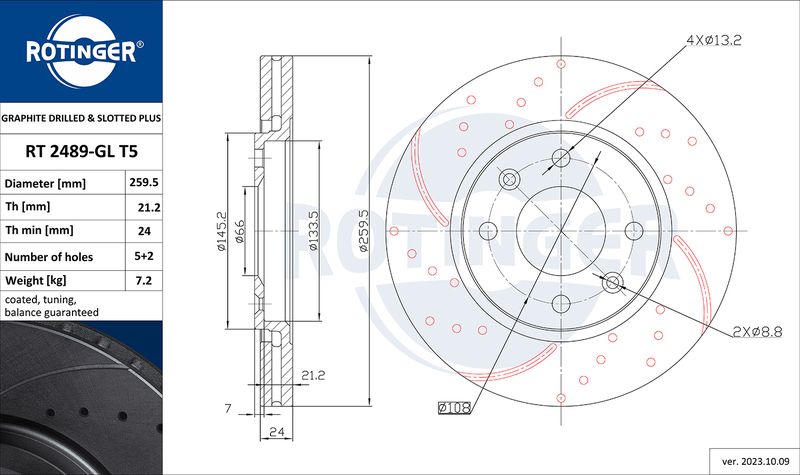
ROTINGER RT 2489-GL T5
Тип тормозного диска : вентилируемый
Тип тормозного диска : перфорированный
Поверхность : с гальваническим покрытием
Сторона установки : передний мост
Наружный диаметр [мм] : 259,7
Внутренний диаметр : 133,5
Диаметр центрирования [мм] : 66
Высота [мм] : 28
Толщина тормозного диска (мм) : 24
Минимальная толщина [мм] : 22
Количество отверстий : 4
Размер резьбы : 13
Количество отверстий 1 : 2
Расстояние между отверст. 1 [мм] : 108
Вес [кг] : 5,5
Ø фаски [мм] : 108
|
|
Тормозной диск
ROTINGER RT 2489-GL T6
Тип тормозного диска : вентилируемый
Поверхность : с гальваническим покрытием
Сторона установки : передний мост
Наружный диаметр [мм] : 259,7
Внутренний диаметр : 133,5
Диаметр центрирования [мм] : 66
Высота [мм] : 28
Толщина тормозного диска (мм) : 24
Минимальная толщина [мм] : 22
Количество отверстий : 4
Размер резьбы : 13
Количество отверстий 1 : 2
Расстояние между отверст. 1 [мм] : 108
Вес [кг] : 5,5
Ø фаски [мм] : 108
|
|
Тормозной диск
ROTINGER RT 2489-GL T9
Тип тормозного диска : вентилируемый
Поверхность : с гальваническим покрытием
Сторона установки : передний мост
Наружный диаметр [мм] : 259,7
Внутренний диаметр : 133,5
Диаметр центрирования [мм] : 66
Высота [мм] : 28
Толщина тормозного диска (мм) : 24
Минимальная толщина [мм] : 22
Количество отверстий : 4
Размер резьбы : 13
Количество отверстий 1 : 2
Расстояние между отверст. 1 [мм] : 108
Вес [кг] : 5,5
Ø фаски [мм] : 108
|
|
Тормозной диск
SAMKO P1191P
Наружный диаметр [мм] : 290
Количество отверстий : 4
Высота [мм] : 60
Минимальная толщина [мм] : 8
Толщина тормозного диска (мм) : 10
Диаметр центрирования [мм] : 71
Тормозная установка : ATE
Тип тормозного диска : цельный
|
|
Тормозной диск
SAMKO P1191PR
Количество отверстий : 4
Высота [мм] : 60
Наружный диаметр [мм] : 290
Тип тормозного диска : цельный
Диаметр центрирования [мм] : 71
Толщина тормозного диска (мм) : 10
Поверхность : с покрытием
Минимальная толщина [мм] : 8
Тормозная установка : ATE
|
|
Тормозной диск
SAMKO P1201V
Толщина тормозного диска (мм) : 24
Диаметр центрирования [мм] : 66
Количество отверстий : 4
Минимальная толщина [мм] : 22
Тип тормозного диска : вентилируемый
Высота [мм] : 28
Наружный диаметр [мм] : 260
|
|
Тормозной диск
SAMKO P1201VR
Наружный диаметр [мм] : 260
Количество отверстий : 4
Толщина тормозного диска (мм) : 24
Тип тормозного диска : вентилируемый
Поверхность : с покрытием
Минимальная толщина [мм] : 22
Высота [мм] : 28
Диаметр центрирования [мм] : 66
|
|
Тормозной диск
SASIC 2464L94J
Сторона установки : передний мост
Тип тормозного диска : вентилируемый
Наружный диаметр [мм] : 259
Толщина тормозного диска (мм) : 24
Высота [мм] : 28,2
Ø фаски [мм] : 66
Количество отверстий : 4
для оригинального номера : 4246L9
|
|
Тормозной диск
SASIC 2464T64J
Сторона установки : Задний мост
Тип тормозного диска : цельный
Наружный диаметр [мм] : 290
Толщина тормозного диска (мм) : 10
Высота [мм] : 60
Ø фаски [мм] : 71
Количество отверстий : 4
для оригинального номера : 4246T7
Дополнительный артикул / дополнительная информация 2 : без колесного подшипника
заменяется только попарно :
|
|
Тормозной диск
SKF VKBD 80544 V2
Тип тормозного диска : вентилируемый
Наружный диаметр [мм] : 260
Толщина тормозного диска (мм) : 24
Высота [мм] : 28,2
Ø фаски [мм] : 108
Диаметр центрирования [мм] : 66
Количество отверстий : 4
Поверхность : с покрытием
Минимальная толщина [мм] : 22
Число отверстий : 2
|
|
Тормозной диск
SKF VKBD 90238 S2
Тип тормозного диска : цельный
Наружный диаметр [мм] : 290
Толщина тормозного диска (мм) : 10
Высота [мм] : 60
Ø фаски [мм] : 108
Диаметр центрирования [мм] : 71,1
Количество отверстий : 4
Поверхность : с покрытием
Минимальная толщина [мм] : 8
Число отверстий : 3
|
|
Тормозной диск
Stark SKBD-0020226
Толщина тормозного диска (мм) : 10
Тип тормозного диска : цельный
Минимальная толщина [мм] : 8
Высота [мм] : 60
Расположение/число отверстий : 04/07
Ø фаски [мм] : 108
Диаметр центрирования [мм] : 71,1
Вес [кг] : 5,2
Дополнительный артикул / дополнительная информация 2 : без ступицы
Дополнительный артикул / дополнительная информация 2 : без колесной крепящей оси
Внутренний диаметр : 185
Диаметр отверстия [мм] : 13,5
Наружный диаметр [мм] : 290
Поверхность : без покрытия
|
|
Тормозной диск
Stark SKBD-0022155
Тип тормозного диска : вентилируемый
Толщина тормозного диска (мм) : 24
Количество отверстий : 4
Диаметр центрирования [мм] : 66
Минимальная толщина [мм] : 22
Момент затяжки [Нм] : 90
Дополнительный артикул / дополнительная информация 2 : без винтов
Внутренний диаметр : 133,5
Диаметр отверстия [мм] : 13
Наружный диаметр [мм] : 260
|
|
Тормозной диск
STELLOX 6020-3719V-SX
Наружный диаметр [мм] : 260
Толщина тормозного диска (мм) : 24
Высота [мм] : 28,2
Диаметр центрирования [мм] : 66
Количество отверстий : 4
Ø фаски [мм] : 108
Диаметр отверстия [мм] : 13
Минимальная толщина [мм] : 22
Тип тормозного диска : вентилируемый
Дополнительный артикул / дополнительная информация 2 : с винтами
Сторона установки : передний мост
|
|
Тормозной диск
STELLOX 6020-3719VK-SX
Наружный диаметр [мм] : 260
Толщина тормозного диска (мм) : 24
Тип тормозного диска : вентилируемый
Сторона установки : передний мост
|
|
Тормозной диск
STELLOX 6020-3720V-SX
Наружный диаметр [мм] : 283
Толщина тормозного диска (мм) : 26
Высота [мм] : 28
Диаметр центрирования [мм] : 66
Количество отверстий : 4
Ø фаски [мм] : 108
Диаметр отверстия [мм] : 13
Минимальная толщина [мм] : 24
Тип тормозного диска : вентилируемый
Дополнительный артикул / дополнительная информация 2 : с винтами
Сторона установки : передний мост
|
|
Тормозной диск
STELLOX 6020-3720VK-SX
Наружный диаметр [мм] : 283
Толщина тормозного диска (мм) : 26
Тип тормозного диска : вентилируемый
Сторона установки : передний мост
|
|
Тормозной диск
STELLOX 6020-3721-SX
Наружный диаметр [мм] : 290
Толщина тормозного диска (мм) : 10
Высота [мм] : 60
Диаметр центрирования [мм] : 71
Количество отверстий : 4
Ø фаски [мм] : 108
Диаметр отверстия [мм] : 13
Минимальная толщина [мм] : 8
Тип тормозного диска : цельный
Дополнительный артикул / дополнительная информация 2 : с винтами
Сторона установки : Задний мост
|
|
Тормозной диск
STELLOX 6020-3721K-SX
Наружный диаметр [мм] : 290
Толщина тормозного диска (мм) : 10
Тип тормозного диска : цельный
Сторона установки : Задний мост
|
|
Тормозной диск
SWAG 62 91 0678
Толщина тормозного диска (мм) : 24
Число отверстий в диске колеса : 4
Количество крепежных отверстий : 2
Толщина [мм] : 31
Наружный диаметр [мм] : 260
Ø фаски [мм] : 108
Поверхность : с покрытием
Тип тормозного диска : вентилируемый
Сторона установки : передний мост
Минимальная толщина [мм] : 22
Диаметр центрирования [мм] : 66
|
|
Тормозной диск
SWAG 62 92 1122
Толщина тормозного диска (мм) : 10
Число отверстий в диске колеса : 4
Количество крепежных отверстий : 3
Толщина [мм] : 60
Наружный диаметр [мм] : 290,2
Ø фаски [мм] : 108
Поверхность : с покрытием
Тип тормозного диска : цельный
Сторона установки : Задний мост
Минимальная толщина [мм] : 8
Диаметр центрирования [мм] : 71
|
|
Тормозной диск
TEXTAR 92078603
Тип тормозного диска : с внешней вентиляцией
Наружный диаметр [мм] : 260
Толщина тормозного диска (мм) : 24
Высота [мм] : 28,2
Минимальная толщина [мм] : 22
Поверхность : с покрытием
Внутренний диаметр : 133,2
Ø фаски [мм] : 108
Диаметр центрирования [мм] : 66
Расположение/число отверстий : 04/06
Диаметр отверстия под шпильку колеса [мм] : 12,9
Дополнительный артикул / дополнительная информация 2 : без ступицы
Дополнительный артикул / дополнительная информация 2 : без колесного подшипника
Дополнительный артикул / дополнительная информация 2 : без колесной крепящей оси
Длина упаковки [см] : 27,8
Ширина упаковки [см] : 27,8
Высота упаковки [см] : 8,4
Вес [кг] : 5,5
|
|
Тормозной диск
TEXTAR 92080703
Тип тормозного диска : цельный
Наружный диаметр [мм] : 290
Толщина тормозного диска (мм) : 10
Высота [мм] : 60
Минимальная толщина [мм] : 8
Поверхность : с покрытием
Внутренний диаметр : 185
Ø фаски [мм] : 108
Диаметр центрирования [мм] : 71,1
Расположение/число отверстий : 04/07
Диаметр отверстия под шпильку колеса [мм] : 13,2
Дополнительный артикул / дополнительная информация 2 : без ступицы
Дополнительный артикул / дополнительная информация 2 : без колесного подшипника
Дополнительный артикул / дополнительная информация 2 : без колесной крепящей оси
Длина упаковки [см] : 31,3
Ширина упаковки [см] : 31,3
Высота упаковки [см] : 14
Вес [кг] : 5,2
|
|
Тормозной диск
TOMEX Brakes TX 71-48
Сторона установки : Задний мост
Тип тормозного диска : цельный
Толщина тормозного диска (мм) : 10
Наружный диаметр [мм] : 291
Высота [мм] : 60
Количество отверстий : 4
Диаметр центрирования [мм] : 71
Ø фаски [мм] : 108
Поверхность : лакированный
Диаметр барабана [мм] : 185
Минимальная толщина [мм] : 8
|
|
Тормозной диск
TRISCAN 8120 28107C
Наружный диаметр [мм] : 260
Тип тормозного диска : вентилируемый
Количество отверстий : 4
Толщина тормозного диска (мм) : 24
|
|
Тормозной диск
TRISCAN 8120 28109C
Наружный диаметр [мм] : 290
Тип тормозного диска : цельный
Количество отверстий : 4
Толщина тормозного диска (мм) : 10
|
|
Тормозной диск
TRUSTING DF189
проверочное значение : ECE-R90
Высота [мм] : 60
Тип тормозного диска : цельный
Толщина тормозного диска (мм) : 10
Наружный диаметр [мм] : 290,3
Количество отверстий : 4
Диаметр центрирования [мм] : 71
Поверхность : лакированный
|
|
Тормозной диск
TRUSTING DF474
проверочное значение : ECE-R90
Высота [мм] : 28
Тип тормозного диска : вентилируемый
Толщина тормозного диска (мм) : 24
Наружный диаметр [мм] : 260
Количество отверстий : 4
Диаметр центрирования [мм] : 66
|
|
Тормозной диск
TRW DF2781
Поверхность : лакированный
Тип тормозного диска : цельный
Наружный диаметр [мм] : 291
Толщина тормозного диска (мм) : 10
Минимальная толщина [мм] : 8
Диаметр центрирования [мм] : 71
Высота [мм] : 60
Количество отверстий : 4
Размер резьбы : 13
Ø фаски [мм] : 108
Диаметр барабана [мм] : 185
Цвет : чёрный
Дополнительный артикул / дополнительная информация 2 : с винтами
проверочное значение : E1 90R-02 C0204/0559
SVHC : Нет информации, обратитесь, пожалуйста, к производителю!
|
|
Тормозной диск
TRW DF2782
Поверхность : лакированный
Тип тормозного диска : вентилируемый
Наружный диаметр [мм] : 260
Толщина тормозного диска (мм) : 24
Минимальная толщина [мм] : 22
Диаметр центрирования [мм] : 66
Высота [мм] : 28,4
Количество отверстий : 4
Размер резьбы : 12,8
Ø фаски [мм] : 108
Цвет : чёрный
SVHC : Нет информации, обратитесь, пожалуйста, к производителю!
|
|
Тормозной диск
VAICO V42-40011
Сторона установки : Задний мост
Высота ступицы тормозного диска [мм] : 50
Число отверстий в диске колеса : 4
Высота [мм] : 60
Тип тормозного диска : цельный
Толщина тормозного диска (мм) : 10
Минимальная толщина [мм] : 8
Наружный диаметр [мм] : 290,5
Диаметр центрирования [мм] : 71
Ø фаски [мм] : 108
|
|
Тормозной диск
VAICO V42-80009
Сторона установки : передний мост
Число отверстий в диске колеса : 4
Высота [мм] : 28
Тип тормозного диска : вентилируемый
Толщина тормозного диска (мм) : 24
Минимальная толщина [мм] : 22
Наружный диаметр [мм] : 260
Диаметр центрирования [мм] : 66
Ø фаски [мм] : 108
Высота ступицы тормозного диска [мм] : 4
|
|
Тормозной диск
WOKING D6449.10
проверочное значение : K.B.A.: 61209
Сторона установки : передний мост
Диаметр [мм] : 260
Толщина тормозного диска (мм) : 24
Минимальная толщина [мм] : 22
Высота [мм] : 28,2
Диаметр центрирования [мм] : 66
Количество отверстий : 4
Тип тормозного диска : вентилируемый
Вес [кг] : 5,49
Наружный диаметр [мм] : 260
|
|
Тормозной диск
WOKING D6486.10
проверочное значение : K.B.A.: 61209
Сторона установки : передний мост
Диаметр [мм] : 283
Толщина тормозного диска (мм) : 26
Минимальная толщина [мм] : 24
Высота [мм] : 28,2
Диаметр центрирования [мм] : 66
Количество отверстий : 4
Тип тормозного диска : вентилируемый
Вес [кг] : 6,73
Наружный диаметр [мм] : 283
|
|
Тормозной диск
ZEKKERT BS-5229
Тип тормозного диска : вентилируемый
Наружный диаметр [мм] : 260
Высота [мм] : 28
Толщина тормозного диска (мм) : 24
Минимальная толщина [мм] : 22
Количество отверстий : 6
Диаметр центрирования [мм] : 66,1
Диаметр расположения крепёжных отверстий ступицы [мм] : 108
Номера артикулов рекомендуемых комплектующих : CP-1105
Номера артикулов рекомендуемых комплектующих : CP-1205
Номера артикулов рекомендуемых комплектующих : CP-1305
Номера артикулов рекомендуемых комплектующих : CP-1965
Номера артикулов рекомендуемых комплектующих : FK-2005
Номера артикулов рекомендуемых комплектующих : FK-2010
Вес [кг] : 5,6
|
|
Тормозной диск
ZEKKERT BS-5230
Тип тормозного диска : цельный
Наружный диаметр [мм] : 291
Высота [мм] : 60
Толщина тормозного диска (мм) : 10
Минимальная толщина [мм] : 8
Количество отверстий : 7
Диаметр центрирования [мм] : 71,1
Диаметр расположения крепёжных отверстий ступицы [мм] : 153
Номера артикулов рекомендуемых комплектующих : CP-1105
Номера артикулов рекомендуемых комплектующих : CP-1205
Номера артикулов рекомендуемых комплектующих : CP-1305
Номера артикулов рекомендуемых комплектующих : CP-1965
Номера артикулов рекомендуемых комплектующих : FK-2005
Номера артикулов рекомендуемых комплектующих : FK-2010
Вес [кг] : 5,62
|
|
Тормозной диск
ZIMMERMANN 180.3012.20
Сторона установки : передний мост
Тип тормозного диска : с внешней вентиляцией
Поверхность : с покрытием
Наружный диаметр [мм] : 282
Толщина тормозного диска (мм) : 26
Высота [мм] : 28
Число отверстий в диске колеса : 4
Ø фаски [мм] : 108
Диаметр центрирования [мм] : 66
проверочное значение : ECE R90 APPROVED
Минимальная толщина [мм] : 24
Расположение/число отверстий : 6/4
Вес [кг] : 6,5
|
|
Тормозной диск
ZIMMERMANN 180.3012.52
Сторона установки : передний мост
Тип тормозного диска : с внешней вентиляцией
Тип тормозного диска : перфорированный
Поверхность : с покрытием
Наружный диаметр [мм] : 282
Толщина тормозного диска (мм) : 26
Высота [мм] : 28
Число отверстий в диске колеса : 4
Ø фаски [мм] : 108
Диаметр центрирования [мм] : 66
проверочное значение : ECE R90 APPROVED
Минимальная толщина [мм] : 24
Расположение/число отверстий : 6/4
Вес [кг] : 6,5
|