|
Изображение |
Описание |
|
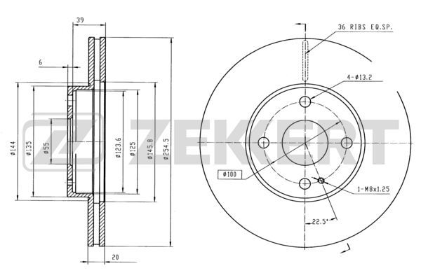
Тормозной диск
A.B.S. 16458
Наружный диаметр [мм] : 255
Толщина тормозного диска (мм) : 20
Минимальная толщина [мм] : 18
Высота [мм] : 45
Число отверстий в диске колеса : 4
Тип тормозного диска : вентилируемый
Диаметр центрирования [мм] : 55
Ø фаски [мм] : 100
Поверхность : с покрытием
Диаметр ступицы [мм] : 135
|
|
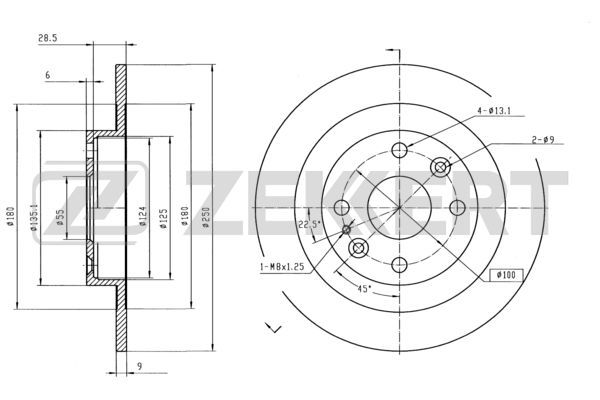
Тормозной диск
A.B.S. 17098
Наружный диаметр [мм] : 270
Толщина тормозного диска (мм) : 22
Минимальная толщина [мм] : 20
Высота [мм] : 46
Число отверстий в диске колеса : 4
Тип тормозного диска : вентилируемый
Диаметр центрирования [мм] : 55
Ø фаски [мм] : 100
Поверхность : с покрытием
Диаметр ступицы [мм] : 135
|
|
Тормозной диск
A.B.S. 16088
Наружный диаметр [мм] : 250
Толщина тормозного диска (мм) : 9
Минимальная толщина [мм] : 8
Высота [мм] : 34,5
Число отверстий в диске колеса : 4
Тип тормозного диска : цельный
Диаметр центрирования [мм] : 55
Ø фаски [мм] : 100
Диаметр ступицы [мм] : 135
|
|
Тормозной диск
A.B.S. 17097
Наружный диаметр [мм] : 276
Толщина тормозного диска (мм) : 10
Минимальная толщина [мм] : 8
Высота [мм] : 35
Число отверстий в диске колеса : 4
Тип тормозного диска : цельный
Диаметр центрирования [мм] : 55
Ø фаски [мм] : 100
Поверхность : с покрытием
Диаметр ступицы [мм] : 135
|
|
Тормозной диск
ABE C33064ABE
Толщина [мм] : 20
Высота [мм] : 45
Тип тормозного диска : вентилируемый
Толщина тормозного диска (мм) : 20
Минимальная толщина [мм] : 18
Материал : Серый чугун
Количество отверстий : 4
Диаметр центрирования [мм] : 55
Сторона установки : передний мост
Наружный диаметр [мм] : 255
|
|
Тормозной диск
ABE C43008ABE
Толщина [мм] : 9
Высота [мм] : 34,5
Тип тормозного диска : цельный
Толщина тормозного диска (мм) : 9
Минимальная толщина [мм] : 8
Количество отверстий : 4
Диаметр центрирования [мм] : 55
Сторона установки : Задний мост
Наружный диаметр [мм] : 250
|
|
Тормозной диск
ABE C43048ABE
Сторона установки : Задний мост
Сторона установки : передний мост слева
Сторона установки : передний мост справа
Тип тормозного диска : цельный
Поверхность : промасленный
Высота [мм] : 35
Минимальная толщина [мм] : 8
Количество отверстий : 4
Диаметр центрирования [мм] : 55
Наружный диаметр [мм] : 276
Толщина тормозного диска (мм) : 10
|
|
Тормозной диск
ACKOJA A32-40004
Тип тормозного диска : цельный
Толщина тормозного диска (мм) : 9
Наружный диаметр [мм] : 251
Сторона установки : Задний мост
Диаметр центрирования [мм] : 55
Ø фаски [мм] : 100
выполняет нормы ЕЭК : R90
Высота [мм] : 34,5
Диаметр отверстия [мм] : 13
Размер резьбы : 13
Минимальная толщина [мм] : 8
Внутренний диаметр : 125
Количество отверстий : 4
|
|
Тормозной диск
ACKOJA A32-80009
Высота ступицы тормозного диска [мм] : 24,9
Число отверстий в диске колеса : 4
Высота [мм] : 34,9
Тип тормозного диска : цельный
Толщина тормозного диска (мм) : 10
Минимальная толщина [мм] : 8
Наружный диаметр [мм] : 276
Диаметр центрирования [мм] : 55
Ø фаски [мм] : 100
|
|
Тормозной диск
ACKOJA A32-80010
Число отверстий в диске колеса : 4
Высота [мм] : 46
Тип тормозного диска : вентилируемый
Толщина тормозного диска (мм) : 22
Минимальная толщина [мм] : 20
Наружный диаметр [мм] : 270
Диаметр центрирования [мм] : 55
Ø фаски [мм] : 100
Высота ступицы тормозного диска [мм] : 24
|
|
Тормозной диск
ACKOJA A32-80014
Число отверстий в диске колеса : 4
Высота [мм] : 45
Тип тормозного диска : вентилируемый
Толщина тормозного диска (мм) : 20
Минимальная толщина [мм] : 18
Наружный диаметр [мм] : 255
Диаметр центрирования [мм] : 55
Ø фаски [мм] : 100
Высота ступицы тормозного диска [мм] : 25
|
|
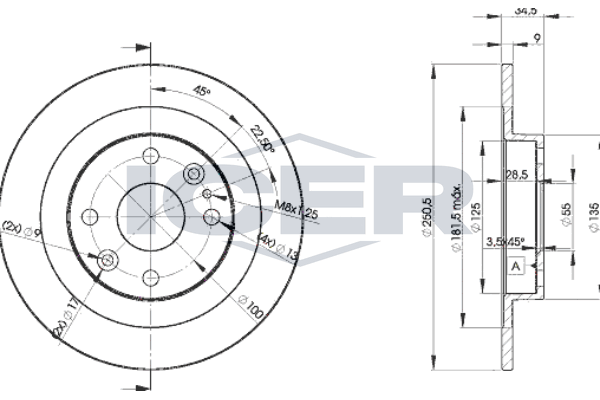
Тормозной диск
AP 25413
Диаметр центрирования [мм] : 55
Наружный диаметр [мм] : 270
Количество отверстий : 4
Толщина тормозного диска (мм) : 22
Минимальная толщина [мм] : 20
Высота [мм] : 46
Тип тормозного диска : вентилируемый
|
|
Тормозной диск
AP 25413 V
Поверхность : с покрытием
Минимальная толщина [мм] : 20
Высота [мм] : 46
Тип тормозного диска : вентилируемый
Диаметр центрирования [мм] : 55
Наружный диаметр [мм] : 270
Количество отверстий : 4
Толщина тормозного диска (мм) : 22
|
|
Тормозной диск
AP 24728
Высота [мм] : 45
Тип тормозного диска : вентилируемый
Диаметр центрирования [мм] : 55
Наружный диаметр [мм] : 255
Количество отверстий : 4
Толщина тормозного диска (мм) : 20
Момент затяжки [Нм] : 98
Минимальная толщина [мм] : 18
|
|
Тормозной диск
AP 24728 V
Диаметр центрирования [мм] : 55
Наружный диаметр [мм] : 255
Количество отверстий : 4
Толщина тормозного диска (мм) : 20
Момент затяжки [Нм] : 98
Минимальная толщина [мм] : 18
Поверхность : с покрытием
Высота [мм] : 45
Тип тормозного диска : вентилируемый
|
|
Тормозной диск
AP 15040
Наружный диаметр [мм] : 276
Количество отверстий : 4
Толщина тормозного диска (мм) : 10
Дополнительный артикул / дополнительная информация 2 : с винтами
Минимальная толщина [мм] : 8
Высота [мм] : 35
Тип тормозного диска : цельный
Диаметр центрирования [мм] : 55
|
|
Тормозной диск
AP 15040 V
Поверхность : с покрытием
Минимальная толщина [мм] : 8
Дополнительный артикул / дополнительная информация 2 : с винтами
Высота [мм] : 35
Тип тормозного диска : цельный
Диаметр центрирования [мм] : 55
Наружный диаметр [мм] : 276
Количество отверстий : 4
Толщина тормозного диска (мм) : 10
|
|
Тормозной диск
AP 14606
Высота [мм] : 35
Тип тормозного диска : цельный
Диаметр центрирования [мм] : 55
Наружный диаметр [мм] : 250
Количество отверстий : 4
Толщина тормозного диска (мм) : 9
Момент затяжки [Нм] : 103
Минимальная толщина [мм] : 8
|
|
Тормозной диск
ASHIKA 60-03-315C
Сторона установки : передний мост
Ø фаски [мм] : 55
Высота [мм] : 46,3
Наружный диаметр [мм] : 269,5
Толщина тормозного диска (мм) : 22
Минимальная толщина [мм] : 20
Число отверстий : 4
Тип тормозного диска : вентилируемый
Поверхность : лакированный
для оригинального номера : N0YY3325X
|
|
Тормозной диск
ASHIKA 60-03-358C
Сторона установки : передний мост
Ø фаски [мм] : 55
Высота [мм] : 45
Наружный диаметр [мм] : 255
Толщина тормозного диска (мм) : 20
Минимальная толщина [мм] : 18
Число отверстий : 4
Тип тормозного диска : вентилируемый
проверочное значение : ECE R90 APPROVED
Поверхность : лакированный
Момент затяжки [Нм] : 98
для оригинального номера : B01C3325X
|
|
Тормозной диск
ASHIKA 61-03-308C
Сторона установки : Задний мост
Ø фаски [мм] : 55
Высота [мм] : 35
Наружный диаметр [мм] : 250
Толщина тормозного диска (мм) : 9
Минимальная толщина [мм] : 8
Число отверстий : 4
Тип тормозного диска : цельный
проверочное значение : ECE R90 APPROVED
Поверхность : лакированный
Момент затяжки [Нм] : 103
для оригинального номера : BB4C26251C
|
|
Тормозной диск
ASHIKA 61-03-325C
Сторона установки : Задний мост
Ø фаски [мм] : 55
Высота [мм] : 35
Наружный диаметр [мм] : 275,5
Толщина тормозного диска (мм) : 10
Минимальная толщина [мм] : 9
Число отверстий : 4
Тип тормозного диска : цельный
Поверхность : лакированный
для оригинального номера : N0YY26251B
|
|
Тормозной диск
ATE 24.0109-0131.1
Наружный диаметр [мм] : 251
Толщина тормозного диска (мм) : 9
Минимальная толщина [мм] : 8
Тип тормозного диска : цельный
Поверхность : с покрытием
Количество отверстий : 4
Ø фаски [мм] : 100
Высота [мм] : 34,5
Диаметр центрирования [мм] : 55
Внутренний диаметр : 125
Диаметр отверстия [мм] : 13
проверочное значение : E1 90R-02C0165/1006
Код MAPP в наличии :
|
|
Тормозной диск
ATE 24.0110-0307.1
Наружный диаметр [мм] : 276
Толщина тормозного диска (мм) : 10
Минимальная толщина [мм] : 8
Тип тормозного диска : цельный
Поверхность : с покрытием
Количество отверстий : 4
Ø фаски [мм] : 100
Высота [мм] : 34,9
Диаметр центрирования [мм] : 55
Внутренний диаметр : 125
Диаметр отверстия [мм] : 13
Код MAPP в наличии :
проверочное значение : E1 90R-02C0165/0711
|
|
Тормозной диск
ATE 24.0120-0169.1
Наружный диаметр [мм] : 255
Толщина тормозного диска (мм) : 20
Минимальная толщина [мм] : 18
Тип тормозного диска : вентилируемый
Поверхность : с покрытием
Количество отверстий : 4
Код MAPP в наличии :
Высота [мм] : 45
Диаметр центрирования [мм] : 55
Внутренний диаметр : 125
Ø фаски [мм] : 100
Диаметр отверстия [мм] : 13
проверочное значение : E1 90R-02C0115/0146
|
|
Тормозной диск
ATE 24.0122-0235.1
Наружный диаметр [мм] : 270
Толщина тормозного диска (мм) : 22
Минимальная толщина [мм] : 20
Тип тормозного диска : вентилируемый
Поверхность : с покрытием
Количество отверстий : 4
Код MAPP в наличии :
Ø фаски [мм] : 100
Высота [мм] : 46
Диаметр центрирования [мм] : 55
Внутренний диаметр : 125
Диаметр отверстия [мм] : 13
проверочное значение : E1 90R-02C0115/0556
|
|
Тормозной диск
BLUE PRINT ADM54328
Толщина тормозного диска (мм) : 9
Число отверстий в диске колеса : 4
Количество крепежных отверстий : 3
Толщина [мм] : 35
Наружный диаметр [мм] : 251
Ø фаски [мм] : 100
Поверхность : с покрытием
Тип тормозного диска : цельный
Сторона установки : Задний мост
Минимальная толщина [мм] : 8
Диаметр центрирования [мм] : 55
Соблюдать сервисную информацию :
|
|
Тормозной диск
BLUE PRINT ADM54348
Толщина тормозного диска (мм) : 19,8
Число отверстий в диске колеса : 4
Толщина [мм] : 47
Наружный диаметр [мм] : 255
Ø фаски [мм] : 100
Поверхность : с покрытием
Тип тормозного диска : вентилируемый
Сторона установки : передний мост
Минимальная толщина [мм] : 18
Диаметр центрирования [мм] : 55
Соблюдать сервисную информацию :
|
|
Тормозной диск
BLUE PRINT ADM54374
Толщина тормозного диска (мм) : 10
Число отверстий в диске колеса : 4
Количество крепежных отверстий : 1
Толщина [мм] : 35
Наружный диаметр [мм] : 276
Ø фаски [мм] : 100
Поверхность : с покрытием
Тип тормозного диска : цельный
Сторона установки : Задний мост
Минимальная толщина [мм] : 8
Диаметр центрирования [мм] : 55
Соблюдать сервисную информацию :
|
|
Тормозной диск
BLUE PRINT ADM54386
Толщина тормозного диска (мм) : 22
Число отверстий в диске колеса : 4
Толщина [мм] : 46
Внутренний диаметр : 125
Наружный диаметр [мм] : 270
Ø фаски [мм] : 100
Поверхность : с покрытием
Тип тормозного диска : вентилируемый
Сторона установки : передний мост
Минимальная толщина [мм] : 20
Диаметр центрирования [мм] : 55
Соблюдать сервисную информацию :
|
|
Тормозной диск
BORG & BECK BBD4153
Тип тормозного диска : вентилируемый
Наружный диаметр [мм] : 255
Толщина тормозного диска (мм) : 20
Высота [мм] : 45
Диаметр центрирования [мм] : 55
Количество крепежных отверстий : 1
Количество отверстий : 4
Количественная единица : комплект
Поверхность : с покрытием
проверочное значение : ECE R90 Homologated
Минимальная толщина [мм] : 18
|
|
Тормозной диск
BORG & BECK BBD4994
Тип тормозного диска : цельный
Наружный диаметр [мм] : 250
Толщина тормозного диска (мм) : 9
Высота [мм] : 34
Диаметр центрирования [мм] : 55
Количество крепежных отверстий : 3
Количество отверстий : 4
Количественная единица : комплект
Поверхность : с покрытием
проверочное значение : ECE R90 Homologated
Минимальная толщина [мм] : 8
|
|
Тормозной диск
BOSCH 0 986 478 701
Наружный диаметр [мм] : 250,5
Толщина тормозного диска (мм) : 9
Минимальная толщина [мм] : 8
Высота [мм] : 34,5
Ø фаски [мм] : 100
Тип тормозного диска : цельный
Диаметр центрирования [мм] : 55,02
Количество отверстий : 4
Поверхность : промасленный
Дополнительный артикул / дополнительная информация 2 : с винтами
выполняет нормы ЕЭК : ECE-R90
Диаметр отверстия до [мм] : 13
|
|
Тормозной диск
BOSCH 0 986 478 996
Наружный диаметр [мм] : 255
Толщина тормозного диска (мм) : 20
Минимальная толщина [мм] : 18
Высота [мм] : 45,1
Ø фаски [мм] : 100
Тип тормозного диска : вентилируемый
Диаметр центрирования [мм] : 55
Количество отверстий : 4
Поверхность : промасленный
Диаметр отверстия до [мм] : 13
Тип тормозного диска : вентилируемый
|
|
Тормозной диск
BOSCH 0 986 479 472
Наружный диаметр [мм] : 270
Толщина тормозного диска (мм) : 22
Минимальная толщина [мм] : 20
Высота [мм] : 46
Ø фаски [мм] : 100
Тип тормозного диска : вентилируемый
Диаметр центрирования [мм] : 55
Количество отверстий : 4
Поверхность : промасленный
выполняет нормы ЕЭК : ECE-R90
Диаметр отверстия до [мм] : 13
|
|
Тормозной диск
BOSCH 0 986 479 473
Наружный диаметр [мм] : 276
Толщина тормозного диска (мм) : 10
Минимальная толщина [мм] : 8
Высота [мм] : 35
Ø фаски [мм] : 100
Тип тормозного диска : цельный
Диаметр центрирования [мм] : 55
Количество отверстий : 4
Поверхность : промасленный
выполняет нормы ЕЭК : ECE-R90
Диаметр отверстия до [мм] : 13,1
|
|
Тормозной диск
BRECO BS 9023
Тип тормозного диска : вентилируемый
Диаметр центрирования [мм] : 55
Наружный диаметр [мм] : 270
Количество отверстий : 4
Толщина тормозного диска (мм) : 22
Минимальная толщина [мм] : 20
Высота [мм] : 46
|
|
Тормозной диск
BRECO BV 9023
Высота [мм] : 46
Тип тормозного диска : вентилируемый
Диаметр центрирования [мм] : 55
Наружный диаметр [мм] : 270
Количество отверстий : 4
Толщина тормозного диска (мм) : 22
Поверхность : с покрытием
Минимальная толщина [мм] : 20
|
|
Тормозной диск
BRECO BS 8319
Минимальная толщина [мм] : 18
Высота [мм] : 45
Тип тормозного диска : вентилируемый
Диаметр центрирования [мм] : 55
Наружный диаметр [мм] : 255
Количество отверстий : 4
Толщина тормозного диска (мм) : 20
Момент затяжки [Нм] : 98
|
|
Тормозной диск
BRECO BV 8319
Толщина тормозного диска (мм) : 20
Момент затяжки [Нм] : 98
Минимальная толщина [мм] : 18
Поверхность : с покрытием
Высота [мм] : 45
Тип тормозного диска : вентилируемый
Диаметр центрирования [мм] : 55
Наружный диаметр [мм] : 255
Количество отверстий : 4
|
|
Тормозной диск
BRECO BS 6032
Высота [мм] : 35
Тип тормозного диска : цельный
Диаметр центрирования [мм] : 55
Наружный диаметр [мм] : 276
Количество отверстий : 4
Толщина тормозного диска (мм) : 10
Дополнительный артикул / дополнительная информация 2 : с винтами
Минимальная толщина [мм] : 8
|
|
Тормозной диск
BRECO BV 6032
Поверхность : с покрытием
Минимальная толщина [мм] : 8
Дополнительный артикул / дополнительная информация 2 : с винтами
Высота [мм] : 35
Тип тормозного диска : цельный
Диаметр центрирования [мм] : 55
Наружный диаметр [мм] : 276
Количество отверстий : 4
Толщина тормозного диска (мм) : 10
|
|
Тормозной диск
BRECO BS 7517
Количество отверстий : 4
Толщина тормозного диска (мм) : 9
Момент затяжки [Нм] : 103
Минимальная толщина [мм] : 8
Высота [мм] : 35
Тип тормозного диска : цельный
Диаметр центрирования [мм] : 55
Наружный диаметр [мм] : 250
|
|
Тормозной диск
BREMBO 09.C136.10
Тип тормозного диска : вентилируемый
Толщина тормозного диска (мм) : 22
Количество отверстий : 4
Высота [мм] : 46
Диаметр центрирования [мм] : 55
Наружный диаметр [мм] : 270
Минимальная толщина [мм] : 20
|
|
Тормозной диск
BREMBO 09.C136.11
Тип тормозного диска : вентилируемый
Толщина тормозного диска (мм) : 22
Количество отверстий : 4
Высота [мм] : 46
Диаметр центрирования [мм] : 55
Наружный диаметр [мм] : 270
Поверхность : с покрытием
Минимальная толщина [мм] : 20
|
|
Тормозной диск
BREMBO 09.7379.10
Тип тормозного диска : вентилируемый
Толщина тормозного диска (мм) : 20
Количество отверстий : 4
Высота [мм] : 45
Диаметр центрирования [мм] : 55
Наружный диаметр [мм] : 255
Минимальная толщина [мм] : 18
Момент затяжки [Нм] : 98
|
|
Тормозной диск
BREMBO 09.7379.11
Тип тормозного диска : вентилируемый
Толщина тормозного диска (мм) : 20
Количество отверстий : 4
Высота [мм] : 45
Диаметр центрирования [мм] : 55
Наружный диаметр [мм] : 255
Поверхность : с покрытием
Минимальная толщина [мм] : 18
Момент затяжки [Нм] : 98
|
|
Тормозной диск
BREMBO 08.C135.10
Тип тормозного диска : цельный
Толщина тормозного диска (мм) : 10
Количество отверстий : 4
Дополнительный артикул / дополнительная информация 2 : с винтами
Высота [мм] : 35
Диаметр центрирования [мм] : 55
Наружный диаметр [мм] : 276
Минимальная толщина [мм] : 8
|
|
Тормозной диск
BREMBO 08.C135.11
Тип тормозного диска : цельный
Толщина тормозного диска (мм) : 10
Количество отверстий : 4
Дополнительный артикул / дополнительная информация 2 : с винтами
Высота [мм] : 35
Диаметр центрирования [мм] : 55
Наружный диаметр [мм] : 276
Поверхность : с покрытием
Минимальная толщина [мм] : 8
|
|
Тормозной диск
BREMBO 08.6857.10
Тип тормозного диска : цельный
Толщина тормозного диска (мм) : 9
Количество отверстий : 4
Высота [мм] : 35
Диаметр центрирования [мм] : 55
Наружный диаметр [мм] : 250
Минимальная толщина [мм] : 8
Момент затяжки [Нм] : 103
|
|
Тормозной диск
BREMSI CD6523S
Сторона установки : Задний мост
Наружный диаметр [мм] : 250
Высота [мм] : 34,5
Тип тормозного диска : цельный
Толщина тормозного диска (мм) : 9
Минимальная толщина [мм] : 8
Количество отверстий : 4
Диаметр центрирования [мм] : 55
|
|
Тормозной диск
BREMSI CD6975V
Сторона установки : передний мост
Наружный диаметр [мм] : 255
Высота [мм] : 45
Тип тормозного диска : вентилируемый
Толщина тормозного диска (мм) : 20
Минимальная толщина [мм] : 18
Количество отверстий : 4
Диаметр центрирования [мм] : 55
|
|
Тормозной диск
BREMSI CD7839V
Сторона установки : передний мост
Наружный диаметр [мм] : 270
Высота [мм] : 46
Тип тормозного диска : вентилируемый
Толщина тормозного диска (мм) : 22
Минимальная толщина [мм] : 20
Количество отверстий : 4
Диаметр центрирования [мм] : 55
Цвет : чёрный
Поверхность : лакированный
|
|
Тормозной диск
BREMSI CD8593S
Наружный диаметр [мм] : 276
Высота [мм] : 34,9
Тип тормозного диска : цельный
Толщина тормозного диска (мм) : 10
Количество отверстий : 4
Диаметр центрирования [мм] : 13
Количество крепежных отверстий : 1
Минимальная толщина [мм] : 8
Ø фаски [мм] : 100
Диаметр отверстия 2 [мм] : 13
Сторона установки : Задний мост
Поверхность : лакированный
Цвет : чёрный
|
|
Тормозной диск
CAR 142.1210
Сторона установки : 1-й передний мост
Тип тормозного диска : цельный
Наружный диаметр [мм] : 270
Толщина тормозного диска (мм) : 22
Высота [мм] : 46
Диаметр центрирования [мм] : 55
Количество отверстий : 4
для артикула № : CAR: 142.1210
для артикула № : IB: MX 08 1V
для артикула № : RD: 3527
Минимальная толщина [мм] : 20
Вес [кг] : 5,85
|
|
Тормозной диск
CAR 142.1269
Сторона установки : 1-й задний мост
Тип тормозного диска : цельный
Наружный диаметр [мм] : 276
Толщина тормозного диска (мм) : 10
Высота [мм] : 34,9
Диаметр центрирования [мм] : 55
Количество отверстий : 4
для артикула № : CAR: 142.1269
для артикула № : IB: MX 07 1P
для артикула № : RD: 3570
Минимальная толщина [мм] : 8
Вес [кг] : 3,73
|
|
Тормозной диск
CAR 142.851
Сторона установки : 1-й передний мост
Тип тормозного диска : цельный
Наружный диаметр [мм] : 255
Толщина тормозного диска (мм) : 20
Высота [мм] : 45
Диаметр центрирования [мм] : 55
Количество отверстий : 4
для артикула № : CAR: 142.851
для артикула № : IB: MZ 76 1V
для артикула № : RD: 3460
проверочное значение : ECE R90 APPROVED
Минимальная толщина [мм] : 18
Вес [кг] : 4,83
|
|
Тормозной диск
CAR 142.861
Сторона установки : 1-й задний мост
Тип тормозного диска : цельный
Наружный диаметр [мм] : 250
Толщина тормозного диска (мм) : 9
Высота [мм] : 34,5
Диаметр центрирования [мм] : 55
Количество отверстий : 4
для артикула № : CAR: 142.861
для артикула № : IB: MZ 75 1P
для артикула № : RD: 3467
Минимальная толщина [мм] : 8
Вес [кг] : 3,1
|
|
Тормозной диск
CAR HPD 1210
Сторона установки : 1-й передний мост
Тип тормозного диска : цельный
Наружный диаметр [мм] : 270
Толщина тормозного диска (мм) : 22
Высота [мм] : 46
Диаметр центрирования [мм] : 55
Количество отверстий : 4
для артикула № : CAR: HPD 1210
для артикула № : IB: HMX 08 1V
для артикула № : RD: RR 3527
Минимальная толщина [мм] : 20
Вес [кг] : 5,5
|
|
Тормозной диск
CAR HPD 851
Сторона установки : 1-й передний мост
Тип тормозного диска : цельный
Наружный диаметр [мм] : 255
Толщина тормозного диска (мм) : 20
Высота [мм] : 45
Диаметр центрирования [мм] : 55
Количество отверстий : 4
для артикула № : CAR: HPD 851
для артикула № : IB: HMZ 76 1V
для артикула № : RD: RR 3460
проверочное значение : ECE R90 APPROVED
Минимальная толщина [мм] : 18
Вес [кг] : 4,69
|
|
Тормозной диск
CAR HPD 861
Сторона установки : 1-й задний мост
Тип тормозного диска : цельный
Наружный диаметр [мм] : 250
Толщина тормозного диска (мм) : 9
Высота [мм] : 34,5
Диаметр центрирования [мм] : 55
Количество отверстий : 4
для артикула № : CAR: HPD 861
для артикула № : IB: HMZ 75 1P
для артикула № : RD: RR 3467
Минимальная толщина [мм] : 8
Вес [кг] : 3,01
|
|
Тормозной диск
CIFAM 800-665
проверочное значение : ECE-R90
Высота [мм] : 34,5
Тип тормозного диска : цельный
Толщина тормозного диска (мм) : 9
Наружный диаметр [мм] : 250
Количество отверстий : 4
Диаметр центрирования [мм] : 55
|
|
Тормозной диск
CIFAM 800-999
проверочное значение : ECE-R90
Высота [мм] : 45,1
Тип тормозного диска : вентилируемый
Толщина тормозного диска (мм) : 20
Наружный диаметр [мм] : 255
Количество отверстий : 4
Диаметр центрирования [мм] : 55,1
|
|
Тормозной диск
COMLINE ADC0410
Тип тормозного диска : цельный
Наружный диаметр [мм] : 250
Толщина тормозного диска (мм) : 9
Высота [мм] : 34,5
Ø фаски [мм] : 100
Диаметр центрирования [мм] : 55
Количество отверстий : 4
Минимальная толщина [мм] : 8
Число отверстий : 3
|
|
Тормозной диск
COMLINE ADC0432V
Тип тормозного диска : вентилируемый
Наружный диаметр [мм] : 255
Толщина тормозного диска (мм) : 20
Высота [мм] : 45
Ø фаски [мм] : 100
Диаметр центрирования [мм] : 55
Количество отверстий : 4
Минимальная толщина [мм] : 18
Число отверстий : 1
|
|
Тормозной диск
COMLINE ADC0454
Тип тормозного диска : цельный
Наружный диаметр [мм] : 276
Толщина тормозного диска (мм) : 10
Высота [мм] : 34,7
Ø фаски [мм] : 100
Диаметр центрирования [мм] : 55
Количество отверстий : 4
Минимальная толщина [мм] : 8
|
|
Тормозной диск
COMLINE ADC4039V
Тип тормозного диска : вентилируемый
Наружный диаметр [мм] : 270
Толщина тормозного диска (мм) : 22
Высота [мм] : 46,2
Ø фаски [мм] : 100
Диаметр центрирования [мм] : 55
Количество отверстий : 4
Поверхность : с покрытием
Минимальная толщина [мм] : 20
Число отверстий : 1
|
|
Тормозной диск
DANAHER DR10149
Сторона установки : Задний мост
Тип тормозного диска : цельный
Толщина тормозного диска (мм) : 9
Наружный диаметр [мм] : 250
Высота [мм] : 34,5
Количество отверстий : 4
Диаметр центрирования [мм] : 55
|
|
Тормозной диск
DANAHER DR10406
Сторона установки : Задний мост
Тип тормозного диска : цельный
Толщина тормозного диска (мм) : 10
Наружный диаметр [мм] : 276
Высота [мм] : 35
Количество отверстий : 4
Диаметр центрирования [мм] : 55
|
|
Тормозной диск
DANAHER DR11408
Сторона установки : передний мост
Тип тормозного диска : вентилируемый
Толщина тормозного диска (мм) : 20
Наружный диаметр [мм] : 255
Высота [мм] : 45
Количество отверстий : 4
Диаметр центрирования [мм] : 55
|
|
Тормозной диск
DANAHER DR11638
Сторона установки : передний мост
Тип тормозного диска : вентилируемый
Толщина тормозного диска (мм) : 22
Наружный диаметр [мм] : 270
Высота [мм] : 46,2
Количество отверстий : 4
Диаметр центрирования [мм] : 55
|
|
Тормозной диск
DANAHER DR11691
Сторона установки : передний мост
Тип тормозного диска : вентилируемый
Толщина тормозного диска (мм) : 22
Наружный диаметр [мм] : 274
Высота [мм] : 44,9
Количество отверстий : 5
Диаметр центрирования [мм] : 72
|
|
Тормозной диск
DELPHI BG2805
Тип тормозного диска : цельный
Количество отверстий : 4
проверочное значение : E1 90R-02C0100/1608
Поверхность : промасленный
Наружный диаметр [мм] : 251
Толщина тормозного диска (мм) : 9
Минимальная толщина [мм] : 8
Диаметр центрирования [мм] : 55
Высота [мм] : 35
|
|
Тормозной диск
DELPHI BG2805C
Тип тормозного диска : цельный
Количество отверстий : 4
Наружный диаметр [мм] : 251
Толщина тормозного диска (мм) : 9
Минимальная толщина [мм] : 8
Диаметр центрирования [мм] : 55
Высота [мм] : 35
|
|
Тормозной диск
DELPHI BG3393
Тип тормозного диска : вентилируемый
Количество отверстий : 4
проверочное значение : E1 90R-02C0074/1603
Поверхность : промасленный
Наружный диаметр [мм] : 254
Толщина тормозного диска (мм) : 20
Минимальная толщина [мм] : 18
Диаметр центрирования [мм] : 55
Высота [мм] : 45
|
|
Тормозной диск
DELPHI BG3966
Тип тормозного диска : вентилируемый
Количество отверстий : 4
проверочное значение : E1 90R-02C0074/1454
Поверхность : промасленный
Наружный диаметр [мм] : 270
Толщина тормозного диска (мм) : 22
Минимальная толщина [мм] : 20
Диаметр центрирования [мм] : 55
Высота [мм] : 46,5
|
|
Тормозной диск
DELPHI BG3967
Тип тормозного диска : цельный
Количество отверстий : 4
проверочное значение : E1 90R-02C0100/1555
Поверхность : промасленный
Наружный диаметр [мм] : 276
Толщина тормозного диска (мм) : 10
Минимальная толщина [мм] : 8
Диаметр центрирования [мм] : 55
Высота [мм] : 35
|
|
Тормозной диск
DON PCD18212
Тип тормозного диска : вентилируемый
Наружный диаметр [мм] : 255
Толщина тормозного диска (мм) : 20
Высота [мм] : 44,9
Минимальная толщина [мм] : 18
Поверхность : с частичным покрытием
Внутренний диаметр : 125
Ø фаски [мм] : 100
Диаметр центрирования [мм] : 55
Расположение/число отверстий : 04/05
Диаметр отверстия под шпильку колеса [мм] : 12,9
Дополнительный артикул / дополнительная информация 2 : без ступицы
Дополнительный артикул / дополнительная информация 2 : без колесного подшипника
Дополнительный артикул / дополнительная информация 2 : без колесной крепящей оси
Длина упаковки [см] : 28,4
Ширина упаковки [см] : 28,4
Высота упаковки [см] : 10,4
Вес [кг] : 4,5
|
|
Тормозной диск
DON PCD23102
Тип тормозного диска : вентилируемый
Наружный диаметр [мм] : 270
Толщина тормозного диска (мм) : 22
Высота [мм] : 46,2
Минимальная толщина [мм] : 20
Поверхность : с частичным покрытием
Внутренний диаметр : 125
Ø фаски [мм] : 100
Диаметр центрирования [мм] : 55
Расположение/число отверстий : 04/05
Диаметр отверстия под шпильку колеса [мм] : 13,3
Дополнительный артикул / дополнительная информация 2 : без ступицы
Дополнительный артикул / дополнительная информация 2 : без колесного подшипника
Дополнительный артикул / дополнительная информация 2 : без колесной крепящей оси
Длина упаковки [см] : 28,3
Ширина упаковки [см] : 28,3
Высота упаковки [см] : 11,7
Вес [кг] : 5,9
|
|
Тормозной диск
DON PCD13942
Тип тормозного диска : цельный
Наружный диаметр [мм] : 250
Толщина тормозного диска (мм) : 9
Высота [мм] : 34,5
Минимальная толщина [мм] : 8
Поверхность : с частичным покрытием
Внутренний диаметр : 125
Ø фаски [мм] : 100
Диаметр центрирования [мм] : 55
Расположение/число отверстий : 04/07
Диаметр отверстия под шпильку колеса [мм] : 13,1
Дополнительный артикул / дополнительная информация 2 : без ступицы
Дополнительный артикул / дополнительная информация 2 : без колесного подшипника
Дополнительный артикул / дополнительная информация 2 : без колесной крепящей оси
Длина упаковки [см] : 28,4
Ширина упаковки [см] : 28,4
Высота упаковки [см] : 10,4
Вес [кг] : 3,1
|
|
Тормозной диск
DON PCD15002
Тип тормозного диска : цельный
Наружный диаметр [мм] : 276
Толщина тормозного диска (мм) : 10
Высота [мм] : 35
Минимальная толщина [мм] : 8
Поверхность : с частичным покрытием
Внутренний диаметр : 125
Ø фаски [мм] : 100
Диаметр центрирования [мм] : 55
Расположение/число отверстий : 04/05
Диаметр отверстия под шпильку колеса [мм] : 13
Дополнительный артикул / дополнительная информация 2 : без ступицы
Дополнительный артикул / дополнительная информация 2 : без колесного подшипника
Дополнительный артикул / дополнительная информация 2 : без колесной крепящей оси
Длина упаковки [см] : 31
Ширина упаковки [см] : 31
Высота упаковки [см] : 8,3
Вес [кг] : 3,9
|
|
Тормозной диск
DR!VE+ DP1010.11.1797
Тип тормозного диска : цельный
Толщина тормозного диска (мм) : 9
Наружный диаметр [мм] : 251
|
|
Тормозной диск
EBC Brakes D639
Тип тормозного диска : цельный
Толщина тормозного диска (мм) : 8
Толщина тормозного диска (мм) : 9
Количество отверстий : 4
Высота [мм] : 34
Наружный диаметр [мм] : 252
Материал : Серый чугун
|
|
Тормозной диск
EBC Brakes D799
Тип тормозного диска : вентилируемый
Толщина тормозного диска (мм) : 18
Толщина тормозного диска (мм) : 20
Количество отверстий : 4
Высота [мм] : 45
Наружный диаметр [мм] : 254
Материал : Серый чугун
|
|
Тормозной диск
EBC Brakes GD639
Тип тормозного диска : цельный
Толщина тормозного диска (мм) : 8
Толщина тормозного диска (мм) : 9
Количество отверстий : 4
Высота [мм] : 34
Наружный диаметр [мм] : 252
Материал : Серый чугун
|
|
Тормозной диск
EBC Brakes GD799
Тип тормозного диска : вентилируемый
Толщина тормозного диска (мм) : 18
Толщина тормозного диска (мм) : 20
Количество отверстий : 4
Высота [мм] : 45
Наружный диаметр [мм] : 254
Материал : Серый чугун
|
|
Тормозной диск
EBC Brakes USR639
Тип тормозного диска : цельный
Толщина тормозного диска (мм) : 8
Толщина тормозного диска (мм) : 9
Количество отверстий : 4
Высота [мм] : 34
Наружный диаметр [мм] : 252
Материал : Серый чугун
|
|
Тормозной диск
EBC Brakes USR799
Тип тормозного диска : вентилируемый
Толщина тормозного диска (мм) : 18
Толщина тормозного диска (мм) : 20
Количество отверстий : 4
Высота [мм] : 45
Наружный диаметр [мм] : 254
Материал : Серый чугун
|
|
Тормозной диск
EUROBRAKE 5815203237
Наружный диаметр [мм] : 255
Толщина тормозного диска (мм) : 20
Минимальная толщина [мм] : 18
Высота [мм] : 45
Число отверстий в диске колеса : 4
Тип тормозного диска : вентилируемый
Диаметр центрирования [мм] : 55
Поверхность : промасленный
Вес нетто [кг] : 4,48
|
|
Тормозной диск
EUROBRAKE 5815313290
Наружный диаметр [мм] : 270
Толщина тормозного диска (мм) : 22
Минимальная толщина [мм] : 20
Высота [мм] : 46
Число отверстий в диске колеса : 4
Тип тормозного диска : вентилируемый
Диаметр центрирования [мм] : 55
Поверхность : с покрытием
Вес нетто [кг] : 11,8
|
|
Тормозной диск
EUROBRAKE 5815203231
Наружный диаметр [мм] : 251
Толщина тормозного диска (мм) : 9
Минимальная толщина [мм] : 8
Высота [мм] : 34,5
Число отверстий в диске колеса : 4
Тип тормозного диска : цельный
Диаметр центрирования [мм] : 55
Поверхность : промасленный
Вес нетто [кг] : 3,05
|
|
Тормозной диск
EUROBRAKE 5815313297
Наружный диаметр [мм] : 276
Толщина тормозного диска (мм) : 10
Минимальная толщина [мм] : 8
Высота [мм] : 35
Число отверстий в диске колеса : 4
Тип тормозного диска : цельный
Диаметр центрирования [мм] : 55
Поверхность : с покрытием
Вес нетто [кг] : 7,52
|
|
Тормозной диск
EUROREPAR 1642756580
Тип тормозного диска : вентилируемый
Дополнительный артикул / дополнительная информация 2 : без кольца сенсора ABS
Наружный диаметр [мм] : 254,6
Толщина тормозного диска (мм) : 19,9
Высота [мм] : 44,9
Диаметр центрирования [мм] : 55,1
Ø фаски [мм] : 100
Количество отверстий : 4
Минимальная толщина [мм] : 18
|
|
Тормозной диск
EUROREPAR 1618889180
Тип тормозного диска : цельный
Дополнительный артикул / дополнительная информация 2 : без кольца сенсора ABS
Наружный диаметр [мм] : 279,7
Толщина тормозного диска (мм) : 10
Высота [мм] : 40
Диаметр центрирования [мм] : 72
Ø фаски [мм] : 114,3
Количество отверстий : 5
Минимальная толщина [мм] : 8
|
|
Тормозной диск
EUROREPAR 1642770880
Тип тормозного диска : цельный
Дополнительный артикул / дополнительная информация 2 : без кольца сенсора ABS
Наружный диаметр [мм] : 250,5
Толщина тормозного диска (мм) : 9
Высота [мм] : 34,5
Диаметр центрирования [мм] : 55
Ø фаски [мм] : 100
Количество отверстий : 4
Минимальная толщина [мм] : 8
|
|
Тормозной диск
EUROREPAR 1642774680
Тип тормозного диска : цельный
Дополнительный артикул / дополнительная информация 2 : без кольца сенсора ABS
Наружный диаметр [мм] : 275,7
Толщина тормозного диска (мм) : 10
Высота [мм] : 35
Диаметр центрирования [мм] : 55
Ø фаски [мм] : 100
Количество отверстий : 4
Минимальная толщина [мм] : 8
|
|
Тормозной диск
FAI AutoParts BD231
Тип тормозного диска : цельный
Наружный диаметр [мм] : 250
Толщина тормозного диска (мм) : 9
необходимое количество : 2
Высота [мм] : 34
Диаметр центрирования [мм] : 55
Количество отверстий : 4
Поверхность : с покрытием
Минимальная толщина [мм] : 8
|
|
Тормозной диск
FAI AutoParts BD462
Тип тормозного диска : вентилируемый
Наружный диаметр [мм] : 255
Толщина тормозного диска (мм) : 20
необходимое количество : 2
Высота [мм] : 45
Диаметр центрирования [мм] : 55
Количество отверстий : 4
Поверхность : с покрытием
Минимальная толщина [мм] : 18
|
|
Тормозной диск
FAI AutoParts FPBD1083
Тип тормозного диска : цельный
Наружный диаметр [мм] : 250
Толщина тормозного диска (мм) : 9
Высота [мм] : 34
Диаметр центрирования [мм] : 55
Количество отверстий : 4
Поверхность : с покрытием
Минимальная толщина [мм] : 8
|
|
Тормозной диск
FAI AutoParts FPBD1355
Тип тормозного диска : вентилируемый
Наружный диаметр [мм] : 255
Толщина тормозного диска (мм) : 20
Высота [мм] : 45
Диаметр центрирования [мм] : 55
Количество отверстий : 4
Поверхность : с покрытием
Минимальная толщина [мм] : 18
|
|
Тормозной диск
FEBI BILSTEIN 108493
Толщина тормозного диска (мм) : 9
Число отверстий в диске колеса : 4
Количество крепежных отверстий : 3
Толщина [мм] : 35
Наружный диаметр [мм] : 251
Ø фаски [мм] : 100
Поверхность : с покрытием
Тип тормозного диска : цельный
Сторона установки : Задний мост
Минимальная толщина [мм] : 8
Диаметр центрирования [мм] : 55
Соблюдать сервисную информацию :
|
|
Тормозной диск
FEBI BILSTEIN 108544
Толщина тормозного диска (мм) : 22
Число отверстий в диске колеса : 4
Толщина [мм] : 46
Внутренний диаметр : 125
Наружный диаметр [мм] : 270
Ø фаски [мм] : 100
Поверхность : с покрытием
Тип тормозного диска : вентилируемый
Сторона установки : передний мост
Минимальная толщина [мм] : 20
Диаметр центрирования [мм] : 55
Соблюдать сервисную информацию :
|
|
Тормозной диск
FEBI BILSTEIN 108607
Толщина тормозного диска (мм) : 19,8
Число отверстий в диске колеса : 4
Толщина [мм] : 46,6
Наружный диаметр [мм] : 255
Ø фаски [мм] : 100
Поверхность : с покрытием
Тип тормозного диска : вентилируемый
Сторона установки : передний мост
Минимальная толщина [мм] : 18
Диаметр центрирования [мм] : 55
Соблюдать сервисную информацию :
|
|
Тормозной диск
FEBI BILSTEIN 108633
Толщина тормозного диска (мм) : 10
Число отверстий в диске колеса : 4
Количество крепежных отверстий : 1
Толщина [мм] : 35
Наружный диаметр [мм] : 276
Ø фаски [мм] : 100
Поверхность : с покрытием
Тип тормозного диска : цельный
Сторона установки : Задний мост
Минимальная толщина [мм] : 8
Диаметр центрирования [мм] : 55
Соблюдать сервисную информацию :
|
|
Тормозной диск
FERODO DDF1839C
Тип тормозного диска : вентилируемый
Наружный диаметр [мм] : 270
Толщина тормозного диска (мм) : 22
Дополнительный артикул / дополнительная информация 2 : без винтов
Высота [мм] : 46
Диаметр центрирования [мм] : 55
Количество отверстий : 4
Количественная единица : комплект
Поверхность : с покрытием
Вес [кг] : 6,05
Минимальная толщина [мм] : 20
Длина упаковки [см] : 29,5
Ширина упаковки [см] : 29,5
Высота упаковки [см] : 10,5
|
|
Тормозной диск
FERODO DDF2593C
Тип тормозного диска : цельный
Наружный диаметр [мм] : 276
Толщина тормозного диска (мм) : 10
Дополнительный артикул / дополнительная информация 2 : без винтов
Высота [мм] : 34,9
Ø фаски [мм] : 100
Диаметр центрирования [мм] : 55
Количество крепежных отверстий : 1
Количество отверстий : 4
Количественная единица : комплект
Поверхность : с покрытием
проверочное значение : R90 homologated
Минимальная толщина [мм] : 8
Тип контейнера : Коробка
Диаметр отверстия 2 [мм] : 13
Длина упаковки [см] : 29
Ширина упаковки [см] : 29
Высота упаковки [см] : 9,5
|
|
Тормозной диск
FERODO DDF523C
Тип тормозного диска : цельный
Наружный диаметр [мм] : 250
Толщина тормозного диска (мм) : 9
Дополнительный артикул / дополнительная информация 2 : с винтами
Высота [мм] : 34,5
Диаметр центрирования [мм] : 55
Количество отверстий : 4
Количественная единица : комплект
Поверхность : с покрытием
Вес [кг] : 3,13
Минимальная толщина [мм] : 8
Момент затяжки [Нм] : 103
Длина упаковки [см] : 27,5
Ширина упаковки [см] : 27,5
Высота упаковки [см] : 10,8
|
|
Тормозной диск
FERODO DDF975C
Тип тормозного диска : вентилируемый
Наружный диаметр [мм] : 255
Толщина тормозного диска (мм) : 20
Дополнительный артикул / дополнительная информация 2 : без винтов
Высота [мм] : 45
Диаметр центрирования [мм] : 55
Количество отверстий : 4
Количественная единица : комплект
Поверхность : с покрытием
проверочное значение : R90 Homologated
Вес [кг] : 5,05
Минимальная толщина [мм] : 18
Момент затяжки [Нм] : 98
Длина упаковки [см] : 27
Ширина упаковки [см] : 27,5
Высота упаковки [см] : 11,5
|
|
Тормозной диск
FREMAX BD-3257
Тип тормозного диска : цельный
Наружный диаметр [мм] : 250
Толщина тормозного диска (мм) : 9
Высота [мм] : 34,5
Диаметр центрирования [мм] : 55
Количество крепежных отверстий : 4
Поверхность : с покрытием
Вес [кг] : 2,91
Минимальная толщина [мм] : 8
|
|
Тормозной диск
fri.tech. BD0058
проверочное значение : ECE-R90
Высота [мм] : 34,5
Тип тормозного диска : цельный
Толщина тормозного диска (мм) : 9
Наружный диаметр [мм] : 250
Количество отверстий : 4
Диаметр центрирования [мм] : 55
|
|
Тормозной диск
fri.tech. BD0713
проверочное значение : ECE-R90
Высота [мм] : 45,1
Тип тормозного диска : вентилируемый
Толщина тормозного диска (мм) : 20
Наружный диаметр [мм] : 255
Количество отверстий : 4
Диаметр центрирования [мм] : 55,1
|
|
Тормозной диск
GIRLING 6027034
Поверхность : лакированный
Тип тормозного диска : цельный
Наружный диаметр [мм] : 251
Толщина тормозного диска (мм) : 9
Минимальная толщина [мм] : 8
Диаметр центрирования [мм] : 55
Высота [мм] : 34,5
Количество отверстий : 4
Размер резьбы : 13
Ø фаски [мм] : 100
Цвет : чёрный
|
|
Тормозной диск
GIRLING 6041211
Тип тормозного диска : вентилируемый
Наружный диаметр [мм] : 255
Толщина тормозного диска (мм) : 20
Минимальная толщина [мм] : 18
Диаметр центрирования [мм] : 55
Высота [мм] : 45
Количество отверстий : 4
Размер резьбы : 13
Ø фаски [мм] : 100
Цвет : чёрный
Поверхность : лакированный
проверочное значение : E1 90R-02 C0176/0533
|
|
Тормозной диск
GIRLING 6044051
Тип тормозного диска : вентилируемый
Толщина тормозного диска (мм) : 22
Наружный диаметр [мм] : 270
Ø фаски [мм] : 100
Количество отверстий : 4
Высота [мм] : 46,5
Диаметр центрирования [мм] : 55
Размер резьбы : 13,2
Минимальная толщина [мм] : 20
Обработка : Высокоуглеродистый
Цвет : чёрный
Поверхность : лакированный
|
|
Тормозной диск
GIRLING 6044064
Диаметр центрирования [мм] : 55
Высота [мм] : 34,7
Минимальная толщина [мм] : 8
Тип тормозного диска : цельный
Размер резьбы : 13,2
Толщина тормозного диска (мм) : 10
Наружный диаметр [мм] : 276
Ø фаски [мм] : 100
Количество отверстий : 4
Цвет : чёрный
Поверхность : лакированный
проверочное значение : E1 90R-02 C0190/0261
|
|
Тормозной диск
HART 214 182
Высота [мм] : 35
Тип тормозного диска : цельный
Толщина тормозного диска (мм) : 9
Наружный диаметр [мм] : 250
Количество отверстий : 4
|
|
Тормозной диск
HERTH+BUSS JAKOPARTS J3303015
Тип тормозного диска : вентилируемый
Наружный диаметр [мм] : 270
Толщина тормозного диска (мм) : 22
Минимальная толщина [мм] : 20
Количество отверстий : 4
Количество отверстий 1 : 1
Ø фаски [мм] : 100
Внутренний диаметр : 124,7
Высота [мм] : 46
Диаметр ступицы [мм] : 55
Поверхность : с покрытием
Сторона установки : передний мост
SVHC : Не содержит особо опасных веществ!
|
|
Тормозной диск
HERTH+BUSS JAKOPARTS J3303062
Тип тормозного диска : вентилируемый
Наружный диаметр [мм] : 255
Толщина тормозного диска (мм) : 20
Минимальная толщина [мм] : 18
Количество отверстий : 4
Количество отверстий 1 : 1
Ø фаски [мм] : 100
Внутренний диаметр : 123,3
Высота [мм] : 45,3
Диаметр ступицы [мм] : 55
Поверхность : с покрытием
выполняет нормы ЕЭК : E1 90R-02C0064/0039
Сторона установки : передний мост
SVHC : Не содержит особо опасных веществ!
|
|
Тормозной диск
HERTH+BUSS JAKOPARTS J3313008
Тип тормозного диска : цельный
Наружный диаметр [мм] : 251
Толщина тормозного диска (мм) : 9
Минимальная толщина [мм] : 8
Количество отверстий : 4
Количество отверстий 1 : 2
Количество отверстий 2 : 1
Ø фаски [мм] : 100
Внутренний диаметр : 123,7
Высота [мм] : 34,6
Диаметр ступицы [мм] : 55
Поверхность : с покрытием
Сторона установки : Задний мост
SVHC : Не содержит особо опасных веществ!
|
|
Тормозной диск
HERTH+BUSS JAKOPARTS J3313016
Тип тормозного диска : цельный
Наружный диаметр [мм] : 276
Толщина тормозного диска (мм) : 9
Минимальная толщина [мм] : 8
Количество отверстий : 4
Количество отверстий 1 : 2
Ø фаски [мм] : 100
Внутренний диаметр : 124,7
Высота [мм] : 34,6
Диаметр ступицы [мм] : 55
Поверхность : с покрытием
Количество отверстий 2 : 1
Сторона установки : Задний мост
SVHC : Не содержит особо опасных веществ!
|
|
Тормозной диск
Hi-Q SD4444
Вес [кг] : 3,05
Толщина [мм] : 9
Тип тормозного диска : цельный
Толщина тормозного диска (мм) : 8
Ø фаски [мм] : 100
Количество отверстий : 7
Высота [мм] : 34,5
Диаметр центрирования [мм] : 55
Наружный диаметр [мм] : 251
|
|
Тормозной диск
ICER 78BD3257-2
Толщина тормозного диска (мм) : 8
Наружный диаметр [мм] : 250
Тип тормозного диска : цельный
Высота [мм] : 34,5
Диаметр центрирования [мм] : 55
Ø фаски [мм] : 100
Исполнение оси : Rear
Номер технической информации : 78BD3257-2
проверочное значение : E1 90R-02C0415/0089
Диаметр [мм] : 55
Толщина [мм] : 9
Минимальная толщина [мм] : 8
Расположение/число отверстий : 4
Вес [кг] : 6 068
|
|
Тормозной диск
JAPANPARTS DI-315C
Сторона установки : передний мост
Ø фаски [мм] : 55
Высота [мм] : 46,3
Наружный диаметр [мм] : 269,5
Толщина тормозного диска (мм) : 22
Минимальная толщина [мм] : 20
Число отверстий : 4
Тип тормозного диска : вентилируемый
Поверхность : лакированный
для оригинального номера : N0YY3325X
|
|
Тормозной диск
JAPANPARTS DI-358C
Сторона установки : передний мост
Ø фаски [мм] : 55
Высота [мм] : 45
Наружный диаметр [мм] : 255
Толщина тормозного диска (мм) : 20
Минимальная толщина [мм] : 18
Число отверстий : 4
Тип тормозного диска : вентилируемый
проверочное значение : ECE R90 APPROVED
Поверхность : лакированный
Момент затяжки [Нм] : 98
для оригинального номера : B01C3325X
|
|
Тормозной диск
JAPANPARTS DP-308C
Сторона установки : Задний мост
Ø фаски [мм] : 55
Высота [мм] : 35
Наружный диаметр [мм] : 250
Толщина тормозного диска (мм) : 9
Минимальная толщина [мм] : 8
Число отверстий : 4
Тип тормозного диска : цельный
проверочное значение : ECE R90 APPROVED
Поверхность : лакированный
Момент затяжки [Нм] : 103
для оригинального номера : BB4C26251C
|
|
Тормозной диск
JAPANPARTS DP-325C
Сторона установки : Задний мост
Ø фаски [мм] : 55
Высота [мм] : 35
Наружный диаметр [мм] : 275,5
Толщина тормозного диска (мм) : 10
Минимальная толщина [мм] : 9
Число отверстий : 4
Тип тормозного диска : цельный
Поверхность : лакированный
для оригинального номера : N0YY26251B
|
|
Тормозной диск
JAPKO 60315C
Сторона установки : передний мост
Ø фаски [мм] : 55
Высота [мм] : 46,3
Наружный диаметр [мм] : 269,5
Толщина тормозного диска (мм) : 22
Минимальная толщина [мм] : 20
Число отверстий : 4
Тип тормозного диска : вентилируемый
Поверхность : лакированный
для оригинального номера : N0YY3325X
|
|
Тормозной диск
JAPKO 60358C
Сторона установки : передний мост
Ø фаски [мм] : 55
Высота [мм] : 45
Наружный диаметр [мм] : 255
Толщина тормозного диска (мм) : 20
Минимальная толщина [мм] : 18
Число отверстий : 4
Тип тормозного диска : вентилируемый
проверочное значение : ECE R90 APPROVED
Поверхность : лакированный
Момент затяжки [Нм] : 98
для оригинального номера : B01C3325X
|
|
Тормозной диск
JAPKO 61308C
Сторона установки : Задний мост
Ø фаски [мм] : 55
Высота [мм] : 35
Наружный диаметр [мм] : 250
Толщина тормозного диска (мм) : 9
Минимальная толщина [мм] : 8
Число отверстий : 4
Тип тормозного диска : цельный
проверочное значение : ECE R90 APPROVED
Поверхность : лакированный
Момент затяжки [Нм] : 103
для оригинального номера : BB4C26251C
|
|
Тормозной диск
JAPKO 61325C
Сторона установки : Задний мост
Ø фаски [мм] : 55
Высота [мм] : 35
Наружный диаметр [мм] : 275,5
Толщина тормозного диска (мм) : 10
Минимальная толщина [мм] : 9
Число отверстий : 4
Тип тормозного диска : цельный
Поверхность : лакированный
для оригинального номера : N0YY26251B
|
|
Тормозной диск
JPN 40H3008-JPN
Сторона установки : Задний мост
Тип тормозного диска : цельный
Высота [мм] : 34,5
Толщина тормозного диска (мм) : 9
Наружный диаметр [мм] : 250
Количество отверстий : 4
Диаметр центрирования [мм] : 55
|
|
Тормозной диск
JURATEK MAZ107
Тип тормозного диска : цельный
Наружный диаметр [мм] : 250
Толщина тормозного диска (мм) : 9
Высота [мм] : 35
Ø фаски [мм] : 100
Диаметр центрирования [мм] : 55
Количество крепежных отверстий : 4
парные номера артикулов : JCP1012
Поверхность : с покрытием
Вес [кг] : 3,3
Диаметр отверстия [мм] : 13
Минимальная толщина [мм] : 8
|
|
Тормозной диск
JURATEK MAZ110
Тип тормозного диска : вентилируемый
Наружный диаметр [мм] : 255
Толщина тормозного диска (мм) : 20
Высота [мм] : 45
Ø фаски [мм] : 100
Диаметр центрирования [мм] : 55
Количество крепежных отверстий : 4
парные номера артикулов : JCA1009L
парные номера артикулов : JCA1009R
парные номера артикулов : JCP1011
парные номера артикулов : JCP1600
парные номера артикулов : NKF8375
Поверхность : с покрытием
Вес [кг] : 4,6
Диаметр отверстия [мм] : 13
Минимальная толщина [мм] : 18
|
|
Тормозной диск
JURATEK MAZ131
Тип тормозного диска : вентилируемый
Наружный диаметр [мм] : 270
Толщина тормозного диска (мм) : 22
Высота [мм] : 46
Ø фаски [мм] : 100
Диаметр центрирования [мм] : 55
Количество крепежных отверстий : 4
парные номера артикулов : JCP1011
парные номера артикулов : NKF8375
Поверхность : с покрытием
Вес [кг] : 6,2
Минимальная толщина [мм] : 20
|
|
Тормозной диск
JURID 562561JC
Тип тормозного диска : цельный
Наружный диаметр [мм] : 276
Толщина тормозного диска (мм) : 10
Дополнительный артикул / дополнительная информация 2 : без винтов
Версия : JC
Высота [мм] : 34,9
Диаметр центрирования [мм] : 55
Количество отверстий : 4
Количественная единица : комплект
Поверхность : с покрытием
Минимальная толщина [мм] : 8
Тип контейнера : Коробка
Длина упаковки [см] : 31
Ширина упаковки [см] : 31
Высота упаковки [см] : 9
|
|
Тормозной диск
JURID 562197JC
Тип тормозного диска : вентилируемый
Наружный диаметр [мм] : 255
Толщина тормозного диска (мм) : 20
Дополнительный артикул / дополнительная информация 2 : без винтов
Версия : JC
Высота [мм] : 45
Ø фаски [мм] : 100
Диаметр центрирования [мм] : 55
Количество отверстий : 4
Количественная единица : комплект
Поверхность : с покрытием
Вес [кг] : 10,1
Минимальная толщина [мм] : 18
Момент затяжки [Нм] : 98
Тип контейнера : Коробка
Длина упаковки [см] : 28
Ширина упаковки [см] : 28
Высота упаковки [см] : 11
|
|
Тормозной диск
JURID 562834JC
Тип тормозного диска : вентилируемый
Наружный диаметр [мм] : 270
Толщина тормозного диска (мм) : 22
Дополнительный артикул / дополнительная информация 2 : без винтов
Версия : JC
Высота [мм] : 46
Диаметр центрирования [мм] : 55
Количество отверстий : 4
Количественная единица : комплект
Поверхность : с покрытием
Вес [кг] : 12,1
Минимальная толщина [мм] : 20
Тип контейнера : Коробка
Длина упаковки [см] : 28,5
Ширина упаковки [см] : 28,5
Высота упаковки [см] : 11,5
|
|
Тормозной диск
JURID 563172JC
Тип тормозного диска : цельный
Наружный диаметр [мм] : 276
Толщина тормозного диска (мм) : 10
Дополнительный артикул / дополнительная информация 2 : без винтов
Версия : JC
Высота [мм] : 34,9
Ø фаски [мм] : 100
Диаметр центрирования [мм] : 55
Количество крепежных отверстий : 1
Количество отверстий : 4
Количественная единица : комплект
Поверхность : с покрытием
проверочное значение : R90 Homologated
Диаметр отверстия [мм] : 13
Минимальная толщина [мм] : 8
Тип контейнера : Коробка
Диаметр отверстия 2 [мм] : 13
Длина упаковки [см] : 29,5
Ширина упаковки [см] : 29
Высота упаковки [см] : 8,8
|
|
Тормозной диск
KAISHIN CBR085
для оригинального номера : B01C3325X
Сторона установки : передний мост
проверочное значение : ECE R90 APPROVED
Высота [мм] : 45
Тип тормозного диска : вентилируемый
Толщина тормозного диска (мм) : 20
Минимальная толщина [мм] : 18
Число отверстий : 4
Наружный диаметр [мм] : 255
Количество отверстий : 4
Момент затяжки [Нм] : 98
Ø фаски [мм] : 55
Поверхность : лакированный
|
|
Тормозной диск
KAISHIN CBR234
для оригинального номера : N0YY3325X
Сторона установки : передний мост
Высота [мм] : 46,3
Тип тормозного диска : вентилируемый
Толщина тормозного диска (мм) : 22
Минимальная толщина [мм] : 20
Число отверстий : 4
Наружный диаметр [мм] : 269,5
Количество отверстий : 4
Ø фаски [мм] : 55
Поверхность : лакированный
|
|
Тормозной диск
KAISHIN CBR282
для оригинального номера : BB4C26251C
Сторона установки : Задний мост
проверочное значение : ECE R90 APPROVED
Высота [мм] : 35
Тип тормозного диска : цельный
Толщина тормозного диска (мм) : 9
Минимальная толщина [мм] : 8
Число отверстий : 4
Наружный диаметр [мм] : 250
Количество отверстий : 4
Момент затяжки [Нм] : 103
Ø фаски [мм] : 55
Поверхность : лакированный
|
|
Тормозной диск
KAISHIN CBR433
для оригинального номера : N0YY26251B
Сторона установки : Задний мост
Высота [мм] : 35
Тип тормозного диска : цельный
Толщина тормозного диска (мм) : 10
Минимальная толщина [мм] : 9
Число отверстий : 4
Наружный диаметр [мм] : 275,5
Количество отверстий : 4
Ø фаски [мм] : 55
Поверхность : лакированный
|
|
Тормозной диск
KAVO PARTS BR-4730-C
проверочное значение : R90
Высота [мм] : 35
Тип тормозного диска : цельный
Толщина тормозного диска (мм) : 9
Минимальная толщина [мм] : 8
Наружный диаметр [мм] : 251
Количество отверстий : 4
Диаметр центрирования [мм] : 55
Ø фаски [мм] : 100
Поверхность : с покрытием
|
|
Тормозной диск
KAVO PARTS BR-4735-C
проверочное значение : R90
Высота [мм] : 45
Тип тормозного диска : вентилируемый
Толщина тормозного диска (мм) : 20
Наружный диаметр [мм] : 255
Количество отверстий : 4
Диаметр центрирования [мм] : 55
Ø фаски [мм] : 100
Поверхность : с покрытием
|
|
Тормозной диск
KAVO PARTS BR-4772-C
Высота [мм] : 46
Тип тормозного диска : вентилируемый
Толщина тормозного диска (мм) : 22
Наружный диаметр [мм] : 270
Количество отверстий : 4
Диаметр центрирования [мм] : 55
Ø фаски [мм] : 100
Поверхность : с покрытием
|
|
Тормозной диск
KAVO PARTS BR-4779-C
проверочное значение : R90
Высота [мм] : 35
Тип тормозного диска : цельный
Толщина тормозного диска (мм) : 10
Наружный диаметр [мм] : 276
Количество отверстий : 4
Диаметр центрирования [мм] : 55
Ø фаски [мм] : 100
Поверхность : с покрытием
|
|
Тормозной диск
KAWE 61379 00
Диаметр [мм] : 350
Сторона установки : Задний мост
Вес [кг] : 3,76
Тип тормозного диска : цельный
Минимальная толщина [мм] : 32
Толщина тормозного диска (мм) : 34
Количество отверстий : 4
Высота [мм] : 49,5
Диаметр центрирования [мм] : 90
Наружный диаметр [мм] : 350
|
|
Тормозной диск
KAWE 61380 10
Диаметр [мм] : 269,7
Сторона установки : передний мост
Вес [кг] : 5,86
Тип тормозного диска : вентилируемый
Минимальная толщина [мм] : 20
Толщина тормозного диска (мм) : 22
Количество отверстий : 4
Высота [мм] : 46
Диаметр центрирования [мм] : 55
Наружный диаметр [мм] : 270
|
|
Тормозной диск
KAWE 6148 00
Диаметр [мм] : 250
Сторона установки : Задний мост
Вес [кг] : 3,07
Тип тормозного диска : цельный
Минимальная толщина [мм] : 8
Толщина тормозного диска (мм) : 9
Количество отверстий : 4
проверочное значение : K.B.A.: 61210
Высота [мм] : 34,5
Диаметр центрирования [мм] : 55
Наружный диаметр [мм] : 250
|
|
Тормозной диск
KAWE 6843 10
Диаметр [мм] : 255
Сторона установки : передний мост
Вес [кг] : 4,48
Тип тормозного диска : вентилируемый
Минимальная толщина [мм] : 18
Толщина тормозного диска (мм) : 20
Количество отверстий : 4
проверочное значение : K.B.A.: 61209
Высота [мм] : 45
Диаметр центрирования [мм] : 55
Наружный диаметр [мм] : 255
|
|
Тормозной диск
LPR M5035V
Количество отверстий : 4
Диаметр центрирования [мм] : 55
Высота [мм] : 46,5
Тип тормозного диска : вентилируемый
Толщина тормозного диска (мм) : 22
Минимальная толщина [мм] : 20
Наружный диаметр [мм] : 270
|
|
Тормозной диск
LPR M5751P
Тип тормозного диска : цельный
Толщина тормозного диска (мм) : 9
Минимальная толщина [мм] : 8
Наружный диаметр [мм] : 251
Количество отверстий : 4
Диаметр центрирования [мм] : 55
Высота [мм] : 35
|
|
Тормозной диск
LPR M5751PR
Диаметр центрирования [мм] : 55
Высота [мм] : 35
Тип тормозного диска : цельный
Наружный диаметр [мм] : 251
Поверхность : с покрытием
Толщина тормозного диска (мм) : 9
Минимальная толщина [мм] : 8
Количество отверстий : 4
|
|
Тормозной диск
MANDO MBC035474
Сторона установки : Задний мост
Тип тормозного диска : цельный
Толщина тормозного диска (мм) : 9
Минимальная толщина [мм] : 8
проверочное значение : E1 90R-02C0100/0622
Высота [мм] : 34,5
Диаметр центрирования [мм] : 55
Наружный диаметр [мм] : 251
|
|
Тормозной диск
MANDO MBC035537
Сторона установки : Задний мост
Тип тормозного диска : цельный
Толщина тормозного диска (мм) : 10
Минимальная толщина [мм] : 8
проверочное значение : E1 90R-02C0100/0682
Высота [мм] : 35
Диаметр центрирования [мм] : 55
Наружный диаметр [мм] : 276
|
|
Тормозной диск
MAPCO 25219
Сторона установки : передний мост
Наружный диаметр [мм] : 270
Тип тормозного диска : вентилируемый
Толщина тормозного диска (мм) : 22
Количество отверстий : 4
Диаметр центрирования [мм] : 55
Ø фаски [мм] : 100
|
|
Тормозной диск
MAPCO 25245
Сторона установки : Задний мост
Наружный диаметр [мм] : 276
Толщина тормозного диска (мм) : 10
Тип тормозного диска : цельный
Количество отверстий : 4
Высота [мм] : 35
Ø фаски [мм] : 100
Диаметр центрирования [мм] : 55
|
|
Тормозной диск
MAPCO 25529
Сторона установки : передний мост
Тип тормозного диска : вентилируемый
Толщина тормозного диска (мм) : 20
Минимальная толщина [мм] : 18
Наружный диаметр [мм] : 255
Ø фаски [мм] : 100
Количество отверстий : 4
|
|
Тормозной диск
MAPCO 15527
Сторона установки : Задний мост
Тип тормозного диска : цельный
Толщина тормозного диска (мм) : 9
Минимальная толщина [мм] : 8
Наружный диаметр [мм] : 250
Ø фаски [мм] : 100
Количество отверстий : 4
|
|
Тормозной диск
MAXGEAR 19-1171
Сторона установки : Задний мост
Тип тормозного диска : цельный
Наружный диаметр [мм] : 251
Толщина тормозного диска (мм) : 9
Высота [мм] : 34,5
Ø фаски [мм] : 100
Диаметр центрирования [мм] : 55
Количество отверстий : 4
Минимальная толщина [мм] : 8
|
|
Тормозной диск
MAXGEAR 19-1171SPORT
Тип тормозного диска : цельный
Тип тормозного диска : с прорезями / перфорированный
Наружный диаметр [мм] : 251
Толщина тормозного диска (мм) : 9
Высота [мм] : 34,5
Ø фаски [мм] : 100
Диаметр центрирования [мм] : 55
Количество отверстий : 4
Поверхность : лакированный
Минимальная толщина [мм] : 8
|
|
Тормозной диск
MAXGEAR 19-2203
Сторона установки : передний мост
Тип тормозного диска : вентилируемый
Наружный диаметр [мм] : 270
Толщина тормозного диска (мм) : 22
Высота [мм] : 46,5
Ø фаски [мм] : 100
Диаметр центрирования [мм] : 55
Количество отверстий : 4
Минимальная толщина [мм] : 20
|
|
Тормозной диск
MAXGEAR 19-2203SPORT
Сторона установки : передний мост
Тип тормозного диска : вентилируемый
Тип тормозного диска : с прорезями / перфорированный
Наружный диаметр [мм] : 270
Толщина тормозного диска (мм) : 22
Высота [мм] : 46,5
Ø фаски [мм] : 100
Диаметр центрирования [мм] : 55
Количество отверстий : 4
Поверхность : лакированный
Минимальная толщина [мм] : 20
|
|
Тормозной диск
MAXGEAR 19-2212
Сторона установки : Задний мост
Тип тормозного диска : цельный
Наружный диаметр [мм] : 276
Толщина тормозного диска (мм) : 10
Дополнительный артикул / дополнительная информация 2 : без ступицы
Дополнительный артикул / дополнительная информация 2 : без колесной крепящей оси
Высота [мм] : 35
Ø фаски [мм] : 100
Диаметр центрирования [мм] : 55
Количество отверстий : 4
Минимальная толщина [мм] : 8
|
|
Тормозной диск
MAXGEAR 19-2212SPORT
Тип тормозного диска : цельный
Тип тормозного диска : с прорезями / перфорированный
Наружный диаметр [мм] : 276
Толщина тормозного диска (мм) : 10
Дополнительный артикул / дополнительная информация 2 : без ступицы
Дополнительный артикул / дополнительная информация 2 : без колесной крепящей оси
Высота [мм] : 35
Ø фаски [мм] : 100
Диаметр центрирования [мм] : 55
Количество отверстий : 4
Поверхность : лакированный
Минимальная толщина [мм] : 8
|
|
Тормозной диск
MAXGEAR 19-3558
Сторона установки : передний мост
Тип тормозного диска : вентилируемый
Наружный диаметр [мм] : 255
Толщина тормозного диска (мм) : 20
Высота [мм] : 45
Ø фаски [мм] : 100
Диаметр центрирования [мм] : 55
Количество отверстий : 4
Минимальная толщина [мм] : 18
|
|
Тормозной диск
MAXGEAR 19-3558SPORT
Сторона установки : передний мост
Тип тормозного диска : вентилируемый
Тип тормозного диска : с прорезями / перфорированный
Наружный диаметр [мм] : 255
Толщина тормозного диска (мм) : 20
Высота [мм] : 45
Ø фаски [мм] : 100
Диаметр центрирования [мм] : 55
Количество отверстий : 4
Поверхность : лакированный
Минимальная толщина [мм] : 18
|
|
Тормозной диск
MAXTECH 821192
Сторона установки : Задний мост
Тип тормозного диска : цельный
Минимальная толщина [мм] : 8
Вес [кг] : 3
Толщина тормозного диска (мм) : 9
Ø фаски [мм] : 100
Количество отверстий : 4
Диаметр отверстия [мм] : 13
Внутренний диаметр : 125
проверочное значение : 90R-02C01327/31782
Высота [мм] : 34
Диаметр центрирования [мм] : 55
Наружный диаметр [мм] : 251
|
|
Тормозной диск
METELLI 23-0665
проверочное значение : ECE-R90
Высота [мм] : 34,5
Тип тормозного диска : цельный
Толщина тормозного диска (мм) : 9
Наружный диаметр [мм] : 250
Количество отверстий : 4
Диаметр центрирования [мм] : 55
|
|
Тормозной диск
METELLI 23-0999
проверочное значение : ECE-R90
Высота [мм] : 45,1
Тип тормозного диска : вентилируемый
Толщина тормозного диска (мм) : 20
Наружный диаметр [мм] : 255
Количество отверстий : 4
Диаметр центрирования [мм] : 55,1
|
|
Тормозной диск
MEYLE 35-15 523 0005
Сторона установки : Задний мост
Наружный диаметр [мм] : 251
Высота [мм] : 34,5
Толщина тормозного диска (мм) : 9
Минимальная толщина [мм] : 8
Диаметр центрирования [мм] : 55
Ø фаски [мм] : 100
Диаметр отверстия под шпильку колеса [мм] : 13
Количество отверстий : 4
Тип тормозного диска : вентилируемый
необходимое количество : 2
|
|
Тормозной диск
MILES K010840
Сторона установки : сзади
Количество отверстий : 4
Тип тормозного диска : цельный
Наружный диаметр [мм] : 250,5
Высота [мм] : 34,5
Диаметр центрирования [мм] : 55
Ø фаски [мм] : 100
Диаметр отверстия под шпильку колеса [мм] : 13
Толщина тормозного диска (мм) : 9
Минимальная толщина [мм] : 8
|
|
Тормозной диск
MILES K210840
Сторона установки : сзади
Количество отверстий : 4
Тип тормозного диска : цельный
Наружный диаметр [мм] : 250,5
Высота [мм] : 34,5
Диаметр центрирования [мм] : 55
Ø фаски [мм] : 100
Диаметр отверстия под шпильку колеса [мм] : 13
Толщина тормозного диска (мм) : 9
Минимальная толщина [мм] : 8
Поверхность : с покрытием
|
|
Тормозной диск
MINTEX MDC1295
Тип тормозного диска : вентилируемый
Наружный диаметр [мм] : 255
Толщина тормозного диска (мм) : 20
Высота [мм] : 44,9
Минимальная толщина [мм] : 18
Внутренний диаметр : 125
Ø фаски [мм] : 100
Диаметр центрирования [мм] : 55
Расположение/число отверстий : 04/05
Диаметр отверстия под шпильку колеса [мм] : 12,9
Дополнительный артикул / дополнительная информация 2 : без ступицы
Дополнительный артикул / дополнительная информация 2 : без колесного подшипника
Дополнительный артикул / дополнительная информация 2 : без колесной крепящей оси
Длина упаковки [см] : 27,8
Ширина упаковки [см] : 27,8
Высота упаковки [см] : 10,5
Вес [кг] : 4,5
|
|
Тормозной диск
MINTEX MDC1895
Тип тормозного диска : вентилируемый
Наружный диаметр [мм] : 270
Толщина тормозного диска (мм) : 22
Высота [мм] : 46,2
Минимальная толщина [мм] : 20
Внутренний диаметр : 125
Ø фаски [мм] : 100
Диаметр центрирования [мм] : 55
Расположение/число отверстий : 04/05
Диаметр отверстия под шпильку колеса [мм] : 13,3
Дополнительный артикул / дополнительная информация 2 : без ступицы
Дополнительный артикул / дополнительная информация 2 : без колесного подшипника
Дополнительный артикул / дополнительная информация 2 : без колесной крепящей оси
Длина упаковки [см] : 27,8
Ширина упаковки [см] : 27,8
Высота упаковки [см] : 12,2
Вес [кг] : 5,9
|
|
Тормозной диск
MINTEX MDC2073
Тип тормозного диска : цельный
Наружный диаметр [мм] : 276
Толщина тормозного диска (мм) : 10
Высота [мм] : 35
Минимальная толщина [мм] : 8
Внутренний диаметр : 125
Ø фаски [мм] : 100
Диаметр центрирования [мм] : 55
Расположение/число отверстий : 04/05
Диаметр отверстия под шпильку колеса [мм] : 13
Дополнительный артикул / дополнительная информация 2 : без ступицы
Дополнительный артикул / дополнительная информация 2 : без колесного подшипника
Дополнительный артикул / дополнительная информация 2 : без колесной крепящей оси
Длина упаковки [см] : 30,3
Ширина упаковки [см] : 30,3
Высота упаковки [см] : 8,6
Вес [кг] : 3,9
|
|
Тормозной диск
MINTEX MDC660
Тип тормозного диска : цельный
Наружный диаметр [мм] : 250
Толщина тормозного диска (мм) : 9
Высота [мм] : 34,5
Минимальная толщина [мм] : 8
Внутренний диаметр : 125
Ø фаски [мм] : 100
Диаметр центрирования [мм] : 55
Расположение/число отверстий : 04/07
Диаметр отверстия под шпильку колеса [мм] : 13,1
Дополнительный артикул / дополнительная информация 2 : без ступицы
Дополнительный артикул / дополнительная информация 2 : без колесного подшипника
Дополнительный артикул / дополнительная информация 2 : без колесной крепящей оси
Длина упаковки [см] : 27,8
Ширина упаковки [см] : 27,8
Высота упаковки [см] : 10,5
Вес [кг] : 3,1
|
|
Тормозной диск
MOTAQUIP LVBD1276Z
Тип тормозного диска : вентилируемый
Наружный диаметр [мм] : 270
Толщина тормозного диска (мм) : 22
Высота [мм] : 46,2
Ø фаски [мм] : 100
Диаметр центрирования [мм] : 55
Количество отверстий : 4
Поверхность : с покрытием
Вес [кг] : 6,03
Минимальная толщина [мм] : 20
|
|
Тормозной диск
MOTAQUIP LVBD1277Z
Тип тормозного диска : цельный
Наружный диаметр [мм] : 276
Толщина тормозного диска (мм) : 10
Высота [мм] : 35
Диаметр центрирования [мм] : 55
Количество отверстий : 4
Минимальная толщина [мм] : 8
|
|
Тормозной диск
MOTAQUIP LVBD921Z
Тип тормозного диска : цельный
Наружный диаметр [мм] : 250
Толщина тормозного диска (мм) : 9
Высота [мм] : 34,5
Ø фаски [мм] : 100
Диаметр центрирования [мм] : 55
Количество отверстий : 4
Вес [кг] : 3,252
Минимальная толщина [мм] : 8
Число отверстий : 3
|
|
Тормозной диск
MOTAQUIP LVBE322Z
Тип тормозного диска : вентилируемый
Наружный диаметр [мм] : 255
Толщина тормозного диска (мм) : 20
Высота [мм] : 45
Ø фаски [мм] : 100
Диаметр центрирования [мм] : 55
Количество отверстий : 4
Поверхность : с покрытием
Вес [кг] : 3,5
Минимальная толщина [мм] : 18
Число отверстий : 1
|
|
Тормозной диск
National NBD1431
Тип тормозного диска : вентилируемый
Наружный диаметр [мм] : 270
Толщина тормозного диска (мм) : 22
Высота [мм] : 46
Ø фаски [мм] : 100
Диаметр центрирования [мм] : 55
Количество отверстий : 4
|
|
Тормозной диск
National NBD1631
Тип тормозного диска : цельный
Наружный диаметр [мм] : 276
Толщина тормозного диска (мм) : 10
Высота [мм] : 35
Ø фаски [мм] : 100
Диаметр центрирования [мм] : 55
Количество отверстий : 4
|
|
Тормозной диск
National NBD450
Тип тормозного диска : цельный
Наружный диаметр [мм] : 251
Толщина тормозного диска (мм) : 9
Высота [мм] : 35
Ø фаски [мм] : 100
Диаметр центрирования [мм] : 55
Количество отверстий : 4
|
|
Тормозной диск
National NBD821
Тип тормозного диска : вентилируемый
Наружный диаметр [мм] : 256
Толщина тормозного диска (мм) : 20
Высота [мм] : 45
Ø фаски [мм] : 100
Диаметр центрирования [мм] : 55
Количество отверстий : 4
|
|
Тормозной диск
NIPPARTS J3303062
Сторона установки : передний мост
Тип тормозного диска : вентилируемый
Толщина тормозного диска (мм) : 20
Наружный диаметр [мм] : 255
Высота [мм] : 45
Количество отверстий : 4
Диаметр центрирования [мм] : 55
Ø фаски [мм] : 100
Диаметр ступицы колеса [мм] : 135
Минимальная толщина [мм] : 18
|
|
Тормозной диск
NIPPARTS J3313008
Сторона установки : Задний мост
Тип тормозного диска : цельный
Толщина тормозного диска (мм) : 9
Наружный диаметр [мм] : 250
Высота [мм] : 34,4
Количество отверстий : 4
Диаметр центрирования [мм] : 55,1
Ø фаски [мм] : 100
Диаметр ступицы колеса [мм] : 135,3
Минимальная толщина [мм] : 8
|
|
Тормозной диск
NIPPARTS N3303098
Сторона установки : передний мост
Тип тормозного диска : вентилируемый
Толщина тормозного диска (мм) : 22
Наружный диаметр [мм] : 270
Высота [мм] : 46
Количество отверстий : 4
Диаметр центрирования [мм] : 55
Ø фаски [мм] : 100
Диаметр ступицы колеса [мм] : 135
Минимальная толщина [мм] : 20
|
|
Тормозной диск
NIPPARTS N3313038
Сторона установки : Задний мост
Тип тормозного диска : цельный
Толщина тормозного диска (мм) : 10
Наружный диаметр [мм] : 276
Высота [мм] : 35
Количество отверстий : 4
Диаметр центрирования [мм] : 55
Ø фаски [мм] : 100
Диаметр ступицы колеса [мм] : 135
Минимальная толщина [мм] : 8
|
|
Тормозной диск
NK 203237
Наружный диаметр [мм] : 255
Толщина тормозного диска (мм) : 20
Минимальная толщина [мм] : 18
Высота [мм] : 45
Число отверстий в диске колеса : 4
Тип тормозного диска : вентилируемый
Диаметр центрирования [мм] : 55
Поверхность : промасленный
Вес нетто [кг] : 4,48
|
|
Тормозной диск
NK 313290
Наружный диаметр [мм] : 270
Толщина тормозного диска (мм) : 22
Минимальная толщина [мм] : 20
Высота [мм] : 46
Число отверстий в диске колеса : 4
Тип тормозного диска : вентилируемый
Диаметр центрирования [мм] : 55
Поверхность : с покрытием
Вес нетто [кг] : 11,8
|
|
Тормозной диск
NK 203231
Наружный диаметр [мм] : 251
Толщина тормозного диска (мм) : 9
Минимальная толщина [мм] : 8
Высота [мм] : 34,5
Число отверстий в диске колеса : 4
Тип тормозного диска : цельный
Диаметр центрирования [мм] : 55
Поверхность : промасленный
Вес нетто [кг] : 3,05
|
|
Тормозной диск
NK 313297
Наружный диаметр [мм] : 276
Толщина тормозного диска (мм) : 10
Минимальная толщина [мм] : 8
Высота [мм] : 35
Число отверстий в диске колеса : 4
Тип тормозного диска : цельный
Диаметр центрирования [мм] : 55
Поверхность : с покрытием
Вес нетто [кг] : 7,52
|
|
Тормозной диск
NPS M330A50
Спецификация : Qte packaging: 1
Сторона установки : передний мост
проверочное значение : E1 90R-02C0074/1454
Количество частей [част.] : 1
Толщина тормозного диска (мм) : 22
Тип тормозного диска : вентилируемый
Высота [мм] : 46
Наружный диаметр [мм] : 270
Количество отверстий : 4
Минимальная толщина [мм] : 20
Ø фаски [мм] : 55
Диаметр центрирования [мм] : 55
Внутренний диаметр : 125
|
|
Тормозной диск
NPS M330A64
Спецификация : Qte packaging: 1
Сторона установки : передний мост
проверочное значение : E1 90R-02C0074/0044
Тип тормозного диска : вентилируемый
Количество частей [част.] : 1
Внутренний диаметр : 55,1
Наружный диаметр [мм] : 254,6
Толщина тормозного диска (мм) : 19,86
Количество крепежных отверстий : 4
Количество отверстий : 4
Диаметр центрирования [мм] : 55
|
|
Тормозной диск
NPS M331A08
Спецификация : Qte packaging: 1
Сторона установки : Задний мост
проверочное значение : E1 90R-02C0100/0622
Количество частей [част.] : 1
Наружный диаметр [мм] : 251
Диаметр [мм] : 251
Внутренний диаметр : 55
Толщина тормозного диска (мм) : 9
Количество крепежных отверстий : 2
Количество отверстий : 4
Тип тормозного диска : цельный
Высота [мм] : 35
Минимальная толщина [мм] : 8
Ø фаски [мм] : 55
Диаметр центрирования [мм] : 55
|
|
Тормозной диск
NPS M331A16
Спецификация : Qte packaging: 1
Сторона установки : Задний мост
проверочное значение : E1 90R-02C0100/0682
Количество частей [част.] : 1
Наружный диаметр [мм] : 276
Диаметр [мм] : 276
Толщина тормозного диска (мм) : 10
Тип тормозного диска : цельный
Высота [мм] : 34,7
Количество отверстий : 4
Минимальная толщина [мм] : 8
Ø фаски [мм] : 100
Диаметр центрирования [мм] : 55
Количество крепежных отверстий : 1
|
|
Тормозной диск
OPEN PARTS BDR1281.10
Тип тормозного диска : цельный
Поверхность : лакированный
Наружный диаметр [мм] : 251
Высота [мм] : 35
Толщина тормозного диска (мм) : 9
Диаметр центрирования [мм] : 55
Количество отверстий : 4
Минимальная толщина [мм] : 8
|
|
Тормозной диск
OPEN PARTS BDR1780.20
Тип тормозного диска : вентилируемый
Поверхность : лакированный
Наружный диаметр [мм] : 255
Высота [мм] : 45
Толщина тормозного диска (мм) : 20
Диаметр центрирования [мм] : 55
Количество отверстий : 4
Минимальная толщина [мм] : 18
|
|
Тормозной диск
OPEN PARTS BDRS1780.25
Поверхность : лакированный
Тип тормозного диска : перфорированный / вентилируемый
Наружный диаметр [мм] : 255
Высота [мм] : 45
Толщина тормозного диска (мм) : 20
Диаметр центрирования [мм] : 55
Количество отверстий : 4
Минимальная толщина [мм] : 18
|
|
Тормозной диск
OPTIMAL BS-1480
Сторона установки : Задний мост
Тип тормозного диска : цельный
Толщина тормозного диска (мм) : 9
Наружный диаметр [мм] : 251
Высота [мм] : 34,5
Диаметр центрирования [мм] : 55
Минимальная толщина [мм] : 8
Расположение/число отверстий : 4/7
|
|
Тормозной диск
OPTIMAL BS-1480C
Сторона установки : Задний мост
Тип тормозного диска : цельный
Толщина тормозного диска (мм) : 9
Наружный диаметр [мм] : 251
Высота [мм] : 34,5
Диаметр центрирования [мм] : 55
Поверхность : с покрытием
Минимальная толщина [мм] : 8
Расположение/число отверстий : 4/7
|
|
Тормозной диск
OPTIMAL BS-7300
Сторона установки : передний мост
Тип тормозного диска : вентилируемый
Толщина тормозного диска (мм) : 20
Наружный диаметр [мм] : 255
Высота [мм] : 45
Диаметр центрирования [мм] : 55
Минимальная толщина [мм] : 18
Расположение/число отверстий : 4/5
|
|
Тормозной диск
OPTIMAL BS-7300C
Сторона установки : передний мост
Тип тормозного диска : вентилируемый
Толщина тормозного диска (мм) : 20
Наружный диаметр [мм] : 255
Высота [мм] : 45
Диаметр центрирования [мм] : 55
Поверхность : с покрытием
Минимальная толщина [мм] : 18
Расположение/число отверстий : 4/5
|
|
Тормозной диск
OPTIMAL BS-8920C
Сторона установки : Задний мост
Тип тормозного диска : цельный
Толщина тормозного диска (мм) : 10
Наружный диаметр [мм] : 276
Высота [мм] : 35
Диаметр центрирования [мм] : 55
Поверхность : с покрытием
Минимальная толщина [мм] : 8
Расположение/число отверстий : 4/5
|
|
Тормозной диск
OPTIMAL BS-8942
Сторона установки : передний мост
Тип тормозного диска : вентилируемый
Толщина тормозного диска (мм) : 22
Наружный диаметр [мм] : 270
Высота [мм] : 46
Диаметр центрирования [мм] : 55
Расположение/число отверстий : 4/5
|
|
Тормозной диск
OPTIMAL BS-8942C
Сторона установки : передний мост
Тип тормозного диска : вентилируемый
Толщина тормозного диска (мм) : 22
Наружный диаметр [мм] : 270
Высота [мм] : 46
Диаметр центрирования [мм] : 55
Поверхность : с покрытием
Минимальная толщина [мм] : 20
Расположение/число отверстий : 4/5
|
|
Тормозной диск
PILENGA 5515
Сторона установки : Задний мост
Тип тормозного диска : цельный
Минимальная толщина [мм] : 8
Толщина тормозного диска (мм) : 9
Количество отверстий 1 : 4
Количество отверстий 2 : 3
Внутренний диаметр : 125
Высота [мм] : 34,5
Диаметр центрирования [мм] : 55
Наружный диаметр [мм] : 251
|
|
Тормозной диск
PILENGA 5521
Сторона установки : Задний мост
Тип тормозного диска : цельный
Минимальная толщина [мм] : 8
Толщина тормозного диска (мм) : 10
Количество отверстий 1 : 4
Количество отверстий 2 : 1
Внутренний диаметр : 125
Высота [мм] : 34,9
Диаметр центрирования [мм] : 55
Наружный диаметр [мм] : 276
|
|
Тормозной диск
PILENGA V513
Сторона установки : передний мост
Тип тормозного диска : вентилируемый
Минимальная толщина [мм] : 18
Толщина тормозного диска (мм) : 20
Количество отверстий 1 : 4
Количество отверстий 2 : 1
Внутренний диаметр : 124,7
Высота [мм] : 45
Диаметр центрирования [мм] : 55
Наружный диаметр [мм] : 255
|
|
Тормозной диск
PILENGA V525
Сторона установки : передний мост
Тип тормозного диска : вентилируемый
Минимальная толщина [мм] : 20
Толщина тормозного диска (мм) : 22
Количество отверстий 1 : 4
Количество отверстий 2 : 1
Внутренний диаметр : 125
Высота [мм] : 46
Диаметр центрирования [мм] : 55
Наружный диаметр [мм] : 270
|
|
Тормозной диск
QUINTON HAZELL BDC5378
Тип тормозного диска : вентилируемый
Наружный диаметр [мм] : 270
Толщина тормозного диска (мм) : 22
Минимальная толщина [мм] : 18
Высота [мм] : 46
Диаметр центрирования [мм] : 55
Ø фаски [мм] : 100
Количество отверстий : 4
|
|
Тормозной диск
QUINTON HAZELL BDC4747
Тип тормозного диска : цельный
Наружный диаметр [мм] : 250
Толщина тормозного диска (мм) : 9
Минимальная толщина [мм] : 8
Высота [мм] : 34,5
Диаметр центрирования [мм] : 55
Ø фаски [мм] : 100
Количество отверстий : 4
|
|
Тормозной диск
QUINTON HAZELL BDC5389
Тип тормозного диска : цельный
Наружный диаметр [мм] : 276
Толщина тормозного диска (мм) : 10
Минимальная толщина [мм] : 8
Высота [мм] : 35
Диаметр центрирования [мм] : 55
Ø фаски [мм] : 100
Количество отверстий : 4
|
|
Тормозной диск
R BRAKE 78RBD23257
Толщина тормозного диска (мм) : 8
Наружный диаметр [мм] : 250
Тип тормозного диска : цельный
Высота [мм] : 34,5
Диаметр центрирования [мм] : 55
Ø фаски [мм] : 100
Исполнение оси : Rear
Номер технической информации : 78BD3257-2
проверочное значение : E1 90R-02C0415/0089
Диаметр [мм] : 55
Толщина [мм] : 9
Минимальная толщина [мм] : 8
Расположение/число отверстий : 4
Вес [кг] : 6 068
|
|
Тормозной диск
RAICAM RD00393
выполняет нормы ЕЭК : E1
Сторона установки : Задний мост
Минимальная толщина [мм] : 8
Высота [мм] : 35
Наружный диаметр [мм] : 251
Вес [кг] : 3,1
Диаметр центрирования [мм] : 55
Тип тормозного диска : цельный
Распредвал : DOHC
Число отверстий в диске колеса : 4
Толщина тормозного диска (мм) : 9
|
|
Тормозной диск
RAICAM RD00399
Толщина тормозного диска (мм) : 20
Сторона установки : передний мост
Минимальная толщина [мм] : 18
Высота [мм] : 45
Наружный диаметр [мм] : 255
Вес [кг] : 4,4
Диаметр центрирования [мм] : 55
Тип тормозного диска : вентилируемый
выполняет нормы ЕЭК : E1
Число отверстий в диске колеса : 4
|
|
Тормозной диск
REMSA 61379.00
Тип тормозного диска : цельный
Диаметр [мм] : 350
Толщина тормозного диска (мм) : 34
Минимальная толщина [мм] : 32
Высота [мм] : 49,5
Диаметр центрирования [мм] : 90
Количество отверстий : 4
Вес [кг] : 3,76
Сторона установки : Задний мост
Наружный диаметр [мм] : 350
|
|
Тормозной диск
REMSA 61380.10
Тип тормозного диска : вентилируемый
Диаметр [мм] : 269,7
Толщина тормозного диска (мм) : 22
Минимальная толщина [мм] : 20
Высота [мм] : 46
Диаметр центрирования [мм] : 55
Количество отверстий : 4
Вес [кг] : 5,86
Сторона установки : передний мост
Наружный диаметр [мм] : 270
|
|
Тормозной диск
REMSA 6148.00
проверочное значение : K.B.A.: 61210
Сторона установки : Задний мост
Диаметр [мм] : 250
Высота [мм] : 34,5
Тип тормозного диска : цельный
Толщина тормозного диска (мм) : 9
Минимальная толщина [мм] : 8
Количество отверстий : 4
Диаметр центрирования [мм] : 55
Вес [кг] : 3,07
Наружный диаметр [мм] : 250
|
|
Тормозной диск
REMSA 6843.10
проверочное значение : K.B.A.: 61209
Сторона установки : передний мост
Диаметр [мм] : 255
Высота [мм] : 45
Тип тормозного диска : вентилируемый
Толщина тормозного диска (мм) : 20
Минимальная толщина [мм] : 18
Количество отверстий : 4
Диаметр центрирования [мм] : 55
Вес [кг] : 4,48
Наружный диаметр [мм] : 255
|
|
Тормозной диск
RIDEX 82B0361
Сторона установки : передний мост
Тип тормозного диска : вентилируемый
Толщина тормозного диска (мм) : 20
Ø фаски [мм] : 100
Дополнительный артикул / дополнительная информация 2 : без ступицы
Дополнительный артикул / дополнительная информация 2 : без колесной крепящей оси
направленные тормозные колодки :
ненаправленные тормозные колодки :
Минимальная толщина [мм] : 18
Высота [мм] : 45
Расположение/число отверстий : 04/05
Диаметр центрирования [мм] : 55
Вес [кг] : 4,4
Внутренний диаметр : 125
Диаметр отверстия [мм] : 13,2
Наружный диаметр [мм] : 255
|
|
Тормозной диск
RIDEX 82B0408
Толщина тормозного диска (мм) : 9
Тип тормозного диска : цельный
Минимальная толщина [мм] : 8
Высота [мм] : 34,5
Расположение/число отверстий : 04/07
Ø фаски [мм] : 100
Диаметр центрирования [мм] : 55
Дополнительный артикул / дополнительная информация 2 : без ступицы
Дополнительный артикул / дополнительная информация 2 : без колесной крепящей оси
Диаметр отверстия [мм] : 13
Внутренний диаметр : 125
Наружный диаметр [мм] : 250
Поверхность : без покрытия
|
|
Тормозной диск
RIDEX 82B1099
Толщина тормозного диска (мм) : 10
Тип тормозного диска : цельный
Минимальная толщина [мм] : 8
Высота [мм] : 35
Расположение/число отверстий : 04/05
Ø фаски [мм] : 100
Диаметр центрирования [мм] : 55
Дополнительный артикул / дополнительная информация 2 : без ступицы
Дополнительный артикул / дополнительная информация 2 : без колесной крепящей оси
Диаметр отверстия [мм] : 13
Внутренний диаметр : 125
Сторона установки : Задний мост
Наружный диаметр [мм] : 276
|
|
Тормозной диск
RIDEX 82B1101
Наружный диаметр [мм] : 270
Толщина тормозного диска (мм) : 22
Тип тормозного диска : вентилируемый
Минимальная толщина [мм] : 20
Высота [мм] : 46,2
Ø фаски [мм] : 100
Диаметр центрирования [мм] : 55
Дополнительный артикул / дополнительная информация 2 : без ступицы
Дополнительный артикул / дополнительная информация 2 : без колесной крепящей оси
Сторона установки : передний мост
Расположение/число отверстий : 4/5
Внутренний диаметр : 125
|
|
Тормозной диск
ROADHOUSE 61379.00
Тип тормозного диска : цельный
Диаметр [мм] : 350
Толщина тормозного диска (мм) : 34
Минимальная толщина [мм] : 32
Высота [мм] : 49,5
Диаметр центрирования [мм] : 90
Количество отверстий : 4
Вес [кг] : 3,76
Сторона установки : Задний мост
Наружный диаметр [мм] : 350
|
|
Тормозной диск
ROADHOUSE 61380.10
Тип тормозного диска : вентилируемый
Диаметр [мм] : 269,7
Толщина тормозного диска (мм) : 22
Минимальная толщина [мм] : 20
Высота [мм] : 46
Диаметр центрирования [мм] : 55
Количество отверстий : 4
Вес [кг] : 5,86
Сторона установки : передний мост
Наружный диаметр [мм] : 270
|
|
Тормозной диск
ROADHOUSE 6148.00
проверочное значение : K.B.A.: 61210
Вес [кг] : 3,07
Сторона установки : Задний мост
Диаметр [мм] : 250
Толщина тормозного диска (мм) : 9
Минимальная толщина [мм] : 8
Высота [мм] : 34,5
Диаметр центрирования [мм] : 55
Количество отверстий : 4
Тип тормозного диска : цельный
Наружный диаметр [мм] : 250
|
|
Тормозной диск
ROADHOUSE 6843.10
проверочное значение : K.B.A.: 61209
Вес [кг] : 4,48
Сторона установки : передний мост
Диаметр [мм] : 255
Толщина тормозного диска (мм) : 20
Минимальная толщина [мм] : 18
Высота [мм] : 45
Диаметр центрирования [мм] : 55
Количество отверстий : 4
Тип тормозного диска : вентилируемый
Наружный диаметр [мм] : 255
|
|
Тормозной диск
ROTINGER RT 1065
Тип тормозного диска : цельный
Сторона установки : Задний мост
Наружный диаметр [мм] : 250
Внутренний диаметр : 124,7
Диаметр центрирования [мм] : 55
Высота [мм] : 34,5
Толщина тормозного диска (мм) : 9
Минимальная толщина [мм] : 8
Количество отверстий : 4
Размер резьбы : 13
Количество отверстий 1 : 2
Расстояние между отверст. 1 [мм] : 100
Вес [кг] : 3,1
Ø фаски [мм] : 100
|
|
Тормозной диск
ROTINGER RT 1065-GL
Тип тормозного диска : цельный
Поверхность : с гальваническим покрытием
Сторона установки : Задний мост
Наружный диаметр [мм] : 250
Внутренний диаметр : 124,7
Диаметр центрирования [мм] : 55
Высота [мм] : 34,5
Толщина тормозного диска (мм) : 9
Минимальная толщина [мм] : 8
Количество отверстий : 4
Размер резьбы : 13
Количество отверстий 1 : 2
Расстояние между отверст. 1 [мм] : 100
Вес [кг] : 3,1
Ø фаски [мм] : 100
|
|
Тормозной диск
ROTINGER RT 1065-GL T3
Тип тормозного диска : цельный
Тип тормозного диска : перфорированный
Поверхность : с гальваническим покрытием
Сторона установки : Задний мост
Наружный диаметр [мм] : 250
Внутренний диаметр : 124,7
Диаметр центрирования [мм] : 55
Высота [мм] : 34,5
Толщина тормозного диска (мм) : 9
Минимальная толщина [мм] : 8
Количество отверстий : 4
Размер резьбы : 13
Количество отверстий 1 : 2
Расстояние между отверст. 1 [мм] : 100
Вес [кг] : 3,1
Ø фаски [мм] : 100
|
|
Тормозной диск
ROTINGER RT 1065-GL T5
Тип тормозного диска : цельный
Тип тормозного диска : перфорированный
Поверхность : с гальваническим покрытием
Сторона установки : Задний мост
Наружный диаметр [мм] : 250
Внутренний диаметр : 124,7
Диаметр центрирования [мм] : 55
Высота [мм] : 34,5
Толщина тормозного диска (мм) : 9
Минимальная толщина [мм] : 8
Количество отверстий : 4
Размер резьбы : 13
Количество отверстий 1 : 2
Расстояние между отверст. 1 [мм] : 100
Вес [кг] : 3,1
Ø фаски [мм] : 100
|
|
Тормозной диск
ROTINGER RT 1065-GL T6
Тип тормозного диска : цельный
Поверхность : с гальваническим покрытием
Сторона установки : Задний мост
Наружный диаметр [мм] : 250
Внутренний диаметр : 124,7
Диаметр центрирования [мм] : 55
Высота [мм] : 34,5
Толщина тормозного диска (мм) : 9
Минимальная толщина [мм] : 8
Количество отверстий : 4
Размер резьбы : 13
Количество отверстий 1 : 2
Расстояние между отверст. 1 [мм] : 100
Вес [кг] : 3,1
Ø фаски [мм] : 100
|
|
Тормозной диск
ROTINGER RT 1065-GL T9
Тип тормозного диска : цельный
Поверхность : с гальваническим покрытием
Сторона установки : Задний мост
Наружный диаметр [мм] : 250
Внутренний диаметр : 124,7
Диаметр центрирования [мм] : 55
Высота [мм] : 34,5
Толщина тормозного диска (мм) : 9
Минимальная толщина [мм] : 8
Количество отверстий : 4
Размер резьбы : 13
Количество отверстий 1 : 2
Расстояние между отверст. 1 [мм] : 100
Вес [кг] : 3,1
Ø фаски [мм] : 100
|
|
Тормозной диск
ROTINGER RT 1917
Тип тормозного диска : цельный
Сторона установки : Задний мост
Наружный диаметр [мм] : 275,7
Внутренний диаметр : 124
Диаметр центрирования [мм] : 55
Высота [мм] : 35
Толщина тормозного диска (мм) : 10
Минимальная толщина [мм] : 8
Количество отверстий : 4
Размер резьбы : 13,1
Вес [кг] : 3,9
Ø фаски [мм] : 100
|
|
Тормозной диск
ROTINGER RT 1917-GL
Тип тормозного диска : цельный
Поверхность : с гальваническим покрытием
Сторона установки : Задний мост
Наружный диаметр [мм] : 275,7
Внутренний диаметр : 124
Диаметр центрирования [мм] : 55
Высота [мм] : 35
Толщина тормозного диска (мм) : 10
Минимальная толщина [мм] : 8
Количество отверстий : 4
Размер резьбы : 13,1
Вес [кг] : 3,9
Ø фаски [мм] : 100
|
|
Тормозной диск
ROTINGER RT 1917-GL T3
Тип тормозного диска : перфорированный
Тип тормозного диска : цельный
Поверхность : с гальваническим покрытием
Сторона установки : Задний мост
Наружный диаметр [мм] : 275,7
Внутренний диаметр : 124
Диаметр центрирования [мм] : 55
Высота [мм] : 35
Толщина тормозного диска (мм) : 10
Минимальная толщина [мм] : 8
Количество отверстий : 4
Размер резьбы : 13,1
Вес [кг] : 3,9
Ø фаски [мм] : 100
|
|
Тормозной диск
ROTINGER RT 1917-GL T5
Тип тормозного диска : цельный
Тип тормозного диска : перфорированный
Поверхность : с гальваническим покрытием
Сторона установки : Задний мост
Наружный диаметр [мм] : 275,7
Внутренний диаметр : 124
Диаметр центрирования [мм] : 55
Высота [мм] : 35
Толщина тормозного диска (мм) : 10
Минимальная толщина [мм] : 8
Количество отверстий : 4
Размер резьбы : 13,1
Вес [кг] : 3,9
Ø фаски [мм] : 100
|
|
Тормозной диск
ROTINGER RT 1917-GL T6
Тип тормозного диска : цельный
Поверхность : с гальваническим покрытием
Сторона установки : Задний мост
Наружный диаметр [мм] : 275,7
Внутренний диаметр : 124
Диаметр центрирования [мм] : 55
Высота [мм] : 35
Толщина тормозного диска (мм) : 10
Минимальная толщина [мм] : 8
Количество отверстий : 4
Размер резьбы : 13,1
Вес [кг] : 3,9
Ø фаски [мм] : 100
|
|
Тормозной диск
ROTINGER RT 1917-GL T9
Тип тормозного диска : цельный
Поверхность : с гальваническим покрытием
Сторона установки : Задний мост
Наружный диаметр [мм] : 275,7
Внутренний диаметр : 124
Диаметр центрирования [мм] : 55
Высота [мм] : 35
Толщина тормозного диска (мм) : 10
Минимальная толщина [мм] : 8
Количество отверстий : 4
Размер резьбы : 13,1
Вес [кг] : 3,9
Ø фаски [мм] : 100
|
|
Тормозной диск
ROTINGER RT 20678
Тип тормозного диска : вентилируемый
Сторона установки : передний мост
Наружный диаметр [мм] : 270
Внутренний диаметр : 124,8
Диаметр центрирования [мм] : 55
Высота [мм] : 46
Толщина тормозного диска (мм) : 22
Минимальная толщина [мм] : 20
Количество отверстий : 4
Размер резьбы : 13
Вес [кг] : 5,8
Ø фаски [мм] : 100
|
|
Тормозной диск
ROTINGER RT 20678-GL
Тип тормозного диска : вентилируемый
Поверхность : с гальваническим покрытием
Сторона установки : передний мост
Наружный диаметр [мм] : 270
Внутренний диаметр : 124,8
Диаметр центрирования [мм] : 55
Высота [мм] : 46
Толщина тормозного диска (мм) : 22
Минимальная толщина [мм] : 20
Количество отверстий : 4
Размер резьбы : 13
Вес [кг] : 5,8
Ø фаски [мм] : 100
|
|
Тормозной диск
ROTINGER RT 20678-GL T3
Тип тормозного диска : перфорированный
Тип тормозного диска : вентилируемый
Поверхность : с гальваническим покрытием
Сторона установки : передний мост
Наружный диаметр [мм] : 270
Внутренний диаметр : 124,8
Диаметр центрирования [мм] : 55
Высота [мм] : 46
Толщина тормозного диска (мм) : 22
Минимальная толщина [мм] : 20
Количество отверстий : 4
Размер резьбы : 13
Вес [кг] : 5,8
Ø фаски [мм] : 100
|
|
Тормозной диск
ROTINGER RT 20678-GL T5
Тип тормозного диска : вентилируемый
Тип тормозного диска : перфорированный
Поверхность : с гальваническим покрытием
Сторона установки : передний мост
Наружный диаметр [мм] : 270
Внутренний диаметр : 124,8
Диаметр центрирования [мм] : 55
Высота [мм] : 46
Толщина тормозного диска (мм) : 22
Минимальная толщина [мм] : 20
Количество отверстий : 4
Размер резьбы : 13
Вес [кг] : 5,8
Ø фаски [мм] : 100
|
|
Тормозной диск
ROTINGER RT 20678-GL T6
Тип тормозного диска : вентилируемый
Поверхность : с гальваническим покрытием
Сторона установки : передний мост
Наружный диаметр [мм] : 270
Внутренний диаметр : 124,8
Диаметр центрирования [мм] : 55
Высота [мм] : 46
Толщина тормозного диска (мм) : 22
Минимальная толщина [мм] : 20
Количество отверстий : 4
Размер резьбы : 13
Вес [кг] : 5,8
Ø фаски [мм] : 100
|
|
Тормозной диск
ROTINGER RT 20678-GL T9
Тип тормозного диска : вентилируемый
Поверхность : с гальваническим покрытием
Сторона установки : передний мост
Наружный диаметр [мм] : 270
Внутренний диаметр : 124,8
Диаметр центрирования [мм] : 55
Высота [мм] : 46
Толщина тормозного диска (мм) : 22
Минимальная толщина [мм] : 20
Количество отверстий : 4
Размер резьбы : 13
Вес [кг] : 5,8
Ø фаски [мм] : 100
|
|
Тормозной диск
ROTINGER RT 2243
Тип тормозного диска : вентилируемый
Сторона установки : передний мост
Наружный диаметр [мм] : 255
Внутренний диаметр : 124,8
Диаметр центрирования [мм] : 55
Высота [мм] : 45
Толщина тормозного диска (мм) : 20
Минимальная толщина [мм] : 18
Количество отверстий : 4
Размер резьбы : 13
Вес [кг] : 4,7
Ø фаски [мм] : 100
|
|
Тормозной диск
ROTINGER RT 2243-GL
Тип тормозного диска : вентилируемый
Поверхность : с гальваническим покрытием
Сторона установки : передний мост
Наружный диаметр [мм] : 255
Внутренний диаметр : 124,8
Диаметр центрирования [мм] : 55
Высота [мм] : 45
Толщина тормозного диска (мм) : 20
Минимальная толщина [мм] : 18
Количество отверстий : 4
Размер резьбы : 13
Вес [кг] : 4,7
Ø фаски [мм] : 100
|
|
Тормозной диск
ROTINGER RT 2243-GL T3
Тип тормозного диска : вентилируемый
Тип тормозного диска : перфорированный
Поверхность : с гальваническим покрытием
Сторона установки : передний мост
Наружный диаметр [мм] : 255
Внутренний диаметр : 124,8
Диаметр центрирования [мм] : 55
Высота [мм] : 45
Толщина тормозного диска (мм) : 20
Минимальная толщина [мм] : 18
Количество отверстий : 4
Размер резьбы : 13
Вес [кг] : 4,7
Ø фаски [мм] : 100
|
|
Тормозной диск
ROTINGER RT 2243-GL T5
Тип тормозного диска : перфорированный
Тип тормозного диска : вентилируемый
Поверхность : с гальваническим покрытием
Сторона установки : передний мост
Наружный диаметр [мм] : 255
Внутренний диаметр : 124,8
Диаметр центрирования [мм] : 55
Высота [мм] : 45
Толщина тормозного диска (мм) : 20
Минимальная толщина [мм] : 18
Количество отверстий : 4
Размер резьбы : 13
Вес [кг] : 4,7
Ø фаски [мм] : 100
|
|
Тормозной диск
ROTINGER RT 2243-GL T6
Тип тормозного диска : вентилируемый
Поверхность : с гальваническим покрытием
Сторона установки : передний мост
Наружный диаметр [мм] : 255
Внутренний диаметр : 124,8
Диаметр центрирования [мм] : 55
Высота [мм] : 45
Толщина тормозного диска (мм) : 20
Минимальная толщина [мм] : 18
Количество отверстий : 4
Размер резьбы : 13
Вес [кг] : 4,7
Ø фаски [мм] : 100
|
|
Тормозной диск
ROTINGER RT 2243-GL T9
Тип тормозного диска : вентилируемый
Поверхность : с гальваническим покрытием
Сторона установки : передний мост
Наружный диаметр [мм] : 255
Внутренний диаметр : 124,8
Диаметр центрирования [мм] : 55
Высота [мм] : 45
Толщина тормозного диска (мм) : 20
Минимальная толщина [мм] : 18
Количество отверстий : 4
Размер резьбы : 13
Вес [кг] : 4,7
Ø фаски [мм] : 100
|
|
Тормозной диск
SAKURA 605-30-3535
Сторона установки : Задний мост
Толщина тормозного диска (мм) : 9
Высота [мм] : 34,5
Диаметр центрирования [мм] : 55
Номер продукции : S6053535
Наружный диаметр [мм] : 250
Тип тормозного диска : цельный
|
|
Тормозной диск
SAMKO M5035V
Диаметр центрирования [мм] : 55
Высота [мм] : 46,5
Тип тормозного диска : вентилируемый
Толщина тормозного диска (мм) : 22
Минимальная толщина [мм] : 20
Наружный диаметр [мм] : 270
Количество отверстий : 4
|
|
Тормозной диск
SAMKO M5751P
Высота [мм] : 35
Тип тормозного диска : цельный
Толщина тормозного диска (мм) : 9
Минимальная толщина [мм] : 8
Наружный диаметр [мм] : 251
Количество отверстий : 4
Диаметр центрирования [мм] : 55
|
|
Тормозной диск
SAMKO M5751PR
Количество отверстий : 4
Наружный диаметр [мм] : 251
Высота [мм] : 35
Минимальная толщина [мм] : 8
Диаметр центрирования [мм] : 55
Поверхность : с покрытием
Толщина тормозного диска (мм) : 9
Тип тормозного диска : цельный
|
|
Тормозной диск
SKF VKBD 80530 V2
Тип тормозного диска : вентилируемый
Наружный диаметр [мм] : 270
Толщина тормозного диска (мм) : 22
Высота [мм] : 46,2
Ø фаски [мм] : 100
Диаметр центрирования [мм] : 55
Количество отверстий : 4
Поверхность : с покрытием
Минимальная толщина [мм] : 20
Число отверстий : 1
|
|
Тормозной диск
SKF VKBD 80804 V2
Тип тормозного диска : вентилируемый
Наружный диаметр [мм] : 255
Толщина тормозного диска (мм) : 20
Высота [мм] : 45
Ø фаски [мм] : 100
Диаметр центрирования [мм] : 55
Количество отверстий : 4
Поверхность : с покрытием
Минимальная толщина [мм] : 18
Число отверстий : 1
|
|
Тормозной диск
SKF VKBD 90705 S2
Тип тормозного диска : цельный
Наружный диаметр [мм] : 250
Толщина тормозного диска (мм) : 9
Высота [мм] : 34,5
Ø фаски [мм] : 100
Диаметр центрирования [мм] : 55
Количество отверстий : 4
Поверхность : с покрытием
Минимальная толщина [мм] : 8
Число отверстий : 3
|
|
Тормозной диск
Stark SKBD-0020366
Сторона установки : передний мост
Тип тормозного диска : вентилируемый
Толщина тормозного диска (мм) : 20
Ø фаски [мм] : 100
Дополнительный артикул / дополнительная информация 2 : без ступицы
Дополнительный артикул / дополнительная информация 2 : без колесной крепящей оси
направленные тормозные колодки :
ненаправленные тормозные колодки :
Минимальная толщина [мм] : 18
Высота [мм] : 45
Расположение/число отверстий : 04/05
Диаметр центрирования [мм] : 55
Вес [кг] : 4,4
Внутренний диаметр : 125
Диаметр отверстия [мм] : 13,2
Наружный диаметр [мм] : 255
|
|
Тормозной диск
Stark SKBD-0022079
Толщина тормозного диска (мм) : 9
Тип тормозного диска : цельный
Минимальная толщина [мм] : 8
Высота [мм] : 34,5
Расположение/число отверстий : 04/07
Ø фаски [мм] : 100
Диаметр центрирования [мм] : 55
Дополнительный артикул / дополнительная информация 2 : без ступицы
Дополнительный артикул / дополнительная информация 2 : без колесной крепящей оси
Диаметр отверстия [мм] : 13
Внутренний диаметр : 125
Наружный диаметр [мм] : 250
Поверхность : без покрытия
|
|
Тормозной диск
Stark SKBD-0023249
Толщина тормозного диска (мм) : 10
Тип тормозного диска : цельный
Минимальная толщина [мм] : 8
Высота [мм] : 35
Расположение/число отверстий : 04/05
Ø фаски [мм] : 100
Диаметр центрирования [мм] : 55
Дополнительный артикул / дополнительная информация 2 : без ступицы
Дополнительный артикул / дополнительная информация 2 : без колесной крепящей оси
Диаметр отверстия [мм] : 13
Внутренний диаметр : 125
Сторона установки : Задний мост
Наружный диаметр [мм] : 276
|
|
Тормозной диск
SWAG 33 10 6454
Толщина тормозного диска (мм) : 22
Число отверстий в диске колеса : 4
Толщина [мм] : 46
Внутренний диаметр : 125
Наружный диаметр [мм] : 269,8
Ø фаски [мм] : 100
Поверхность : с покрытием
Тип тормозного диска : вентилируемый
Сторона установки : передний мост
Минимальная толщина [мм] : 20
Диаметр центрирования [мм] : 55
|
|
Тормозной диск
SWAG 33 10 6462
Толщина тормозного диска (мм) : 10
Число отверстий в диске колеса : 4
Количество крепежных отверстий : 1
Толщина [мм] : 35
Наружный диаметр [мм] : 276
Ø фаски [мм] : 100
Поверхность : с покрытием
Тип тормозного диска : цельный
Сторона установки : Задний мост
Минимальная толщина [мм] : 8
Диаметр центрирования [мм] : 55
|
|
Тормозной диск
SWAG 33 10 6502
Толщина тормозного диска (мм) : 19,8
Число отверстий в диске колеса : 4
Толщина [мм] : 46,6
Наружный диаметр [мм] : 255
Ø фаски [мм] : 100
Поверхность : с покрытием
Тип тормозного диска : вентилируемый
Сторона установки : передний мост
Минимальная толщина [мм] : 18
Диаметр центрирования [мм] : 55
|
|
Тормозной диск
SWAG 33 10 6630
Толщина тормозного диска (мм) : 9
Число отверстий в диске колеса : 4
Количество крепежных отверстий : 3
Толщина [мм] : 35
Наружный диаметр [мм] : 251
Ø фаски [мм] : 100
Поверхность : с покрытием
Тип тормозного диска : цельный
Сторона установки : Задний мост
Минимальная толщина [мм] : 8
Диаметр центрирования [мм] : 55
|
|
Тормозной диск
TEXTAR 92096800
Тип тормозного диска : вентилируемый
Наружный диаметр [мм] : 255
Толщина тормозного диска (мм) : 20
Высота [мм] : 44,9
Минимальная толщина [мм] : 18
Внутренний диаметр : 125
Ø фаски [мм] : 100
Диаметр центрирования [мм] : 55
Расположение/число отверстий : 04/05
Диаметр отверстия под шпильку колеса [мм] : 12,9
Дополнительный артикул / дополнительная информация 2 : без ступицы
Дополнительный артикул / дополнительная информация 2 : без колесного подшипника
Дополнительный артикул / дополнительная информация 2 : без колесной крепящей оси
Длина упаковки [см] : 27,8
Ширина упаковки [см] : 27,8
Высота упаковки [см] : 10,5
Вес [кг] : 4,5
|
|
Тормозной диск
TEXTAR 92175903
Тип тормозного диска : вентилируемый
Наружный диаметр [мм] : 270
Толщина тормозного диска (мм) : 22
Высота [мм] : 46,2
Минимальная толщина [мм] : 20
Поверхность : с покрытием
Внутренний диаметр : 125
Ø фаски [мм] : 100
Диаметр центрирования [мм] : 55
Расположение/число отверстий : 04/05
Диаметр отверстия под шпильку колеса [мм] : 13,3
Дополнительный артикул / дополнительная информация 2 : без ступицы
Дополнительный артикул / дополнительная информация 2 : без колесного подшипника
Дополнительный артикул / дополнительная информация 2 : без колесной крепящей оси
Длина упаковки [см] : 27,8
Ширина упаковки [см] : 27,8
Высота упаковки [см] : 12,2
Вес [кг] : 5,9
|
|
Тормозной диск
TEXTAR 92061700
Тип тормозного диска : цельный
Наружный диаметр [мм] : 250
Толщина тормозного диска (мм) : 9
Высота [мм] : 34,5
Минимальная толщина [мм] : 8
Внутренний диаметр : 125
Ø фаски [мм] : 100
Диаметр центрирования [мм] : 55
Расположение/число отверстий : 04/07
Диаметр отверстия под шпильку колеса [мм] : 13,1
Дополнительный артикул / дополнительная информация 2 : без ступицы
Дополнительный артикул / дополнительная информация 2 : без колесного подшипника
Дополнительный артикул / дополнительная информация 2 : без колесной крепящей оси
Длина упаковки [см] : 27,8
Ширина упаковки [см] : 27,8
Высота упаковки [см] : 10,5
Вес [кг] : 3,1
|
|
Тормозной диск
TEXTAR 92188303
Тип тормозного диска : цельный
Наружный диаметр [мм] : 276
Толщина тормозного диска (мм) : 10
Высота [мм] : 35
Минимальная толщина [мм] : 8
Поверхность : с покрытием
Внутренний диаметр : 125
Ø фаски [мм] : 100
Диаметр центрирования [мм] : 55
Расположение/число отверстий : 04/05
Диаметр отверстия под шпильку колеса [мм] : 13
Дополнительный артикул / дополнительная информация 2 : без ступицы
Дополнительный артикул / дополнительная информация 2 : без колесного подшипника
Дополнительный артикул / дополнительная информация 2 : без колесной крепящей оси
Длина упаковки [см] : 30,3
Ширина упаковки [см] : 30,3
Высота упаковки [см] : 8,6
Вес [кг] : 3,9
|
|
Тормозной диск
TRISCAN 8120 50143C
Наружный диаметр [мм] : 255
Диаметр центрирования [мм] : 55
Тип тормозного диска : вентилируемый
Высота [мм] : 44,9
Количество отверстий : 4
Поверхность : с покрытием
Толщина тормозного диска (мм) : 20
Минимальная толщина [мм] : 18
|
|
Тормозной диск
TRISCAN 8120 50118C
Наружный диаметр [мм] : 250
Диаметр центрирования [мм] : 55
Тип тормозного диска : цельный
Высота [мм] : 34,5
Количество отверстий : 4
Поверхность : с покрытием
Толщина тормозного диска (мм) : 9
Минимальная толщина [мм] : 8
|
|
Тормозной диск
TRISCAN 8120 50155C
Наружный диаметр [мм] : 276
Диаметр центрирования [мм] : 55
Тип тормозного диска : цельный
Высота [мм] : 35
Количество отверстий : 4
Поверхность : с покрытием
Толщина тормозного диска (мм) : 10
Минимальная толщина [мм] : 8
|
|
Тормозной диск
TRUSTING DF058
проверочное значение : ECE-R90
Высота [мм] : 34,5
Тип тормозного диска : цельный
Толщина тормозного диска (мм) : 9
Наружный диаметр [мм] : 250
Количество отверстий : 4
Диаметр центрирования [мм] : 55
|
|
Тормозной диск
TRUSTING DF713
проверочное значение : ECE-R90
Высота [мм] : 45,1
Тип тормозного диска : вентилируемый
Толщина тормозного диска (мм) : 20
Наружный диаметр [мм] : 255
Количество отверстий : 4
Диаметр центрирования [мм] : 55,1
|
|
Тормозной диск
TRW DF2703
Тип тормозного диска : цельный
Наружный диаметр [мм] : 251
Толщина тормозного диска (мм) : 9
Минимальная толщина [мм] : 8
Диаметр центрирования [мм] : 55
Высота [мм] : 34,5
Количество отверстий : 4
Размер резьбы : 13
Ø фаски [мм] : 100
Цвет : чёрный
Поверхность : лакированный
проверочное значение : E190R-02C0190/0152
SVHC : Нет информации, обратитесь, пожалуйста, к производителю!
|
|
Тормозной диск
TRW DF4121
Тип тормозного диска : вентилируемый
Наружный диаметр [мм] : 255
Толщина тормозного диска (мм) : 20
Минимальная толщина [мм] : 18
Диаметр центрирования [мм] : 55
Высота [мм] : 45
Количество отверстий : 4
Размер резьбы : 13
Ø фаски [мм] : 100
Цвет : чёрный
Поверхность : лакированный
проверочное значение : E1 90R-02 C0176/0533
SVHC : Нет информации, обратитесь, пожалуйста, к производителю!
|
|
Тормозной диск
TRW DF4405
Тип тормозного диска : вентилируемый
Толщина тормозного диска (мм) : 22
Наружный диаметр [мм] : 270
Ø фаски [мм] : 100
Количество отверстий : 4
Высота [мм] : 46,5
Диаметр центрирования [мм] : 55
Размер резьбы : 13,2
Минимальная толщина [мм] : 20
Обработка : Высокоуглеродистый
Цвет : чёрный
Поверхность : лакированный
SVHC : Нет информации, обратитесь, пожалуйста, к производителю!
|
|
Тормозной диск
TRW DF4406
Диаметр центрирования [мм] : 55
Высота [мм] : 34,7
Минимальная толщина [мм] : 8
Тип тормозного диска : цельный
Размер резьбы : 13,2
Толщина тормозного диска (мм) : 10
Наружный диаметр [мм] : 276
Ø фаски [мм] : 100
Количество отверстий : 4
Цвет : чёрный
Поверхность : лакированный
проверочное значение : E1 90R-02 C0190/0261
SVHC : Нет информации, обратитесь, пожалуйста, к производителю!
|
|
Тормозной диск
WOKING D61379.00
Тип тормозного диска : цельный
Диаметр [мм] : 350
Толщина тормозного диска (мм) : 34
Минимальная толщина [мм] : 32
Высота [мм] : 49,5
Диаметр центрирования [мм] : 90
Количество отверстий : 4
Вес [кг] : 3,76
Сторона установки : Задний мост
Наружный диаметр [мм] : 350
|
|
Тормозной диск
WOKING D61380.10
Тип тормозного диска : вентилируемый
Диаметр [мм] : 269,7
Толщина тормозного диска (мм) : 22
Минимальная толщина [мм] : 20
Высота [мм] : 46
Диаметр центрирования [мм] : 55
Количество отверстий : 4
Вес [кг] : 5,86
Сторона установки : передний мост
Наружный диаметр [мм] : 270
|
|
Тормозной диск
WOKING D6148.00
проверочное значение : K.B.A.: 61210
Сторона установки : Задний мост
Диаметр [мм] : 250
Толщина тормозного диска (мм) : 9
Минимальная толщина [мм] : 8
Высота [мм] : 34,5
Диаметр центрирования [мм] : 55
Количество отверстий : 4
Тип тормозного диска : цельный
Вес [кг] : 3,07
Наружный диаметр [мм] : 250
|
|
Тормозной диск
WOKING D6843.10
проверочное значение : K.B.A.: 61209
Сторона установки : передний мост
Диаметр [мм] : 255
Толщина тормозного диска (мм) : 20
Минимальная толщина [мм] : 18
Высота [мм] : 45
Диаметр центрирования [мм] : 55
Количество отверстий : 4
Тип тормозного диска : вентилируемый
Вес [кг] : 4,48
Наружный диаметр [мм] : 255
|
|
Тормозной диск
ZEKKERT BS-6020
Тип тормозного диска : вентилируемый
Наружный диаметр [мм] : 255
Высота [мм] : 45
Толщина тормозного диска (мм) : 20
Минимальная толщина [мм] : 18
Количество отверстий : 5
Диаметр центрирования [мм] : 55,1
Диаметр расположения крепёжных отверстий ступицы [мм] : 100
Номера артикулов рекомендуемых комплектующих : CP-1105
Номера артикулов рекомендуемых комплектующих : CP-1205
Номера артикулов рекомендуемых комплектующих : CP-1305
Номера артикулов рекомендуемых комплектующих : CP-1965
Номера артикулов рекомендуемых комплектующих : FK-2005
Номера артикулов рекомендуемых комплектующих : FK-2010
Вес [кг] : 4,8
|
|
Тормозной диск
ZEKKERT BS-6060
Тип тормозного диска : цельный
Наружный диаметр [мм] : 250
Высота [мм] : 35
Толщина тормозного диска (мм) : 9
Минимальная толщина [мм] : 8
Количество отверстий : 7
Диаметр центрирования [мм] : 55
Сторона установки : Задний мост
Диаметр расположения крепёжных отверстий ступицы [мм] : 100
Номера артикулов рекомендуемых комплектующих : CP-1105
Номера артикулов рекомендуемых комплектующих : CP-1205
Номера артикулов рекомендуемых комплектующих : CP-1305
Номера артикулов рекомендуемых комплектующих : CP-1965
Номера артикулов рекомендуемых комплектующих : FK-2005
Номера артикулов рекомендуемых комплектующих : FK-2010
Вес [кг] : 3,29
|
|
Тормозной диск
ZIMMERMANN 370.3069.20
Сторона установки : передний мост
Тип тормозного диска : вентилируемый
Поверхность : с покрытием
Наружный диаметр [мм] : 255
Толщина тормозного диска (мм) : 20
Высота [мм] : 45
Число отверстий в диске колеса : 4
Ø фаски [мм] : 100
Диаметр центрирования [мм] : 55
проверочное значение : ECE R90 APPROVED
Минимальная толщина [мм] : 18
Расположение/число отверстий : 5/4
Вес [кг] : 4,7
|
|
Тормозной диск
ZIMMERMANN 370.3069.52
Сторона установки : передний мост
Тип тормозного диска : вентилируемый
Тип тормозного диска : перфорированный
Поверхность : с покрытием
Наружный диаметр [мм] : 255
Толщина тормозного диска (мм) : 20
Высота [мм] : 45
Число отверстий в диске колеса : 4
Ø фаски [мм] : 100
Диаметр центрирования [мм] : 55
проверочное значение : KBA 60872
Минимальная толщина [мм] : 18
Расположение/число отверстий : 5/4
Вес [кг] : 4,7
|
|
Тормозной диск
ZIMMERMANN 370.3080.20
Сторона установки : передний мост
Тип тормозного диска : вентилируемый
Поверхность : с покрытием
Наружный диаметр [мм] : 270
Толщина тормозного диска (мм) : 22
Высота [мм] : 46
Число отверстий в диске колеса : 4
Ø фаски [мм] : 100
Диаметр центрирования [мм] : 55
проверочное значение : ECE R90 APPROVED
Минимальная толщина [мм] : 20
Расположение/число отверстий : 5/4
Вес [кг] : 5,8
|
|
Тормозной диск
ZIMMERMANN 370.3080.52
Сторона установки : передний мост
Тип тормозного диска : вентилируемый
Тип тормозного диска : перфорированный
Поверхность : с покрытием
Наружный диаметр [мм] : 270
Толщина тормозного диска (мм) : 22
Высота [мм] : 46
Число отверстий в диске колеса : 4
Ø фаски [мм] : 100
Диаметр центрирования [мм] : 55
проверочное значение : KBA 60872
Минимальная толщина [мм] : 20
Расположение/число отверстий : 5/4
Вес [кг] : 5,8
|
|
Тормозной диск
ZIMMERMANN 370.3086.20
Сторона установки : Задний мост
Тип тормозного диска : цельный
Поверхность : с покрытием
Наружный диаметр [мм] : 276
Толщина тормозного диска (мм) : 10
Высота [мм] : 35
Число отверстий в диске колеса : 4
Ø фаски [мм] : 100
Диаметр центрирования [мм] : 55
проверочное значение : ECE R90 APPROVED
Минимальная толщина [мм] : 8
Расположение/число отверстий : 5/4
Вес [кг] : 3,7
|
|
Тормозной диск
ZIMMERMANN 370.3069.53
Сторона установки : передний мост
Тип тормозного диска : вентилируемый
Тип тормозного диска : с прорезом
Поверхность : с покрытием
Наружный диаметр [мм] : 255
Толщина тормозного диска (мм) : 20
Высота [мм] : 45
Число отверстий в диске колеса : 4
Ø фаски [мм] : 100
Диаметр центрирования [мм] : 55
направленные тормозные колодки :
проверочное значение : ECE R90 APPROVED
Минимальная толщина [мм] : 18
Расположение/число отверстий : 5/4
Вес [кг] : 4,7
|