|
Изображение |
Описание |
|
Тормозной диск
A.B.S. 16953
Наружный диаметр [мм] : 280
Толщина тормозного диска (мм) : 25
Минимальная толщина [мм] : 22
Высота [мм] : 42
Число отверстий в диске колеса : 5
Тип тормозного диска : вентилируемый
Диаметр центрирования [мм] : 70
Ø фаски [мм] : 110
Диаметр ступицы [мм] : 150
|
|
Тормозной диск
A.B.S. 16955
Наружный диаметр [мм] : 264
Толщина тормозного диска (мм) : 10
Минимальная толщина [мм] : 8
Высота [мм] : 42
Число отверстий в диске колеса : 5
Тип тормозного диска : цельный
Диаметр центрирования [мм] : 65,5
Ø фаски [мм] : 110
Диаметр ступицы [мм] : 155
|
|
Тормозной диск
ABAKUS 231-03-009
Тип тормозного диска : вентилируемый
Наружный диаметр [мм] : 280
Толщина тормозного диска (мм) : 24,8
необходимое количество : 2
заменяется только попарно :
Высота [мм] : 42
Ø фаски [мм] : 110
Диаметр центрирования [мм] : 70
Количество отверстий : 5
Номера артикулов рекомендуемых комплектующих : 131-07-109
Номера артикулов рекомендуемых комплектующих : 131-07-110
проверочное значение : ECE R90
Требуется монтаж / демонтаж специалистами! :
|
|
Тормозной диск
ABAKUS 231-03-009-2
Тип тормозного диска : вентилируемый
Наружный диаметр [мм] : 280
Толщина тормозного диска (мм) : 24,8
необходимое количество : 2
заменяется только попарно :
Высота [мм] : 42
Ø фаски [мм] : 110
Диаметр центрирования [мм] : 70
Количество отверстий : 5
Номера артикулов рекомендуемых комплектующих : 131-07-109
Номера артикулов рекомендуемых комплектующих : 131-07-110
проверочное значение : ECE R90
Требуется монтаж / демонтаж специалистами! :
|
|
Тормозной диск
ABAKUS 231-04-004
Тип тормозного диска : цельный
Наружный диаметр [мм] : 264
Толщина тормозного диска (мм) : 9,8
необходимое количество : 2
заменяется только попарно :
Высота [мм] : 42
Ø фаски [мм] : 110
Диаметр центрирования [мм] : 65,5
Количество отверстий : 5
проверочное значение : ECE R90
Требуется монтаж / демонтаж специалистами! :
|
|
Тормозной диск
ABAKUS 231-04-004-2
Тип тормозного диска : цельный
Наружный диаметр [мм] : 264
Толщина тормозного диска (мм) : 9,8
необходимое количество : 2
заменяется только попарно :
Высота [мм] : 42
Ø фаски [мм] : 110
Диаметр центрирования [мм] : 65,5
Количество отверстий : 5
проверочное значение : ECE R90
Требуется монтаж / демонтаж специалистами! :
|
|
Тормозной диск
ABE C3X007ABE
Толщина [мм] : 25
Высота [мм] : 42
Тип тормозного диска : вентилируемый
Толщина тормозного диска (мм) : 25
Минимальная толщина [мм] : 22
Обработка : Высокоуглеродистый
Количество отверстий : 5
Диаметр центрирования [мм] : 70
Наружный диаметр [мм] : 280
Поверхность : с покрытием
Ø фаски [мм] : 110
Сторона установки : передний мост
Цвет : чёрный
выполняет нормы ЕЭК : ECE-R90
Момент затяжки [Нм] : 110
|
|
Тормозной диск
ABE C3X007ABE-P
Толщина [мм] : 25
Высота [мм] : 42
Тип тормозного диска : вентилируемый
Толщина тормозного диска (мм) : 25
Минимальная толщина [мм] : 22
Обработка : Высокоуглеродистый
Количество отверстий : 5
Диаметр центрирования [мм] : 70
Наружный диаметр [мм] : 280
Поверхность : с покрытием
Сторона установки : передний мост
|
|
Тормозной диск
ABE C4X003ABE
Толщина [мм] : 10
Высота [мм] : 42
Тип тормозного диска : цельный
Толщина тормозного диска (мм) : 10
Минимальная толщина [мм] : 8
Количество отверстий : 5
Диаметр центрирования [мм] : 65
Наружный диаметр [мм] : 264
Сторона установки : Задний мост
|
|
Тормозной диск
AISIN Q6F911S
Тип тормозного диска : вентилируемый
Поверхность : с покрытием
Наружный диаметр [мм] : 280
Толщина тормозного диска (мм) : 25
Высота [мм] : 42
Диаметр центрирования [мм] : 70
Минимальная толщина [мм] : 22
Вес [кг] : 6,42
Количество отверстий : 5
Ø фаски [мм] : 110
|
|
Тормозной диск
AISIN Q6R906S
Тип тормозного диска : цельный
Поверхность : с покрытием
Наружный диаметр [мм] : 264
Толщина тормозного диска (мм) : 10
Высота [мм] : 42
Диаметр центрирования [мм] : 65,5
Минимальная толщина [мм] : 8
Вес [кг] : 3,71
Количество отверстий : 5
Ø фаски [мм] : 110
|
|
Тормозной диск
AP 24739
Высота [мм] : 42
Тип тормозного диска : вентилируемый
Обработка : Высокоуглеродистый
Наружный диаметр [мм] : 280
Диаметр центрирования [мм] : 70
Толщина тормозного диска (мм) : 25
Количество отверстий : 5
Минимальная толщина [мм] : 22
Момент затяжки [Нм] : 110
|
|
Тормозной диск
AP 24739 V
Поверхность : с покрытием
Тип тормозного диска : вентилируемый
Обработка : Высокоуглеродистый
Наружный диаметр [мм] : 280
Диаметр центрирования [мм] : 70
Толщина тормозного диска (мм) : 25
Количество отверстий : 5
Минимальная толщина [мм] : 22
Момент затяжки [Нм] : 110
Высота [мм] : 42
|
|
Тормозной диск
AP 24739 X
Момент затяжки [Нм] : 110
Высота [мм] : 42
Поверхность : с покрытием
Тип тормозного диска : перфорированный / вентилируемый
Обработка : Высокоуглеродистый
Наружный диаметр [мм] : 280
Диаметр центрирования [мм] : 70
Толщина тормозного диска (мм) : 25
Количество отверстий : 5
Минимальная толщина [мм] : 22,8
|
|
Тормозной диск
AP X 24739
Обработка : Высокоуглеродистый
Наружный диаметр [мм] : 280
Диаметр центрирования [мм] : 70
Толщина тормозного диска (мм) : 25
Количество отверстий : 5
Минимальная толщина [мм] : 22
Момент затяжки [Нм] : 110
Тип тормозного диска : вентилируемый
Высота [мм] : 42
Поверхность : с покрытием
Тип тормозного диска : с прорезом
|
|
Тормозной диск
AP 15373
Высота [мм] : 42
Тип тормозного диска : цельный
Диаметр центрирования [мм] : 65
Наружный диаметр [мм] : 264
Количество отверстий : 5
Толщина тормозного диска (мм) : 10
Момент затяжки [Нм] : 110
Минимальная толщина [мм] : 8
Дополнительный артикул / дополнительная информация 2 : с винтами
|
|
Тормозной диск
AP 15373 V
Высота [мм] : 42
Дополнительный артикул / дополнительная информация 2 : с винтами
Тип тормозного диска : цельный
Диаметр центрирования [мм] : 65
Наружный диаметр [мм] : 264
Количество отверстий : 5
Толщина тормозного диска (мм) : 10
Момент затяжки [Нм] : 110
Минимальная толщина [мм] : 8
Поверхность : с покрытием
|
|
Тормозной диск
AP 15373 X
Момент затяжки [Нм] : 110
Минимальная толщина [мм] : 8,5
Поверхность : с покрытием
Тип тормозного диска : цельный
Высота [мм] : 42
Дополнительный артикул / дополнительная информация 2 : с винтами
Тип тормозного диска : перфорированный
Диаметр центрирования [мм] : 65
Наружный диаметр [мм] : 264
Количество отверстий : 5
Толщина тормозного диска (мм) : 10
|
|
Тормозной диск
AP X 15373
Тип тормозного диска : цельный
Высота [мм] : 42
Дополнительный артикул / дополнительная информация 2 : с винтами
Тип тормозного диска : с прорезом
Диаметр центрирования [мм] : 65
Наружный диаметр [мм] : 264
Количество отверстий : 5
Толщина тормозного диска (мм) : 10
Момент затяжки [Нм] : 110
Минимальная толщина [мм] : 8
Поверхность : с покрытием
|
|
Тормозной диск
ASHIKA 60-00-0403C
Наружный диаметр [мм] : 280
Высота [мм] : 42
Тип тормозного диска : вентилируемый
Толщина тормозного диска (мм) : 25
Минимальная толщина [мм] : 22
Количество отверстий : 5
Поверхность : лакированный
Сторона установки : передний мост
Момент затяжки [Нм] : 110
для оригинального номера : 9117678
|
|
Тормозной диск
ASHIKA 60-00-0419C
Наружный диаметр [мм] : 240
Высота [мм] : 41
Тип тормозного диска : цельный
Толщина тормозного диска (мм) : 11
Минимальная толщина [мм] : 8
Количество отверстий : 4
Поверхность : лакированный
Сторона установки : передний мост
Момент затяжки [Нм] : 110
для оригинального номера : 9195981
|
|
Тормозной диск
ASHIKA 61-00-0403C
Наружный диаметр [мм] : 264
Высота [мм] : 42
Тип тормозного диска : цельный
Толщина тормозного диска (мм) : 10
Минимальная толщина [мм] : 8
Количество отверстий : 5
Поверхность : лакированный
Сторона установки : Задний мост
Момент затяжки [Нм] : 110
для оригинального номера : 9117772
|
|
Тормозной диск
ATE 24.0110-0250.1
Наружный диаметр [мм] : 264
Толщина тормозного диска (мм) : 9,8
Минимальная толщина [мм] : 8
Тип тормозного диска : цельный
Количество отверстий : 5
Поверхность : с покрытием
Ø фаски [мм] : 110
Высота [мм] : 42
Диаметр центрирования [мм] : 65,5
Внутренний диаметр : 145
Диаметр отверстия [мм] : 14
Дополнительный артикул / дополнительная информация 2 : с винтами
Код MAPP в наличии :
проверочное значение : E1 90R-02C0165/0694
|
|
Тормозной диск
ATE 24.0125-0131.1
Наружный диаметр [мм] : 280
Толщина тормозного диска (мм) : 24,8
Минимальная толщина [мм] : 22
Тип тормозного диска : вентилируемый
Обработка : легированный/высокоуглеродистый
Поверхность : с покрытием
Количество отверстий : 5
Дополнительный артикул / дополнительная информация 2 : с винтами
Код MAPP в наличии :
Количество отверстий 2 : 7
Ø фаски [мм] : 110
Высота [мм] : 42
Диаметр центрирования [мм] : 70
Внутренний диаметр : 139
Диаметр отверстия [мм] : 14
проверочное значение : E1 90R-02C0115/0415
|
|
Тормозной диск
ATE 24.0310-0250.1
Наружный диаметр [мм] : 264
Толщина тормозного диска (мм) : 9,8
Минимальная толщина [мм] : 8
Тип тормозного диска : цельный
Количество отверстий : 5
Поверхность : с покрытием
Ø фаски [мм] : 110
Высота [мм] : 42
Диаметр центрирования [мм] : 65,5
Внутренний диаметр : 145
Диаметр отверстия [мм] : 14
Дополнительный артикул / дополнительная информация 2 : с винтами
Код MAPP в наличии :
|
|
Тормозной диск
ATE 24.0325-0131.1
Наружный диаметр [мм] : 280
Толщина тормозного диска (мм) : 24,8
Минимальная толщина [мм] : 22
Тип тормозного диска : вентилируемый
Обработка : легированный/высокоуглеродистый
Поверхность : с покрытием
Количество отверстий : 5
Количество отверстий 2 : 7
Ø фаски [мм] : 110
Высота [мм] : 42
Диаметр центрирования [мм] : 70
Внутренний диаметр : 139
Диаметр отверстия [мм] : 14
Дополнительный артикул / дополнительная информация 2 : с винтами
проверочное значение : E1 90R-02C0858/1213
Код MAPP в наличии :
|
|
Тормозной диск
AUTOMEGA 120068210
Толщина тормозного диска (мм) : 24
Число отверстий в диске колеса : 5
Тип тормозного диска : вентилируемый
Наружный диаметр [мм] : 280
|
|
Тормозной диск
AUTOMEGA 120069010
Толщина тормозного диска (мм) : 10
Число отверстий в диске колеса : 5
Тип тормозного диска : цельный
Наружный диаметр [мм] : 264
Диаметр центрирования [мм] : 65
Высота [мм] : 42
на выбор :
|
|
Тормозной диск
BARUM BAR25131
Наружный диаметр [мм] : 280
Толщина тормозного диска (мм) : 25
Минимальная толщина [мм] : 22
Тип тормозного диска : вентилируемый
Количество отверстий : 5
Количество отверстий 2 : 7
Ø фаски [мм] : 110
Высота [мм] : 42
Диаметр центрирования [мм] : 70
Внутренний диаметр : 139
Диаметр отверстия [мм] : 14
|
|
Тормозной диск
BARUM BAR10250
Наружный диаметр [мм] : 264
Толщина тормозного диска (мм) : 9,9
Минимальная толщина [мм] : 8
Тип тормозного диска : цельный
Количество отверстий : 5
Ø фаски [мм] : 110
Высота [мм] : 42
Диаметр центрирования [мм] : 65,5
Внутренний диаметр : 144,8
Диаметр отверстия [мм] : 14,3
|
|
Тормозной диск
BOGAP L8211116
Сторона установки : передний мост
Тип тормозного диска : вентилируемый
Толщина тормозного диска (мм) : 25
Наружный диаметр [мм] : 280
|
|
Тормозной диск
BOGAP L8211118
Сторона установки : передний мост
Тип тормозного диска : цельный
Толщина тормозного диска (мм) : 11
Наружный диаметр [мм] : 240
|
|
Тормозной диск
BORG & BECK BBD4074
Тип тормозного диска : вентилируемый
Наружный диаметр [мм] : 280
Толщина тормозного диска (мм) : 25
Высота [мм] : 42
Диаметр центрирования [мм] : 70
Количество крепежных отверстий : 1
Количество отверстий : 7
Количественная единица : комплект
Поверхность : с покрытием
проверочное значение : ECE R90 Homologated
Минимальная толщина [мм] : 22
|
|
Тормозной диск
BORG & BECK BBD4114
Тип тормозного диска : цельный
Наружный диаметр [мм] : 264
Толщина тормозного диска (мм) : 10
Высота [мм] : 41,6
Диаметр центрирования [мм] : 65,4
Количество крепежных отверстий : 1
Количество отверстий : 5
Количественная единица : комплект
Поверхность : с покрытием
проверочное значение : ECE R90 Homologated
Минимальная толщина [мм] : 8
|
|
Тормозной диск
BOSCH 0 986 478 884
Наружный диаметр [мм] : 263,8
Толщина тормозного диска (мм) : 10
Минимальная толщина [мм] : 8
Высота [мм] : 42
Ø фаски [мм] : 110
Тип тормозного диска : цельный
Диаметр центрирования [мм] : 65,5
Количество отверстий : 5
Поверхность : с покрытием
выполняет нормы ЕЭК : ECE-R90
Диаметр отверстия до [мм] : 14,2
|
|
Тормозной диск
BRECK BR 310 VA100
Тип тормозного диска : вентилируемый
Дополнительный артикул / дополнительная информация 2 : с колесной крепящей осью
Поверхность : с покрытием
Цвет : серый
Дополнительный артикул / дополнительная информация 2 : без колесного подшипника
Наружный диаметр [мм] : 280
Толщина тормозного диска (мм) : 24,4
Высота [мм] : 42
Диаметр центрирования [мм] : 70
Ø фаски [мм] : 110
Минимальная толщина [мм] : 22
Количество отверстий : 7
|
|
Тормозной диск
BRECK BR 008 SA100
Тип тормозного диска : цельный
Материал : Серый чугун
Дополнительный артикул / дополнительная информация 2 : с колесной крепящей осью
Поверхность : с покрытием
Цвет : серый
Дополнительный артикул / дополнительная информация 2 : без колесного подшипника
Наружный диаметр [мм] : 264
Толщина тормозного диска (мм) : 10
Высота [мм] : 42
Диаметр центрирования [мм] : 65,5
Ø фаски [мм] : 110
Минимальная толщина [мм] : 8
Количество отверстий : 5
|
|
Тормозной диск
BRECO BS 8325
Минимальная толщина [мм] : 22
Момент затяжки [Нм] : 110
Высота [мм] : 42
Тип тормозного диска : вентилируемый
Обработка : Высокоуглеродистый
Наружный диаметр [мм] : 280
Диаметр центрирования [мм] : 70
Толщина тормозного диска (мм) : 25
Количество отверстий : 5
|
|
Тормозной диск
BRECO BV 8325
Минимальная толщина [мм] : 22
Момент затяжки [Нм] : 110
Высота [мм] : 42
Поверхность : с покрытием
Тип тормозного диска : вентилируемый
Обработка : Высокоуглеродистый
Наружный диаметр [мм] : 280
Диаметр центрирования [мм] : 70
Толщина тормозного диска (мм) : 25
Количество отверстий : 5
|
|
Тормозной диск
BRECO BS 7574
Толщина тормозного диска (мм) : 10
Момент затяжки [Нм] : 110
Минимальная толщина [мм] : 8
Дополнительный артикул / дополнительная информация 2 : с винтами
Высота [мм] : 42
Тип тормозного диска : цельный
Диаметр центрирования [мм] : 65
Наружный диаметр [мм] : 264
Количество отверстий : 5
|
|
Тормозной диск
BRECO BV 7574
Высота [мм] : 42
Дополнительный артикул / дополнительная информация 2 : с винтами
Тип тормозного диска : цельный
Диаметр центрирования [мм] : 65
Наружный диаметр [мм] : 264
Количество отверстий : 5
Толщина тормозного диска (мм) : 10
Момент затяжки [Нм] : 110
Минимальная толщина [мм] : 8
Поверхность : с покрытием
|
|
Тормозной диск
BREMBO 09.7629.10
Тип тормозного диска : вентилируемый
Толщина тормозного диска (мм) : 25
Количество отверстий : 5
Высота [мм] : 42
Диаметр центрирования [мм] : 70
Наружный диаметр [мм] : 280
Обработка : Высокоуглеродистый
Минимальная толщина [мм] : 22
Момент затяжки [Нм] : 110
|
|
Тормозной диск
BREMBO 09.7629.11
Тип тормозного диска : вентилируемый
Толщина тормозного диска (мм) : 25
Количество отверстий : 5
Высота [мм] : 42
Диаметр центрирования [мм] : 70
Наружный диаметр [мм] : 280
Обработка : Высокоуглеродистый
Поверхность : с покрытием
Минимальная толщина [мм] : 22
Момент затяжки [Нм] : 110
|
|
Тормозной диск
BREMBO 09.7629.1X
Тип тормозного диска : перфорированный / вентилируемый
Толщина тормозного диска (мм) : 25
Количество отверстий : 5
Высота [мм] : 42
Диаметр центрирования [мм] : 70
Наружный диаметр [мм] : 280
Обработка : Высокоуглеродистый
Поверхность : с покрытием
Минимальная толщина [мм] : 22,8
Момент затяжки [Нм] : 110
|
|
Тормозной диск
BREMBO 09.7629.75
Тип тормозного диска : вентилируемый
Тип тормозного диска : с прорезом
Толщина тормозного диска (мм) : 25
Количество отверстий : 5
Высота [мм] : 42
Диаметр центрирования [мм] : 70
Наружный диаметр [мм] : 280
Обработка : Высокоуглеродистый
Поверхность : с покрытием
Минимальная толщина [мм] : 22
Момент затяжки [Нм] : 110
|
|
Тормозной диск
BREMBO 08.7627.10
Тип тормозного диска : цельный
Толщина тормозного диска (мм) : 10
Количество отверстий : 5
Дополнительный артикул / дополнительная информация 2 : с винтами
Высота [мм] : 42
Диаметр центрирования [мм] : 65
Наружный диаметр [мм] : 264
Минимальная толщина [мм] : 8
Момент затяжки [Нм] : 110
|
|
Тормозной диск
BREMBO 08.7627.11
Тип тормозного диска : цельный
Толщина тормозного диска (мм) : 10
Количество отверстий : 5
Дополнительный артикул / дополнительная информация 2 : с винтами
Высота [мм] : 42
Диаметр центрирования [мм] : 65
Наружный диаметр [мм] : 264
Поверхность : с покрытием
Минимальная толщина [мм] : 8
Момент затяжки [Нм] : 110
|
|
Тормозной диск
BREMBO 08.7627.1X
Тип тормозного диска : цельный
Тип тормозного диска : перфорированный
Толщина тормозного диска (мм) : 10
Количество отверстий : 5
Дополнительный артикул / дополнительная информация 2 : с винтами
Высота [мм] : 42
Диаметр центрирования [мм] : 65
Наружный диаметр [мм] : 264
Поверхность : с покрытием
Минимальная толщина [мм] : 8,5
Момент затяжки [Нм] : 110
|
|
Тормозной диск
BREMBO 08.7627.75
Тип тормозного диска : цельный
Тип тормозного диска : с прорезом
Толщина тормозного диска (мм) : 10
Количество отверстий : 5
Дополнительный артикул / дополнительная информация 2 : с винтами
Высота [мм] : 42
Диаметр центрирования [мм] : 65
Наружный диаметр [мм] : 264
Поверхность : с покрытием
Минимальная толщина [мм] : 8
Момент затяжки [Нм] : 110
|
|
Тормозной диск
BREMSI CD7042V
Сторона установки : передний мост
Наружный диаметр [мм] : 280
Толщина тормозного диска (мм) : 25
Минимальная толщина [мм] : 22
Тип тормозного диска : вентилируемый
Количество отверстий : 5
Момент затяжки [Нм] : 110
Цвет : чёрный
Поверхность : лакированный
|
|
Тормозной диск
BREMSI CD7044S
Сторона установки : Задний мост
Наружный диаметр [мм] : 264
Толщина тормозного диска (мм) : 10
Минимальная толщина [мм] : 8
Тип тормозного диска : цельный
Количество отверстий : 5
Момент затяжки [Нм] : 130
Цвет : чёрный
Поверхность : лакированный
|
|
Тормозной диск
BSG BSG 65-210-016
Тип тормозного диска : вентилируемый
Диаметр [мм] : 280
Толщина тормозного диска (мм) : 25
Минимальная толщина [мм] : 22
Диаметр центрирования [мм] : 70
Высота [мм] : 42
Число отверстий в диске колеса : 5
Количество отверстий : 7
Размер резьбы : 14,2
Ø фаски [мм] : 110
Обработка : Высокоуглеродистый
Цвет : чёрный
проверочное значение : E190R-02 C0176/0450
Сторона установки : передний мост
номер компонента : BSG 65-210-016
Наружный диаметр [мм] : 240
|
|
Тормозной диск
BSG BSG 65-210-017
Диаметр [мм] : 264
Высота [мм] : 42
Вес [кг] : 8
Тип тормозного диска : цельный
Толщина тормозного диска (мм) : 10
Минимальная толщина [мм] : 8
Количество отверстий : 5
Диаметр центрирования [мм] : 65
Момент затяжки [Нм] : 110
Ø фаски [мм] : 110
Дополнительный артикул / дополнительная информация 2 : с винтами
Сторона установки : Задний мост
номер компонента : BSG 65-210-017
Наружный диаметр [мм] : 240
|
|
Тормозной диск
CAR 142.494
Сторона установки : 1-й задний мост
Тип тормозного диска : цельный
Наружный диаметр [мм] : 264
Толщина тормозного диска (мм) : 10
Высота [мм] : 42
Диаметр центрирования [мм] : 65,5
Количество отверстий : 5
для артикула № : CAR: 142.494
для артикула № : IB: OP 43 1P
для артикула № : RD: 3273
Минимальная толщина [мм] : 8
Вес [кг] : 3,6
|
|
Тормозной диск
CAR 142.496
Сторона установки : 1-й передний мост
Тип тормозного диска : цельный
Наружный диаметр [мм] : 280
Толщина тормозного диска (мм) : 25
Высота [мм] : 42
Диаметр центрирования [мм] : 70
Количество отверстий : 5
для артикула № : CAR: 142.496
для артикула № : IB: OP 41 1V
для артикула № : RD: 3275
проверочное значение : ECE R90 APPROVED
Минимальная толщина [мм] : 22
Вес [кг] : 6,48
|
|
Тормозной диск
CAR HPD 494
Сторона установки : 1-й задний мост
Тип тормозного диска : цельный
Наружный диаметр [мм] : 264
Толщина тормозного диска (мм) : 10
Высота [мм] : 42
Диаметр центрирования [мм] : 65,5
Количество отверстий : 5
для артикула № : CAR: HPD 494
для артикула № : IB: HOP 43 1P
для артикула № : RD: RR 3273
Минимальная толщина [мм] : 8
Вес [кг] : 3,49
|
|
Тормозной диск
CAR HPD 496
Сторона установки : 1-й передний мост
Тип тормозного диска : цельный
Наружный диаметр [мм] : 280
Толщина тормозного диска (мм) : 25
Высота [мм] : 42
Диаметр центрирования [мм] : 70
Количество отверстий : 5
для артикула № : CAR: HPD 496
для артикула № : IB: HOP 41 1V
для артикула № : RD: RR 3275
проверочное значение : ECE R90 APPROVED
Минимальная толщина [мм] : 22
Вес [кг] : 6,29
|
|
Тормозной диск
CHAMPION 562070CH
Тип тормозного диска : вентилируемый
Наружный диаметр [мм] : 280
Толщина тормозного диска (мм) : 25
Дополнительный артикул / дополнительная информация 2 : без винтов
Высота [мм] : 42
Ø фаски [мм] : 110
Диаметр центрирования [мм] : 70
Количество отверстий : 5
Количественная единица : комплект
Вес [кг] : 13,5
Минимальная толщина [мм] : 22
Момент затяжки [Нм] : 110
Тип контейнера : Коробка
Длина упаковки [см] : 28,5
Ширина упаковки [см] : 28,5
Высота упаковки [см] : 10,5
|
|
Тормозной диск
CHAMPION 562072CH
Тип тормозного диска : цельный
Наружный диаметр [мм] : 264
Толщина тормозного диска (мм) : 10
Дополнительный артикул / дополнительная информация 2 : без винтов
Высота [мм] : 42
Ø фаски [мм] : 110
Диаметр центрирования [мм] : 65
Количество отверстий : 5
Количественная единица : комплект
Вес [кг] : 7,52
Минимальная толщина [мм] : 8
Момент затяжки [Нм] : 110
Тип контейнера : Коробка
Длина упаковки [см] : 26,5
Ширина упаковки [см] : 26,5
Высота упаковки [см] : 8,8
|
|
Тормозной диск
CIFAM 800-489C
проверочное значение : ECE-R90
Высота [мм] : 42
Тип тормозного диска : цельный
Толщина тормозного диска (мм) : 10
Наружный диаметр [мм] : 264
Количество отверстий : 5
Диаметр центрирования [мм] : 65
Поверхность : лакированный
|
|
Тормозной диск
CIFAM 800-514C
проверочное значение : ECE-R90
Высота [мм] : 42
Тип тормозного диска : вентилируемый
Толщина тормозного диска (мм) : 24,9
Наружный диаметр [мм] : 280
Количество отверстий : 5
Диаметр центрирования [мм] : 70
Поверхность : лакированный
|
|
Тормозной диск
COMLINE ADC1105V
Тип тормозного диска : вентилируемый
Наружный диаметр [мм] : 256
Толщина тормозного диска (мм) : 24
Высота [мм] : 41
Ø фаски [мм] : 100
Диаметр центрирования [мм] : 60
Количество отверстий : 4
Поверхность : с покрытием
Минимальная толщина [мм] : 21
Число отверстий : 3
|
|
Тормозной диск
COMLINE ADC1106
Тип тормозного диска : цельный
Наружный диаметр [мм] : 240
Толщина тормозного диска (мм) : 10
Высота [мм] : 42
Ø фаски [мм] : 100
Диаметр центрирования [мм] : 57
Количество отверстий : 4
Поверхность : с покрытием
Минимальная толщина [мм] : 8
Число отверстий : 1
|
|
Тормозной диск
COMLINE ADC1113V
Тип тормозного диска : вентилируемый
Наружный диаметр [мм] : 280
Толщина тормозного диска (мм) : 24,9
Высота [мм] : 42
Ø фаски [мм] : 110
Диаметр центрирования [мм] : 70
Количество отверстий : 5
Поверхность : с покрытием
Минимальная толщина [мм] : 22
Число отверстий : 3
|
|
Тормозной диск
COMLINE ADC1121
Тип тормозного диска : цельный
Наружный диаметр [мм] : 264
Толщина тормозного диска (мм) : 10
Высота [мм] : 42
Ø фаски [мм] : 110
Диаметр центрирования [мм] : 65,5
Количество отверстий : 5
Поверхность : с покрытием
Минимальная толщина [мм] : 8
Число отверстий : 1
|
|
Тормозной диск
CWORKS C210R2057
Сторона установки : передний мост
Тип тормозного диска : вентилируемый
Толщина тормозного диска (мм) : 25
Количество отверстий : 5
Высота [мм] : 42
Диаметр центрирования [мм] : 70
Наружный диаметр [мм] : 280
|
|
Тормозной диск
CWORKS C220R0640
Сторона установки : Задний мост
Тип тормозного диска : цельный
Толщина тормозного диска (мм) : 10
Количество отверстий : 5
Высота [мм] : 42
Диаметр центрирования [мм] : 65,5
Наружный диаметр [мм] : 264
|
|
Тормозной диск
DANAHER DR10204
Сторона установки : Задний мост
Тип тормозного диска : цельный
Толщина тормозного диска (мм) : 10
Наружный диаметр [мм] : 264
Высота [мм] : 42
Количество отверстий : 5
Диаметр центрирования [мм] : 65,5
|
|
Тормозной диск
DANAHER DR11250
Сторона установки : передний мост
Тип тормозного диска : вентилируемый
Толщина тормозного диска (мм) : 25
Наружный диаметр [мм] : 280
Высота [мм] : 42
Количество отверстий : 5
Диаметр центрирования [мм] : 70
|
|
Тормозной диск
DANAHER DR11568
Сторона установки : передний мост
Тип тормозного диска : вентилируемый
Толщина тормозного диска (мм) : 45
Наружный диаметр [мм] : 375
Высота [мм] : 139
Количество отверстий : 12
Диаметр центрирования [мм] : 196,1
|
|
Тормозной диск
DELPHI BG3405
Тип тормозного диска : вентилируемый
Количество отверстий : 5
проверочное значение : E1 90R-02C0957/2551
Поверхность : промасленный
Наружный диаметр [мм] : 280
Толщина тормозного диска (мм) : 25
Минимальная толщина [мм] : 22
Диаметр центрирования [мм] : 70
Высота [мм] : 42
|
|
Тормозной диск
DELPHI BG3405C
Тип тормозного диска : вентилируемый
Количество отверстий : 5
Наружный диаметр [мм] : 280
Толщина тормозного диска (мм) : 25
Минимальная толщина [мм] : 22
Диаметр центрирования [мм] : 70
Высота [мм] : 42
|
|
Тормозной диск
DELPHI BG3406
Тип тормозного диска : цельный
Количество отверстий : 5
проверочное значение : E4 90R-02C0747/2816
Поверхность : промасленный
Наружный диаметр [мм] : 264
Толщина тормозного диска (мм) : 10
Минимальная толщина [мм] : 8
Диаметр центрирования [мм] : 65,5
Высота [мм] : 42
|
|
Тормозной диск
DELPHI BG3406C
Тип тормозного диска : цельный
Количество отверстий : 5
проверочное значение : E4 90R-02C0747/2816
Наружный диаметр [мм] : 264
Толщина тормозного диска (мм) : 10
Минимальная толщина [мм] : 7
Диаметр центрирования [мм] : 65,5
Высота [мм] : 42,5
|
|
Тормозной диск
DENCKERMANN B130079
Минимальная толщина [мм] : 22
Тип тормозного диска : вентилируемый
Диаметр отверстия [мм] : 14
Толщина тормозного диска (мм) : 24,8
Ø фаски [мм] : 110
Количество отверстий 2 : 7
Количество отверстий : 5
Внутренний диаметр : 139
Высота [мм] : 42
Диаметр центрирования [мм] : 70
Наружный диаметр [мм] : 280
|
|
Тормозной диск
DENCKERMANN B130134
Минимальная толщина [мм] : 8
Тип тормозного диска : цельный
Диаметр отверстия [мм] : 14
Толщина тормозного диска (мм) : 9,8
Ø фаски [мм] : 110
Количество отверстий : 5
Внутренний диаметр : 145
Высота [мм] : 42
Диаметр центрирования [мм] : 65,5
Наружный диаметр [мм] : 264
|
|
Тормозной диск
DENCKERMANN B130134P
Минимальная толщина [мм] : 8
Тип тормозного диска : цельный
Диаметр отверстия [мм] : 14
Толщина тормозного диска (мм) : 9,8
Ø фаски [мм] : 110
Количество отверстий : 5
Внутренний диаметр : 145
Высота [мм] : 42
Диаметр центрирования [мм] : 65,5
Поверхность : лакированный
Наружный диаметр [мм] : 264
|
|
Тормозной диск
DON PCD10152
Тип тормозного диска : вентилируемый
Наружный диаметр [мм] : 280
Толщина тормозного диска (мм) : 25
Высота [мм] : 42
Минимальная толщина [мм] : 22
Поверхность : с частичным покрытием
Внутренний диаметр : 139
Ø фаски [мм] : 110
Диаметр центрирования [мм] : 70
Расположение/число отверстий : 05/08
Диаметр отверстия под шпильку колеса [мм] : 14
Дополнительный артикул / дополнительная информация 2 : без ступицы
Дополнительный артикул / дополнительная информация 2 : без колесного подшипника
Дополнительный артикул / дополнительная информация 2 : без колесной крепящей оси
Длина упаковки [см] : 29,9
Ширина упаковки [см] : 29,9
Высота упаковки [см] : 10,2
Вес [кг] : 6,7
|
|
Тормозной диск
DON PCD10072
Тип тормозного диска : цельный
Наружный диаметр [мм] : 264
Толщина тормозного диска (мм) : 10
Высота [мм] : 42
Минимальная толщина [мм] : 8
Поверхность : с частичным покрытием
Внутренний диаметр : 145
Ø фаски [мм] : 110
Диаметр центрирования [мм] : 65,5
Расположение/число отверстий : 05/06
Диаметр отверстия под шпильку колеса [мм] : 14,2
Дополнительный артикул / дополнительная информация 2 : без ступицы
Дополнительный артикул / дополнительная информация 2 : без колесного подшипника
Дополнительный артикул / дополнительная информация 2 : без колесной крепящей оси
Длина упаковки [см] : 28,4
Ширина упаковки [см] : 28,4
Высота упаковки [см] : 10,4
Вес [кг] : 3,7
|
|
Тормозной диск
DR!VE+ DP1010.11.0155
Число отверстий в диске колеса : 5
Сторона установки : Задний мост
Высота [мм] : 42
Тип тормозного диска : цельный
Толщина тормозного диска (мм) : 10
Минимальная толщина [мм] : 8
Наружный диаметр [мм] : 264
Количество отверстий : 1
Диаметр центрирования [мм] : 65,5
|
|
Тормозной диск
DR!VE+ DP1010.11.0786
Число отверстий в диске колеса : 5
Сторона установки : передний мост
Высота [мм] : 42
Тип тормозного диска : вентилируемый
Толщина тормозного диска (мм) : 25
Минимальная толщина [мм] : 22
Наружный диаметр [мм] : 280
Количество отверстий : 2
Диаметр центрирования [мм] : 70
Количество отверстий 1 : 1
|
|
Тормозной диск
EBC Brakes BSD899
Тип тормозного диска : вентилируемый
Толщина тормозного диска (мм) : 23
Толщина тормозного диска (мм) : 25
Количество отверстий : 5
Высота [мм] : 41
Наружный диаметр [мм] : 280
Материал : Серый чугун
|
|
Тормозной диск
EBC Brakes D899
Тип тормозного диска : вентилируемый
Толщина тормозного диска (мм) : 23
Толщина тормозного диска (мм) : 25
Количество отверстий : 5
Высота [мм] : 41
Наружный диаметр [мм] : 280
Материал : Серый чугун
|
|
Тормозной диск
EBC Brakes D901
Тип тормозного диска : цельный
Толщина тормозного диска (мм) : 9
Толщина тормозного диска (мм) : 10
Количество отверстий : 5
Высота [мм] : 41
Наружный диаметр [мм] : 264
Материал : Серый чугун
|
|
Тормозной диск
EBC Brakes GD899
Тип тормозного диска : вентилируемый
Толщина тормозного диска (мм) : 23
Толщина тормозного диска (мм) : 25
Количество отверстий : 5
Высота [мм] : 41
Наружный диаметр [мм] : 280
Материал : Серый чугун
|
|
Тормозной диск
EBC Brakes GD901
Тип тормозного диска : цельный
Толщина тормозного диска (мм) : 9
Толщина тормозного диска (мм) : 10
Количество отверстий : 5
Высота [мм] : 41
Наружный диаметр [мм] : 264
Материал : Серый чугун
|
|
Тормозной диск
EBC Brakes USR899
Тип тормозного диска : вентилируемый
Толщина тормозного диска (мм) : 23
Толщина тормозного диска (мм) : 25
Количество отверстий : 5
Высота [мм] : 41
Наружный диаметр [мм] : 280
Материал : Серый чугун
|
|
Тормозной диск
EBC Brakes USR901
Тип тормозного диска : цельный
Толщина тормозного диска (мм) : 9
Толщина тормозного диска (мм) : 10
Количество отверстий : 5
Высота [мм] : 41
Наружный диаметр [мм] : 264
Материал : Серый чугун
|
|
Тормозной диск
EGT 410330EGT
Число отверстий в диске колеса : 5
Высота [мм] : 42,3
Тип тормозного диска : цельный
Толщина тормозного диска (мм) : 10
Минимальная толщина [мм] : 8
Наружный диаметр [мм] : 264
Диаметр центрирования [мм] : 65,5
Ø фаски [мм] : 110
|
|
Тормозной диск
EGT 410330cEGT
Число отверстий в диске колеса : 5
Высота [мм] : 42,3
Тип тормозного диска : цельный
Толщина тормозного диска (мм) : 10
Минимальная толщина [мм] : 8
Наружный диаметр [мм] : 264
Диаметр центрирования [мм] : 65,5
Ø фаски [мм] : 110
|
|
Тормозной диск
EGT 410333EGT
Число отверстий в диске колеса : 5
Высота [мм] : 42,5
Тип тормозного диска : вентилируемый
Толщина тормозного диска (мм) : 25
Минимальная толщина [мм] : 22
Наружный диаметр [мм] : 280
Диаметр центрирования [мм] : 70
Ø фаски [мм] : 110
|
|
Тормозной диск
EGT 410333cEGT
Число отверстий в диске колеса : 5
Высота [мм] : 42,5
Тип тормозного диска : вентилируемый
Толщина тормозного диска (мм) : 25
Минимальная толщина [мм] : 22
Наружный диаметр [мм] : 280
Диаметр центрирования [мм] : 70
Ø фаски [мм] : 110
|
|
Тормозной диск
EUROBRAKE 5815203630
Наружный диаметр [мм] : 280
Толщина тормозного диска (мм) : 25
Минимальная толщина [мм] : 22
Высота [мм] : 42
Число отверстий в диске колеса : 5
Тип тормозного диска : вентилируемый
Диаметр центрирования [мм] : 70
Поверхность : промасленный
Вес нетто [кг] : 6,27
|
|
Тормозной диск
EUROBRAKE 5815313630
Наружный диаметр [мм] : 280
Толщина тормозного диска (мм) : 25
Минимальная толщина [мм] : 22
Высота [мм] : 42
Число отверстий в диске колеса : 5
Тип тормозного диска : вентилируемый
Диаметр центрирования [мм] : 70
Поверхность : с покрытием
Вес нетто [кг] : 6,27
|
|
Тормозной диск
EUROBRAKE 5815203631
Наружный диаметр [мм] : 264
Толщина тормозного диска (мм) : 10
Минимальная толщина [мм] : 7
Высота [мм] : 42
Число отверстий в диске колеса : 5
Тип тормозного диска : цельный
Диаметр центрирования [мм] : 65,5
Поверхность : промасленный
Вес нетто [кг] : 3,71
|
|
Тормозной диск
EUROBRAKE 5815313631
Наружный диаметр [мм] : 264
Толщина тормозного диска (мм) : 10
Минимальная толщина [мм] : 7
Высота [мм] : 42
Число отверстий в диске колеса : 5
Тип тормозного диска : цельный
Диаметр центрирования [мм] : 65,5
Поверхность : с покрытием
Вес нетто [кг] : 3,71
|
|
Тормозной диск
EUROREPAR 1618881180
Тип тормозного диска : вентилируемый
Дополнительный артикул / дополнительная информация 2 : без кольца сенсора ABS
Наружный диаметр [мм] : 279,8
Толщина тормозного диска (мм) : 24,4
Высота [мм] : 42
Диаметр центрирования [мм] : 70
Ø фаски [мм] : 110
Количество отверстий : 5
Минимальная толщина [мм] : 22
|
|
Тормозной диск
EUROREPAR 1667859280
Тип тормозного диска : вентилируемый
Дополнительный артикул / дополнительная информация 2 : без кольца сенсора ABS
Наружный диаметр [мм] : 280
Толщина тормозного диска (мм) : 25
Высота [мм] : 42
Диаметр центрирования [мм] : 70
Ø фаски [мм] : 110
Количество отверстий : 5
Минимальная толщина [мм] : 22
|
|
Тормозной диск
EUROREPAR 1690941680
Тип тормозного диска : вентилируемый
Дополнительный артикул / дополнительная информация 2 : без кольца сенсора ABS
Наружный диаметр [мм] : 280
Толщина тормозного диска (мм) : 25
Высота [мм] : 42
Диаметр центрирования [мм] : 70
Ø фаски [мм] : 110
Количество отверстий : 7
Минимальная толщина [мм] : 22
|
|
Тормозной диск
EUROREPAR 1618883180
Тип тормозного диска : цельный
Дополнительный артикул / дополнительная информация 2 : без кольца сенсора ABS
Наружный диаметр [мм] : 264
Толщина тормозного диска (мм) : 10
Высота [мм] : 42
Диаметр центрирования [мм] : 65,5
Ø фаски [мм] : 110
Количество отверстий : 5
Минимальная толщина [мм] : 8
|
|
Тормозной диск
EUROREPAR 1687774980
Тип тормозного диска : цельный
Наружный диаметр [мм] : 264
Толщина тормозного диска (мм) : 10
Высота [мм] : 42
Диаметр центрирования [мм] : 65,5
Количество отверстий : 5
Минимальная толщина [мм] : 8
|
|
Тормозной диск
EUROREPAR 1690935580
Тип тормозного диска : цельный
Дополнительный артикул / дополнительная информация 2 : без кольца сенсора ABS
Наружный диаметр [мм] : 264
Толщина тормозного диска (мм) : 10
Высота [мм] : 42,3
Диаметр центрирования [мм] : 65,5
Ø фаски [мм] : 110
Количество отверстий : 5
Минимальная толщина [мм] : 8
|
|
Тормозной диск
FAI AutoParts BD122
Тип тормозного диска : цельный
Наружный диаметр [мм] : 264
Толщина тормозного диска (мм) : 10
необходимое количество : 2
Высота [мм] : 41,6
Диаметр центрирования [мм] : 65,4
Количество отверстий : 5
Поверхность : с покрытием
Минимальная толщина [мм] : 8
|
|
Тормозной диск
FAI AutoParts BD149
Тип тормозного диска : вентилируемый
Наружный диаметр [мм] : 280
Толщина тормозного диска (мм) : 25
необходимое количество : 2
Высота [мм] : 42
Диаметр центрирования [мм] : 70
Количество отверстий : 5
Поверхность : с покрытием
Минимальная толщина [мм] : 22
|
|
Тормозной диск
FAI AutoParts FPBD1043
Тип тормозного диска : цельный
Наружный диаметр [мм] : 264
Толщина тормозного диска (мм) : 10
Высота [мм] : 41,6
Диаметр центрирования [мм] : 65,4
Количество отверстий : 5
Поверхность : с покрытием
Минимальная толщина [мм] : 8
|
|
Тормозной диск
FAI AutoParts FPBD1252
Тип тормозного диска : вентилируемый
Наружный диаметр [мм] : 280
Толщина тормозного диска (мм) : 25
Высота [мм] : 42
Диаметр центрирования [мм] : 70
Количество отверстий : 5
Поверхность : с покрытием
Минимальная толщина [мм] : 22
|
|
Тормозной диск
FENOX TB215765
Сторона установки : Задний мост
Тип тормозного диска : цельный
Толщина тормозного диска (мм) : 9,9
Ø фаски [мм] : 110
Количество отверстий : 5
Высота [мм] : 42
Диаметр центрирования [мм] : 65,5
Наружный диаметр [мм] : 264
|
|
Тормозной диск
FENOX TB217373
Сторона установки : передний мост
Тип тормозного диска : вентилируемый
Толщина тормозного диска (мм) : 25
Ø фаски [мм] : 110
Количество отверстий : 5
Высота [мм] : 42,3
Диаметр центрирования [мм] : 70
Наружный диаметр [мм] : 280
|
|
Тормозной диск
FERODO DDF1042
Тип тормозного диска : вентилируемый
Наружный диаметр [мм] : 280
Толщина тормозного диска (мм) : 25
Дополнительный артикул / дополнительная информация 2 : без винтов
Высота [мм] : 42
Ø фаски [мм] : 110
Диаметр центрирования [мм] : 70
Количество отверстий : 5
Количественная единица : комплект
Поверхность : промасленный
проверочное значение : R90 homologated
Вес [кг] : 13,5
Минимальная толщина [мм] : 22
Момент затяжки [Нм] : 110
Тип контейнера : Коробка
Длина упаковки [см] : 28,1
Ширина упаковки [см] : 28,1
Высота упаковки [см] : 8,8
|
|
Тормозной диск
FERODO DDF1042C
Тип тормозного диска : вентилируемый
Наружный диаметр [мм] : 280
Толщина тормозного диска (мм) : 25
Дополнительный артикул / дополнительная информация 2 : без винтов
Высота [мм] : 42
Диаметр центрирования [мм] : 70
Количество отверстий : 5
Количественная единица : Штука
Поверхность : с покрытием
проверочное значение : R90 Homologated
Вес [кг] : 6,75
Минимальная толщина [мм] : 22
Момент затяжки [Нм] : 110
Длина упаковки [см] : 28,1
Ширина упаковки [см] : 28,1
Высота упаковки [см] : 8,8
|
|
Тормозной диск
FERODO DDF1044
Тип тормозного диска : цельный
Наружный диаметр [мм] : 264
Толщина тормозного диска (мм) : 10
Дополнительный артикул / дополнительная информация 2 : с винтами
Высота [мм] : 42
Ø фаски [мм] : 110
Диаметр центрирования [мм] : 65
Количество отверстий : 5
Количественная единица : комплект
Поверхность : промасленный
Вес [кг] : 7,52
Минимальная толщина [мм] : 8
Момент затяжки [Нм] : 110
Тип контейнера : Коробка
Длина упаковки [см] : 25,5
Ширина упаковки [см] : 25,5
Высота упаковки [см] : 8,5
|
|
Тормозной диск
FERODO DDF1044C
Тип тормозного диска : цельный
Наружный диаметр [мм] : 264
Толщина тормозного диска (мм) : 10
Дополнительный артикул / дополнительная информация 2 : с винтами
Высота [мм] : 42
Диаметр центрирования [мм] : 65
Количество отверстий : 5
Количественная единица : Штука
Поверхность : с покрытием
проверочное значение : R90 Homologated
Вес [кг] : 3,76
Минимальная толщина [мм] : 8
Момент затяжки [Нм] : 110
Длина упаковки [см] : 25,5
Ширина упаковки [см] : 25,5
Высота упаковки [см] : 8,5
|
|
Тормозной диск
FREMAX BD-9060
Тип тормозного диска : вентилируемый
Наружный диаметр [мм] : 280
Толщина тормозного диска (мм) : 25
Высота [мм] : 42
Диаметр центрирования [мм] : 70
Количество крепежных отверстий : 5
Поверхность : с покрытием
Вес [кг] : 6,63
Минимальная толщина [мм] : 22
|
|
Тормозной диск
FREMAX BD-9110
Тип тормозного диска : цельный
Наружный диаметр [мм] : 264
Толщина тормозного диска (мм) : 10
Высота [мм] : 42
Диаметр центрирования [мм] : 65,5
Количество крепежных отверстий : 5
Поверхность : с покрытием
Вес [кг] : 3,59
Минимальная толщина [мм] : 8
|
|
Тормозной диск
fri.tech. BD0840
проверочное значение : ECE-R90
Высота [мм] : 42
Тип тормозного диска : цельный
Толщина тормозного диска (мм) : 10
Наружный диаметр [мм] : 264
Количество отверстий : 5
Диаметр центрирования [мм] : 65
Поверхность : лакированный
|
|
Тормозной диск
fri.tech. BD0841
проверочное значение : ECE-R90
Высота [мм] : 42
Тип тормозного диска : вентилируемый
Толщина тормозного диска (мм) : 24,9
Наружный диаметр [мм] : 280
Количество отверстий : 5
Диаметр центрирования [мм] : 70
Поверхность : лакированный
|
|
Тормозной диск
FRIGAIR DC07.105
Тип тормозного диска : цельный
Диаметр [мм] : 264
Ø фаски [мм] : 65
Толщина тормозного диска (мм) : 10
Толщина [мм] : 42
Сторона установки : Задний мост
Наружный диаметр [мм] : 264
|
|
Тормозной диск
FRIGAIR DC07.102
Тип тормозного диска : вентилируемый
Диаметр [мм] : 280
Ø фаски [мм] : 70
Толщина тормозного диска (мм) : 25
Толщина [мм] : 42
Сторона установки : передний мост
Наружный диаметр [мм] : 280
|
|
Тормозной диск
GALFER B1.G225-0131.1
Наружный диаметр [мм] : 280
Толщина тормозного диска (мм) : 24,8
Минимальная толщина [мм] : 22
Тип тормозного диска : вентилируемый
Обработка : легированный/высокоуглеродистый
Поверхность : с покрытием
Количество отверстий : 5
Дополнительный артикул / дополнительная информация 2 : с винтами
Количество отверстий 2 : 7
Ø фаски [мм] : 110
Высота [мм] : 42
Диаметр центрирования [мм] : 70
Внутренний диаметр : 139
Диаметр отверстия [мм] : 14
|
|
Тормозной диск
GALFER B1.G210-0250.1
Наружный диаметр [мм] : 264
Толщина тормозного диска (мм) : 9,8
Минимальная толщина [мм] : 8
Тип тормозного диска : цельный
Количество отверстий : 5
Поверхность : с покрытием
Ø фаски [мм] : 110
Высота [мм] : 42
Диаметр центрирования [мм] : 65,5
Внутренний диаметр : 145
Диаметр отверстия [мм] : 14
проверочное значение : E1 90R-02C0165/1154
|
|
Тормозной диск
GH GH-403665
Сторона установки : передний мост
Сторона установки : передний мост справа
Сторона установки : передний мост слева
Число отверстий в диске колеса : 5
Толщина тормозного диска (мм) : 25
Количество отверстий : 7
Ø фаски [мм] : 110
Диаметр центрирования [мм] : 70
Наружный диаметр [мм] : 280
Тип тормозного диска : вентилируемый
Размер резьбы : 14,2
Высота [мм] : 42
|
|
Тормозной диск
GH GH-423658
Сторона установки : Задний мост
Сторона установки : Задний мост справа
Сторона установки : Задний мост слева
Толщина тормозного диска (мм) : 9,9
Количество отверстий : 5
Ø фаски [мм] : 110
Диаметр центрирования [мм] : 65,5
Наружный диаметр [мм] : 264
Тип тормозного диска : цельный
Размер резьбы : 14
Высота [мм] : 42,2
|
|
Тормозной диск
GIRLING 6040481
Тип тормозного диска : вентилируемый
Наружный диаметр [мм] : 280
Толщина тормозного диска (мм) : 25
Минимальная толщина [мм] : 22
Диаметр центрирования [мм] : 70
Высота [мм] : 42
Число отверстий в диске колеса : 5
Количество отверстий : 7
Размер резьбы : 14,2
Ø фаски [мм] : 110
Обработка : Высокоуглеродистый
Цвет : чёрный
Поверхность : лакированный
проверочное значение : E190R-02 C0176/0450
SVHC : Нет информации, обратитесь, пожалуйста, к производителю!
|
|
Тормозной диск
GIRLING 6040514
Тип тормозного диска : цельный
Наружный диаметр [мм] : 264
Толщина тормозного диска (мм) : 9,9
Минимальная толщина [мм] : 8
Диаметр центрирования [мм] : 65,5
Высота [мм] : 42,2
Количество отверстий : 5
Размер резьбы : 14
Ø фаски [мм] : 110
Цвет : чёрный
Поверхность : лакированный
проверочное значение : E190R-02C0190/0537
SVHC : Нет информации, обратитесь, пожалуйста, к производителю!
|
|
Тормозной диск
HART 215 626
Высота [мм] : 42,2
Тип тормозного диска : цельный
Толщина тормозного диска (мм) : 9,9
Наружный диаметр [мм] : 264
Количество отверстий : 5
|
|
Тормозной диск
HART 215 660
Высота [мм] : 42
Тип тормозного диска : вентилируемый
Толщина тормозного диска (мм) : 25
Наружный диаметр [мм] : 280
Количество отверстий : 7
|
|
Тормозной диск
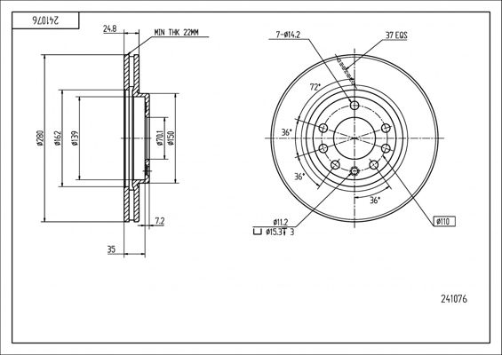
HART 241 076
Высота [мм] : 42
Тип тормозного диска : вентилируемый
Толщина тормозного диска (мм) : 25
Наружный диаметр [мм] : 280
Количество отверстий : 7
|
|
Тормозной диск
HART 241 078
Высота [мм] : 42,2
Тип тормозного диска : цельный
Толщина тормозного диска (мм) : 9,9
Наружный диаметр [мм] : 264
Количество отверстий : 5
|
|
Тормозной диск
HERTH+BUSS JAKOPARTS J3300805
Тип тормозного диска : вентилируемый
Наружный диаметр [мм] : 280
Толщина тормозного диска (мм) : 25
Минимальная толщина [мм] : 22
Количество отверстий : 5
Ø фаски [мм] : 110
Высота [мм] : 42
Диаметр ступицы колеса [мм] : 70
Сторона установки : передний мост
SVHC : Не содержит особо опасных веществ!
|
|
Тормозной диск
HERTH+BUSS JAKOPARTS J3310911
Тип тормозного диска : цельный
Наружный диаметр [мм] : 264
Толщина тормозного диска (мм) : 10
Минимальная толщина [мм] : 8
Количество отверстий : 5
Ø фаски [мм] : 110
Высота [мм] : 42
Диаметр ступицы колеса [мм] : 65,5
Сторона установки : Задний мост
SVHC : Не содержит особо опасных веществ!
|
|
Тормозной диск
Hi-Q SD5110
Вес [кг] : 6,27
Толщина [мм] : 24,4
Тип тормозного диска : вентилируемый
Толщина тормозного диска (мм) : 22
Ø фаски [мм] : 110
Количество отверстий : 8
Высота [мм] : 42
Диаметр центрирования [мм] : 70
Наружный диаметр [мм] : 280
|
|
Тормозной диск
Hi-Q SD5113
Вес [кг] : 3,71
Толщина [мм] : 10
Тип тормозного диска : цельный
Толщина тормозного диска (мм) : 8
Ø фаски [мм] : 110
Количество отверстий : 6
Высота [мм] : 42
Диаметр центрирования [мм] : 65,5
Наружный диаметр [мм] : 264
|
|
Тормозной диск
ICER 78BD9060-2
Толщина тормозного диска (мм) : 22
Наружный диаметр [мм] : 280
Тип тормозного диска : вентилируемый
Высота [мм] : 42
Диаметр центрирования [мм] : 70
Ø фаски [мм] : 110
Исполнение оси : Front
Номер технической информации : 78BD9060-2
проверочное значение : E1 90R-02C0074/0005
проверочное значение : E1 90R-02C0370/0014
проверочное значение : E1 90R-02C0452/0118
Диаметр [мм] : 70
Толщина [мм] : 25
Минимальная толщина [мм] : 22
Расположение/число отверстий : 5
|
|
Тормозной диск
ICER 78BD9110-2
Толщина тормозного диска (мм) : 8
Наружный диаметр [мм] : 264
Тип тормозного диска : цельный
Высота [мм] : 42
Диаметр центрирования [мм] : 65,5
Ø фаски [мм] : 110
Исполнение оси : Rear
Номер технической информации : 78BD9110-2
проверочное значение : E1 90R-02C0100/1113
проверочное значение : E1 90R-02C0415/0009
проверочное значение : E4 90R-02C0722/2597
Диаметр [мм] : 65,5
Толщина [мм] : 10
Минимальная толщина [мм] : 8
Расположение/число отверстий : 5
Вес [кг] : 7 616
|
|
Тормозной диск
JAPANPARTS DI-0403C
Наружный диаметр [мм] : 280
Высота [мм] : 42
Тип тормозного диска : вентилируемый
Толщина тормозного диска (мм) : 25
Минимальная толщина [мм] : 22
Количество отверстий : 5
Поверхность : лакированный
Сторона установки : передний мост
Момент затяжки [Нм] : 110
для оригинального номера : 9117678
|
|
Тормозной диск
JAPANPARTS DI-0419C
Наружный диаметр [мм] : 240
Высота [мм] : 41
Тип тормозного диска : цельный
Толщина тормозного диска (мм) : 11
Минимальная толщина [мм] : 8
Количество отверстий : 4
Поверхность : лакированный
Сторона установки : передний мост
Момент затяжки [Нм] : 110
для оригинального номера : 9195981
|
|
Тормозной диск
JAPANPARTS DP-0403C
Наружный диаметр [мм] : 264
Высота [мм] : 42
Тип тормозного диска : цельный
Толщина тормозного диска (мм) : 10
Минимальная толщина [мм] : 8
Количество отверстий : 5
Поверхность : лакированный
Сторона установки : Задний мост
Момент затяжки [Нм] : 110
для оригинального номера : 9117772
|
|
Тормозной диск
JAPKO 600403C
Наружный диаметр [мм] : 280
Высота [мм] : 42
Тип тормозного диска : вентилируемый
Толщина тормозного диска (мм) : 25
Минимальная толщина [мм] : 22
Количество отверстий : 5
Поверхность : лакированный
Сторона установки : передний мост
Момент затяжки [Нм] : 110
для оригинального номера : 9117678
|
|
Тормозной диск
JAPKO 600419C
Наружный диаметр [мм] : 240
Высота [мм] : 41
Тип тормозного диска : цельный
Толщина тормозного диска (мм) : 11
Минимальная толщина [мм] : 8
Количество отверстий : 4
Поверхность : лакированный
Сторона установки : передний мост
Момент затяжки [Нм] : 110
для оригинального номера : 9195981
|
|
Тормозной диск
JAPKO 610403C
Наружный диаметр [мм] : 264
Высота [мм] : 42
Тип тормозного диска : цельный
Толщина тормозного диска (мм) : 10
Минимальная толщина [мм] : 8
Количество отверстий : 5
Поверхность : лакированный
Сторона установки : Задний мост
Момент затяжки [Нм] : 110
для оригинального номера : 9117772
|
|
Тормозной диск
JP GROUP 1263105200
Тип тормозного диска : вентилируемый
Толщина тормозного диска (мм) : 25
Поверхность : с покрытием
Сторона установки : передний мост
Количество отверстий : 5
Наружный диаметр [мм] : 280
|
|
Тормозной диск
JP GROUP 1263202500
Тип тормозного диска : цельный
Толщина тормозного диска (мм) : 10
Поверхность : с покрытием
Сторона установки : Задний мост
Количество отверстий : 5
Наружный диаметр [мм] : 264
|
|
Тормозной диск
JPN 30H9030-JPN
Тип тормозного диска : вентилируемый
Высота [мм] : 42
Толщина тормозного диска (мм) : 25
Наружный диаметр [мм] : 280
Количество отверстий : 5
Ø фаски [мм] : 110
|
|
Тормозной диск
JURATEK VAU101
Тип тормозного диска : вентилируемый
Наружный диаметр [мм] : 280
Толщина тормозного диска (мм) : 25
Высота [мм] : 42
Ø фаски [мм] : 110
Диаметр центрирования [мм] : 70
Количество крепежных отверстий : 5
парные номера артикулов : JCA1004L
парные номера артикулов : JCA1004R
парные номера артикулов : JCP1295
парные номера артикулов : JCP1640
парные номера артикулов : JCW184
парные номера артикулов : JCW241
парные номера артикулов : NKF8048
парные номера артикулов : NKF8049
парные номера артикулов : NKF8072
парные номера артикулов : NKF8082
парные номера артикулов : NKF8363
парные номера артикулов : NKF8422
парные номера артикулов : NKF8423
парные номера артикулов : NKF8463
парные номера артикулов : NKR0009
парные номера артикулов : NKR0063
парные номера артикулов : NKR0184
Поверхность : с покрытием
Вес [кг] : 7,1
Диаметр отверстия [мм] : 14
Минимальная толщина [мм] : 22
|
|
Тормозной диск
JURATEK VAU103
Тип тормозного диска : цельный
Наружный диаметр [мм] : 264
Толщина тормозного диска (мм) : 10
Высота [мм] : 42
Ø фаски [мм] : 110
Диаметр центрирования [мм] : 66
Количество крепежных отверстий : 5
парные номера артикулов : JCA1027L
парные номера артикулов : JCA1027R
парные номера артикулов : JCA1050L
парные номера артикулов : JCA1050R
парные номера артикулов : JCA1059L
парные номера артикулов : JCA1059R
парные номера артикулов : JCA1065L
парные номера артикулов : JCA1065R
парные номера артикулов : JCA1085L
парные номера артикулов : JCA1085R
парные номера артикулов : JCP1294
парные номера артикулов : JCP1521
парные номера артикулов : NKF8043
парные номера артикулов : NKF8078
парные номера артикулов : NKF8088
парные номера артикулов : NKF8174
парные номера артикулов : NKF8424
парные номера артикулов : NKF8537
парные номера артикулов : NKF8682
Поверхность : с покрытием
Вес [кг] : 3,9
Диаметр отверстия [мм] : 14,2
Минимальная толщина [мм] : 8
|
|
Тормозной диск
JURID 562070JC
Тип тормозного диска : вентилируемый
Наружный диаметр [мм] : 280
Толщина тормозного диска (мм) : 25
Дополнительный артикул / дополнительная информация 2 : без винтов
Версия : JC
Высота [мм] : 42
Ø фаски [мм] : 110
Диаметр центрирования [мм] : 70
Количество отверстий : 5
Количественная единица : комплект
Поверхность : с покрытием
проверочное значение : R90 Homologated
Вес [кг] : 13,5
Минимальная толщина [мм] : 22
Момент затяжки [Нм] : 110
Тип контейнера : Коробка
Длина упаковки [см] : 29,5
Ширина упаковки [см] : 29,5
Высота упаковки [см] : 10,5
|
|
Тормозной диск
JURID 562072JC
Тип тормозного диска : цельный
Наружный диаметр [мм] : 264
Толщина тормозного диска (мм) : 10
Дополнительный артикул / дополнительная информация 2 : с винтами
Версия : JC
Высота [мм] : 42
Ø фаски [мм] : 110
Диаметр центрирования [мм] : 65
Количество отверстий : 5
Количественная единица : комплект
Поверхность : с покрытием
Вес [кг] : 7,52
Минимальная толщина [мм] : 8
Момент затяжки [Нм] : 110
Тип контейнера : Коробка
Длина упаковки [см] : 28
Ширина упаковки [см] : 28
Высота упаковки [см] : 15
|
|
Тормозной диск
KAVO PARTS BR-10152-C
проверочное значение : R90
Высота [мм] : 42
Тип тормозного диска : цельный
Толщина тормозного диска (мм) : 10
Наружный диаметр [мм] : 264
Количество отверстий : 5
Диаметр центрирования [мм] : 66
Ø фаски [мм] : 110
Поверхность : с покрытием
|
|
Тормозной диск
KAVO PARTS BR-10326-C
проверочное значение : R90
Высота [мм] : 42
Тип тормозного диска : вентилируемый
Толщина тормозного диска (мм) : 25
Минимальная толщина [мм] : 22
Наружный диаметр [мм] : 280
Количество отверстий : 5
Диаметр центрирования [мм] : 70
Ø фаски [мм] : 110
Поверхность : с покрытием
|
|
Тормозной диск
KEY PARTS KBD4074
Тип тормозного диска : вентилируемый
Наружный диаметр [мм] : 280
Толщина тормозного диска (мм) : 25
Высота [мм] : 42
Диаметр центрирования [мм] : 70
Количество отверстий : 5
Количественная единица : комплект
Поверхность : без покрытия
проверочное значение : ECE R90 Homologated
Минимальная толщина [мм] : 22
|
|
Тормозной диск
KEY PARTS KBD4114
Тип тормозного диска : цельный
Наружный диаметр [мм] : 264
Толщина тормозного диска (мм) : 10
Высота [мм] : 41,6
Диаметр центрирования [мм] : 65,4
Количество отверстий : 5
Количественная единица : комплект
Поверхность : без покрытия
проверочное значение : ECE R90 Homologated
Минимальная толщина [мм] : 8
|
|
Тормозной диск
KRAFT AUTOMOTIVE 6051570
Тип тормозного диска : цельный
Количество отверстий : 5
Число отверстий в диске колеса : 5
Диаметр [мм] : 264
Толщина тормозного диска (мм) : 9,9
Высота [мм] : 42
Диаметр центрирования [мм] : 65,5
Номер продукции : 6051570
Наружный диаметр [мм] : 264
|
|
Тормозной диск
KRAFT AUTOMOTIVE 6041660
Тип тормозного диска : вентилируемый
Количество отверстий : 5
Число отверстий в диске колеса : 5
Диаметр [мм] : 280
Толщина тормозного диска (мм) : 25
Высота [мм] : 42,2
Диаметр центрирования [мм] : 70
Номер продукции : 6041660
Наружный диаметр [мм] : 280
|
|
Тормозной диск
LPR O1411V
Диаметр центрирования [мм] : 70
Наружный диаметр [мм] : 280
Тип тормозного диска : вентилируемый
Высота [мм] : 42
Количество отверстий : 5
Толщина тормозного диска (мм) : 25
Минимальная толщина [мм] : 22
|
|
Тормозной диск
LPR O1411VR
Количество отверстий : 5
Высота [мм] : 42
Тип тормозного диска : вентилируемый
Толщина тормозного диска (мм) : 25
Поверхность : с покрытием
Диаметр центрирования [мм] : 70
Наружный диаметр [мм] : 280
Минимальная толщина [мм] : 22
|
|
Тормозной диск
LPR O1431P
Минимальная толщина [мм] : 8
Диаметр центрирования [мм] : 65,5
Наружный диаметр [мм] : 264
Тип тормозного диска : цельный
Высота [мм] : 42
Толщина тормозного диска (мм) : 10
Количество отверстий : 5
|
|
Тормозной диск
LPR O1431PR
Диаметр центрирования [мм] : 65,5
Тип тормозного диска : цельный
Минимальная толщина [мм] : 8
Наружный диаметр [мм] : 264
Поверхность : с покрытием
Высота [мм] : 42
Количество отверстий : 5
Толщина тормозного диска (мм) : 10
|
|
Тормозной диск
LYNXAUTO BN-1119
Сторона установки : Задний мост
Наружный диаметр [мм] : 264
Толщина тормозного диска (мм) : 10
Минимальная толщина [мм] : 8
Диаметр центрирования [мм] : 65,5
Высота [мм] : 42
Внутренний диаметр : 145
Количество отверстий : 5
Ø фаски [мм] : 110
Тип тормозного диска : цельный
|
|
Тормозной диск
LYNXAUTO BN-1837
Сторона установки : передний мост
Наружный диаметр [мм] : 280
Толщина тормозного диска (мм) : 25
Минимальная толщина [мм] : 22
Диаметр центрирования [мм] : 70
Высота [мм] : 42
Количество отверстий : 5
Ø фаски [мм] : 110
Тип тормозного диска : вентилируемый
|
|
Тормозной диск
MAGNETI MARELLI 360406038800
Обработка : Высокоуглеродистый
Тип тормозного диска : вентилируемый
Диаметр [мм] : 280
Высота [мм] : 42
Минимальная толщина [мм] : 22
Количество отверстий : 5
Ø фаски [мм] : 70
Момент затяжки [Нм] : 110
Толщина тормозного диска (мм) : 25
Наружный диаметр [мм] : 280
|
|
Тормозной диск
MAGNETI MARELLI 360406038802
Обработка : Высокоуглеродистый
Тип тормозного диска : перфорированный / вентилируемый
Диаметр [мм] : 280
Высота [мм] : 42
Минимальная толщина [мм] : 22,8
Количество отверстий : 5
Ø фаски [мм] : 70
Момент затяжки [Нм] : 110
Толщина тормозного диска (мм) : 25
Наружный диаметр [мм] : 280
|
|
Тормозной диск
MAGNETI MARELLI 360406038805
Обработка : Высокоуглеродистый
Тип тормозного диска : вентилируемый
Диаметр [мм] : 280
Высота [мм] : 42
Минимальная толщина [мм] : 22
Количество отверстий : 5
Ø фаски [мм] : 70
Момент затяжки [Нм] : 110
Толщина тормозного диска (мм) : 25
Наружный диаметр [мм] : 280
|
|
Тормозной диск
MAGNETI MARELLI 360406039001
Тип тормозного диска : цельный
Диаметр [мм] : 264
Высота [мм] : 42
Минимальная толщина [мм] : 8
Количество отверстий : 5
Ø фаски [мм] : 65
Момент затяжки [Нм] : 110
Дополнительный артикул / дополнительная информация 2 : с винтами
Толщина тормозного диска (мм) : 10
Наружный диаметр [мм] : 264
|
|
Тормозной диск
MAGNETI MARELLI 360406039002
Тип тормозного диска : перфорированный
Диаметр [мм] : 264
Высота [мм] : 42
Минимальная толщина [мм] : 8,5
Количество отверстий : 5
Ø фаски [мм] : 65
Момент затяжки [Нм] : 110
Дополнительный артикул / дополнительная информация 2 : с винтами
Толщина тормозного диска (мм) : 10
Наружный диаметр [мм] : 264
|
|
Тормозной диск
MAGNETI MARELLI 360406039005
Тип тормозного диска : цельный
Диаметр [мм] : 264
Высота [мм] : 42
Минимальная толщина [мм] : 8
Количество отверстий : 5
Ø фаски [мм] : 65
Момент затяжки [Нм] : 110
Дополнительный артикул / дополнительная информация 2 : с винтами
Толщина тормозного диска (мм) : 10
Наружный диаметр [мм] : 264
|
|
Тормозной диск
MAGNETI MARELLI 361302040141
Тип тормозного диска : цельный
Диаметр [мм] : 264
Высота [мм] : 42
Минимальная толщина [мм] : 8
Количество отверстий : 5
Ø фаски [мм] : 65
Момент затяжки [Нм] : 110
Толщина тормозного диска (мм) : 10
Наружный диаметр [мм] : 264
|
|
Тормозной диск
MAGNETI MARELLI 361302040210
Тип тормозного диска : вентилируемый
Диаметр [мм] : 280
Высота [мм] : 42
Минимальная толщина [мм] : 22
Количество отверстий : 5
Ø фаски [мм] : 70
Момент затяжки [Нм] : 110
Толщина тормозного диска (мм) : 25
Наружный диаметр [мм] : 280
|
|
Тормозной диск
MANDO MBC035177
Сторона установки : передний мост
Тип тормозного диска : вентилируемый
Толщина тормозного диска (мм) : 24,4
Количество отверстий : 5
Высота [мм] : 42
Диаметр центрирования [мм] : 70
Наружный диаметр [мм] : 280
|
|
Тормозной диск
MANDO MBC035186
Сторона установки : Задний мост
Тип тормозного диска : цельный
Толщина тормозного диска (мм) : 10
Количество отверстий : 5
Высота [мм] : 42
Диаметр центрирования [мм] : 65,5
Наружный диаметр [мм] : 264
|
|
Тормозной диск
MAPCO 15845
Сторона установки : передний мост
Наружный диаметр [мм] : 280
Высота [мм] : 42
Диаметр отверстия [мм] : 14
Тип тормозного диска : вентилируемый
Толщина тормозного диска (мм) : 24,8
Минимальная толщина [мм] : 22
Внутренний диаметр : 139
Количество отверстий : 5
Диаметр центрирования [мм] : 70
Ø фаски [мм] : 110
|
|
Тормозной диск
MAPCO 15845C
Сторона установки : передний мост
Поверхность : с покрытием
Тип тормозного диска : вентилируемый
Наружный диаметр [мм] : 280
Толщина тормозного диска (мм) : 24,8
Минимальная толщина [мм] : 22
Высота [мм] : 42
Внутренний диаметр : 139
Диаметр отверстия [мм] : 14
Количество отверстий : 5
Количество отверстий 2 : 7
Ø фаски [мм] : 110
Диаметр центрирования [мм] : 70
|
|
Тормозной диск
MAPCO 15859
Сторона установки : Задний мост
Наружный диаметр [мм] : 264
необходимое количество : 2
Тип тормозного диска : цельный
Толщина тормозного диска (мм) : 9,8
Минимальная толщина [мм] : 8
Количество отверстий : 5
Ø фаски [мм] : 110
|
|
Тормозной диск
MAPCO 15859C
Сторона установки : Задний мост
Поверхность : с покрытием
Тип тормозного диска : цельный
Наружный диаметр [мм] : 264
Толщина тормозного диска (мм) : 9,8
Минимальная толщина [мм] : 8
Высота [мм] : 42
Внутренний диаметр : 145
Диаметр отверстия [мм] : 14
Количество отверстий : 5
Ø фаски [мм] : 110
Диаметр центрирования [мм] : 65,5
|
|
Тормозной диск
MAXGEAR 19-0792
Сторона установки : Задний мост
Тип тормозного диска : цельный
Наружный диаметр [мм] : 264
Толщина тормозного диска (мм) : 9,9
Высота [мм] : 42,2
Ø фаски [мм] : 110
Диаметр центрирования [мм] : 65,5
Количество отверстий : 5
Минимальная толщина [мм] : 8
|
|
Тормозной диск
MAXGEAR 19-0792MAX
Тип тормозного диска : цельный
Наружный диаметр [мм] : 264
Толщина тормозного диска (мм) : 9,9
Высота [мм] : 42,2
Ø фаски [мм] : 110
Диаметр центрирования [мм] : 65,5
Количество отверстий : 5
Поверхность : лакированный
Минимальная толщина [мм] : 8
|
|
Тормозной диск
MAXGEAR 19-0792SPORT
Тип тормозного диска : цельный
Тип тормозного диска : с прорезями / перфорированный
Наружный диаметр [мм] : 264
Толщина тормозного диска (мм) : 9,9
Высота [мм] : 42,2
Ø фаски [мм] : 110
Диаметр центрирования [мм] : 65,5
Количество отверстий : 5
Поверхность : лакированный
Минимальная толщина [мм] : 8
|
|
Тормозной диск
MAXGEAR 19-0804
Сторона установки : передний мост
Тип тормозного диска : вентилируемый
Наружный диаметр [мм] : 280
Толщина тормозного диска (мм) : 25
Число отверстий в диске колеса : 5
Высота [мм] : 42
Ø фаски [мм] : 110
Диаметр центрирования [мм] : 70
Количество отверстий : 7
Минимальная толщина [мм] : 22
|
|
Тормозной диск
MAXGEAR 19-0804MAX
Тип тормозного диска : вентилируемый
Наружный диаметр [мм] : 280
Толщина тормозного диска (мм) : 25
Число отверстий в диске колеса : 5
Высота [мм] : 42
Ø фаски [мм] : 110
Диаметр центрирования [мм] : 70
Количество отверстий : 7
Поверхность : лакированный
Минимальная толщина [мм] : 22
|
|
Тормозной диск
MAXGEAR 19-0804SPORT
Тип тормозного диска : вентилируемый
Тип тормозного диска : с прорезями / перфорированный
Наружный диаметр [мм] : 280
Толщина тормозного диска (мм) : 25
Число отверстий в диске колеса : 5
Высота [мм] : 42
Ø фаски [мм] : 110
Диаметр центрирования [мм] : 70
Количество отверстий : 7
Поверхность : лакированный
Минимальная толщина [мм] : 22
|
|
Тормозной диск
METELLI 23-0489C
проверочное значение : ECE-R90
Высота [мм] : 42
Тип тормозного диска : цельный
Толщина тормозного диска (мм) : 10
Наружный диаметр [мм] : 264
Количество отверстий : 5
Диаметр центрирования [мм] : 65
Поверхность : лакированный
|
|
Тормозной диск
METELLI 23-0514C
проверочное значение : ECE-R90
Высота [мм] : 42
Тип тормозного диска : вентилируемый
Толщина тормозного диска (мм) : 24,9
Наружный диаметр [мм] : 280
Количество отверстий : 5
Диаметр центрирования [мм] : 70
Поверхность : лакированный
|
|
Тормозной диск
MEYLE 615 521 6017
Сторона установки : передний мост
Наружный диаметр [мм] : 280
Высота [мм] : 42
Толщина тормозного диска (мм) : 24,8
Минимальная толщина [мм] : 22
Диаметр центрирования [мм] : 70
Ø фаски [мм] : 110
Диаметр отверстия под шпильку колеса [мм] : 14,2
Количество отверстий : 5
Тип тормозного диска : вентилируемый
необходимое количество : 2
|
|
Тормозной диск
MEYLE 615 523 0024
Сторона установки : Задний мост
Наружный диаметр [мм] : 264
Высота [мм] : 42
Толщина тормозного диска (мм) : 9,8
Минимальная толщина [мм] : 8
Диаметр центрирования [мм] : 65,5
Ø фаски [мм] : 110
Диаметр отверстия под шпильку колеса [мм] : 14
Количество отверстий : 5
Тип тормозного диска : цельный
необходимое количество : 2
|
|
Тормозной диск
MEYLE 615 523 0024/PD
Сторона установки : Задний мост
Наружный диаметр [мм] : 264
Высота [мм] : 42
Толщина тормозного диска (мм) : 9,8
Минимальная толщина [мм] : 8
Диаметр центрирования [мм] : 65,5
Ø фаски [мм] : 110
Диаметр отверстия под шпильку колеса [мм] : 14
Количество отверстий : 5
Тип тормозного диска : цельный
Поверхность : оцинкованная
Дополнительный артикул / дополнительная информация 2 : с винтами
Качество : PREMIUM
необходимое количество : 2
|
|
Тормозной диск
MEYLE 683 521 6017/PD
Сторона установки : передний мост
Наружный диаметр [мм] : 280
Высота [мм] : 42
Толщина тормозного диска (мм) : 24,8
Минимальная толщина [мм] : 22
Диаметр центрирования [мм] : 70
Ø фаски [мм] : 110
Диаметр отверстия под шпильку колеса [мм] : 14,2
Количество отверстий : 5
Тип тормозного диска : вентилируемый
Поверхность : оцинкованная
Обработка : Высокоуглеродистый
Дополнительный артикул / дополнительная информация 2 : с винтами
Качество : PREMIUM
необходимое количество : 2
|
|
Тормозной диск
MILES K000253
Сторона установки : спереди
Количество отверстий : 5
Тип тормозного диска : вентилируемый
Наружный диаметр [мм] : 279,8
Высота [мм] : 42
Диаметр центрирования [мм] : 70
Ø фаски [мм] : 110
Диаметр отверстия под шпильку колеса [мм] : 14,2
Толщина тормозного диска (мм) : 24,4
Минимальная толщина [мм] : 22
|
|
Тормозной диск
MILES K200253
Сторона установки : спереди
Количество отверстий : 5
Тип тормозного диска : вентилируемый
Наружный диаметр [мм] : 279,8
Высота [мм] : 42
Диаметр центрирования [мм] : 70
Ø фаски [мм] : 110
Диаметр отверстия под шпильку колеса [мм] : 14,2
Толщина тормозного диска (мм) : 24,4
Минимальная толщина [мм] : 22
Поверхность : с покрытием
|
|
Тормозной диск
MILES K010254
Сторона установки : сзади
Количество отверстий : 5
Тип тормозного диска : цельный
Наружный диаметр [мм] : 264
Высота [мм] : 42
Диаметр центрирования [мм] : 65,5
Ø фаски [мм] : 110
Диаметр отверстия под шпильку колеса [мм] : 14,3
Толщина тормозного диска (мм) : 10
Минимальная толщина [мм] : 8
|
|
Тормозной диск
MILES K210254
Сторона установки : сзади
Количество отверстий : 5
Тип тормозного диска : цельный
Наружный диаметр [мм] : 264
Высота [мм] : 42
Диаметр центрирования [мм] : 65,5
Ø фаски [мм] : 110
Диаметр отверстия под шпильку колеса [мм] : 14,3
Толщина тормозного диска (мм) : 10
Минимальная толщина [мм] : 8
Поверхность : с покрытием
|
|
Тормозной диск
MINTEX MDC1050C
Тип тормозного диска : вентилируемый
Наружный диаметр [мм] : 280
Толщина тормозного диска (мм) : 25
Высота [мм] : 42
Минимальная толщина [мм] : 22
Поверхность : с покрытием
Внутренний диаметр : 139
Ø фаски [мм] : 110
Диаметр центрирования [мм] : 70
Расположение/число отверстий : 05/08
Диаметр отверстия под шпильку колеса [мм] : 14
Дополнительный артикул / дополнительная информация 2 : без ступицы
Дополнительный артикул / дополнительная информация 2 : без колесного подшипника
Дополнительный артикул / дополнительная информация 2 : без колесной крепящей оси
Длина упаковки [см] : 29,3
Ширина упаковки [см] : 29,3
Высота упаковки [см] : 10,5
Вес [кг] : 6,7
|
|
Тормозной диск
MINTEX MDC1052C
Тип тормозного диска : цельный
Наружный диаметр [мм] : 264
Толщина тормозного диска (мм) : 10
Высота [мм] : 42
Минимальная толщина [мм] : 8
Поверхность : с покрытием
Внутренний диаметр : 145
Ø фаски [мм] : 110
Диаметр центрирования [мм] : 65,5
Расположение/число отверстий : 05/06
Диаметр отверстия под шпильку колеса [мм] : 14,2
Дополнительный артикул / дополнительная информация 2 : без ступицы
Дополнительный артикул / дополнительная информация 2 : без колесного подшипника
Дополнительный артикул / дополнительная информация 2 : без колесной крепящей оси
Длина упаковки [см] : 27,8
Ширина упаковки [см] : 27,8
Высота упаковки [см] : 10,5
Вес [кг] : 3,7
|
|
Тормозной диск
MOTAQUIP LVBD966
Тип тормозного диска : вентилируемый
Наружный диаметр [мм] : 256
Толщина тормозного диска (мм) : 24
Высота [мм] : 41
Ø фаски [мм] : 100
Диаметр центрирования [мм] : 60
Количество отверстий : 4
Поверхность : с покрытием
Вес [кг] : 5,235
Минимальная толщина [мм] : 21
Число отверстий : 3
|
|
Тормозной диск
MOTAQUIP LVBE142
Тип тормозного диска : цельный
Наружный диаметр [мм] : 240
Толщина тормозного диска (мм) : 10
Высота [мм] : 42
Ø фаски [мм] : 100
Диаметр центрирования [мм] : 57
Количество отверстий : 4
Поверхность : с покрытием
Вес [кг] : 3,25
Минимальная толщина [мм] : 8
Число отверстий : 1
|
|
Тормозной диск
MOTAQUIP LVBE143Z
Тип тормозного диска : цельный
Наружный диаметр [мм] : 264
Толщина тормозного диска (мм) : 10
Высота [мм] : 42
Ø фаски [мм] : 110
Диаметр центрирования [мм] : 65,5
Количество отверстий : 5
Поверхность : с покрытием
Вес [кг] : 3,845
Минимальная толщина [мм] : 8
Число отверстий : 1
|
|
Тормозной диск
MOTAQUIP LVBE250Z
Тип тормозного диска : вентилируемый
Наружный диаметр [мм] : 280
Толщина тормозного диска (мм) : 24,9
Высота [мм] : 42
Ø фаски [мм] : 110
Диаметр центрирования [мм] : 70
Количество отверстий : 5
Поверхность : с покрытием
Вес [кг] : 6,68
Минимальная толщина [мм] : 22
Число отверстий : 3
|
|
Тормозной диск
MTR 12108526
Тип тормозного диска : вентилируемый
Наружный диаметр [мм] : 280
Толщина тормозного диска (мм) : 25
Число отверстий в диске колеса : 5
Высота [мм] : 42
Ø фаски [мм] : 110
Диаметр центрирования [мм] : 70
Количество отверстий : 7
Размер резьбы : 14,2
|
|
Тормозной диск
MTR 12108528
Сторона установки : Задний мост
Тип тормозного диска : цельный
Наружный диаметр [мм] : 264
Толщина тормозного диска (мм) : 10
Высота [мм] : 42,2
Ø фаски [мм] : 110
Диаметр центрирования [мм] : 65,5
Количество отверстий : 5
Размер резьбы : 14
|
|
Тормозной диск
National NBD925
Тип тормозного диска : вентилируемый
Наружный диаметр [мм] : 280
Толщина тормозного диска (мм) : 25
Высота [мм] : 42
Ø фаски [мм] : 110
Диаметр центрирования [мм] : 70
Количество отверстий : 5
|
|
Тормозной диск
National NBD927
Тип тормозного диска : цельный
Наружный диаметр [мм] : 264
Толщина тормозного диска (мм) : 10
Высота [мм] : 41
Ø фаски [мм] : 110
Диаметр центрирования [мм] : 65
Количество отверстий : 5
|
|
Тормозной диск
NiBK RN1112
Сторона установки : передний мост
Тип тормозного диска : вентилируемый
Наружный диаметр [мм] : 280
Толщина тормозного диска (мм) : 25
Минимальная толщина [мм] : 22
Количество отверстий : 7
Ø фаски [мм] : 110
Высота [мм] : 42
Диаметр центрирования [мм] : 70
Внутренний диаметр : 139
|
|
Тормозной диск
NiBK RN1380
Сторона установки : Задний мост
Тип тормозного диска : цельный
Наружный диаметр [мм] : 264
Толщина тормозного диска (мм) : 10
Минимальная толщина [мм] : 8
Количество отверстий : 5
Ø фаски [мм] : 110
Высота [мм] : 42,2
Диаметр центрирования [мм] : 65,5
Внутренний диаметр : 145
|
|
Тормозной диск
NK 203630
Наружный диаметр [мм] : 280
Толщина тормозного диска (мм) : 25
Минимальная толщина [мм] : 22
Высота [мм] : 42
Число отверстий в диске колеса : 5
Тип тормозного диска : вентилируемый
Диаметр центрирования [мм] : 70
Поверхность : промасленный
Вес нетто [кг] : 6,27
|
|
Тормозной диск
NK 313630
Наружный диаметр [мм] : 280
Толщина тормозного диска (мм) : 25
Минимальная толщина [мм] : 22
Высота [мм] : 42
Число отверстий в диске колеса : 5
Тип тормозного диска : вентилируемый
Диаметр центрирования [мм] : 70
Поверхность : с покрытием
Вес нетто [кг] : 6,27
|
|
Тормозной диск
NK 203631
Наружный диаметр [мм] : 264
Толщина тормозного диска (мм) : 10
Минимальная толщина [мм] : 7
Высота [мм] : 42
Число отверстий в диске колеса : 5
Тип тормозного диска : цельный
Диаметр центрирования [мм] : 65,5
Поверхность : промасленный
Вес нетто [кг] : 3,71
|
|
Тормозной диск
NK 313631
Наружный диаметр [мм] : 264
Толщина тормозного диска (мм) : 10
Минимальная толщина [мм] : 7
Высота [мм] : 42
Число отверстий в диске колеса : 5
Тип тормозного диска : цельный
Диаметр центрирования [мм] : 65,5
Поверхность : с покрытием
Вес нетто [кг] : 3,71
|
|
Тормозной диск
NPS O331L01
Спецификация : Qte packaging: 1
проверочное значение : E1 90R-02C0100/1113
Сторона установки : Задний мост
Наружный диаметр [мм] : 264
Тип тормозного диска : цельный
Толщина тормозного диска (мм) : 9,8
Количество отверстий : 5
Ø фаски [мм] : 110
Количество частей [част.] : 1
|
|
Тормозной диск
Omnicraft 2133897
Высота [мм] : 42
Тип тормозного диска : вентилируемый
Толщина тормозного диска (мм) : 25
Минимальная толщина [мм] : 22
Обработка : Высокоуглеродистый
Наружный диаметр [мм] : 280
Количество отверстий : 5
Диаметр центрирования [мм] : 70
Момент затяжки [Нм] : 110
|
|
Тормозной диск
Omnicraft 2134636
Высота [мм] : 42
Тип тормозного диска : цельный
Толщина тормозного диска (мм) : 10
Минимальная толщина [мм] : 8
Наружный диаметр [мм] : 264
Количество отверстий : 5
Диаметр центрирования [мм] : 65
Момент затяжки [Нм] : 110
Дополнительный артикул / дополнительная информация 2 : с винтами
|
|
Тормозной диск
OPEN PARTS BDA1808.20
Тип тормозного диска : вентилируемый
Наружный диаметр [мм] : 280
Высота [мм] : 42
Толщина тормозного диска (мм) : 25
Диаметр центрирования [мм] : 70
Количество отверстий : 7
Минимальная толщина [мм] : 22
|
|
Тормозной диск
OPEN PARTS BDA1811.10
Тип тормозного диска : цельный
Наружный диаметр [мм] : 264
Высота [мм] : 42,5
Толщина тормозного диска (мм) : 10
Диаметр центрирования [мм] : 65,5
Количество отверстий : 5
Дополнительный артикул / дополнительная информация 2 : с винтами
Минимальная толщина [мм] : 8
|
|
Тормозной диск
OPEN PARTS BDR1808.20
Тип тормозного диска : вентилируемый
Поверхность : лакированный
Наружный диаметр [мм] : 280
Высота [мм] : 42
Толщина тормозного диска (мм) : 25
Диаметр центрирования [мм] : 70
Количество отверстий : 6
Минимальная толщина [мм] : 22
|
|
Тормозной диск
OPEN PARTS BDR1811.10
Тип тормозного диска : цельный
Поверхность : лакированный
Наружный диаметр [мм] : 264
Высота [мм] : 42,5
Толщина тормозного диска (мм) : 10
Диаметр центрирования [мм] : 65,5
Количество отверстий : 5
Дополнительный артикул / дополнительная информация 2 : с винтами
Минимальная толщина [мм] : 8
|
|
Тормозной диск
OPTIMAL BS-5780
Сторона установки : Задний мост
Тип тормозного диска : цельный
Толщина тормозного диска (мм) : 10
Наружный диаметр [мм] : 263
Высота [мм] : 42
Диаметр центрирования [мм] : 65,5
Минимальная толщина [мм] : 8
Расположение/число отверстий : 5/6
|
|
Тормозной диск
OPTIMAL BS-5780C
Сторона установки : Задний мост
Тип тормозного диска : цельный
Толщина тормозного диска (мм) : 10
Наружный диаметр [мм] : 264
Высота [мм] : 42
Диаметр центрирования [мм] : 65,5
Поверхность : с покрытием
Дополнительный артикул / дополнительная информация 2 : с винтами
Минимальная толщина [мм] : 8
Расположение/число отверстий : 5/6
|
|
Тормозной диск
OPTIMAL BS-5840
Сторона установки : передний мост
Тип тормозного диска : вентилируемый
Толщина тормозного диска (мм) : 25
Наружный диаметр [мм] : 280
Высота [мм] : 42
Диаметр центрирования [мм] : 70
Минимальная толщина [мм] : 22
Расположение/число отверстий : 5/8
|
|
Тормозной диск
OPTIMAL BS-5840C
Сторона установки : передний мост
Тип тормозного диска : вентилируемый
Толщина тормозного диска (мм) : 25
Наружный диаметр [мм] : 280
Высота [мм] : 42
Диаметр центрирования [мм] : 70
Поверхность : с покрытием
Дополнительный артикул / дополнительная информация 2 : с винтами
Минимальная толщина [мм] : 22
Расположение/число отверстий : 5/8
|
|
Тормозной диск
OSSCA 04710
Сторона установки : передний мост
Тип тормозного диска : вентилируемый
Толщина тормозного диска (мм) : 25
Высота [мм] : 42
Наружный диаметр [мм] : 280
|
|
Тормозной диск
OSSCA 08675
Сторона установки : Задний мост
Тип тормозного диска : вентилируемый
Размеры радиатора : 264×10
Толщина тормозного диска (мм) : 0
Высота [мм] : 42,5
Наружный диаметр [мм] : 0
|
|
Тормозной диск
PAGID 52431NC
Тип тормозного диска : вентилируемый
Наружный диаметр [мм] : 280
Толщина тормозного диска (мм) : 25
Высота [мм] : 42
Минимальная толщина [мм] : 22
Поверхность : с покрытием
Внутренний диаметр : 139
Ø фаски [мм] : 110
Диаметр центрирования [мм] : 70
Расположение/число отверстий : 05/08
Диаметр отверстия под шпильку колеса [мм] : 14
Дополнительный артикул / дополнительная информация 2 : без ступицы
Дополнительный артикул / дополнительная информация 2 : без колесного подшипника
Дополнительный артикул / дополнительная информация 2 : без колесной крепящей оси
Длина упаковки [см] : 29,3
Ширина упаковки [см] : 29,3
Высота упаковки [см] : 6,5
Вес [кг] : 6,7
|
|
Тормозной диск
PAGID 52433NC
Тип тормозного диска : цельный
Наружный диаметр [мм] : 264
Толщина тормозного диска (мм) : 10
Высота [мм] : 42
Минимальная толщина [мм] : 8
Поверхность : с покрытием
Внутренний диаметр : 145
Ø фаски [мм] : 110
Диаметр центрирования [мм] : 65,5
Расположение/число отверстий : 05/06
Диаметр отверстия под шпильку колеса [мм] : 14,2
Дополнительный артикул / дополнительная информация 2 : без ступицы
Дополнительный артикул / дополнительная информация 2 : без колесного подшипника
Дополнительный артикул / дополнительная информация 2 : без колесной крепящей оси
Длина упаковки [см] : 27,8
Ширина упаковки [см] : 27,8
Высота упаковки [см] : 8,4
Вес [кг] : 3,7
|
|
Тормозной диск
PILENGA 5765
Сторона установки : Задний мост
Тип тормозного диска : цельный
Минимальная толщина [мм] : 8
Толщина тормозного диска (мм) : 9,8
Количество отверстий 1 : 5
Количество отверстий 2 : 1
Внутренний диаметр : 144,8
Высота [мм] : 42
Диаметр центрирования [мм] : 65,5
Наружный диаметр [мм] : 264
|
|
Тормозной диск
PILENGA V373
Сторона установки : передний мост
Тип тормозного диска : вентилируемый
Минимальная толщина [мм] : 22
Толщина тормозного диска (мм) : 24,8
Количество отверстий 1 : 5
Количество отверстий 2 : 3
Внутренний диаметр : 139
Высота [мм] : 42
Обработка : Высокоуглеродистый
Диаметр центрирования [мм] : 70
Наружный диаметр [мм] : 280
|
|
Тормозной диск
ProfiPower 3B1011
Тип тормозного диска : вентилируемый
Число отверстий в диске колеса : 5
Высота [мм] : 42
Толщина тормозного диска (мм) : 25
Размер резьбы : 14,2
Минимальная толщина [мм] : 22
Наружный диаметр [мм] : 280
Количество отверстий : 7
Диаметр центрирования [мм] : 70
Ø фаски [мм] : 110
|
|
Тормозной диск
ProfiPower 3B2004
Тип тормозного диска : цельный
Высота [мм] : 42,2
Толщина тормозного диска (мм) : 9,9
Размер резьбы : 14
Минимальная толщина [мм] : 8
Наружный диаметр [мм] : 264
Количество отверстий : 5
Диаметр центрирования [мм] : 65,5
Ø фаски [мм] : 110
|
|
Тормозной диск
QUARO QD5481
Тип тормозного диска : цельный
Наружный диаметр [мм] : 264
Толщина тормозного диска (мм) : 10
Дополнительный артикул / дополнительная информация 2 : без ступицы
Дополнительный артикул / дополнительная информация 2 : без колесной крепящей оси
Высота [мм] : 42
Ø фаски [мм] : 110
Диаметр центрирования [мм] : 65,5
Количество отверстий : 5
Поверхность : лакированный
Минимальная толщина [мм] : 8
|
|
Тормозной диск
QUARO QD5481HC
Тип тормозного диска : цельный
Наружный диаметр [мм] : 264
Толщина тормозного диска (мм) : 10
Высота [мм] : 42
Ø фаски [мм] : 110
Диаметр центрирования [мм] : 65,5
Поверхность : с покрытием
|
|
Тормозной диск
QUARO QD8842
Тип тормозного диска : вентилируемый
Наружный диаметр [мм] : 280
Толщина тормозного диска (мм) : 25
Дополнительный артикул / дополнительная информация 2 : без ступицы
Дополнительный артикул / дополнительная информация 2 : без колесной крепящей оси
Высота [мм] : 42
Ø фаски [мм] : 110
Диаметр центрирования [мм] : 70
Количество отверстий : 5
Поверхность : лакированный
Минимальная толщина [мм] : 22
|
|
Тормозной диск
QUARO QD8842HC
Тип тормозного диска : вентилируемый
Наружный диаметр [мм] : 280
Толщина тормозного диска (мм) : 25
Дополнительный артикул / дополнительная информация 2 : без ступицы
Дополнительный артикул / дополнительная информация 2 : без колесной крепящей оси
Высота [мм] : 42
Ø фаски [мм] : 110
Диаметр центрирования [мм] : 70
Количество отверстий : 5
Обработка : Высокоуглеродистый
Поверхность : лакированный
Минимальная толщина [мм] : 22
|
|
Комплект болтов, тормозной диск
QUICK BRAKE 11666K
Длина [мм] : 19
Размер резьбы : M10x1,25
Тип резьбы : с наружной резьбой
Ширина зева гаечного ключа : Hex-5
|
|
Тормозной диск
R BRAKE 78RBD29060
Толщина тормозного диска (мм) : 22
Наружный диаметр [мм] : 280
Тип тормозного диска : вентилируемый
Высота [мм] : 42
Диаметр центрирования [мм] : 70
Ø фаски [мм] : 110
Исполнение оси : Front
Номер технической информации : 78BD9060-2
проверочное значение : E1 90R-02C0074/0005
проверочное значение : E1 90R-02C0370/0014
проверочное значение : E1 90R-02C0452/0118
Диаметр [мм] : 70
Толщина [мм] : 25
Минимальная толщина [мм] : 22
Расположение/число отверстий : 5
|
|
Тормозной диск
R BRAKE 78RBD29110
Толщина тормозного диска (мм) : 8
Наружный диаметр [мм] : 264
Тип тормозного диска : цельный
Высота [мм] : 42
Диаметр центрирования [мм] : 65,5
Ø фаски [мм] : 110
Исполнение оси : Rear
Номер технической информации : 78BD9110-2
проверочное значение : E1 90R-02C0100/1113
проверочное значение : E1 90R-02C0415/0009
проверочное значение : E4 90R-02C0722/2597
Диаметр [мм] : 65,5
Толщина [мм] : 10
Минимальная толщина [мм] : 8
Расположение/число отверстий : 5
Вес [кг] : 7 616
|
|
Тормозной диск
RAICAM RD00592
Тип тормозного диска : вентилируемый
выполняет нормы ЕЭК : E1
Число отверстий в диске колеса : 5
Толщина тормозного диска (мм) : 25
Сторона установки : передний мост
Минимальная толщина [мм] : 22
Высота [мм] : 42
Наружный диаметр [мм] : 280
Вес [кг] : 6,1
Диаметр центрирования [мм] : 70
|
|
Тормозной диск
RAICAM RD00593
Диаметр центрирования [мм] : 65
Тип тормозного диска : цельный
выполняет нормы ЕЭК : E1
Число отверстий в диске колеса : 5
Толщина тормозного диска (мм) : 10
Сторона установки : Задний мост
Минимальная толщина [мм] : 7
Высота [мм] : 42
Наружный диаметр [мм] : 264
Вес [кг] : 3,7
|
|
Тормозной диск
RIDEX 82B0002
Толщина тормозного диска (мм) : 10
Тип тормозного диска : цельный
Наружный диаметр [мм] : 264
Сторона установки : Задний мост
Минимальная толщина [мм] : 8
Высота [мм] : 42
Расположение/число отверстий : 05/06
Ø фаски [мм] : 110
Диаметр центрирования [мм] : 65,5
Дополнительный артикул / дополнительная информация 2 : без ступицы
Дополнительный артикул / дополнительная информация 2 : без колесной крепящей оси
Внутренний диаметр : 163
Диаметр пальца [мм] : 14,5
Поверхность : без покрытия
|
|
Тормозной диск
RIDEX 82B0005
Тип тормозного диска : вентилируемый
Наружный диаметр [мм] : 280
Толщина тормозного диска (мм) : 25
Сторона установки : передний мост
Высота [мм] : 42
Ø фаски [мм] : 110
Диаметр центрирования [мм] : 70
Дополнительный артикул / дополнительная информация 2 : без ступицы
Диаметр отверстия под шпильку колеса [мм] : 14
Внутренний диаметр : 139
Минимальная толщина [мм] : 22
|
|
Тормозной диск
ROTINGER RT 1392
Тип тормозного диска : цельный
Сторона установки : Задний мост
Наружный диаметр [мм] : 264
Внутренний диаметр : 145
Диаметр центрирования [мм] : 65,5
Высота [мм] : 42
Толщина тормозного диска (мм) : 10
Минимальная толщина [мм] : 8
Количество отверстий : 5
Размер резьбы : 14,3
Количество отверстий 1 : 1
Расстояние между отверст. 1 [мм] : 106
Вес [кг] : 3,7
Ø фаски [мм] : 110
|
|
Тормозной диск
ROTINGER RT 1392-GL
Тип тормозного диска : цельный
Поверхность : с гальваническим покрытием
Сторона установки : Задний мост
Наружный диаметр [мм] : 264
Внутренний диаметр : 145
Диаметр центрирования [мм] : 65,5
Высота [мм] : 42
Толщина тормозного диска (мм) : 10
Минимальная толщина [мм] : 8
Количество отверстий : 5
Размер резьбы : 14,3
Количество отверстий 1 : 1
Расстояние между отверст. 1 [мм] : 106
Вес [кг] : 3,7
Ø фаски [мм] : 110
|
|
Тормозной диск
ROTINGER RT 1392-GL T3
Тип тормозного диска : цельный
Тип тормозного диска : перфорированный
Поверхность : с гальваническим покрытием
Сторона установки : Задний мост
Наружный диаметр [мм] : 264
Внутренний диаметр : 145
Диаметр центрирования [мм] : 65,5
Высота [мм] : 42
Толщина тормозного диска (мм) : 10
Минимальная толщина [мм] : 8
Количество отверстий : 5
Размер резьбы : 14,3
Количество отверстий 1 : 1
Расстояние между отверст. 1 [мм] : 106
Вес [кг] : 3,7
Ø фаски [мм] : 110
|
|
Тормозной диск
ROTINGER RT 1392-GL T5
Тип тормозного диска : перфорированный
Тип тормозного диска : цельный
Поверхность : с гальваническим покрытием
Сторона установки : Задний мост
Наружный диаметр [мм] : 264
Внутренний диаметр : 145
Диаметр центрирования [мм] : 65,5
Высота [мм] : 42
Толщина тормозного диска (мм) : 10
Минимальная толщина [мм] : 8
Количество отверстий : 5
Размер резьбы : 14,3
Количество отверстий 1 : 1
Расстояние между отверст. 1 [мм] : 106
Вес [кг] : 3,7
Ø фаски [мм] : 110
|
|
Тормозной диск
ROTINGER RT 1392-GL T6
Тип тормозного диска : цельный
Поверхность : с гальваническим покрытием
Сторона установки : Задний мост
Наружный диаметр [мм] : 264
Внутренний диаметр : 145
Диаметр центрирования [мм] : 65,5
Высота [мм] : 42
Толщина тормозного диска (мм) : 10
Минимальная толщина [мм] : 8
Количество отверстий : 5
Размер резьбы : 14,3
Количество отверстий 1 : 1
Расстояние между отверст. 1 [мм] : 106
Вес [кг] : 3,7
Ø фаски [мм] : 110
|
|
Тормозной диск
ROTINGER RT 1392-GL T9
Тип тормозного диска : цельный
Поверхность : с гальваническим покрытием
Сторона установки : Задний мост
Наружный диаметр [мм] : 264
Внутренний диаметр : 145
Диаметр центрирования [мм] : 65,5
Высота [мм] : 42
Толщина тормозного диска (мм) : 10
Минимальная толщина [мм] : 8
Количество отверстий : 5
Размер резьбы : 14,3
Количество отверстий 1 : 1
Расстояние между отверст. 1 [мм] : 106
Вес [кг] : 3,7
Ø фаски [мм] : 110
|
|
Тормозной диск
ROTINGER RT 2798
Тип тормозного диска : вентилируемый
Сторона установки : передний мост
Наружный диаметр [мм] : 279,8
Внутренний диаметр : 139,2
Диаметр центрирования [мм] : 70
Высота [мм] : 42
Толщина тормозного диска (мм) : 25
Минимальная толщина [мм] : 22
Количество отверстий : 7
Размер резьбы : 14,2
Вес [кг] : 6,4
Ø фаски [мм] : 110
|
|
Тормозной диск
ROTINGER RT 2798-GL
Тип тормозного диска : вентилируемый
Поверхность : с гальваническим покрытием
Сторона установки : передний мост
Наружный диаметр [мм] : 279,8
Внутренний диаметр : 139,2
Диаметр центрирования [мм] : 70
Высота [мм] : 42
Толщина тормозного диска (мм) : 25
Минимальная толщина [мм] : 22
Количество отверстий : 7
Размер резьбы : 14,2
Вес [кг] : 6,4
Ø фаски [мм] : 110
|
|
Тормозной диск
ROTINGER RT 2798-GL T3
Тип тормозного диска : вентилируемый
Тип тормозного диска : перфорированный
Поверхность : с гальваническим покрытием
Сторона установки : передний мост
Наружный диаметр [мм] : 279,8
Внутренний диаметр : 139,2
Диаметр центрирования [мм] : 70
Высота [мм] : 42
Толщина тормозного диска (мм) : 25
Минимальная толщина [мм] : 22
Количество отверстий : 7
Размер резьбы : 14,2
Вес [кг] : 6,4
Ø фаски [мм] : 110
|
|
Тормозной диск
ROTINGER RT 2798-GL T5
Тип тормозного диска : перфорированный
Тип тормозного диска : вентилируемый
Поверхность : с гальваническим покрытием
Сторона установки : передний мост
Наружный диаметр [мм] : 279,8
Внутренний диаметр : 139,2
Диаметр центрирования [мм] : 70
Высота [мм] : 42
Толщина тормозного диска (мм) : 25
Минимальная толщина [мм] : 22
Количество отверстий : 7
Размер резьбы : 14,2
Вес [кг] : 6,4
Ø фаски [мм] : 110
|
|
Тормозной диск
ROTINGER RT 2798-GL T6
Тип тормозного диска : вентилируемый
Поверхность : с гальваническим покрытием
Сторона установки : передний мост
Наружный диаметр [мм] : 279,8
Внутренний диаметр : 139,2
Диаметр центрирования [мм] : 70
Высота [мм] : 42
Толщина тормозного диска (мм) : 25
Минимальная толщина [мм] : 22
Количество отверстий : 7
Размер резьбы : 14,2
Вес [кг] : 6,4
Ø фаски [мм] : 110
|
|
Тормозной диск
ROTINGER RT 2798-GL T9
Тип тормозного диска : вентилируемый
Поверхность : с гальваническим покрытием
Сторона установки : передний мост
Наружный диаметр [мм] : 279,8
Внутренний диаметр : 139,2
Диаметр центрирования [мм] : 70
Высота [мм] : 42
Толщина тормозного диска (мм) : 25
Минимальная толщина [мм] : 22
Количество отверстий : 7
Размер резьбы : 14,2
Вес [кг] : 6,4
Ø фаски [мм] : 110
|
|
Тормозной диск
SAMKO O1411V
Высота [мм] : 42
Толщина тормозного диска (мм) : 25
Количество отверстий : 5
Наружный диаметр [мм] : 280
Минимальная толщина [мм] : 22
Тип тормозного диска : вентилируемый
Диаметр центрирования [мм] : 70
|
|
Тормозной диск
SAMKO O1411VR
Диаметр центрирования [мм] : 70
Поверхность : с покрытием
Количество отверстий : 5
Наружный диаметр [мм] : 280
Минимальная толщина [мм] : 22
Толщина тормозного диска (мм) : 25
Тип тормозного диска : вентилируемый
Высота [мм] : 42
|
|
Тормозной диск
SAMKO O1431P
Количество отверстий : 5
Наружный диаметр [мм] : 264
Высота [мм] : 42
Толщина тормозного диска (мм) : 10
Тип тормозного диска : цельный
Диаметр центрирования [мм] : 65,5
Минимальная толщина [мм] : 8
|
|
Тормозной диск
SAMKO O1431PR
Диаметр центрирования [мм] : 65,5
Наружный диаметр [мм] : 264
Тип тормозного диска : цельный
Минимальная толщина [мм] : 8
Поверхность : с покрытием
Высота [мм] : 42
Количество отверстий : 5
Толщина тормозного диска (мм) : 10
|
|
Тормозной диск
SASIC 9004862J
Сторона установки : передний мост
Тип тормозного диска : вентилируемый
Наружный диаметр [мм] : 280
Толщина тормозного диска (мм) : 24,4
Высота [мм] : 42
Ø фаски [мм] : 70
Количество отверстий : 7
для оригинального номера : 95526655
Дополнительный артикул / дополнительная информация 2 : без колесного подшипника
заменяется только попарно :
|
|
Тормозной диск
SASIC 9004863J
Сторона установки : Задний мост
Тип тормозного диска : цельный
Наружный диаметр [мм] : 264
Толщина тормозного диска (мм) : 10
Высота [мм] : 42
Ø фаски [мм] : 65,5
Количество отверстий : 5
для оригинального номера : 95526658
Дополнительный артикул / дополнительная информация 2 : без колесного подшипника
заменяется только попарно :
|
|
Тормозной диск
SKF VKBD 80168 V2
Тип тормозного диска : вентилируемый
Наружный диаметр [мм] : 280
Толщина тормозного диска (мм) : 24,9
Высота [мм] : 42
Ø фаски [мм] : 110
Диаметр центрирования [мм] : 70
Количество отверстий : 5
Поверхность : с покрытием
Минимальная толщина [мм] : 22
Число отверстий : 3
|
|
Тормозной диск
SKF VKBD 80511 V2
Тип тормозного диска : вентилируемый
Наружный диаметр [мм] : 256
Толщина тормозного диска (мм) : 24
Высота [мм] : 41
Ø фаски [мм] : 100
Диаметр центрирования [мм] : 60
Количество отверстий : 4
Поверхность : с покрытием
Минимальная толщина [мм] : 21
Число отверстий : 3
|
|
Тормозной диск
SKF VKBD 90115 S2
Тип тормозного диска : цельный
Наружный диаметр [мм] : 264
Толщина тормозного диска (мм) : 10
Высота [мм] : 42
Ø фаски [мм] : 110
Диаметр центрирования [мм] : 65,5
Количество отверстий : 5
Поверхность : с покрытием
Минимальная толщина [мм] : 8
Число отверстий : 1
|
|
Тормозной диск
SKF VKBD 90497 S2
Тип тормозного диска : цельный
Наружный диаметр [мм] : 240
Толщина тормозного диска (мм) : 10
Высота [мм] : 42
Ø фаски [мм] : 100
Диаметр центрирования [мм] : 57
Количество отверстий : 4
Поверхность : с покрытием
Минимальная толщина [мм] : 8
Число отверстий : 1
|
|
Тормозной диск
Stark SKOP-2001
Толщина тормозного диска (мм) : 10
Тип тормозного диска : цельный
Наружный диаметр [мм] : 264
Сторона установки : Задний мост
Минимальная толщина [мм] : 8
Высота [мм] : 42
Расположение/число отверстий : 05/06
Ø фаски [мм] : 110
Диаметр центрирования [мм] : 65,5
Дополнительный артикул / дополнительная информация 2 : без ступицы
Дополнительный артикул / дополнительная информация 2 : без колесной крепящей оси
Внутренний диаметр : 163
Диаметр пальца [мм] : 14,5
Поверхность : без покрытия
|
|
Тормозной диск
Stark SKOP-2004
Тип тормозного диска : вентилируемый
Высота [мм] : 42
Ø фаски [мм] : 110
Диаметр центрирования [мм] : 70
Дополнительный артикул / дополнительная информация 2 : без ступицы
Диаметр отверстия под шпильку колеса [мм] : 14
Внутренний диаметр : 139
Наружный диаметр [мм] : 280
Толщина тормозного диска (мм) : 25
Диаметр центрирования [мм] : 65,5
Датчик износа : с звуковым предупреждением износа
Высота 1 [мм] : 76
Ширина [мм] : 95,4
Ширина 2 [мм] : 155,3
Толщина [мм] : 19,6
Толщина 1 [мм] : 15
Сторона установки : Задний мост
Сторона установки : передний мост
Диаметр [мм] : 264
Диаметр [мм] : 280
Количество отверстий : 5
Число отверстий в диске колеса : 5
Расположение/число отверстий : 05/06
Тип тормозного диска : цельный
Толщина тормозного диска (мм) : 10
Минимальная толщина [мм] : 8
Минимальная толщина [мм] : 22
Высота 1 [мм] : 79,5
Ширина [мм] : 72
Ширина [мм] : 79,5
Ширина [мм] : 104,9
Толщина [мм] : 19,5
Толщина [мм] : 16,9
|
|
Тормозной диск
STELLOX 6020-3630V-SX
Наружный диаметр [мм] : 280
Толщина тормозного диска (мм) : 25
Высота [мм] : 42
Диаметр центрирования [мм] : 70
Количество отверстий : 5
Ø фаски [мм] : 110
Диаметр отверстия [мм] : 14
Минимальная толщина [мм] : 22
Тип тормозного диска : вентилируемый
Дополнительный артикул / дополнительная информация 2 : с винтами
Сторона установки : передний мост
|
|
Тормозной диск
STELLOX 6020-3630VK-SX
Наружный диаметр [мм] : 280
Толщина тормозного диска (мм) : 24,8
Тип тормозного диска : вентилируемый
Сторона установки : передний мост
|
|
Тормозной диск
STELLOX 6020-3631-SX
Наружный диаметр [мм] : 264
Толщина тормозного диска (мм) : 10
Высота [мм] : 42
Диаметр центрирования [мм] : 65
Количество отверстий : 5
Ø фаски [мм] : 110
Диаметр отверстия [мм] : 14
Минимальная толщина [мм] : 8
Тип тормозного диска : цельный
Дополнительный артикул / дополнительная информация 2 : с винтами
Сторона установки : Задний мост
|
|
Тормозной диск
STELLOX 6020-3631K-SX
Наружный диаметр [мм] : 264
Толщина тормозного диска (мм) : 10
Тип тормозного диска : цельный
Сторона установки : Задний мост
|
|
Тормозной диск
TEXTAR 92091900
Тип тормозного диска : вентилируемый
Наружный диаметр [мм] : 280
Толщина тормозного диска (мм) : 25
Высота [мм] : 42
Минимальная толщина [мм] : 22
Внутренний диаметр : 139
Ø фаски [мм] : 110
Диаметр центрирования [мм] : 70
Расположение/число отверстий : 05/08
Диаметр отверстия под шпильку колеса [мм] : 14
Дополнительный артикул / дополнительная информация 2 : без ступицы
Дополнительный артикул / дополнительная информация 2 : без колесного подшипника
Дополнительный артикул / дополнительная информация 2 : без колесной крепящей оси
Длина упаковки [см] : 29,3
Ширина упаковки [см] : 29,3
Высота упаковки [см] : 10,5
Вес [кг] : 6,7
|
|
Тормозной диск
TEXTAR 92091903
Тип тормозного диска : вентилируемый
Наружный диаметр [мм] : 280
Толщина тормозного диска (мм) : 25
Высота [мм] : 42
Минимальная толщина [мм] : 22
Поверхность : с покрытием
Внутренний диаметр : 139
Ø фаски [мм] : 110
Диаметр центрирования [мм] : 70
Расположение/число отверстий : 05/08
Диаметр отверстия под шпильку колеса [мм] : 14
Дополнительный артикул / дополнительная информация 2 : без ступицы
Дополнительный артикул / дополнительная информация 2 : без колесного подшипника
Дополнительный артикул / дополнительная информация 2 : без колесной крепящей оси
Длина упаковки [см] : 29,3
Ширина упаковки [см] : 29,3
Высота упаковки [см] : 10,5
Вес [кг] : 6,7
|
|
Тормозной диск
TEXTAR 92092103
Тип тормозного диска : цельный
Наружный диаметр [мм] : 264
Толщина тормозного диска (мм) : 10
Высота [мм] : 42
Минимальная толщина [мм] : 8
Поверхность : с покрытием
Внутренний диаметр : 145
Ø фаски [мм] : 110
Диаметр центрирования [мм] : 65,5
Расположение/число отверстий : 05/06
Диаметр отверстия под шпильку колеса [мм] : 14,2
Дополнительный артикул / дополнительная информация 2 : без ступицы
Дополнительный артикул / дополнительная информация 2 : без колесного подшипника
Дополнительный артикул / дополнительная информация 2 : без колесной крепящей оси
Длина упаковки [см] : 27,8
Ширина упаковки [см] : 27,8
Высота упаковки [см] : 10,5
Вес [кг] : 3,7
|
|
Тормозной диск
TOMEX Brakes TX 70-06
Сторона установки : Задний мост
Тип тормозного диска : цельный
Толщина тормозного диска (мм) : 9,9
Наружный диаметр [мм] : 264
Высота [мм] : 42,2
Количество отверстий : 5
Диаметр центрирования [мм] : 65,5
Ø фаски [мм] : 110
Поверхность : лакированный
Вес [кг] : 8
Минимальная толщина [мм] : 8
|
|
Тормозной диск
TOMEX Brakes TX 70-11
Сторона установки : передний мост
Тип тормозного диска : вентилируемый
Толщина тормозного диска (мм) : 25
Наружный диаметр [мм] : 280
Высота [мм] : 42
Количество отверстий : 5
Диаметр центрирования [мм] : 70
Ø фаски [мм] : 110
Поверхность : лакированный
Вес [кг] : 13,45
Минимальная толщина [мм] : 22
|
|
Тормозной диск
TRIALLI DF 210203
Сторона установки : Задний мост
Тип тормозного диска : цельный
Толщина тормозного диска (мм) : 10
Наружный диаметр [мм] : 264
Ø фаски [мм] : 110
Количество отверстий : 5
ненаправленные тормозные колодки :
Высота [мм] : 42
Диаметр отверстия [мм] : 14,3
Диаметр центрирования [мм] : 65,5
Минимальная толщина [мм] : 8
Количество : 2
|
|
Тормозной диск
TRIALLI DF 210205
Сторона установки : передний мост
Тип тормозного диска : вентилируемый
Толщина тормозного диска (мм) : 25
Наружный диаметр [мм] : 279,8
Высота [мм] : 42
Минимальная толщина [мм] : 22
Диаметр центрирования [мм] : 70
Ø фаски [мм] : 110
Диаметр отверстия [мм] : 14
Количество отверстий : 5
Вес [кг] : 6,27
|
|
Тормозной диск
TRIALLI DF 281s
Тип тормозного диска : цельный
Тип тормозного диска : перфорированный
Сторона установки : Задний мост
Наружный диаметр [мм] : 264
Высота [мм] : 42
Толщина тормозного диска (мм) : 10
Минимальная толщина [мм] : 8
Диаметр центрирования [мм] : 65,5
Количество крепежных отверстий : 5
Ø фаски [мм] : 110
|
|
Тормозной диск
TRIALLI DF 2973s
Тип тормозного диска : вентилируемый
Тип тормозного диска : перфорированный
Сторона установки : передний мост
Наружный диаметр [мм] : 279,8
Высота [мм] : 42,13
Толщина тормозного диска (мм) : 24,85
Минимальная толщина [мм] : 22
Диаметр центрирования [мм] : 70
Количество крепежных отверстий : 5
Ø фаски [мм] : 110
|
|
Комплект болтов, тормозной диск
TRISCAN 8105 116007
Длина [мм] : 19
Размер резьбы : M10x1,25
Тип резьбы : с наружной резьбой
Ширина зева гаечного ключа : Hex-5
|
|
Тормозной диск
TRISCAN 8120 24127C
Наружный диаметр [мм] : 280
Диаметр центрирования [мм] : 70
Тип тормозного диска : вентилируемый
Высота [мм] : 42
Количество отверстий : 5
Поверхность : с покрытием
Толщина тормозного диска (мм) : 25
Минимальная толщина [мм] : 22
Ø фаски [мм] : 70
|
|
Тормозной диск
TRISCAN 8120 24128C
Наружный диаметр [мм] : 264
Тип тормозного диска : цельный
Высота [мм] : 42
Количество отверстий : 5
Поверхность : с покрытием
Толщина тормозного диска (мм) : 10
Минимальная толщина [мм] : 8
Ø фаски [мм] : 65
|
|
Тормозной диск
TRUSTING DF840
проверочное значение : ECE-R90
Высота [мм] : 42
Тип тормозного диска : цельный
Толщина тормозного диска (мм) : 10
Наружный диаметр [мм] : 264
Количество отверстий : 5
Диаметр центрирования [мм] : 65
Поверхность : лакированный
|
|
Тормозной диск
TRUSTING DF841
проверочное значение : ECE-R90
Высота [мм] : 42
Тип тормозного диска : вентилируемый
Толщина тормозного диска (мм) : 24,9
Наружный диаметр [мм] : 280
Количество отверстий : 5
Диаметр центрирования [мм] : 70
Поверхность : лакированный
|
|
Тормозной диск
TRW DF4048
Тип тормозного диска : вентилируемый
Наружный диаметр [мм] : 280
Толщина тормозного диска (мм) : 25
Минимальная толщина [мм] : 22
Диаметр центрирования [мм] : 70
Высота [мм] : 42
Число отверстий в диске колеса : 5
Количество отверстий : 7
Размер резьбы : 14,2
Ø фаски [мм] : 110
Обработка : Высокоуглеродистый
Цвет : чёрный
Поверхность : лакированный
проверочное значение : E190R-02 C0176/0450
SVHC : Нет информации, обратитесь, пожалуйста, к производителю!
|
|
Тормозной диск
TRW DF4051
Тип тормозного диска : цельный
Наружный диаметр [мм] : 264
Толщина тормозного диска (мм) : 9,9
Минимальная толщина [мм] : 8
Диаметр центрирования [мм] : 65,5
Высота [мм] : 42,2
Количество отверстий : 5
Размер резьбы : 14
Ø фаски [мм] : 110
Цвет : чёрный
Поверхность : лакированный
проверочное значение : E190R-02C0190/0537
SVHC : Нет информации, обратитесь, пожалуйста, к производителю!
|
|
Тормозной диск
VAICO V40-40024
Высота ступицы тормозного диска [мм] : 32,3
Сторона установки : Задний мост
Число отверстий в диске колеса : 5
Высота [мм] : 42
Тип тормозного диска : цельный
Толщина тормозного диска (мм) : 9,8
Минимальная толщина [мм] : 8
Наружный диаметр [мм] : 264
Диаметр центрирования [мм] : 65,5
Ø фаски [мм] : 110
|
|
Тормозной диск
ZEKKERT BS-5246
Тип тормозного диска : цельный
Наружный диаметр [мм] : 264
Высота [мм] : 42
Толщина тормозного диска (мм) : 10
Минимальная толщина [мм] : 8
Количество отверстий : 6
Диаметр центрирования [мм] : 65,5
Диаметр расположения крепёжных отверстий ступицы [мм] : 110
Номера артикулов рекомендуемых комплектующих : CP-1105
Номера артикулов рекомендуемых комплектующих : CP-1205
Номера артикулов рекомендуемых комплектующих : CP-1305
Номера артикулов рекомендуемых комплектующих : CP-1965
Номера артикулов рекомендуемых комплектующих : FK-2005
Номера артикулов рекомендуемых комплектующих : FK-2010
Вес [кг] : 4,29
|
|
Тормозной диск
ZEKKERT BS-5246B
Тип тормозного диска : цельный
Наружный диаметр [мм] : 264
Высота [мм] : 42
Толщина тормозного диска (мм) : 10
Минимальная толщина [мм] : 8
Количество отверстий : 6
Диаметр центрирования [мм] : 65,5
Поверхность : лакированный
Диаметр расположения крепёжных отверстий ступицы [мм] : 110
Номера артикулов рекомендуемых комплектующих : CP-1105
Номера артикулов рекомендуемых комплектующих : CP-1205
Номера артикулов рекомендуемых комплектующих : CP-1305
Номера артикулов рекомендуемых комплектующих : CP-1965
Номера артикулов рекомендуемых комплектующих : FK-2005
Номера артикулов рекомендуемых комплектующих : FK-2010
Вес [кг] : 4,29
|
|
Тормозной диск
ZEKKERT BS-5247
Тип тормозного диска : вентилируемый
Наружный диаметр [мм] : 280
Высота [мм] : 42
Толщина тормозного диска (мм) : 25
Минимальная толщина [мм] : 22
Количество отверстий : 8
Диаметр центрирования [мм] : 70
Диаметр расположения крепёжных отверстий ступицы [мм] : 110
Номера артикулов рекомендуемых комплектующих : CP-1105
Номера артикулов рекомендуемых комплектующих : CP-1205
Номера артикулов рекомендуемых комплектующих : CP-1305
Номера артикулов рекомендуемых комплектующих : CP-1965
Номера артикулов рекомендуемых комплектующих : FK-2005
Номера артикулов рекомендуемых комплектующих : FK-2010
Вес [кг] : 7,21
|
|
Тормозной диск
ZEKKERT BS-5247B
Тип тормозного диска : вентилируемый
Наружный диаметр [мм] : 279,6
Высота [мм] : 42
Толщина тормозного диска (мм) : 25
Минимальная толщина [мм] : 22
Количество отверстий : 8
Диаметр центрирования [мм] : 70
Номера артикулов рекомендуемых комплектующих : CP-1105
Номера артикулов рекомендуемых комплектующих : CP-1205
Номера артикулов рекомендуемых комплектующих : CP-1305
Номера артикулов рекомендуемых комплектующих : CP-1965
Номера артикулов рекомендуемых комплектующих : FK-2005
Номера артикулов рекомендуемых комплектующих : FK-2010
Вес [кг] : 6,9
|
|
Тормозной диск
ZIMMERMANN 430.1483.20
Сторона установки : передний мост
Тип тормозного диска : вентилируемый
Обработка : Высокоуглеродистый
Поверхность : с покрытием
Наружный диаметр [мм] : 280
Толщина тормозного диска (мм) : 25
Высота [мм] : 42
Число отверстий в диске колеса : 5
Ø фаски [мм] : 110
Диаметр центрирования [мм] : 70
проверочное значение : ECE R90 APPROVED
Минимальная толщина [мм] : 22
Расположение/число отверстий : 8/5
Вес [кг] : 6,28
|
|
Тормозной диск
ZIMMERMANN 430.1483.52
Сторона установки : передний мост
Тип тормозного диска : вентилируемый
Тип тормозного диска : перфорированный
Обработка : Высокоуглеродистый
Поверхность : с покрытием
Наружный диаметр [мм] : 280
Толщина тормозного диска (мм) : 25
Высота [мм] : 42
Число отверстий в диске колеса : 5
Ø фаски [мм] : 110
Диаметр центрирования [мм] : 70
проверочное значение : KBA 60872
Минимальная толщина [мм] : 22
Расположение/число отверстий : 8/5
Вес [кг] : 6,28
|
|
Тормозной диск
ZIMMERMANN 430.1485.20
Сторона установки : Задний мост
Тип тормозного диска : цельный
Поверхность : с покрытием
Наружный диаметр [мм] : 264
Толщина тормозного диска (мм) : 10
Высота [мм] : 42
Число отверстий в диске колеса : 5
Ø фаски [мм] : 110
Диаметр центрирования [мм] : 66
проверочное значение : ECE R90 APPROVED
Минимальная толщина [мм] : 8
Расположение/число отверстий : 6/5
Вес [кг] : 3,7
|
|
Тормозной диск
ZIMMERMANN 430.1485.52
Сторона установки : Задний мост
Тип тормозного диска : цельный
Тип тормозного диска : перфорированный
Поверхность : с покрытием
Наружный диаметр [мм] : 264
Толщина тормозного диска (мм) : 10
Высота [мм] : 42
Число отверстий в диске колеса : 5
Ø фаски [мм] : 110
Диаметр центрирования [мм] : 66
проверочное значение : ECE R90 APPROVED
Минимальная толщина [мм] : 8
Расположение/число отверстий : 6/5
Вес [кг] : 3,7
|