|
Изображение |
Описание |
|
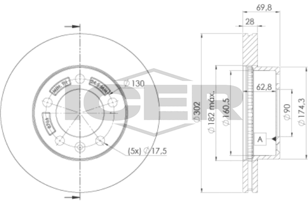
Тормозной диск
A.B.S. 18164
Наружный диаметр [мм] : 302
Толщина тормозного диска (мм) : 28
Минимальная толщина [мм] : 24,5
Высота [мм] : 69,8
Число отверстий в диске колеса : 5
Тип тормозного диска : вентилируемый
Диаметр центрирования [мм] : 90
Ø фаски [мм] : 130
Поверхность : с покрытием
Диаметр ступицы [мм] : 174
|
|
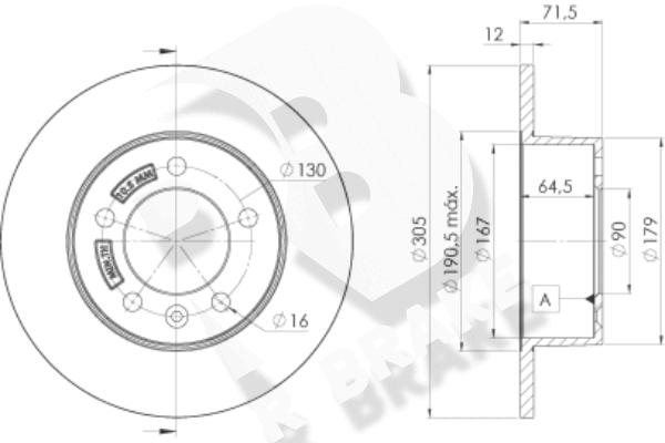
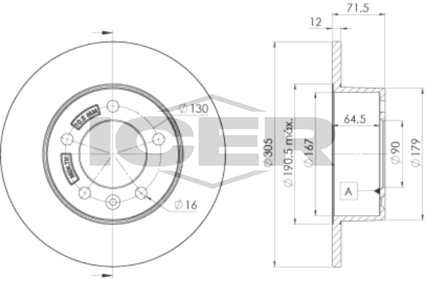
Тормозной диск
A.B.S. 18182
Наружный диаметр [мм] : 305
Толщина тормозного диска (мм) : 12
Минимальная толщина [мм] : 10
Высота [мм] : 71,5
Число отверстий в диске колеса : 5
Тип тормозного диска : цельный
Диаметр центрирования [мм] : 90
Ø фаски [мм] : 130
Поверхность : с покрытием
Диаметр ступицы [мм] : 179
|
|
Тормозной диск
ABAKUS 231-03-093
Тип тормозного диска : вентилируемый
Наружный диаметр [мм] : 302
Толщина тормозного диска (мм) : 28
необходимое количество : 2
заменяется только попарно :
Высота [мм] : 69,9
Ø фаски [мм] : 130
Диаметр центрирования [мм] : 90
Количество отверстий : 5
проверочное значение : ECE R90
Требуется монтаж / демонтаж специалистами! :
|
|
Тормозной диск
ABAKUS 231-03-093-2
Тип тормозного диска : вентилируемый
Наружный диаметр [мм] : 302
Толщина тормозного диска (мм) : 28
необходимое количество : 2
заменяется только попарно :
Высота [мм] : 69,9
Ø фаски [мм] : 130
Диаметр центрирования [мм] : 90
Количество отверстий : 5
проверочное значение : ECE R90
Требуется монтаж / демонтаж специалистами! :
|
|
Тормозной диск
ABAKUS 231-04-062
Тип тормозного диска : цельный
Наружный диаметр [мм] : 305
Толщина тормозного диска (мм) : 12
необходимое количество : 2
заменяется только попарно :
Высота [мм] : 71,4
Ø фаски [мм] : 130
Диаметр центрирования [мм] : 90
Количество отверстий : 5
проверочное значение : ECE R90
Требуется монтаж / демонтаж специалистами! :
|
|
Тормозной диск
ABAKUS 231-04-062-2
Тип тормозного диска : цельный
Наружный диаметр [мм] : 305
Толщина тормозного диска (мм) : 12
необходимое количество : 2
заменяется только попарно :
Высота [мм] : 71,4
Ø фаски [мм] : 130
Диаметр центрирования [мм] : 90
Количество отверстий : 5
проверочное значение : ECE R90
Требуется монтаж / демонтаж специалистами! :
|
|
Тормозной диск
ABE C3R051ABE
Сторона установки : передний мост
Толщина тормозного диска (мм) : 28
Наружный диаметр [мм] : 302
Цвет : чёрный
Обработка : Высокоуглеродистый
Поверхность : лакированный
Высота [мм] : 69,8
Минимальная толщина [мм] : 24,5
Количество отверстий : 5
Диаметр центрирования [мм] : 90
Ø фаски [мм] : 130
Тип тормозного диска : вентилируемый
|
|
Тормозной диск
ABE C3R051ABE-P
Сторона установки : передний мост
Сторона установки : передний мост слева
Сторона установки : передний мост справа
Тип тормозного диска : вентилируемый
Цвет : чёрный
Обработка : Высокоуглеродистый
Поверхность : лакированный
Высота [мм] : 69,8
Толщина тормозного диска (мм) : 28
Минимальная толщина [мм] : 24,5
Наружный диаметр [мм] : 302
Количество отверстий : 5
Диаметр центрирования [мм] : 90
Ø фаски [мм] : 130
|
|
Тормозной диск
ABE C4R024ABE
Толщина тормозного диска (мм) : 12
Количество отверстий : 5
Минимальная толщина [мм] : 10
Размер резьбы : 15,5
Высота [мм] : 71,5
Диаметр центрирования [мм] : 90
Ø фаски [мм] : 130
Сторона установки : Задний мост
Тип тормозного диска : цельный
Наружный диаметр [мм] : 304,9
|
|
Тормозной диск
AP 25372
Минимальная толщина [мм] : 24,5
Дополнительный артикул / дополнительная информация 2 : с винтами
Высота [мм] : 70
Тип тормозного диска : вентилируемый
Обработка : Высокоуглеродистый
Наружный диаметр [мм] : 302
Диаметр центрирования [мм] : 90
Толщина тормозного диска (мм) : 28
Количество отверстий : 5
|
|
Тормозной диск
AP 15039
Наружный диаметр [мм] : 305
Диаметр центрирования [мм] : 90
Толщина тормозного диска (мм) : 12
Количество отверстий : 5
Минимальная толщина [мм] : 10,5
Дополнительный артикул / дополнительная информация 2 : с винтами
Высота [мм] : 72
Тип тормозного диска : цельный
Обработка : Высокоуглеродистый
|
|
Тормозной диск
ASHIKA 60-01-169C
Сторона установки : передний мост
Ø фаски [мм] : 90
Высота [мм] : 69,8
Наружный диаметр [мм] : 302
Толщина тормозного диска (мм) : 28
Минимальная толщина [мм] : 24,5
Число отверстий : 5
Тип тормозного диска : вентилируемый
проверочное значение : ECE R90 APPROVED
Поверхность : лакированный
для оригинального номера : 93197403
|
|
Тормозной диск
ASHIKA 61-01-125C
Сторона установки : Задний мост
Ø фаски [мм] : 90
Высота [мм] : 71,5
Наружный диаметр [мм] : 305
Толщина тормозного диска (мм) : 12
Минимальная толщина [мм] : 10,5
Число отверстий : 5
Тип тормозного диска : цельный
проверочное значение : ECE R90 APPROVED
Поверхность : лакированный
для оригинального номера : 93197406
|
|
Тормозной диск
ATE 24.0112-0191.1
Наружный диаметр [мм] : 305
Толщина тормозного диска (мм) : 12
Минимальная толщина [мм] : 10
Тип тормозного диска : цельный
Обработка : легированный/высокоуглеродистый
Поверхность : с покрытием
Количество отверстий : 5
Ø фаски [мм] : 130
Высота [мм] : 71,4
Диаметр центрирования [мм] : 90
Внутренний диаметр : 167
Диаметр отверстия [мм] : 15,5
Дополнительный артикул / дополнительная информация 2 : с винтами
Код MAPP в наличии :
проверочное значение : E1 90R-02C0165/1116
|
|
Тормозной диск
ATE 24.0128-0252.1
Наружный диаметр [мм] : 302
Толщина тормозного диска (мм) : 28
Минимальная толщина [мм] : 24,5
Тип тормозного диска : вентилируемый
Поверхность : с покрытием
Количество отверстий : 5
Дополнительный артикул / дополнительная информация 2 : с винтами
Код MAPP в наличии :
Ø фаски [мм] : 130
Высота [мм] : 69,9
Диаметр центрирования [мм] : 90
Внутренний диаметр : 160,5
Диаметр отверстия [мм] : 17,4
проверочное значение : E1 90R-02C0115/0884
|
|
Тормозной диск
BLUE PRINT ADN143165
Толщина тормозного диска (мм) : 12
Число отверстий в диске колеса : 5
Количество крепежных отверстий : 1
Толщина [мм] : 72
Наружный диаметр [мм] : 305
Ø фаски [мм] : 130
Поверхность : с покрытием
Тип тормозного диска : цельный
Сторона установки : Задний мост
Минимальная толщина [мм] : 10
Диаметр центрирования [мм] : 90
Соблюдать сервисную информацию :
|
|
Тормозной диск
BLUE PRINT ADR164312
Толщина тормозного диска (мм) : 28
Число отверстий в диске колеса : 5
Количество крепежных отверстий : 1
Толщина [мм] : 70
Наружный диаметр [мм] : 302
Ø фаски [мм] : 130
Поверхность : с покрытием
Тип тормозного диска : вентилируемый
Сторона установки : передний мост
Минимальная толщина [мм] : 24,5
Диаметр центрирования [мм] : 90
Соблюдать сервисную информацию :
|
|
Тормозной диск
BORG & BECK BBD5164
Тип тормозного диска : цельный
Наружный диаметр [мм] : 305
Толщина тормозного диска (мм) : 12
Высота [мм] : 71,5
Диаметр центрирования [мм] : 90
Количество крепежных отверстий : 1
Количество отверстий : 5
Количественная единица : комплект
Поверхность : с покрытием
проверочное значение : ECE R90 Homologated
Минимальная толщина [мм] : 10
|
|
Тормозной диск
BORG & BECK BBD5941S
Тип тормозного диска : вентилируемый
Наружный диаметр [мм] : 302
Толщина тормозного диска (мм) : 28
Высота [мм] : 70
Диаметр центрирования [мм] : 90
Количество крепежных отверстий : 1
Количество отверстий : 5
Количество : 1
Поверхность : с покрытием
проверочное значение : ECE R90 Homologated
Минимальная толщина [мм] : 24,5
|
|
Тормозной диск
BOSCH 0 986 479 716
Наружный диаметр [мм] : 302
Толщина тормозного диска (мм) : 28
Минимальная толщина [мм] : 24,5
Высота [мм] : 69,9
Ø фаски [мм] : 130
Тип тормозного диска : вентилируемый
Диаметр центрирования [мм] : 90
Количество отверстий : 5
Поверхность : с покрытием
Обработка : Высокоуглеродистый
выполняет нормы ЕЭК : ECE-R90
Диаметр отверстия до [мм] : 17,5
Тип тормозного диска : вентилируемый
|
|
Тормозной диск
BOSCH 0 986 479 717
Наружный диаметр [мм] : 304,9
Толщина тормозного диска (мм) : 12
Минимальная толщина [мм] : 10
Высота [мм] : 71,5
Ø фаски [мм] : 130
Тип тормозного диска : цельный
Диаметр центрирования [мм] : 90
Количество отверстий : 5
Поверхность : с покрытием
Обработка : легированный/высокоуглеродистый
выполняет нормы ЕЭК : ECE-R90
Диаметр отверстия до [мм] : 15,5
|
|
Тормозной диск
BRECK BR 450 VH100
Тип тормозного диска : вентилируемый
Обработка : Высокоуглеродистый
Поверхность : с покрытием
Цвет : серый
Дополнительный артикул / дополнительная информация 2 : без колесного подшипника
Наружный диаметр [мм] : 302
Толщина тормозного диска (мм) : 28
Высота [мм] : 69,8
Диаметр центрирования [мм] : 90
Ø фаски [мм] : 130
Минимальная толщина [мм] : 24,5
Количество отверстий : 5
|
|
Тормозной диск
BRECK BR 083 SA100
Тип тормозного диска : цельный
Материал : Серый чугун
стандартный :
Поверхность : с покрытием
Цвет : серый
Полный комплект :
Дополнительный артикул / дополнительная информация 2 : без колесного подшипника
Наружный диаметр [мм] : 305
Толщина тормозного диска (мм) : 12
Высота [мм] : 71,5
Диаметр центрирования [мм] : 90
Ø фаски [мм] : 130
Минимальная толщина [мм] : 10
Количество отверстий : 5
|
|
Тормозной диск
BRECO BS 8982
Тип тормозного диска : вентилируемый
Обработка : Высокоуглеродистый
Наружный диаметр [мм] : 302
Диаметр центрирования [мм] : 90
Толщина тормозного диска (мм) : 28
Количество отверстий : 5
Минимальная толщина [мм] : 24,5
Дополнительный артикул / дополнительная информация 2 : с винтами
Высота [мм] : 70
|
|
Тормозной диск
BRECO BS 6031
Дополнительный артикул / дополнительная информация 2 : с винтами
Высота [мм] : 72
Тип тормозного диска : цельный
Обработка : Высокоуглеродистый
Наружный диаметр [мм] : 305
Диаметр центрирования [мм] : 90
Толщина тормозного диска (мм) : 12
Количество отверстий : 5
Минимальная толщина [мм] : 10,5
|
|
Тормозной диск
BREMBO 09.B633.10
Тип тормозного диска : вентилируемый
Толщина тормозного диска (мм) : 28
Количество отверстий : 5
Дополнительный артикул / дополнительная информация 2 : с винтами
Высота [мм] : 70
Диаметр центрирования [мм] : 90
Наружный диаметр [мм] : 302
Обработка : Высокоуглеродистый
Минимальная толщина [мм] : 24,5
|
|
Тормозной диск
BREMBO 09.B633.1G
Тип тормозного диска : вентилируемый
Толщина тормозного диска (мм) : 28
Количество отверстий : 5
Дополнительный артикул / дополнительная информация 2 : с винтами
Высота [мм] : 69,8
Диаметр центрирования [мм] : 90
Наружный диаметр [мм] : 302
Обработка : Высокоуглеродистый
Поверхность : с покрытием
Минимальная толщина [мм] : 24,5
|
|
Тормозной диск
BREMBO 08.B829.10
Тип тормозного диска : цельный
Толщина тормозного диска (мм) : 12
Количество отверстий : 5
Дополнительный артикул / дополнительная информация 2 : с винтами
Высота [мм] : 72
Диаметр центрирования [мм] : 90
Наружный диаметр [мм] : 305
Обработка : Высокоуглеродистый
Минимальная толщина [мм] : 10,5
|
|
Тормозной диск
BREMBO 08.B829.1G
Тип тормозного диска : цельный
Толщина тормозного диска (мм) : 12
Количество отверстий : 5
Дополнительный артикул / дополнительная информация 2 : с винтами
Высота [мм] : 71,5
Диаметр центрирования [мм] : 90
Наружный диаметр [мм] : 305
Обработка : Высокоуглеродистый
Поверхность : с покрытием
Минимальная толщина [мм] : 10,5
|
|
Тормозной диск
BREMSI CD7974V
Сторона установки : передний мост
Наружный диаметр [мм] : 302
Высота [мм] : 70
Диаметр отверстия [мм] : 90,1
Тип тормозного диска : вентилируемый
Толщина тормозного диска (мм) : 28
Минимальная толщина [мм] : 24,5
Количество отверстий : 5
Момент затяжки [Нм] : 12
Поверхность : лакированный
Цвет : чёрный
|
|
Тормозной диск
BREMSI CD7975S
Сторона установки : Задний мост
Наружный диаметр [мм] : 305
Высота [мм] : 71,6
Тип тормозного диска : цельный
Толщина тормозного диска (мм) : 12
Минимальная толщина [мм] : 10
Число отверстий : 5
Диаметр центрирования [мм] : 90
Поверхность : лакированный
Цвет : чёрный
Момент затяжки [Нм] : 10
|
|
Тормозной диск
BSG BSG 75-210-005
номер компонента : BSG 75-210-005
Диаметр [мм] : 302
Толщина тормозного диска (мм) : 28
Минимальная толщина [мм] : 24
Высота [мм] : 70
Ø фаски [мм] : 130
Тип тормозного диска : вентилируемый
Диаметр ступицы колеса [мм] : 90
Количество отверстий : 5
Поверхность : с покрытием
Обработка : Высокоуглеродистый
Диаметр отверстия до [мм] : 18
Сторона установки : передний мост
Наружный диаметр [мм] : 240
|
|
Тормозной диск
BSG BSG 75-210-010
номер компонента : BSG 75-210-010
Диаметр [мм] : 305
Диаметр центрирования [мм] : 90
Дополнительный артикул / дополнительная информация 2 : с винтами
Глубина [мм] : 72
Толщина тормозного диска (мм) : 12
Минимальная толщина [мм] : 10
Тип сборки : закреплено болтами / шурупами
Количество отверстий : 5
Тип тормозного диска : цельный
Сторона установки : Задний мост
Наружный диаметр [мм] : 240
|
|
Тормозной диск
CAR 142.1578
Сторона установки : 1-й передний мост
Тип тормозного диска : цельный
Наружный диаметр [мм] : 302
Толщина тормозного диска (мм) : 28
Высота [мм] : 70
Диаметр центрирования [мм] : 90
Количество отверстий : 5
для артикула № : CAR: 142.1578
для артикула № : IB: OP 87 1V
для артикула № : RD: 1246
Минимальная толщина [мм] : 24,5
Вес [кг] : 9,34
|
|
Тормозной диск
CAR 142.1580
Сторона установки : 1-й задний мост
Тип тормозного диска : цельный
Наружный диаметр [мм] : 305
Толщина тормозного диска (мм) : 12
Высота [мм] : 71,5
Диаметр центрирования [мм] : 90
Количество отверстий : 5
для артикула № : CAR: 142.1580
для артикула № : IB: OP 89 1P
для артикула № : RD: 1248
Минимальная толщина [мм] : 10
Вес [кг] : 6,5
|
|
Тормозной диск
CHAMPION 562713CH-1
Тип тормозного диска : вентилируемый
Наружный диаметр [мм] : 302
Толщина тормозного диска (мм) : 28
Дополнительный артикул / дополнительная информация 2 : без винтов
Высота [мм] : 70
Диаметр центрирования [мм] : 90,1
Количество отверстий : 5
Количественная единица : Штука
Вес [кг] : 19,7
Минимальная толщина [мм] : 24,5
Тип контейнера : Коробка
Диаметр отверстия 1 [мм] : 90,1
|
|
Тормозной диск
CHAMPION 562714CH
Тип тормозного диска : цельный
Наружный диаметр [мм] : 305
Толщина тормозного диска (мм) : 12
Дополнительный артикул / дополнительная информация 2 : без винтов
Высота [мм] : 71,6
Диаметр центрирования [мм] : 90,1
Количество отверстий : 5
Количественная единица : комплект
Вес [кг] : 14
Минимальная толщина [мм] : 10
Тип контейнера : Коробка
Длина упаковки [см] : 30,6
Ширина упаковки [см] : 30,6
Высота упаковки [см] : 14,7
|
|
Тормозной диск
CIFAM 800-1286C
проверочное значение : ECE-R90
Высота [мм] : 70
Тип тормозного диска : вентилируемый
Толщина тормозного диска (мм) : 28
Наружный диаметр [мм] : 302
Количество отверстий : 5
Диаметр центрирования [мм] : 90
Поверхность : лакированный
|
|
Тормозной диск
CIFAM 800-1287C
проверочное значение : ECE-R90
Высота [мм] : 71,5
Тип тормозного диска : цельный
Толщина тормозного диска (мм) : 12
Наружный диаметр [мм] : 305
Количество отверстий : 5
Диаметр центрирования [мм] : 90
Поверхность : лакированный
|
|
Тормозной диск
CIFAM 800-1385C
проверочное значение : ECE-R90
Высота [мм] : 51
Тип тормозного диска : цельный
Толщина тормозного диска (мм) : 18
Наружный диаметр [мм] : 302
Количество отверстий : 8
Диаметр центрирования [мм] : 120
Поверхность : лакированный
|
|
Тормозной диск
CIFAM 800-1386C
проверочное значение : ECE-R90
Высота [мм] : 73,3
Тип тормозного диска : цельный
Толщина тормозного диска (мм) : 12
Наружный диаметр [мм] : 305
Количество отверстий : 5
Диаметр центрирования [мм] : 91
Поверхность : лакированный
|
|
Тормозной диск
COMLINE ADC2700
Тип тормозного диска : цельный
Наружный диаметр [мм] : 305
Толщина тормозного диска (мм) : 12
Высота [мм] : 71,5
Ø фаски [мм] : 130
Диаметр центрирования [мм] : 90
Количество отверстий : 5
Поверхность : с покрытием
Минимальная толщина [мм] : 10
Число отверстий : 1
|
|
Тормозной диск
COMLINE ADC2701V
Тип тормозного диска : вентилируемый
Наружный диаметр [мм] : 302
Толщина тормозного диска (мм) : 28
Высота [мм] : 69,8
Ø фаски [мм] : 130
Диаметр центрирования [мм] : 90
Количество отверстий : 5
Поверхность : с покрытием
Минимальная толщина [мм] : 24,5
Число отверстий : 1
|
|
Тормозной диск
DANAHER DR10536
Сторона установки : Задний мост
Тип тормозного диска : цельный
Толщина тормозного диска (мм) : 12
Наружный диаметр [мм] : 305
Высота [мм] : 71,5
Количество отверстий : 5
Диаметр центрирования [мм] : 90
|
|
Тормозной диск
DANAHER DR10722
Сторона установки : Задний мост
Тип тормозного диска : цельный
Толщина тормозного диска (мм) : 18
Наружный диаметр [мм] : 302
Высота [мм] : 50,9
Количество отверстий : 8
Диаметр центрирования [мм] : 120,1
|
|
Тормозной диск
DANAHER DR10760
Сторона установки : Задний мост
Тип тормозного диска : цельный
Толщина тормозного диска (мм) : 12
Наружный диаметр [мм] : 305
Высота [мм] : 71,5
Количество отверстий : 5
Диаметр центрирования [мм] : 91
|
|
Тормозной диск
DANAHER DR13385
Сторона установки : передний мост
Тип тормозного диска : вентилируемый
Толщина тормозного диска (мм) : 28
Наружный диаметр [мм] : 302
Высота [мм] : 69,8
Количество отверстий : 5
Диаметр центрирования [мм] : 90
|
|
Тормозной диск
DELPHI BG4320
Тип тормозного диска : цельный
Количество отверстий : 5
проверочное значение : E4 90R-02C0703/2622
Поверхность : промасленный
Наружный диаметр [мм] : 305
Толщина тормозного диска (мм) : 12
Минимальная толщина [мм] : 10
Диаметр центрирования [мм] : 90
Высота [мм] : 71,5
|
|
Тормозной диск
DELPHI BG4328
Тип тормозного диска : вентилируемый
Количество отверстий : 5
проверочное значение : E4 90R-02C0703/2629
Поверхность : промасленный
Наружный диаметр [мм] : 302
Толщина тормозного диска (мм) : 28
Минимальная толщина [мм] : 24,5
Диаметр центрирования [мм] : 90
Высота [мм] : 69,8
|
|
Тормозной диск
DENCKERMANN B130662
Минимальная толщина [мм] : 24,5
Тип тормозного диска : вентилируемый
Диаметр отверстия [мм] : 17,4
Толщина тормозного диска (мм) : 28
Ø фаски [мм] : 130
Количество отверстий : 5
Внутренний диаметр : 160,5
Высота [мм] : 69,9
Диаметр центрирования [мм] : 90
Наружный диаметр [мм] : 302
|
|
Тормозной диск
DENCKERMANN B130684
Минимальная толщина [мм] : 10
Тип тормозного диска : цельный
Диаметр отверстия [мм] : 15,5
Толщина тормозного диска (мм) : 12
Ø фаски [мм] : 130
Количество отверстий : 5
Внутренний диаметр : 167
Высота [мм] : 71,4
Диаметр центрирования [мм] : 90
Наружный диаметр [мм] : 305
|
|
Тормозной диск
DON PCD18532
Тип тормозного диска : вентилируемый
Наружный диаметр [мм] : 302
Толщина тормозного диска (мм) : 28
Высота [мм] : 69,8
Минимальная толщина [мм] : 24,5
Поверхность : с частичным покрытием
Внутренний диаметр : 161
Ø фаски [мм] : 130
Диаметр центрирования [мм] : 90
Расположение/число отверстий : 05/06
Диаметр отверстия под шпильку колеса [мм] : 17,5
Дополнительный артикул / дополнительная информация 2 : без ступицы
Дополнительный артикул / дополнительная информация 2 : без колесного подшипника
Дополнительный артикул / дополнительная информация 2 : без колесной крепящей оси
Длина упаковки [см] : 33,4
Ширина упаковки [см] : 33,4
Высота упаковки [см] : 17,7
Вес [кг] : 9,2
|
|
Тормозной диск
DON PCD19552
Тип тормозного диска : цельный
Наружный диаметр [мм] : 305
Толщина тормозного диска (мм) : 12
Высота [мм] : 71,5
Минимальная толщина [мм] : 10
Поверхность : с частичным покрытием
Внутренний диаметр : 167
Ø фаски [мм] : 130
Диаметр центрирования [мм] : 90
Расположение/число отверстий : 05/06
Диаметр отверстия под шпильку колеса [мм] : 15,5
Дополнительный артикул / дополнительная информация 2 : без ступицы
Дополнительный артикул / дополнительная информация 2 : без колесного подшипника
Дополнительный артикул / дополнительная информация 2 : без колесной крепящей оси
Длина упаковки [см] : 33,4
Ширина упаковки [см] : 33,4
Высота упаковки [см] : 17,7
Вес [кг] : 6,4
|
|
Тормозной диск
DR!VE+ DP1010.11.0319
Число отверстий в диске колеса : 5
Сторона установки : Задний мост
Высота [мм] : 71,5
Тип тормозного диска : цельный
Толщина тормозного диска (мм) : 12
Минимальная толщина [мм] : 10
Наружный диаметр [мм] : 305
Количество отверстий : 1
Диаметр центрирования [мм] : 90
|
|
Тормозной диск
DR!VE+ DP1010.11.0643
Число отверстий в диске колеса : 5
Сторона установки : передний мост
Высота [мм] : 69,8
Тип тормозного диска : вентилируемый
Толщина тормозного диска (мм) : 28
Минимальная толщина [мм] : 24,5
Наружный диаметр [мм] : 302
Количество отверстий : 1
Диаметр центрирования [мм] : 90
|
|
Тормозной диск
DT Spare Parts 6.61037
Сторона установки : Задний мост
Высота [мм] : 71,5
Тип тормозного диска : цельный
Толщина тормозного диска (мм) : 12
Минимальная толщина [мм] : 10
Наружный диаметр [мм] : 305
Количество отверстий : 5
Диаметр центрирования [мм] : 90
Ø фаски [мм] : 130
Гарантия : 2 года гарантии
Вес нетто [г] : 6 486
|
|
Тормозной диск
DT Spare Parts 6.61038
Сторона установки : передний мост
Высота [мм] : 70
Тип тормозного диска : вентилируемый
Толщина тормозного диска (мм) : 28
Минимальная толщина [мм] : 25
Наружный диаметр [мм] : 302
Количество отверстий : 5
Диаметр центрирования [мм] : 90
Ø фаски [мм] : 130
Гарантия : 2 года гарантии
Вес нетто [г] : 9 040
|
|
Тормозной диск
EBC Brakes D1826
Тип тормозного диска : вентилируемый
Толщина тормозного диска (мм) : 25
Толщина тормозного диска (мм) : 28
Количество отверстий : 5
Высота [мм] : 70
Наружный диаметр [мм] : 302
Материал : Серый чугун
|
|
Тормозной диск
EBC Brakes D1827
Тип тормозного диска : цельный
Толщина тормозного диска (мм) : 10
Толщина тормозного диска (мм) : 12
Количество отверстий : 5
Высота [мм] : 72
Наружный диаметр [мм] : 305
Материал : Серый чугун
|
|
Тормозной диск
EBC Brakes D1828
Тип тормозного диска : цельный
Толщина тормозного диска (мм) : 15
Толщина тормозного диска (мм) : 18
Количество отверстий : 8
Высота [мм] : 51
Наружный диаметр [мм] : 302
Материал : Серый чугун
|
|
Тормозной диск
EBC Brakes D1829
Тип тормозного диска : цельный
Толщина тормозного диска (мм) : 10
Толщина тормозного диска (мм) : 12
Количество отверстий : 5
Высота [мм] : 72
Наружный диаметр [мм] : 305
Материал : Серый чугун
|
|
Тормозной диск
EGT 410662EGT
Число отверстий в диске колеса : 5
Высота [мм] : 69,9
Тип тормозного диска : вентилируемый
Толщина тормозного диска (мм) : 28
Минимальная толщина [мм] : 24,5
Наружный диаметр [мм] : 302
Поверхность : с покрытием
Диаметр ступицы [мм] : 90
Диаметр отверстия под шпильку колеса [мм] : 130
|
|
Тормозной диск
EGT 410662cEGT
Число отверстий в диске колеса : 5
Высота [мм] : 69,9
Тип тормозного диска : вентилируемый
Толщина тормозного диска (мм) : 28
Минимальная толщина [мм] : 24,5
Наружный диаметр [мм] : 302
Поверхность : с покрытием
Диаметр ступицы [мм] : 90
Диаметр отверстия под шпильку колеса [мм] : 130
|
|
Тормозной диск
EGT 410663EGT
Число отверстий в диске колеса : 5
Высота [мм] : 71,5
Тип тормозного диска : цельный
Толщина тормозного диска (мм) : 12
Минимальная толщина [мм] : 10
Наружный диаметр [мм] : 305
Поверхность : с покрытием
Диаметр ступицы [мм] : 90
Диаметр отверстия под шпильку колеса [мм] : 130
|
|
Тормозной диск
EGT 410663cEGT
Число отверстий в диске колеса : 5
Высота [мм] : 71,5
Тип тормозного диска : цельный
Толщина тормозного диска (мм) : 12
Минимальная толщина [мм] : 10
Наружный диаметр [мм] : 305
Поверхность : с покрытием
Диаметр ступицы [мм] : 90
Диаметр отверстия под шпильку колеса [мм] : 130
|
|
Тормозной диск
EUROBRAKE 5815203976
Наружный диаметр [мм] : 302
Толщина тормозного диска (мм) : 28
Минимальная толщина [мм] : 24,5
Высота [мм] : 69,9
Число отверстий в диске колеса : 5
Тип тормозного диска : вентилируемый
Диаметр центрирования [мм] : 90
Поверхность : промасленный
Вес нетто [кг] : 9,26
|
|
Тормозной диск
EUROBRAKE 5815313976
Наружный диаметр [мм] : 302
Толщина тормозного диска (мм) : 28
Минимальная толщина [мм] : 24,5
Высота [мм] : 69,9
Число отверстий в диске колеса : 5
Тип тормозного диска : вентилируемый
Диаметр центрирования [мм] : 90
Поверхность : с покрытием
Вес нетто [кг] : 9,26
|
|
Тормозной диск
EUROBRAKE 5815203977
Наружный диаметр [мм] : 305
Толщина тормозного диска (мм) : 12
Минимальная толщина [мм] : 10
Высота [мм] : 71,5
Число отверстий в диске колеса : 5
Тип тормозного диска : цельный
Диаметр центрирования [мм] : 90
Поверхность : промасленный
Вес нетто [кг] : 6,42
|
|
Тормозной диск
EUROBRAKE 5815313977
Наружный диаметр [мм] : 305
Толщина тормозного диска (мм) : 12
Минимальная толщина [мм] : 10
Высота [мм] : 71,5
Число отверстий в диске колеса : 5
Тип тормозного диска : цельный
Диаметр центрирования [мм] : 90
Поверхность : с покрытием
Вес нетто [кг] : 6,42
|
|
Тормозной диск
EUROREPAR 1618885880
Тип тормозного диска : вентилируемый
Дополнительный артикул / дополнительная информация 2 : без кольца сенсора ABS
Наружный диаметр [мм] : 302
Толщина тормозного диска (мм) : 28
Высота [мм] : 69,8
Диаметр центрирования [мм] : 90
Ø фаски [мм] : 130
Количество отверстий : 5
Минимальная толщина [мм] : 24,5
|
|
Тормозной диск
EUROREPAR 1687773680
Тип тормозного диска : вентилируемый
Наружный диаметр [мм] : 302
Толщина тормозного диска (мм) : 28
Высота [мм] : 70
Диаметр центрирования [мм] : 90
Количество отверстий : 5
Минимальная толщина [мм] : 24,5
|
|
Тормозной диск
EUROREPAR 1642767380
Тип тормозного диска : цельный
Дополнительный артикул / дополнительная информация 2 : без кольца сенсора ABS
Наружный диаметр [мм] : 304,9
Толщина тормозного диска (мм) : 12
Высота [мм] : 71,5
Диаметр центрирования [мм] : 90
Ø фаски [мм] : 130
Количество отверстий : 5
Минимальная толщина [мм] : 10
|
|
Тормозной диск
EUROREPAR 1667856780
Тип тормозного диска : цельный
Дополнительный артикул / дополнительная информация 2 : без кольца сенсора ABS
Наружный диаметр [мм] : 305
Толщина тормозного диска (мм) : 12
Высота [мм] : 71,5
Диаметр центрирования [мм] : 90
Количество отверстий : 5
Минимальная толщина [мм] : 10
|
|
Тормозной диск
EUROREPAR 1690942980
Тип тормозного диска : цельный
Дополнительный артикул / дополнительная информация 2 : без кольца сенсора ABS
Наружный диаметр [мм] : 304,7
Толщина тормозного диска (мм) : 12
Высота [мм] : 71,5
Диаметр центрирования [мм] : 90
Ø фаски [мм] : 130
Количество отверстий : 5
Минимальная толщина [мм] : 10
|
|
Тормозной диск
FAI AutoParts BD116
Тип тормозного диска : цельный
Наружный диаметр [мм] : 305
Толщина тормозного диска (мм) : 12
необходимое количество : 2
Высота [мм] : 71,5
Диаметр центрирования [мм] : 90
Количество отверстий : 5
Поверхность : с покрытием
Минимальная толщина [мм] : 10
|
|
Тормозной диск
FAI AutoParts BD656
Тип тормозного диска : вентилируемый
Наружный диаметр [мм] : 302
Толщина тормозного диска (мм) : 28
необходимое количество : 2
Высота [мм] : 70
Диаметр центрирования [мм] : 90
Количество отверстий : 5
Поверхность : с покрытием
Минимальная толщина [мм] : 24,5
|
|
Тормозной диск
FAI AutoParts FPBD1134
Тип тормозного диска : цельный
Наружный диаметр [мм] : 305
Толщина тормозного диска (мм) : 12
Высота [мм] : 71,5
Диаметр центрирования [мм] : 90
Количество отверстий : 5
Поверхность : с покрытием
Минимальная толщина [мм] : 10
|
|
Тормозной диск
FAI AutoParts FPBD6048S
Тип тормозного диска : вентилируемый
Наружный диаметр [мм] : 302
Толщина тормозного диска (мм) : 28
Высота [мм] : 70
Диаметр центрирования [мм] : 90
Количество отверстий : 5
Поверхность : с покрытием
Минимальная толщина [мм] : 24,5
|
|
Тормозной диск
FAST FT31126
Сторона установки : передний мост
Высота [мм] : 69,8
Тип тормозного диска : вентилируемый
Толщина тормозного диска (мм) : 28
Наружный диаметр [мм] : 302
|
|
Тормозной диск
FAST FT31127
Сторона установки : Задний мост
Высота [мм] : 71,5
Тип тормозного диска : цельный
Толщина тормозного диска (мм) : 12
Наружный диаметр [мм] : 305
|
|
Тормозной диск
FEBI BILSTEIN 39346
Толщина тормозного диска (мм) : 28
Число отверстий в диске колеса : 5
Количество крепежных отверстий : 1
Толщина [мм] : 70
Наружный диаметр [мм] : 302
Ø фаски [мм] : 130
Поверхность : с покрытием
Тип тормозного диска : вентилируемый
Сторона установки : передний мост
Минимальная толщина [мм] : 24,5
Диаметр центрирования [мм] : 90
Соблюдать сервисную информацию :
|
|
Тормозной диск
FEBI BILSTEIN 40093
Толщина тормозного диска (мм) : 12
Число отверстий в диске колеса : 5
Количество крепежных отверстий : 1
Толщина [мм] : 71,5
Наружный диаметр [мм] : 305
Ø фаски [мм] : 130
Поверхность : с покрытием
Тип тормозного диска : цельный
Сторона установки : Задний мост
Минимальная толщина [мм] : 10
Диаметр центрирования [мм] : 90
Соблюдать сервисную информацию :
|
|
Тормозной диск
FENOX TB215295
Сторона установки : Задний мост
Тип тормозного диска : цельный
Толщина тормозного диска (мм) : 10
Наружный диаметр [мм] : 305
|
|
Тормозной диск
FERODO DDF1974C-1
Тип тормозного диска : вентилируемый
Наружный диаметр [мм] : 302
Толщина тормозного диска (мм) : 28
Дополнительный артикул / дополнительная информация 2 : без винтов
Высота [мм] : 70
Диаметр центрирования [мм] : 90,1
Количество отверстий : 5
Количественная единица : Штука
Поверхность : с покрытием
проверочное значение : R90 Homologated
Вес [кг] : 19,7
Диаметр отверстия [мм] : 90,1
Минимальная толщина [мм] : 24,5
Длина упаковки [см] : 32,5
Ширина упаковки [см] : 32,5
Высота упаковки [см] : 8
|
|
Тормозной диск
FERODO DDF1975C
Тип тормозного диска : цельный
Наружный диаметр [мм] : 305
Толщина тормозного диска (мм) : 12
Дополнительный артикул / дополнительная информация 2 : с винтами
Высота [мм] : 71,6
Диаметр центрирования [мм] : 90,1
Количество отверстий : 5
Количественная единица : комплект
Поверхность : с покрытием
проверочное значение : R90 homologated
Вес [кг] : 14
Минимальная толщина [мм] : 10
Тип контейнера : Коробка
Длина упаковки [см] : 32
Ширина упаковки [см] : 32
Высота упаковки [см] : 15
|
|
Тормозной диск
FI.BA FBD440
Сторона установки : передний мост
Вес [кг] : 9,6
Толщина [мм] : 70
Тип тормозного диска : вентилируемый
Толщина тормозного диска (мм) : 28
Минимальная толщина [мм] : 24,5
Ø фаски [мм] : 130
Число отверстий в диске колеса : 5
Диаметр центрирования [мм] : 90
Поверхность : с покрытием
Наружный диаметр [мм] : 302
Количество крепежных отверстий : 1
|
|
Тормозной диск
FREMAX BD-8766
Тип тормозного диска : вентилируемый
Наружный диаметр [мм] : 302
Толщина тормозного диска (мм) : 28
Высота [мм] : 70
Диаметр центрирования [мм] : 90
Количество крепежных отверстий : 5
Поверхность : с покрытием
Вес [кг] : 9,27
Минимальная толщина [мм] : 24,5
|
|
Тормозной диск
FREMAX BD-8767
Тип тормозного диска : цельный
Наружный диаметр [мм] : 305
Толщина тормозного диска (мм) : 12
Высота [мм] : 71,5
Диаметр центрирования [мм] : 90
Количество крепежных отверстий : 5
Поверхность : с покрытием
Вес [кг] : 6,53
Минимальная толщина [мм] : 10,5
|
|
Тормозной диск
fri.tech. BD1459
проверочное значение : ECE-R90
Высота [мм] : 70
Тип тормозного диска : вентилируемый
Толщина тормозного диска (мм) : 28
Наружный диаметр [мм] : 302
Количество отверстий : 5
Диаметр центрирования [мм] : 90
Поверхность : лакированный
|
|
Тормозной диск
fri.tech. BD1476
проверочное значение : ECE-R90
Высота [мм] : 71,5
Тип тормозного диска : цельный
Толщина тормозного диска (мм) : 12
Наружный диаметр [мм] : 305
Количество отверстий : 5
Диаметр центрирования [мм] : 90
Поверхность : лакированный
|
|
Тормозной диск
fri.tech. BD1477
проверочное значение : ECE-R90
Высота [мм] : 73,3
Тип тормозного диска : цельный
Толщина тормозного диска (мм) : 12
Наружный диаметр [мм] : 305
Количество отверстий : 5
Диаметр центрирования [мм] : 91
Поверхность : лакированный
|
|
Тормозной диск
fri.tech. BD1478
проверочное значение : ECE-R90
Высота [мм] : 51
Тип тормозного диска : цельный
Толщина тормозного диска (мм) : 18
Наружный диаметр [мм] : 302
Количество отверстий : 8
Диаметр центрирования [мм] : 120
Поверхность : лакированный
|
|
Тормозной диск
GALFER B1.G228-0252.1
Наружный диаметр [мм] : 302
Толщина тормозного диска (мм) : 28
Минимальная толщина [мм] : 24,5
Тип тормозного диска : вентилируемый
Поверхность : с покрытием
Количество отверстий : 5
Код MAPP в наличии :
Ø фаски [мм] : 130
Высота [мм] : 69,9
Диаметр центрирования [мм] : 90
Внутренний диаметр : 160,5
Диаметр отверстия [мм] : 17,4
проверочное значение : E1 90R-02C0115/1190
|
|
Тормозной диск
GH GH-403965
Сторона установки : передний мост
Сторона установки : передний мост справа
Сторона установки : передний мост слева
Толщина тормозного диска (мм) : 28
Количество отверстий : 5
Ø фаски [мм] : 130
Диаметр центрирования [мм] : 90
Наружный диаметр [мм] : 302
Тип тормозного диска : вентилируемый
Размер резьбы : 17,5
Высота [мм] : 69,8
|
|
Тормозной диск
GIRLING 6061204
Тип тормозного диска : цельный
Наружный диаметр [мм] : 305
Толщина тормозного диска (мм) : 12
Минимальная толщина [мм] : 10
Высота [мм] : 71,5
Количество отверстий : 5
Диаметр центрирования [мм] : 90
Ø фаски [мм] : 130
Размер резьбы : 15,5
Цвет : чёрный
Поверхность : лакированный
проверочное значение : E190R-02C0190/0599
SVHC : Нет информации, обратитесь, пожалуйста, к производителю!
|
|
Тормозной диск
GIRLING 6061315
Обработка : Высокоуглеродистый
Поверхность : лакированный
Тип тормозного диска : вентилируемый
Наружный диаметр [мм] : 302
Толщина тормозного диска (мм) : 28
Минимальная толщина [мм] : 24,5
Количество отверстий : 5
Высота [мм] : 69,8
Диаметр центрирования [мм] : 90
Ø фаски [мм] : 130
Размер резьбы : 17,5
Цвет : чёрный
проверочное значение : E1 90R-02 C0176/0642
SVHC : Нет информации, обратитесь, пожалуйста, к производителю!
|
|
Тормозной диск
HART 236 840
Высота [мм] : 71,5
Тип тормозного диска : цельный
Толщина тормозного диска (мм) : 12
Наружный диаметр [мм] : 305
Количество отверстий : 5
|
|
Тормозной диск
HART 236 843
Высота [мм] : 69,8
Тип тормозного диска : вентилируемый
Толщина тормозного диска (мм) : 28
Наружный диаметр [мм] : 302
Количество отверстий : 5
|
|
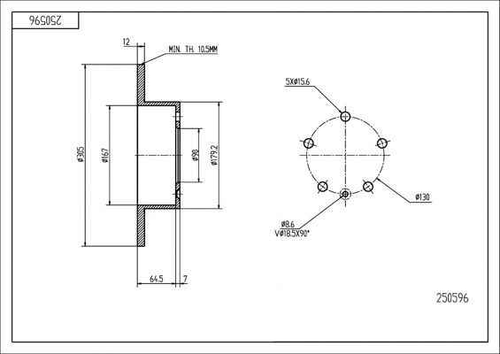
Тормозной диск
HART 250 596
Высота [мм] : 71,5
Тип тормозного диска : цельный
Толщина тормозного диска (мм) : 12
Наружный диаметр [мм] : 305
Количество отверстий : 5
|
|
Тормозной диск
HART 250 597
Высота [мм] : 69,8
Тип тормозного диска : вентилируемый
Толщина тормозного диска (мм) : 28
Наружный диаметр [мм] : 302
Количество отверстий : 5
|
|
Тормозной диск
HERTH+BUSS JAKOPARTS J3301099
Тип тормозного диска : вентилируемый
Наружный диаметр [мм] : 302
Толщина тормозного диска (мм) : 28
Минимальная толщина [мм] : 24,5
Количество отверстий : 5
Количество отверстий 1 : 1
Ø фаски [мм] : 130
Внутренний диаметр : 160,6
Высота [мм] : 69,8
Диаметр ступицы [мм] : 90
Сторона установки : передний мост
SVHC : Не содержит особо опасных веществ!
|
|
Тормозной диск
HERTH+BUSS JAKOPARTS J3311005
Тип тормозного диска : цельный
Наружный диаметр [мм] : 305
Толщина тормозного диска (мм) : 12
Минимальная толщина [мм] : 10
Количество отверстий : 5
Количество отверстий 1 : 1
Ø фаски [мм] : 130
Внутренний диаметр : 167
Высота [мм] : 71,4
Диаметр ступицы [мм] : 90
Поверхность : без покрытия
Сторона установки : Задний мост
SVHC : Не содержит особо опасных веществ!
|
|
Тормозной диск
Hi-Q SD3068
Вес [кг] : 9,26
Толщина [мм] : 28
Тип тормозного диска : вентилируемый
Толщина тормозного диска (мм) : 24,5
Ø фаски [мм] : 130
Количество отверстий : 6
Высота [мм] : 69,8
Диаметр центрирования [мм] : 90
Наружный диаметр [мм] : 302
|
|
Тормозной диск
Hi-Q SD3075
Вес [кг] : 6,42
Толщина [мм] : 12
Тип тормозного диска : цельный
Толщина тормозного диска (мм) : 10
Ø фаски [мм] : 130
Количество отверстий : 6
Высота [мм] : 71,5
Диаметр центрирования [мм] : 90
Наружный диаметр [мм] : 305
|
|
Тормозной диск
ICER 78BD8766-2
Толщина тормозного диска (мм) : 26
Наружный диаметр [мм] : 302
Тип тормозного диска : вентилируемый
Высота [мм] : 69,9
Диаметр центрирования [мм] : 90
Ø фаски [мм] : 130
Исполнение оси : Front
Номер технической информации : 78BD8766-2
проверочное значение : E1 90R-02C0074/1558
проверочное значение : E1 90R-02C0452/0114
проверочное значение : E1190R02C01049/52498
Диаметр [мм] : 90
Толщина [мм] : 28
Минимальная толщина [мм] : 26
Расположение/число отверстий : 5
|
|
Тормозной диск
ICER 78BD8767-2
Толщина тормозного диска (мм) : 11
Наружный диаметр [мм] : 305
Тип тормозного диска : цельный
Высота [мм] : 71,5
Диаметр центрирования [мм] : 90
Ø фаски [мм] : 130
Исполнение оси : Rear
Номер технической информации : 78BD8767-2
проверочное значение : E1 90R-02C0100/0130
проверочное значение : E1 90R-02C0415/0125
проверочное значение : E1190R02C01049/52507
Диаметр [мм] : 90
Толщина [мм] : 12
Минимальная толщина [мм] : 11
Расположение/число отверстий : 5
|
|
Тормозной диск
JAPANPARTS DI-169C
Сторона установки : передний мост
Ø фаски [мм] : 90
Высота [мм] : 69,8
Наружный диаметр [мм] : 302
Толщина тормозного диска (мм) : 28
Минимальная толщина [мм] : 24,5
Число отверстий : 5
Тип тормозного диска : вентилируемый
проверочное значение : ECE R90 APPROVED
Поверхность : лакированный
для оригинального номера : 93197403
|
|
Тормозной диск
JAPANPARTS DP-125C
Сторона установки : Задний мост
Ø фаски [мм] : 90
Высота [мм] : 71,5
Наружный диаметр [мм] : 305
Толщина тормозного диска (мм) : 12
Минимальная толщина [мм] : 10,5
Число отверстий : 5
Тип тормозного диска : цельный
проверочное значение : ECE R90 APPROVED
Поверхность : лакированный
для оригинального номера : 93197406
|
|
Тормозной диск
JAPKO 60169C
Сторона установки : передний мост
Ø фаски [мм] : 90
Высота [мм] : 69,8
Наружный диаметр [мм] : 302
Толщина тормозного диска (мм) : 28
Минимальная толщина [мм] : 24,5
Число отверстий : 5
Тип тормозного диска : вентилируемый
проверочное значение : ECE R90 APPROVED
Поверхность : лакированный
для оригинального номера : 93197403
|
|
Тормозной диск
JAPKO 61125C
Сторона установки : Задний мост
Ø фаски [мм] : 90
Высота [мм] : 71,5
Наружный диаметр [мм] : 305
Толщина тормозного диска (мм) : 12
Минимальная толщина [мм] : 10,5
Число отверстий : 5
Тип тормозного диска : цельный
проверочное значение : ECE R90 APPROVED
Поверхность : лакированный
для оригинального номера : 93197406
|
|
Тормозной диск
JP GROUP 4363202500
Тип тормозного диска : цельный
Толщина тормозного диска (мм) : 12
Поверхность : с покрытием
Сторона установки : Задний мост
Количество отверстий : 5
Наружный диаметр [мм] : 305
|
|
Тормозной диск
JP GROUP 4363102700
Тип тормозного диска : вентилируемый
Толщина тормозного диска (мм) : 28
Поверхность : с покрытием
Сторона установки : передний мост
Количество отверстий : 5
Наружный диаметр [мм] : 302
|
|
Тормозной диск
JPN 30H9060-JPN
Тип тормозного диска : вентилируемый
Высота [мм] : 69,8
Толщина тормозного диска (мм) : 28
Наружный диаметр [мм] : 302
Количество отверстий : 5
Диаметр центрирования [мм] : 90
|
|
Тормозной диск
JPN 40H9063-JPN
Тип тормозного диска : цельный
Число отверстий в диске колеса : 5
Высота [мм] : 71,5
Толщина тормозного диска (мм) : 12
Наружный диаметр [мм] : 305
Диаметр ступицы [мм] : 90
Диаметр отверстия под шпильку колеса [мм] : 130
|
|
Тормозной диск
JURATEK REN179
Тип тормозного диска : вентилируемый
Наружный диаметр [мм] : 302
Толщина тормозного диска (мм) : 28
Высота [мм] : 70
Ø фаски [мм] : 130
Диаметр центрирования [мм] : 90
Количество крепежных отверстий : 5
парные номера артикулов : JCK1029
парные номера артикулов : JCP073
парные номера артикулов : NKR0172
Поверхность : с покрытием
Вес [кг] : 9,8
Диаметр отверстия [мм] : 17,5
Минимальная толщина [мм] : 24,5
|
|
Тормозной диск
JURATEK REN196
Тип тормозного диска : цельный
Наружный диаметр [мм] : 305
Толщина тормозного диска (мм) : 12
Высота [мм] : 72
Ø фаски [мм] : 130
Диаметр центрирования [мм] : 90
Количество крепежных отверстий : 5
парные номера артикулов : JCA1088L
парные номера артикулов : JCA1088R
парные номера артикулов : JCP074
парные номера артикулов : NKR0173
Поверхность : с покрытием
Вес [кг] : 7
Диаметр отверстия [мм] : 15,5
Минимальная толщина [мм] : 10
|
|
Тормозной диск
JURID 562713JC
Тип тормозного диска : вентилируемый
Наружный диаметр [мм] : 302
Толщина тормозного диска (мм) : 28
Дополнительный артикул / дополнительная информация 2 : с винтами
Версия : JC
Высота [мм] : 70
Диаметр центрирования [мм] : 90
Количество отверстий : 5
Количественная единица : Штука
Поверхность : с покрытием
проверочное значение : R90 Homologated
Вес [кг] : 19,7
Минимальная толщина [мм] : 24,5
Расположение/число отверстий : 5+1
Тип контейнера : Коробка
Длина упаковки [см] : 31,5
Ширина упаковки [см] : 31,5
Высота упаковки [см] : 8,5
|
|
Тормозной диск
JURID 562713JC-1
Тип тормозного диска : вентилируемый
Наружный диаметр [мм] : 302
Толщина тормозного диска (мм) : 28
Дополнительный артикул / дополнительная информация 2 : с винтами
Версия : JC
Высота [мм] : 70
Диаметр центрирования [мм] : 90
Количество отверстий : 5
Количественная единица : Штука
Поверхность : с покрытием
проверочное значение : R90 Homologated
Вес [кг] : 19,7
Минимальная толщина [мм] : 24,5
Расположение/число отверстий : 5+1
Тип контейнера : Коробка
Длина упаковки [см] : 31,5
Ширина упаковки [см] : 31,5
Высота упаковки [см] : 9
|
|
Тормозной диск
JURID 562714JC
Тип тормозного диска : цельный
Наружный диаметр [мм] : 305
Толщина тормозного диска (мм) : 12
Дополнительный артикул / дополнительная информация 2 : с винтами
Версия : JC
Высота [мм] : 71,6
Диаметр центрирования [мм] : 90
Количество отверстий : 5
Количественная единица : комплект
Поверхность : с покрытием
проверочное значение : R90 Homologated
Вес [кг] : 14
Минимальная толщина [мм] : 10
Расположение/число отверстий : 5+1
Тип контейнера : Коробка
Длина упаковки [см] : 32
Ширина упаковки [см] : 32
Высота упаковки [см] : 18
|
|
Тормозной диск
KAISHIN CBR557
для оригинального номера : 93197403
Сторона установки : передний мост
проверочное значение : ECE R90 APPROVED
Высота [мм] : 69,8
Тип тормозного диска : вентилируемый
Толщина тормозного диска (мм) : 28
Минимальная толщина [мм] : 24,5
Число отверстий : 5
Наружный диаметр [мм] : 302
Количество отверстий : 5
Ø фаски [мм] : 90
Поверхность : лакированный
|
|
Тормозной диск
KAMOKA 103197
Сторона установки : Задний мост
Тип тормозного диска : цельный
Толщина тормозного диска (мм) : 12
Ø фаски [мм] : 130
Количество отверстий : 5
Высота [мм] : 71
Диаметр центрирования [мм] : 90
Поверхность : с покрытием
Наружный диаметр [мм] : 305
|
|
Тормозной диск
KAMOKA 103293
Сторона установки : передний мост
Тип тормозного диска : вентилируемый
Толщина тормозного диска (мм) : 28
Ø фаски [мм] : 130
Количество отверстий : 5
Высота [мм] : 70
Диаметр центрирования [мм] : 90
Поверхность : с покрытием
Наружный диаметр [мм] : 302
|
|
Тормозной диск
KAVO PARTS BR-6826-C
проверочное значение : R90
Высота [мм] : 51
Тип тормозного диска : цельный
Толщина тормозного диска (мм) : 18
Наружный диаметр [мм] : 302
Количество отверстий : 8
Диаметр центрирования [мм] : 120
Ø фаски [мм] : 140
Поверхность : с покрытием
|
|
Тормозной диск
KAVO PARTS BR-6827-C
проверочное значение : R90
Высота [мм] : 70
Тип тормозного диска : вентилируемый
Толщина тормозного диска (мм) : 28
Наружный диаметр [мм] : 302
Количество отверстий : 5
Диаметр центрирования [мм] : 90
Ø фаски [мм] : 130
Поверхность : с покрытием
|
|
Тормозной диск
KAVO PARTS BR-6836-C
проверочное значение : R90
Высота [мм] : 72
Тип тормозного диска : цельный
Толщина тормозного диска (мм) : 12
Минимальная толщина [мм] : 10
Наружный диаметр [мм] : 305
Количество отверстий : 5
Диаметр центрирования [мм] : 91,1
Ø фаски [мм] : 130
Поверхность : с покрытием
|
|
Тормозной диск
KAVO PARTS BR-6838-C
проверочное значение : R90
Высота [мм] : 72
Тип тормозного диска : цельный
Толщина тормозного диска (мм) : 12
Наружный диаметр [мм] : 305
Количество отверстий : 5
Диаметр центрирования [мм] : 90
Ø фаски [мм] : 130
Поверхность : с покрытием
|
|
Тормозной диск
KAWE 61412 00
Диаметр [мм] : 304,9
Сторона установки : Задний мост
Вес [кг] : 6,42
Тип тормозного диска : цельный
Минимальная толщина [мм] : 10
Толщина тормозного диска (мм) : 12
Количество отверстий : 5
Высота [мм] : 71,5
Диаметр центрирования [мм] : 90
Наружный диаметр [мм] : 305
|
|
Тормозной диск
KAWE 61475 10
Диаметр [мм] : 302
Сторона установки : передний мост
Вес [кг] : 9,26
Тип тормозного диска : вентилируемый
Минимальная толщина [мм] : 24,5
Толщина тормозного диска (мм) : 28
Количество отверстий : 5
Высота [мм] : 69,8
Диаметр центрирования [мм] : 90
Наружный диаметр [мм] : 302
|
|
Тормозной диск
KEY PARTS KBD5164
Тип тормозного диска : цельный
Наружный диаметр [мм] : 305
Толщина тормозного диска (мм) : 12
Высота [мм] : 71,5
Диаметр центрирования [мм] : 90
Количество отверстий : 5
Количественная единица : комплект
Поверхность : без покрытия
проверочное значение : ECE R90 Homologated
Минимальная толщина [мм] : 10
|
|
Тормозной диск
KEY PARTS KBD5941S
Тип тормозного диска : вентилируемый
Наружный диаметр [мм] : 302
Толщина тормозного диска (мм) : 28
Высота [мм] : 70
Диаметр центрирования [мм] : 90
Количество отверстий : 5
Количество : 1
Поверхность : без покрытия
проверочное значение : ECE R90 Homologated
Минимальная толщина [мм] : 24,5
|
|
Тормозной диск
KRAFT AUTOMOTIVE 6051668
Сторона установки : Задний мост
Толщина тормозного диска (мм) : 12
Высота [мм] : 71,4
Диаметр центрирования [мм] : 90
Номер продукции : K6051668
Тип тормозного диска : цельный
Наружный диаметр [мм] : 305
|
|
Тормозной диск
KRAFT AUTOMOTIVE 6041760
Сторона установки : передний мост
Толщина тормозного диска (мм) : 28
Высота [мм] : 69,9
Диаметр центрирования [мм] : 90
Номер продукции : K6041760
Тип тормозного диска : вентилируемый
Наружный диаметр [мм] : 302
|
|
Тормозной диск
LPR O1037P
Толщина тормозного диска (мм) : 12
Высота [мм] : 71,5
Количество отверстий : 5
Наружный диаметр [мм] : 305
Тип тормозного диска : цельный
Диаметр центрирования [мм] : 90
Минимальная толщина [мм] : 10
|
|
Тормозной диск
LPR O1037PR
Высота [мм] : 71,5
Тип тормозного диска : цельный
Толщина тормозного диска (мм) : 12
Минимальная толщина [мм] : 10
Количество отверстий : 5
Диаметр центрирования [мм] : 90
Поверхность : с покрытием
Наружный диаметр [мм] : 305
|
|
Тормозной диск
LPR R1043V
Тип тормозного диска : вентилируемый
Диаметр центрирования [мм] : 90
Количество отверстий : 5
Наружный диаметр [мм] : 302
Минимальная толщина [мм] : 24,5
Толщина тормозного диска (мм) : 28
Высота [мм] : 70
|
|
Тормозной диск
LPR R1043VR
Минимальная толщина [мм] : 24,5
Наружный диаметр [мм] : 302
Высота [мм] : 70
Тип тормозного диска : вентилируемый
Поверхность : с покрытием
Количество отверстий : 5
Толщина тормозного диска (мм) : 28
Диаметр центрирования [мм] : 90
|
|
Тормозной диск
LYNXAUTO BN-1810
Сторона установки : передний мост
Наружный диаметр [мм] : 302
Толщина тормозного диска (мм) : 28
Минимальная толщина [мм] : 24,5
Диаметр центрирования [мм] : 90
Высота [мм] : 70
Внутренний диаметр : 161
Количество отверстий : 5
Ø фаски [мм] : 130
Тип тормозного диска : вентилируемый
|
|
Тормозной диск
LYNXAUTO BN-1811
Сторона установки : Задний мост
Наружный диаметр [мм] : 305
Толщина тормозного диска (мм) : 12
Минимальная толщина [мм] : 10
Диаметр центрирования [мм] : 90
Высота [мм] : 71,5
Внутренний диаметр : 167
Количество отверстий : 5
Ø фаски [мм] : 130
Тип тормозного диска : цельный
|
|
Тормозной диск
MAGNETI MARELLI 360406106500
Обработка : Высокоуглеродистый
Тип тормозного диска : цельный
Диаметр [мм] : 305
Высота [мм] : 71,5
Минимальная толщина [мм] : 10,5
Количество отверстий : 5
Ø фаски [мм] : 90
Дополнительный артикул / дополнительная информация 2 : с винтами
Толщина тормозного диска (мм) : 12
Наружный диаметр [мм] : 305
|
|
Тормозной диск
MAGNETI MARELLI 360406121100
Поверхность : без покрытия
Обработка : Высокоуглеродистый
Тип тормозного диска : вентилируемый
Диаметр [мм] : 302
Высота [мм] : 69,8
Минимальная толщина [мм] : 24,5
Количество отверстий : 5
Ø фаски [мм] : 90
Дополнительный артикул / дополнительная информация 2 : с винтами
Толщина тормозного диска (мм) : 28
Наружный диаметр [мм] : 302
|
|
Тормозной диск
MAGNETI MARELLI 361302040373
Тип тормозного диска : цельный
Диаметр [мм] : 305
Высота [мм] : 71,5
Минимальная толщина [мм] : 10,5
Количество отверстий : 5
Ø фаски [мм] : 90
Толщина тормозного диска (мм) : 12
Наружный диаметр [мм] : 305
|
|
Тормозной диск
MAGNETI MARELLI 361302040622
Тип тормозного диска : вентилируемый
Диаметр [мм] : 302
Высота [мм] : 69,8
Минимальная толщина [мм] : 24,5
Количество отверстий : 5
Ø фаски [мм] : 90
Толщина тормозного диска (мм) : 28
Наружный диаметр [мм] : 302
|
|
Тормозной диск
MANDO MBC035243
Сторона установки : передний мост
Тип тормозного диска : вентилируемый
Толщина тормозного диска (мм) : 28
Количество отверстий : 5
Высота [мм] : 69,8
Диаметр центрирования [мм] : 90
Наружный диаметр [мм] : 302
|
|
Тормозной диск
MANDO MBC035244
Сторона установки : Задний мост
Тип тормозного диска : цельный
Толщина тормозного диска (мм) : 12
Количество отверстий : 5
Высота [мм] : 71,5
Диаметр центрирования [мм] : 90
Наружный диаметр [мм] : 305
|
|
Тормозной диск
MAPCO 25722
Сторона установки : передний мост
Наружный диаметр [мм] : 302
Толщина тормозного диска (мм) : 28
Количество отверстий : 5
Тип тормозного диска : вентилируемый
Ø фаски [мм] : 130
Диаметр центрирования [мм] : 90
|
|
Тормозной диск
MAPCO 25723
Сторона установки : Задний мост
Наружный диаметр [мм] : 305
Толщина тормозного диска (мм) : 12
Тип тормозного диска : цельный
Количество отверстий : 5
Ø фаски [мм] : 130
Диаметр центрирования [мм] : 90
|
|
Тормозной диск
MAXGEAR 19-2009
Тип тормозного диска : вентилируемый
Наружный диаметр [мм] : 302
Толщина тормозного диска (мм) : 28
Высота [мм] : 69,8
Ø фаски [мм] : 130
Диаметр центрирования [мм] : 90
Количество отверстий : 5
Минимальная толщина [мм] : 24,5
|
|
Тормозной диск
MAXGEAR 19-2009MAX
Тип тормозного диска : вентилируемый
Наружный диаметр [мм] : 302
Толщина тормозного диска (мм) : 28
Высота [мм] : 69,8
Ø фаски [мм] : 130
Диаметр центрирования [мм] : 90
Количество отверстий : 5
Поверхность : лакированный
Минимальная толщина [мм] : 24,5
|
|
Тормозной диск
MAXGEAR 19-2009SPORT
Тип тормозного диска : вентилируемый
Тип тормозного диска : с прорезями / перфорированный
Наружный диаметр [мм] : 302
Толщина тормозного диска (мм) : 28
Высота [мм] : 69,8
Ø фаски [мм] : 130
Диаметр центрирования [мм] : 90
Количество отверстий : 5
Поверхность : лакированный
Минимальная толщина [мм] : 24,5
|
|
Тормозной диск
MAXGEAR 19-2010
Сторона установки : Задний мост
Тип тормозного диска : цельный
Наружный диаметр [мм] : 305
Толщина тормозного диска (мм) : 12
Дополнительный артикул / дополнительная информация 2 : без ступицы
Дополнительный артикул / дополнительная информация 2 : без колесной крепящей оси
Высота [мм] : 71,5
Ø фаски [мм] : 130
Диаметр центрирования [мм] : 90
Количество отверстий : 5
Минимальная толщина [мм] : 10
|
|
Тормозной диск
MAXGEAR 19-2010MAX
Тип тормозного диска : цельный
Наружный диаметр [мм] : 305
Толщина тормозного диска (мм) : 12
Дополнительный артикул / дополнительная информация 2 : без ступицы
Дополнительный артикул / дополнительная информация 2 : без колесной крепящей оси
Высота [мм] : 71,5
Ø фаски [мм] : 130
Диаметр центрирования [мм] : 90
Количество отверстий : 5
Поверхность : лакированный
Минимальная толщина [мм] : 10
|
|
Тормозной диск
MAXGEAR 19-2010SPORT
Тип тормозного диска : цельный
Тип тормозного диска : с прорезями / перфорированный
Наружный диаметр [мм] : 305
Толщина тормозного диска (мм) : 12
Дополнительный артикул / дополнительная информация 2 : без ступицы
Дополнительный артикул / дополнительная информация 2 : без колесной крепящей оси
Высота [мм] : 71,5
Ø фаски [мм] : 130
Диаметр центрирования [мм] : 90
Количество отверстий : 5
Минимальная толщина [мм] : 10
|
|
Тормозной диск
METELLI 23-1286C
проверочное значение : ECE-R90
Высота [мм] : 70
Тип тормозного диска : вентилируемый
Толщина тормозного диска (мм) : 28
Наружный диаметр [мм] : 302
Количество отверстий : 5
Диаметр центрирования [мм] : 90
Поверхность : лакированный
|
|
Тормозной диск
METELLI 23-1287C
проверочное значение : ECE-R90
Высота [мм] : 71,5
Тип тормозного диска : цельный
Толщина тормозного диска (мм) : 12
Наружный диаметр [мм] : 305
Количество отверстий : 5
Диаметр центрирования [мм] : 90
Поверхность : лакированный
|
|
Тормозной диск
METELLI 23-1385C
проверочное значение : ECE-R90
Высота [мм] : 51
Тип тормозного диска : цельный
Толщина тормозного диска (мм) : 18
Наружный диаметр [мм] : 302
Количество отверстий : 8
Диаметр центрирования [мм] : 120
Поверхность : лакированный
|
|
Тормозной диск
METELLI 23-1386C
проверочное значение : ECE-R90
Высота [мм] : 73,3
Тип тормозного диска : цельный
Толщина тормозного диска (мм) : 12
Наружный диаметр [мм] : 305
Количество отверстий : 5
Диаметр центрирования [мм] : 91
Поверхность : лакированный
|
|
Тормозной диск
MEYLE 615 521 0049
Сторона установки : передний мост
Наружный диаметр [мм] : 302
Высота [мм] : 70
Толщина тормозного диска (мм) : 28
Минимальная толщина [мм] : 24,5
Диаметр центрирования [мм] : 90
Ø фаски [мм] : 130
Диаметр отверстия под шпильку колеса [мм] : 17,4
Количество отверстий : 5
Тип тормозного диска : вентилируемый
необходимое количество : 2
|
|
Тормозной диск
MEYLE 615 523 0016
Сторона установки : Задний мост
Наружный диаметр [мм] : 305
Высота [мм] : 71,5
Толщина тормозного диска (мм) : 12
Минимальная толщина [мм] : 10
Диаметр центрирования [мм] : 90
Ø фаски [мм] : 130
Диаметр отверстия под шпильку колеса [мм] : 15,5
Количество отверстий : 5
Тип тормозного диска : цельный
необходимое количество : 2
|
|
Тормозной диск
MEYLE 615 523 0016/PD
Сторона установки : Задний мост
Наружный диаметр [мм] : 305
Высота [мм] : 71,5
Толщина тормозного диска (мм) : 12
Минимальная толщина [мм] : 10
Диаметр центрирования [мм] : 90
Ø фаски [мм] : 130
Диаметр отверстия под шпильку колеса [мм] : 15,5
Количество отверстий : 5
Тип тормозного диска : цельный
Поверхность : с покрытием
Дополнительный артикул / дополнительная информация 2 : с винтами
Качество : PREMIUM
необходимое количество : 2
|
|
Тормозной диск
MILES K201701
Сторона установки : спереди
Количество отверстий : 5
Тип тормозного диска : вентилируемый
Наружный диаметр [мм] : 302
Высота [мм] : 69,8
Диаметр центрирования [мм] : 90
Ø фаски [мм] : 130
Диаметр отверстия под шпильку колеса [мм] : 17,5
Толщина тормозного диска (мм) : 28
Минимальная толщина [мм] : 24,5
Поверхность : с покрытием
|
|
Тормозной диск
MILES K011116
Сторона установки : сзади
Количество отверстий : 5
Тип тормозного диска : цельный
Наружный диаметр [мм] : 304,9
Высота [мм] : 71,5
Диаметр центрирования [мм] : 90
Ø фаски [мм] : 130
Диаметр отверстия под шпильку колеса [мм] : 15,5
Толщина тормозного диска (мм) : 12
Минимальная толщина [мм] : 10
|
|
Тормозной диск
MILES K211116
Сторона установки : сзади
Количество отверстий : 5
Тип тормозного диска : цельный
Наружный диаметр [мм] : 304,9
Высота [мм] : 71,5
Диаметр центрирования [мм] : 90
Ø фаски [мм] : 130
Диаметр отверстия под шпильку колеса [мм] : 15,5
Толщина тормозного диска (мм) : 12
Минимальная толщина [мм] : 10
Поверхность : с покрытием
|
|
Тормозной диск
MILES K001701
Сторона установки : спереди
Количество отверстий : 5
Тип тормозного диска : вентилируемый
Наружный диаметр [мм] : 302
Высота [мм] : 69,8
Диаметр центрирования [мм] : 90
Ø фаски [мм] : 130
Диаметр отверстия под шпильку колеса [мм] : 17,5
Толщина тормозного диска (мм) : 28
Минимальная толщина [мм] : 24,5
|
|
Тормозной диск
MINTEX MDC2240
Тип тормозного диска : вентилируемый
Наружный диаметр [мм] : 302
Толщина тормозного диска (мм) : 28
Высота [мм] : 69,8
Минимальная толщина [мм] : 24,5
Внутренний диаметр : 161
Ø фаски [мм] : 130
Диаметр центрирования [мм] : 90
Расположение/число отверстий : 05/06
Диаметр отверстия под шпильку колеса [мм] : 17,5
Дополнительный артикул / дополнительная информация 2 : без ступицы
Дополнительный артикул / дополнительная информация 2 : без колесного подшипника
Дополнительный артикул / дополнительная информация 2 : без колесной крепящей оси
Длина упаковки [см] : 32,8
Ширина упаковки [см] : 32,8
Высота упаковки [см] : 17,9
Вес [кг] : 9,2
|
|
Тормозной диск
MINTEX MDC2241
Тип тормозного диска : цельный
Наружный диаметр [мм] : 305
Толщина тормозного диска (мм) : 12
Высота [мм] : 71,5
Минимальная толщина [мм] : 10
Внутренний диаметр : 167
Ø фаски [мм] : 130
Диаметр центрирования [мм] : 90
Расположение/число отверстий : 05/06
Диаметр отверстия под шпильку колеса [мм] : 15,5
Дополнительный артикул / дополнительная информация 2 : без ступицы
Дополнительный артикул / дополнительная информация 2 : без колесного подшипника
Дополнительный артикул / дополнительная информация 2 : без колесной крепящей оси
Длина упаковки [см] : 32,8
Ширина упаковки [см] : 32,8
Высота упаковки [см] : 17,9
Вес [кг] : 6,4
|
|
Тормозной диск
MOTAQUIP LVBD1590
Тип тормозного диска : вентилируемый
Наружный диаметр [мм] : 302
Толщина тормозного диска (мм) : 28
Высота [мм] : 69,8
Ø фаски [мм] : 130
Диаметр центрирования [мм] : 90
Количество отверстий : 5
Поверхность : с покрытием
Вес [кг] : 6,9
Минимальная толщина [мм] : 24,5
|
|
Тормозной диск
MOTAQUIP LVBD1685
Тип тормозного диска : цельный
Наружный диаметр [мм] : 305
Толщина тормозного диска (мм) : 12
Высота [мм] : 71,5
Ø фаски [мм] : 130
Диаметр центрирования [мм] : 90
Количество отверстий : 5
Поверхность : с покрытием
Вес [кг] : 6,794
Минимальная толщина [мм] : 10
|
|
Тормозной диск
National NBD1768
Тип тормозного диска : вентилируемый
Наружный диаметр [мм] : 302
Толщина тормозного диска (мм) : 28
Высота [мм] : 70
Ø фаски [мм] : 130
Диаметр центрирования [мм] : 90
Количество отверстий : 5
|
|
Тормозной диск
National NBD1769
Тип тормозного диска : цельный
Наружный диаметр [мм] : 305
Толщина тормозного диска (мм) : 12
Высота [мм] : 71
Ø фаски [мм] : 130
Диаметр центрирования [мм] : 90
Количество отверстий : 5
|
|
Тормозной диск
NIPPARTS N3301109
Тип тормозного диска : вентилируемый
Толщина тормозного диска (мм) : 28
Наружный диаметр [мм] : 302
Высота [мм] : 69,8
Количество отверстий : 5
Диаметр центрирования [мм] : 90
Ø фаски [мм] : 130
Диаметр ступицы колеса [мм] : 174,5
Минимальная толщина [мм] : 24,5
|
|
Тормозной диск
NIPPARTS N3311063
Сторона установки : Задний мост
Тип тормозного диска : цельный
Толщина тормозного диска (мм) : 12
Наружный диаметр [мм] : 305
Высота [мм] : 71,5
Количество отверстий : 5
Диаметр центрирования [мм] : 90
Ø фаски [мм] : 130
Диаметр ступицы колеса [мм] : 180
Минимальная толщина [мм] : 10
|
|
Тормозной диск
NK 203976
Наружный диаметр [мм] : 302
Толщина тормозного диска (мм) : 28
Минимальная толщина [мм] : 24,5
Высота [мм] : 69,9
Число отверстий в диске колеса : 5
Тип тормозного диска : вентилируемый
Диаметр центрирования [мм] : 90
Поверхность : промасленный
Вес нетто [кг] : 9,26
|
|
Тормозной диск
NK 313976
Наружный диаметр [мм] : 302
Толщина тормозного диска (мм) : 28
Минимальная толщина [мм] : 24,5
Высота [мм] : 69,9
Число отверстий в диске колеса : 5
Тип тормозного диска : вентилируемый
Диаметр центрирования [мм] : 90
Поверхность : с покрытием
Вес нетто [кг] : 9,26
|
|
Тормозной диск
NK 203977
Наружный диаметр [мм] : 305
Толщина тормозного диска (мм) : 12
Минимальная толщина [мм] : 10
Высота [мм] : 71,5
Число отверстий в диске колеса : 5
Тип тормозного диска : цельный
Диаметр центрирования [мм] : 90
Поверхность : промасленный
Вес нетто [кг] : 6,42
|
|
Тормозной диск
NK 313977
Наружный диаметр [мм] : 305
Толщина тормозного диска (мм) : 12
Минимальная толщина [мм] : 10
Высота [мм] : 71,5
Число отверстий в диске колеса : 5
Тип тормозного диска : цельный
Диаметр центрирования [мм] : 90
Поверхность : с покрытием
Вес нетто [кг] : 6,42
|
|
Тормозной диск
NPS N330N112
Спецификация : Qte packaging: 1
Сторона установки : передний мост
проверочное значение : E1 90R-02C0074/1558
Тип тормозного диска : вентилируемый
Количество частей [част.] : 1
Наружный диаметр [мм] : 302
Вес [кг] : 9,6
Толщина тормозного диска (мм) : 28
Число отверстий в диске колеса : 5
Количество отверстий : 5
|
|
Тормозной диск
Omnicraft 2143134
Минимальная толщина [мм] : 10,5
Обработка : Высокоуглеродистый
Наружный диаметр [мм] : 305
Количество отверстий : 5
Диаметр центрирования [мм] : 90
Дополнительный артикул / дополнительная информация 2 : с винтами
Высота [мм] : 72
Тип тормозного диска : цельный
Толщина тормозного диска (мм) : 12
|
|
Тормозной диск
Omnicraft 2143200
Дополнительный артикул / дополнительная информация 2 : с винтами
Высота [мм] : 70
Тип тормозного диска : вентилируемый
Толщина тормозного диска (мм) : 28
Минимальная толщина [мм] : 24,5
Обработка : Высокоуглеродистый
Наружный диаметр [мм] : 302
Количество отверстий : 5
Диаметр центрирования [мм] : 90
|
|
Тормозной диск
OPEN PARTS BDA2589.10
Тип тормозного диска : цельный
Наружный диаметр [мм] : 305
Высота [мм] : 71,5
Толщина тормозного диска (мм) : 12
Диаметр центрирования [мм] : 90
Количество отверстий : 5
Дополнительный артикул / дополнительная информация 2 : с винтами
Минимальная толщина [мм] : 10
|
|
Тормозной диск
OPEN PARTS BDA2654.20
Тип тормозного диска : вентилируемый
Наружный диаметр [мм] : 302
Высота [мм] : 69,8
Толщина тормозного диска (мм) : 28
Диаметр центрирования [мм] : 90
Количество отверстий : 5
Дополнительный артикул / дополнительная информация 2 : с винтами
|
|
Тормозной диск
OPTIMAL BS-8682
Сторона установки : передний мост
Тип тормозного диска : вентилируемый
Толщина тормозного диска (мм) : 28
Наружный диаметр [мм] : 302
Высота [мм] : 69,8
Диаметр центрирования [мм] : 90
Расположение/число отверстий : 5/6
|
|
Тормозной диск
OPTIMAL BS-8682HC
Сторона установки : передний мост
Тип тормозного диска : вентилируемый
Толщина тормозного диска (мм) : 28
Наружный диаметр [мм] : 302
Высота [мм] : 70
Обработка : Высокоуглеродистый
Диаметр центрирования [мм] : 90
Поверхность : с покрытием
Дополнительный артикул / дополнительная информация 2 : с винтами
Расположение/число отверстий : 5/6
|
|
Тормозной диск
OPTIMAL BS-8684
Сторона установки : Задний мост
Тип тормозного диска : цельный
Толщина тормозного диска (мм) : 12
Наружный диаметр [мм] : 305
Высота [мм] : 71,5
Диаметр центрирования [мм] : 90
Расположение/число отверстий : 5/6
|
|
Тормозной диск
OPTIMAL BS-8684C
Сторона установки : Задний мост
Тип тормозного диска : цельный
Толщина тормозного диска (мм) : 12
Наружный диаметр [мм] : 305
Высота [мм] : 71,5
Диаметр центрирования [мм] : 90
Поверхность : с покрытием
Дополнительный артикул / дополнительная информация 2 : с винтами
Расположение/число отверстий : 5/6
|
|
Тормозной диск
OSSCA 80405
Сторона установки : сзади
Тип тормозного диска : цельный
Толщина тормозного диска (мм) : 12
Высота [мм] : 71,5
Наружный диаметр [мм] : 305
|
|
Тормозной диск
PAGID 55286NC
Тип тормозного диска : вентилируемый
Наружный диаметр [мм] : 302
Толщина тормозного диска (мм) : 28
Высота [мм] : 69,8
Минимальная толщина [мм] : 24,5
Поверхность : с покрытием
Внутренний диаметр : 161
Ø фаски [мм] : 130
Диаметр центрирования [мм] : 90
Расположение/число отверстий : 05/06
Диаметр отверстия под шпильку колеса [мм] : 17,5
Дополнительный артикул / дополнительная информация 2 : без ступицы
Дополнительный артикул / дополнительная информация 2 : без колесного подшипника
Дополнительный артикул / дополнительная информация 2 : без колесной крепящей оси
Длина упаковки [см] : 31,3
Ширина упаковки [см] : 31,3
Высота упаковки [см] : 10
Вес [кг] : 9,2
|
|
Тормозной диск
PAGID 55287N
Тип тормозного диска : цельный
Наружный диаметр [мм] : 305
Толщина тормозного диска (мм) : 12
Высота [мм] : 71,5
Минимальная толщина [мм] : 10
Внутренний диаметр : 167
Ø фаски [мм] : 130
Диаметр центрирования [мм] : 90
Расположение/число отверстий : 05/06
Диаметр отверстия под шпильку колеса [мм] : 15,5
Дополнительный артикул / дополнительная информация 2 : без ступицы
Дополнительный артикул / дополнительная информация 2 : без колесного подшипника
Дополнительный артикул / дополнительная информация 2 : без колесной крепящей оси
Длина упаковки [см] : 31,3
Ширина упаковки [см] : 31,3
Высота упаковки [см] : 10
Вес [кг] : 6,4
|
|
Тормозной диск
PILENGA 5781
Сторона установки : Задний мост
Тип тормозного диска : цельный
Минимальная толщина [мм] : 10
Толщина тормозного диска (мм) : 12
Количество отверстий 1 : 5
Количество отверстий 2 : 1
Внутренний диаметр : 167
Высота [мм] : 71,5
Обработка : Высокоуглеродистый
Диаметр центрирования [мм] : 90
Наружный диаметр [мм] : 305
|
|
Тормозной диск
PILENGA V385
Сторона установки : передний мост
Тип тормозного диска : вентилируемый
Минимальная толщина [мм] : 24,5
Толщина тормозного диска (мм) : 28
Количество отверстий 1 : 5
Количество отверстий 2 : 1
Внутренний диаметр : 160,5
Высота [мм] : 69,9
Обработка : Высокоуглеродистый
Диаметр центрирования [мм] : 90
Наружный диаметр [мм] : 302
|
|
Тормозной диск
ProfiPower 3B1049
Тип тормозного диска : вентилируемый
Высота [мм] : 69,8
Толщина тормозного диска (мм) : 28
Размер резьбы : 17,5
Минимальная толщина [мм] : 24,5
Наружный диаметр [мм] : 302
Количество отверстий : 5
Диаметр центрирования [мм] : 90
Ø фаски [мм] : 130
|
|
Тормозной диск
ProfiPower 3B2024
Тип тормозного диска : цельный
Высота [мм] : 71,5
Толщина тормозного диска (мм) : 12
Размер резьбы : 15,5
Минимальная толщина [мм] : 10
Наружный диаметр [мм] : 305
Количество отверстий : 5
Диаметр центрирования [мм] : 90
Ø фаски [мм] : 130
|
|
Тормозной диск
QUARO QD0660
Тип тормозного диска : вентилируемый
Наружный диаметр [мм] : 302
Толщина тормозного диска (мм) : 28
Дополнительный артикул / дополнительная информация 2 : без ступицы
Дополнительный артикул / дополнительная информация 2 : без колесной крепящей оси
Высота [мм] : 69,8
Ø фаски [мм] : 130
Диаметр центрирования [мм] : 90
Количество отверстий : 5
Поверхность : лакированный
Минимальная толщина [мм] : 24,5
|
|
Тормозной диск
QUARO QD0660HC
Сторона установки : передний мост
Тип тормозного диска : вентилируемый
Наружный диаметр [мм] : 302
Толщина тормозного диска (мм) : 28
Число отверстий в диске колеса : 5
Высота [мм] : 69,8
Ø фаски [мм] : 130
Диаметр центрирования [мм] : 90
Поверхность : лакированный
|
|
Тормозной диск
QUARO QD8944
Тип тормозного диска : цельный
Наружный диаметр [мм] : 305
Толщина тормозного диска (мм) : 12
Дополнительный артикул / дополнительная информация 2 : без ступицы
Дополнительный артикул / дополнительная информация 2 : без колесной крепящей оси
Высота [мм] : 71,5
Ø фаски [мм] : 130
Диаметр центрирования [мм] : 90
Количество отверстий : 5
Минимальная толщина [мм] : 10
|
|
Тормозной диск
QUARO QD8944HC
Сторона установки : Задний мост
Тип тормозного диска : цельный
Наружный диаметр [мм] : 305
Толщина тормозного диска (мм) : 12
Число отверстий в диске колеса : 5
Высота [мм] : 71,5
Ø фаски [мм] : 130
Диаметр центрирования [мм] : 90
Поверхность : лакированный
|
|
Тормозной диск
QUINTON HAZELL BDC5991
Тип тормозного диска : цельный
Наружный диаметр [мм] : 305
Толщина тормозного диска (мм) : 12
Минимальная толщина [мм] : 10
Высота [мм] : 71
Диаметр центрирования [мм] : 90
Ø фаски [мм] : 90
Количество отверстий : 5
|
|
Тормозной диск
QUINTON HAZELL BDC5990
Тип тормозного диска : вентилируемый
Наружный диаметр [мм] : 302
Толщина тормозного диска (мм) : 28
Минимальная толщина [мм] : 24,5
Высота [мм] : 70
Диаметр центрирования [мм] : 90
Ø фаски [мм] : 90
Количество отверстий : 5
|
|
Тормозной диск
R BRAKE 78RBD28766
Толщина тормозного диска (мм) : 26
Наружный диаметр [мм] : 302
Тип тормозного диска : вентилируемый
Высота [мм] : 69,9
Диаметр центрирования [мм] : 90
Ø фаски [мм] : 130
Исполнение оси : Front
Номер технической информации : 78BD8766-2
проверочное значение : E1 90R-02C0074/1558
проверочное значение : E1 90R-02C0452/0114
проверочное значение : E1190R02C01049/52498
Диаметр [мм] : 90
Толщина [мм] : 28
Минимальная толщина [мм] : 26
Расположение/число отверстий : 5
|
|
Тормозной диск
R BRAKE 78RBD28767
Толщина тормозного диска (мм) : 11
Наружный диаметр [мм] : 305
Тип тормозного диска : цельный
Высота [мм] : 71,5
Диаметр центрирования [мм] : 90
Ø фаски [мм] : 130
Исполнение оси : Rear
Номер технической информации : 78BD8767-2
проверочное значение : E1 90R-02C0100/0130
проверочное значение : E1 90R-02C0415/0125
проверочное значение : E1190R02C01049/52507
Диаметр [мм] : 90
Толщина [мм] : 12
Минимальная толщина [мм] : 11
Расположение/число отверстий : 5
|
|
Тормозной диск
RAICAM RD01166
Высота [мм] : 69,9
Наружный диаметр [мм] : 302
Вес [кг] : 9,3
Диаметр центрирования [мм] : 90
Тип тормозного диска : вентилируемый
выполняет нормы ЕЭК : E1
Число отверстий в диске колеса : 5
Толщина тормозного диска (мм) : 28
Сторона установки : передний мост
Минимальная толщина [мм] : 24,5
|
|
Тормозной диск
RAICAM RD01167
Минимальная толщина [мм] : 10
Высота [мм] : 71,5
Наружный диаметр [мм] : 305
Вес [кг] : 6,5
Диаметр центрирования [мм] : 90
Тип тормозного диска : цельный
выполняет нормы ЕЭК : E1
Число отверстий в диске колеса : 5
Толщина тормозного диска (мм) : 12
Сторона установки : Задний мост
|
|
Тормозной диск
RIDEX 82B0544
Толщина тормозного диска (мм) : 28
Тип тормозного диска : вентилируемый
Наружный диаметр [мм] : 302
Сторона установки : передний мост
Минимальная толщина [мм] : 24,5
Высота [мм] : 69,8
Расположение/число отверстий : 05/06
Ø фаски [мм] : 130
Диаметр центрирования [мм] : 90
Внутренний диаметр : 161
Вес [кг] : 9,2
Дополнительный артикул / дополнительная информация 2 : без ступицы
Дополнительный артикул / дополнительная информация 2 : без колесной крепящей оси
Диаметр отверстия под шпильку колеса [мм] : 17,5
Поверхность : без покрытия
|
|
Тормозной диск
RIDEX 82B0567
Толщина тормозного диска (мм) : 12
Тип тормозного диска : цельный
Минимальная толщина [мм] : 10
Высота [мм] : 71,5
Расположение/число отверстий : 05/06
Диаметр центрирования [мм] : 90
Вес [кг] : 6,4
Дополнительный артикул / дополнительная информация 2 : без ступицы
Дополнительный артикул / дополнительная информация 2 : без колесной крепящей оси
Ø фаски [мм] : 130
Внутренний диаметр : 167
Диаметр отверстия под шпильку колеса [мм] : 15,5
Наружный диаметр [мм] : 305
Поверхность : без покрытия
|
|
Тормозной диск
ROTINGER RT 4552
Тип тормозного диска : вентилируемый
Сторона установки : передний мост
Наружный диаметр [мм] : 302
Внутренний диаметр : 160,6
Диаметр центрирования [мм] : 90
Высота [мм] : 70
Толщина тормозного диска (мм) : 28
Минимальная толщина [мм] : 24,5
Количество отверстий : 5
Размер резьбы : 17,5
Количество отверстий 1 : 1
Расстояние между отверст. 1 [мм] : 130
Вес [кг] : 9,3
Ø фаски [мм] : 130
|
|
Тормозной диск
ROTINGER RT 4552-GL
Тип тормозного диска : вентилируемый
Поверхность : с гальваническим покрытием
Сторона установки : передний мост
Наружный диаметр [мм] : 302
Внутренний диаметр : 160,6
Диаметр центрирования [мм] : 90
Высота [мм] : 70
Толщина тормозного диска (мм) : 28
Минимальная толщина [мм] : 24,5
Количество отверстий : 5
Размер резьбы : 17,5
Количество отверстий 1 : 1
Расстояние между отверст. 1 [мм] : 130
Вес [кг] : 9,3
Ø фаски [мм] : 130
|
|
Тормозной диск
ROTINGER RT 4552-GL T3
Тип тормозного диска : вентилируемый
Тип тормозного диска : перфорированный
Поверхность : с гальваническим покрытием
Сторона установки : передний мост
Наружный диаметр [мм] : 302
Внутренний диаметр : 160,6
Диаметр центрирования [мм] : 90
Высота [мм] : 70
Толщина тормозного диска (мм) : 28
Минимальная толщина [мм] : 24,5
Количество отверстий : 5
Размер резьбы : 17,5
Количество отверстий 1 : 1
Расстояние между отверст. 1 [мм] : 130
Вес [кг] : 9,3
Ø фаски [мм] : 130
|
|
Тормозной диск
ROTINGER RT 4552-GL T5
Тип тормозного диска : перфорированный
Тип тормозного диска : вентилируемый
Поверхность : с гальваническим покрытием
Сторона установки : передний мост
Наружный диаметр [мм] : 302
Внутренний диаметр : 160,6
Диаметр центрирования [мм] : 90
Высота [мм] : 70
Толщина тормозного диска (мм) : 28
Минимальная толщина [мм] : 24,5
Количество отверстий : 5
Размер резьбы : 17,5
Количество отверстий 1 : 1
Расстояние между отверст. 1 [мм] : 130
Вес [кг] : 9,3
Ø фаски [мм] : 130
|
|
Тормозной диск
ROTINGER RT 4552-GL T6
Тип тормозного диска : вентилируемый
Поверхность : с гальваническим покрытием
Сторона установки : передний мост
Наружный диаметр [мм] : 302
Внутренний диаметр : 160,6
Диаметр центрирования [мм] : 90
Высота [мм] : 70
Толщина тормозного диска (мм) : 28
Минимальная толщина [мм] : 24,5
Количество отверстий : 5
Размер резьбы : 17,5
Количество отверстий 1 : 1
Расстояние между отверст. 1 [мм] : 130
Вес [кг] : 9,3
Ø фаски [мм] : 130
|
|
Тормозной диск
ROTINGER RT 4552-GL T9
Тип тормозного диска : вентилируемый
Поверхность : с гальваническим покрытием
Сторона установки : передний мост
Наружный диаметр [мм] : 302
Внутренний диаметр : 160,6
Диаметр центрирования [мм] : 90
Высота [мм] : 70
Толщина тормозного диска (мм) : 28
Минимальная толщина [мм] : 24,5
Количество отверстий : 5
Размер резьбы : 17,5
Количество отверстий 1 : 1
Расстояние между отверст. 1 [мм] : 130
Вес [кг] : 9,3
Ø фаски [мм] : 130
|
|
Тормозной диск
ROTINGER RT 4562
Тип тормозного диска : цельный
Сторона установки : Задний мост
Наружный диаметр [мм] : 304,9
Внутренний диаметр : 165
Диаметр центрирования [мм] : 90
Высота [мм] : 71,5
Толщина тормозного диска (мм) : 12
Минимальная толщина [мм] : 10
Количество отверстий : 5
Размер резьбы : 15,5
Количество отверстий 1 : 1
Расстояние между отверст. 1 [мм] : 130
Вес [кг] : 6,4
Ø фаски [мм] : 130
|
|
Тормозной диск
ROTINGER RT 4562-GL
Тип тормозного диска : цельный
Поверхность : с гальваническим покрытием
Сторона установки : Задний мост
Наружный диаметр [мм] : 304,9
Внутренний диаметр : 165
Диаметр центрирования [мм] : 90
Высота [мм] : 71,5
Толщина тормозного диска (мм) : 12
Минимальная толщина [мм] : 10
Количество отверстий : 5
Размер резьбы : 15,5
Количество отверстий 1 : 1
Расстояние между отверст. 1 [мм] : 130
Вес [кг] : 6,4
Ø фаски [мм] : 130
|
|
Тормозной диск
ROTINGER RT 4562-GL T3
Тип тормозного диска : перфорированный
Тип тормозного диска : цельный
Поверхность : с гальваническим покрытием
Сторона установки : Задний мост
Наружный диаметр [мм] : 304,9
Внутренний диаметр : 165
Диаметр центрирования [мм] : 90
Высота [мм] : 71,5
Толщина тормозного диска (мм) : 12
Минимальная толщина [мм] : 10
Количество отверстий : 5
Размер резьбы : 15,5
Количество отверстий 1 : 1
Расстояние между отверст. 1 [мм] : 130
Вес [кг] : 6,4
Ø фаски [мм] : 130
|
|
Тормозной диск
ROTINGER RT 4562-GL T5
Тип тормозного диска : цельный
Тип тормозного диска : перфорированный
Поверхность : с гальваническим покрытием
Сторона установки : Задний мост
Наружный диаметр [мм] : 304,9
Внутренний диаметр : 165
Диаметр центрирования [мм] : 90
Высота [мм] : 71,5
Толщина тормозного диска (мм) : 12
Минимальная толщина [мм] : 10
Количество отверстий : 5
Размер резьбы : 15,5
Количество отверстий 1 : 1
Расстояние между отверст. 1 [мм] : 130
Вес [кг] : 6,4
Ø фаски [мм] : 130
|
|
Тормозной диск
ROTINGER RT 4562-GL T6
Тип тормозного диска : цельный
Поверхность : с гальваническим покрытием
Сторона установки : Задний мост
Наружный диаметр [мм] : 304,9
Внутренний диаметр : 165
Диаметр центрирования [мм] : 90
Высота [мм] : 71,5
Толщина тормозного диска (мм) : 12
Минимальная толщина [мм] : 10
Количество отверстий : 5
Размер резьбы : 15,5
Количество отверстий 1 : 1
Расстояние между отверст. 1 [мм] : 130
Вес [кг] : 6,4
Ø фаски [мм] : 130
|
|
Тормозной диск
ROTINGER RT 4562-GL T9
Тип тормозного диска : цельный
Поверхность : с гальваническим покрытием
Сторона установки : Задний мост
Наружный диаметр [мм] : 304,9
Внутренний диаметр : 165
Диаметр центрирования [мм] : 90
Высота [мм] : 71,5
Толщина тормозного диска (мм) : 12
Минимальная толщина [мм] : 10
Количество отверстий : 5
Размер резьбы : 15,5
Количество отверстий 1 : 1
Расстояние между отверст. 1 [мм] : 130
Вес [кг] : 6,4
Ø фаски [мм] : 130
|
|
Тормозной диск
SAMKO O1037P
Минимальная толщина [мм] : 10
Высота [мм] : 71,5
Наружный диаметр [мм] : 305
Толщина тормозного диска (мм) : 12
Тип тормозного диска : цельный
Диаметр центрирования [мм] : 90
Количество отверстий : 5
|
|
Тормозной диск
SAMKO O1037PR
Наружный диаметр [мм] : 305
Поверхность : с покрытием
Диаметр центрирования [мм] : 90
Количество отверстий : 5
Минимальная толщина [мм] : 10
Толщина тормозного диска (мм) : 12
Высота [мм] : 71,5
Тип тормозного диска : цельный
|
|
Тормозной диск
SAMKO R1043V
Толщина тормозного диска (мм) : 28
Минимальная толщина [мм] : 24,5
Тип тормозного диска : вентилируемый
Наружный диаметр [мм] : 302
Количество отверстий : 5
Диаметр центрирования [мм] : 90
Высота [мм] : 70
|
|
Тормозной диск
SAMKO R1043VR
Толщина тормозного диска (мм) : 28
Диаметр центрирования [мм] : 90
Количество отверстий : 5
Поверхность : с покрытием
Тип тормозного диска : вентилируемый
Высота [мм] : 70
Наружный диаметр [мм] : 302
Минимальная толщина [мм] : 24,5
|
|
Тормозной диск
SASIC 6104023
Сторона установки : Задний мост
Тип тормозного диска : цельный
Наружный диаметр [мм] : 305
Толщина тормозного диска (мм) : 12
Высота [мм] : 71,5
Ø фаски [мм] : 90
Количество отверстий : 5
для оригинального номера : 432009822R
Дополнительный артикул / дополнительная информация 2 : без колесного подшипника
заменяется только попарно :
|
|
Тормозной диск
SASIC 6104037
Сторона установки : передний мост
Тип тормозного диска : вентилируемый
Наружный диаметр [мм] : 302
Толщина тормозного диска (мм) : 28
Высота [мм] : 69,8
Ø фаски [мм] : 90
Количество отверстий : 5
для оригинального номера : 8200688880
Дополнительный артикул / дополнительная информация 2 : без колесного подшипника
заменяется только попарно :
|
|
Тормозной диск
SKF VKBD 80035 V1
Тип тормозного диска : вентилируемый
Наружный диаметр [мм] : 302
Толщина тормозного диска (мм) : 28
Высота [мм] : 69,8
Ø фаски [мм] : 130
Диаметр центрирования [мм] : 90
Количество отверстий : 5
Поверхность : с покрытием
Минимальная толщина [мм] : 24,5
Число отверстий : 1
|
|
Тормозной диск
SKF VKBD 90048 S2
Тип тормозного диска : цельный
Наружный диаметр [мм] : 305
Толщина тормозного диска (мм) : 12
Высота [мм] : 71,5
Ø фаски [мм] : 130
Диаметр центрирования [мм] : 90
Количество отверстий : 5
Поверхность : с покрытием
Минимальная толщина [мм] : 10
Число отверстий : 1
|
|
Тормозной диск
Stark SKBD-0022315
Толщина тормозного диска (мм) : 28
Тип тормозного диска : вентилируемый
Наружный диаметр [мм] : 302
Сторона установки : передний мост
Минимальная толщина [мм] : 24,5
Высота [мм] : 69,8
Расположение/число отверстий : 05/06
Ø фаски [мм] : 130
Диаметр центрирования [мм] : 90
Внутренний диаметр : 161
Вес [кг] : 9,2
Дополнительный артикул / дополнительная информация 2 : без ступицы
Дополнительный артикул / дополнительная информация 2 : без колесной крепящей оси
Диаметр отверстия под шпильку колеса [мм] : 17,5
Поверхность : без покрытия
|
|
Тормозной диск
Stark SKBD-0022351
Толщина тормозного диска (мм) : 12
Тип тормозного диска : цельный
Минимальная толщина [мм] : 10
Высота [мм] : 71,5
Расположение/число отверстий : 05/06
Диаметр центрирования [мм] : 90
Вес [кг] : 6,4
Дополнительный артикул / дополнительная информация 2 : без ступицы
Дополнительный артикул / дополнительная информация 2 : без колесной крепящей оси
Ø фаски [мм] : 130
Внутренний диаметр : 167
Диаметр отверстия под шпильку колеса [мм] : 15,5
Наружный диаметр [мм] : 305
Поверхность : без покрытия
|
|
Тормозной диск
STELLOX 6020-1761-SX
Наружный диаметр [мм] : 305
Толщина тормозного диска (мм) : 12
Высота [мм] : 72
Диаметр центрирования [мм] : 90
Количество отверстий : 5
Минимальная толщина [мм] : 10
Тип тормозного диска : цельный
Сторона установки : Задний мост
|
|
Тормозной диск
STELLOX 6020-1761K-SX
Наружный диаметр [мм] : 305
Толщина тормозного диска (мм) : 12
Тип тормозного диска : цельный
Сторона установки : Задний мост
|
|
Тормозной диск
STELLOX 6020-1764-SX
Наружный диаметр [мм] : 302
Толщина тормозного диска (мм) : 28
Высота [мм] : 69,8
Диаметр центрирования [мм] : 90
Количество отверстий : 5
Минимальная толщина [мм] : 24,5
Тип тормозного диска : вентилируемый
Сторона установки : передний мост
|
|
Тормозной диск
STELLOX 6020-1764K-SX
Наружный диаметр [мм] : 302
Толщина тормозного диска (мм) : 28
Тип тормозного диска : цельный
Сторона установки : передний мост
|
|
Тормозной диск
SWAG 60 93 9346
Толщина тормозного диска (мм) : 28
Число отверстий в диске колеса : 5
Количество крепежных отверстий : 1
Толщина [мм] : 70
Наружный диаметр [мм] : 302
Ø фаски [мм] : 130
Поверхность : с покрытием
Тип тормозного диска : вентилируемый
Сторона установки : передний мост
Минимальная толщина [мм] : 24,5
Диаметр центрирования [мм] : 90
|
|
Тормозной диск
SWAG 60 94 0093
Толщина тормозного диска (мм) : 12
Число отверстий в диске колеса : 5
Количество крепежных отверстий : 1
Толщина [мм] : 71,5
Наружный диаметр [мм] : 305
Ø фаски [мм] : 130
Поверхность : с покрытием
Тип тормозного диска : цельный
Сторона установки : Задний мост
Минимальная толщина [мм] : 10
Диаметр центрирования [мм] : 90
|
|
Тормозной диск
TEXTAR 92228603
Тип тормозного диска : вентилируемый
Наружный диаметр [мм] : 302
Толщина тормозного диска (мм) : 28
Высота [мм] : 69,8
Минимальная толщина [мм] : 24,5
Поверхность : с покрытием
Внутренний диаметр : 161
Ø фаски [мм] : 130
Диаметр центрирования [мм] : 90
Расположение/число отверстий : 05/06
Диаметр отверстия под шпильку колеса [мм] : 17,5
Дополнительный артикул / дополнительная информация 2 : без ступицы
Дополнительный артикул / дополнительная информация 2 : без колесного подшипника
Дополнительный артикул / дополнительная информация 2 : без колесной крепящей оси
Длина упаковки [см] : 32,8
Ширина упаковки [см] : 32,8
Высота упаковки [см] : 17,9
Вес [кг] : 9,2
|
|
Тормозной диск
TEXTAR 92228700
Тип тормозного диска : цельный
Наружный диаметр [мм] : 305
Толщина тормозного диска (мм) : 12
Высота [мм] : 71,5
Минимальная толщина [мм] : 10
Внутренний диаметр : 167
Ø фаски [мм] : 130
Диаметр центрирования [мм] : 90
Расположение/число отверстий : 05/06
Диаметр отверстия под шпильку колеса [мм] : 15,5
Дополнительный артикул / дополнительная информация 2 : без ступицы
Дополнительный артикул / дополнительная информация 2 : без колесного подшипника
Дополнительный артикул / дополнительная информация 2 : без колесной крепящей оси
Длина упаковки [см] : 32,8
Ширина упаковки [см] : 32,8
Высота упаковки [см] : 17,9
Вес [кг] : 6,4
|
|
Тормозной диск
TOMEX Brakes TX 71-76
Сторона установки : Задний мост
Тип тормозного диска : цельный
Толщина тормозного диска (мм) : 12
Наружный диаметр [мм] : 305
Высота [мм] : 71,5
Количество отверстий : 5
Диаметр центрирования [мм] : 90
Ø фаски [мм] : 130
Поверхность : лакированный
Вес [кг] : 13,65
Минимальная толщина [мм] : 10
|
|
Тормозной диск
TOMEX Brakes TX 72-46
Сторона установки : передний мост
Тип тормозного диска : вентилируемый
Толщина тормозного диска (мм) : 28
Наружный диаметр [мм] : 302
Высота [мм] : 69,8
Количество отверстий : 5
Диаметр центрирования [мм] : 90
Ø фаски [мм] : 130
Поверхность : лакированный
Вес [кг] : 19,5
Минимальная толщина [мм] : 24,5
|
|
Тормозной диск
TOPRAN 208 235
Сторона установки : передний мост
Тип тормозного диска : вентилируемый
Поверхность : с покрытием
Наружный диаметр [мм] : 302
Диаметр ступицы [мм] : 160,5
Диаметр центрирования [мм] : 90
Толщина тормозного диска (мм) : 28
Высота [мм] : 69,8
Ø фаски [мм] : 130
Число отверстий в диске колеса : 5
заменяется только попарно :
|
|
Тормозной диск
TOPRAN 208 236
Сторона установки : Задний мост
Тип тормозного диска : цельный
Поверхность : с покрытием
Наружный диаметр [мм] : 305
Диаметр ступицы [мм] : 179,2
Диаметр центрирования [мм] : 90
Толщина тормозного диска (мм) : 12
Высота [мм] : 71,5
Число отверстий в диске колеса : 5
Ø фаски [мм] : 130
заменяется только попарно :
|
|
Тормозной диск
TRISCAN 8120 24167C
Наружный диаметр [мм] : 302
Диаметр центрирования [мм] : 90
Тип тормозного диска : вентилируемый
Высота [мм] : 70
Количество отверстий : 5
Толщина тормозного диска (мм) : 28
Минимальная толщина [мм] : 24,5
|
|
Тормозной диск
TRISCAN 8120 24168C
Наружный диаметр [мм] : 305
Диаметр центрирования [мм] : 90
Тип тормозного диска : цельный
Высота [мм] : 71,5
Количество отверстий : 5
Толщина тормозного диска (мм) : 12
Минимальная толщина [мм] : 10
|
|
Тормозной диск
TRUSTING DF1459
проверочное значение : ECE-R90
Высота [мм] : 70
Тип тормозного диска : вентилируемый
Толщина тормозного диска (мм) : 28
Наружный диаметр [мм] : 302
Количество отверстий : 5
Диаметр центрирования [мм] : 90
Поверхность : лакированный
|
|
Тормозной диск
TRUSTING DF1476
проверочное значение : ECE-R90
Высота [мм] : 71,5
Тип тормозного диска : цельный
Толщина тормозного диска (мм) : 12
Наружный диаметр [мм] : 305
Количество отверстий : 5
Диаметр центрирования [мм] : 90
Поверхность : лакированный
|
|
Тормозной диск
TRUSTING DF1477
проверочное значение : ECE-R90
Высота [мм] : 73,3
Тип тормозного диска : цельный
Толщина тормозного диска (мм) : 12
Наружный диаметр [мм] : 305
Количество отверстий : 5
Диаметр центрирования [мм] : 91
Поверхность : лакированный
|
|
Тормозной диск
TRUSTING DF1478
проверочное значение : ECE-R90
Высота [мм] : 51
Тип тормозного диска : цельный
Толщина тормозного диска (мм) : 18
Наружный диаметр [мм] : 302
Количество отверстий : 8
Диаметр центрирования [мм] : 120
Поверхность : лакированный
|
|
Тормозной диск
TRW DF6120
Тип тормозного диска : цельный
Наружный диаметр [мм] : 305
Толщина тормозного диска (мм) : 12
Минимальная толщина [мм] : 10
Высота [мм] : 71,5
Количество отверстий : 5
Диаметр центрирования [мм] : 90
Ø фаски [мм] : 130
Размер резьбы : 15,5
Цвет : чёрный
Поверхность : лакированный
проверочное значение : E1 90R 02 C0190-0599
SVHC : Нет информации, обратитесь, пожалуйста, к производителю!
|
|
Тормозной диск
TRW DF6131S
Тип тормозного диска : вентилируемый
Наружный диаметр [мм] : 302
Толщина тормозного диска (мм) : 28
Минимальная толщина [мм] : 24,5
Количество отверстий : 5
Высота [мм] : 69,8
Диаметр центрирования [мм] : 90
Ø фаски [мм] : 130
Размер резьбы : 17,5
Цвет : чёрный
Поверхность : лакированный
Обработка : Высокоуглеродистый
проверочное значение : E1 90R-02 C0176/0642
SVHC : Нет информации, обратитесь, пожалуйста, к производителю!
|
|
Тормозной диск
TRW DF6179
Тип тормозного диска : цельный
Количество отверстий : 5
Наружный диаметр [мм] : 305
Диаметр центрирования [мм] : 90
Высота [мм] : 71,4
Толщина тормозного диска (мм) : 12
Минимальная толщина [мм] : 10
Ø фаски [мм] : 130
Цвет : чёрный
Поверхность : лакированный
проверочное значение : E190R-02C0190/0599
SVHC : Нет информации, обратитесь, пожалуйста, к производителю!
|
|
Тормозной диск
VAICO V46-40018
Высота ступицы тормозного диска [мм] : 59,4
Сторона установки : Задний мост
Диаметр центрирования [мм] : 90
Число отверстий в диске колеса : 5
Высота [мм] : 71,4
Тип тормозного диска : цельный
Толщина тормозного диска (мм) : 12
Минимальная толщина [мм] : 10
Наружный диаметр [мм] : 305
Ø фаски [мм] : 130
|
|
Тормозной диск
ZEKKERT BS-5632
Тип тормозного диска : цельный
Наружный диаметр [мм] : 305
Высота [мм] : 72
Толщина тормозного диска (мм) : 12
Минимальная толщина [мм] : 10
Количество отверстий : 6
Диаметр центрирования [мм] : 90
Диаметр расположения крепёжных отверстий ступицы [мм] : 130
Номера артикулов рекомендуемых комплектующих : CP-1105
Номера артикулов рекомендуемых комплектующих : CP-1205
Номера артикулов рекомендуемых комплектующих : CP-1305
Номера артикулов рекомендуемых комплектующих : CP-1965
Номера артикулов рекомендуемых комплектующих : FK-2005
Номера артикулов рекомендуемых комплектующих : FK-2010
Вес [кг] : 6,95
|
|
Тормозной диск
ZEKKERT BS-5632B
Тип тормозного диска : цельный
Наружный диаметр [мм] : 305
Высота [мм] : 72
Толщина тормозного диска (мм) : 12
Минимальная толщина [мм] : 10
Количество отверстий : 6
Диаметр центрирования [мм] : 90
Поверхность : лакированный
Диаметр расположения крепёжных отверстий ступицы [мм] : 130
Номера артикулов рекомендуемых комплектующих : CP-1105
Номера артикулов рекомендуемых комплектующих : CP-1205
Номера артикулов рекомендуемых комплектующих : CP-1305
Номера артикулов рекомендуемых комплектующих : CP-1965
Номера артикулов рекомендуемых комплектующих : FK-2005
Номера артикулов рекомендуемых комплектующих : FK-2010
Вес [кг] : 6,69
|
|
Тормозной диск
ZEKKERT BS-5872
Тип тормозного диска : вентилируемый
Наружный диаметр [мм] : 302
Высота [мм] : 70
Толщина тормозного диска (мм) : 28
Минимальная толщина [мм] : 24,5
Количество отверстий : 6
Диаметр центрирования [мм] : 90
Диаметр расположения крепёжных отверстий ступицы [мм] : 130
Номера артикулов рекомендуемых комплектующих : CP-1105
Номера артикулов рекомендуемых комплектующих : CP-1205
Номера артикулов рекомендуемых комплектующих : CP-1305
Номера артикулов рекомендуемых комплектующих : CP-1965
Номера артикулов рекомендуемых комплектующих : FK-2005
Номера артикулов рекомендуемых комплектующих : FK-2010
Вес [кг] : 9,98
|
|
Тормозной диск
ZIMMERMANN 430.2625.20
Сторона установки : передний мост
Тип тормозного диска : вентилируемый
Обработка : Высокоуглеродистый
Поверхность : с покрытием
Наружный диаметр [мм] : 302
Толщина тормозного диска (мм) : 28
Высота [мм] : 70
Число отверстий в диске колеса : 5
Ø фаски [мм] : 130
Диаметр центрирования [мм] : 90
проверочное значение : ECE R90 APPROVED
Вид допуска : допущено для автомобилей класса M1/N1
Минимальная толщина [мм] : 24,5
Расположение/число отверстий : 6/5
Вес [кг] : 9,3
|
|
Тормозной диск
ZIMMERMANN 430.2627.20
Сторона установки : Задний мост
Тип тормозного диска : цельный
Поверхность : с покрытием
Наружный диаметр [мм] : 305
Толщина тормозного диска (мм) : 12
Высота [мм] : 72
Число отверстий в диске колеса : 5
Ø фаски [мм] : 130
Диаметр центрирования [мм] : 90
проверочное значение : ECE R90 APPROVED
Вид допуска : допущено для автомобилей класса M1/N1
Минимальная толщина [мм] : 10,5
Расположение/число отверстий : 6/5
Вес [кг] : 6,4
|