|
Изображение |
Описание |
|
Тормозной диск
A.B.S. 16113
Наружный диаметр [мм] : 296
Толщина тормозного диска (мм) : 28
Минимальная толщина [мм] : 25
Высота [мм] : 58,5
Число отверстий в диске колеса : 5
Тип тормозного диска : вентилируемый
Диаметр центрирования [мм] : 70
Ø фаски [мм] : 110
Диаметр ступицы [мм] : 150
|
|
Тормозной диск
A.B.S. 17147
Наружный диаметр [мм] : 286
Толщина тормозного диска (мм) : 20
Минимальная толщина [мм] : 18
Высота [мм] : 69,5
Число отверстий в диске колеса : 5
Тип тормозного диска : вентилируемый
Диаметр центрирования [мм] : 65
Ø фаски [мм] : 110
Поверхность : с покрытием
Диаметр ступицы [мм] : 169
|
|
Тормозной диск
A.B.S. 16264
Наружный диаметр [мм] : 286
Толщина тормозного диска (мм) : 12
Минимальная толщина [мм] : 10
Высота [мм] : 69,3
Число отверстий в диске колеса : 5
Тип тормозного диска : цельный
Диаметр центрирования [мм] : 65,5
Ø фаски [мм] : 110
Поверхность : с покрытием
Диаметр ступицы [мм] : 169
|
|
Тормозной диск
ABE C3X016ABE
Толщина [мм] : 28
Высота [мм] : 58,3
Тип тормозного диска : вентилируемый
Толщина тормозного диска (мм) : 28
Минимальная толщина [мм] : 25
Обработка : Высокоуглеродистый
Количество отверстий : 5
Диаметр центрирования [мм] : 70
Сторона установки : передний мост
Наружный диаметр [мм] : 296
|
|
Тормозной диск
ABE C4X007ABE
Толщина [мм] : 12
Высота [мм] : 67
Тип тормозного диска : цельный
Толщина тормозного диска (мм) : 12
Минимальная толщина [мм] : 10
Количество отверстий : 5
Диаметр центрирования [мм] : 65,5
Сторона установки : Задний мост
Наружный диаметр [мм] : 286
|
|
Тормозной диск
AIC 53621
Сторона установки : передний мост слева
Сторона установки : передний мост справа
Количество отверстий : 5
Ø фаски [мм] : 110
Тип тормозного диска : вентилируемый
Наружный диаметр [мм] : 296
Толщина тормозного диска (мм) : 28
заменяется только попарно :
Вид допуска : C сертификатом ЕЭК
Гарантия : 5 лет гарантии или до 75 тыс. км
|
|
Тормозной диск
AIC 53624
Сторона установки : Задний мост слева
Сторона установки : Задний мост справа
Количество отверстий : 5
Ø фаски [мм] : 110
Тип тормозного диска : цельный
Наружный диаметр [мм] : 286
Толщина тормозного диска (мм) : 12
заменяется только попарно :
Гарантия : 5 лет гарантии или до 75 тыс. км
|
|
Тормозной диск
AP 24455
Тип тормозного диска : вентилируемый
Обработка : Высокоуглеродистый
Наружный диаметр [мм] : 296
Диаметр центрирования [мм] : 70
Толщина тормозного диска (мм) : 28
Количество отверстий : 5
Минимальная толщина [мм] : 25
Момент затяжки [Нм] : 110
Высота [мм] : 58
|
|
Тормозной диск
AP 24455 V
Обработка : Высокоуглеродистый
Наружный диаметр [мм] : 296
Диаметр центрирования [мм] : 70
Толщина тормозного диска (мм) : 28
Количество отверстий : 5
Минимальная толщина [мм] : 25
Момент затяжки [Нм] : 110
Высота [мм] : 58
Поверхность : с покрытием
Тип тормозного диска : вентилируемый
|
|
Тормозной диск
AP 14508
Диаметр центрирования [мм] : 66
Наружный диаметр [мм] : 286
Количество отверстий : 5
Толщина тормозного диска (мм) : 12
Момент затяжки [Нм] : 110
Минимальная толщина [мм] : 10
Высота [мм] : 67
Тип тормозного диска : цельный
|
|
Тормозной диск
ASHIKA 60-00-0427C
Сторона установки : передний мост
Наружный диаметр [мм] : 296
Тип тормозного диска : вентилируемый
Толщина тормозного диска (мм) : 28
Минимальная толщина [мм] : 25
Количество отверстий : 5
Момент затяжки [Нм] : 10
Поверхность : лакированный
Цвет : чёрный
для оригинального номера : 5690016
|
|
Тормозной диск
ATE 24.0112-0131.1
Наружный диаметр [мм] : 286
Толщина тормозного диска (мм) : 12
Минимальная толщина [мм] : 10
Тип тормозного диска : цельный
Количество отверстий : 5
Поверхность : с покрытием
Код MAPP в наличии :
Ø фаски [мм] : 110
Высота [мм] : 69,5
Диаметр центрирования [мм] : 65,5
Внутренний диаметр : 160
Диаметр отверстия [мм] : 14
проверочное значение : E1 90R-02C0248/0737
|
|
Тормозной диск
ATE 24.0120-0171.1
Наружный диаметр [мм] : 286
Толщина тормозного диска (мм) : 20
Минимальная толщина [мм] : 18
Тип тормозного диска : вентилируемый
Количество отверстий : 5
Поверхность : с покрытием
Код MAPP в наличии :
Ø фаски [мм] : 110
Высота [мм] : 67
Диаметр центрирования [мм] : 65,5
Внутренний диаметр : 160
Диаметр отверстия [мм] : 14
|
|
Тормозной диск
ATE 24.0128-0104.1
Наружный диаметр [мм] : 296
Толщина тормозного диска (мм) : 28
Минимальная толщина [мм] : 25
Тип тормозного диска : вентилируемый
Обработка : легированный/высокоуглеродистый
Поверхность : с покрытием
Количество отверстий : 5
Дополнительный артикул / дополнительная информация 2 : с винтами
Код MAPP в наличии :
Ø фаски [мм] : 110
Высота [мм] : 58,4
Диаметр центрирования [мм] : 70
Внутренний диаметр : 139
Диаметр отверстия [мм] : 14
проверочное значение : E1 90R-02C0115/0035
|
|
Тормозной диск
BARUM BAR12131
Наружный диаметр [мм] : 286
Толщина тормозного диска (мм) : 12
Минимальная толщина [мм] : 10
Тип тормозного диска : цельный
Количество отверстий : 5
Ø фаски [мм] : 110
Высота [мм] : 69,4
Диаметр центрирования [мм] : 65,5
Внутренний диаметр : 160
Диаметр отверстия [мм] : 14,3
|
|
Тормозной диск
BARUM BAR20171
Наружный диаметр [мм] : 286
Толщина тормозного диска (мм) : 20
Минимальная толщина [мм] : 18
Тип тормозного диска : вентилируемый
Количество отверстий : 5
Ø фаски [мм] : 110
Высота [мм] : 67
Диаметр центрирования [мм] : 65,5
Внутренний диаметр : 160
Диаметр отверстия [мм] : 14,1
|
|
Тормозной диск
BARUM BAR28104
Наружный диаметр [мм] : 296
Толщина тормозного диска (мм) : 28
Минимальная толщина [мм] : 25
Тип тормозного диска : вентилируемый
Количество отверстий : 5
Ø фаски [мм] : 110
Высота [мм] : 58,5
Диаметр центрирования [мм] : 70
Внутренний диаметр : 139
Диаметр отверстия [мм] : 14
|
|
Тормозной диск
BLUE PRINT ADW194322
Толщина тормозного диска (мм) : 28
Число отверстий в диске колеса : 5
Количество крепежных отверстий : 1
Толщина [мм] : 58
Наружный диаметр [мм] : 296
Ø фаски [мм] : 110
Поверхность : с покрытием
Тип тормозного диска : вентилируемый
Сторона установки : передний мост
Минимальная толщина [мм] : 25
Диаметр центрирования [мм] : 70
Соблюдать сервисную информацию :
|
|
Тормозной диск
BLUE PRINT ADW194341
Толщина тормозного диска (мм) : 12
Число отверстий в диске колеса : 5
Толщина [мм] : 69
Наружный диаметр [мм] : 286
Ø фаски [мм] : 110
Поверхность : с покрытием
Тип тормозного диска : цельный
Сторона установки : Задний мост
Минимальная толщина [мм] : 10
Диаметр центрирования [мм] : 65,5
Соблюдать сервисную информацию :
|
|
Тормозной диск
BOGAP L8211113
Сторона установки : Задний мост
Тип тормозного диска : цельный
Толщина тормозного диска (мм) : 12
Наружный диаметр [мм] : 285
|
|
Тормозной диск
BOGAP L8211137
Сторона установки : передний мост
Тип тормозного диска : вентилируемый
Толщина тормозного диска (мм) : 28
Наружный диаметр [мм] : 296
|
|
Тормозной диск
BORG & BECK BBD4530
Тип тормозного диска : вентилируемый
Наружный диаметр [мм] : 286
Толщина тормозного диска (мм) : 20
Высота [мм] : 69,5
Диаметр центрирования [мм] : 65,5
Количество отверстий : 5
Количественная единица : комплект
Поверхность : с покрытием
проверочное значение : ECE R90 Homologated
Минимальная толщина [мм] : 18
|
|
Тормозной диск
BORG & BECK BBD4959
Тип тормозного диска : вентилируемый
Наружный диаметр [мм] : 296
Толщина тормозного диска (мм) : 28
Высота [мм] : 58,5
Диаметр центрирования [мм] : 70
Количество отверстий : 5
Количественная единица : комплект
Поверхность : с покрытием
проверочное значение : ECE R90 Homologated
Минимальная толщина [мм] : 25
|
|
Тормозной диск
BORG & BECK BBD5057
Тип тормозного диска : цельный
Наружный диаметр [мм] : 286
Толщина тормозного диска (мм) : 12
Высота [мм] : 70
Диаметр центрирования [мм] : 66
Количество отверстий : 5
Количественная единица : комплект
Поверхность : с покрытием
проверочное значение : ECE R90 Homologated
Минимальная толщина [мм] : 10
|
|
Тормозной диск
BOSCH 0 986 478 593
Наружный диаметр [мм] : 296
Толщина тормозного диска (мм) : 28
Минимальная толщина [мм] : 25
Высота [мм] : 58,3
Ø фаски [мм] : 110
Тип тормозного диска : вентилируемый
Диаметр центрирования [мм] : 70
Количество отверстий : 5
Поверхность : промасленный
Обработка : легированный/высокоуглеродистый
выполняет нормы ЕЭК : ECE-R90
Диаметр отверстия до [мм] : 14,2
|
|
Тормозной диск
BOSCH 0 986 478 609
Наружный диаметр [мм] : 286
Толщина тормозного диска (мм) : 12
Минимальная толщина [мм] : 10
Высота [мм] : 69,2
Ø фаски [мм] : 110
Тип тормозного диска : цельный
Диаметр центрирования [мм] : 65,5
Количество отверстий : 5
Поверхность : промасленный
выполняет нормы ЕЭК : ECE-R90
Диаметр отверстия до [мм] : 14,2
|
|
Тормозной диск
BOSCH 0 986 479 394
Наружный диаметр [мм] : 285,9
Толщина тормозного диска (мм) : 20
Минимальная толщина [мм] : 18
Высота [мм] : 69,3
Ø фаски [мм] : 110
Тип тормозного диска : вентилируемый
Диаметр центрирования [мм] : 65,5
Количество отверстий : 5
Поверхность : промасленный
Диаметр отверстия до [мм] : 14,4
|
|
Тормозной диск
BRECO BS 8126
Тип тормозного диска : вентилируемый
Обработка : Высокоуглеродистый
Наружный диаметр [мм] : 296
Диаметр центрирования [мм] : 70
Толщина тормозного диска (мм) : 28
Количество отверстий : 5
Минимальная толщина [мм] : 25
Момент затяжки [Нм] : 110
Высота [мм] : 58
|
|
Тормозной диск
BRECO BV 8126
Минимальная толщина [мм] : 25
Момент затяжки [Нм] : 110
Высота [мм] : 58
Поверхность : с покрытием
Тип тормозного диска : вентилируемый
Обработка : Высокоуглеродистый
Наружный диаметр [мм] : 296
Диаметр центрирования [мм] : 70
Толщина тормозного диска (мм) : 28
Количество отверстий : 5
|
|
Тормозной диск
BRECO BS 7492
Высота [мм] : 67
Тип тормозного диска : цельный
Диаметр центрирования [мм] : 66
Наружный диаметр [мм] : 286
Количество отверстий : 5
Толщина тормозного диска (мм) : 12
Момент затяжки [Нм] : 110
Минимальная толщина [мм] : 10
|
|
Тормозной диск
BREMBO 09.5749.10
Тип тормозного диска : вентилируемый
Толщина тормозного диска (мм) : 28
Количество отверстий : 5
Высота [мм] : 58
Диаметр центрирования [мм] : 70
Наружный диаметр [мм] : 296
Обработка : Высокоуглеродистый
Минимальная толщина [мм] : 25
Момент затяжки [Нм] : 110
|
|
Тормозной диск
BREMBO 09.5749.11
Тип тормозного диска : вентилируемый
Толщина тормозного диска (мм) : 28
Количество отверстий : 5
Высота [мм] : 58
Диаметр центрирования [мм] : 70
Наружный диаметр [мм] : 296
Обработка : Высокоуглеродистый
Поверхность : с покрытием
Минимальная толщина [мм] : 25
Момент затяжки [Нм] : 110
|
|
Тормозной диск
BREMBO 08.5891.10
Тип тормозного диска : цельный
Толщина тормозного диска (мм) : 12
Количество отверстий : 5
Высота [мм] : 67
Диаметр центрирования [мм] : 66
Наружный диаметр [мм] : 286
Минимальная толщина [мм] : 10
Момент затяжки [Нм] : 110
|
|
Тормозной диск
BREMSI CD6330V
Сторона установки : передний мост
Наружный диаметр [мм] : 296
Тип тормозного диска : вентилируемый
Толщина тормозного диска (мм) : 28
Минимальная толщина [мм] : 25
Количество отверстий : 5
Момент затяжки [Нм] : 10
Поверхность : лакированный
Цвет : чёрный
|
|
Тормозной диск
BREMSI CD6698S
Сторона установки : Задний мост
Наружный диаметр [мм] : 286
Высота [мм] : 67
Тип тормозного диска : цельный
Толщина тормозного диска (мм) : 12
Минимальная толщина [мм] : 10
Количество отверстий : 5
Диаметр центрирования [мм] : 65,5
Момент затяжки [Нм] : 110
Поверхность : лакированный
Цвет : чёрный
|
|
Тормозной диск
BREMSI CD7366V
Сторона установки : Задний мост
Наружный диаметр [мм] : 286
Высота [мм] : 61
Тип тормозного диска : вентилируемый
Толщина тормозного диска (мм) : 20
Минимальная толщина [мм] : 18
Количество отверстий : 5
Диаметр центрирования [мм] : 65,5
Поверхность : лакированный
Цвет : чёрный
|
|
Тормозной диск
BSG BSG 65-210-046
Диаметр [мм] : 296
Высота [мм] : 58
Вес [кг] : 8
Тип тормозного диска : вентилируемый
Толщина тормозного диска (мм) : 28
Минимальная толщина [мм] : 25
Количество отверстий : 5
Диаметр центрирования [мм] : 70
Момент затяжки [Нм] : 110
Поверхность : с покрытием
Количественная единица : Штука
Дополнительный артикул / дополнительная информация 2 : без винтов
Сторона установки : передний мост
Наружный диаметр [мм] : 240
|
|
Тормозной диск
CAR 142.514
Сторона установки : 1-й задний мост
Тип тормозного диска : цельный
Наружный диаметр [мм] : 286
Толщина тормозного диска (мм) : 12
Высота [мм] : 67
Диаметр центрирования [мм] : 65,5
Количество отверстий : 5
для артикула № : CAR: 142.514
для артикула № : IB: OP 27 1P
для артикула № : RD: 3198
проверочное значение : ECE R90 APPROVED
Минимальная толщина [мм] : 10
Вес [кг] : 5,27
|
|
Тормозной диск
CAR 142.516
Сторона установки : 1-й передний мост
Тип тормозного диска : цельный
Наружный диаметр [мм] : 296
Толщина тормозного диска (мм) : 28
Высота [мм] : 58,4
Диаметр центрирования [мм] : 70
Количество отверстий : 5
для артикула № : CAR: 142.516
для артикула № : IB: OP 29 1V
для артикула № : RD: 3114
проверочное значение : ECE R90 APPROVED
Минимальная толщина [мм] : 25
Вес [кг] : 7,64
|
|
Тормозной диск
CAR HPD 514
Сторона установки : 1-й задний мост
Тип тормозного диска : цельный
Наружный диаметр [мм] : 286
Толщина тормозного диска (мм) : 12
Высота [мм] : 67
Диаметр центрирования [мм] : 65,5
Количество отверстий : 5
для артикула № : CAR: HPD 514
для артикула № : IB: HOP 27 1P
для артикула № : RD: RR 3198
проверочное значение : ECE R90 APPROVED
Минимальная толщина [мм] : 10
Вес [кг] : 5,11
|
|
Тормозной диск
CAR HPD 516
Сторона установки : 1-й передний мост
Тип тормозного диска : цельный
Наружный диаметр [мм] : 296
Толщина тормозного диска (мм) : 28
Высота [мм] : 58,4
Диаметр центрирования [мм] : 70
Количество отверстий : 5
для артикула № : CAR: HPD 516
для артикула № : IB: HOP 29 1V
для артикула № : RD: RR 3114
проверочное значение : ECE R90 APPROVED
Минимальная толщина [мм] : 25
Вес [кг] : 7,41
|
|
Тормозной диск
CIFAM 800-441
проверочное значение : ECE-R90
Высота [мм] : 58,3
Тип тормозного диска : вентилируемый
Толщина тормозного диска (мм) : 28
Наружный диаметр [мм] : 296
Количество отверстий : 5
Диаметр центрирования [мм] : 70
|
|
Тормозной диск
COMLINE ADC1118V
Тип тормозного диска : вентилируемый
Наружный диаметр [мм] : 296
Толщина тормозного диска (мм) : 27,8
Высота [мм] : 58,5
Ø фаски [мм] : 110
Диаметр центрирования [мм] : 70,1
Количество отверстий : 5
Минимальная толщина [мм] : 25
Число отверстий : 1
|
|
Тормозной диск
COMLINE ADC1128
Тип тормозного диска : цельный
Наружный диаметр [мм] : 286
Толщина тормозного диска (мм) : 11,9
Высота [мм] : 67
Ø фаски [мм] : 110
Диаметр центрирования [мм] : 65,5
Количество отверстий : 5
Минимальная толщина [мм] : 10
Число отверстий : 2
|
|
Тормозной диск
CWORKS C210R0036
Сторона установки : передний мост
Тип тормозного диска : вентилируемый
Толщина тормозного диска (мм) : 24
Ø фаски [мм] : 100
Количество отверстий : 4
Высота [мм] : 41
Диаметр центрирования [мм] : 60
Наружный диаметр [мм] : 256
|
|
Тормозной диск
DANAHER DR10165
Сторона установки : Задний мост
Тип тормозного диска : цельный
Толщина тормозного диска (мм) : 12
Наружный диаметр [мм] : 286
Высота [мм] : 69,3
Количество отверстий : 5
Диаметр центрирования [мм] : 65,6
|
|
Тормозной диск
DANAHER DR11140
Сторона установки : передний мост
Тип тормозного диска : вентилируемый
Толщина тормозного диска (мм) : 27,8
Наружный диаметр [мм] : 296
Высота [мм] : 58,5
Количество отверстий : 5
Диаметр центрирования [мм] : 70,1
|
|
Тормозной диск
DANAHER DR11698
Сторона установки : Задний мост
Тип тормозного диска : вентилируемый
Толщина тормозного диска (мм) : 20
Наружный диаметр [мм] : 286
Высота [мм] : 69,3
Количество отверстий : 5
Диаметр центрирования [мм] : 65,5
|
|
Тормозной диск
DELPHI BG2742
Тип тормозного диска : вентилируемый
Количество отверстий : 5
проверочное значение : E1 90R-02C0074/1085
Поверхность : промасленный
Наружный диаметр [мм] : 296
Толщина тормозного диска (мм) : 28
Минимальная толщина [мм] : 26
Диаметр центрирования [мм] : 70
Высота [мм] : 58,5
|
|
Тормозной диск
DELPHI BG2986
Тип тормозного диска : цельный
Количество отверстий : 5
проверочное значение : E1 90R-02C0100/1554
Поверхность : промасленный
Наружный диаметр [мм] : 285
Толщина тормозного диска (мм) : 12
Минимальная толщина [мм] : 10
Диаметр центрирования [мм] : 66
Высота [мм] : 70
|
|
Тормозной диск
DELPHI BG4043
Тип тормозного диска : вентилируемый
Количество отверстий : 5
Поверхность : промасленный
Наружный диаметр [мм] : 286
Толщина тормозного диска (мм) : 20
Минимальная толщина [мм] : 18
Диаметр центрирования [мм] : 65,5
Высота [мм] : 67
|
|
Тормозной диск
DENCKERMANN B130055
Минимальная толщина [мм] : 10
Тип тормозного диска : цельный
Диаметр отверстия [мм] : 14
Толщина тормозного диска (мм) : 12
Ø фаски [мм] : 110
Количество отверстий : 5
Внутренний диаметр : 160
Высота [мм] : 69,5
Диаметр центрирования [мм] : 65,5
Наружный диаметр [мм] : 286
|
|
Тормозной диск
DENCKERMANN B130247
Минимальная толщина [мм] : 25
Тип тормозного диска : вентилируемый
Диаметр отверстия [мм] : 14
Толщина тормозного диска (мм) : 28
Ø фаски [мм] : 110
Количество отверстий : 5
Внутренний диаметр : 139
Высота [мм] : 58,4
Диаметр центрирования [мм] : 70
Наружный диаметр [мм] : 296
|
|
Тормозной диск
DON PCD12862
Тип тормозного диска : вентилируемый
Наружный диаметр [мм] : 296
Толщина тормозного диска (мм) : 28
Высота [мм] : 58,5
Минимальная толщина [мм] : 25
Поверхность : с частичным покрытием
Внутренний диаметр : 139
Ø фаски [мм] : 110
Диаметр центрирования [мм] : 70,1
Расположение/число отверстий : 05/06
Диаметр отверстия под шпильку колеса [мм] : 14,3
Дополнительный артикул / дополнительная информация 2 : без ступицы
Дополнительный артикул / дополнительная информация 2 : без колесного подшипника
Дополнительный артикул / дополнительная информация 2 : без колесной крепящей оси
Длина упаковки [см] : 32
Ширина упаковки [см] : 32
Высота упаковки [см] : 14
Вес [кг] : 8
|
|
Тормозной диск
DON PCD20962
Тип тормозного диска : цельный
Наружный диаметр [мм] : 286
Толщина тормозного диска (мм) : 12
Высота [мм] : 69,3
Минимальная толщина [мм] : 10
Поверхность : с частичным покрытием
Внутренний диаметр : 160
Ø фаски [мм] : 110
Диаметр центрирования [мм] : 65,5
Расположение/число отверстий : 05/07
Диаметр отверстия под шпильку колеса [мм] : 14,2
Дополнительный артикул / дополнительная информация 2 : без ступицы
Дополнительный артикул / дополнительная информация 2 : без колесного подшипника
Дополнительный артикул / дополнительная информация 2 : без колесной крепящей оси
Длина упаковки [см] : 31,4
Ширина упаковки [см] : 31,4
Высота упаковки [см] : 15,9
Вес [кг] : 5,3
|
|
Тормозной диск
DON PCD21552
Тип тормозного диска : с внешней вентиляцией
Наружный диаметр [мм] : 286
Толщина тормозного диска (мм) : 20
Высота [мм] : 69,3
Минимальная толщина [мм] : 18
Поверхность : с частичным покрытием
Внутренний диаметр : 160
Ø фаски [мм] : 110
Диаметр центрирования [мм] : 65,5
Расположение/число отверстий : 05/07
Диаметр отверстия под шпильку колеса [мм] : 14,2
Дополнительный артикул / дополнительная информация 2 : без ступицы
Дополнительный артикул / дополнительная информация 2 : без колесного подшипника
Дополнительный артикул / дополнительная информация 2 : без колесной крепящей оси
Длина упаковки [см] : 31,4
Ширина упаковки [см] : 31,4
Высота упаковки [см] : 15,9
Вес [кг] : 5,8
|
|
Тормозной диск
DR!VE+ DP1010.11.1066
Сторона установки : передний мост
Высота [мм] : 58,3
Тип тормозного диска : вентилируемый
Толщина тормозного диска (мм) : 28
Минимальная толщина [мм] : 25
Число отверстий : 5
Наружный диаметр [мм] : 296
Диаметр центрирования [мм] : 70
|
|
Тормозной диск
DR!VE+ DP1010.11.1136
Сторона установки : Задний мост
Высота [мм] : 67
Тип тормозного диска : цельный
Толщина тормозного диска (мм) : 12
Минимальная толщина [мм] : 10
Число отверстий : 5
Наружный диаметр [мм] : 286
Диаметр центрирования [мм] : 65,5
|
|
Тормозной диск
DR!VE+ DP1010.11.1265
Сторона установки : Задний мост
Высота [мм] : 69,3
Тип тормозного диска : вентилируемый
Толщина тормозного диска (мм) : 20
Минимальная толщина [мм] : 18
Число отверстий : 5
Наружный диаметр [мм] : 286
Диаметр центрирования [мм] : 65,5
|
|
Тормозной диск
EBC Brakes D764
Тип тормозного диска : вентилируемый
Толщина тормозного диска (мм) : 26
Толщина тормозного диска (мм) : 28
Количество отверстий : 5
Высота [мм] : 59
Наружный диаметр [мм] : 296
Материал : Серый чугун
|
|
Тормозной диск
EBC Brakes D778
Тип тормозного диска : цельный
Толщина тормозного диска (мм) : 10
Толщина тормозного диска (мм) : 12
Количество отверстий : 5
Высота [мм] : 69
Наружный диаметр [мм] : 286
Материал : Серый чугун
|
|
Тормозной диск
EBC Brakes GD764
Тип тормозного диска : вентилируемый
Толщина тормозного диска (мм) : 26
Толщина тормозного диска (мм) : 28
Количество отверстий : 5
Высота [мм] : 59
Наружный диаметр [мм] : 296
Материал : Серый чугун
|
|
Тормозной диск
EBC Brakes USR764
Тип тормозного диска : вентилируемый
Толщина тормозного диска (мм) : 26
Толщина тормозного диска (мм) : 28
Количество отверстий : 5
Высота [мм] : 59
Наружный диаметр [мм] : 296
Материал : Серый чугун
|
|
Тормозной диск
EGT 410455EGT
Число отверстий в диске колеса : 5
Высота [мм] : 69,3
Тип тормозного диска : цельный
Толщина тормозного диска (мм) : 12
Минимальная толщина [мм] : 10
Наружный диаметр [мм] : 286
Диаметр центрирования [мм] : 65,5
Ø фаски [мм] : 110
Поверхность : с покрытием
|
|
Тормозной диск
EGT 410455cEGT
Число отверстий в диске колеса : 5
Высота [мм] : 69,3
Тип тормозного диска : цельный
Толщина тормозного диска (мм) : 12
Минимальная толщина [мм] : 10
Наружный диаметр [мм] : 286
Диаметр центрирования [мм] : 65,5
Ø фаски [мм] : 110
Поверхность : с покрытием
|
|
Тормозной диск
EUROBRAKE 5815203622
Наружный диаметр [мм] : 296
Толщина тормозного диска (мм) : 28
Минимальная толщина [мм] : 25
Высота [мм] : 58,5
Число отверстий в диске колеса : 5
Тип тормозного диска : вентилируемый
Диаметр центрирования [мм] : 70
Поверхность : промасленный
Вес нетто [кг] : 8,06
|
|
Тормозной диск
EUROBRAKE 5815313622
Наружный диаметр [мм] : 296
Толщина тормозного диска (мм) : 28
Минимальная толщина [мм] : 25
Высота [мм] : 58,5
Число отверстий в диске колеса : 5
Тип тормозного диска : вентилируемый
Диаметр центрирования [мм] : 70
Поверхность : с покрытием
Вес нетто [кг] : 8,06
|
|
Тормозной диск
EUROBRAKE 5815203621
Наружный диаметр [мм] : 286
Толщина тормозного диска (мм) : 12
Минимальная толщина [мм] : 10
Высота [мм] : 69,5
Число отверстий в диске колеса : 5
Тип тормозного диска : цельный
Диаметр центрирования [мм] : 65,5
Поверхность : промасленный
Вес нетто [кг] : 5,33
|
|
Тормозной диск
EUROBRAKE 5815313621
Наружный диаметр [мм] : 286
Толщина тормозного диска (мм) : 12
Минимальная толщина [мм] : 10
Высота [мм] : 69,5
Число отверстий в диске колеса : 5
Тип тормозного диска : цельный
Диаметр центрирования [мм] : 65,5
Поверхность : с покрытием
Вес нетто [кг] : 5,33
|
|
Тормозной диск
EUROBRAKE 5815203657
Наружный диаметр [мм] : 286
Толщина тормозного диска (мм) : 20
Минимальная толщина [мм] : 18
Высота [мм] : 67
Число отверстий в диске колеса : 5
Тип тормозного диска : вентилируемый
Диаметр центрирования [мм] : 65,5
Поверхность : промасленный
Вес нетто [кг] : 5,74
|
|
Тормозной диск
EUROBRAKE 5815313657
Наружный диаметр [мм] : 286
Толщина тормозного диска (мм) : 20
Минимальная толщина [мм] : 18
Высота [мм] : 67
Число отверстий в диске колеса : 5
Тип тормозного диска : вентилируемый
Диаметр центрирования [мм] : 65,5
Поверхность : с покрытием
Вес нетто [кг] : 5,74
|
|
Тормозной диск
EUROREPAR 1642757880
Тип тормозного диска : вентилируемый
Дополнительный артикул / дополнительная информация 2 : без кольца сенсора ABS
Наружный диаметр [мм] : 296
Толщина тормозного диска (мм) : 28
Высота [мм] : 58
Диаметр центрирования [мм] : 70
Количество отверстий : 5
Минимальная толщина [мм] : 25
|
|
Тормозной диск
EUROREPAR 1642771480
Тип тормозного диска : цельный
Дополнительный артикул / дополнительная информация 2 : без кольца сенсора ABS
Наружный диаметр [мм] : 286
Толщина тормозного диска (мм) : 12
Высота [мм] : 67
Диаметр центрирования [мм] : 66
Количество отверстий : 5
Минимальная толщина [мм] : 10
|
|
Тормозной диск
EUROREPAR 1676004780
Тип тормозного диска : вентилируемый
Дополнительный артикул / дополнительная информация 2 : без кольца сенсора ABS
Наружный диаметр [мм] : 286
Толщина тормозного диска (мм) : 20
Высота [мм] : 67
Диаметр центрирования [мм] : 65,5
Количество отверстий : 5
Минимальная толщина [мм] : 18
|
|
Тормозной диск
FEBI BILSTEIN 02552
Толщина тормозного диска (мм) : 12
Число отверстий в диске колеса : 5
Толщина [мм] : 69,2
Наружный диаметр [мм] : 286
Ø фаски [мм] : 110
Поверхность : с покрытием
Тип тормозного диска : цельный
Сторона установки : Задний мост
Минимальная толщина [мм] : 10
Диаметр центрирования [мм] : 65,5
Соблюдать сервисную информацию :
|
|
Тормозной диск
FEBI BILSTEIN 04848
Толщина тормозного диска (мм) : 28
Число отверстий в диске колеса : 5
Количество крепежных отверстий : 1
Толщина [мм] : 58,3
Наружный диаметр [мм] : 296
Ø фаски [мм] : 110
Поверхность : с покрытием
Тип тормозного диска : вентилируемый
Сторона установки : передний мост
Минимальная толщина [мм] : 25
Диаметр центрирования [мм] : 70
Соблюдать сервисную информацию :
|
|
Тормозной диск
FEBI BILSTEIN 44045
Толщина тормозного диска (мм) : 20
Число отверстий в диске колеса : 5
Количество крепежных отверстий : 2
Толщина [мм] : 67
Наружный диаметр [мм] : 286
Ø фаски [мм] : 110
Поверхность : с покрытием
Тип тормозного диска : вентилируемый
Сторона установки : Задний мост
Минимальная толщина [мм] : 18
Диаметр центрирования [мм] : 65,5
Соблюдать сервисную информацию :
|
|
Тормозной диск
FENOX TB217068
Сторона установки : передний мост
Тип тормозного диска : вентилируемый
Толщина тормозного диска (мм) : 28
Ø фаски [мм] : 110
Количество отверстий : 5
Высота [мм] : 58,5
Диаметр центрирования [мм] : 70
Наружный диаметр [мм] : 296
|
|
Тормозной диск
FERODO DDF1366C
Тип тормозного диска : вентилируемый
Наружный диаметр [мм] : 286
Толщина тормозного диска (мм) : 20
Дополнительный артикул / дополнительная информация 2 : без винтов
Высота [мм] : 61
Диаметр центрирования [мм] : 65,5
Количество отверстий : 5
Количественная единица : комплект
Поверхность : с покрытием
проверочное значение : R90 Homologated
Вес [кг] : 5,86
Минимальная толщина [мм] : 18
Длина упаковки [см] : 30,5
Ширина упаковки [см] : 30,5
Высота упаковки [см] : 15,5
|
|
Тормозной диск
FERODO DDF330C
Тип тормозного диска : вентилируемый
Наружный диаметр [мм] : 296
Толщина тормозного диска (мм) : 28
Дополнительный артикул / дополнительная информация 2 : без винтов
Высота [мм] : 58,3
Диаметр центрирования [мм] : 70
Количество отверстий : 5
Количественная единица : Штука
Поверхность : с покрытием
проверочное значение : R90 Homologated
Вес [кг] : 8,03
Минимальная толщина [мм] : 25
Момент затяжки [Нм] : 110
Длина упаковки [см] : 31
Ширина упаковки [см] : 31
Высота упаковки [см] : 13,5
|
|
Тормозной диск
FERODO DDF698C
Тип тормозного диска : цельный
Наружный диаметр [мм] : 286
Толщина тормозного диска (мм) : 12
Дополнительный артикул / дополнительная информация 2 : без винтов
Высота [мм] : 67
Диаметр центрирования [мм] : 65,5
Количество отверстий : 5
Количественная единица : Штука
Поверхность : с покрытием
проверочное значение : R90 Homologated
Вес [кг] : 5,68
Минимальная толщина [мм] : 10
Момент затяжки [Нм] : 110
Длина упаковки [см] : 30,5
Ширина упаковки [см] : 30,5
Высота упаковки [см] : 15,5
|
|
Тормозной диск
FREMAX BD-1134
Тип тормозного диска : вентилируемый
Наружный диаметр [мм] : 296
Толщина тормозного диска (мм) : 28
Высота [мм] : 58,5
Диаметр центрирования [мм] : 70
Количество крепежных отверстий : 5
Поверхность : с покрытием
Вес [кг] : 7,76
Минимальная толщина [мм] : 25
|
|
Тормозной диск
fri.tech. BD0494
проверочное значение : ECE-R90
Высота [мм] : 58,3
Тип тормозного диска : вентилируемый
Толщина тормозного диска (мм) : 28
Наружный диаметр [мм] : 296
Количество отверстий : 5
Диаметр центрирования [мм] : 70
|
|
Тормозной диск
GALFER B1.G212-0131.1
Наружный диаметр [мм] : 286
Толщина тормозного диска (мм) : 12
Минимальная толщина [мм] : 10
Тип тормозного диска : цельный
Количество отверстий : 5
Поверхность : с покрытием
Ø фаски [мм] : 110
Высота [мм] : 69,5
Диаметр центрирования [мм] : 65,5
Внутренний диаметр : 160
Диаметр отверстия [мм] : 14
проверочное значение : E1 90R-02C0248/1186
|
|
Тормозной диск
GH GH-403652
Сторона установки : передний мост
Сторона установки : передний мост справа
Сторона установки : передний мост слева
Толщина тормозного диска (мм) : 28
Количество отверстий : 5
Ø фаски [мм] : 110
Диаметр центрирования [мм] : 70
Наружный диаметр [мм] : 296
Тип тормозного диска : вентилируемый
Размер резьбы : 14
Высота [мм] : 58,3
|
|
Тормозной диск
GH GH-423660
Сторона установки : Задний мост
Сторона установки : Задний мост справа
Сторона установки : Задний мост слева
Толщина тормозного диска (мм) : 12
Количество отверстий : 5
Диаметр барабана [мм] : 160
Ø фаски [мм] : 110
Диаметр центрирования [мм] : 65,5
Наружный диаметр [мм] : 286
Тип тормозного диска : цельный
Размер резьбы : 14,2
Высота [мм] : 69,4
|
|
Тормозной диск
GIRLING 6026451
Цвет : чёрный
Тип тормозного диска : вентилируемый
Наружный диаметр [мм] : 296
Толщина тормозного диска (мм) : 28
Минимальная толщина [мм] : 25
Диаметр центрирования [мм] : 70
Высота [мм] : 58,3
Количество отверстий : 5
Размер резьбы : 14
Ø фаски [мм] : 110
Обработка : Высокоуглеродистый
Поверхность : лакированный
проверочное значение : E1 90R-02 C0176/0492
SVHC : Нет информации, обратитесь, пожалуйста, к производителю!
|
|
Тормозной диск
GIRLING 6027144
Тип тормозного диска : цельный
Наружный диаметр [мм] : 286
Толщина тормозного диска (мм) : 12
Минимальная толщина [мм] : 10
Диаметр центрирования [мм] : 65,5
Высота [мм] : 69,5
Количество отверстий : 5
Размер резьбы : 14,2
Ø фаски [мм] : 110
Диаметр барабана [мм] : 160
Цвет : чёрный
Поверхность : лакированный
проверочное значение : E1 90R-02 C0204/0523
|
|
Тормозной диск
GIRLING 6042472
Поверхность : лакированный
Тип тормозного диска : вентилируемый
Наружный диаметр [мм] : 286
Толщина тормозного диска (мм) : 20
Минимальная толщина [мм] : 18
Диаметр центрирования [мм] : 65,5
Высота [мм] : 61
Количество отверстий : 5
Размер резьбы : 14
Ø фаски [мм] : 110
Диаметр барабана [мм] : 160
Обработка : Высокоуглеродистый
Цвет : чёрный
SVHC : Нет информации, обратитесь, пожалуйста, к производителю!
|
|
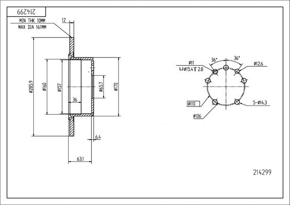
Тормозной диск
HART 214 299
Высота [мм] : 69,5
Тип тормозного диска : цельный
Толщина тормозного диска (мм) : 12
Наружный диаметр [мм] : 286
Количество отверстий : 5
|
|
Тормозной диск
HART 223 433
Высота [мм] : 69,5
Тип тормозного диска : цельный
Толщина тормозного диска (мм) : 12
Наружный диаметр [мм] : 286
Количество отверстий : 5
|
|
Тормозной диск
HART 223 447
Высота [мм] : 58,3
Тип тормозного диска : вентилируемый
Толщина тормозного диска (мм) : 28
Наружный диаметр [мм] : 296
Количество отверстий : 5
|
|
Тормозной диск
HART 230 989
Высота [мм] : 69,3
Тип тормозного диска : с внешней вентиляцией
Толщина тормозного диска (мм) : 20
Наружный диаметр [мм] : 286
|
|
Тормозной диск
ICER 78BD1134-2
Толщина тормозного диска (мм) : 25
Наружный диаметр [мм] : 296
Тип тормозного диска : вентилируемый
Высота [мм] : 58,3
Диаметр центрирования [мм] : 70
Ø фаски [мм] : 110
Исполнение оси : Front
Номер технической информации : 78BD1134-2
проверочное значение : E1 90R-02C0074/1085
проверочное значение : E1 90R-02C0452/0127
Диаметр [мм] : 70
Толщина [мм] : 27,8
Минимальная толщина [мм] : 25
Расположение/число отверстий : 5
|
|
Тормозной диск
ICER 78BD9211-2
Толщина тормозного диска (мм) : 10
Наружный диаметр [мм] : 286
Тип тормозного диска : цельный
Высота [мм] : 67
Диаметр центрирования [мм] : 65,5
Ø фаски [мм] : 110
Исполнение оси : Rear
Номер технической информации : 78BD9211-2
проверочное значение : E1 90R-02C0100/0191
проверочное значение : E1 90R-02C0453/0106
Диаметр [мм] : 65,5
Толщина [мм] : 12
Минимальная толщина [мм] : 10
Расположение/число отверстий : 5
|
|
Тормозной диск
JAPANPARTS DI-0427C
Сторона установки : передний мост
Наружный диаметр [мм] : 296
Тип тормозного диска : вентилируемый
Толщина тормозного диска (мм) : 28
Минимальная толщина [мм] : 25
Количество отверстий : 5
Момент затяжки [Нм] : 10
Поверхность : лакированный
Цвет : чёрный
для оригинального номера : 5690016
|
|
Тормозной диск
JAPKO 600427C
Сторона установки : передний мост
Наружный диаметр [мм] : 296
Тип тормозного диска : вентилируемый
Толщина тормозного диска (мм) : 28
Минимальная толщина [мм] : 25
Количество отверстий : 5
Момент затяжки [Нм] : 10
Поверхность : лакированный
Цвет : чёрный
для оригинального номера : 5690016
|
|
Тормозной диск
JP GROUP 1263201700
Тип тормозного диска : вентилируемый
Толщина тормозного диска (мм) : 20
Поверхность : с покрытием
Сторона установки : Задний мост
Количество отверстий : 5
Наружный диаметр [мм] : 286
|
|
Тормозной диск
JP GROUP 1263101300
Тип тормозного диска : вентилируемый
Толщина тормозного диска (мм) : 28
Поверхность : с покрытием
Сторона установки : передний мост
Количество отверстий : 5
Наружный диаметр [мм] : 296
|
|
Тормозной диск
JURID 561730JC
Тип тормозного диска : вентилируемый
Наружный диаметр [мм] : 296
Толщина тормозного диска (мм) : 28
Дополнительный артикул / дополнительная информация 2 : без винтов
Версия : JC
Высота [мм] : 58,3
Ø фаски [мм] : 110
Диаметр центрирования [мм] : 70
Количество отверстий : 5
Количественная единица : комплект
Поверхность : с покрытием
проверочное значение : R90 Homologated
Вес [кг] : 16,05
Минимальная толщина [мм] : 25
Момент затяжки [Нм] : 110
Тип контейнера : Коробка
Длина упаковки [см] : 31
Ширина упаковки [см] : 31
Высота упаковки [см] : 13
|
|
Тормозной диск
JURID 561870JC
Тип тормозного диска : цельный
Наружный диаметр [мм] : 286
Толщина тормозного диска (мм) : 12
Дополнительный артикул / дополнительная информация 2 : без винтов
Версия : JC
Высота [мм] : 67
Ø фаски [мм] : 110
Диаметр центрирования [мм] : 65,5
Количество отверстий : 5
Количественная единица : комплект
Поверхность : с покрытием
Вес [кг] : 11,35
Минимальная толщина [мм] : 10
Момент затяжки [Нм] : 110
Тип контейнера : Коробка
Длина упаковки [см] : 29,5
Ширина упаковки [см] : 29,5
Высота упаковки [см] : 15,5
|
|
Тормозной диск
JURID 562413JC
Тип тормозного диска : вентилируемый
Наружный диаметр [мм] : 286
Толщина тормозного диска (мм) : 20
Дополнительный артикул / дополнительная информация 2 : без винтов
Версия : JC
Высота [мм] : 61
Ø фаски [мм] : 110
Диаметр центрирования [мм] : 65
Количество отверстий : 5
Количественная единица : комплект
Поверхность : с покрытием
Вес [кг] : 11,72
Минимальная толщина [мм] : 18
Тип контейнера : Коробка
Длина упаковки [см] : 30
Ширина упаковки [см] : 30
Высота упаковки [см] : 16,5
|
|
Тормозной диск
KAMOKA 1031396
Сторона установки : Задний мост
Тип тормозного диска : цельный
Толщина тормозного диска (мм) : 12
Ø фаски [мм] : 110
Количество отверстий : 5
Высота [мм] : 69
Диаметр центрирования [мм] : 65
Поверхность : с покрытием
Наружный диаметр [мм] : 286
|
|
Тормозной диск
KAMOKA 103212
Сторона установки : Задний мост
Тип тормозного диска : вентилируемый
Толщина тормозного диска (мм) : 20
Ø фаски [мм] : 110
Количество отверстий : 5
Высота [мм] : 67
Диаметр центрирования [мм] : 65
Наружный диаметр [мм] : 286
|
|
Тормозной диск
KAMOKA 103660
Сторона установки : передний мост
Тип тормозного диска : вентилируемый
Толщина тормозного диска (мм) : 28
Ø фаски [мм] : 110
Количество отверстий : 5
Дополнительный артикул / дополнительная информация 2 : с винтами
Высота [мм] : 58
Диаметр центрирования [мм] : 70
Наружный диаметр [мм] : 296
|
|
Тормозной диск
KAWE 6339 10
Диаметр [мм] : 296
Сторона установки : передний мост
Вес [кг] : 7,84
Тип тормозного диска : вентилируемый
Минимальная толщина [мм] : 25
Толщина тормозного диска (мм) : 28
Количество отверстий : 5
проверочное значение : K.B.A.: 61209
Высота [мм] : 58,3
Диаметр центрирования [мм] : 70
Наружный диаметр [мм] : 296
|
|
Тормозной диск
KAWE 6488 00
Диаметр [мм] : 286
Сторона установки : Задний мост
Вес [кг] : 5,28
Тип тормозного диска : цельный
Минимальная толщина [мм] : 10
Толщина тормозного диска (мм) : 12
Количество отверстий : 5
проверочное значение : K.B.A.: 61210
Высота [мм] : 67
Диаметр центрирования [мм] : 65,5
Наружный диаметр [мм] : 286
|
|
Тормозной диск
KAWE 6823 10
Диаметр [мм] : 285,9
Сторона установки : Задний мост
Вес [кг] : 5,74
Тип тормозного диска : вентилируемый
Минимальная толщина [мм] : 18
Толщина тормозного диска (мм) : 20
Количество отверстий : 5
проверочное значение : K.B.A.: 61209
Высота [мм] : 69,3
Диаметр центрирования [мм] : 65,5
Наружный диаметр [мм] : 286
|
|
Тормозной диск
KRAFT AUTOMOTIVE 6051610
Тип тормозного диска : цельный
Количество отверстий : 5
Диаметр [мм] : 286
Толщина тормозного диска (мм) : 9,9
Высота [мм] : 69,2
Диаметр центрирования [мм] : 65,5
Номер продукции : 6051610
Наружный диаметр [мм] : 286
|
|
Тормозной диск
KRAFT AUTOMOTIVE 6041600
Тип тормозного диска : вентилируемый
Количество отверстий : 5
Диаметр [мм] : 296
Толщина тормозного диска (мм) : 27,8
Высота [мм] : 58,3
Диаметр центрирования [мм] : 70
Номер продукции : 6041600
Наружный диаметр [мм] : 296
|
|
Тормозной диск
LPR O1023V
Высота [мм] : 67
Тип тормозного диска : вентилируемый
Толщина тормозного диска (мм) : 20
Минимальная толщина [мм] : 18
Наружный диаметр [мм] : 286
Количество отверстий : 5
Диаметр центрирования [мм] : 65,5
|
|
Тормозной диск
LPR O1271P
Диаметр центрирования [мм] : 66
Толщина тормозного диска (мм) : 12
Тип тормозного диска : цельный
Высота [мм] : 67
Количество отверстий : 5
Минимальная толщина [мм] : 10
Наружный диаметр [мм] : 286
|
|
Тормозной диск
LPR O1291V
Диаметр центрирования [мм] : 70
Высота [мм] : 58
Количество отверстий : 5
Наружный диаметр [мм] : 296
Минимальная толщина [мм] : 25
Толщина тормозного диска (мм) : 28
Тип тормозного диска : вентилируемый
|
|
Тормозной диск
LPR O1291VR
Количество отверстий : 5
Диаметр центрирования [мм] : 70
Толщина тормозного диска (мм) : 28
Высота [мм] : 58
Тип тормозного диска : вентилируемый
Минимальная толщина [мм] : 25
Наружный диаметр [мм] : 296
|
|
Тормозной диск
LYNXAUTO BN-1857
Сторона установки : передний мост
Наружный диаметр [мм] : 296
Толщина тормозного диска (мм) : 28
Минимальная толщина [мм] : 25
Диаметр центрирования [мм] : 70
Высота [мм] : 58
Количество отверстий : 5
Ø фаски [мм] : 110
Тип тормозного диска : вентилируемый
|
|
Тормозной диск
LYNXAUTO BN-1859
Сторона установки : Задний мост
Наружный диаметр [мм] : 286
Толщина тормозного диска (мм) : 12
Минимальная толщина [мм] : 10
Диаметр центрирования [мм] : 65,5
Высота [мм] : 69,5
Внутренний диаметр : 160
Количество отверстий : 5
Ø фаски [мм] : 110
Тип тормозного диска : цельный
|
|
Тормозной диск
LYNXAUTO BN-1860
Сторона установки : Задний мост
Наружный диаметр [мм] : 286
Толщина тормозного диска (мм) : 20
Минимальная толщина [мм] : 18
Диаметр центрирования [мм] : 65,5
Высота [мм] : 61
Внутренний диаметр : 160
Количество отверстий : 5
Ø фаски [мм] : 110
Тип тормозного диска : вентилируемый
|
|
Тормозной диск
MAGNETI MARELLI 360406037701
Обработка : Высокоуглеродистый
Тип тормозного диска : вентилируемый
Диаметр [мм] : 296
Высота [мм] : 58,3
Минимальная толщина [мм] : 25
Количество отверстий : 5
Ø фаски [мм] : 70
Момент затяжки [Нм] : 110
Толщина тормозного диска (мм) : 28
Наружный диаметр [мм] : 296
|
|
Тормозной диск
MANDO MBC030096
Сторона установки : передний мост
Тип тормозного диска : вентилируемый
Толщина тормозного диска (мм) : 28
Количество отверстий : 5
Высота [мм] : 58,3
Диаметр центрирования [мм] : 70
Наружный диаметр [мм] : 296
|
|
Тормозной диск
MANDO MBC035743
Сторона установки : Задний мост
Тип тормозного диска : цельный
Толщина тормозного диска (мм) : 11,9
Минимальная толщина [мм] : 10
проверочное значение : E1 90R-02C0100/0191
Высота [мм] : 69,2
Диаметр центрирования [мм] : 65,5
Наружный диаметр [мм] : 286
|
|
Тормозной диск
MAPCO 15852
Сторона установки : Задний мост
Тип тормозного диска : цельный
Толщина тормозного диска (мм) : 12
Минимальная толщина [мм] : 10
Наружный диаметр [мм] : 286
Ø фаски [мм] : 110
Количество отверстий : 5
|
|
Тормозной диск
MAPCO 15843
Сторона установки : передний мост
Толщина тормозного диска (мм) : 28
Наружный диаметр [мм] : 296
Тип тормозного диска : вентилируемый
Ø фаски [мм] : 110
Количество отверстий : 5
Минимальная толщина [мм] : 25
|
|
Тормозной диск
MAXGEAR 19-0736
Сторона установки : передний мост
Тип тормозного диска : вентилируемый
Наружный диаметр [мм] : 296
Толщина тормозного диска (мм) : 28
Высота [мм] : 58,3
Ø фаски [мм] : 110
Диаметр центрирования [мм] : 70
Количество отверстий : 5
Минимальная толщина [мм] : 25
|
|
Тормозной диск
MAXGEAR 19-0736SPORT
Тип тормозного диска : вентилируемый
Тип тормозного диска : с прорезями / перфорированный
Наружный диаметр [мм] : 296
Толщина тормозного диска (мм) : 28
Высота [мм] : 58,3
Ø фаски [мм] : 110
Диаметр центрирования [мм] : 70
Количество отверстий : 5
Поверхность : лакированный
Минимальная толщина [мм] : 25
|
|
Тормозной диск
MAXGEAR 19-0738
Сторона установки : Задний мост
Тип тормозного диска : цельный
Наружный диаметр [мм] : 286
Толщина тормозного диска (мм) : 12
Высота [мм] : 69,5
Ø фаски [мм] : 110
Диаметр центрирования [мм] : 65,5
Количество отверстий : 5
Минимальная толщина [мм] : 10
|
|
Тормозной диск
MAXGEAR 19-0738SPORT
Тип тормозного диска : цельный
Тип тормозного диска : с прорезями / перфорированный
Наружный диаметр [мм] : 286
Толщина тормозного диска (мм) : 12
Высота [мм] : 69,5
Ø фаски [мм] : 110
Диаметр центрирования [мм] : 65,5
Количество отверстий : 5
Поверхность : лакированный
Минимальная толщина [мм] : 10
|
|
Тормозной диск
MAXGEAR 19-2472
Сторона установки : Задний мост
Тип тормозного диска : с внешней вентиляцией
Наружный диаметр [мм] : 286
Толщина тормозного диска (мм) : 20
Дополнительный артикул / дополнительная информация 2 : без ступицы
Дополнительный артикул / дополнительная информация 2 : без колесной крепящей оси
Высота [мм] : 69,3
Ø фаски [мм] : 110
Диаметр центрирования [мм] : 65,5
Количество отверстий : 5
Минимальная толщина [мм] : 18
|
|
Тормозной диск
MAXGEAR 19-2472SPORT
Тип тормозного диска : с внешней вентиляцией
Тип тормозного диска : с прорезями / перфорированный
Наружный диаметр [мм] : 286
Толщина тормозного диска (мм) : 20
Дополнительный артикул / дополнительная информация 2 : без ступицы
Дополнительный артикул / дополнительная информация 2 : без колесной крепящей оси
Высота [мм] : 69,3
Ø фаски [мм] : 110
Диаметр центрирования [мм] : 65,5
Количество отверстий : 5
Минимальная толщина [мм] : 18
|
|
Тормозной диск
MAXTECH 831241
Сторона установки : передний мост
Тип тормозного диска : вентилируемый
Минимальная толщина [мм] : 25
Вес [кг] : 7,8
Толщина тормозного диска (мм) : 28
Ø фаски [мм] : 110
Количество отверстий : 5
Диаметр отверстия [мм] : 14
Внутренний диаметр : 139
проверочное значение : 90R-02C01327/31827
Высота [мм] : 58
Диаметр центрирования [мм] : 70
Наружный диаметр [мм] : 296
|
|
Тормозной диск
MAXTECH 831242
Сторона установки : Задний мост
Тип тормозного диска : цельный
Минимальная толщина [мм] : 10
Вес [кг] : 6,1
Толщина тормозного диска (мм) : 12
Ø фаски [мм] : 110
Количество отверстий : 5
Диаметр отверстия [мм] : 14
Внутренний диаметр : 160
проверочное значение : 90R-02C01327/31814
Высота [мм] : 70
Диаметр центрирования [мм] : 65,5
Наружный диаметр [мм] : 286
|
|
Тормозной диск
MAXTECH 871549
Сторона установки : Задний мост
Тип тормозного диска : вентилируемый
Минимальная толщина [мм] : 18
Вес [кг] : 5,8
Толщина тормозного диска (мм) : 20
Ø фаски [мм] : 110
Количество отверстий : 5
Диаметр отверстия [мм] : 14
Внутренний диаметр : 160
Высота [мм] : 67
Диаметр центрирования [мм] : 65,5
Наружный диаметр [мм] : 286
|
|
Тормозной диск
METELLI 23-0441
проверочное значение : ECE-R90
Высота [мм] : 58,3
Тип тормозного диска : вентилируемый
Толщина тормозного диска (мм) : 28
Наружный диаметр [мм] : 296
Количество отверстий : 5
Диаметр центрирования [мм] : 70
|
|
Тормозной диск
MEYLE 615 521 6009
Сторона установки : передний мост
Наружный диаметр [мм] : 296
Высота [мм] : 58,3
Толщина тормозного диска (мм) : 28
Минимальная толщина [мм] : 25
Диаметр центрирования [мм] : 70
Ø фаски [мм] : 110
Диаметр отверстия под шпильку колеса [мм] : 14
Количество отверстий : 5
Тип тормозного диска : вентилируемый
необходимое количество : 2
|
|
Тормозной диск
MEYLE 615 523 6008
Сторона установки : Задний мост
Наружный диаметр [мм] : 286
Высота [мм] : 69,5
Толщина тормозного диска (мм) : 12
Минимальная толщина [мм] : 10
Диаметр центрирования [мм] : 65,5
Ø фаски [мм] : 110
Диаметр отверстия под шпильку колеса [мм] : 14
Количество отверстий : 5
Тип тормозного диска : цельный
необходимое количество : 2
|
|
Тормозной диск
MILES K010269
Сторона установки : сзади
Количество отверстий : 5
Тип тормозного диска : вентилируемый
Наружный диаметр [мм] : 285,9
Высота [мм] : 67
Диаметр центрирования [мм] : 65,5
Ø фаски [мм] : 110
Диаметр отверстия под шпильку колеса [мм] : 14,2
Толщина тормозного диска (мм) : 20
Минимальная толщина [мм] : 18
|
|
Тормозной диск
MILES K010608
Сторона установки : сзади
Количество отверстий : 5
Тип тормозного диска : цельный
Наружный диаметр [мм] : 286
Высота [мм] : 69,2
Диаметр центрирования [мм] : 65,5
Ø фаски [мм] : 110
Диаметр отверстия под шпильку колеса [мм] : 14,2
Толщина тормозного диска (мм) : 11,9
Минимальная толщина [мм] : 10
|
|
Тормозной диск
MILES K210269
Сторона установки : сзади
Количество отверстий : 5
Тип тормозного диска : вентилируемый
Наружный диаметр [мм] : 285,9
Высота [мм] : 67
Диаметр центрирования [мм] : 65,5
Ø фаски [мм] : 110
Диаметр отверстия под шпильку колеса [мм] : 14,2
Толщина тормозного диска (мм) : 20
Минимальная толщина [мм] : 18
Поверхность : с покрытием
|
|
Тормозной диск
MILES K210608
Сторона установки : сзади
Количество отверстий : 5
Тип тормозного диска : цельный
Наружный диаметр [мм] : 286
Высота [мм] : 69,2
Диаметр центрирования [мм] : 65,5
Ø фаски [мм] : 110
Диаметр отверстия под шпильку колеса [мм] : 14,2
Толщина тормозного диска (мм) : 11,9
Минимальная толщина [мм] : 10
Поверхность : с покрытием
|
|
Тормозной диск
MILES K200586
Сторона установки : спереди
Количество отверстий : 5
Тип тормозного диска : вентилируемый
Наружный диаметр [мм] : 295,8
Высота [мм] : 58,3
Диаметр центрирования [мм] : 70
Ø фаски [мм] : 110
Диаметр отверстия под шпильку колеса [мм] : 14,2
Толщина тормозного диска (мм) : 28
Минимальная толщина [мм] : 25
Поверхность : с покрытием
|
|
Тормозной диск
MILES K000586
Сторона установки : спереди
Количество отверстий : 5
Тип тормозного диска : вентилируемый
Наружный диаметр [мм] : 295,8
Высота [мм] : 58,3
Диаметр центрирования [мм] : 70
Ø фаски [мм] : 110
Диаметр отверстия под шпильку колеса [мм] : 14,2
Толщина тормозного диска (мм) : 28
Минимальная толщина [мм] : 25
|
|
Тормозной диск
MINTEX MDC865
Тип тормозного диска : вентилируемый
Наружный диаметр [мм] : 296
Толщина тормозного диска (мм) : 28
Высота [мм] : 58,5
Минимальная толщина [мм] : 25
Внутренний диаметр : 139
Ø фаски [мм] : 110
Диаметр центрирования [мм] : 70,1
Расположение/число отверстий : 05/06
Диаметр отверстия под шпильку колеса [мм] : 14,3
Дополнительный артикул / дополнительная информация 2 : без ступицы
Дополнительный артикул / дополнительная информация 2 : без колесного подшипника
Дополнительный артикул / дополнительная информация 2 : без колесной крепящей оси
Длина упаковки [см] : 31,3
Ширина упаковки [см] : 31,3
Высота упаковки [см] : 14
Вес [кг] : 8
|
|
Тормозной диск
MINTEX MDC1747
Тип тормозного диска : с внешней вентиляцией
Наружный диаметр [мм] : 286
Толщина тормозного диска (мм) : 20
Высота [мм] : 69,3
Минимальная толщина [мм] : 18
Внутренний диаметр : 160
Ø фаски [мм] : 110
Диаметр центрирования [мм] : 65,5
Расположение/число отверстий : 05/07
Диаметр отверстия под шпильку колеса [мм] : 14,2
Дополнительный артикул / дополнительная информация 2 : без ступицы
Дополнительный артикул / дополнительная информация 2 : без колесного подшипника
Дополнительный артикул / дополнительная информация 2 : без колесной крепящей оси
Длина упаковки [см] : 30,8
Ширина упаковки [см] : 30,8
Высота упаковки [см] : 16
Вес [кг] : 5,8
|
|
Тормозной диск
MINTEX MDC867
Тип тормозного диска : цельный
Наружный диаметр [мм] : 286
Толщина тормозного диска (мм) : 12
Высота [мм] : 69,3
Минимальная толщина [мм] : 10
Внутренний диаметр : 160
Ø фаски [мм] : 110
Диаметр центрирования [мм] : 65,5
Расположение/число отверстий : 05/07
Диаметр отверстия под шпильку колеса [мм] : 14,2
Дополнительный артикул / дополнительная информация 2 : без ступицы
Дополнительный артикул / дополнительная информация 2 : без колесного подшипника
Дополнительный артикул / дополнительная информация 2 : без колесной крепящей оси
Длина упаковки [см] : 30,8
Ширина упаковки [см] : 30,8
Высота упаковки [см] : 16
Вес [кг] : 5,3
|
|
Тормозной диск
MOTAQUIP LVBD739Z
Тип тормозного диска : вентилируемый
Наружный диаметр [мм] : 296
Толщина тормозного диска (мм) : 27,8
Высота [мм] : 58,5
Ø фаски [мм] : 110
Диаметр центрирования [мм] : 70,1
Количество отверстий : 5
Поверхность : с покрытием
Вес [кг] : 8,12
Минимальная толщина [мм] : 25
Число отверстий : 1
|
|
Тормозной диск
MOTAQUIP LVBD743Z
Тип тормозного диска : цельный
Наружный диаметр [мм] : 285
Толщина тормозного диска (мм) : 12
Высота [мм] : 67
Диаметр центрирования [мм] : 66
Количество отверстий : 5
Поверхность : с покрытием
Вес [кг] : 5,5
Минимальная толщина [мм] : 10
Число отверстий : 2
|
|
Тормозной диск
National NBD1389
Тип тормозного диска : вентилируемый
Наружный диаметр [мм] : 286
Толщина тормозного диска (мм) : 20
Высота [мм] : 61
Ø фаски [мм] : 110
Диаметр центрирования [мм] : 68,5
Количество отверстий : 5
|
|
Тормозной диск
National NBD432
Тип тормозного диска : вентилируемый
Наружный диаметр [мм] : 296
Толщина тормозного диска (мм) : 28
Высота [мм] : 58
Ø фаски [мм] : 110
Диаметр центрирования [мм] : 70
Количество отверстий : 5
|
|
Тормозной диск
National NBD600
Тип тормозного диска : цельный
Наружный диаметр [мм] : 286
Толщина тормозного диска (мм) : 12
Высота [мм] : 69
Ø фаски [мм] : 110
Диаметр центрирования [мм] : 66
Количество отверстий : 5
|
|
Тормозной диск
NK 203622
Наружный диаметр [мм] : 296
Толщина тормозного диска (мм) : 28
Минимальная толщина [мм] : 25
Высота [мм] : 58,5
Число отверстий в диске колеса : 5
Тип тормозного диска : вентилируемый
Диаметр центрирования [мм] : 70
Поверхность : промасленный
Вес нетто [кг] : 8,06
|
|
Тормозной диск
NK 313622
Наружный диаметр [мм] : 296
Толщина тормозного диска (мм) : 28
Минимальная толщина [мм] : 25
Высота [мм] : 58,5
Число отверстий в диске колеса : 5
Тип тормозного диска : вентилируемый
Диаметр центрирования [мм] : 70
Поверхность : с покрытием
Вес нетто [кг] : 8,06
|
|
Тормозной диск
NK 203621
Наружный диаметр [мм] : 286
Толщина тормозного диска (мм) : 12
Минимальная толщина [мм] : 10
Высота [мм] : 69,5
Число отверстий в диске колеса : 5
Тип тормозного диска : цельный
Диаметр центрирования [мм] : 65,5
Поверхность : промасленный
Вес нетто [кг] : 5,33
|
|
Тормозной диск
NK 313621
Наружный диаметр [мм] : 286
Толщина тормозного диска (мм) : 12
Минимальная толщина [мм] : 10
Высота [мм] : 69,5
Число отверстий в диске колеса : 5
Тип тормозного диска : цельный
Диаметр центрирования [мм] : 65,5
Поверхность : с покрытием
Вес нетто [кг] : 5,33
|
|
Тормозной диск
NK 203657
Наружный диаметр [мм] : 286
Толщина тормозного диска (мм) : 20
Минимальная толщина [мм] : 18
Высота [мм] : 67
Число отверстий в диске колеса : 5
Тип тормозного диска : вентилируемый
Диаметр центрирования [мм] : 65,5
Поверхность : промасленный
Вес нетто [кг] : 5,74
|
|
Тормозной диск
NK 313657
Наружный диаметр [мм] : 286
Толщина тормозного диска (мм) : 20
Минимальная толщина [мм] : 18
Высота [мм] : 67
Число отверстий в диске колеса : 5
Тип тормозного диска : вентилируемый
Диаметр центрирования [мм] : 65,5
Поверхность : с покрытием
Вес нетто [кг] : 5,74
|
|
Тормозной диск
OPEN PARTS BDR2227.20
Тип тормозного диска : вентилируемый
Поверхность : лакированный
Наружный диаметр [мм] : 286
Высота [мм] : 69,6
Толщина тормозного диска (мм) : 20
Диаметр центрирования [мм] : 65,5
Количество отверстий : 5
Минимальная толщина [мм] : 18
|
|
Тормозной диск
OPEN PARTS BDR1417.20
Тип тормозного диска : вентилируемый
Поверхность : лакированный
Наружный диаметр [мм] : 296
Высота [мм] : 58,5
Толщина тормозного диска (мм) : 28
Диаметр центрирования [мм] : 70
Количество отверстий : 5
Минимальная толщина [мм] : 25
|
|
Тормозной диск
OPTIMAL BS-3390C
Сторона установки : передний мост
Тип тормозного диска : вентилируемый
Толщина тормозного диска (мм) : 28
Наружный диаметр [мм] : 296
Высота [мм] : 58,3
Диаметр центрирования [мм] : 70
Поверхность : с покрытием
Дополнительный артикул / дополнительная информация 2 : с винтами
Минимальная толщина [мм] : 25
Расположение/число отверстий : 5/6
|
|
Тормозной диск
OPTIMAL BS-4880C
Сторона установки : Задний мост
Тип тормозного диска : цельный
Толщина тормозного диска (мм) : 12
Наружный диаметр [мм] : 286
до номера шасси (ИНА) : Y1999999
Высота [мм] : 67
Диаметр центрирования [мм] : 65,5
Поверхность : с покрытием
Минимальная толщина [мм] : 10
Расположение/число отверстий : 5/7
|
|
Тормозной диск
OPTIMAL BS-7920C
Сторона установки : Задний мост
Тип тормозного диска : вентилируемый
Толщина тормозного диска (мм) : 20
Наружный диаметр [мм] : 286
Высота [мм] : 67
Диаметр центрирования [мм] : 65,5
Поверхность : с покрытием
Дополнительный артикул / дополнительная информация 2 : с винтами
Минимальная толщина [мм] : 18
Расположение/число отверстий : 5/7
|
|
Тормозной диск
PAGID 52412NC
Тип тормозного диска : цельный
Наружный диаметр [мм] : 286
Толщина тормозного диска (мм) : 12
Высота [мм] : 69,3
Минимальная толщина [мм] : 10
Поверхность : с покрытием
Внутренний диаметр : 160
Ø фаски [мм] : 110
Диаметр центрирования [мм] : 65,5
Расположение/число отверстий : 05/07
Диаметр отверстия под шпильку колеса [мм] : 14,2
Дополнительный артикул / дополнительная информация 2 : без ступицы
Дополнительный артикул / дополнительная информация 2 : без колесного подшипника
Дополнительный артикул / дополнительная информация 2 : без колесной крепящей оси
Длина упаковки [см] : 30,3
Ширина упаковки [см] : 30,3
Высота упаковки [см] : 9
Вес [кг] : 5,3
|
|
Тормозной диск
PILENGA 5762
Сторона установки : Задний мост
Тип тормозного диска : цельный
Минимальная толщина [мм] : 10
Толщина тормозного диска (мм) : 12
Количество отверстий 1 : 5
Количество отверстий 2 : 2
Внутренний диаметр : 157
Высота [мм] : 67
Диаметр центрирования [мм] : 65,5
Наружный диаметр [мм] : 286
|
|
Тормозной диск
PILENGA V068
Сторона установки : передний мост
Тип тормозного диска : вентилируемый
Минимальная толщина [мм] : 25
Толщина тормозного диска (мм) : 28
Количество отверстий 1 : 5
Количество отверстий 2 : 1
Внутренний диаметр : 139
Высота [мм] : 58,4
Обработка : Высокоуглеродистый
Диаметр центрирования [мм] : 70
Наружный диаметр [мм] : 296
|
|
Тормозной диск
PROFIT 5010-0330
Сторона установки : передний мост
Диаметр [мм] : 296
Тип тормозного диска : вентилируемый
Толщина тормозного диска (мм) : 28
Минимальная толщина [мм] : 25
Количество отверстий : 5
Высота [мм] : 58,3
Диаметр центрирования [мм] : 70
Наружный диаметр [мм] : 296
|
|
Тормозной диск
QUARO QD0460
Тип тормозного диска : вентилируемый
Наружный диаметр [мм] : 296
Толщина тормозного диска (мм) : 28
Дополнительный артикул / дополнительная информация 2 : без ступицы
Дополнительный артикул / дополнительная информация 2 : без колесной крепящей оси
Высота [мм] : 58,5
Ø фаски [мм] : 110
Диаметр центрирования [мм] : 70,1
Количество отверстий : 5
Минимальная толщина [мм] : 25
|
|
Тормозной диск
QUARO QD4562
Тип тормозного диска : цельный
Наружный диаметр [мм] : 286
Толщина тормозного диска (мм) : 12
Дополнительный артикул / дополнительная информация 2 : без ступицы
Дополнительный артикул / дополнительная информация 2 : без колесной крепящей оси
Высота [мм] : 69,3
Ø фаски [мм] : 110
Диаметр центрирования [мм] : 65,5
Количество отверстий : 5
Поверхность : лакированный
Минимальная толщина [мм] : 10
|
|
Комплект болтов, тормозной диск
QUICK BRAKE 11666K
Длина [мм] : 19
Размер резьбы : M10x1,25
Тип резьбы : с наружной резьбой
Ширина зева гаечного ключа : Hex-5
|
|
Тормозной диск
QUINTON HAZELL BDC4581
Тип тормозного диска : цельный
Наружный диаметр [мм] : 286
Толщина тормозного диска (мм) : 12
Минимальная толщина [мм] : 10
Высота [мм] : 69,3
Диаметр центрирования [мм] : 65
Ø фаски [мм] : 110
Количество отверстий : 5
|
|
Тормозной диск
QUINTON HAZELL BDC4439
Тип тормозного диска : вентилируемый
Наружный диаметр [мм] : 296
Толщина тормозного диска (мм) : 28
Минимальная толщина [мм] : 25
Высота [мм] : 58,3
Диаметр центрирования [мм] : 70
Ø фаски [мм] : 110
Количество отверстий : 5
|
|
Тормозной диск
R BRAKE 78RBD21134
Толщина тормозного диска (мм) : 25
Наружный диаметр [мм] : 296
Тип тормозного диска : вентилируемый
Высота [мм] : 58,3
Диаметр центрирования [мм] : 70
Ø фаски [мм] : 110
Исполнение оси : Front
Номер технической информации : 78BD1134-2
проверочное значение : E1 90R-02C0074/1085
проверочное значение : E1 90R-02C0452/0127
Диаметр [мм] : 70
Толщина [мм] : 27,8
Минимальная толщина [мм] : 25
Расположение/число отверстий : 5
|
|
Тормозной диск
R BRAKE 78RBD29211
Толщина тормозного диска (мм) : 10
Наружный диаметр [мм] : 286
Тип тормозного диска : цельный
Высота [мм] : 67
Диаметр центрирования [мм] : 65,5
Ø фаски [мм] : 110
Исполнение оси : Rear
Номер технической информации : 78BD9211-2
проверочное значение : E1 90R-02C0100/0191
проверочное значение : E1 90R-02C0453/0106
Диаметр [мм] : 65,5
Толщина [мм] : 12
Минимальная толщина [мм] : 10
Расположение/число отверстий : 5
|
|
Тормозной диск
RAICAM RD00583
Сторона установки : Задний мост
Минимальная толщина [мм] : 10
Высота [мм] : 67
Наружный диаметр [мм] : 286
Вес [кг] : 5,3
Диаметр центрирования [мм] : 65,5
Тип тормозного диска : цельный
выполняет нормы ЕЭК : E1
Число отверстий в диске колеса : 5
Толщина тормозного диска (мм) : 12
|
|
Тормозной диск
RAICAM RD00584
выполняет нормы ЕЭК : E1
Число отверстий в диске колеса : 5
Толщина тормозного диска (мм) : 28
Сторона установки : передний мост
Минимальная толщина [мм] : 25
Высота [мм] : 58,3
Наружный диаметр [мм] : 296
Вес [кг] : 7,9
Диаметр центрирования [мм] : 70
Тип тормозного диска : вентилируемый
|
|
Тормозной диск
RAICAM RD00617
Высота [мм] : 67
Наружный диаметр [мм] : 286
Вес [кг] : 5,8
Диаметр центрирования [мм] : 65,5
Тип тормозного диска : вентилируемый
Число отверстий в диске колеса : 5
Толщина тормозного диска (мм) : 20
Сторона установки : Задний мост
Минимальная толщина [мм] : 18
|
|
Тормозной диск
REMSA 6339.10
проверочное значение : K.B.A.: 61209
Сторона установки : передний мост
Диаметр [мм] : 296
Высота [мм] : 58,3
Тип тормозного диска : вентилируемый
Толщина тормозного диска (мм) : 28
Минимальная толщина [мм] : 25
Количество отверстий : 5
Диаметр центрирования [мм] : 70
Вес [кг] : 7,84
Наружный диаметр [мм] : 296
|
|
Тормозной диск
REMSA 6488.00
проверочное значение : K.B.A.: 61210
Сторона установки : Задний мост
Диаметр [мм] : 286
Высота [мм] : 67
Тип тормозного диска : цельный
Толщина тормозного диска (мм) : 12
Минимальная толщина [мм] : 10
Количество отверстий : 5
Диаметр центрирования [мм] : 65,5
Вес [кг] : 5,28
Наружный диаметр [мм] : 286
|
|
Тормозной диск
REMSA 6823.10
проверочное значение : K.B.A.: 61209
Сторона установки : Задний мост
Диаметр [мм] : 285,9
Высота [мм] : 69,3
Тип тормозного диска : вентилируемый
Толщина тормозного диска (мм) : 20
Минимальная толщина [мм] : 18
Количество отверстий : 5
Диаметр центрирования [мм] : 65,5
Вес [кг] : 5,74
Наружный диаметр [мм] : 286
|
|
Тормозной диск
RIDEX 82B0161
Тип тормозного диска : вентилируемый
Толщина тормозного диска (мм) : 28
Наружный диаметр [мм] : 296
Сторона установки : передний мост
Минимальная толщина [мм] : 25
Диаметр центрирования [мм] : 70
Высота [мм] : 58,3
Расположение/число отверстий : 5/6
Ø фаски [мм] : 110
Внутренний диаметр : 139
Диаметр отверстия [мм] : 14
Поверхность : без покрытия
|
|
Тормозной диск
RIDEX 82B0489
Тип тормозного диска : вентилируемый
Толщина тормозного диска (мм) : 20
Минимальная толщина [мм] : 18
Диаметр центрирования [мм] : 65,5
Высота [мм] : 61
Размер резьбы : 14
Цвет : чёрный
Ø фаски [мм] : 110
Расположение/число отверстий : 5/7
Внутренний диаметр : 160
Диаметр отверстия [мм] : 14,2
Сторона установки : Задний мост
Наружный диаметр [мм] : 286
|
|
Тормозной диск
RIDEX 82B0738
Тип тормозного диска : цельный
Толщина тормозного диска (мм) : 12
Диаметр отверстия [мм] : 14,3
Диаметр центрирования [мм] : 65,5
Высота [мм] : 69,5
Ø фаски [мм] : 110
Диаметр барабана [мм] : 160
Расположение/число отверстий : 5/7
Наружный диаметр [мм] : 286
|
|
Тормозной диск
ROADHOUSE 6339.10
проверочное значение : K.B.A.: 61209
Вес [кг] : 7,84
Сторона установки : передний мост
Диаметр [мм] : 296
Толщина тормозного диска (мм) : 28
Минимальная толщина [мм] : 25
Высота [мм] : 58,3
Диаметр центрирования [мм] : 70
Количество отверстий : 5
Тип тормозного диска : вентилируемый
Наружный диаметр [мм] : 296
|
|
Тормозной диск
ROADHOUSE 6488.00
проверочное значение : K.B.A.: 61210
Вес [кг] : 5,28
Сторона установки : Задний мост
Диаметр [мм] : 286
Толщина тормозного диска (мм) : 12
Минимальная толщина [мм] : 10
Высота [мм] : 67
Диаметр центрирования [мм] : 65,5
Количество отверстий : 5
Тип тормозного диска : цельный
Наружный диаметр [мм] : 286
|
|
Тормозной диск
ROADHOUSE 6823.10
проверочное значение : K.B.A.: 61209
Вес [кг] : 5,74
Сторона установки : Задний мост
Диаметр [мм] : 285,9
Толщина тормозного диска (мм) : 20
Минимальная толщина [мм] : 18
Высота [мм] : 69,3
Диаметр центрирования [мм] : 65,5
Количество отверстий : 5
Тип тормозного диска : вентилируемый
Наружный диаметр [мм] : 286
|
|
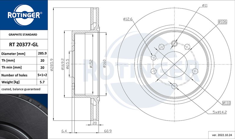
Тормозной диск
ROTINGER RT 1291
Тип тормозного диска : цельный
Сторона установки : Задний мост
Наружный диаметр [мм] : 286
Внутренний диаметр : 157,2
Диаметр центрирования [мм] : 65,5
Высота [мм] : 69,2
Толщина тормозного диска (мм) : 11,9
Минимальная толщина [мм] : 10
Количество отверстий : 5
Размер резьбы : 14,2
Вес [кг] : 5,3
Ø фаски [мм] : 110
|
|
Тормозной диск
ROTINGER RT 1291-GL
Тип тормозного диска : цельный
Поверхность : с гальваническим покрытием
Сторона установки : Задний мост
Наружный диаметр [мм] : 286
Внутренний диаметр : 157,2
Диаметр центрирования [мм] : 65,5
Высота [мм] : 69,2
Толщина тормозного диска (мм) : 11,9
Минимальная толщина [мм] : 10
Количество отверстий : 5
Размер резьбы : 14,2
Вес [кг] : 5,3
Ø фаски [мм] : 110
|
|
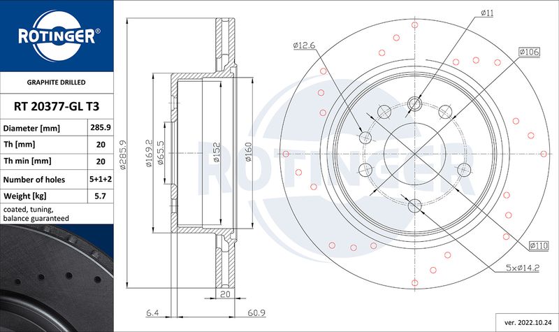
Тормозной диск
ROTINGER RT 1291-GL T3
Тип тормозного диска : цельный
Тип тормозного диска : перфорированный
Поверхность : с гальваническим покрытием
Сторона установки : Задний мост
Наружный диаметр [мм] : 286
Внутренний диаметр : 157,2
Диаметр центрирования [мм] : 65,5
Высота [мм] : 69,2
Толщина тормозного диска (мм) : 11,9
Минимальная толщина [мм] : 10
Количество отверстий : 5
Размер резьбы : 14,2
Вес [кг] : 5,3
Ø фаски [мм] : 110
|
|
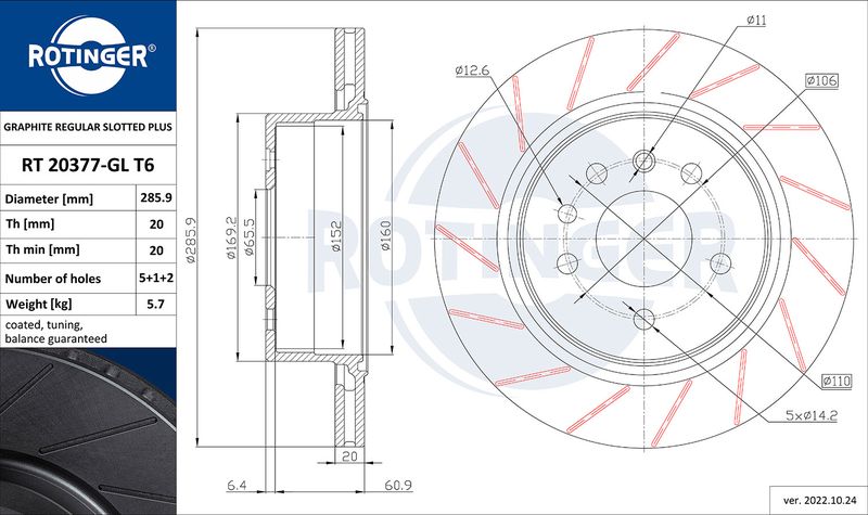
Тормозной диск
ROTINGER RT 1291-GL T5
Тип тормозного диска : перфорированный
Тип тормозного диска : цельный
Поверхность : с гальваническим покрытием
Сторона установки : Задний мост
Наружный диаметр [мм] : 286
Внутренний диаметр : 157,2
Диаметр центрирования [мм] : 65,5
Высота [мм] : 69,2
Толщина тормозного диска (мм) : 11,9
Минимальная толщина [мм] : 10
Количество отверстий : 5
Размер резьбы : 14,2
Вес [кг] : 5,3
Ø фаски [мм] : 110
|
|
Тормозной диск
ROTINGER RT 1291-GL T6
Тип тормозного диска : цельный
Поверхность : с гальваническим покрытием
Сторона установки : Задний мост
Наружный диаметр [мм] : 286
Внутренний диаметр : 157,2
Диаметр центрирования [мм] : 65,5
Высота [мм] : 69,2
Толщина тормозного диска (мм) : 11,9
Минимальная толщина [мм] : 10
Количество отверстий : 5
Размер резьбы : 14,2
Вес [кг] : 5,3
Ø фаски [мм] : 110
|
|
Тормозной диск
ROTINGER RT 1291-GL T9
Тип тормозного диска : цельный
Поверхность : с гальваническим покрытием
Сторона установки : Задний мост
Наружный диаметр [мм] : 286
Внутренний диаметр : 157,2
Диаметр центрирования [мм] : 65,5
Высота [мм] : 69,2
Толщина тормозного диска (мм) : 11,9
Минимальная толщина [мм] : 10
Количество отверстий : 5
Размер резьбы : 14,2
Вес [кг] : 5,3
Ø фаски [мм] : 110
|
|
Тормозной диск
ROTINGER RT 20377
Тип тормозного диска : вентилируемый
Сторона установки : Задний мост
Наружный диаметр [мм] : 285,9
Внутренний диаметр : 157
Диаметр центрирования [мм] : 65,5
Высота [мм] : 67
Толщина тормозного диска (мм) : 20
Минимальная толщина [мм] : 18
Количество отверстий : 5
Размер резьбы : 14,2
Вес [кг] : 5,7
Ø фаски [мм] : 110
|
|
Тормозной диск
ROTINGER RT 20377-GL
Тип тормозного диска : вентилируемый
Поверхность : с гальваническим покрытием
Сторона установки : Задний мост
Наружный диаметр [мм] : 285,9
Внутренний диаметр : 157
Диаметр центрирования [мм] : 65,5
Высота [мм] : 67
Толщина тормозного диска (мм) : 20
Минимальная толщина [мм] : 18
Количество отверстий : 5
Размер резьбы : 14,2
Вес [кг] : 5,7
Ø фаски [мм] : 110
|
|
Тормозной диск
ROTINGER RT 20377-GL T3
Тип тормозного диска : вентилируемый
Тип тормозного диска : перфорированный
Поверхность : с гальваническим покрытием
Сторона установки : Задний мост
Наружный диаметр [мм] : 285,9
Внутренний диаметр : 157
Диаметр центрирования [мм] : 65,5
Высота [мм] : 67
Толщина тормозного диска (мм) : 20
Минимальная толщина [мм] : 18
Количество отверстий : 5
Размер резьбы : 14,2
Вес [кг] : 5,7
Ø фаски [мм] : 110
|
|
Тормозной диск
ROTINGER RT 20377-GL T5
Тип тормозного диска : перфорированный
Тип тормозного диска : вентилируемый
Поверхность : с гальваническим покрытием
Сторона установки : Задний мост
Наружный диаметр [мм] : 285,9
Внутренний диаметр : 157
Диаметр центрирования [мм] : 65,5
Высота [мм] : 67
Толщина тормозного диска (мм) : 20
Минимальная толщина [мм] : 18
Количество отверстий : 5
Размер резьбы : 14,2
Вес [кг] : 5,7
Ø фаски [мм] : 110
|
|
Тормозной диск
ROTINGER RT 20377-GL T6
Тип тормозного диска : вентилируемый
Поверхность : с гальваническим покрытием
Сторона установки : Задний мост
Наружный диаметр [мм] : 285,9
Внутренний диаметр : 157
Диаметр центрирования [мм] : 65,5
Высота [мм] : 67
Толщина тормозного диска (мм) : 20
Минимальная толщина [мм] : 18
Количество отверстий : 5
Размер резьбы : 14,2
Вес [кг] : 5,7
Ø фаски [мм] : 110
|
|
Тормозной диск
ROTINGER RT 20377-GL T9
Тип тормозного диска : вентилируемый
Поверхность : с гальваническим покрытием
Сторона установки : Задний мост
Наружный диаметр [мм] : 285,9
Внутренний диаметр : 157
Диаметр центрирования [мм] : 65,5
Высота [мм] : 67
Толщина тормозного диска (мм) : 20
Минимальная толщина [мм] : 18
Количество отверстий : 5
Размер резьбы : 14,2
Вес [кг] : 5,7
Ø фаски [мм] : 110
|
|
Тормозной диск
ROTINGER RT 2527
Тип тормозного диска : вентилируемый
Сторона установки : передний мост
Наружный диаметр [мм] : 296
Внутренний диаметр : 139
Диаметр центрирования [мм] : 70
Высота [мм] : 58,4
Толщина тормозного диска (мм) : 28
Минимальная толщина [мм] : 25
Количество отверстий : 5
Размер резьбы : 14,2
Вес [кг] : 8,1
Ø фаски [мм] : 110
|
|
Тормозной диск
ROTINGER RT 2527-GL
Тип тормозного диска : вентилируемый
Поверхность : с гальваническим покрытием
Сторона установки : передний мост
Наружный диаметр [мм] : 296
Внутренний диаметр : 139
Диаметр центрирования [мм] : 70
Высота [мм] : 58,4
Толщина тормозного диска (мм) : 28
Минимальная толщина [мм] : 25
Количество отверстий : 5
Размер резьбы : 14,2
Вес [кг] : 8,1
Ø фаски [мм] : 110
|
|
Тормозной диск
ROTINGER RT 2527-GL T3
Тип тормозного диска : вентилируемый
Тип тормозного диска : перфорированный
Поверхность : с гальваническим покрытием
Сторона установки : передний мост
Наружный диаметр [мм] : 296
Внутренний диаметр : 139
Диаметр центрирования [мм] : 70
Высота [мм] : 58,4
Толщина тормозного диска (мм) : 28
Минимальная толщина [мм] : 25
Количество отверстий : 5
Размер резьбы : 14,2
Вес [кг] : 8,1
Ø фаски [мм] : 110
|
|
Тормозной диск
ROTINGER RT 2527-GL T5
Тип тормозного диска : вентилируемый
Тип тормозного диска : перфорированный
Поверхность : с гальваническим покрытием
Сторона установки : передний мост
Наружный диаметр [мм] : 296
Внутренний диаметр : 139
Диаметр центрирования [мм] : 70
Высота [мм] : 58,4
Толщина тормозного диска (мм) : 28
Минимальная толщина [мм] : 25
Количество отверстий : 5
Размер резьбы : 14,2
Вес [кг] : 8,1
Ø фаски [мм] : 110
|
|
Тормозной диск
ROTINGER RT 2527-GL T6
Тип тормозного диска : вентилируемый
Поверхность : с гальваническим покрытием
Сторона установки : передний мост
Наружный диаметр [мм] : 296
Внутренний диаметр : 139
Диаметр центрирования [мм] : 70
Высота [мм] : 58,4
Толщина тормозного диска (мм) : 28
Минимальная толщина [мм] : 25
Количество отверстий : 5
Размер резьбы : 14,2
Вес [кг] : 8,1
Ø фаски [мм] : 110
|
|
Тормозной диск
ROTINGER RT 2527-GL T9
Тип тормозного диска : вентилируемый
Поверхность : с гальваническим покрытием
Сторона установки : передний мост
Наружный диаметр [мм] : 296
Внутренний диаметр : 139
Диаметр центрирования [мм] : 70
Высота [мм] : 58,4
Толщина тормозного диска (мм) : 28
Минимальная толщина [мм] : 25
Количество отверстий : 5
Размер резьбы : 14,2
Вес [кг] : 8,1
Ø фаски [мм] : 110
|
|
Тормозной диск
ROTINGER RT 2527HP
Тип тормозного диска : вентилируемый
Обработка : Высокоуглеродистый
Сторона установки : передний мост
Наружный диаметр [мм] : 296
Внутренний диаметр : 139
Диаметр центрирования [мм] : 70
Высота [мм] : 58,4
Толщина тормозного диска (мм) : 28
Минимальная толщина [мм] : 25
Количество отверстий : 5
Размер резьбы : 14,2
Вес [кг] : 7,8
Ø фаски [мм] : 110
|
|
Тормозной диск
ROTINGER RT 2527HP-GL
Тип тормозного диска : вентилируемый
Обработка : Высокоуглеродистый
Поверхность : с гальваническим покрытием
Сторона установки : передний мост
Наружный диаметр [мм] : 296
Внутренний диаметр : 139
Диаметр центрирования [мм] : 70
Высота [мм] : 58,4
Толщина тормозного диска (мм) : 28
Минимальная толщина [мм] : 25
Количество отверстий : 5
Размер резьбы : 14,2
Вес [кг] : 7,8
Ø фаски [мм] : 110
|
|
Тормозной диск
ROTINGER RT 2527HP-GL T3
Тип тормозного диска : перфорированный
Тип тормозного диска : вентилируемый
Обработка : Высокоуглеродистый
Поверхность : с гальваническим покрытием
Сторона установки : передний мост
Наружный диаметр [мм] : 296
Внутренний диаметр : 139
Диаметр центрирования [мм] : 70
Высота [мм] : 58,4
Толщина тормозного диска (мм) : 28
Минимальная толщина [мм] : 25
Количество отверстий : 5
Размер резьбы : 14,2
Вес [кг] : 7,8
Ø фаски [мм] : 110
|
|
Тормозной диск
ROTINGER RT 2527HP-GL T5
Тип тормозного диска : вентилируемый
Тип тормозного диска : перфорированный
Обработка : Высокоуглеродистый
Поверхность : с гальваническим покрытием
Сторона установки : передний мост
Наружный диаметр [мм] : 296
Внутренний диаметр : 139
Диаметр центрирования [мм] : 70
Высота [мм] : 58,4
Толщина тормозного диска (мм) : 28
Минимальная толщина [мм] : 25
Количество отверстий : 5
Размер резьбы : 14,2
Вес [кг] : 7,8
Ø фаски [мм] : 110
|
|
Тормозной диск
ROTINGER RT 2527HP-GL T6
Тип тормозного диска : вентилируемый
Обработка : Высокоуглеродистый
Поверхность : с гальваническим покрытием
Сторона установки : передний мост
Наружный диаметр [мм] : 296
Внутренний диаметр : 139
Диаметр центрирования [мм] : 70
Высота [мм] : 58,4
Толщина тормозного диска (мм) : 28
Минимальная толщина [мм] : 25
Количество отверстий : 5
Размер резьбы : 14,2
Вес [кг] : 7,8
Ø фаски [мм] : 110
|
|
Тормозной диск
ROTINGER RT 2527HP-GL T9
Тип тормозного диска : вентилируемый
Обработка : Высокоуглеродистый
Поверхность : с гальваническим покрытием
Сторона установки : передний мост
Наружный диаметр [мм] : 296
Внутренний диаметр : 139
Диаметр центрирования [мм] : 70
Высота [мм] : 58,4
Толщина тормозного диска (мм) : 28
Минимальная толщина [мм] : 25
Количество отверстий : 5
Размер резьбы : 14,2
Вес [кг] : 7,8
Ø фаски [мм] : 110
|
|
Тормозной диск
SAMKO O1023V
Высота [мм] : 67
Диаметр центрирования [мм] : 65,5
Количество отверстий : 5
Наружный диаметр [мм] : 286
Минимальная толщина [мм] : 18
Тип тормозного диска : вентилируемый
Толщина тормозного диска (мм) : 20
|
|
Тормозной диск
SAMKO O1271P
Диаметр центрирования [мм] : 66
Тип тормозного диска : цельный
Толщина тормозного диска (мм) : 12
Наружный диаметр [мм] : 286
Высота [мм] : 67
Количество отверстий : 5
Минимальная толщина [мм] : 10
|
|
Тормозной диск
SAMKO O1291V
Тип тормозного диска : вентилируемый
Толщина тормозного диска (мм) : 28
Минимальная толщина [мм] : 25
Наружный диаметр [мм] : 296
Количество отверстий : 5
Диаметр центрирования [мм] : 70
Высота [мм] : 58
|
|
Тормозной диск
SAMKO O1291VR
Минимальная толщина [мм] : 25
Количество отверстий : 5
Тип тормозного диска : вентилируемый
Диаметр центрирования [мм] : 70
Наружный диаметр [мм] : 296
Высота [мм] : 58
Толщина тормозного диска (мм) : 28
|
|
Тормозной диск
SKF VKBD 80645 V1
Тип тормозного диска : вентилируемый
Наружный диаметр [мм] : 296
Толщина тормозного диска (мм) : 27,8
Высота [мм] : 58,5
Ø фаски [мм] : 110
Диаметр центрирования [мм] : 70,1
Количество отверстий : 5
Поверхность : с покрытием
Минимальная толщина [мм] : 25
Число отверстий : 1
|
|
Тормозной диск
Stark SKBD-0020165
Тип тормозного диска : вентилируемый
Толщина тормозного диска (мм) : 28
Наружный диаметр [мм] : 296
Сторона установки : передний мост
Минимальная толщина [мм] : 25
Диаметр центрирования [мм] : 70
Высота [мм] : 58,3
Расположение/число отверстий : 5/6
Ø фаски [мм] : 110
Внутренний диаметр : 139
Диаметр отверстия [мм] : 14
Поверхность : без покрытия
|
|
Тормозной диск
Stark SKBD-0022206
Тип тормозного диска : вентилируемый
Толщина тормозного диска (мм) : 20
Минимальная толщина [мм] : 18
Диаметр центрирования [мм] : 65,5
Высота [мм] : 61
Размер резьбы : 14
Цвет : чёрный
Ø фаски [мм] : 110
Расположение/число отверстий : 5/7
Внутренний диаметр : 160
Диаметр отверстия [мм] : 14,2
Сторона установки : Задний мост
Наружный диаметр [мм] : 286
|
|
Тормозной диск
Stark SKBD-0022888
Тип тормозного диска : цельный
Толщина тормозного диска (мм) : 12
Диаметр отверстия [мм] : 14,3
Диаметр центрирования [мм] : 65,5
Высота [мм] : 69,5
Ø фаски [мм] : 110
Диаметр барабана [мм] : 160
Расположение/число отверстий : 5/7
Наружный диаметр [мм] : 286
|
|
Тормозной диск
STELLOX 6020-3621-SX
Наружный диаметр [мм] : 286
Толщина тормозного диска (мм) : 12
Диаметр центрирования [мм] : 65,5
Количество отверстий : 5
Ø фаски [мм] : 110
Диаметр отверстия [мм] : 14
Минимальная толщина [мм] : 10
Тип тормозного диска : цельный
Сторона установки : Задний мост
|
|
Тормозной диск
STELLOX 6020-3621K-SX
Наружный диаметр [мм] : 286
Толщина тормозного диска (мм) : 12
Тип тормозного диска : цельный
Сторона установки : Задний мост
|
|
Тормозной диск
STELLOX 6020-3622V-SX
Наружный диаметр [мм] : 296
Толщина тормозного диска (мм) : 27,8
Высота [мм] : 58,3
Диаметр центрирования [мм] : 70
Количество отверстий : 5
Ø фаски [мм] : 110
Диаметр отверстия [мм] : 14
Минимальная толщина [мм] : 25
Тип тормозного диска : вентилируемый
Дополнительный артикул / дополнительная информация 2 : с винтами
Сторона установки : передний мост
|
|
Тормозной диск
STELLOX 6020-3622VK-SX
Наружный диаметр [мм] : 296
Толщина тормозного диска (мм) : 27,8
Тип тормозного диска : вентилируемый
Сторона установки : передний мост
|
|
Тормозной диск
STELLOX 6020-3657V-SX
Наружный диаметр [мм] : 286
Толщина тормозного диска (мм) : 20
Тип тормозного диска : вентилируемый
Сторона установки : Задний мост
|
|
Тормозной диск
SWAG 40 90 2552
Толщина тормозного диска (мм) : 12
Число отверстий в диске колеса : 5
Толщина [мм] : 69,2
Наружный диаметр [мм] : 286
Ø фаски [мм] : 110
Поверхность : с покрытием
Тип тормозного диска : цельный
Сторона установки : Задний мост
Минимальная толщина [мм] : 10
Диаметр центрирования [мм] : 65,5
|
|
Тормозной диск
SWAG 40 90 4848
Толщина тормозного диска (мм) : 28
Число отверстий в диске колеса : 5
Количество крепежных отверстий : 1
Толщина [мм] : 58,3
Наружный диаметр [мм] : 296
Ø фаски [мм] : 110
Поверхность : с покрытием
Тип тормозного диска : вентилируемый
Сторона установки : передний мост
Минимальная толщина [мм] : 25
Диаметр центрирования [мм] : 70
|
|
Тормозной диск
SWAG 40 94 4045
Толщина тормозного диска (мм) : 20
Число отверстий в диске колеса : 5
Количество крепежных отверстий : 2
Толщина [мм] : 67
Наружный диаметр [мм] : 285,9
Ø фаски [мм] : 110
Поверхность : с покрытием
Тип тормозного диска : вентилируемый
Сторона установки : Задний мост
Минимальная толщина [мм] : 18
Диаметр центрирования [мм] : 65,5
|
|
Тормозной диск
TEXTAR 92057700
Тип тормозного диска : вентилируемый
Наружный диаметр [мм] : 296
Толщина тормозного диска (мм) : 28
Высота [мм] : 58,5
Минимальная толщина [мм] : 25
Внутренний диаметр : 139
Ø фаски [мм] : 110
Диаметр центрирования [мм] : 70,1
Расположение/число отверстий : 05/06
Диаметр отверстия под шпильку колеса [мм] : 14,3
Дополнительный артикул / дополнительная информация 2 : без ступицы
Дополнительный артикул / дополнительная информация 2 : без колесного подшипника
Дополнительный артикул / дополнительная информация 2 : без колесной крепящей оси
Длина упаковки [см] : 31,3
Ширина упаковки [см] : 31,3
Высота упаковки [см] : 14
Вес [кг] : 8
|
|
Тормозной диск
TEXTAR 92067003
Тип тормозного диска : цельный
Наружный диаметр [мм] : 286
Толщина тормозного диска (мм) : 12
Высота [мм] : 69,3
Минимальная толщина [мм] : 10
Поверхность : с покрытием
Внутренний диаметр : 160
Ø фаски [мм] : 110
Диаметр центрирования [мм] : 65,5
Расположение/число отверстий : 05/07
Диаметр отверстия под шпильку колеса [мм] : 14,2
Дополнительный артикул / дополнительная информация 2 : без ступицы
Дополнительный артикул / дополнительная информация 2 : без колесного подшипника
Дополнительный артикул / дополнительная информация 2 : без колесной крепящей оси
Длина упаковки [см] : 30,8
Ширина упаковки [см] : 30,8
Высота упаковки [см] : 16
Вес [кг] : 5,3
|
|
Тормозной диск
TEXTAR 92144900
Тип тормозного диска : с внешней вентиляцией
Наружный диаметр [мм] : 286
Толщина тормозного диска (мм) : 20
Высота [мм] : 69,3
Минимальная толщина [мм] : 18
Внутренний диаметр : 160
Ø фаски [мм] : 110
Диаметр центрирования [мм] : 65,5
Расположение/число отверстий : 05/07
Диаметр отверстия под шпильку колеса [мм] : 14,2
Дополнительный артикул / дополнительная информация 2 : без ступицы
Дополнительный артикул / дополнительная информация 2 : без колесного подшипника
Дополнительный артикул / дополнительная информация 2 : без колесной крепящей оси
Длина упаковки [см] : 30,8
Ширина упаковки [см] : 30,8
Высота упаковки [см] : 16
Вес [кг] : 5,8
|
|
Тормозной диск
TOMEX Brakes TX 71-92
Сторона установки : Задний мост
Тип тормозного диска : цельный
Толщина тормозного диска (мм) : 12
Наружный диаметр [мм] : 286
Высота [мм] : 69,3
Количество отверстий : 5
Диаметр центрирования [мм] : 65,5
Ø фаски [мм] : 110
Поверхность : лакированный
Диаметр барабана [мм] : 160
Минимальная толщина [мм] : 10
|
|
Тормозной диск
TOMEX Brakes TX 72-07
Сторона установки : передний мост
Тип тормозного диска : вентилируемый
Толщина тормозного диска (мм) : 28
Наружный диаметр [мм] : 296
Высота [мм] : 58,3
Количество отверстий : 5
Диаметр центрирования [мм] : 70
Ø фаски [мм] : 110
Поверхность : лакированный
Минимальная толщина [мм] : 25
|
|
Тормозной диск
TOPRAN 200 939
Сторона установки : передний мост
Тип тормозного диска : вентилируемый
Наружный диаметр [мм] : 296
Диаметр ступицы [мм] : 150
Диаметр центрирования [мм] : 70
Толщина тормозного диска (мм) : 28
Высота [мм] : 59
Число отверстий в диске колеса : 5
Ø фаски [мм] : 110
заменяется только попарно :
|
|
Тормозной диск
TOPRAN 200 949
Сторона установки : Задний мост
Тип тормозного диска : цельный
Наружный диаметр [мм] : 285
Диаметр ступицы [мм] : 170
Диаметр центрирования [мм] : 65
Толщина тормозного диска (мм) : 12
Высота [мм] : 69
Число отверстий в диске колеса : 5
Ø фаски [мм] : 110
заменяется только попарно :
|
|
Комплект болтов, тормозной диск
TRISCAN 8105 116007
Длина [мм] : 19
Размер резьбы : M10x1,25
Тип резьбы : с наружной резьбой
Ширина зева гаечного ключа : Hex-5
|
|
Тормозной диск
TRISCAN 8120 24120C
Наружный диаметр [мм] : 296
Диаметр центрирования [мм] : 70
Тип тормозного диска : вентилируемый
Высота [мм] : 58,3
Количество отверстий : 5
Поверхность : с покрытием
Толщина тормозного диска (мм) : 28
Минимальная толщина [мм] : 25
|
|
Тормозной диск
TRISCAN 8120 24119C
Наружный диаметр [мм] : 286
Тип тормозного диска : цельный
Количество отверстий : 5
Толщина тормозного диска (мм) : 12
|
|
Тормозной диск
TRUSTING DF494
проверочное значение : ECE-R90
Высота [мм] : 58,3
Тип тормозного диска : вентилируемый
Толщина тормозного диска (мм) : 28
Наружный диаметр [мм] : 296
Количество отверстий : 5
Диаметр центрирования [мм] : 70
|
|
Тормозной диск
TRW DF2645
Тип тормозного диска : вентилируемый
Наружный диаметр [мм] : 296
Толщина тормозного диска (мм) : 28
Минимальная толщина [мм] : 25
Диаметр центрирования [мм] : 70
Высота [мм] : 58,3
Количество отверстий : 5
Размер резьбы : 14
Ø фаски [мм] : 110
Обработка : Высокоуглеродистый
Цвет : чёрный
Поверхность : лакированный
проверочное значение : E1 90R-02 C0176/0492
SVHC : Нет информации, обратитесь, пожалуйста, к производителю!
|
|
Тормозной диск
TRW DF2714
Тип тормозного диска : цельный
Наружный диаметр [мм] : 286
Толщина тормозного диска (мм) : 12
Минимальная толщина [мм] : 10
Диаметр центрирования [мм] : 65,5
Высота [мм] : 69,5
Количество отверстий : 5
Размер резьбы : 14,2
Ø фаски [мм] : 110
Диаметр барабана [мм] : 160
Цвет : чёрный
Поверхность : лакированный
проверочное значение : E1 90R-02 C0204/0523
SVHC : Нет информации, обратитесь, пожалуйста, к производителю!
|
|
Тормозной диск
TRW DF4247
Поверхность : лакированный
Тип тормозного диска : вентилируемый
Наружный диаметр [мм] : 286
Толщина тормозного диска (мм) : 20
Минимальная толщина [мм] : 18
Диаметр центрирования [мм] : 65,5
Высота [мм] : 61
Количество отверстий : 5
Размер резьбы : 14
Ø фаски [мм] : 110
Диаметр барабана [мм] : 160
Обработка : Высокоуглеродистый
Цвет : чёрный
SVHC : Нет информации, обратитесь, пожалуйста, к производителю!
|
|
Тормозной диск
VAICO V40-40015
Число отверстий в диске колеса : 5
Высота [мм] : 69,5
Тип тормозного диска : цельный
Толщина тормозного диска (мм) : 12
Минимальная толщина [мм] : 10
Наружный диаметр [мм] : 286
Диаметр центрирования [мм] : 65,5
Ø фаски [мм] : 110
Высота ступицы тормозного диска [мм] : 58
Сторона установки : Задний мост
|
|
Тормозной диск
VAICO V40-80021
Сторона установки : передний мост
Высота ступицы тормозного диска [мм] : 30,2
Число отверстий в диске колеса : 5
Высота [мм] : 58,4
Тип тормозного диска : вентилируемый
Толщина тормозного диска (мм) : 28
Минимальная толщина [мм] : 25
Наружный диаметр [мм] : 296
Диаметр центрирования [мм] : 70
Ø фаски [мм] : 110
|
|
Тормозной диск
VAICO V40-80051
Сторона установки : Задний мост
Высота ступицы тормозного диска [мм] : 49,4
Число отверстий в диске колеса : 5
Высота [мм] : 67
Тип тормозного диска : вентилируемый
Толщина тормозного диска (мм) : 20
Минимальная толщина [мм] : 18
Наружный диаметр [мм] : 286
Диаметр центрирования [мм] : 65,5
Ø фаски [мм] : 110
|
|
Тормозной диск
WOKING D6339.10
проверочное значение : K.B.A.: 61209
Сторона установки : передний мост
Диаметр [мм] : 296
Толщина тормозного диска (мм) : 28
Минимальная толщина [мм] : 25
Высота [мм] : 58,3
Диаметр центрирования [мм] : 70
Количество отверстий : 5
Тип тормозного диска : вентилируемый
Вес [кг] : 7,84
Наружный диаметр [мм] : 296
|
|
Тормозной диск
WOKING D6488.00
проверочное значение : K.B.A.: 61210
Сторона установки : Задний мост
Диаметр [мм] : 286
Толщина тормозного диска (мм) : 12
Минимальная толщина [мм] : 10
Высота [мм] : 67
Диаметр центрирования [мм] : 65,5
Количество отверстий : 5
Тип тормозного диска : цельный
Вес [кг] : 5,28
Наружный диаметр [мм] : 286
|
|
Тормозной диск
WOKING D6823.10
проверочное значение : K.B.A.: 61209
Сторона установки : Задний мост
Диаметр [мм] : 285,9
Толщина тормозного диска (мм) : 20
Минимальная толщина [мм] : 18
Высота [мм] : 69,3
Диаметр центрирования [мм] : 65,5
Количество отверстий : 5
Тип тормозного диска : вентилируемый
Вес [кг] : 5,74
Наружный диаметр [мм] : 286
|
|
Тормозной диск
ZEKKERT BS-5159
Тип тормозного диска : цельный
Наружный диаметр [мм] : 286
Высота [мм] : 70
Толщина тормозного диска (мм) : 12
Минимальная толщина [мм] : 10
Количество отверстий : 7
Диаметр центрирования [мм] : 65,8
Диаметр расположения крепёжных отверстий ступицы [мм] : 110
Номера артикулов рекомендуемых комплектующих : CP-1105
Номера артикулов рекомендуемых комплектующих : CP-1205
Номера артикулов рекомендуемых комплектующих : CP-1305
Номера артикулов рекомендуемых комплектующих : CP-1965
Номера артикулов рекомендуемых комплектующих : FK-2005
Номера артикулов рекомендуемых комплектующих : FK-2010
Вес [кг] : 5,76
|
|
Тормозной диск
ZEKKERT BS-5600
Тип тормозного диска : вентилируемый
Наружный диаметр [мм] : 296
Высота [мм] : 58
Толщина тормозного диска (мм) : 28
Минимальная толщина [мм] : 25
Количество отверстий : 5
Диаметр центрирования [мм] : 70
Диаметр расположения крепёжных отверстий ступицы [мм] : 110
Номера артикулов рекомендуемых комплектующих : CP-1105
Номера артикулов рекомендуемых комплектующих : CP-1205
Номера артикулов рекомендуемых комплектующих : CP-1305
Номера артикулов рекомендуемых комплектующих : CP-1965
Номера артикулов рекомендуемых комплектующих : FK-2005
Номера артикулов рекомендуемых комплектующих : FK-2010
Вес [кг] : 8,45
|
|
Тормозной диск
ZIMMERMANN 430.1465.20
Сторона установки : передний мост
Тип тормозного диска : вентилируемый
Поверхность : с покрытием
Наружный диаметр [мм] : 296
Толщина тормозного диска (мм) : 28
Высота [мм] : 58
Число отверстий в диске колеса : 5
Ø фаски [мм] : 110
Диаметр центрирования [мм] : 70
проверочное значение : ECE R90 APPROVED
Минимальная толщина [мм] : 25
Расположение/число отверстий : 6/5
Вес [кг] : 7,56
|
|
Тормозной диск
ZIMMERMANN 430.1465.52
Сторона установки : передний мост
Тип тормозного диска : вентилируемый
Тип тормозного диска : перфорированный
Поверхность : с покрытием
Наружный диаметр [мм] : 296
Толщина тормозного диска (мм) : 28
Высота [мм] : 58
Число отверстий в диске колеса : 5
Ø фаски [мм] : 110
Диаметр центрирования [мм] : 70
проверочное значение : ECE R90 APPROVED
Минимальная толщина [мм] : 25
Расположение/число отверстий : 6/5
Вес [кг] : 7,56
|